| Скачать .docx |
Курсовая работа: Электроснабжение базы жилищно-коммунального хозяйства
МИНИСТЕРСТВО СЕЛЬСКОГО ХОЗЯЙСТВА
РОССИЙСКОЙ ФЕДЕРАЦИИ
ФГОУ ВПО «ТЮМЕНСКАЯ ГОСУДАРСТВЕННАЯ
СЕЛЬСКОХОЗЯЙСТВЕННАЯ АКАДЕМИЯ»
факультет электрификации и автоматизации
сельского хозяйства
КАФЕДРА «ЭНЕРГООБЕСПЕЧЕНИЕ
СЕЛЬСКОГО ХОЗЯЙСТВА»
КУРСОВОЙ ПРОЕКТ
Электроснабжение базы жилищно-коммунального хозяйства
Студент
Родионов М.А.
Группа Э-048
Руководитель
Матвеев С.Д
Тюмень 2006 г.
Оглавление.
ЗАДАНИЕ
Введение
РАСЧЕТ ЗДАНИЯ ЛИНЕЙНОЙ ЭКСПЛУАТАЦИОННОЙ СЛУЖБЫ
1.1 РАСЧЕТ ОСВЕЩЕНИЯ
1.2 СВЕТОТЕХНИЧЕСКАЯ ВЕДОМОСТЬ
1.3 ЭЛЕКТРОТЕХНИЧЕСКАЯ ЧАСТЬ
1.4 ОРГАНИЗАЦИЯ ЭКСПЛУАТАЦИИ ЭЛЕКТРИЧЕСКОГО ОСВЕЩЕНИЯ
РАССЧИТЫВАЕМ ПРОВОДКУ ДО ТРАНСФОРМАТОРНОЙ ПОДСТАНЦИИ
ВЫБОР ТРАНСФОРМАТОРА
ЗАКЛЮЧЕНИЕ
Список литературы
ЗАДАНИЕ
На курсовой проект по дисциплине «Электроснабжение сельского хозяйства»
Выдано студенту 4 курса факультета электрификации и автоматизации
Родионову Михаилу Александровичу
Дата выдачи срок выполнения
Содержание
Выполнить проект электроснабжения:
Здания линейной эксплуатационной службы
Исходные данные параметр ед. изм.
1.Здание жилищно-коммунальной службы
а) Слесарный участок 85,4
б) Участок сварки 198,4 (кВт-ч/дом)
в) Покрасочный участок 88,8
г) Механический участок 22,2
2. Очистные 75,2
3. Контора 15,2
4. Столовая мест
5. Гараж №1 211,5
6. Гараж№2 57,8
7. Охрана 28,3
Количество грозовых часов в год, ч/год
Район гололедности
Число часов использования максимальной нагрузки, Т = ч
Преподаватель
Введение
Вместе с развитием электроэнергетики страны стала развиваться электрификация сельских районов. На первых порах она сводилась главным образом к обеспечению в селе электрического освещения, но постепенно электроэнергия во все возрастающих объемах стала внедряться и в технологические процессы сельскохозяйственного производства. Сельская электрификация обеспечивалась в основном строительством мелких колхозных и совхозных гидроэлектростанций и тепловых электростанций на местном топливе, а с 50-х годов в стране началось широкое строительство сельских электрических сетей, присоединенным к мощным государственным энергосистемам.
Дальнейшее развитие электрификации сельскохозяйственных объектов неразрывно связано с повышением качества и надежности поставляемой электрической энергии. На сегодняшний день без большого преувеличения можно сказать, что без электроэнергии не обходится ни один технологический процесс. Электроэнергия так тесно вплелась в сегодняшнее производство, что первоочередной задачей при проектировании тех или иных технологических процессов является электрификация - расчет и создание качественной, надежной и в тоже время простой и дешевой, удовлетворяющей поставленным требованиям системы энергоснабжения.
Электрическая энергия, являясь одной из главных производительных сил, с каждым годом находит все большее применение в промышленности и сельском хозяйстве. Без ее широкого употребления немыслимо увеличение производительности труда. Поэтому надежность и бесперебойность работы электрооборудования приобретает первостепенное значение, и обеспечить ее
Должны специалисты, занятые эксплуатацией и ремонтом современных электротехнических установок.
Электрику необходимы как высокая квалификация, так и обширные, разнообразные знания. Технический прогресс вынуждает постоянно совершенствовать свое мастерство и повышать образование. Без наличия высококвалифицированных кадров невозможно решить проблемы повышения эффективности современного производства.
В данном курсовом проекте производится расчет системы электроснабжения территории базы жилищно-коммунального хозяйства. На данной территории находится техника, которую направляют на ра бочие объекты, которая базируется в 2-х гаражах, ремонтный цех, очистные сооружения, контора, столовая и пункт охраны.
РАСЧЕТ ЗДАНИЯ ЛИНЕЙНОЙ ЭКСПЛУАТАЦИОННОЙ СЛУЖБЫ
1.1 Расчет освещения
Рассчитываем помещение 1
(Слесарный участок).
1.Выбираем вид системы освещения принимаем рабочее общее равномерное.
2. Выбор нормированной освещенности E н =100лк
3.Выбор светового прибора так как значение 20
E н
100 то выбираем лампу накаливания, поэтому К з
=1,3 Г=00
Так как помещение пожароопасное, то принимаем степень защиты светильника IP -54.
Выбираем светильник с люминесцентной лампой низкого давления ЛСП-16 КСС – Д
максимальная мощность лампы 40 ватт.
4. Размещение

5. Определяем расчетную высоту.
H p = H - H c - H РП
H - Высота помещения
H c –Высота свеса светильников в пределах от 0 до 0,5 метров
H РП - Высота рабочей поверхности.
Н р = H - H c - H РП =4-0-0=4 (М).
6. Определяем расстояние между светильниками
L д= H p
*
c
L ш= H p
*
э
Рекомендуемые значения для кривой силы света
| Типовая кривая | ||
| Концентрированная (К) | 0,6 | 0,6 |
| Глубокая (Г) | 0,9 | 1,0 |
| Косинусоидная (Д) | 1,4 | 1,6 |
| Полу широкая (Л) | 1,6 | 1,8 |
| Равномерная (М) | 2,0 | 2,6 |
У нас освещение равномерное поэтому :
L мин= H p
*
c
=4*1,4=5,6 (м)
L мах= H p
*
э
=*1,6=6,4 (м)
Выбираем расстояние между светильниками исходя из диапазона.
L =5,6 (м)
7. Определяем количество светильников в ряду.
n c = a/L=6/5,6=1,07 ( шт )
n p =b/L=6/5,6=1,07 ( шт )
a -длинна помещения
b -ширина помещения
8. Определяем общее количество светильников N =3 (шт)
9.Расчет мощности осветительной установки ведем методом коэффициента использования светового потока.
а) Определяем индекс помещения
![]()
Индекс помещения зависит от коэффициента отражения и марки светильника.
потолка
=50
стен
=30
рабочей поверхности
=10
U oy =0,28
б) Определяем световой поток светильника
Ф с
=
(лм)
А-площадь помещения
Z -отношение средней освещенности к минимальной Z =1,1….1,2
в) Принимаем лампуЛБ-40-1, Ф К =3200
г) Определяем отклонения светового потока
![]()
-10%
-4,27%
20%
Отклонение допустимое.
д) Определяем удельную мощность
Р уд
=
(Вт/м 2
)
Рассчитываем помещение 2.
(Кладовая расходных материалов).
1.Выбираем вид системы освещения принимаем рабочее общее равномерное.
2. Выбор нормированной освещенности E н =100лк
3.Выбор светового прибора так как значение 20
E н
100 то выбираем лампу накаливания, поэтому
К з =1,3 Г=00
Так как помещение пожароопасное, то принимаем степень защиты светильника IP -54.
Выбираем светильник с люминесцентной лампой низкого давления
ЛСП-16 КСС – Д
максимальная мощность лампы 40 ватт.
4. Размещение

5. Определяем расчетную высоту
H p = H - H c - H РП
H - Высота помещения
H c –Высота свеса светильников в пределах от 0 до 0,5 метров
H РП - Высота рабочей поверхности.
Н р = H - H c - H РП =4-0-0=4 (М).
6. Определяем расстояние между светильниками
L д= H p
*
c
L ш= H p
*
э
У нас освещение равномерное поэтому
L мин= H p
*
c
=4*1,4=5,6 (м)
L мах= H p
*
э
=*1,6=6,4 (м)
Выбираем расстояние между светильниками исходя из диапазона
L =5,6
7. Определяем количество светильников в ряду
n c = a/L=3/5,6=0,54 ( шт )
n p =b/L=3/5,6=0,54 ( шт )
a -длинна помещения
b -ширина помещения
8. Определяем общее количество светильников N =1
9.Расчет мощности осветительной установки ведем методом коэффициента использования светового потока.
а) Определяем индекс помещения
![]()
Индекс помещения зависит от коэффициента отражения и марки светильника.
потолка
=30
стен
=10
рабочей поверхности
=10
U oy =0,15
б) Определяем световой поток светильника
Ф с
=
(лм)
А-площадь помещения
Z -отношение средней освещенности к минимальной Z =1,1….1,2
в) Принимаем лампуЛБ-40-1, Ф К =3200
г) Определяем отклонения светового потока
![]()
-10%
-1,7%
20%
Отклонение допустимое.
д) Определяем удельную мощность.
Р уд
=
(Вт/м 2
)
Рассчитываем помещение 3.
(Механический участок).
1.Выбираем вид системы освещения принимаем рабочее общее равномерное.
2. Выбор нормированной освещенности E н =100лк
3.Выбор светового прибора так как значение 20
E н
100 то выбираем лампу накаливания, поэтому К з
=1,3 Г=00
Так как помещение пожароопасное, то принимаем степень защиты светильника IP -54.
Выбираем светильник с люминесцентной лампой низкого давления ЛСП-16 КСС – Д
максимальная мощность лампы 40 ватт.
4. Размещение

5. Определяем расчетную высоту.
H p = H - H c - H РП
H - Высота помещения
H c –Высота свеса светильников в пределах от 0 до 0,5 метров
H РП - Высота рабочей поверхности.
Н р = H - H c - H РП =4-0-0=4 (М).
6. Определяем расстояние между светильниками.
L д= H p
*
c
L ш= H p
*
э
У нас освещение равномерное поэтому :
L мин= H p
*
c
=4*1,4=5,6 (м)
L мах= H p
*
э
=*1,6=6,4 (м)
Выбираем расстояние между светильниками исходя из диапазона.
L =5,6 (м)
7. Определяем количество светильников в ряду.
n c = a/L=6/5,6=1,07 ( шт )
n p =b/L=6/5,6=1,07 ( шт )
a -длинна помещения
b -ширина помещения
8. Определяем общее количество светильников N =3
9.Расчет мощности осветительной установки ведем методом коэффициента использования светового потока.
а) Определяем индекс помещения
![]()
Индекс помещения зависит от коэффициента отражения и марки светильника.
потолка
=50
стен
=30
рабочей поверхности
=10
U oy =0,28
б) Определяем световой поток светильника
Ф с
=
(лм)
А-площадь помещения
Z -отношение средней освещенности к минимальной Z =1,1….1,2
в) Принимаем лампуЛБ-40-1, Ф К =3200
г) Определяем отклонения светового потока
![]()
-10%
-4,27%
20%
Отклонение допустимое.
д) Определяем удельную мощность
Р уд
=
(Вт/м 2
)
Рассчитываем помещение 4.
(Участок сварки).
1.Выбираем вид системы освещения принимаем рабочее общее равномерное.
2. Выбор нормированной освещенности E н =100лк
3.Выбор светового прибора так как значение 20
E н
100 то выбираем лампу накаливания, поэтому
К з =1,3 Г=00
Так как помещение пожароопасное, то принимаем степень защиты светильника IP -54.
Выбираем светильник с люминесцентной лампой низкого давления ЛСП-16 КСС – Д
максимальная мощность лампы 40 ватт.
4. Размещение

5. Определяем расчетную высоту.
H p = H - H c - H РП
H - Высота помещения
H c –Высота свеса светильников в пределах от 0 до 0,5 метров
H РП - Высота рабочей поверхности.
Н р = H - H c - H РП =4-0-0=4 (М).
6. Определяем расстояние между светильниками.
L д= H p
*
c
L ш= H p
*
э
У нас освещение равномерное поэтому :
L мин= H p
*
c
=4*1,4=5,6 (м)
L мах= H p
*
э
=*1,6=6,4 (м)
Выбираем расстояние между светильниками исходя из диапазона.
L =5,6 (м)
7. Определяем количество светильников в ряду.
n c = a/L=6/5,6=1,07 ( шт )
n p =b/L=2,6/5,6=0,46 ( шт )
a -длинна помещения
b -ширина помещения
8. Определяем общее количество светильников N =2
9.Расчет мощности осветительной установки ведем методом коэффициента использования светового потока.
а) Определяем индекс помещения
![]()
Индекс помещения зависит от коэффициента отражения и марки светильника.
потолка
=50
стен
=30
рабочей поверхности
=10
U oy =0,2
б) Определяем световой поток светильника
Ф с
=
(лм)
А-площадь помещения
Z -отношение средней освещенности к минимальной Z =1,1….1,2
в) Принимаем лампуЛБ-40-1, Ф К =3200
г) Определяем отклонения светового потока
![]()
-10%
5,19%
20%
Отклонение допустимое.
д) Определяем удельную мощность.
Р уд
=
(Вт/м 2
)
Рассчитываем помещение 5
(Заготовительный участок).
1.Выбираем вид системы освещения принимаем рабочее общее равномерное.
2. Выбор нормированной освещенности E н =100лк
3.Выбор светового прибора так как значение 20
E н
100 то выбираем лампу накаливания, поэтому
К з =1,3 Г=00
Так как помещение пожароопасное, то принимаем степень защиты светильника IP -54.
Выбираем светильник с люминесцентной лампой низкого давления ЛСП-16 КСС – Д
максимальная мощность лампы 40 ватт.
4. Размещение

5. Определяем расчетную высоту.
H p = H - H c - H РП
H - Высота помещения
H c –Высота свеса светильников в пределах от 0 до 0,5 метров
H РП - Высота рабочей поверхности.
Н р = H - H c - H РП =4-0-0=4 (М).
6. Определяем расстояние между светильниками.
L д= H p
*
c
L ш= H p
*
э
У нас освещение равномерное поэтому :
L мин= H p
*
c
=4*1,4=5,6 (м)
L мах= H p
*
э
=*1,6=6,4 (м)
Выбираем расстояние между светильниками исходя из диапазона.
L =5,6 (м)
7. Определяем количество светильников в ряду.
n c = a/L=6/5,6=1,07 ( шт )
n p =b/L=6,6/5,6=0,46 ( шт )
a -длинна помещения
b -ширина помещения
8. Определяем общее количество светильников N =3
9.Расчет мощности осветительной установки ведем методом коэффициента использования светового потока.
а) Определяем индекс помещения
![]()
Индекс помещения зависит от коэффициента отражения и марки светильника.
потолка
=50
стен
=30
рабочей поверхности
=10
U oy =0,3
б) Определяем световой поток светильника
Ф с
=
(лм)
А-площадь помещения
Z -отношение средней освещенности к минимальной Z =1,1….1,2
в) Принимаем лампуЛБ-40-1, Ф К =3200
г) Определяем отклонения светового потока
![]()
-10%
-6,7%
20%
Отклонение допустимое.
д) Определяем удельную мощность.
Р уд
=
(Вт/м 2
)
Рассчитываем помещение 6.
(Монтажный участок).
1.Выбираем вид системы освещения принимаем рабочее общее равномерное.
2. Выбор нормированной освещенности E н =100лк
3.Выбор светового прибора так как значение 20
E н
100 то выбираем лампу накаливания, поэтому
К з =1,3 Г=00
Так как помещение пожароопасное, то принимаем степень защиты светильника IP -54.
Выбираем светильник с люминесцентной лампой низкого давления ЛСП-16 КСС –
Д
максимальная мощность лампы 40 ватт.
4. Размещение

5. Определяем расчетную высоту
H p = H - H c - H РП
H - Высота помещения
H c –Высота свеса светильников в пределах от 0 до 0,5 метров
H РП - Высота рабочей поверхности.
Н р = H - H c - H РП =4-0-0=4 (М).
6. Определяем расстояние между светильниками.
L д= H p
*
c
(м)
L ш= H p
*
э
(м)
У нас освещение равномерное поэтому :
L мин= H p
*
c
=4*1,4=5,6 (м)
L мах= H p
*
э
=*1,6=6,4 (м)
Выбираем расстояние между светильниками исходя из диапазона.
L =5,6 (м)
7. Определяем количество светильников в ряду.
n c = a/L=12/5,6=2,14 ( шт )
n p =b/L=6/5,6=1,07 ( шт )
a -длина помещения
b -ширина помещения
8. Определяем общее количество светильников N =4
9.Расчет мощности осветительной установки ведем методом коэффициента использования светового потока.
а) Определяем индекс помещения
![]()
Индекс помещения зависит от коэффициента отражения и марки светильника.
потолка
=50
стен
=30
рабочей поверхности
=10
U oy =0,37
б) Определяем световой поток светильника
Ф с
=
(лм)
А-площадь помещения
Z -отношение средней освещенности к минимальной Z =1,1….1,2
в) Принимаем лампуЛБ-40-1, Ф К =3750
г) Определяем отклонения светового потока
![]()
-10%
-1,17%
20%
Отклонение допустимое.
д) Определяем удельную мощность.
Р уд
=
(Вт/м 2
)
Рассчитываем помещение 7.
(Покрасочный участок).
1.Выбираем вид системы освещения принимаем рабочее общее равномерное.
2. Выбор нормированной освещенности E н =100лк
3.Выбор светового прибора так как значение 20
E н
100 то выбираем лампу накаливания, поэтому
К з =1,3 Г=00
Так как помещение пожароопасное, то принимаем степень защиты светильника IP -54.
Выбираем светильник с люминесцентной лампой низкого давления ЛСП-22 КСС – Д
максимальная мощность лампы 65 ватт.
4. Размещение.

5. Определяем расчетную высоту
H p = H - H c - H РП
H - Высота помещения
H c –Высота свеса светильников в пределах от 0 до 0,5 метров
H РП - Высота рабочей поверхности.
Н р = H - H c - H РП =4-0-0=4 (М).
6. Определяем расстояние между светильниками.
L д= H p
*
c
L ш= H p
*
э
У нас освещение равномерное поэтому :
L мин= H p
*
c
=4*1,4=5,6 (м)
L мах= H p
*
э
=4*1,6=6,4 (м)
Выбираем расстояние между светильниками исходя из диапазона.
L =5,6 (м)
7. Определяем количество светильников в ряду.
n c = a/L=3,7/5,6=2,14 ( шт )
n p =b/L=2,8/5,6=1,07 ( шт )
a -длина помещения
b -ширина помещения
8. Определяем общее количество светильников N =1
9.Расчет мощности осветительной установки ведем методом коэффициента использования светового потока.
а) Определяем индекс помещения
![]()
Индекс помещения зависит от коэффициента отражения и марки светильника.
потолка
=50
стен
=30
рабочей поверхности
=10
U oy =0,18
б) Определяем световой поток светильника
Ф с
=
(лм)
А-площадь помещения
Z -отношение средней освещенности к минимальной Z =1,1….1,2
в) Принимаем лампуЛБ-40-1, Ф К =3750
г) Определяем отклонения светового потока
![]()
-10%
2,46%
20%
Отклонение допустимое.
д) Определяем удельную мощность
Р уд
=
(Вт/м 2
)
Рассчитываем помещение 8.
(Инструментальная).
1.Выбираем вид системы освещения принимаем рабочее общее равномерное.
2. Выбор нормированной освещенности E н =100лк
3.Выбор светового прибора так как значение 20
E н
100 то выбираем лампу накаливания, поэтому
К з =1,3 Г=00
Так как помещение пожароопасное, то принимаем степень защиты светильника IP -54.
Выбираем светильник с люминесцентной лампой низкого давления ЛСП-16 КСС – Д
максимальная мощность лампы 40 ватт.
4. Размещение

5. Определяем расчетную высоту.
H p = H - H c - H РП
H - Высота помещения
H c –Высота свеса светильников в пределах от 0 до 0,5 метров
H РП - Высота рабочей поверхности.
Н р = H - H c - H РП =4-0-0=4 (М).
6. Определяем расстояние между светильниками.
L д= H p
*
c
L ш= H p
*
э
У нас освещение равномерное поэтому :
L мин= H p
*
c
=4*1,4=5,6 (м)
L мах= H p
*
э
=*1,6=6,4 (м)
Выбираем расстояние между светильниками исходя из диапазона.
L =5,6 (м)
7. Определяем количество светильников в ряду.
n c = a/L=2,5/5,6=0,63 ( шт )
n p =b/L=2,2/5,6=0,61 ( шт )
a -длинна помещения
b -ширина помещения
8. Определяем общее количество светильников N =1
9.Расчет мощности осветительной установки ведем методом коэффициента использования светового потока.
а) Определяем индекс помещения
![]()
Индекс помещения зависит от коэффициента отражения и марки светильника.
потолка
=50
стен
=30
рабочей поверхности
=10
U oy =0,12
б) Определяем световой поток светильника
Ф с
=
(лм)
А-площадь помещения
Z -отношение средней освещенности к минимальной Z =1,1….1,2
в) Принимаем лампуЛД-65, Ф К =3750
г) Определяем отклонения светового потока
![]()
-10%
4,895%
20%
Отклонение допустимое.
д) Определяем удельную мощность
Р уд
=
(Вт/м 2
)
Рассчитываем помещение 9.
(Расборно-сборочный участок).
1.Выбираем вид системы освещения принимаем рабочее общее равномерное.
2. Выбор нормированной освещенности E н =100лк
3.Выбор светового прибора так как значение 20
E н
100 то выбираем лампу накаливания, поэтому
К з =1,3 Г=00
Так как помещение пожароопасное, то принимаем степень защиты светильника IP -54.
Выбираем светильник с люминесцентной лампой низкого давления ЛСП-16 КСС – Д
максимальная мощность лампы 40 ватт.
4. Размещение

5. Определяем расчетную высоту.
H p = H - H c - H РП
H - Высота помещения
H c –Высота свеса светильников в пределах от 0 до 0,5 метров
H РП - Высота рабочей поверхности.
Н р = H - H c - H РП =4-0-0=4 (М).
6. Определяем расстояние между светильниками.
L д= H p
*
c
L ш= H p
*
э
У нас освещение равномерное поэтому :
L мин= H p
*
c
=4*1,4=5,6 (м)
L мах= H p
*
э
=*1,6=6,4 (м)
Выбираем расстояние между светильниками исходя из диапазона.
L =5,6 (м)
7. Определяем количество светильников в ряду.
n c = a/L=2,5/5,6=0,63 ( шт )
n p =b/L=2,2/5,6=0,61 ( шт )
a -длина помещения
b -ширина помещения
8. Определяем общее количество светильников N =1
9.Расчет мощности осветительной установки ведем методом коэффициента использования светового потока.
а) Определяем индекс помещения
![]()
Индекс помещения зависит от коэффициента отражения и марки светильника.
потолка
=50
стен
=30
рабочей поверхности
=10
U oy =0,12
б) Определяем световой поток светильника
Ф с
=
(лм)
А-площадь помещения
Z -отношение средней освещенности к минимальной Z =1,1….1,2
в) Принимаем лампуЛД-65, Ф К =3750
г) Определяем отклонения светового потока
![]()
-10%
4,895%
20%
Отклонение допустимое.
д) Определяем удельную мощность.
Р уд
=
(Вт/м 2
)
Рассчитываем помещение 10
(Сан узел).
1.Выбираем вид системы освещения принимаем рабочее общее равномерное.
2. Выбор нормированной освещенности E н =50лк
3.Выбор светового прибора так как значение 20
E н
100 то выбираем лампу накаливания, поэтому
К з =1,3 Г=00
Так как помещение пожароопасное, то принимаем степень защиты светильника IP -54.
Выбираем светильник с люминесцентной лампой низкого давления ЛСП-29 КСС –
Д
максимальная мощность лампы 40 ватт.
4. Размещение

5. Определяем расчетную высоту
H p = H - H c - H РП
H - Высота помещения
H c –Высота свеса светильников в пределах от 0 до 0,5 метров
H РП - Высота рабочей поверхности.
Н р = H - H c - H РП =4-0-0=4 (М).
6. Определяем расстояние между светильниками.
L д= H p
*
c
L ш= H p
*
э
У нас освещение равномерное поэтому :
L мин= H p
*
c
=4*1,4=5,6 (м)
L мах= H p
*
э
=*1,6=6,4 (м)
Выбираем расстояние между светильниками исходя из диапазона.
L =5,6 (м)
7. Определяем количество светильников в ряду.
n c = a/L=2,2/5,6=0,55 ( шт )
n p =b/L=1/5,6=0,28 ( шт )
a -длинна помещения
b -ширина помещения
8. Определяем общее количество светильников N =1 (шт)
9.Расчет мощности осветительной установки ведем методом коэффициента использования светового потока.
а) Определяем индекс помещения
![]()
Индекс помещения зависит от коэффициента отражения и марки светильника.
потолка
=50
стен
=30
рабочей поверхности
=10
U oy =0,09
б) Определяем световой поток светильника
Ф с
=
(лм)
А-площадь помещения
Z -отношение средней освещенности к минимальной Z =1,1….1,2
в) Принимаем лампуЛД-18, Ф К =880
г) Определяем отклонения светового потока
![]()
-10%
-7,69%
20%
Отклонение допустимое.
д) Определяем удельную мощность.
Р уд
=
(Вт/м 2
)
Рассчитываем помещение 11
(Вентиляционная камера).
1.Выбираем вид системы освещения принимаем рабочее общее равномерное.
2. Выбор нормированной освещенности E н =50лк
3.Выбор светового прибора так как значение 20
E н
100 то выбираем лампу накаливания, поэтому
К з =1,3 Г=00
Так как помещение пожароопасное, то принимаем степень защиты светильника IP -54.
Выбираем светильник с люминесцентной лампой низкого давления ЛСП-29 КСС
Д
максимальная мощность лампы 40 ватт.
4. Размещение
![]()
5. Определяем расчетную высоту.
H p = H - H c - H РП
H - Высота помещения
H c –Высота свеса светильников в пределах от 0 до 0,5 метров
H РП - Высота рабочей поверхности.
Н р = H - H c - H РП =4-0-0=4 (М).
6. Определяем расстояние между светильниками.
L д= H p
*
c
L ш= H p
*
э
У нас освещение равномерное поэтому :
L мин= H p
*
c
=4*1,4=5,6 (м)
L мах= H p
*
э
=*1,6=6,4 (м)
Выбираем расстояние между светильниками исходя из диапазона.
L =5,6 (м)
7. Определяем количество светильников в ряду.
n c = a/L=6/5,6=1,50 ( шт )
n p =b/L=3/5,6=0,83 ( шт )
a -длинна помещения
b -ширина помещения
8. Определяем общее количество светильников N =1 (шт)
9.Расчет мощности осветительной установки ведем методом коэффициента использования светового потока.
а) Определяем индекс помещения
![]()
Индекс помещения зависит от коэффициента отражения и марки светильника.
потолка
=50
стен
=30
рабочей поверхности
=10
U oy =0,5
б) Определяем световой поток светильника
Ф с
=
(лм)
А-площадь помещения
Z -отношение средней освещенности к минимальной Z =1,1….1,2
в) Принимаем лампуЛБ-20, Ф К =1060
г) Определяем отклонения светового потока
![]()
-10%
20%
20%
Отклонение допустимое.
д) Определяем удельную мощность
Р уд
=
(Вт/м 2
)
1.2 Светотехническая ведомость
№ |
Наименование помещения | Среда | Коэффициент отражения | Площадь м 2 | Длина м | Ширина м | Высота, м | En | N | марка лампы | мощность лампы | Pуд |
| 1 | Слесарный участок | Пожароопасное | 50 30 10 | 36 | 6 | 6 | 4 | 100 | 6 | ЛБ-40-1 | 40 | 6,67 |
| 2 | Кладовая расходных материалов | Пожароопасное | 30 10 10 | 9 | 3 | 3 | 4 | 100 | 2 | ЛБ-65 | 65 | 14,44 |
| 3 | Механический участок | Пожароопасное | 50 30 10 | 36 | 6 | 6 | 4 | 100 | 6 | ЛБ-40-1 | 40 | 6,67 |
| 4 | Участок сварки | Пожароопасное | 50 30 10 | 15,6 | 6 | 2,6 | 4 | 100 | 4 | ЛБ-40-1 | 40 | 10,26 |
| 5 | Заготовительный участок | Пожароопасное | 50 30 10 | 39,6 | 6,6 | 6 | 4 | 100 | 6 | ЛБ-40-1 | 40 | 6,06 |
| 6 | Монтажный участок | Пожароопасное | 50 30 10 | 72 | 12 | 6 | 4 | 100 | 8 | ЛД-65 | 65 | 7,22 |
| 7 | Покрасочный участок | Пожароопасное | 50 30 10 | 10,36 | 3,7 | 2,8 | 4 | 100 | 2 | ЛБ-65 | 65 | 12,55 |
| 8 | Инструментальная | Пожароопасное | 30 10 10 | 5,5 | 2,5 | 2,2 | 4 | 100 | 2 | ЛД-65 | 65 | 23,64 |
| 9 | Разборно-сборочный участок | Пожароопасное | 50 30 10 | 5,5 | 2,5 | 2,2 | 4 | 100 | 2 | ЛД-65 | 65 | 23,64 |
| 10 | Санитарный узел | Пожароопасное | 50 30 10 | 2,2 | 2,2 | 1 | 4 | 50 | 2 | ЛД-18 | 18 | 16,36 |
| 11 | Венткамера | Пожароопасное | 50 30 10 | 18 | 6 | 3 | 4 | 50 | 2 | ЛБ-20 | 20 | 2,22 |
Электротехническая часть

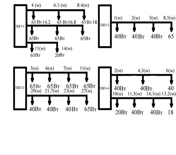
1.Считаем сумму моментов на каждой линии по формуле:
![]()
2.Расчитываем сечение проводки по формуле:

3.Определяем ток группы по формуле:
![]()
4.Определяем потери напряжения по формуле:
![]()
Потери в поводке проложенной в помещении не должны превышать 0.2%
Расчеты по данным формулам представлены в таблице
| СЩ1 | СЩ2 | СЩ3 | СЩ4 | ||||||||||||||||||||||||
| №линии | 1 | 2 | 3 | 1 | 2 | 1 | 1 | 2 | |||||||||||||||||||
| №лампы | 1 | 2 | 3 | 1 | 2 | 3 | 1 | 2 | 1 | 2 | 3 | 4 | 1 | 2 | 3 | 4 | 1 | 2 | 3 | 4 | 1 | 2 | 3 | 1 | 2 | 3 | 4 |
| Длинна | 4 | 6 | 8 | 14 | 16 | 18 | 11 | 14 | 3 | 6 | 7 | 11 | 20 | 21 | 23 | 27 | 1 | 2 | 5 | 8 | 2 | 4 | 6 | 10 | 11,5 | 14 | 13 |
| ЩО-1 | ||||||||
| линии | сумма моментов по линиям Вт/м | сечение провода мм 2 | принимаем сечение мм 2 | P линии Вт | I линии, | |||
| А | падение напряжения | |||||||
| В | % | Iр | ||||||
| 1 | 1,2155 | 0,06 | 2,5 | 195 | 0,30 | 0,011 | 0,376 | |
| 2 | 3,2305 | 0,18 | 2,5 | 195 | 0,30 | 0,029 | 0,376 | |
| 3 | 1,034 | 0,05 | 2,5 | 85 | 0,13 | 0,009 | 0,164 | |
| полная по линиям | 5,48 | 0,62 | 10 | 475 | 0,73 | 0,012 | меньше 0,2% | 0,917 |
| ЩО-2 | ||||||||
| линии | сумма моментов по линиям Вт/м | сечение провода мм 2 | принимаем сечение мм 2 | P линии Вт | I линии | |||
| А | падение напряжения | |||||||
| В | % | Iр | ||||||
| 1 | 1,755 | 0,09 | 2,5 | 260 | 0,40 | 0,015 | 0,502 | |
| 2 | 4,3462 | 0,24 | 2,5 | 185 | 0,28 | 0,039 | 0,357 | |
| Полная по линиям | 6,1012 | 0,69 | 10 | 445 | 0,69 | 0,013 | меньше 0,2% | 0,860 |
| ЩО-3 | ||||||||
| линии | сумма моментов по линиям Вт/м | сечение провода мм 2 | принимаем сечение мм 2 | P линии Вт | I линии | |||
| А | падение напряжения | |||||||
| В | % | Iр | ||||||
| 1 | 0,8725 | 0,04 | 2,5 | 185 | 0,28 | 0,007 | 0,357 | |
| полная по линиям | 0,8725 | 0,09 | 10 | 185 | 0,28 | 0,001 | меньше 0,2% | 0,357 |
| ЩО-4 | ||||||||
| линии | сумма моментов по линиям Вт/м | сечение провода мм 2 | принимаем сечение мм 2 | P линии Вт | I линии | |||
| А | падение напряжения | |||||||
| В | % | Iр | ||||||
| 1 | 0,492 | 0,02 | 2,5 | 120 | 0,18 | 0,004 | 0,231 | |
| 2 | 1,4616 | 0,08 | 2,5 | 118 | 0,18 | 0,013 | 0,228 | |
| полная по линиям | 1,9536 | 0,22 | 10 | 238 | 0,36 | 0,004 | меньше 0,2% | 0,459 |
5. Считаем ток необходимый для срабатывания автомата по формуле
I 1р = I 1 *1.25
6. Для всех линий выбираем автоматы марки : ВА77-29-1Р10А
Общие автоматы в щитке освещения берем: ВА77-29-3Р10А
Выключатели автоматические серии ВА 77-29 "ЩИТ" предназначены для обеспечения нормального режима протекания тока в цепи, его отключения и защиты цепи при коротких замыканиях и перегрузках, а так же оперативных включений и отключений электрических цепей. Все ВА 77-29 имеют модульное исполнение и крепятся на DIN-рейку. Область применения: тип В применяется для защиты низковольтных электрических сетей административных и жилых зданий; тип С применяется для защиты низковольтных электрических сетей административных и жилых зданий, и для потребителей с небольшими пусковыми токами. ВА 77-29 соответствуют ГОСТ Р 50345-99. Технические характеристики ВА 77-29-1: количество полюсов 1p; номинальный ток расцепителей (In) 1, 2, 3, 4, 5, 6, 10, 16, 20, 25, 32, 40, 50, 63A; номинальное напряжение (Un) 220/380B; номинальная частота сети 50Гц; характеристика расцепления (тип) В, С; номинальная отключающая способность (Icn) 4500А; климатическое исполнение УХЛ3.
Выбираем щитки освещения ШРВ93 и встраиваем автоматические выключатели ВА77-29 в эти щитки.
Щит распределительный, встраиваемый. Замок + магнит. Материал - сталь с порошковым покрытием, цвет - серый RAL 7035. Дверца - глухая с замками или магнитными защелками. 1 ряд автоматов всего их 9, степень защиты от попадания влаги и пыли IP30 что соответствует данному классу помещения .
7. Выбор марки и сечения проводов.
Провод выбираем с учетом тепловой нагрузки.
I т1
I 1
*1.25=4*1,25=5
Та как автоматы одинаковые то I т для них так же не изменится.
Отсюда выбираем кабель для всех линий ВВГ 3х2.5 допустимый ток 19ампер.
Кабель силовой ВВГ с медными жилами, с ПВХ изоляцией в ПВХ оболочке. Кабель используется для передачи и распределения электроэнергии в стационарных установках на номинальное напряжение 660В частоты 50Гц. Для прокладки в сухих и влажных производственных помещениях, на специальных кабельных эстакадах, в блоках, а так же для прокладки на открытом воздухе. Кабель не рекомендуются для прокладки в земле (траншеях). Кабель не распространяет горение при одиночной прокладке.
Выбираем силовой щиток ПР11А-1086-21УЗ номинальный ток вводного выключателя 80 ампер, количество вводных выключателей -1, количество однополюсных автоматических выключателей-6, количество трехполюсных автоматических выключателей-8.
Пункты распределительные серии ПР 11А предназначены для распределения электроэнергии, защиты электрических установок напряжением до 660 В переменного тока частотой 50 и 60 Гц при перегрузках и коротких замыканиях, а также для нечастых (до 3-х включений в час) оперативных коммутаций электрических цепей и прямых пусков асинхронных двигателей.
8. Проверка аппаратов защиты на надежность срабатывания.
Для того чтобы проверить аппараты защиты на надежность срабатывания необходимо определить длину линии и ее сопротивление.
![]()
l -длина в метрах; S -сечение в мм 2 ;
![]()
Теперь рассчитаем ток короткого замыкания на линиях.
(А)
Рассчитаем кратность тока короткого замыкания.
![]()
Где: I кз - ток короткого замыкания; I ЗА ток защиты автомата
К з1 =962,09/10=96,2
Выбранная защита надежна к срабатыванию от токов короткого замыкания так как ток короткого замыкания в несколько десятков раз превышает ток выбранной защиты.
Вводный щиток выбираем так же щиток ПР11А-1086-21УЗ и устанавливаем три автомата на 250 А и один на 80 ампер, серии А3720Б-250А и А3710Б-80А.
Вводный щиток мы выбирали исходя из нагрузки и потерь на линии аналогично выбору щитка освещения для подключения электроустановок выбрали провод маки ВВГ 4х2.5 и защитили их автоматами ВА 101-3/16.
Кроме: токарного станка ВВГ 4х6 автомат А-3100- 40А, сварочных станков АВВГ 4х35 автомат А-3100- 100А, электрической печи ВВГ 4х16
А-3100- 100А, Вентиляции ВВГ 4х6 автоматами ВА 101-3/40.
1.3 Организация эксплуатации электрического освещения
На лицевой стороне щитов и сборок сети освещения должны быть надписи (маркировка) с указанием наименования (щита или сборки), номера, соответствующего диспетчерскому наименованию. С внутренней стороны (например, на дверцах) должна быть однолинейная схема, надписи с указанием значения номинального тока автоматических выключателей и наименование электроприемников соответственно через них получающих питание.
Напряжение на лампах должно быть не выше номинального значения. Понижение напряжения у наиболее удаленных ламп сети внутреннего рабочего освещения, а также прожекторных установок должно быть не более 5% номинального напряжения; у наиболее удаленных ламп сети наружного и аварийного освещения и в сети напряжением
Очистка светильников, осмотр и ремонт сети электрического освещения должен выполнять по графику (плану ППР) квалифицированный персонал.
Периодичность работ по очистке светильников и проверке технического состояния осветительных установок Потребителя (наличие и целость стекол, решеток и сеток, исправность уплотнений светильников специального назначения и т.п.) должна производиться не реже одного раза в три месяца.
Смена перегоревших ламп может производиться групповым или индивидуальным способом, который устанавливается конкретно для каждого Потребителя в зависимости от доступности ламп и мощности осветительной установки. При групповом способе сроки очередной чистки арматуры должны быть приурочены к срокам групповой замены ламп.
При высоте подвеса светильников до 5 м допускается их обслуживание с приставных лестниц и стремянок. Вышедшие из строя люминесцентные лампы, лампы типа ДРЛ и другие источники, содержащие ртуть, должны храниться в специальном помещении. Их необходимо периодически вывозить для уничтожения и дезактивации в отведенные для этого места.
Проверка состояния стационарного оборудования и электропроводки аварийного и рабочего освещения, испытание и измерение сопротивления изоляции проводов, кабелей и заземляющих устройств должны проводиться при вводе сети электрического освещения в эксплуатацию, а в дальнейшем по графику, потребителя, но не реже одного раза в год. Результаты замеров оформляются актом (протоколом) в соответствии с нормами испытания электрооборудования.
Рассчитываем проводку до трансформаторной подстанции.
1.Считаем сумму моментов на каждой линии по формуле:
![]()
2.Расчитываем сечение проводки по формуле:

3.Определяем ток группы по формуле:
![]()
4.Определяем потери напряжения по формуле:
![]()
Потери в поводке проложенной в помещении не должны превышать 0.2%
Расчеты по данным формулам представлены в таблице
| линии | P | L | Напряжение | P*L | Сумма моментов по линиям | Сечение провода | Принимаем сечение | P линии | I линии | падение напряжения |
| СЩ1 | 198400 | 100,9 | 380 | 20018,56 | 20018,56 | 1130,353 | 150 | 198400 | 177 | 3 |
| СЩ2 | 88800 | 100,9 | 380 | 8959,92 | 8959,92 | 505,9243 | 150 | 88800 | 79 | 1 |
| СЩ3 | 22200 | 100,9 | 380 | 2239,98 | 2239,98 | 126,4811 | 25 | 22200 | 19 | 2 |
| СЩ4 | 85400 | 100,9 | 380 | 8616,86 | 8616,86 | 486,5534 | 150 | 85400 | 76 | 1 |
По всей линии ЩР1 |
394800 | 100,9 | 39835,32 | 2249,312 | 240 | 394800 | 353 | 4,8 | 0,3% Т.е. меньше 5% |
Расчетные данные сечения провода делим на кратность тока (для линий 5, для общей линии 9) и получаем примерное сечение провода.
5. Считаем ток необходимый для срабатывания автомата по формуле:
I р = I *1.25
I р = I *1.25=353*1.25=441.25 (А)
6. Выбираем автомат А3740Б-630А номинальный ток расцепителя 500А, уставка по току срабатывания (3-10) I н .
Автоматические выключатели серии А3700Ф предназначены для отключения электрических установок при коротких замыканиях, перегрузках и недопустимых снижениях напряжения, а также для оперативного отключения и включения цепей переменного тока напряжением до 380 В и постоянного тока напряжением до 220 В с частотой 50 или 400 Гц, допускается нечастый пуск асинхронных двигателей.
7. Выбор марки и сечения проводов.
Провод выбираем с учетом тепловой нагрузки.
I т
I *1.25=500*1,25=625 (А)
Принимаем кабель ААБлУ-1 напряжением до 1 кВ сечение 3 х 240 ож.
Кабель алюминиевый с алюминиевыми жилами в алюминиевой оболочке, бронированный двумя стальными лентами с наружным защитным слоем. Применяется для прокладке в земле (в траншеях), шахтах, с низкой и средней коррозионной активностью без блуждающих токов.
8. Проверка аппаратов защиты на надежность срабатывания.
Для того чтобы проверить аппараты защиты на надежность срабатывания необходимо определить длину линии и ее сопротивление.
![]()
l -длина в метрах; S -сечение в мм 2 ;
![]()
Теперь рассчитаем ток короткого замыкания на линиях.
(А)
Рассчитаем кратность тока короткого замыкания.
![]()
Где: I кз - ток короткого замыкания; I ЗА ток защиты автомата
К з1 =25850,34/630=41,03
Выбранная защита надежна к срабатыванию от токов короткого замыкания, так как ток короткого замыкания в несколько десятков раз превышает ток выбранной защиты.
Выбор трансформатора.
Выбор типа, мощности ТП, ее расположение обуславливается величиной, характером электрических нагрузок и их пространственным расположением.
Расчет ведется в такой последовательности:
определяется местоположение ТП с учетом положения опасных зон, расположения подъездных путей и дорог. Трансформаторные подстанции желательно располагать ближе к мощным потребителям;
при определении мощности трансформатора необходимо одновременно решать вопрос о компенсации реактивной мощности. При компенсации на стороне 0,4 кВ получается расчетная мощность трансформатора:
=
(кВА)
где Р р — расчетная активная мощность нагрузки, кВт; Q p — расчетная реактивная мощность нагрузки, квар; Q э — реактивная мощность энергосистемы (как правило, Q э = 0,33 Р р ); В — коэффициент загрузки трансформатора (для однотрансформаторной подстанции
В = 0,95... 1,0).
P р
=
=1126 (кВт)
Q р
=
=1080 (квар)
Из справочных данных выбираем ближайший трансформатор равной или большей мощности.
Выбираем двух трансформаторную подстанцию ТМЗ мощность каждого трансформатора 630 кВА напряжением 10/0,4.
Загрузка трансформаторов на 73%.
Заключение
Спроектированная система электроснабжения базы ЖКХ имеет следующую структуру. Предприятие получает питание от энергосистемы по кабелю проложенному в траншее. В качестве пункта приёма электроэнергии используется двух трансформаторная подстанция ТМЗ с трансформаторами мощностью каждого 630 кВА, напряжением 10/0,4. Вся электроэнергия распределяется на напряжении 0,3 кВ по кабельным линиям.
В результате проделанной работы были определены следующие параметры электроснабжения. Расчётные нагрузки зданий Питание цехов осуществляется кабельными линиями, проложенными в траншее. Для выбора элементов схемы электроснабжения был проведён расчёт токов короткого замыкания в трёх точках. На основании этих данных были выбраны аппараты на 0,4 кВ, а также проведена проверка. Был произведён расчёт продольной дифференциальной токовой защиты трансформаторов. Был рассмотрен расчёт заземляющего устройства ПГВ.
В целом предложенная схема электроснабжения отвечает требованиям безопасности, надёжности, экономичности.
Литература
1. И. А. Будзко, В. Ю. Гессен. Электроснабжение сельского хозяйства – М.: Колос, 1979.-480с.
2. И. И. Алиев. Справочник по электротехнике и электрооборудованию. Изд. 5-ое, - Ростов н/Д: Феникс, 2004.-480с.
3. Р. А. Амерханов. Теплоэнергетические установки и системы сельского хозяйства - М.: Колос-Пресс, 2002.-425с
4. Методическое указание по расчету нагрузок в сетях 0,38 – 10 кВ сельскохозяйственного назначения. Руководящие материалы по проектированию электроснабжения сельского хозяйства (РУМ). М.: Сельэнергопроек, 1981г.
5. Методическое указание к курсовой работе по проектированию электрических осветительных установок. Челябинск 1999г.
6. П. М. Михайлов. Пособие по дипломному проектированию. Тюмень 2004г.
7. Правила Устройства Электроустановок. Шестое издание, переработанное и дополненное, с изменениями. М.: Агропромиздат 2002г.