| Скачать .docx |
Курсовая работа: Электроснабжение населенного пункта Семеновичи
Министерство сельского хозяйства и продовольствия Республики Беларусь
Белорусский государственный аграрный технический университет
Кафедра электроснабжения сельского хозяйства
Пояснительная записка
на курсовой проект по дисциплине
"Электроснабжение сельского хозяйства"
Тема проекта "Электроснабжение н. п. Семеновичи"
Выполнил:
студент 7зптк группы
Бахур В.Н.
Проверил:
ст. преподаватель
Поворотный В.Ф.
Минск 2008 г
Содержание
Введение
1. Исходные данные
2. Расчет электрических нагрузок
3. Определение допустимых потерь напряжения в сети 0,38/10 кВ
4. Выбор числа и мощности трансформатора и место расположения ТП 10/0,4 кВ.
5. Электрический расчет сетей 0,38кВ и 10 кВ
6. Определение потерь электроэнергии в линиях и трансформаторах
7. Конструктивное выполнение линий и ТП
8. Расчет токов короткого замыкания
9. Выбор аппаратуры ТП
10. Защита от перенапряжений, заземления
Литература
Введение
Электрификация, то есть производство, распределение и применение электроэнергии во всех отраслях народного хозяйства и быта населения — один из важных факторов технического прогресса. В основном задача перевода сельского хозяйства на централизованное электроснабжение решена. Все совхозы и колхозы пользуются электроэнергией; все жилые дома в сельских населенных пунктах имеют электрический ввод. Почти все населенные пункты охвачены воздушными линиями электропередачи. Новое их строительство на селе все больше изменяется систематической реконструкцией. При реконструкции будут широко внедряться мероприятия по повышению надежности электроснабжения, которая еще далеко не достаточна (в том числе из-за большого количества трансформаций, отсутствия автоматических устройств регулирования напряжения), электроснабжение производственных предприятий и населенных пунктов в сельской местности имеет и другие особенности по сравнению с электроснабжением промышленности и городов. Главная из них — необходимость подводить электроэнергию к огромному числу сравнительно маломощных объектов, расположенных на большой территории. В результате протяженность сетей (на единицу мощности потребителя) очень велика. Поэтому первостепенная задача электроснабжения заключается в доведении стоимости до минимальной.
1. Исходные данные
Исходные данные к курсовому проекту:
Номер задания – 17-30;
Номер расчетного населенного пункта - 7;
Номер варианта исходных данных - 4;
Существующее годовое потребление электроэнергии на одноквартирный жилой дом - 1200 кВт. ч.;
Тип потребительской подстанции -ЗТП;
Отклонения напряжения на шинах источника -
,
;
Соотношение мощностей - Рп /Р0 =0,5;
Исходные данные по коммунально-бытовым потребителям - таблица 1.
Таблица 1Коммунально-бытовые потребители
| № потре-бите-лей | Шифр наг-руз. | Наименование потребителя | Расчетные нагрузки | |||||
| Рд, кВт | Qд, квар | Рв, кВт | Qв квар | |||||
| 1 | 340 | Плотницкая | 10 | 8 | 1 | - | 0,78 | 1 |
| 2 | 356 | Хлебопекарня производи-тельностью 3т/сут | 5 | 4 | 5 | 4 | 0,78 | 0,78 |
| 3 | 382 | Пожарное депо на 1…2 автомашины | 4 | 3 | 4 | 3 | 0,8 | 0,8 |
| 4 | 518 | Административное здание на 15…25 рабочих мест | 15 | 10 | 8 | - | 0,83 | 1 |
| 5 | 527 | Дом культуры со зрительным залом на 150…200 мест | 5 | 3 | 14 | 8 | 0,86 | 0,87 |
| 6 | 536 | Фельдшерско – акушерский пункт | 4 | - | 4 | - | 1 | 1 |
| 7 | 553 | Магазин, смешанный ассортимент на 6…10 мест | 4 | - | 4 | 2 | 1 | 0,89 |
| 8 | 559 | Баня на 5 мест | 3 | 2 | 3 | 2 | 0,83 | 0,83 |
2. Расчет электрических нагрузок.
Для расчета электрических нагрузок в сети 0,38 кВ размещаем на плане населенного пункта производственные и общественные потребители, а также объединяем жилые дома в группы (не более 10 домов).
Исходя из задания - Wсущ =1200 кВт×ч/дом по рис. 3,6 [1] находим:
Р7лет .= 2,8 кВт/дом
;
.
где Кд и Кв – коэффициенты участия нагрузки, соответственно, в дневном и вечернем максимуме;
Р1д и Р1в - расчетная мощность i-го потребителя, Вт.
;
.
Дневную и вечернюю нагрузку групп домов найдем по формулам:
;
,
где К0 - коэффициент одновременности;
Р1д и Р1в - расчетная мощность i-го потребителя, Вт;
N - число потребителей в группе.
Полученные значения сведем в таблицу 2.
Таблица2 Определение нагрузок групп потребителей

Мощность необходимая на уличное освещение:
;
где Lул - длина улиц, м;
Руд.ул . - удельная мощность на 1 м длины улицы, Вт/м;
По генплану
;
Согласно [2]
;
,
Нагрузки производственных потребителей принимаем по исходным данным.
Так как дневные и вечерние нагрузки отличаются более чем в 4 раза, то суммирование нагрузок отдельных потребителей производим с учетом надбавок.
Находим max дневную и вечернюю нагрузки всего населенного пункта:
= 15,0 + 6,0 + 3,0 + 2,4 + 3,0 + 2,4 + 2,4 + 1,8 + 4*1,6+8*2,1+7*2,4=76 кВт;
= 14,0 + 6,0 + 3,0 + 2,4 + 4,8 + 2,4 + 2,4 + 1,8 +4*4+8*5,1+7*6=130,2 кВт;
т. к. вечерняя нагрузка превышает дневную, а вечером включают уличное освещение, то максимальную мощность населенного пункта найдем как:
![]()
Рассчитаем средневзвешенный коэффициент мощности населенного пункта по формуле:![]()
;

Полная мощность населенного пункта:
![]()
Определим приближенное число ТП для населенного пункта по формуле:
,
где Sp – расчетная мощность населенного пункта, кВА;
F – площадь населенного пункта, км2 , по генплану F=0.11 км2 ;
- допустимые потери напряжения в сети 0,38кВ, по таблице
= -7,5%
![]()
Принимаем Nтп =1.
Определяем мощность трансформатора по полной расчетной нагрузке [1]. Принимаем S=160 кВА.
Принимаем трансформатор типа ТМ-160-10/0,4 с параметрами:
Рх =0,51 кВт, Рк =2,65 кВт Uк =4,5%.
3. Определение допустимых потерь напряжения в сетях 0,38 и 10кВ
Для дальнейшего расчета составляем таблицу отклонений напряжения и определяем по ней допустимые потери напряжения в сетях. Согласно нормам технологического проектирования электрических сетей, потери в электрических сетях 0,38 кВ не должна превышать 8%, из них во внутренних сетях – 2%, во внешних - 6%. Потери напряжения в линии 10 кВ не должны превышать 10%. Надбавку трансформатора принимаем +7,5%, потери в трансформаторе -4% (при 100% нагрузке) и -1% (при 25%). Напряжение у потребителя не должно повышаться или снижаться более чем на 5% от номинального.
Таблица 3.Таблица отклонений напряжений

Полученные значения потерь напряжения в сетях будут использованы в дальнейшем расчете.
Определим место расположения ТП
Определим координаты нагрузок и их групп, путем определения центра нагрузок групп потребителей.
Для этого на план нанесем оси координат и определим координаты нагрузки и их групп. Результаты расчетов сведем в таблицу4
Таблица 4Определение центра электрических нагрузок

Координаты центра нагрузок Xр и Yр определим по формулам:
;
,
где Xp и Yp – координаты центра нагрузок;
Ррi– расчетная мощность i-того потребителя, кВт;
Xiи Yi – координаты i-того потребителя.
Результаты сведем в таблицу 5
Таблица 5 Определение центра нагрузок

Площадку для строительства ТП в соответствии с НТПС выбираем на незаселенной местности, не затопляемой паводковыми водами, в центре электрических нагрузок или вблизи от него, по возможности близко от автодороги. Площадка должна иметь по возможности инженерно-геологические условия, допускающие строительство без устройства дорогостоящих заземлений и фундаментов под оборудование и не вызывать большого объема планировочных работ.
Компоновка оборудования подстанции должна обеспечивать простые и удобные подходы и выходы ВЛ всех напряжений с минимальным числом пересечений и углов, удобные подъезды передвижных средств и механизмов для транспортировки и ремонта оборудования и возможность дальнейшего расширения подстанции.
5. Электрический расчет сетей 0,38 кВ и 10 кВ
Электрический расчет сетей напряжением 10кВ производится с целью выбора сечения и марки проводов линий, а также проверки качества напряжения у потребителя. Сечение проводов воздушных линий напряжением 0,38 и 10кВ рассчитывают по экономическим интервалам нагрузок. Все линии проверяем по допустимой потере напряжения.
Для проведения электрического расчета, на основании имеющихся данных составляем расчетную схему сети 0,38 кВ. Нагрузки на участках сети определяем по формуле для вечернего максимума нагрузки.
Рассчитаем сети 0,38 кВ и 10 кВ по следующей схеме:
1. Определим активные вечерние нагрузки на участках линии по формуле:
![]()
,
где
- мощность нагрузки, кВт;
- коэффициент одновременности, табл. 1 [1].
а если есть различие мощностей нагрузок в 4 и более раз, используем формулу:
,
где
- наибольшая из мощностей нагрузок,
- надбавки по меньшим нагрузкам, табл. 15.7 [1]
2. Определим средневзвешенный коэффициент мощности на участках линии:
.
- мощность i-ой нагрузки, кВт;
- коэффициент мощности i-ой нагрузки.
Для ВЛ 10 кВ -
найдем из отношения мощностей
, из рис. 3,7 [1].
3. Определим полные мощности на участках линии:

4. Определяем экономическую нагрузку SЭ :
,
где
- коэффициент динамики роста нагрузок,
по [1]
5. Определяем потери напряжения на участках сети:
![]()
где
- полная мощность участка цепи, кВА;
- длина участка сети, км;
- междуфазное напряжение сети, кВ;
- удельное активное сопротивление провода, Ом/км, из табл. 1.1 Приложение 1. [1];
- удельное индуктивное сопротивление провода, Ом/км, из табл. 1 Приложение 15 [1];
- коэффициент мощности участка.
Потери в процентах от междуфазного напряжения найдем по формуле:
![]()
Расчеты сведем в таб. 8 для ВЛ 0,38 кВ и в таб. 7 для ВЛ 10 кВ.

Рис 1.Схема сети 10 кВ
Для вечернего максимума
Р7-4 = 154.1 кВт
Р4-6 = 100 кВт;
Р4-5 = 100 кВт
Р3-4 = (100+100+154+150)*0.825=415.8 кВт
Р10-8 = 75 кВт
Р9-8 =200 кВт
Р8-3 = (75+200+100)*0.85=318.75 кВт
Р3-1 = (100+100+154+150+75+200+100+90)*0,77=746.13 кВт
Р2-1 = 80 кВт
Рип-1 = (100+100+154+150+75+200+100+90+80+85)*0,75=850.5 кВт
По отношению мощностей
из рис 2,3[1] определяем коэффициент мощности cosj потребителей. Результаты сводим в таблицу …6.
Таблица6
| Номер Н.П. | 1 | 2 | 3 | 4 | 5 | 6 | 7 | 8 | 9 | 10 |
| Рп/Ро | 0,5 | 0,4 | 0,3 | 0,5 | 0,4 | 0,3 | -- | 0,4 | 0,3 | 0,5 |
| cosj | 0,84 | 0,86 | 0,88 | 0,84 | 0,86 | 0,88 | 0,92 | 0,86 | 0,88 | 0,84 |
Определяем средневзвешенные коэффициенты мощности на участках сети 10кВ:
cosj4-6 =0,88
cos4-7 =0,92
cos4-5 =0,86
cosj4-3 =(154,1*0,92+100*0,88+100*0,86+150*0,84)/(154,1+100+100+150)=
=0,88
cosj8-9 =0,88
cosj10-8 =0,84
cosj8-3 =(0,84*75+100*0,86+200*0,88)/(100+200+75)=0,87
cosj3-1 =(154,1*0,92+100*0,88+100*0,86+150*0,84+0,84*75+100*0,86+
+200*0,88+90*0,88)/( 154,1+100+100+150+100+200+75+90)=0,87
cosj2-1 =0,86
cosjип-1 =(154,1*0,92+100*0,88+100*0,86+150*0,84+0,84*75+100*0,86+
+200*0,88+90*0,88+85*0,84+80*0,86)/(154,1+100+100+150+100+200+
+75+90+85+80)=0,84
Определим полные мощности протекающие по участкам сети 10кВ:
;
S7-4 =154,1/0,92= 167,5кВА;
S6-4 =100/0,88= 113,64 кВА;
S5-4 =100/0,86= 116,28 кВА;
S3-4 =415,8/0,88= 472,5 кВА;
S10-8 =75/0,84= 89,29 кВА;
S8-9 =200/0,88= 227,27 кВА;
S8-3 =318,8/0,87= 366,44 кВА;
S3-1 =746,1/0,87= 857,59 кВА;
S2-1 =80/0,86= 93,02 кВА;
Sип-1 =850,5/0,84= 1012,5 кВА;
Результаты сводим в таблицу 7.
Таблица7

![]()
Расчет сети 0,38 кВ.

Рис.2 Схема сети 0,38 кВ.
Рассчитаем линию Л1:
Р12-13 = 6.6 кВт
Р12-А =8.4+4=12.4 кВт;
Р11-А =6,6кВт;
Р9-10 = 8.4 кВт;
Р10-А =8,4+4=12,4 кВт;
Р14-А =12,4+7,6+3,9=23,9 кВт;
Р5-14 =23,9+5,1=29 кВт;
Р4-5 =29+8,5=37,5 кВт;
Р4-0 =37,5+4,8=42,3 кВт;
.
соsj12-13 =0.93
соsj12-А =(0.93*6,6+0.93*8,4)/(6,6+8,4)=0.93
соsj11-А =0.93
соsj10-9 =0.93
соsj10-А =(8,4*0,93+6,6*0,93)/(8,4+6,6)=0,93
соsjА-14 =(0.93*6,6+0.93*8,4+8,4*0,93+6,6*0,93+6,6*0,93)/
/(8,4+6,6+8,4+6,6+6,6)=0,93
соsj14-5 =(0.93*6,6+0.93*8,4+8,4*0,93+6,6*0,93+6,6*0,93+8,4*0,93)/
/(8,4+6,6+8,4+6,6+6,6+8,4)=0,93
соsj4-5 =(0.93*6,6+0.93*8,4+8,4*0,93+6,6*0,93+6,6*0,93+8,4*0,93+
+0,86*14)/(8,4+6,6+8,4+6,6+6,6+8,4+14)=0,93
соsj4-0 =(0.93*6,6+0.93*8,4+8,4*0,93+6,6*0,93+6,6*0,93+8,4*0,93+
+0,86*14+1*8)/(8,4+6,6+8,4+6,6+6,6+8,4+14+8)=0,94
;
S12-13 = 6,6/0.93=7,1 кВA;
S12-А =12,4/0.93=13,33 кВA;
S11-А =6,6/0.93=7,1 кВA;
S9-10 = 8,4 /0.93=9,03 кВA;
S10- А =12,4/0.93=13,33 кВA;
S14-А =23,9/0.93=25,7 кВA;
S5-14 =29/0.93=31,18 кВA;
S4-5 =37,5/0.93=40,76 кВA;
S4-0 =42,3/0.94=45,98 кВA;
Результаты остальных расчетов сведем в таблицу.8
Таблица 8.Расчет сети 0,38кВ

Условия выполняются и принимаем данные сечения проводов.
6. Определение потерь энергии в линиях и трансформаторах
Определяем годовые потери энергии в ВЛ 0,38 и 10 кВ, а также в трансформаторе.
Потери в ВЛ 10кВ и 0,38 кВ найдем по формуле:
,
где
— полная мощность на участке, кВА;
— удельное сопротивление участка, Ом/км;
— длина участка, км;
— время максимальных потерь, ч, из табл. 14.3. [1].
Результаты расчетов сведем в таблицы 10 и 11
Таблица 10. Потери энергии в сети 0,38кВ

Таблица 11. Потери энергии в сети 10кВ

3) Потери в трансформаторе рассчитаем по формуле:
,
где
- потери к. з. в трансформаторе, кВт;
- потери холостого хода в трансформаторе, кВт;
=2.65 кВт,
=0,51 кВт, из табл. 16.1. [1]
![]()
- максимальная полная нагрузка трансформатора, кВА;
- номинальная мощность трансформатора, кВА;
- время максимальных потерь, ч.
![]()
4) Найдем суммарные потери в ВЛ 10 кВ, ВЛ 0,38 кВ и в трансформаторе:
![]()
7. Конструктивное выполнение линий и ТП
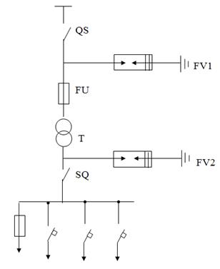
Согласно заданию на проектирование, принимаем закрытую трансформаторную подстанцию (ЗТП) установлена на фундаменте из двух типовых унифицированных стоек УСОЗ длинной 3,6 м; высота установки над уровнем земли 1,8 м; заглубление фундамента 1,95 м. КТП присоединяется к ВЛ 10 кВ через разъединитель, устанавливаемый на концевой опоре ВЛ 10 кВ. Главная схема соединений РУ 10 кВ приведена на рисунке 2.
Трансформатор защищается от перенапряжений вентильными разрядниками, а от КЗ плавкими предохранителями.
Принимае к установке ЗТП с трансформатором 160 кВА. На вводе в РУ 0,4 кВ установлен рубильник Р-32, для защиты трансформатора от перегрузок установлено тепловое реле ТРН-10У3, включенное через трансформаторы тока ТК-20У3; для учета активной энергии установлен счетчик СА4У- И672М, включенный через ТК-20У3. Для защиты отходящих линий от КЗ для нечастых включений и отключений установлены автоматы АЕ 2046 с током уставок Iн.у =80А.
Принимаем к установке трансформатор ТМ мощностью 160 кВА, 10/0,4 кВ, схема соединение обмоток — "звезда-зигзаг с нулем" для устранение токов нулевой последовательности. (2, прилож. 5). Для ВЛ 0,38 кВ применяем железобетонные опоры СНВ 1,5—9,5, устанавливаемые на расстоянии 45 м. Расстояние от проводов при наибольшей стреле провеса до земли — 6 м, для непроезжей части улицы — 3,5 м. Расстояние по горизонтали от балконов и окон — 1,5 м, от глухих стен — 1 м. (5, прилож. 24).
Наименьшие расстояния по горизонтали: на участках нестесненной трассы между осями ВЛ — высота наиболее высокой опоры, на подходах к ТП между крайними проводами в неотклоненном положении — 2,5 м. (5, таб. 2.5.26). Для выполнения ВЛ 10 кВ принимаем железобетонные опоры СНВ 2,7—11, расстояние от провода до земли — 7 м, расстояние между опорами 200—210 м.
8. Расчет токов короткого замыкания
1. Составляем расчетную схему
2.

ST =160кВ·А
∆UК % =4,5%
∆РК =2,65кВт
ZT (1) =0,487 Ом
Расчет ведем в относительных единицах
3. Задаемся базисными значениями
SБ =100 МВА; UБВ =1,05UН =10,5 кВ; UБН =0,4 кВ.
4. Составляем схему замещения

К3 Определяем относительные базисные сопротивления
Система:
![]()
Определяем сопротивление линии
- индуктивное
![]()
- активное
![]()
Трансформатор:
т.к его величина очень мала
![]()
ВЛ – 0,4 кВ:
![]()
![]()
Определяем результирующее сопротивление до точки К1
![]()
![]()
![]()
![]()
5. Определяем базисный ток в точке К1
![]()
6. Определяем токи и мощность к.з. в точке К1

КУ =1 для ВЛ – 10 кВ.
![]()
7. Определяем результирующее сопротивление до точки К2

![]()
![]()
![]()
![]()
8. Определяем базисный ток в точке К2
![]()
9. Определяем токи и мощность к.з. в точке К2

КУ =1 для ВЛ – 10 кВ.
![]()
10. Определяем результирующее сопротивление до точки К3

![]()
![]()
![]()
11. Определяем базисный ток в точке К3
![]()
12. Определяем токи и мощность к.з. в точке К3

КУ =1 для ВЛ – 10 кВ.
![]()
13. Однофазный ток к.з. определяем в именованных единицах

где
--
полное сопротивление петли.
ZT – сопротивление трансформатора току однофазного к.з., Ом
rФ =r0 ·l =0.83*0.66=0.55 Ом
rN =0,55 Ом
ХФ = Х0 ·l=0.366*0.66=0.24 Ом
ХN =0.24 Ом
Результаты расчетов сводим в таблицу 10
Таблица 10 Результаты расчета токов к.з.
№ п/п |
Место к.з. | IК (3) , кА |
IК (2) , кА |
IК (1) , кА |
iУК , кА |
SК (3) , кА |
| 1 | К1 | 0.76 | 0.6 | -- | 1.1 | 13.8 |
| 2 | К2 | 1.93 | 1.68 | -- | 2.73 | 1.34 |
| 3 | К3 | 0.33 | 0.3 | 0.16 | 0.49 | 0.24 |
9. Защита от перенапряжений
Защита оборудования подстанций от перенапряжений осуществляется вентильными разрядниками типа РВП –10 со стороны высшего напряжения и типа РВН – 0,5 со стороны 0,4 кВ. Кроме этого типа разрядников для защиты линейной изоляции и срезания амплитуды волн перенапряжений применяются трубчатые разрядники типа РТ или РТВ на линиях высшего напряжения и искровые промежутки (совмещенные с повторными заземлениями нулевого рабочего проводника) на стороне низшего напряжения.
При наличии кабельных вставок длиной до 100 метров в сетях 10 кВ и выше (выводы на подстанцию, проходы под ответственными шоссейными и железными дорогами и т.д.) устанавливается один комплект разрядников либо на шинах подстанции, либо на опоре, где воздушная линия переходит в кабельную. Если подстанция имеет несколько кабельных выводов, то комплект разрядников устанавливается на каждом вводе. Причем, при длине ввода более 100м они устанавливаются на шинах потребительской подстанции, имеющей общий учет электроэнергии.
10. Выбор аппаратов защиты

![]()
![]()
1. Выбор разъединителя
| Расчетные значения | РЛНДА – 10/200 |
![]() |
![]() |
2. Выбор предохранителя
| Расчетные значения | ПК – 10/30 |
Установка внутренняя |
Установка внутренняя |
3. Выбор рубильника
| Расчетные значения | РПЦ – 34 |
![]() |
![]() |
4. Выбор автоматического выключателя
| Расчетные значения | А3734Б |
![]() |
![]() |
11. Заземление
На ВЛ до 1000 В с заземленной нейтралью должны быть заземлены крюки или штыри фазных проводов и нулевого провода не реже чем через 200 м. Сопротивление заземления должно быть не более 30 Ом. Эти заземлители могут раасматриваться как повторное заземление нулевого провода. Такое заземление обязательно делается на опорах с ответвлением к вводу в здание, где имеются большие хозяйственные ценности. При этом предыдущее заземление должно от концевой опоры с заземлением не более чем на 100 м.
Расчет заземляющего устройства выполним для ТП –1.
1. Определяем сопротивление грунта для стержневых заземлений
![]()
Сопротивление вертикального заземлителя из круглой стали
2.

3. Общее сопротивление вех повторных заземлителей
![]()
4. Сопротивление искуственного заземлителя
![]()
5. Определяем число стержней
![]()
Принимаем 4 стержней и располагаем их через 5 м друг от друга.
6. Сопротивление полосы связи
![]()
7. Определяем действительное число стержней

Принимаем 4 стержней
8. Действительное сопротивление искусственного заземления
![]()
9. Сопротивление заземляющих устройств с учетом повторных заземлений нулевого провода
![]()
Заземление выполнено правильно.
Литература
1. И.А. Будзко, Н.М. Зуль "Электроснабжение сельского хозяйства" М.:Агропромиздат, 1990г.
2. Методические указания по расчету электрических нагрузок в сетях 0,38...110 кВ сельскохозяйственного назначения, Мн. БИМСХ, 1984г.
3. Нормы проектирования сетей 1994 г.
4. Методические указания к курсовому проекту по электроснабжению сельского хозяйства, БИМСХ, 1985г. ПУЭ







