| Скачать .docx |
Реферат: Гидравлика. Гидростатика
Гидравлика. Гидростатика
Сборник типовых задач
СОДЕРЖАНИЕ
1. ФИЗИЧЕСКИЕ СВОЙСТВА ЖИДКОСТЕЙ
1.1 Сведения из теории
1.1.1 Плотность
1.1.2. Удельный вес
1.1.3. Коэффициент объемного сжатия
1.1.4. Коэффициент температурного расширения
1.1.5. Вязкость
1.2. Примеры решения задач
1.3 Задания для расчетно-графических работ
2 ГИДРОСТАТИЧЕСКОЕ ДАВЛЕНИЕ
2.1 Сведения из теории
2.1.1 Основное уравнение гидростатики
2.1.2 Давление при абсолютном покое
2.1.3 Поверхность уровня при абсолютном покое
2.1.4 Анализ основного уравнения гидростатики
2.1.5 Пьезометрическая и вакуумметрическая высоты
2.1.6 Условия равновесия жидкости в сообщающихся сосудах
2.1.7 Понятие напора. Удельная потенциальная энергия
2.2 Примеры решения задач
2.3 Задания для расчетно-графических работ
3 ОТНОСИТЕЛЬНЫЙ ПОКОЙ ЖИДКОСТИ
3.1 Сведения из теории
3.1.1 Относительный покой при прямолинейном движении на наклонной плоскости
3.1.2 Относительный покой при вращении вокруг вертикальной оси
3.2 Примеры решения задач
3.3 Задания для расчетно-графических работ
ПРИЛОЖЕНИЕ 1 Некоторые физические свойства жидкостей при давлении 0,1 Мпа
ПРИЛОЖЕНИЕ 2. Кинематическая вязкость масел при различных температурах
ПРИЛОЖЕНИЕ 3Динамическая вязкость масел при различных температурах
ПРИЛОЖЕНИЕ 4
1. ФИЗИЧЕСКИЕ СВОЙСТВА ЖИДКОСТЕЙ
1.1. Сведения из теории
Жидкостью называется физическое тело, обладающее двумя отличительными особенностями: незначительным изменением своего объема под действием больших внешних сил и текучестью, легкоподвижностью, т.е. изменением своей формы под действием даже незначительных внешних сил. Одной из основных механических характеристик жидкости является плотность.
1.1.1. Плотность.
Плотностью r (кг/м3 ) называется масса единицы объема жидкости:
, (1.1)
где m – масса жидкого тела, кг; W – объем, м3 .
Плотность жидкостей уменьшается с увеличением температуры. Исключение представляет вода в диапазоне температур от 0 до 4 0 С, когда ее плотность увеличивается, достигая наибольшего значения при температуре 4 0 С r = 1000 кг/м3 .
1.1.2. Удельный вес
Удельным весом g (Н/м3 ) жидкости называется вес единицы объема этой жидкости:
, (1.2)
где G – вес жидкого тела, Н; W – объем, м3 .
Для воды при температуре 4 0 С g = 9810 Н/м3 .
Между плотностью и удельным весом существует связь:
, (1.3)
где g – ускорение свободного падения, равное 9,81 м/с2 .
Сопротивление жидкостей изменению своего объема под действием давления и температуры характеризуется коэффициентами объемного сжатия и температурного расширения.
1.1.3. Коэффициент объемного сжатия
Коэффициент объемного сжатия b w (Па -1 ) – это относительное изменение объема жидкости при изменении давления на единицу:
, (1.4)
где D W – изменение объема W ; D r – изменение плотности r , соответствующие изменению давления на величину D p .
Величина, обратная коэффициенту объемного сжатия, называется модулем упругости жидкостей Eж (Па)
. (1.5)
Значение модуля упругости жидкостей зависит от давления и температуры. Если принять, что приращение давления
, а изменение объема
то:
; (1.6)
. (1.7)
1.1.4. Коэффициент температурного расширения
- Коэффициент температурного расширения b t (0 С)-1 , выражает относительное изменение объема жидкости при изменении температуры на один градус:
, (1.8)
где D W – изменение объема W , соответствующее изменению температуры на величину D t .
Коэффициент температурного расширения воды увеличивается с возрастанием температуры и давления; для большинства других капельных жидкостей b t с увеличением давления уменьшается. Если принять, что приращение температуры D t = t – t 0 , а изменение объема
D W = W – W 0 , то:
; (1.9)
. (1.10)
1.1.5. Вязкость
Вязкостью называется свойство жидкости оказывать сопротивление перемещению одной части жидкости относительно другой. Вязкость проявляется только при движении жидкости и сказывается на распределении скоростей по живому сечению потока (рис. 1.1).
Согласно гипотезе Ньютона сила внутреннего трения F
в жидкостях пропорциональна градиенту изменения скорости
, площади соприкосновения слоев S
, зависит от рода жидкости и очень незначительно зависит от давления.
, (1.11)
где S
–
площадь соприкасающихся слоев, м2
; du
–
скорость смещения слоя "b
" относительно слоя "a
", м/с; dy
–
расстояние, на котором скорость движения слоев изменилась на du
, м;
–
градиент скорости, изменение скорости по нормали к направлению движения (с-1
); m – коэффициент динамической вязкости (Па · с).
Если силу трения F отнести к единице площади соприкасающихся слоев, то получим величину касательного напряжения t , и тогда (1.11) примет вид:
. (1.12)
Из (1.12) следует, что коэффициент динамической вязкости может быть определен как:
. (1.13)
Из (1.13) нетрудно установить физический смысл коэффициента динамической вязкости. При градиенте скорости
=
1;
m
= t и выражает силу внутреннего трения, приходящуюся на единицу площади поверхности соприкасающихся слоев жидкости.
В практике, для характеристики вязкости жидкости, чаще применяют не коэффициент динамической вязкости, а коэффициент кинематической вязкости n (м2 /с). Коэффициентом кинематической вязкости называется отношение коэффициента динамической вязкости к плотности жидкости:
. (1.14)
Вязкость жидкости зависит от рода жидкости, от температуры и от давления.
Зависимость вязкости минеральных масел, применяемых в гидросистемах, от давления p при возрастании его до 50 МПа, можно определять с помощью приближенной эмпирической формулы:
, (1.15)
где n p и n – кинематическая вязкость соответственно при давлении p и 0,1 МПа; K – опытный коэффициент, зависящий от марки масла: для легких масел (n 50 < 15 10-6 м2 / с) К = 0,02, для тяжелых масел (n 50 > 15 10-6 м2 / с) К = 0,03. При незначительных давлениях изменением вязкости пренебрегают. С повышением температуры вязкость жидкости уменьшается. Зависимость коэффициента кинематической вязкости от температуры определяется по эмпирической формуле:
.
(1.16)
Для смазочных масел, применяемых в машинах и гидросистемах, рекомендуется следующая зависимость:
, (1.17)
где n t – кинематическая вязкость при температуре t; n 50 – кинематическая вязкость при температуре 50 0 С; n – показатель степени, зависящий от n 50 , определяемый по формуле:
. (1.18)
Вязкость жидкости определяют при помощи вискозиметра Энглера и выражают в градусах Энглера (0 Е). Градус Энглера (0 Е) есть отношение времени истечения испытуемой жидкости ко времени истечения дистиллированной воды. Для перехода от вязкости в градусах Энглера к коэффициенту кинематической вязкости n применяется формула Убеллоде:
. (1.19)
Вязкость также определяют капиллярным вискозиметром Оствальда. Коэффициент кинематической вязкости в этом случае определяют по формуле:
, (1.20)
где с – постоянная прибора; Tж – время истечения жидкости, с.
.2. Примеры решения задач
Пример 1. Удельный вес бензина g = 7063 Н/м3 . Определить его плотность.
Решение.
;
; r = 7063 / 9,81 = 720 кг/м3
.
Пример 2. Плотность дизельного мазута r = 878 кг/м3 . Определить его удельный вес.
Решение
.
; g =
878 ·
9,81 =
8613 H/м3
.
Пример 3. Медный шар d = 100 мм весит в воздухе 45,7 H, а при погружении в жидкость 40,6 H. Определить плотность жидкости.
Решение . Определяем вес G и объем W вытесненной жидкости
G = Gв - Gж ; G = 45,7 – 40,6 = 5,1 H.
; W
=
3,14 ·
0,13
/ 6 =
0,523 ·
10-3 м3
; находим плотность жидкости
;
; r =
5,1 / (9,81 ·
0,523 ·
10-3
) кг/м3
.
Пример 4. Трубопровод диаметром d = 500 мм и длиной L = 1000 м наполнен водой при давлении 400 кПа, и температуре воды 5 0 C. Определить, пренебрегая деформациями и расширением стенок труб, давление в трубопроводе при нагревании воды в нем до 15 0 C, если коэффициент объемного сжатия bw = 5,18 · 10-10 Па-1 , а коэффициент температурного расширения bt = 150 · 10-6 0 С-1 .
Решение . Находим объем воды в трубе при t = 5 0 C
; W
=
0,785 ·
0,52
·
1000 =
196,25 м3
; находим увеличение объема DW
при изменении температуры
;
;
DW = 196,25 · 10 · 150 · 10-6 = 0,29 м3 ;находим приращение давления в связи с увеличением объема воды
; Dp
=
0,29 / (196,25 ·
5,18 ·
10-10
) =
2850 кПа; давление в трубопроводе после увеличения температуры
400 кПа + 2850 кПа = 3250 кПа = 3,25 МПа.
Пример 5. Вязкость нефти, определенная по вискозиметру Энглера, составляет 8,5 0 Е. Определить динамическую вязкость нефти, если ее плотность r = 850 кг/м3 .
Решение. Находим кинематическую вязкость по формуле Убеллоде
;
n = (0,0731· 8,5 – 0,0631/8,5) · 10-4 = 6,14 · 10-5 м2 /с;
находим динамическую вязкость нефти
; m = 0,614 ·
10-4
·
850 = 0,052 Па·
с.
Пример 6. Определить коэффициент динамической и кинематической вязкости воды, если шарик d = 2 мм из эбонита с r = 1,2 · 103 кг/м3 падает в воде с постоянной скоростью u = 0,33 м/с. Плотность воды r = 103 кг/м3 .
Решение . При движении шарика в жидкости с постоянной скоростью сила сопротивления равняется весу шарика. Сила сопротивления определяется по формуле Стокса:
.
Вес шарика определяется по формуле
.
Так как G = F ,то
.
Следовательно, коэффициент динамической вязкости определится
; m = 1,2 ·
103
·
9,81·
(2·
10-3
)2
/ (18·
0,33) = 0,008 Па·
с.
Коэффициент кинематической вязкости
;
n = 0.008 / 103 = 8 · 10-6 м2 /с.
Пример 7. При гидравлическом испытании системы объединенного внутреннего противопожарного водоснабжения допускается падение давления в течение 10 мин. на Dp = 4,97104 Па. Определить допустимую утечку DW при испытании системы вместимостью W = 80 м3 . Коэффициент объемного сжатия bw = 5 · 10-10 Па-1 .
Решение . Допустимую утечку DW определяем из формулы
;
;
DW = 5 · 10-10 · 80 · 4,9 · 104 = 1,96 · 10-3 м3 .
2. ГИДРОСТАТИЧЕСКОЕ ДАВЛЕНИЕ
2.1. Сведения из теории
На жидкость, находящуюся в состоянии покоя, действуют силы, которые можно разделить на поверхностные и массовые.
Поверхностные силы приложены к частицам жидкости, находящимся на поверхности раздела данной жидкости и другой среды (реакция стенки сосуда, сила давления поршня, сила давления газа на свободную поверхность).
Массовые силы воздействуют на все частицы данного объема жидкости и пропорциональны массе каждой частицы (силы тяжести, силы инерции, центробежные силы).
Основным понятием гидростатики является понятие гидростатического давления.
Выделим, в находящейся в равновесии жидкости, некоторый объем произвольной формы. Рассечем его на две части I и II плоскостью AB (рис. 2.1).
Воздействие части I жидкости на часть II будет передаваться по плоскости раздела AB. Выделим на плоскости раздела площадку площадью
. Заменим воздействие части I на эту площадку силой
. Сила воздействия
, приходящаяся на эту площадку называется силой гидростатического давления.
Отношение силы к площади
(2.1)
представляет среднее гидростатическое давление.
Если площадь
стремится к 0, то отношение
будет стремиться к пределу, который называется гидростатическим давлением в точке
(2.2)
Гидростатическое давление направлено всегда по внутренней нормали к площадке, на которой это давление действует и является сжимающим напряжением, потому что в покоящейся жидкости не могут существовать касательные и растягивающие усилия. Величина гидростатического давления в любой точке жидкости по всем направлениям одинакова.
Гидростатическое давление зависит от положения рассматриваемой точки внутри жидкости и от внешнего давления, действующего на свободной поверхности жидкости. Гидростатическое давление имеет размерность напряжения, т.е.
. Измеряют давление в Н/м2
(Паскаль). Атмосферное давление измеряют технической атмосферой равной 98100 Па или физической равной 101325 Па, иногда используется единица бар (1бар=105
Па).
Различают давление абсолютное (иногда употребляют термин ‘’полное‘’) и избыточное. Абсолютным называется давление, определённое с учетом атмосферного давления. Избыточное давление это давление сверх атмосферного, определенное без учета атмосферного.
;
(2.3)
Абсолютное давление не может быть отрицательным, так как жидкость не воспринимает растягивающих напряжений
. Избыточное давление может быть и больше и меньше нуля
. Для удобства, отрицательное избыточное давление, взятое со знаком плюс, называют вакуумметрическим давлением
(2.4)
Очень часто избыточное давление называют манометрическим, так как оно измеряется с помощью манометров, или пьезометрическим, так как оно измеряется с помощью пьезометров.
2.1.1. Основное уравнение гидростатики
В 1755 г. Л. Эйлером были получены дифференциальные уравнения равновесия жидкости:
(2.5)
где
– градиенты давления в направлении соответствующих координатных осей; X, Y, Z – проекции единичных массовых сил на соответствующие координатные оси;
- плотность жидкости.
После незначительных преобразований данную систему уравнений можно представить в виде уравнения
. (2.6)
Полученное уравнение выражает изменение давления вдоль координатных осей в общем случае равновесия, и называется основным дифференциальным уравнением гидростатики.
Поверхностью уровня называется такая поверхность, во всех точках которой рассматриваемая функция имеет одно и то же значение. Для задач гидравлики особое значение имеет поверхность равного давления. Эту поверхность будем называть поверхностью уровня.
Так как во всех точках поверхности уровня гидростатическое давление одинаково, то есть
,то
.
Из основного дифференциального уравнения гидростатики имеем:
(2.7)
поскольку плотность не равна нулю
,запишем
(2.8)
поверхность уровня имеет следующие свойства:
1) две поверхности уровня не пересекаются между собой;
2) массовые силы направлены нормально к поверхности уровня.
Поверхность уровня на границе жидкой и газообразной среды называется свободной поверхностью.
2.1.2. Давление при абсолютном покое
Рассмотрим случаи равновесия жидкости, находящейся в сосуде, в состоянии абсолютного покоя под действием сил тяжести и внешнего давления на свободной поверхности. В этом случае проекции единичной силы тяжести на координатные оси равны:
.
После подстановки в уравнение (2.6) получаем
. (2.9)
После интегрирования имеем
. (2.10)
Постоянную интегрирования С находим из граничных условий
(рис. 2.2): при
; ![]()
![]()
![]()
![]()
![]()
![]()
![]()
. (2.11)
После совместного решения уравнений (2.6) и (2.7) получаем
.
или
(2.12)
Полученное уравнение является основным уравнением гидростатики, позволяющие определять любое давление в точке.
2.1.3. Поверхность уровня при абсолютном покое
Дифференциальное уравнение поверхности уровня в этом случае имеет вид:
или
(2.13)
интегрируя, находим
. (2.14)
Так как
- произвольная постоянная, то это уравнение будет уравнением семейства горизонтальных плоскостей. Таким образом, поверхность уровня есть горизонтальная плоскость, следовательно, и свободная поверхность будет горизонтальной плоскостью.
2.1.4. Анализ основного уравнения гидростатики
Как уже отмечалось, основное уравнение гидростатики служит для определения величины гидростатического давления в любой точке покоящейся жидкости
. (2.15)
Анализируя основное уравнение гидростатики можно сделать следующие выводы:
1. Гидростатическое давление есть сумма внешнего
давления, действующего на свободной поверхности и весового
давления, создаваемого весом столба жидкости высотой
;
2. Внешнее давление
не зависит от координат рассматриваемых точек, то есть оно передается во все точки покоящейся жидкости без изменения, поэтому жидкость используется как среда для передачи давления. На этом свойстве жидкости основано действие гидравлических машин (гидропрессы, силовые цилиндры, гидродомкраты);
3. Весовое давление
является функцией координат точки. С увеличением заглубления точки под свободную поверхность, давление возрастает;
- Внешнее давление
может быть больше атмосферного, меньше атмосферного и равно атмосферному. Если численное значение
определено с учетом атмосферного, то давление
по формуле (2.15) будет абсолютным; если
определено без учета атмосферного, то 
будет избыточным.
2.1.5. Пьезометрическая и вакуумметрическая высоты
Рис 2.3. Условие равновесия для открытого сосуда
Рассмотрим условия равновесия для открытого сосуда, заполненного жидкостью, к которому в точке А присоединена открытая сверху трубка (рис. 2.3). Под действием весового или избыточного давления
, жидкость поднимается в трубке на высоту
. Указанная трубка называется пьезометром, а высота
– пьезометрической высотой.
Представим основное уравнение гидростатики относительно плоскости, проходящей через точку А. Давление в точке А со стороны сосуда определяется как:
(2.16)
со стороны пьезометра:
(2.17)
тогда:
(2.18)
или
(2.19)
то есть пьезометрическая высота показывает величину избыточного давления в точке, где присоединен пьезометр в линейных единицах размерности.
Рис 2.4. Условие равновесия для закрытого сосуда
Рассмотрим условия равновесия теперь для закрытого сосуда, где давление на свободной поверхности p 0 больше атмосферного давления pатм (рис. 2.4).
Под действием давления p
0
большего pатм
и весового давления
жидкость поднимается в пьезометре на высоту
большую, чем в случае открытого сосуда.
Давление в точке А со стороны сосуда:
(2.20)
со стороны открытого пьезометра:
(2.21)
тогда:
(2.22)
из этого равенства получаем выражение для
:
. (2.23)
Анализируя полученное выражение, устанавливаем, что и в этом случае пьезометрическая высота соответствует величине избыточного давления в точке присоединения пьезометра. В данном случае избыточное давление состоит из двух слагаемых: внешнего избыточного давления на свободной поверхности
и весового давления ![]()
(2.24)
Избыточное давление может быть и отрицательной величиной, называемой вакуумом. Так, во всасывающих патрубках центробежных насосов, в потоке жидкости при истечении из цилиндрических насадков, в вакуум – котлах в жидкости образуются области с давлением ниже атмосферного, т.е. области вакуума.
В этом случае:
(2.25)
(2.26)
(2.27)
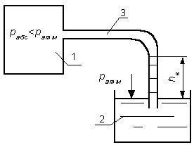
Рис.2.5. Ваккумметрическая высота
Вакуум – это недостаток давления до атмосферного.
Пусть в резервуаре 1 (рис. 2.5) абсолютное давление меньше атмосферного (например, откачана часть воздуха при помощи вакуум-насоса). В резервуаре 2 находится жидкость, и резервуары соединены изогнутой трубкой 3. На поверхности жидкости в резервуаре 2 действует атмосферное давление.
Так как в резервуаре 1 давление меньше атмосферного то жидкость поднимается в трубке 3 на какую-то высоту, которая называется вакуумметрической высотой и обозначается
.Величина
может быть определена из условия равновесия:
(2.28)
(2.29)
Максимальное значение вакуумметрического давления составляет 98,1кПа или 10 м.в.ст., но практически давление в жидкости не может быть меньше давления паров насыщения и равно 7–8 м.в.ст.
2.1.6 . Условия равновесия жидкости в сообщающихся сосудах
Рассмотрим два сообщающихся сосуда, наполненных различными, не смачивающимися между собой жидкостями (рис. 2.6).
Сосуды закрыты, давления
и
– на поверхности жидкостей в сосудах I и II различны. Линия О-О – линия раздела разнородных жидкостей. Горизонтальная плоскость, проходящая через линию О-О, является плоскостью равного давления. Определим величину гидростатического давления в точках
и
, лежащих на плоскости равного давления. Согласно основному уравнению гидростатики:
(2.30)
(2.31)
где
и
– возвышение поверхности жидкостей в сосудах I и II над плоскостью О-О;
и
– плотности жидкостей.
Очевидно, что:
![]()
(2.32)
(2.33)
Зависимость (2.33) характеризует условия равновесия жидкостей в сообщающихся сосудах. Она позволяет решать частные задачи.
Случай I
. В сосудах налита одинаковая жидкость, но давления
и
различны.
тогда при условии, что ![]()
получим:
(2.34)
Случай II
. Жидкость одинакова, т.е.
и
. Тогда:
(2.35)
жидкость в сосудах будет на одном уровне.
Случай III
. Жидкость одинакова
, но один сосуд открыт
, а другой закрыт
.Тогда:
(2.36)
(2.37)
так как
, значит
(2.38)
(2.39)
Выражение
есть пьезометрическая высота для точек, лежащих на поверхности жидкости в закрытом сосуде.
Случай IV
. Жидкости разнородные, несмешивающиеся, а
Тогда:
![]()
(2.40)
или
(2.41)
Рассмотрим закрытый сосуд с жидкостью, к которому в точках А и В на произвольной глубине
присоединены пьезометры I и II (рис. 2.7).
Давление на свободной поверхности в сосуде
больше атмосферного
. Трубка I сверху открыта и давление на свободной поверхности в ней равно атмосферному
. Трубка II сверху запаяна, из нее удален воздух, т.е. давление в ней равно нулю
.
Для определения вертикальных координат точек А и В проведем на произвольной высоте горизонтальную плоскость 0-0. Эта плоскость называется плоскостью сравнения. Вертикальное расстояние от плоскости сравнения до рассматриваемой точки называется геометрической высотой точки по отношению к плоскости сравнения и обозначается буквой
. За плоскость сравнения может быть принят уровень земли, пола.
Так как давление в сосуде на свободной поверхности жидкости больше атмосферного, то в пьезометрических трубках I и II жидкость поднимется на большую высоту, чем уровень жидкости в сосуде. Обозначим высоту поднятия жидкости в открытом пьезометре через
– пьезометрическая высота, а высоту поднятия жидкости в закрытом пьезометре через
– приведенная высота.
Пьезометрическая высота
– мера манометрического давления в точке А. Приведенная высота
– мера абсолютного давления в точке В. Разность высот
, равна высоте столба жидкости, соответствующей атмосферному давлению т.е. 10 м.в.ст.
Сумма геометрической высоты
и пьезометрической
для любой точки жидкости будет величиной постоянной и называется пьезометрическим напором:
. (2.42)
Но
. (2.43)
Подставив это выражение в формулу (2.42) получим
(2..44)
или
(2.45)
это сумма приведенной высоты и геометрической высоты положения, называемая гидростатическим напором
.
Тогда:
(2.46)
В уравнении (2.46)
для любой точки жидкости, а
не зависит от положения точки.
Значит:
![]()
(2.47)
Поэтому, сколько бы мы пьезометров не подключили, во всех пьезометрах жидкость установится на одном уровне: плоскость, соответствующая уровню П–П, называется пьезометрической плоскостью, а уровню Н–Н – напорной плоскостью.
Пьезометрический напор является мерой удельной потенциальной энергии жидкости. Предположим, что вес частицы жидкости в точке А. равен
(рис. 2.7). По отношении к плоскости сравнения О – О запас потенциальной энергии положения равен
, где
-.высота от плоскости О – О до точки А. Под действием избыточного гидростатического давления
частица, находящаяся на глубине
, может подняться на высоту
,то есть она обладает потенциальной энергией давления равной
. Полная потенциальная энергия частицы жидкости весом
равна
.Удельная потенциальная энергия, т.е. энергия приходящаяся на единицу веса частицы будет соответственно равна:
(2.48)
Аналогично, гидростатический напор
является также мерой удельной потенциальной энергии жидкости, но большей по сравнению
на величину удельной потенциальной энергии атмосферного давления.
(2.49)
2.2. Примеры решения задач
Рис.2.8.
Пример 1.
Определить абсолютное и избыточное гидростатическое давление
в точке А (рис. 2.8), расположенной в воде на глубине
, и пьезометрическую высоту для точки А, если абсолютное гидростатическое давление на поверхности ![]()
.
Решение:
Согласно основного уравнения гидростатики абсолютное гидростатическое давление в точке А определится:
.
Избыточное давление в точке А равно:
![]()
Пьезометрическая высота для точки А равна:

Можно отметить, что пьезометром удобно измерять только относительно малые давления, в противном случае требуется большая высота пьезометра, что неудобно в эксплуатации.
Определить эти же величины U – образным манометром, заполненным ртутью. По поверхности раздела
ртути и воды давления со стороны резервуара и открытого конца манометра будут одинаковы:
![]()
Следовательно, избыточное давление в точке А уравновешивается весом столба ртути высотой
над поверхностью раздела
:

Находим высоту ртутного столба
:
,
где
– плотность ртути.
Рис.2.9.
Пример 2.
Определить давление в резервуаре
(рис. 2.9) и высоту подъема уровня
в трубке 1, если показания ртутного манометра ![]()
![]()
![]()
.
Решение :
Запишем условия равновесия для ртутного манометра для плоскости
а) со стороны резервуара ![]()
б) со стороны манометра
,
тогда ![]()

Таким образом, в резервуаре – вакуум, величина которого равна:
![]()
Условия равновесия трубки 1
![]()

Пример 3.
Рис.2.10.
Определить манометрическое давление в трубопроводе А (рис. 2.10),
если высота столба ртути по пьезометру
25 см. Центр трубопровода расположен на
40 см ниже линии раздела между водой и ртутью.
Решение
: Находим давление в точке В. Точка В расположена выше точки А на величину
, следовательно, давление в точке В будет равно
.
В точке С давление будет такое же, как в точке В, то есть
.
Определим давление в точке C, подходя, справа
.
Приравнивая оба уравнения, получаем
![]()
![]()
.
Отсюда манометрическое давление
.
![]()

Пример 4 .
Рис.2.11.
Определить все виды гидростатического давления в баке с нефтью на глубине
(рис. 2.11), если давление на свободной поверхности нефти
. Плотность нефти
.
Решение : 1. Абсолютное гидростатическое давление у дна
![]()

2. Избыточное (манометрическое) давление у дна
![]()
![]()
3. Избыточное давление создаваемое столбом жидкости
![]()
4. Избыточное давление на свободной поверхности
![]()
Пример 5. Определить избыточное давление воды в трубе по показаниям батарейного ртутного манометра (рис. 2.12).
Рис.2.12.
Отметки уровней ртути от оси трубы: ![]()
![]()
![]()
Плотность ртути
, плотность
воды
.
Решение : Батарейный ртутный манометр состоит из двух последовательно соединенных ртутных манометров. Давление воды в трубе уравновешивается перепадами уровней ртути, а так же перепадами уровней воды в трубках манометра. Суммируя, показания манометра от открытого конца до присоединения его к трубе получим:


3. ОТНОСИТЕЛЬНЫЙ ПОКОЙ ЖИДКОСТИ
3.1. Сведения из теории
Под относительным покоем понимается такое состояние, при котором в движущейся жидкости отдельные частицы не смещаются одна относительно другой. При этом жидкость перемещается как твердое тело. Само движение жидкости в этом случае можно назвать переносным движением. Для этого состояния характерно постоянство формы объема жидкости. Очевидно, что рассматриваемая масса жидкости будет неподвижна в координатной системе, связанной с движущимся резервуаром.
На жидкость, находящуюся в относительном покое, действуют массовые силы (силы тяжести и силы инерции переносного движения), а из поверхностных – силы давления.
Рассмотрим два частных случая относительного покоя: покой при переносном прямолинейном движении и покой при переносном вращательном движении вокруг вертикальной оси.
3.1.1 . Относительный покой при прямолинейном движении на наклонной плоскости
Рассмотрим движение резервуара с жидкостью с постоянным ускорением a по наклонной плоскости, образующей угол a с горизонтальной плоскостью (рис. 3.1).
Жидкость в движущемся резервуаре находится под действием силы давления, силы тяжести и силы инерции переносного движения. Ускорение силы инерции
и направлено в сторону, обратную ускорению резервуара a
. Результирующий вектор массивных сил определяется диагональю параллелограмма, построенного на ускорениях сил тяжести g
и инерции j
.
Элемент поверхности равного давления перпендикулярен к диагонали параллелограмма и образует с горизонтом угол b , тангенс, которого равен
(3.1)
Таким образом, поверхности равного давления, образуют семейство параллельных плоскостей с углом наклона к горизонту b .
Необходимо учесть, что если резервуар движется равномерно
, то
и следовательно
и
. В этом случае поверхности равного давления представляют семейство горизонтальных плоскостей.
Если резервуар перемещается под действием силы тяжести (сила трения резервуара о плоскость равна 0), то
,
,
, а поверхности равного давления образуют семейство плоскостей, параллельных плоскости скатывания.
Если резервуар перемещается с ускорением, но вертикально (
), то
, а поверхности равного давления образуют семейство горизонтальных плоскостей.
Найдем закон распределения давления в вертикальной плоскости
. Учитывая, что система координат перемещается вместе с резервуаром,
, а для выбранной плоскости и
, уравнение (2.6) примет вид:
. (3.2)
В этом случае
.
Тогда
![]()
(3.3)
После интегрирования имеем:
![]()
(3.4)
Для двух точек 0 и 1 с координатами
и
имеем:
(3.5)
или
. (3.6)
По аналогии получаем распределение давления в горизонтальной плоскости:
, (3.7)
если
, то имеем
, (3.8)
а свободная поверхность имеет угол наклона к горизонту (3.1)
. (3.9)
При свободном падении резервуара
и
, то есть во всем объеме давление одинаково.
3.1.2 Относительный покой при вращении вокруг вертикальной оси
В этом случае на жидкость действуют силы давления, силы тяжести и силы инерции переносного вращательного движения ускорения массовых сил будут равны: ![]()
Дифференциальное уравнение (2.8) примет вид:
(3.10)
После интегрирования, с учетом, что
получим:
(3.11)

Уравнение (3.11) является уравнением параболоида вращения, а поверхности равного давления образуют семейство параболоидов вращения, сдвинутых вдоль вертикальной оси. Каждый параболоид характеризуется некоторым значением постоянной С. Для параболоида свободной поверхности принимаем, что при
(рис. 3.2)
,
поэтому
. Тогда уравнение свободной поверхности примет вид:
(3.12)
или
(3.13)
Закон распределения давления по объему жидкости получим из уравнения (2.6), подставив в него соответствующие значения X , Y и Z . После интегрирования получаем:
. (3.14)
Постоянную интегрирования
определим из условия, что при
и
, т.е.
. После подстановки в (3.14) окончательно имеем:
. (3.15)
Для частиц жидкости расположенных на одной вертикали можем записать:
(3.16)
где
,
т.е. существует обычный гидростатический закон распределения давления.
3.2. Примеры решения задач
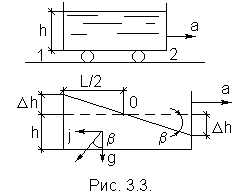
Пример 1.
Сосуд с прямоугольным основанием
наполнен водой до высоты h
и движется по горизонтальной поверхности с ускорением a
(рис. 3.3). Определить избыточное давление воды на дно сосуда у передней и задней стенок в точках 1 и 2.
Решение
: При горизонтальном движении сосуда с ускорением a
свободная поверхность жидкости станет наклонной к горизонту под углом b . Так как
, то
. Учитывая что объем воды не изменяется, поэтому свободная поверхность повернется вокруг оси О, расположенной на середине длины сосуда, а повышение и понижение свободной поверхности у торцовых стенок будет одинаковым и равным
.
.
Избыточное давление в точке 1 будет равно:
.
В точке 2 избыточное давление составит:
.
Пример 2 . Цилиндрический сосуд радиусом R 1 наполнен жидкостью плотностью r до уровня a в открытой трубке малого диаметра, установленной на крышке сосуда на расстоянии R 2 от центра, и приведен в равномерное вращение относительно центральной вертикальной оси (рис. 3.4). Определить угловую скорость вращения сосуда, при которой избыточное давление под крышкой в центре сосуда будет равно 0.
Решение:
Используя уравнение (3.15) найдем закон распределения избыточного давления в жидкости, заполняющей сосуд, учитывая что ![]()

находим, используя граничное условие:
при
и ![]()

откуда
.
Подставляя,
получим искомый закон распределения давления.
.
Для точек на поверхности крышки
имеем
.
Искомую угловую скорость вращения определяем из условия
при ![]()
,
откуда
.
Некоторые физические свойства жидкостей при давлении 0,1 Мпа
| Жидкость |
Температура, 0 С |
Плотность, кг/м3 |
Удельный вес, Н/м3 |
Вязкость 104 ,м2 /с |
||
| Бензин |
авиационный |
20 |
739-780 |
7250-7652 |
0,49 для 20 0 С |
|
| автомобильный |
712-761 |
6980-7470 |
||||
| Масло |
веретенное АУ (ГОСТ 1642-75) |
50 |
888-896 |
8711-8790 |
||
| для гидравлических систем АМГ-30 (ГОСТ 6794-75) |
850 |
8340 |
||||
| индустриальное общего назначения без присадок (ГОСТ 20799-75) |
И-5А |
890 |
8731 |
0,04-0,06 |
||
| И-8А |
900 |
8829 |
0,06-0,08 |
|||
| И-12А |
880 |
8633 |
0,10-0,14 |
|||
| И-20А |
885 |
8682 |
- |
|||
| И-25А |
890 |
8731 |
0,24-0,27 |
|||
| И-30А |
890 |
8731 |
0,28-0,33 |
|||
| И-40А |
895 |
8780 |
0,35-0,45 |
|||
| И--100А |
920 |
9025 |
0,90-1,18 |
|||
| соляровое |
20 |
885-902 |
8680-8850 |
|||
| трансформаторное |
50 |
886 |
8692 |
|||
| турбинное (ГОСТ 32-74) |
22 |
900 |
8829 |
|||
| 30 |
900 |
8829 |
0,28-0,36 |
|||
| 46 |
900 |
8829 |
0,44-0,48 |
|||
Кинематическая вязкость масел при различных температурах
| Масло |
104 , м2 /с при 0 С |
|||||||
| 100 |
50 |
10 |
0 |
-5 |
-10 |
|||
| веретенное АУ (ГОСТ 1642-75) |
0,036 |
0,13 |
0,90 |
1,80 |
2,80 |
4,40 |
||
| для гидравлических систем АМГ-30 (ГОСТ 6794-75) |
0,047 |
0,11 |
0,30 |
0,44 |
0,54 |
0,67 |
||
| индустриальное (ГОСТ 20799-75) |
И-20 |
0,048 |
0,18 |
1,13 |
2,75 |
4,20 |
6,40 |
|
| И-45 |
0,081 |
0,42 |
5,01 |
11,90 |
19,50 |
59,90 |
||
| И-50 (машинное СУ) |
0,085 |
0,50 |
8,33 |
22,90 |
41,70 |
83,80 |
||
| трансформаторное с присадкой ионол |
0,030 |
0,09 |
0,05 |
0,89 |
1,24 |
1,77 |
||
| турбинное (ГОСТ 32-74; 9972-74) |
ТП-22 |
0,060 |
0,22 |
2,13 |
4,76 |
7,73 |
9,10 |
|
| ТП-22 (из сернистых нефтей) |
0,050 |
0,21 |
1,72 |
3,75 |
5,68 |
25,30 |
||
| ТП-30УТ |
0,060 |
0,42 |
3,59 |
8,63 |
14,40 |
33,10 |
||
Динамическая вязкость масел при различных температурах
| Жидкость |
0 C |
10-1 Па с при давлении МПа |
|||||
| 0,1 |
10 |
20 |
30 |
40 |
50 |
||
| Автол |
37 |
1,440 |
1,940 |
2,450 |
3,030 |
3,672 |
4,896 |
| Машинное |
22 |
2,880 |
3,416 |
4,176 |
5,184 |
6,822 |
8,640 |
| Трансформаторное |
22 |
0,346 |
0,374 |
0,418 |
0,489 |
0,562 |
0,650 |
,
где p – абсолютное давление, равное 101325 Па; T – абсолютная температура; R – удельная газовая постоянная, R возд = 287 Дж/кг К, R газа = 334 Дж/кг К