| Скачать .docx |
Реферат: Расчёт резервуара и опорной стержневой конструкции
Министерство образования и науки Республики Казахстан
Павлодарский государственный университет им. С. Торайгырова
Архитектурно-строительный факультет
Кафедра технологии продовольственных продуктов
и защиты окружающей среды
КУРСОВАЯ РАБОТА
По дисциплине: «Теоретическая и прикладная механика»
Тема: «Расчёт резервуара и опорной стержневой конструкции»
______________
(оценка)
Руководитель
__________________________
(должность, ученая степень)
___________Украинец__В.Н._
(инициалы, фамилия)
___________ __________
(подпись) (дата)
Студент
__________Рахимжанова И.___
(инициалы, фамилия)
______________ ___________
(подпись) (дата)
____________ТПП-22________
(группа)
2007
Задание на курсовую работу «Расчёт резервуара и опорной стержневой конструкции»
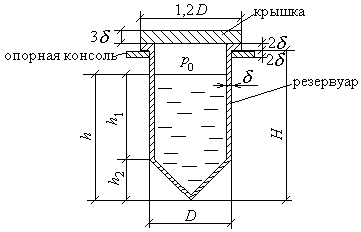
Цилиндрическо-конический резервуар, заполненный до уровня h жидкостью с удельным весом g и в верхней части наполненный газом под давлением Р 0 (рисунок 1), свободно опирается на симметрично расположенные вокруг него четыре одинаковые фермы в средних верхних узлах.
Требуется:
1. Исследовать изменения окружных и меридиональных напряжений по высоте резервуара.
2. Определить требуемую толщину d стенок резервуара, применив гипотезу максимальных касательных напряжений.
3. Подобрать из условия прочности количество и размеры болтов, крепящих крышку (рисунок 2) к верхней части резервуара.
4. Используя условия прочности и устойчивости подобрать поперечные сечения стержней опорных ферм из двух равнобоких уголков (допускаемое напряжение материала фермы принять равным 160 МПа, коэффициент приведения длины для её сжатых стержней m =0,8).
Примечание : Собственный вес резервуара и ферм в расчётах не учитывать, данные варианта задания взять из таблицы 1.

Рисунок 1 – Разрез резервуара по диаметральному сечению

Рисунок 2 – Общий вид крышки
Исходные данные: допускаемое напряжение материала болта [s б ]=300 МПа, допускаемое напряжение материала резервуара [s р ]=85 МПа, g =16 кН/м3 , р 0 =0,5 МПа, D =3 м, H =5 м, h 1 =3,8 м, h 2 =1,1 м.

Введение
1. Расчётная часть:
1.1 Расчёт резервуара:
1.1.1 Исследование изменения окружных и меридиональных напряжений по высоте резервуара.
1.1.2 Определение толщины стенок резервуара.
1.2 Подбор болтов, крепящих крышку к верхней части резервуара.
1.3 Расчёт фермы:
1.3.1 Определение усилий в стержнях фермы.
1.3.2 Подбор поперечных сечений стержней фермы.
2. Используемая литература.
РАСЧЁТ РЕЗЕРВУАРА
Резервуары для жидкостей и газов обычно представляют собой тонкостенные оболочки, срединная поверхность которых является поверхностью вращения. Срединной называется поверхность, делящая пополам толщину стенки оболочки. Наиболее распространены резервуары, состоящие из цилиндрических, сферических и конических оболочек. Нагрузкой служит либо равномерно распределенное по всей внутренней поверхности оболочки давление газа, либо переменное по высоте резервуара давление заключенной в нем жидкости. Реже приходится встречаться с расчетами резервуаров на действие наружного давления. Расчеты на прочность при действии внутреннего и наружного давления принципиально выполняются одинаково, но при наружном давлении дополнительно должен быть выполнен расчет на устойчивость.
Для резервуаров рассматриваемого типа (тонкостенных осесимметричных оболочек) при отсутствии нагрузок в виде сосредоточенных сил и моментов, постоянной или плавно изменяющейся кривизне меридианов, можно считать, что напряжения по толщине стенки резервуара распределены равномерно – стенка не испытывает изгиба. При этом места жесткого закрепления оболочки из рассмотрения исключаются. Теория расчета, соответствующая указанным предпосылкам, носит название безмоментной теории оболочек.
Напряжения, возникающие в стенках оболочек в местах жестких закреплений и в местах изломов меридианов, носят местный характер, т.е. быстро затухают уже на незначительном расстоянии от зоны их возникновения. Таким образом, расчет по безмоментной теории для областей, достаточно удаленных от мест, где в стенках оболочки возникают изгибающие моменты, обеспечивает вполне удовлетворительную точность расч
РАСЧЁТ ОПОРНОЙ ФЕРМЫ
Рассматриваемый резервуар свободно опирается на средние верхние узлы четырех одинаковых ферм, симметрично расположенных вокруг него.
Каждая ферма, соединяемая с фундаментом тремя связями, представляет собой плоскую решетчатую статически определимую и геометрически неизменяемую конструкцию, состоящую из прямых стержней с парными уголками в поперечных сечениях. В узлах (местах пересечения осей стержней) стержни соединены с помощью фасонок прямоугольного или трапецевидного очертания и сварки.
При узловом нагружении фермы каждый из стержней может испытывать только деформацию растяжения или сжатия (вес стержней при этом не учитывается). Поскольку ферма состоит из тонкостенных стержней, то недостаточно выполнить только их прочностной расчет, который производится только для растянутых стержней. Для сжатых стержней необходимо произвести расчет на устойчивость.
1 Определение усилий в стержнях фермы
Верхняя часть резервуара, опираясь на 4 одинаковые вертикальные фермы, передаёт нагрузку Р от веса жидкости G , находящейся в резервуаре, на каждый средний узел фермы (рисунок 1):

Рисунок 1.
(1)
где g – удельный вес жидкости, кН/м3 ;
V р – объём резервуара, заполненного жидкостью, м3 ;
4 – число опорных узлов.
Для того чтобы подобрать поперечные сечения стержней ферм (поскольку фермы имеют одинаковую конструкцию и аналогично нагружены, то достаточно будет рассчитать одну ферму), первоначально необходимо определить усилия в каждом стержне фермы, т.е. произвести статический расчёт опорной конструкции:
1) проверить статическую определимость фермы:
m =2n - 3, (2)
где m – количество стержней;
n – количество узлов;
2) определить опорные реакции фермы;
3) произвести нумерацию узлов и стержней;
4) определить методом вырезания узлов усилия в стержнях фермы. Для этого необходимо вырезать узел, в котором сходится не более 2-х стержней с неизвестными усилиями (первоначально принимаются все усилия в стержнях растягивающими).
2 Подбор поперечных сечений стержней фермы
Условие прочности при растяжении (сжатии) стержня в случае не меняющейся по его длине продольной силы N можно представить в виде
, (3)
где F – площадь поперечного сечения стержня;
[s ] – допускаемое напряжение материала стержня при растяжении и сжатии.
Откуда определяется необходимая площадь поперечного сечения стержня из условия прочности:
(4)
Условие устойчивости для сжатого стержня имеет вид
(5)
Отсюда требуемая площадь поперечного сечения стержня из условия устойчивости:
(6)
В формуле (6) имеются две неизвестные величины:
1. Коэффициент уменьшения основного допускаемого напряжения j при расчете на устойчивость. Этот коэффициент зависит от гибкости стержня l (числовые значения j (l ) для различных материалов представлены в таблице 3 Приложения), которая может быть вычислена, если известны размеры поперечного сечения;
2. Искомая площадь поперечного сечения F .
Поэтому при подборе сечений будем использовать метод последовательных приближений, варьируя величину коэффициента j .
Первоначально задаём j
1
=0,5 (или любое значение из интервала 0<j
1
<1) и определяем требуемую площадь поперечного сечения. Используя сортамент равнобоких уголков (таблица 4 Приложения) и учитывая, что сечение фермы состоит из 2-х равнобоких уголков, подбираем номер профиля уголка по площади поперечного сечения
и выписываем для него значение радиуса инерции i
x
(табллица 4 Приложения).
После этого определяем фактическое значение гибкости:
, (7)
где i x – радиус инерции площади поперечного сечения;
l пр – приведённая длина сжатого стержня, которая рассчитывается с учётом коэффициента приведения длины m , принимаемого из условия закрепления стержней (согласно условию задания, для сжатых стержней опорной фермы в расчётах следует принять m =0,8):
l пр =m l , (8)
где l – фактическая длина стержня.
По таблице 3 Приложения устанавливаем фактическое значение j
¢1
соответствующее l
¢1.
Если j
¢1
значительно отличается от j
1
, то и
также будет существенно отличаться от
. В этом случае расчёт следует повторить, приняв среднее арифметическое значение j
1
и j
¢1
:
(9)
В результате повторного расчёта аналогично устанавливаем j
¢2
. Если j
¢2
опять будет значительно отличаться от j
2
, тогда необходимо принять
и т.д. Как правило, при подборе сечений подобные вычисления требуется произвести около трех раз.
В конечном итоге, когда j ¢i »j i делаем проверку, вычисляя относительное недонапряжение (или перенапряжение) D:
, (10)
где
(11)
Величина
обычно не должна превышать 5¸10%.
1 Расчёт резервуара
1.1 Исследование изменения окружных s t и меридиональных s m напряжений по высоте резервуара
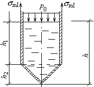
Для определения напряжений необходимо разделить резервуар на части в зависимости от конфигурации диаметрального сечения по высоте и уровня жидкости и рассмотреть отдельно каждую из частей, отмеченных на рисунке1.
\

Рисунок 1.
Часть I (цилиндрическая часть) резервуара выше уровня свободной поверхности жидкости, заполненная газом под давлением р 0 =0,2 МПа.
Рассекая резервуар произвольной плоскостью, перпендикулярной к его оси симметрии и рассматривая условие равновесия нижней части (рисунок 2), не учитывая при этом собственный вес резервуара, получаем
![]()
где V к и V ц – объёмы жидкости соответственно в конической и цилиндрической частях резервуара.

Рисунок 2.

где d – в метрах.
Величину окружных напряжений s tI определяем из уравнения (2.2):
, (1)
где r t =D /2=1,2 м.
Подставляя в (1)числовые значения, получим
,
где d – в метрах.
Часть II (цилиндрическая часть резервуара ниже уровня свободной поверхности жидкости).
Меридиональные напряжения определяются из условия равновесия отсеченной части резервуара (рисунок 4.3).

Рисунок 3 .
Действие отброшенной верхней части жидкости заменено давлением на уровне проведённого сечения р =р 0 +g ×(h 1 - z ):
,
,
где d – в метрах.
Из уравнения (2.2) при r t =D /2 и давлении на уровне проведённого сечения р =р 0 +g ×(h 1 - z ), имеем
![]()
Из последнего следует, что по высоте II части резервуара окружные напряжения изменяются по линейному закону:
при z
=0
;
при z
=h
1
,
где d – в метрах.
Часть III (коническая часть резервуара).

Рисунок 4.
Для определения меридионального напряжения s mIII проводим коническое сечение (перпендикулярное к меридиану) на уровне z 1 (рисунок4) и из условия равновесия нижней отсечённой части получаем
,
или
,
где r
=z
1
tg
a
,
.
Т.е. функция s mIII имеет аналитическое выражение квадратной параболы.
В пределах 0£z 1 £h 2 функция не имеет экстремума. Находим частные значения s tIII :
при z 1 =0 mins tIII =0;
при z 1 =h 2

где d – в метрах.
Заметим, что для рассматриваемой части резервуара радиус кривизны r t является переменной величиной.

Рисунок 5.
Действительно, из рисунка 5 следует:
, откуда
.
Давление на уровне z 1 : р =р 0 +g ×(h 1 +h 2 - z 1 ). Из уравнения (2.2) получаем:
![]()
Из последнего выражения следует, что по высоте конической части резервуара s tIII также изменяется по параболическому закону. Эта функция в пределах 0 £ z 1 £ h 2 не имеет экстремума. Определим частные значения s tIII :
при z 1 =0 mins tIII =0;
при z
1
=h
2
,
,
где d – в метрах.
Эпюры меридиональных и окружных напряжений приведены на рисунке 6.

Рисунок 6.
2 Определение толщины стенок резервуара
Толщину стенок резервуара определяем, используя гипотезу наибольших касательных напряжений (2.5). Так как в нашем случае s3 =0, то опасными будут точки, в которых s 1 максимально, т.е. точки верхней кромки конической части резервуара. Условие прочности, при этом, примет вид
.
С учётом возможного коррозионного ослабления толщину стенки увеличиваем на 1 мм и по сортаменту прокатной стали (таблица 1 Приложения) окончательно принимаем d = 6 мм. В месте перехода от цилиндрической части резервуара к конической во избежание местного изгиба стенок следует установить распорное кольцо.
2 Подбор болтов, крепящих крышку к верхней части резервуара

Рисунок 7.
При действии на крышку резервуара равномерного внутреннего давления р 0 , нагрузка, воспринимаемая всеми болтами, определится по формуле:
N =p 0 F к ,
где F
к
– рабочая площадь крышки, равная ![]()
Тогда, условие прочности для болтов, крепящих крышку к верхней части резервуара, можно записать в виде:
где
– площадь поперечного сечения одного болта, d
1
–
его внутренний диаметр;
n – число болтов;
[s б ] – допускаемое напряжение материала болтов.
Принимаем число болтов n = 8, расположенных симметрично относительно центра крышки (рисунок 7). Из последней формулы получим:
,
откуда

Определяем номинальный диаметр болта
и длину болта:

Для крепления крышки к верхней части резервуара (по таблице 2 Приложения) принимаем 8 болтов диаметром d=30 мм, длиной l = 70мм класса прочности 5,8 с крупным шагом резьбы класса точности 9: М30 ´ 70.58 ГОСТ 7798-70 (рисунок 8).

Рисунок 8.
В случае, когда в результате расчёта полученный диаметр болтов не удовлетворяет существующим унифицированным размерам диаметров (промышленностью производятся стандартные болты диаметром от 6 до 48 мм), необходимо, если d >48 мм, увеличить их количество.
Расчёт фермы
1 Определение усилий в стержнях фермы
Находим узловую нагрузку на ферму от веса жидкости в резервуаре:

Для определения усилий в стержнях фермы:
1) нумеруем узлы и стержни фермы (рисунок 9);
2) проверяем её статическую определимость:
- количество стержней m =17;
- количество узлов n =10,
тогда, 17=2×10-3Þ равенство m =2n - 3 выполняется;
3) определяем опорные реакции R A и R В : R A =R B =P /2=58,7 кН;

Рисунок 9.
4) методом вырезания узлов определяем усилия в узлах фермы:
2 Подбор поперечных сечений стержней фермы
Требуется подобрать сечения стержней фермы их двух равнобоких уголков (рисунок 10), используя условие прочности и условие устойчивости, приняв допускаемое напряжение материала фермы равным 160 МПа (сталь марки Ст3).

Рисунок 10
Подбор сечений стержней опорой фермы следует производить отдельно для её вертикальных поясов и элементов решётки. Причём для расчёта элементов фермы использует – условия прочности.
Подбираем поперечное сечение
вертикальных поясов фермы
(½S
½=Р
/2=112.788 кН)
![]()
![]()
.![]()
![]()
![]()
м![]()
![]()
№ 4,5/0,5

Поперечные сечения для остальных стержней фермы также из условия прочности ( S 4 = 125.32)
![]()
![]()
F![]()
![]()
![]()
![]()
![]() |

Рисунок 4.13 – Геометрическая схема опорной фермы
ЛИТЕРАТУРА
1. Писаренко Г.С., Агарев В.А. и др. Сопротивление материалов. – Киев: Вища школа, 1974. – 670 с.
2. Любошиц М.И., Ицкович Г.М. Справочник по сопротивлению материалов. – М.: Высшая школа, 1972. – 460 с.
3. Ентус Н.Р. Техническое обслуживание и ремонт резервуаров.