| Скачать .docx |
Реферат: Меры электрических величин Измерительные трансформаторы тока
Вопрос №1
Что вы знаете об эталонах и мерах электрических величин?
Средства измерения, обеспечивающие воспроизведение и хранение единицы с целью передачи ее размера другим средствам измерения и выполненное по особой спецификации, называется эталоном.
В зависимости от назначения эталоны делятся на государственные, первичные, вторичные, эталоны копии, эталоны сравнения и рабочие эталоны. Рабочие эталоны – это эталоны, предназначенные для передачи размера единицы образцовым средствам измерения или наиболее точным средствам измерения.
Существуют следующие меры электрических величин:
1. Мера тока – токовые весы (Рис.1). Имеют коромысло, на одном плече которого подвешена подвижная катушка. Последовательно с ней соединена неподвижная катушка. При прохождении тока по катушкам возникает сила их электрического взаимодействия, которая уравновешивается эталонными гирями, нагруженными на второе плечо коромысла.

Рис. 1

Рис. 2
Мера э.д.с. – нормальный элемент (НЭ) (Рис. 2). Нормальный элемент состоит из запаянного стеклянного Н-образногно сосуда. Положительным электродом служит ртуть (1), заполняющая нижнюю часть одной ветви сосуда. Над положительным электродом расположена паста – деполяризатор (2) кристаллов сернокислого кадмия и серной закиси ртути. Над пастой и отрицательным электродом (3) которым служит амальгальма кадмия, расположены кристаллы сернокислого кадмия (5). Электролитом служит водный раствор сернокислого кадмия (4).

Рис. 3
Меры электрического сопротивления (Рис.3). Меры электрического сопротивления – образцовые резисторы или образцовые катушки сопротивления. Точность измерительных резисторов определяется по ГОСТ 6864-69, который делит их на классы: 0,0005; 0,001; 0,002; 0,005; 0,01; 0,02; 0,05. Измерительные резисторы изготавливаются из манганиновой проволоки или ленты. Образцовые резисторы изготавливаются на номинальные сопротивления: 0,00001; 0,0001; 0,001; 0,01; 0,1; 1; 10; 100; 1000; 10000; 100000 Ом. На рис. 3 показано устройство одной из катушек сопротивления. На латунный или фарфоровый цилиндр А наложена бифилярная (выполненная в два провода) обмотка, на концах которой расположены две пары зажимов I и U, укрепленные на эбонитовой панели Б, к которой крепиться кожух катушки В
2. Меры индуктивности и взаимной индуктивности
Меры индуктивности с постоянным значением – это катушки с постоянным значением индуктивности (рис.4).

Рис.4
Образцовые катушки индуктивности представляют собой пластмассовый или фарфоровый каркас с наложенной на него обмоткой из медной изолированной проволоки, концы которой укрепляются на зажимах. Использование каркаса из немагнитного материала обеспечивает независимость индуктивности от тока в катушке.
Образцовые катушки изготавливаются на следующие номинальные значения индуктивности: 0,0001; 0,001; 0,01; 0,1; 1 Гн.
Меры емкости

Рис. 5
Меры емкости – это образцовые конденсаторы с известной постоянной или переменной емкостью (Рис.5). Емкость конденсатора должна возможно меньше изменяться в зависимости от времени, температуры, частоты и других факторов, Конденсатор должен обладать малыми диэлектрическими потерями и большим сопротивлением изоляции. В качестве образцовых используются воздушные и слюдяные конденсаторы.
Вопрос №2
Каково назначение, устройство, режим работы и применение измерительного трансформатора тока и его векторная диаграмма?
Измерительные трансформаторы тока предназначены для преобразования измеряемых переменных токов в относительно малые токи, не превышающие обычно 5 А. Во вторичную цепь трансформатора тока включают амперметры, последовательные обмотки ваттметров, счетчиков и других приборов.
Измерительные трансформаторы тока состоят из стального магнитопровода и двух изолированных обмоток. Первичная обмотка, имеющая меньшее число витков, включается в рассечку провода с измеряемым током. Вторичная обмотка с большим числом витков замыкается на амперметр и токовые обмотки измерительных приборов, соединенные последовательно, так что сопротивление вторичной цепи мало и не превышает обычно 1 – 2 Ом.
Первичный ток трансформатора не зависит от сопротивления его вторичной цепи. При работе этот ток может изменяться от нуля до номинального, а при коротких замыканиях в цепи может превосходить номинальный в десятки раз.
По векторной диаграмме (Рис.1) запишем уравнение намагничивающих сил
![]()
![]()
- результирующая намагничивающая сила возбуждающая магнитный поток в магнитопроводе трансформатора. Под током холостого хода I0
следует понимать ток первичной обмотки, который при разомкнутой вторичной обмотке создает в магнитопроводе номинальный для данного режима магнитный поток.
При нормальном режиме работы трансформатора тока н.с. I0 w1 и магнитный поток в магнитопроводе не значительны, так как этот поток должен наводить на вторичной обмотке незначительную э.д.с., необходимую для покрытия малых активных и реактивных потерь вторичной цепи трансформатора.
Отношение действительного значения первичного тока I1 к действительному значению вторичного тока I2 называется действительным коэффициентом трансформации трансформатора тока «k»
![]()
Рис. 1 Векторная диаграмма трансформатора тока:![]()
![]()
![]()
![]()
![]()
![]()
![]()
![]()
![]()
![]()
![]()
![]()
![]()
![]()
![]()
![]()
![]()
![]()
![]()
![]()
![]()
![]()
![]()
![]()
![]()
![]()
![]()



![]()
![]()
![]()


![]()



![]()
Вопрос № 3
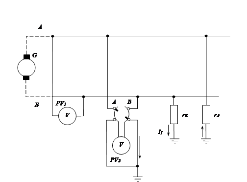
Как измерить сопротивление изоляции установки, находящейся под рабочим напряжением?

Для измерения сопротивления изоляции установки. Находящейся под рабочим напряжением U, измеряют вольтметром напряжение U, напряжение UA между проводом А и землей (положение переключателя А) и обозначив rv сопротивление вольтметра, можно написать выражение тока, идущего через rB – сопротивление изоляции провода В:

Включив вольтметр между проводом В и землей (положение переключателя B) и обозначив rv – сопротивление вольтметра, можно написать выражение тока, идущего через rA – сопротивление изоляции провода А:

Решив совместно данные выражения, можно найти сопротивление
![]()
и сопротивление
![]()
Если сопротивление rA >>rv то при переключателе, установленном в положении А, вольтметр будет соединен последовательно с сопротивлением rB , которое можно определить по формуле:
rB = rv (U/UA -1)
Аналогично, если сопротивление rВ >>rv , то при переключателе, установленном в положении В, вольтметр будет соединен последовательно с сопротивлением rA , значение которого:
rА = rv (U/UВ -1)
Контроль за состоянием изоляции в двухпроводных сетях можно осуществлять при помощи вольтметров. При нормальном состоянии изоляции каждый из вольтметров покажет напряжение, равное половине напряжения сети.
Задача 1
Определить чувствительность по напряжению магнитоэлектрического прибора на 5 мВ с внутренним сопротивлением на 10 Ом и шкалой на 100 делений.
Найти сопротивление прибора, чтобы при той же чувствительности по току, чувствительность по напряжению составила 4 дел/мВ
Решение:
Из определения чувствительности магнитоэлектрического прибора по напряжению знаем:
![]()
где n – количество делений шкалы; Ur – предел измерения прибора.
дел/мВ
Найдем чувствительность магнитоэлектрического прибора по току:
=> SI
= SU
· rГ
где SI – чувствительность прибора по току; SU – чувствительность прибора по напряжению; rГ – сопротивление прибора
SI = 20 · 10 = 200 дел/мА
Найдем сопротивление прибора при SU = 4 дел/мВ и SI = 200 ;дел/мА
Ом
Ответ
SU = 20 дел/мВ
rГ = 50 Ом
Задача 2
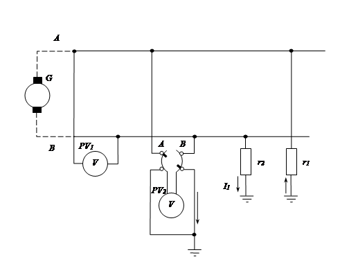
Сопротивление изоляции двухпроводной линии, работающей под напряжением 120 В, измерялось вольтметром с внутренним сопротивлением 3 кОм, Напряжение между каждым проводом и землей оказалось равным соответственно U1 = 25В, U2 = 60 В.
Определить значение сопротивления изоляции на землю и оценить качество изоляции
Решение:
Воспользуемся методом и схемой измерения сопротивления изоляции электроустановок находящихся под рабочим напряжением:



где U – напряжение сети; U1 – показание первого вольтметра; U2 – показание второго вольтметра; rV – внутреннее сопротивление вольтметра; r1 сопротивление изоляции провода А; r2 – сопротивление изоляции провода В
Решив совместно эти два уравнения, найдем сопротивления
![]()
![]()
Ответ:
![]()
![]()
В данном случае при измерении сопротивления изоляции двухпроводной линии при нормальном состоянии изоляции напряжения U1 и U2 должны быть равными половине напряжения сети, т.е. 60 В, то о состоянии изоляции можно сделать вывод, что сопротивление изоляции первого провода не соответствует норме, а второго соответствует.
Задача 3
В трехпроводную сеть трехфазного тока включены амперметры на 5А и вольтметры на 100В и два однофазных ваттметра на 5А и 150В со шкалой на 150 делений через измерительные трансформаторы тока 200/5 и напряжения 6000/100 (по схеме двух ваттметров). Определить мощность симметричной нагрузки и показания ваттметра в делениях шкалы, если показания вольтметров до 95В, амперметров 4,2А, а коэффициент мощности нагрузки 0,8. Начертите схему включения приборов.
Решение:

Определим показания ваттметра
РW = UV ·IA ·cosφ = 95 · 4,2 · 0,8 = 319,2 Вт
где UV – показания вольтметров; IA – показания амперметров; cosφ (коэффициент мощности нагрузки) = 0,8
Определим мощность симметричной нагрузки
Р = РW · kн I · kн U = 319,2 · 200/5 · 6000/100 = 766080 Вт = 766,08 кВт
где PW – показание ваттметров; kн I - коэффициент трансформации трансформатора тока; kн U - коэффициент трансформации трансформатора напряжения;
Определим предел измерения ваттметров
РWmax = UW · IW = 150 ·5 = 750 Вт
где UW – предел измерения ваттметров по напряжению; IW – предел измерения ваттметров по току.
Определим цену деления ваттметров
nW = PWmax / NW = 750/150 = 5 Вт
где PWmax - предел измерения ваттметров; NW – количество делений шкал ваттметров
Определим показания ваттметров в делениях
P'W = PW /nW = 319,2 / 5 ≈ 64 дел
где PW – показание ваттметров; nW – цена деления ваттметров
Ответ
Р = 766,08 кВт
P'W ≈ 64 дел
Задача 4
При измерении тока было получено значение I1 = 25,5 A, тогда как действительное его значение было I = 25 А. Определить абсолютную и относительную погрешности.
Решение:
Определим абсолютную погрешность
∆I = I1 – I = 25,5 – 25 = 0,5 A
Определим относительную погрешность
![]()
Ответ
∆I = 0,5 A
γI = 2%
Литература
1. «Электрические измерения» В.С. Попов (М. 1974г.)
2. «Электротехника и электроника» под ред. проф. Б.И. Петленко М.2003г.
3. «Электрические измерения» под редакцией Малиновского 1983 год