| Скачать .docx |
Дипломная работа: Проектирование системы электроснабжения машиностроительного завода
Аннотация
Темой данного дипломного проекта является проектирование системы электроснабжения машиностроительного завода.
В дипломном проекте рассмотрены следующие вопросы:
Краткая характеристика технологического процесса;
Определение расчётных электрических нагрузок;
Выбор системы питания системы электроснабжения;
Выбор системы распределения комбината;
Расчёт токов короткого замыкания;
Выбор основного оборудования, а также его проверка по условиям короткого замыкания;
Релейная защита и автоматика;
Расчёт самозапуска электродвигателей;
Расчёт молниезащиты и заземляющего устройства подстанции;
Система электроснабжения удовлетворяет требованиям надежности и экономичности.
1. Введение
Системой электроснабжения называется комплекс устройств предназначенных для производства, передачи и распределения электроэнергии.
Сложность вопросов проектирования систем электроснабжения промышленных предприятий заключается в оптимальном, рациональном и эффективном решении этой проблемы. Именно комплексное решение данной задачи в совокупности с необходимыми требованиями и стандартами электроснабжения позволяют экономически и технически грамотно работать всему предприятию.
Нет необходимости говорить тяжелом финансовом состоянии промышленности, поэтому руководителям предприятий нужно решать данную проблему. Одними из самых прогрессивных мер в этом направлении являются мероприятия по сбережению энергоресурсов и, следовательно, уменьшению энергоемкости выпускаемой продукции, что приводит к снижению её себестоимости и повышению конкурентоспособности. Оптимальное сочетание экономических и технических решений при проектировании систем электроснабжения совместно с внедрением энергосберегающих технологий есть наиболее существенная мера решения этой задачи.
Качество электроэнергии в нашей энергосистеме часто не удовлетворяет нормам установленным ГОСТ. В этом, прежде всего, повинны предприятия, на которых не всегда соблюдаются правила устройств электроустановок, а также не применяются технические решения по уменьшению влияния электроприемников (полупроводниковые преобразователи, вентильные электроприводы, дуговые печи, и т.д.) на качество электроэнергии.
Технически правильное решение при создании систем электроснабжения исключает появление недопустимых отклонений параметров электроэнергии (падение напряжения), неравномерное распределение токов по фазам, удорожание ремонтных, монтажных и эксплуатационных работ. Все это влияет на производительность предприятия и качество продукции.
Проект электроснабжения предприятия должен учитывать возможность дальнейшего развития и укрупнения производства и связанного с этим увеличения потребляемой мощности.
Основной целью дипломного проекта ставится закрепление полученных на протяжении всего курса обучения знаний, а также получение опыта проектирования системы электроснабжения конкретного предприятия.
2. Исходные данные машиностроительного завода
1. Сведенья об электрических нагрузках завода – таблица №1
2. Ведомость электрических нагрузок РМЦ (вариант задания указывается преподавателем)
3. Питание можно осуществить от подстанции энергосистемы, на которой установлены два трехобмоточных трансформаторов, мощностью 40 МВа каждый. С первичной стороны напряжение 100 кВ и со вторичной 6 кВ.
4. Мощность системы 1100 МВа; реактивное сопротивление системы на стороне 110 кВ отнесенная к мощности системы на стороне 110 кВ – 0,35.
5. Расстояние от подстанции энергосистемы до завода 7,2 км.
Таблица №1

3. Описание технологического процесса
Данный машиностроительный завод поставляет коробки передач, промежуточные редуктора и комплектующие детали гусеничных машин.
Металл и заготовки для производства деталей поступают от поставщиков и заполняют склады. Корпусные детали промежуточных редукторов и коробок передач производят в литейном цехе, используя литье под давлением. Корпусные детали выполняются из алюминиевых сплавов. Литье металлов под давлением – способ получения отливок из сплавов цветных металлов в пресс-формах, которые сплав заполняет с большой скоростью под высоким давлением, приобретая очертания отливки. Литье производится на литейных машинах с горячей камерой прессования. Литейные формы изготовляют из стали. Кроме того, в пресс-форму входят подвижные металлические стержни, образующие внутренние полости отливок, и выталкиватели. Сплав из тигля нагревательной печи самотеком поступает в камеру прессования. После заполнения камеры срабатывает автоматическое устройство, а поршень начинает давить на жидкий сплав, который через обогревательный мундштук и литниковую втулку под давлением поступает по литниковым каналам в оформляющую полость формы и кристаллизуется. Через определенное время, необходимое для образования отливки, срабатывает автоматическое устройство на раскрытие формы, и отливка удаляется выталкивателями. У полученных отливок обрубают заливы, элементы литниковых систем, затем очищают и производят термообработку, так как в результате неравномерного охлаждения и усадки возникают остаточные напряжения, вызывающие коробление. Для обеспечения высокой точности нагрева металла применяются поточные заколочно-отпускные агрегаты с электрическим обогревом.
После термической обработки корпуса промежуточных редукторов и коробок передач поступают в механические цеха, где происходят их обработка и контроль качества обработки.
Основные операции обработки корпуса редуктора гусеничной машины:
1. Фрезерование двух опорных поверхностей на вертикально-фрезерном станке 616;
2. Сверление, зенкерование, развертывание и цекование четырех отверстий в опорных плоскостях на рационально-сверлильном станке 2А55 с помощью кондуктора;
3. Фрезерование плоскости люка и плоскости под стартер на вертикально-фрезерном станке;
4. Растачивание основных отверстий на расточном станке 2630;
5. Сверление отверстий по кондуктору в боковых торцах на рационально-сверлильном станке 2А55;
6. Сверление отверстий по кондуктору в плоскости люка и в плоскости под стартер вертикально-сверлильном станке 2150М;
7. Фрезерование уступа и скоса на опорной поверхности корпуса;
8. Контроль.
Основные операции обработки корпуса коробки передач гусеничной машины:
1. Обработка плоскости разъема на карусельном станке;
2. Сверление отверстий в приливах на радиально-сверлильном станке 2А56;
3. Фрезерование площадок на вертикально-фрезерном станке 6М12П;
4. Сверление отверстий в плоскости разъема по кондуктору на радиально-сверлильном станке 2А56;
5. Окончательная обработка плоскости разъема на карусельном станке;
6. Сборка корпуса коробки;
7. Предварительное растачивание основных отверстий по кондуктору на горизонтально-расточном станке 2630;
8. Обработка торцевых поверхностей горизонтально-расточном станке;
9. Окончательное растачивание основных отверстий по кондуктору;
10.Оканчате6льное растачивание отверстий в верхней части корпуса на вертикально-расточном станке;
11.Разборка корпуса коробки передач;
12.Фрезерование боковой поверхности на вертикально-фрезерном станке.
Последующие операции связаны с обработкой мелких отверстий по кондуктору, цекованием отверстий, нарезание в них резьбы; фрезерование площадки под бонки и кронштейны. Далее идет контроль качества обработки.
Технический контроль предусматривает проверку прямолинейности и взаимного положения плоских поверхностей; правильности геометрических форм основных отверстий; соосности отверстий, параллельности осей основных отверстий и расстояний между ними; взаимной перпендикулярности торцовых поверхностей к осям отверстий.
К корпусу промежуточного редуктора предъявляют следующие требования: отклонение от параллельности осей основных отверстий между собой и опорным поверхностям не более 0,05 мм на 100 мм длины, отклонение от перпендикулярности осей основных отверстий торцам не более 0,1 мм; опорные поверхности корпуса должны лежать в одной плоскости, допускаемое отклонение не более 0,1 мм.
Требования к корпусам коробок передач: обеспечение осей основных отверстий между собой и установочной плоскости при монтаже коробки передач на гусеничной машине с отклонением не более 0,05 мм на 100 мм длины; обеспечение отклонения от перпендикулярности обработанных торцов осями основных отверстий не более 0,05 мм на максимальном радиусе и плоскости опорных плоскостей и плоскостей разъема с отклонением не более 0,1 мм на 200 мм длины. Контроль производится в заводской лаборатории.
В механических цехах так же производятся комплектующие детали к коробкам передач и к промежуточным редукторам гусеничных машин. Их производят из листового и круглого проката, приходящих на склады от поставщиков.
Далее корпуса и комплектующие детали поступают в цех редукторов и в цех коробок передач, где происходит их сборка. Основные требования технологии сборки: ограничение длины кинематических цепей; наличие сборочных баз; удобство сборки и разборки; наличие на деталях технологических элементов, облегчающих установку различных сборочных и контрольных приспособлений; наличие специальных устройств для подъема и транспортировки тяжелых деталей. При сборке у всех деталей проверяют наличие клейм, заусенцев, коррозии и загрязнений, детали очищают и продувают сжатым воздухом. Зазоры и плотности прилегания деталей проверяют с помощью специальных щупов. Собранные коробки передач и промежуточные редуктора смазывают, заполняют маслом и направляют на испытания.
При испытаниях проверяют правильность сборки, правильность функционирования различных элементов управления и блокировки, соответствие техническим требованиям, а в ряде случаев определяют необходимые характеристики. Испытания производят на специальных испытательных участках. Вода и сжатый воздух, необходимые для технологических процессов, подаются с насосных станций и компрессорной.
4. Проектирование системы электроснабжения предприятия
4.1 Определение расчётных нагрузок цехов и предприятия
Расчёт электрических нагрузок цехов является главным этапом при проектировании промышленной электрической сети. Существует множество методов определения расчётных нагрузок, но в данном проекте рассматривается два метода, которые приведены ниже.
4.1.1 Метод коэффициента спроса
Если требуется определить расчётную максимальную нагрузку при неизвестных мощностях отдельных электроприёмников, то величины Pmax и Qmax определяются по коэффициенту спроса (Кс) и коэффициенту мощности (cosφ), принимаемыми для данной отрасли промышленности:
Pmax =Kc ·Pном ; Qmax =Pmax ·tg φ. (1)
Значения Рном приведены в таблице 1. В ней также указаны: категория электроприёмника по надёжности и характер окружающей среды. По формуле (4.1) определяем максимум силовой нагрузки цехов. Вместе с тем необходимо учесть потери мощности в трансформаторах, а также мощность, потребляемую искусственным освещением цехов и территории предприятия. Эта нагрузка определяется по удельной плотности освещения (σ, Вт/м2 ), а так же по площади производственных цехов (или территории предприятия).
Расчётные формулы:
Росв =F·σ·Кс. осв ; Qосв =Pосв ·tg φосв ; (2)
Рсум =Рmax +Росв ; Qсум =Qmax +Qосв ; (3)
Sсум
=
; (4)
Нагрузка 6 кВ рассчитывается отдельно, так как для неё не определяется мощность освещения и потери в цеховых трансформаторах.
Определение расчетной нагрузки рассмотрим на примере механического цеха №1
![]()
![]()
РН = 2800; cosf = 0,75 kc = 0,6; F= 11840 м2
Нагрузка искусственного освещения определяется по следующим расчетным формулам:
,
где s0 – удельная плотность осветительной нагрузки на 1 м2 полной площади; Вт/м2 .
kC0 - коэффициент спроса освещения определяется по табл.[5].
![]()
![]()
Суммарная активная, реактивная и полная нагрузки:
![]()
![]()
Потери в трансформаторе:
![]()
; (5)
; (6)
Расчетный максимум активной, реактивной и полной нагрузки:
; (7)
; (8)
(9)
Результаты расчета нагрузки для остальных цехов сведены в таблицу 2 и таблицу 3 (для потребителя 6кВ).
Таблица № 2 (0,4 кВт)

Таблица 2

Определим нагрузку по предприятию в целом:
Расчётные активная и реактивная мощности с учетом потерь в трансформаторах предприятия в целом определяются по выражениям:
= 42404 кВт (10)
40740,76 кВар (11)
4.1.2 Статический метод
Данный метод предполагает, что нагрузка – случайная величина, которая распределяется по нормальному закону:
Рmax
=MP+β
(12)![]()
где β- принятая кратность меры рассеивания (коэффициент надёжности расчёта) принятый по интегральной кривой с точностью которая определяется принятым значением доверительной вероятности: α=0,9;
МР=Рср . –математическое ожидание нагрузки;
Дисперсия вычисляется по формуле:
=
. (13)
Подставив всё выше написанное в (5), получим выражение для расчёта максимальной нагрузки предприятия статическим методом:
Рр
=Рср.
+2,5
. (14)
Для расчёта Рср . и Рср.кв. используется суточный график нагрузки предприятия Рис 3.
Рср
=
; Рср.кв
=
(15)
Результаты расчета Рср и Рср.кв сведены в таблицу № 4
Таблица № 4

Согласно выражению (8):
Рр
=Рср.
+2,5
=36502,06+2,5
=47023,72 кВт.
Сравнивая значения расчётной мощности, полученные статистическим методом и методом коэффициента спроса, принимаем для дальнейших расчётов меньшее значение расчётной мощности полученное методом коэффициента спроса: Рр =42404 кВт
Определим Tmax (число часов использования максимальной нагрузки) по годовому графику Рис4, построенному на основании суточного графика Рис 3.
7642,38 часа. (16)
Время максимальных потерь:
. (17)
4.2 Компенсация реактивной мощности
При реальном проектировании энергосистема задаёт экономически выгодную величину перетока реактивной мощности (Qэкон ), в часы максимальных активных нагрузок системы, передаваемой в сеть потребителю.
В дипломном проектировании Qэкон
рассчитывается по формуле, где tg
ном
находится из выражения:
![]()
где tgjб -базовый коэффициент реактивной мощности принимаемый для сетей 6-10 кВ присоединенных к шинам подстанций с высшим напряжения 110 кВ, tgjб= =0,5;
k-коэффициент учитывающий отличие стоимости электроэнергии в различных энергосистемах, для Омской энергосистемы: к = 0,8;
dм -это отношение потребления активной мощности потребителем в квартале max нагрузок энергосистемы к потреблению в квартале max нагрузок потребителя, для Омской энергосистемы: dм = 0,7;
Qэкон. = Рр · tgfэ = 42404 ·0,625=26593,368 кВар,
Мощность компенсирующих устройств, которые необходимо установить на предприятии, рассчитываем по выражению:
40740,76- 26593,3 = 14147,39 кВар; (18)
При наличии компенсирующих устройств полная мощность предприятия будет равна:
![]()
50176,27 кВА. (19)
4.3 Определение центра электрических нагрузок
Для определения оптимального местоположения ПГВ и цеховых ТП, при проектировании системы электроснабжения, на генеральный план предприятия наносится картограмма нагрузок. Которая представляет собой совокупность окружностей, центр которых совпадает с центром цеха, а площадь соответствует мощности цеха в выбранном масштабе.
Силовые нагрузки до и свыше 1000В изображаются отдельными окружностями. Осветительная нагрузка изображается в виде сектора круга соответствующего нагрузке до 1000 В.
Радиус окружностей определяется из выражения:
ri
=
, (20)
где Рi – мощность i-того цеха, кВА;
ri – радиус окружности, мм;
m – масштаб, кВА/мм2 .
Угол сектора определяется выражением:
. (21)
Координаты центра электрических нагрузок определяются по выражениям:
ордината ЦЭН:
(22)
абсцисса ЦЭН:
(23)
Исходные данные и результаты расчётов сведены в таблицу №5:
Таблица № 5

5. Выбор системы питания
Система электроснабжения любого предприятия может быть условно разделена на две подсистемы – это система питания и система распределения энергии внутри предприятия.
В систему питания входят следующие элементы: питающие ЛЭП; ППЭ - это может быть ПГВ или ГПП, состоящие из устройства высшего напряжения, силовых трансформаторов и распределительного устройства низшего напряжения.
Таким образом, выбор системы питания производится в следующей последовательности:
· Выбор рационального напряжения системы питания.
o Выбор ЛЭП.
o Выбор силовых трансформаторов ППЭ.
· Выбор схем РУ ВН с учетом надежности.
o Расчет надежности.
o Среднегодовой ожидаемый ущерб.
o Технико-экономический расчет.
· Выбор РУ НН.
5.1 Выбор рационального напряжения
При проектировании систем электроснабжения промышленных предприятий важным вопросом является выбор рациональных напряжений для схемы, поскольку их значения определяют параметры линий электропередачи и выбираемого электрооборудования подстанций и сетей, а следовательно, размеры капиталовложений, расход цветного металла, потери электроэнергии и эксплуатационные расходы. Рациональное построение системы электроснабжения во многом зависит от правильного выбора напряжения системы питания и распределения электроэнергии.
Для определения приближенного значения рационального напряжения в проектной практике обычно используют следующие выражения:
(24)
(25)
где
- значение расчетной нагрузки завода, МВт; l
– расстояние от подстанции энергосистемы до завода, км.
Для рассматриваемого предприятия они будут равны:
![]()
![]()
Далее, намечают два ближайших значения стандартных напряжений (одно меньше
, а другое больше
) и на основе ТЭР окончательно выбирают напряжение питания предприятия.
Варианты стандартных значений напряжения: 110 кВ и 220 кВ.
Так как, под рациональным напряжением
понимается такое значение стандартного напряжения, при котором сооружение и эксплуатация СЭС имеют минимальное значение приведенных затрат, определяют приведенные затраты для каждого из вариантов.
Согласно методике, приведенные затраты определяются по выражению, руб/год,
![]()
Народнохозяйственный ущерб от перерывов электроснабжения У будет определен позже, после расчета надежности схем питания. Для выбора рационального напряжения необходимо определить лишь капитальные вложения в строительство и стоимость потерь энергии.
Отчисления от капитальных вложений определяются по выражению, руб/год
Нормативный коэффициент эффективности капиталовложений для новой техники принимают равным ЕН = 0,15 о.е./год.
Для воздушных линий 35 кВ и выше на стальных и железобетонных опорах суммарные издержки на амортизацию и обслуживание равны
[8]. Cуммарные издержки на амортизацию и обслуживание силового электротехнического оборудования и распределительных устройств 35-150 кВ
[8].
Сравнение производят для следующей схемы:

Рис. 6 Схема электроснабжения для расчета рационального напряжения
Капитальные затраты К , необходимые для осуществления электропередачи от источников питания к приемникам электроэнергии, зависят от передаваемой мощности S , расстояния l между источником питания и местом потребления или распределения.
Капитальные затраты на сооружение системы электроснабжения выражают формулой:
(26)
где КЛ
— капитальные затраты на сооружение воздушных и кабельных линий;
; КЛ0
— стоимость сооружения 1 км линий; l
— длина линии; КОБ
— капитальные затраты на приобретение оборудования (выключателей, разъединителей, отделителей, короткозамыкателей, измерительных трансформаторов, реакторов, шин, разрядников, силовых трансформаторов и т. п.).
Определяют сначала капиталовложения на сооружение ВЛЭП и подстанции на напряжение 110 кВ.
Находят КЛ110 . Для определения капиталовложений по сооружению двух цепей линии 110 кВ (W1 и W2) необходимо знать сечение проводов линий. Выбор сечения проводов производят из расчета обеспечения питания предприятия по одной линии в случае повреждения или отключения другой.
1. Определяют ток в линии в нормальном и послеаварийном режимах:
(27)
(28)
2. Сечение провода рассчитывают по экономической плотности тока:
Для машиностроительного завода: Тма = 6200-8000 ч., Тмр = 7540ч. [10]. Следовательно jэк = 1 А/мм2 [9].
(29)
По полученному сечению выбирают алюминиевый провод со стальным сердечником марки АС-70/11. Выбранное сечение проверяется по допустимому нагреву (по допустимому току) в нормальном и послеаварийном режимах согласно условию Iпар ≤ Iд , по потерям напряжения U и потерям на коронный разряд.
3. Проверяют сечение провода по условию допустимого нагрева:
По ПУЭ допустимый предельный ток для провода на 110 кВ сечением 70/11 мм2 равен 265 А, следовательно Iпар = 264 А < Iд = 265 А. Сечение по данному условию подходит.
4. Проверяют сечение провода по падению напряжения в линии в нормальном и послеаварийном режимах:
(30)
(31)
(32)
Удельные сопротивления для провода АС-70/11 равны r0 = 0,428 Ом/км и xо = 0,444 Ом/км [18]. По формуле (30):
5. По условию коронного разряда и уровню радиопомех провод такого сечения можно использовать.
Стоимость ВЛЭП 110 кВ с проводами марки АС-70/11 для стальных двухцепных опор для III района по гололеду, к которому относится Омская область, равна
[8]. Учитывая, что длина линии
, получают ![]()
Стоимость сооружения аналогичной линии в современных условиях (ценах 2002г.) составляет
[Приложение 3].
Находят коэффициент пересчета для ВЛЭП по формуле (33):
Находят КОБ110 . Для определения капиталовложений по сооружению подстанции 110 кВ необходимо выбрать силовой трансформатор (Т1 и Т2), выключатель (Q1, Q2, Q3 и Q4) и разъединитель (QS1 – QS8).
Так как на предприятии имеются потребители II категории, то устанавливают двухтрансформаторную подстанцию.
Мощность трансформаторов определяют по суточному графику нагрузки (рис. 3). Для этого рассчитывают среднеквадратичную мощность по формуле:
(34)
Определяют мощность одного трансформатора:
(35)
Выбирают трехфазный трансформатор с расщепленной обмоткой низшего напряжения с принудительной циркуляцией воздуха и естественной циркуляцией масла оборудованный системой регулирования напряжения ТРДН – 40000/110 [8] (Sном = 25 МВА; Uвн = 115 кВ; Uнн = 6,3/6,3; 6,3/10,5; 10,5/10,5 кВ; Pх = 34 кВт; Pк = 170 кВт; Uк = 10,5%; Iх = 0,55%) с регулировкой напряжения под нагрузкой (РПН) и производят проверку на эксплуатационную перегрузку.
Коэффициент предварительной загрузки:
(36)
Коэффициент максимума:
(37)
Коэффициент перегрузки:
(38)
Принимаем трансформатор ТРДН – 40000/110.
Согласно Приложению 18 современная стоимость подобного трансформатора составляет ![]()
Находят коэффициент пересчета для силовых трансформаторов.
Расчетная стоимость трехфазного трансформатора 110 кВ мощностью SНОМ
= 25 МВА, равна
[8].
Отсюда, определяют коэффициент пересчета по формуле (33):

Затем определяют КВ110
.
На данном этапе проектирования выбор высоковольтных выключателей может быть осуществлен лишь по двум параметрам:
. Учитывая это обстоятельство, выбирают воздушный выключатель усиленного типа ВВУ-110Б-40/2000У1 [6]. (
). Его стоимость равна ![]()
Определяют коэффициент пересчета на примере воздушного выключателя с электромагнитным приводом ВВЭ-10-20/1600У3. В 1984 году он стоил
[6], а в 2002 году:
[Приложение 17].
Отсюда, по формуле (33):

Следовательно, современная стоимость высоковольтного воздушного выключателя ВВУ-110Б-40/2000У1 по формуле (39)составляет:
![]()
Определяют КР110
.
Выбор разъединителей также осуществляют по номинальному напряжению и току:
, как и в предыдущем случае. Выбирают разъединитель наружной установки двухколонковый с заземляющими ножами РНД(З)-110(Б)(У)/1000У1(ХЛ) [20]. (
). Его стоимость равна ![]()
Определяют коэффициент пересчета на примере разъединителя внутренней установки фигурного с заземляющими ножами РВФЗ-10/1000.
Так, выбранный разъединитель с приводом РВФЗ-10/1000 в 1984 году стоил
[20], а в 2002 году:
[Приложение 13].
Отсюда, по формуле (33)

Следовательно, современная стоимость высоковольтного разъединителя РНД(З)-110(Б)(У)/1000У1(ХЛ) по формуле (39)равна:
![]()
Таким образом, капиталовложения в оборудование подстанции 110 кВ КОБ110 , определяются по формуле:
(40)
Далее определяют капиталовложения на сооружение ВЛЭП и подстанции на напряжение 220 кВ.
Находят КЛ35 . Для определения капиталовложений по сооружению двух цепей линии 220 кВ (W1 и W2) необходимо знать сечение проводов линий. Выбор сечения проводов производят из расчета обеспечения питания предприятия по одной линии в случае повреждения или отключения другой.
1. Определяют ток в линии в нормальном и послеаварийном режимах по формулам (27) и (28):
2. Сечение провода рассчитывают по экономической плотности тока.
Для машиностроительного завода: Тма = 6200-8000 ч., Тмр = 7000ч. [10]. Следовательно jэк = 1 А/мм2 [9].
Отсюда, по формуле (29):
По полученному сечению выбирают алюминиевый провод со стальным сердечником марки АС-240/32 (по условиям короны).
По ПУЭ [9] допустимый предельный ток для провода на 220 кВ сечением 240/32 мм2 равен 605 А, следовательно Iпар = 132 А < Iд = 605 А. Сечение по данному условию подходит.
Проверяем сечение провода по падению напряжения в линии в нормальном и послеаварийном режимах по формулам (29), (30) и (31):
По формуле (29):

По условию коронного разряда и уровню радиопомех провод такого сечения можно использовать.
Стоимость ВЛЭП 220 кВ с проводами марки АС-240/32 для стальных двухцепных опор для III района по гололеду, к которому относится Омская область, равна
[8].
Используя найденный ранее коэффициент пересчета
, по формуле (39) определяют, что современная стоимость данной ВЛЭП 220 кВ длинной l
= 7,2 км будет составлять:
![]()
Находят КОБ35 . Для определения капиталовложений по сооружению подстанции 220 кВ необходимо выбрать силовой трансформатор (Т1 и Т2), выключатель (Q1, Q2, Q3 и Q4) и разъединитель (QS1 – QS8).
Так как на предприятии имеются потребители II категории, то также, как и в предыдущем случае, устанавливают двухтрансформаторную подстанцию.
Мощность трансформаторов определяем по суточному графику нагрузки. Для этого рассчитывают среднеквадратичную мощность:
Определяют мощность одного трансформатора по формуле (40):
Выбирают трехфазный трансформатор с расщепленной обмоткой низшего напряжения с принудительной циркуляцией воздуха и естественной циркуляцией масла оборудованный системой регулирования напряжения для систем собственных нужд электростанций ТРДНС – 40000/220 [8]с регулировкой напряжения под нагрузкой (РПН) и производят проверку на эксплуатационную перегрузку. Однако, для примера ТЭР, продолжают расчет.
Коэффициент предварительной загрузки по формуле (41):
Коэффициент максимума по формуле (42):
Коэффициент перегрузки по формуле (43):
Принимаем трансформатор ТРДНС – 40000/220.
Расчетная стоимость трехфазного трансформатора 220 кВ мощностью SНОМ
= 25 МВА, равна
[8].
С учетом найденного ранее коэффициента пересчета
на цены 2002 года, получают, что капиталовложения в трансформатор по формуле (39) составят:
![]()
Затем находят КВ35
.
На данном этапе проектирования выбор высоковольтных выключателей может быть осуществлен лишь по двум параметрам:
. Учитывая это обстоятельство, выбирают воздушный выключатель усиленного типа ВВУ-220Б-40/2000У [6]. (
). Его стоимость равна ![]()
С учетом найденного ранее коэффициента пересчета
, современная стоимость высоковольтного воздушного выключателя ВВУ-220Б-40/2000У по формуле (39), равна:
![]()
Определяют КР35
.
Выбор разъединителей также осуществляют по номинальному напряжению и току:
, как и в предыдущем случае. Выбирают разъединитель наружной установки двухколон- ковый с заземляющими ножами РНД(З)-220/1000ХЛ1 [20]. (
). Его стоимость равна ![]()
С учетом найденного ранее коэффициента пересчета
, современная стоимость высоковольтного разъединителя РНД(З)-220/1000ХЛ1 по формуле (39), равна:
![]()
Таким образом, капиталовложения в оборудование подстанции 220 кВ КОБ35 по формуле (26), равны:
Далее переходят к нахождению стоимости потерь энергии. Стоимость потерь энергии для линии и для оборудования (трансформатора) рассчитывается отдельно.
Стоимость потерь энергии для линий определяется по выражению, руб/год,
![]()
здесь I
— максимальный ток в линии, А. Потери энергии будем для простоты определять без учета ежегодного роста нагрузки. Для линии 220 кВ
, а для линии 110 кВ - ![]()
R
—активное сопротивление линий, Ом. Для линии 220 кВ
, для линии 110 кВ
.
t
— время максимальных потерь, ч/год [определяется по заданному числу часов использования максимума Тмакс
]. Для машиностроительного завода, как уже отмечалось ранее,
[10]. Используя указанную зависимость
для любых значений
находят, что
.
сЭ — стоимость 1 кВт×ч потерь энергии по замыкающим затратам, руб/(кВт×ч). Величина сЭ в общем случае зависит от t .
Согласно основным методическим положениям технико-экономических расчетов в энергетике стоимость потерь энергии по замыкающим затратам принята равной средней в энергосистеме себестоимости электроэнергии, отпущенной с шин новых конденсационных электростанций.
На современном этапе принимают
.
Итак, стоимость потерь энергии для линии 110 кВ:
.
Стоимость потерь энергии для линии 220 кВ:
.
Стоимость потерь энергии группы одинаковых параллельно включенных трансформаторов определяется по выражению, руб/год,
здесь n — число трансформаторов в группе. В данном случае для обоих вариантов напряжения n = 2.
D PX и D PK — номинальные (табличные) потери холостого хода и короткого замыкания, кВт. Для ТРДНС-40000/110: D PХ = 34 кВт ; D PК = 170 кВт ; для ТРДН-40000/220: D PХ = 50 кВт ; D PК = 170 кВт .
cЭх и cЭк — стоимость 1 кВт×ч потерь энергии холостого хода и короткого замыкания соответственно. Принимают cЭх = cЭк = 50 коп./кВт × ч.
Т
— время работы трансформаторов, ч/год (при его работе круглый год Т = 8760 ч). В рассматриваемом случае,
.
Sn
— фактическая мощность, протекающая по всем трансформаторам группы, МВ×А. ![]()
Итак, стоимость потерь энергии двух параллельно включенных трансформаторов ТРДНС-40000/110 равна:
![]()
Стоимость потерь энергии двух параллельно включенных трансформаторов ТРДН-40000/220 равна:
![]()
Таким образом, все необходимое для расчета приведенных затрат обоих вариантов строительства найдено.
Суммирование производится по элементам системы (линиям, трансформаторам и т. д.). Вариант считается оптимальным, если приведенные затраты минимальны. Если какая-либо составляющая этих затрат входит во все сравниваемые варианты (величина постоянная), она может не учитываться, так как на выбор варианта не влияет.
Далее определяют приведенные затраты по элементам, но без учета ущерба:
· приведенные затраты для варианта строительства ВЛЭП на 110 кВ:
![]()
· приведенные затраты для варианта строительства ВЛЭП на 220 кВ:
![]()
· приведенные затраты для варианта строительства подстанции на 110 кВ:
![]()
· приведенные затраты для варианта строительства подстанции на 220 кВ:
![]()
В результате, суммарные приведенные затраты для варианта строительства ВЛЭП и подстанции на 110 кВ, равны:
(44)
В результате, суммарные приведенные затраты для варианта строительства ВЛЭП и подстанции на 220 кВ, равны:
(45)
Таким образом, суммарные приведенные затраты для варианта строительства ВЛЭП и подстанции на напряжение 110 кВ и 220 кВ
. То есть, для рассмотренного случая, им будет являться напряжение 110 кВ.
5.2 Выбор схем распределительных устройств высшего напряжения с учетом надежности
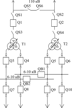
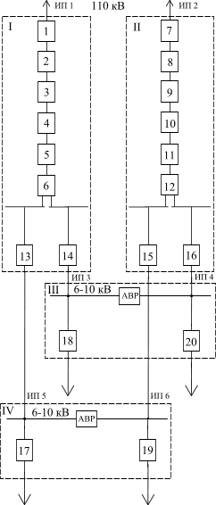
Схемы электрических соединений на стороне высшего напряжения подстанций желательно выполнять наиболее простыми. Учитывая расстояние до системы, уровень надежности потребителей, вид схемы питания и влияние окружающей среды, выбирают следующие две схемы РУ ВН.

а) б)
Рис. 7. Однолинейные схемы электрических соединений главных понизительных подстанций с двумя трансформаторами: а) - без выключателей на стороне высшего напряжения; б) - с выключателями.
Выбор схемы РУ ВН неоднозначен, поскольку с одной стороны установка выключателей на стороне высшего напряжения в связи с дороговизной кажется экономически необоснованной, но с другой стороны применение их в электроснабжении промышленных предприятий приводит к снижению экономических потерь во много раз при авариях и перерывах электроснабжения. Так как в схеме с выключателем время восстановления напряжения значительно ниже, то происходят меньшие нарушения технологического процесса, а так же предотвращается развитие аварий технологических установок. Особенно это важно в нефтеперерабатывающей и химической промышленности, т. к. перерывы в электроснабжении могут привести к значительному экономическому ущербу в технологии.
Достоверность вышесказанного можно подтвердить рассчитав надежность рассматриваемых схем.
5.2.1 Расчет надежности
Для расчета надежности в схему без выключателей на стороне высшего напряжения (рис. 7а) включено большее количество элементов, чем в схему с выключателями (рис. 7б), так как необходимо учитывать все элементы схемы до отключающего элемента, которым для схемы (рис. 7а) является высоковольтный выключатель подстанции системы.
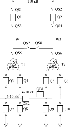
Ремонтная перемычка QS7,QS8 (рис. 7а) и QS5,QS6 (рис. 7б) в нормальном (эксплуатационном) режиме работы не влияет на надежность схемы. Перемычка используется только в периоды ремонта одного из вводов. Поэтому в расчетах надежности она не учитывается.
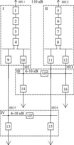
В соответствии со схемами электроснабжения (рис. 7, а,б) составляют блок-схемы расчета надежности (рис. 8, а,б), заменяя элементы схем распределительных устройств блоками и нумеруя их по порядку.
Затем разделяют полученные блок-схемы на логические расчетные схемы (ЛРС) I, II, III и IV для упрощения расчетов.

а) б)
Рис. 8 Блок-схемы расчета надежности
Сначала рассчитывают надежность для схемы без выключателей на стороне высшего напряжения (рис. 7а).
Показатели надежности элементов схемы представлены в таблице 10.
Так как, рациональным напряжением питания было выбрано 110 кВ, то берут из таблицы 1 параметры элементов с номинальным напряжением 110 кВ. На низкой стороне подстанции рациональное напряжение будет определено технико-экономическим сравнением в расчете системы распределения. Учитывая, что показатели надежности элементов СЭС на напряжение 6 и 10 кВ одинаковы, то на данном этапе ограничиваются указанием возможных вариантов напряжения системы распределения.
Таблица 7
Показатели надежности элементов СЭС
| № элемента на расчетной схеме |
Э л е м е н т ы |
wа , (1/год) |
Т х 10-3 , (год) |
wр , (1/год) |
tр х 10-3 , (год) |
| ИП1, ИП2 |
Источники питания предприятия |
0 |
- |
- |
- |
| 1, 3, 5, 7, 9, 11 |
Разъединитель 110 кВ |
0,008 |
1,712 |
- |
- |
| 2, 8 |
Ячейка с воздушным выклю-чателем 110 кВ |
0,18 |
1,256 |
0,67 |
2,28 |
| 4, 10 |
Воздушная линия электропере- дачи 110 кВ на 1 км длины |
0,011 |
0,913 |
1,00 |
2,28 |
| 6, 12 |
Трансформатор силовой 110/6-10 |
0,01 |
20,55 |
1,00 |
2,28 |
| 13, 14, 15, 16 |
Ячейка масляного выключателя 6,10 кВ |
0,035 |
0,26 |
0,67 |
0,91 |
| 17, 18, 19, 20 |
Отходящая линия 6,10 кВ при развитии отказов |
0,012 |
0,114 |
- |
- |
| - |
Комплект АВР 6,10 кВ: · вероятность отказа · вероятность развития отказа при действии АВР |
0,18 0,04 |
- - |
- - |
- - |
| - |
Неавтоматическое включение резервного питания |
- |
0,038 |
- |
- |
| - |
Секция шин 6,10 кВ |
0,01 |
0,228 |
- |
- |
Сначала рассчитывается ЛРС I и II.
1. Определяют показатели аварийных отключений вводов (
).
Средний параметр потока отказов для I ввода из-за аварийных отключений
равен сумме параметров потока отказов элементов I ввода
и параметра потока отказов источника питания I ввода
:
(45)
Средний параметр потока отказов для II ввода из-за аварийных отключений
равен сумме параметров потока отказов элементов II ввода
и параметра потока отказов источника питания II ввода
:
(46)
Среднее время восстановления напряжения для I ввода после аварийного отключения
, равно:
(47)
Среднее время восстановления напряжения для II ввода после аварийного отключения
, равно:
(48)
2. Показатели аварийных отключений из-за отказов шин ТП или из-за развития отказов со стороны присоединений (
).
Присоединениями в данном случае являются по две ячейки (
) с масляным выключателем на каждой секции шин
, а шины ТП образованы низкой стороной трансформатора, то есть число потока отказов шин равно числу потока отказов трансформатора
. Аналогичная ситуация и для длительности восстановления напряжения.
Средний параметр потока отказов
и среднее время восстановления напряжения
для I ввода из-за развития отказов со стороны присоединений:
(49)
(50)
Средний параметр потока отказов
и среднее время восстановления напряжения
для II ввода из-за развития отказов со стороны присоединений:
![]()
(51)
(52)
3. Показатели аварийных отключений секций шин (
).
Средний параметр потока отказов
и среднее время восстановления напряжения
для I ввода из-за аварийных отключений секций шин, то есть аварийных отключений ввода (
) или развития отказов со стороны присоединений (
):
(53)
(54)
Средний параметр потока отказов
и среднее время восстановления напряжения
для II ввода из-за аварийных отключений секций шин, то есть аварийных отключений ввода (
) или развития отказов со стороны присоединений (
):
(55)
(56)
4. Показатели полных отключений вводов (
).
Определение показателей
(р
– отключение для профилакти-ческого ремонта или обслуживания) производится исходя из предположения, что возможности совмещения ремонтов элементов ввода реализованы не полностью. Числовые характеристики плановых ремонтов элементов 1, 2, 3, 4, 5, (7, 8, 9, 10, 11) образуют одну ремонтируемую группу с показателями:
![]()
Элемент 1, 3, 5 (7, 9, 11) – разъединитель 110 кВ в ремонтируемую группу не включен, так как его профилактическое обслуживание проводится одновременно с ремонтом воздушной линии электропередач 110 кВ и воздушного выключателя 110 кВ.
Средний параметр потока отказов
и среднее время восстановления напряжения
для I ввода из-за аварийных отключений ввода (
) или отключений для профилактического ремонта и обслуживания (
):
(57)
(58)
Средний параметр потока отказов
и среднее время восстановления напряжения
для II ввода из-за аварийных отключений ввода (
) или отключений для профилактического ремонта и обслуживания (
):
(59)
(60)
5. Затем определяются показатели полных отключений секций шин (
).
Средний параметр потока отказов
и среднее время восстановления напряжения
для I ввода из-за аварийных отключений ввода, отключений для профилактического ремонта и обслуживания (
) или развития отказов со стороны присоединений (
):
(61)
(62)
Средний параметр потока отказов
и среднее время восстановления напряжения
для II ввода из-за аварийных отключений ввода, отключений для профилактического ремонта и обслуживания (
) или развития отказов со стороны присоединений (
):
(63)
(64)
Далее переходят к расчету ЛРС III и IV.
Поскольку параметры элементов, составляющих ЛРС III и IV одинаковы и число потока отказов
а также время восстановления
расчет будет представлен на примере ЛРС III, для ЛРС IV он идентичен.
6. Показатели аварийных отключений из-за отказов шин ТП или из-за развития отказов со стороны присоединений (
).
На данном этапе проектирования количество отходящих линий неизвестно, поэтому для упрощения расчетов принимают число присоединений mIII
= 1 для обоих секций шин – 3 и 4 (секции шин пронумерованы в соответствии с номерами источников питания (ИП) для данных секций). Показатели надежности для элементов 17 и 18 ЛРС III и для секций шин 6-10 кВ (табл. 7), равны:
,
.
Средний параметр потока отказов
и среднее время восстановления напряжения
для 3 секции шин из-за развития отказов со стороны присоединений:
(65)
(66)
Средний параметр потока отказов
и среднее время восстановления напряжения
для 4 секции шин из-за развития отказов со стороны присоединений:
(67)
(68)
7. Показатели надежности отдельных секций шин ТП при сохранении электроснабжения на других – индивидуальные показатели (
).
Средний параметр потока отказов
и среднее время восстановления напряжения
для 3 секции шин из-за отказов ИП (
) с учетом вероятности отказа АВР
или развития отказов со стороны присоединений (
):
(69)
(70)
Средний параметр потока отказов
и среднее время восстановления напряжения
для 4 секции шин из-за отказов ИП (
) с учетом вероятности отказа АВР
или развития отказов со стороны присоединений (
):
(71)
(72)
8. Показатели аварийных отключений секций шин (
).
Средний параметр потока отказов
и среднее время восстановления напряжения
для 3 секции шин из-за отказов ИП (
) или развития отказов со стороны присоединений (
):
(73)
(74)
Средний параметр потока отказов
и среднее время восстановления напряжения
для 4 секции шин из-за отказов ИП (
) или развития отказов со стороны присоединений (
):
(75)
(76)
9. Показатели полных отключений ввода (
).
Показатели
для данной ЛРС не определяются, так как на вводе схемы элементов нет, а вышерасположенные элементы относятся к I и II ЛРС, при расчете которых ремонтные показатели уже были учтены. Отсюда, показатели надежности полных отключений ввода ЛРС III (
) равны показателям надежности из-за аварийных отключений ввода, которыми в данном случае являются показатели ИП 3 и ИП 4 (
):
10. Показатели полных отключений секций шин (
).
Так как показатели надежности полных отключений ввода ЛРС III (
) равны показателям надежности ИП 3 и ИП 4 (
) соответственно, то показатели полных отключений секций шин
равны показателям аварийных отключений секций шин
соответственно:
11. Показатели полного отключения ТП (
).
Показатели одновременного отказа ИП 3 и 4 секции шин:
(77)
(78)
Полное отключение ТП происходит при:
· аварийном отключении 4 секции шин (аварийное отключение ввода или аварийное отключение из-за отказов шин ТП или из-за развития отказов со стороны присоединений) во время ремонта или аварии на 3 секции шин и наоборот;
· аварийном отключении из-за отказов шин ТП или из-за развития отказов со стороны присоединений во время аварии или ремонтных работ на вводе 3 секции шин с учетом отказа АВР (то же для 4 секции шин);
· аварийном отключении 3 или 4 секции шин (аварийном отключении ввода или аварийном отключении из-за отказов шин ТП или из-за развития отказов со стороны присоединений)с учетом ложного срабатывания АВР;
· отказе обоих источников питания.
Учитывая все вышеперечисленное, показатели надежности полного отключения ТП (
) равны:
(79)
(80)
12. Показатели, характеризующие отказы одной, но любой, секции ТП при сохранении напряжения на другой (
):
(81)
(82)
13. Отказы каждой из секций независимо от работоспособности другой (
):
(83)
(84)
(85)
(86)
14. Отказы любого вида (
):
(87)
(88)
15. Вероятность безотказной работы и коэффициент простоя, характеризующие все вышерассмотренные случаи нарушения электроснабжения.Так при отключении секции 3 при сохранении питания 4 секции:
(89)
(90)
Результаты расчета сведены в таблицу 9.
Таблица 9
Показатели надежности для схемы с разъединителями (рис. 7а).
| Разновидности нарушения электроснабжения |
Числовой показатель надежности |
|||
|
|
|
|
|
|
| Отключение секции 3(5) при сохранении питания 4(6) секции |
0,267 |
0,429 |
0,766 |
0,013×10-3 |
| Отключение секции 4(6) при сохранении питания 3(5) секции |
0,267 |
0,429 |
0,766 |
0,013×10-3 |
| Отключение одной из секций [3 или 4 (5 или 6)] при сохранении питания другой |
0,534 |
0,429 |
0,586 |
0,026×10-3 |
| Отключение секции 3(5) независимо от сохранения питания 4(6) секции |
0,284 |
0,911 |
0,753 |
0,03×10-3 |
| Отключение секции 4(6) независимо от сохранения питания 3(5) секции |
0,284 |
0,911 |
0,753 |
0,03×10-3 |
| Отключение секций 3 и 4 (5 и 6) одновременно |
0,017 |
8,41 |
0,983 |
0,016×10-3 |
| Любое нарушение ЭС |
0,551 |
0,077 |
0,576 |
0,042×10-3 |
Теперь определим показатели надежности для схемы с выключателями на стороне высшего напряжения (рис. 7б).
Показатели надежности элементов схемы представлены в таблице 10.
Так как, рациональным напряжением питания было выбрано 110 кВ, то берут из таблицы 1 параметры элементов с номинальным напряжением 110 кВ. На низкой стороне подстанции рациональное напряжение будет определено технико-экономическим сравнением в расчете системы распределения. Учитывая, что показатели надежности элементов СЭС на напряжение 6 и 10 кВ одинаковы, то на данном этапе ограничиваются указанием возможных вариантов напряжения системы распределения.
Таблица 10
Показатели надежности элементов СЭС
| № элемента на расчетной схеме |
Э л е м е н т ы |
wа , (1/год) |
Т х 10-3 , (год) |
wр , (1/год) |
tр х 10-3 , (год) |
| ИП1, ИП2 |
Источники питания предприятия |
0 |
- |
- |
- |
| 1, 3, 5, 7 |
Разъединитель 110 кВ |
0,008 |
1,712 |
- |
- |
| 2, 6 |
Ячейка с воздушным выклю-чателем 110 кВ |
0,18 |
1,256 |
0,67 |
2,28 |
| 4, 8 |
Трансформатор силовой 110/6-10 |
0,01 |
20,55 |
1,00 |
2,28 |
| 9, 10, 11, 12 |
Ячейка масляного выключателя 6,10 кВ |
0,035 |
0,26 |
0,67 |
0,91 |
| 13, 14, 15, 16 |
Отходящая линия 6,10 кВ при развитии отказов |
0,012 |
0,114 |
- |
- |
| - |
Комплект АВР 6,10 кВ: · вероятность отказа · вероятность развития отказа при действии АВР |
0,18 0,04 |
- - |
- - |
- - |
| - |
Неавтоматическое включение резервного питания |
- |
0,038 |
- |
- |
| - |
Секция шин 6,10 кВ |
0,01 |
0,228 |
- |
- |
Сначала рассчитывается ЛРС I и II.
1. Определяем показатели аварийных отключений вводов.
Средний параметр потока отказов для I ввода из-за аварийных отключений
равен сумме параметров потока отказов элементов I ввода
и параметра потока отказов источника питания I ввода
:
(91)
Средний параметр потока отказов для II ввода из-за аварийных отключений
равен сумме параметров потока отказов элементов II ввода
и параметра потока отказов источника питания II ввода
:
(92)
Среднее время восстановления напряжения для I ввода после аварийного отключения
, равно:
(93)
Среднее время восстановления напряжения для II ввода после аварийного отключения
, равно:
(94)
2. Показатели аварийных отключений из-за отказов шин ТП или из-за развития отказов со стороны присоединений (
).
Присоединениями в данном случае являются по две ячейки (
) с масляным выключателем на каждой секции шин
, а шины ТП образованы низкой стороной трансформатора, то есть число потока отказов шин равно числу потока отказов трансформатора
. Аналогичная ситуация и для длительности восстановления напряжения.
Средний параметр потока отказов
и среднее время восстановления напряжения
для I ввода из-за развития отказов со стороны присоединений:
(95)
(96)
Средний параметр потока отказов
и среднее время восстановления напряжения
для II ввода из-за развития отказов со стороны присоединений:
(97)
(98)
3. Показатели аварийных отключений секций шин (
).
Средний параметр потока отказов
и среднее время восстановления напряжения
для I ввода из-за аварийных отключений секций шин, то есть аварийных отключений ввода (
) или развития отказов со стороны присоединений (
):
(99)
(100)
Средний параметр потока отказов
и среднее время восстановления напряжения
для II ввода из-за аварийных отключений секций шин, то есть аварийных отключений ввода (
) или развития отказов со стороны присоединений (
):
(101)
(102)
4. Показатели полных отключений вводов (
).
Определение показателей
(р
– отключение для профилактического ремонта или обслуживания) производится исходя из предположения, что возможности совмещения ремонтов элементов ввода реализованы не полностью. Числовые характеристики плановых ремонтов элементов 1, 2, 3 (5, 6, 7) образуют одну ремонтируемую группу с показателями:
![]()
Элемент 1, 3 (5, 7) – разъединитель 110 кВ в ремонтируемую группу не включен, так как его профилактическое обслуживание проводится одновременно с ремонтом воздушного выключателя 110 кВ.
Средний параметр потока отказов
и среднее время восстановления напряжения
для I ввода из-за аварийных отключений ввода (
) или отключений для профилактического ремонта и обслуживания (
):
(103)
(104)
Средний параметр потока отказов
и среднее время восстановления напряжения
для II ввода из-за аварийных отключений ввода (
) или отключений для профилактического ремонта и обслуживания (
):
(105)
(106)
5. Показатели полных отключений секций шин (
).
Средний параметр потока отказов
и среднее время восстановления напряжения
для I ввода из-за аварийных отключений ввода, отключений для профилактического ремонта и обслуживания (
) или развития отказов со стороны присоединений (
):
(107)
(108)
Средний параметр потока отказов
и среднее время восстановления напряжения
для II ввода из-за аварийных отключений ввода, отключений для профилактического ремонта и обслуживания (
) или развития отказов со стороны присоединений (
):
(109)
(110)
Затем переходят к расчету ЛРС III и IV.
Поскольку параметры элементов, составляющих ЛРС III и IV одинаковы и число потока отказов
а время восстановления
расчет будет представлен на примере ЛРС III, для ЛРС IV он идентичен.
6. Показатели аварийных отключений из-за отказов шин ТП или из-за развития отказов со стороны присоединений (
).
На данном этапе проектирования количество отходящих линий неизвестно, поэтому для упрощения расчетов принимают число присоединений mIII
= 1 для обоих секций шин – 3 и 4 (секции шин пронумерованы в соответствии с номерами источников питания (ИП) для данных секций). Показатели надежности для элементов 13 и 14 ЛРС III и для секций шин 6-10 кВ (таблица 10), равны:
,
.
Средний параметр потока отказов
и среднее время восстановления напряжения
для 3 секции шин из-за развития отказов со стороны присоединений:
(111)
(112)
Средний параметр потока отказов
и среднее время восстановления напряжения
для 4 секции шин из-за развития отказов со стороны присоединений:
(113)
(114)
7. Показатели надежности отдельных секций шин ТП при сохранении электроснабжения на других – индивидуальные показатели (
).
Средний параметр потока отказов
и среднее время восстановления напряжения
для 3 секции шин из-за отказов ИП (
) с учетом вероятности отказа АВР
или развития отказов со стороны присоединений (
):
(115)
(116)
Средний параметр потока отказов
и среднее время восстановления напряжения
для 4 секции шин из-за отказов ИП (
) с учетом вероятности отказа АВР
или развития отказов со стороны присоединений (
):
(117)
(118)
8. Показатели аварийных отключений секций шин (
).
Средний параметр потока отказов
и среднее время восстановления напряжения
для 3 секции шин из-за отказов ИП (
) или развития отказов со стороны присоединений (
):
(119)
(120)
Средний параметр потока отказов
и среднее время восстановления напряжения
для 4 секции шин из-за отказов ИП (
) или развития отказов со стороны присоединений (
):
(121)
(122)
9. Показатели полных отключений ввода (
).
Показатели
для данной ЛРС не определяются, так как на вводе схемы элементов нет, а вышерасположенные элементы относятся к I и II ЛРС, при расчете которых ремонтные показатели уже были учтены. Отсюда, показатели надежности полных отключений ввода ЛРС III (
) равны показателям надежности из-за аварийных отключений ввода, которыми в данном случае являются показатели ИП 3 и ИП 4 (
):
10. Показатели полных отключений секций шин (
).
Так как показатели надежности полных отключений ввода ЛРС III (
) равны показателям надежности ИП 3 и ИП 4 (
) соответственно, то показатели полных отключений секций шин
равны показателям аварийных отключений секций шин
соответственно:


11. Показатели полного отключения ТП (
).
Показатели одновременного отказа ИП 3 и 4 секции шин:
(123)
(124)
Полное отключение ТП происходит при:
· аварийном отключении 4 секции шин (аварийное отключение ввода или аварийное отключение из-за отказов шин ТП или из-за развития отказов со стороны присоединений) во время ремонта или аварии на 3 секции шин и наоборот;
· аварийном отключении из-за отказов шин ТП или из-за развития отказов со стороны присоединений во время аварии или ремонтных работ на вводе 3 секции шин с учетом отказа АВР (то же для 4 секции шин);
· аварийном отключении 3 или 4 секции шин (аварийном отключении ввода или аварийном отключении из-за отказов шин ТП или из-за развития отказов со стороны присоединений)с учетом ложного срабатывания АВР;
· отказе обоих источников питания.
Учитывая все вышеперечисленное, показатели надежности полного отключения ТП (
) равны:
(125)
(126)
12. Показатели, характеризующие отказы одной, но любой, секции ТП при сохранении напряжения на другой (
):
(127)
(128)
13. Отказы каждой из секций независимо от работоспособности другой (
):
(129)
(130)
(131)
(132)
14. Отказы любого вида (
):
(133)
(134)
15. Вероятность безотказной работы и коэффициент простоя, характеризующие все вышерассмотренные случаи нарушения электроснабжения.Так при отключении секции 3 при сохранении питания 4 секции:
(135)
(136)
Результаты расчета представлены в таблице 13.
Таблица 11
Показатели надежности для схемы с выключателями (рис. 7б)
| Разновидности нарушения электроснабжения |
Числовой показатель надежности |
|||
|
|
|
|
|
|
| Отключение секции 3(5) при сохранении питания 4(6) секции |
0,192 |
0,464 |
0,825 |
0,01×10-3 |
| Отключение секции 4(6) при сохранении питания 3(5) секции |
0,192 |
0,464 |
0,825 |
0,01×10-3 |
| Отключение одной из секций [3 или 4 (5 или 6)] при сохранении питания другой |
0,384 |
0,464 |
0,681 |
0,02×10-3 |
| Отключение секции 3(5) независимо от сохранения питания 4(6) секции |
0,202 |
0,797 |
0,817 |
0,018×10-3 |
| Отключение секции 4(6) независимо от сохранения питания 3(5) секции |
0,202 |
0,797 |
0,817 |
0,018×10-3 |
| Отключение секций 3 и 4 (5 и 6) одновременно |
0,0095 |
7,499 |
0,991 |
0,008×10-3 |
| Любое нарушение ЭС |
0,394 |
0,631 |
0,674 |
0,028×10-3 |
Таким образом, видно, что вероятность безотказной работы
для схемы с выключателями (рис. 7,б) больше, а коэффициент простоя
меньше, чем для схемы с разъединителями на высокой стороне подстанции (рис. 7,а) для всех вышерассмотренных случаев нарушения электроснабжения.
Итак, рассчитав параметры надежности рассматриваемых схем, можно определить среднегодовой ожидаемый ущерб от перерывов электроснабжения, входящий в формулу годовых приведенных затрат.
5.2.2 Среднегодовой ожидаемый ущерб
Как уже отмечалось, среднегодовой ожидаемый ущерб УСГ (руб./год) от нарушения электроснабжения технологических установок определяется с использованием полученных в результате расчета надежности СЭС средних значений параметра потока отказов и времени восстановления электроснабжения для полных и частичных отказов.
Для схемы (рис. 7,а) берут следующие значения среднего параметра потока отказов и времени восстановления электроснабжения для полных и частичных отказов рассматриваемой подстанции соответст- венно: ![]()
из табл. 11. Для данных значений
и
по графику зависимости полного ущерба от среднего времени восстановления электроснабжения (рис. 4), находят ![]()
Следовательно, среднегодовой ожидаемый ущерб для схемы (рис. 7,а) по формуле (137), равен:
![]()
Аналогично, для схемы (рис. 7,б):
из табл. 13. По графику зависимости полного ущерба от среднего времени восстановления электроснабжения (рис. 4):
![]()
Следовательно, среднегодовой ожидаемый ущерб для схемы (рис. 7,б) по формуле (137), равен:
![]()
Таким образом, среднегодовой ожидаемый ущерб УСГ от нарушения электроснабжения технологических установок для схемы (рис. 7,б) меньше, чем для схемы (рис. 7,а).
5.2.3 Технико-экономический расчет
Используют ту же методику, что и при определении рационального напряжения питания. Находят приведенные затраты для каждого варианта схем распределительных устройств высшего напряжения (рис 9, а,б).
При определении приведенных затрат на сооружение распределительных устройств высшего напряжения для каждого варианта схем суммирование производится по элементам схем (линиям, трансформаторам и т. д.). Вариант считается оптимальным, если приведенные затраты минимальны. Если какая-либо составляющая этих затрат входит во все сравниваемые варианты (величина постоянная), она может не учитываться, так как на выбор варианта не влияет. В данном случае, не учитывают следующие составляющие: высоковольтные выключатели и разъединители подстанции системы; ВЛЭП, по которой осуществляется питание завода; силовые трансформаторы подстанции. Следовательно, капитальные затраты для схемы (рис 7,а) будет составлять стоимость разъединителей QS5, QS6, а для схемы (рис. 7,б) - стоимость разъединителей QS1 – QS4 и стоимость высоковольтных выключателей Q1 и Q2.
Нормативный коэффициент эффективности капиталовложений для новой техники принимают равным ЕН = 0,15 о.е./год.
Cуммарные издержки на амортизацию и обслуживание силового электротехнического оборудования и распределительных устройств 35-150 кВ
[8].
Современная стоимость высоковольтного оборудования была уже определена при выборе рационального напряжения питания. Она составила для высоковольтного воздушного выключателя ВВУ-110Б-40/2000У1
, а для высоковольтного разъединителя РНД(З)-110(Б)(У)/1000У1(ХЛ) ![]()
Стоимость потерь энергии сЭ в данном случае не учитывают, так как она одинакова для обоих вариантов.
Отсюда, учитывая найденные ранее значения среднегодового ожидаемого ущерба, рассчитывают приведенные затраты для каждого варианта схем распределительных устройств высшего напряжения:
![]()
![]()
Таким образом, с точки зрения ТЭР схема с выключателями на высокой стороне подстанции (рис.7,б) является более выгодной, чем схема с разъединителями на высокой стороне подстанции (рис.7,а), так как приведенные затраты для схемы (рис. 7,б) на
меньше, чем для схемы (рис. 7,а).
Заключение
В результате проведения технико-экономического сравнения вариантов схем с учетом надежности электроснабжения потребителей выбирается схема с выключателями на высокой стороне (рис.7,б).
5.2.4 Выбор схемы распределительного устройства низшего напряжения
|
6. Компенсация реактивной мощности
Размещение компенсационных устройств в сети предприятия .
Для рационального выбора мощности трансформаторов комплектных трансформаторных подстанций необходимо учесть скомпенсированную реактивную мощность, т.е. реактивную мощность с учетом размещения БСК по узлам нагрузки электрической сети.
Определим мощность компенсирующих устройств:
33289,79-29958,23=3340,56 Вар;
Распределение реактивной мощности по узлам нагрузки будем производить методом пропорционально-реактивных нагрузок узлов. В этом случае величина мощности БСК QКi в каждом i-м узле нагрузки будет равна:
(138)
Qнагр i – реактивная нагрузка в i – м узле
Qнагр S - сумма реактивных нагрузок всех узлов, кВар.
Полная мощность, приходящаяся на КТП с учетом компенсации реактивной мощности:
. (139)
Результаты расчета размещения БСК по узлам нагрузки электрической сети сведем в таблицу 12
Таблица 12

6.1 Выбор числа, мощности трансформаторов цеховых ТП
Число КТП и мощность трансформаторов на них определяется средней мощностью (Sм ) цеха, удельной плотностью нагрузки и требованиями надежности электроснабжения.
Если нагрузка цеха (Sм) на напряжение до 1000 В не превышает 150 – 200 кВА, то в данном цехе ТП не предусматривается, и ЭП цеха запитывается с шин ТП ближайшего цеха кабельными ЛЭП.
При определении мощности трансформаторов следует учесть, что если Sуд не превышает 0,2 (кВА/м2 ), то при любой мощности цеха мощность трансформаторов не должна быть более 1000(кВА). Если Sуд находится в пределах 0,2-0,3(кВА/м2 ) то единичная мощность трансформаторов принимается равной 1600 (кВА). Если Sуд более 0,3 (кВА/м2 ) то на ТП устанавливаются трансформаторы 2500 (кВА).
Цеховые трансформаторы выбираются по Sсм с учетом Sуд ‑ удельной плотности нагрузки.
Удельная мощность цеха:
S/ уд = S/ м /F; (140)
где F‑ площадь цеха, м2 .
Расчеты по выбору числа и мощности трансформаторов цехов сведены в таблицу 13.
Таблица №13

6.2 Выбор марки и сечения КЛЭП
6.2.1 КЛЭП напряжением 6 кВ
Распределение энергии на территории предприятия осуществляем кабельными линиями.
Двух трансформаторные подстанции с потребителями 1 категории запитываются двумя нитями КЛЭП по радиальной схеме. Так же по радиальной схеме запитываются КТП с трансформаторами 2500 кВА.
Двух трансформаторные подстанции с потребителями 2 и 3 категории запитываются двумя нитями КЛЭП по магистральной схеме, а там где это невозможно из-за больших нагрузок – по радиальной схеме.
Для определения расчетной нагрузки кабельных линий необходимо определить потери мощности в трансформаторах КТП (таблица 12).
; (141)
где ΔРхх ‑ потери холостого хода трансформатора, кВт.
ΔРкз ‑ потери короткого замыкания в трансформаторах, кВт.
n ‑ число трансформаторов.
; (142)
где: Iхх ‑ ток холостого хода трансформатора, %.
Uк ‑ напряжение короткого замыкания трансформатора, %.
Затем с учетом потерь мощности в трансформаторах находится расчетная мощность, по которой выбирается сечение кабелей:
; (143)
Находится ток в нормальном режиме:
(144)
где: n ‑ число кабелей, работающих в нормальном режиме;
Sр – мощность, передаваемая кабелем.
Находится ток в послеаварийном режиме:
. (145)
По таблице1.3.18 [1] выбирается ближайшее стандартное сечение.
Выбор сечения КЛЭП производится в соответствии с требованиями ПУЭ с учетом нормальных и после аварийных режимов работы электрической сети.
При проверке сечения кабеля по условиям после аварийного режима для кабелей напряжением до 10 кВ необходимо учитывать допускаемую в течение пяти суток, на время ликвидации аварии, перегрузку в зависимости от вида изоляции (при дипломном проектировании можно принять для кабелей с бумажной изоляцией перегрузку до 30% номинальной).
Поэтому допустимая токовая нагрузка кабеля при прокладке в земле в послеаварийном режиме:
Iдоп.пар =1,3. Iдоп . (146)
Допустимая токовая нагрузка кабеля при прокладке в земле в нормальном режиме:
Iдоп.н.р. =Iдоп. (146)
В качестве примера выбирается сечение кабельной линии ПГВ-ТП 16:
Расчетная мощность, по которой выбирается сечение кабелей:
![]()
Находится ток в нормальном режиме:
.
Находится ток в послеаварийном режиме:
.
По таблице 1.3.16 [1] выбирается ближайшее стандартное сечение. Предварительно принимается кабель трехжильный с алюминиевыми жилами марки АШв сечением F = 95мм2 , Iдоп . = 225А.
Допустимая токовая нагрузка кабеля при прокладке в земле двух кабелей в нормальном режиме:
;
где К1 -поправочный коэффициент для кабелей в зависимости от удельного теплового сопротивления земли (для нормальной почвы К1 =1);
К2 -поправочный коэффициент на количество работающих кабелей, лежащих рядом в земле;
-допустимая токовая нагрузка на жилу кабеля по таблице 1.3.16 ПУЭ для токопроводящей жилы сечением F = 95мм2
с бумажной изоляцией.
В послеаварийном режиме:
.
Результаты расчета остальных кабельных линий сведены в таблицу 13.
Таблица №13
7. Расчёт токов короткого замыкания
Коротким замыканием (К.З.) называется всякое случайное или преднамеренное, не предусмотренное нормальным режимом работы, электрическое соединение различных точек электроустановки между собой и землей, при котором токи в аппаратах и проводниках, примыкающих к месту присоединения резко возрастают, превышая, как правило, расчетные значения нормального режима.
Основной причиной нарушения нормального режима работы систем электроснабжения является возникновения К.З. в сети или в элементах электрооборудования. Расчетным видом К.З. для выбора или проверки параметров электрооборудования обычно считают трехфазное К.З.
Расчет токов К.З. с учетом действительных характеристик и действительных режимов работы всех элементов электроснабжения сложен. Поэтому вводятся допущения, которые не дают существенных погрешностей:
1. Не учитывается сдвиг по фазе ЭДС различных источников;
2. Трехфазная сеть принимается симметричной;
3. Не учитываются токи нагрузки;
4. Не учитываются емкостные токи в ВЛЭП и в КЛЭП;
5. Не учитывается насыщение магнитных систем;
6. Не учитываются токи намагничивания трансформаторов.
7.1 Расчет токов короткого замыкания в установках напряжением выше 1000В
Расчет токов короткого замыкания в установках напряжением выше 1000 В имеет ряд особенностей:
Активные элементы систем электроснабжения не учитывают, если выполняется условие r<(x/3), где r и x-суммарные сопротивления элементов СЭС до точки К.З.
При определении тока К.З. учитывают подпитку от двигателей высокого напряжения.
| |
Для расчета токов К.З. составляем расчетную схему и на её основе схему замещения. Расчет токов К.З. выполняется в относительных единицах.
Принципиальная схема для расчета токов КЗ. и схема замещения представлена на рисунке 8.
Расчеты будут производится в относительных единицах, приведенных к базисным условиям.
Базисные условия: Sб =1100 МВА, Uб1 =115 кВ, Uб2 =6,3 кВ, Xc =0,35 Ом, Ес =1.
Базисный ток определяем из выражения
кА. (147)
кА. (148)
7.1.1 Расчет токов короткого замыкания в точке К-1
Сопротивление воздушной линии, приведенное к базисным условиям
(149)
; (150)
Х0 -удельное реактивное сопротивление провода, Ом/км.
l-длина линии, км;
Uб - среднее напряжение;
Сопротивления системы до точки К-1
![]()
(151)
Начальное значение периодической составляющей тока в точке К-1:
кА. (152)
Принимаем значение ударного коэффициента kуд =1,8, тогда значение ударного тока
кА; (153)
где Куд ‑ ударный коэффициент тока К.З. 2.45 [2] по таблице, кА.
I”по(к-1) -начальное действующее значение периодической составляющей, кА.
7.1.2 Расчет токов короткого замыкания в точке К-2
Точка К-2 расположена на напряжении 6 кВ.
Сопротивление силового трансформатора на ППЭ:
Трансформатор типа ТРДН-40000/110 с расщепленной обмоткой Н.Н.
, (154)
, (155)
. (156)
К сопротивлениям до точки К-1 прибавляется сопротивление трансформатора.
(157)
Ток короткого замыкания от системы до точки К-2:
кА. (158)
В этой точке необходимо учитывать подпитку тока КЗ от синхронных двигателей РП1.
Определяется сопротивление подпитывающей цепочки.
Сопротивление кабельной линии от двигателей компрессорной до шин РУНН ПГВ:
F=960
; l=0,08 км; Х0
=0,11 Ом/км.; r0
=3,1
Сопротивление двигателей:
; (159)
где Х”d - сверхпереходное индуктивное сопротивление двигателя.
; (160)
; (161)
Ток короткого замыкания от системы до точки К-2:
кА (162)
Ударный ток КЗ:
кА (163)
7.1.3 Расчет токов короткого замыкания в точке К-3
Определим периодическую составляющую тока короткого замыкания в точке К-3.
Для проверки на термическую и динамическую стойкость выключателя на отходящих кабельных линиях от 1СШ ПГВ при К.З. необходимо знать величину тока подпитки от двигателей.
Сопротивление кабельной линии от шин РУНН ПГВ до РП1:
l=0,32 км; Х0 =0,071 Ом/км.; r0 =0,129
;
![]()
Ток короткого замыкания от системы до точки К-3:
кА.
Ударный ток К.З:
кА.
7.1.4 Расчет токов короткого замыкания в точке К-4
Для практических расчетов принято считать, что всё, находящееся выше шин ВН КТП есть система с бесконечной мощностью(Sс =¥; хс =0).
Расчет производится в именованных единицах для ТП-8 (ЦЕХ8)
Сопротивление трансформаторов ТП8 таблица 2.50 [2]:
Rт =9,4 мОм; Хт =27,2мОм;
Сопротивление трансформатора тока таблица 2.49 [2]:
Rтт =0,05 мОм; Хтт =0,07 мОм;
Сопротивление автоматического выключателя:
Rавт =0,41 мОм; Хавт =0,13 мОм;
Сопротивление контактов:
RK =0,01мОм - для контактных соединений шинопроводов,
RK =1 мОм – для контактных соединений коммутационных аппаратов.
Сопротивление шин:
Rш =0,033 мОм; Xш =0,015 мОм
Сопротивление дуги:
Rд =4мОм
Результирующее сопротивление схемы замещения до точки K-4:

мОм.
Ток короткого замыкания:
кА.
Ударный ток:
кА.
8. Выбор и проверка электрооборудования
Электрические аппараты, изоляторы и токоведущие устройства работают в трех основных режимах: в длительном режиме, в режиме перегрузки и в режиме короткого замыкания.
‑В длительном режиме надежная работа аппаратов и других устройств электрических установок обеспечивается ограничением значения и длительности повышения напряжения или тока в таких пределах, при которых ещё гарантируется нормальная работа электрических установок за счет запаса прочности.
‑В режиме короткого замыкания надежная работа аппаратов, изоляторов и токоведущих устройств обеспечивается соответствием выбранных параметров устройств по условиям термической и электродинамической стойкости. Для выключателей, предохранителей и выключателей нагрузки добавляется условие выбора по отключающей способности.
‑При выборе аппаратов и параметров токоведущих частей следует обяза-тельно учитывать род установки, температуру окружающей среды, влажность и загрязненность её и высоту установки аппаратов над уровнем моря.
8.1. Выбор оборудования 110 кВ
Максимальный рабочий ток:
IНР =132,2 A;
IПАР =264,5A
8.1.1 Выбор разъединителя УВН ППЭ
Разъединитель – это коммутационный аппарат, предназначенный для коммутации цепи без тока. Основное назначение разъединителя создание надежного видимого разрыва цепи для обеспечения безопасного проведения ремонтных работ на оборудовании и токоведущих частях электроустановок. Прежде чем оперировать разъединителем, цепь должна быть отключена выключателем. Во включенном положении разъединитель надежно, без каких-либо повреждений, выдерживает токи К.З.
Выбор разъединителя
· По напряжению установки Uуст ≤ Uном
· по току Iнорм ≤ Iном , Iмах ≤ Iном
· По электродинамической стойкости iу ≤ iпр, Iпо ≤ Iпр с
· По термической стойкости Вк ≤ I2 тер tтер
Намечаем разъединитель РН-110/630T1.
Определим тепловой импульс квадратичного тока КЗ:
с.
Вк - тепловой импульс:
![]()
Таблица 14.
| Расчетные Параметры |
Каталожные Данные |
Условия Выбора |
| Uуст. =110 кВ |
Uн =110 кВ |
Uуст ≤ Uн |
| Iраб.мах =264,5 А |
Iн =630А |
Iраб.мах ≤ Iн |
| iу =22,5кА |
Iпред. =80 |
iу ≤ Iпред. |
| Bk
=7,05 |
IT
/tt
=31,5 |
Bk
≤ |
Окончательно выбираем разъединитель РНД[ÊÀ1] -110/630T1.
8.1.2 Выбор вводных выключателей
Выключатель – это коммутационный аппарат, предназначенный для включения и отключения токоведущих элементов электроэнергетических систем в нормальных (отключение рабочего тока) и аварийных (отключение тока КЗ) режимах работы и тем самым для предотвращения развития аварий в электроэнергетических системах.
Выбираем выключатели по условиям:
· По напряжению установки Uуст ≤ Uном
· По длительному току Iнорм ≤ Iном , Iмах ≤ Iном
· По отключающей способности Iп t £ Iотк ном
· По электродинамической стойкости iу ≤ iдин, Iпо ≤ Iдин,
где iдин – ток электродинамической стойкости
Iдин, - действующее значение периодической составляющей предельного сквозного тока.
· По термической стойкости Вк ≤ I2 тер tтер
Намечаем выключатель ВМТ-110Б-20/1000УХЛ1
Расчетные и каталожные данные выключателя сводим в таблицу
| Условия выбора |
Расчетные данные |
Каталожные данные |
| Uуст ≤ Uном |
Uуст = 110 кВ |
Uном = 110 кВ |
| Iмах ≤ Iном |
Iмах = 264,5А |
Iном = 1000 |
| Iп t ≤ I отк ном |
Iп t = 8,4 кА |
I отк ном = 20 кА |
| iу ≤ iдин |
iу = 22,5 кА |
iдин = 52 кА |
| Вк ≤ I2 тер tтер |
Вк = 7,05кА2 с |
IT
/tt
=20 |
8.2 Выбор оборудования 6 кВ
8.2.1 Выбор ячеек РУНН ПГВ(6кВ)
Максимальный рабочий ток:
А.
РУНН ПГВ комплектуются из шкафов типа КРУ. Приняты к установке шкафы типа К-104, производится на примере вводной ячейки с выключателем ВЭ.
Выбор ячеек КРУ производится по тем же критериям, что и выбор силовых выключателей.
Таблица 15.
| Расчетные Параметры |
Каталожные Данные |
Условия Выбора |
| Uуст. =6кВ |
Uн =6кВ |
Uуст ≤Uн |
| Iраб.мах =1539А |
Iн =2000А |
Iраб.мах ≤ Iн |
| Iпо(к-2) = 16,71кА |
Iотк.. =40кА |
I”по(к-2) ≤ Iотк. |
| iуд. = 49,73кА |
iдин.мах =128кА |
iу ≤ iдин.мах. |
Выбор сборных шин не производится, т.к. они комплектуются вместе с ячейками.
8.2.2 Выбор выключателя ввода и межсекционного на ППЭ
Ячейки К-104 комплектуются выключателем типа ВЭ.
Намечаем выключатель ВЭЭ-6-40/2000Т3
Таблица 16.
| Расчетные Параметры |
Каталожные Данные |
Условия Выбора |
| Uуст. =6кВ |
Uн =6кВ |
Uуст ≤ Uн |
| Iраб.мах =1539А |
Iн =2000 |
Iраб.мах ≤ Iн |
| Iпо(к-2) = 18,34кА |
Iотк.. =40кА |
I”по(к-2) ≤ Iотк. |
| iу =31,8кА |
Iпред. =128кА |
iу ≤ Iпред. |
| Bk
=47,08 |
|
Bk
≤ |
Где ![]()
Окончательно принимаем выключатель марки ВЭЭ-6-40/2000Т3 так как он удовлетворяет условию выбора.
8.2.3 Выбор выключателя на отходящей линии
В качестве примера выбирается выключатель на отходящей линии то ПГВ до ТП6. Расчетный ток Iр =267,7 А.
Намечаем выключатель ВЭЭ-6-40/2000T3
Таблица 17.
| Расчетные Параметры |
Каталожные Данные |
Условия выбора |
| Uуст. =6кВ |
Uн =6кВ |
Uуст ≤ Uн |
| Iраб.мах =267,7А |
Iн =2000 |
Iраб.мах ≤Iн |
| I”по(к-2) =18,34кА |
Iотк.. =40кА |
I”по(к-2) ≤ Iотк. |
| iу =96,326кА |
Iпред. =128кА |
iу ≤ Iпред. |
| Bk
=47,08 |
|
Bk
≤ |
Где ![]()
Окончательно принимаем выключатель марки ВЭЭ-6-40/2000T3 так как он удовлетворяет условию выбора.
На отходящей от шин РУНН ППЭ кабельных линиях установлены выключатели марки ВЭЭ-6-40/2000T3.
8.3 Выбор автоматического выключателя на 0,4кВ
Для установки на РУ-0,4кВ в качестве вводного и секционного выключателей предусматривается выключатель типа “ Электрон“:
Максимальный рабочий ток потребляемый ТП-17:
А.
Намечаем автоматический выключатель Э25 с Iн =2500 А с полупроводниковым расцепителем.
Таблица 13.
| Расчетные Параметры |
Каталожные Данные |
Условия Выбора |
| Uуст. =0,4кВ |
Uн =0,4кВ |
Uуст ≤ Uн |
| Iраб.мах =2141А |
Iн =2500А |
Iраб.мах ≤ Iн |
| iу =11,5кА |
Iотк.. =60кА |
iу ≤ Iпред. |
| Iраб.мах =2141А |
Iрасц. =3125А |
Iраб.мах ≤ Iрасц |
| 1,25 Iпик =4014,37 |
Iрасц.к.з. =7500 |
1,25Iпик ≤ Iрасц.к.з. |
В зоне перегрузки установка срабатывания расцепителя:
I/Iн =1,25;
Iрасц.пер =1,25·Iн =1,25·2500=3125 А.
В зоне К.З. установка срабатывания расцепителя:
I/Iн =3;
Iрасц.К.З. =3·Iн =3·2500=7500 А.
Iпик =1,5·Iр.мах. =1,5·2141=3211 А.
Окончательно выбираем автоматический выключатель Э25.
8.4 Выбор измерительных трансформаторов
8.4.1 Выбор трансформатора тока на вводах 6 кВ ППЭ
Выбор трансформатора тока производится по номинальному току, номинальному напряжению нагрузке вторичной цепи. Предварительно принимается трансформатор тока ТШЛ-10У3:
Iн2 =5А; z2 =1,2 Ом; класс точности 0,5[6].
Определяется сечение проводов:
Расчетное сопротивление приборов:

где I2н ‑ ток вторичной цепи,А
| Наименование приборов |
Тип |
Количество |
Потребляемая мощность |
| Амперметр |
Э-337 |
1 |
0,5 |
| Ваттметр |
Д-335 |
1 |
0,5 |
| Варметр |
Д-335 |
1 |
0,5 |
| Счетчик активной энергии |
И-682 |
1 |
2,5 |
| Счетчик реактивной энергии |
И-683М |
2 |
2,5 |
| ИТОГО |
6 |
9 |
Определим расчетное сопротивление нагрузки:
r2 расч = rå приб + rпров + rконт
Ом.
rконт =0,1 Ом.- сопротивление контактов.[2]
Определим допустимое сопротивление проводов.
rпров =z2н -rприб -rконт =1,2-0,36-0,1=0,74 Ом.
Сечение провода:
мм2
,
где ρ = 0,028 Ом·мм2 /м – удельное сопротивление алюминия, lp =20м.
Принимаем стандартное сечение F=4 мм2 по условию механической прочности.
Ом.
Расчетное сопротивление нагрузки вторичной цепи
r2расч =0,36+0,1+0,14=0,6 Ом.
Таблица 17.
| Условия проверки |
Параметры ТТ |
Расчетный параметр |
| Uуст ≤ Uн Iр.н. ≤ Iн r2 расч ≤z2н. Вк
≤ |
10 кВ 2000 А 1,2 Ом 3679 |
6 кВ 1275 А 0.6Ом 887 |
Окончательно принимаем к установке трансформаторы тока марки: ТШЛ-10У3. Схема подключения приборов к трансформатору тока приведена на рисунке 10.
8.4.2 Выбор трансформаторов напряжения на РУ НН ППЭ
Трансформатор напряжения предназначен для питания цепей напряжения измерительных приборов и релейной защиты и автоматики.
Трансформатор напряжения выбирается:
По напряжению установки Uуст ≤ Uном
- По конструкции и схеме соединения обмоток
- По классу точности
- По вторичной нагрузке S2 S ≤ Sном где Sном – номинальная мощность в выбранном классе точности
S2 S – нагрузка всех измерительных приборов присоединенных к трансформатору
Расчетные счетчики активной электроэнергии на подстанции, принадлежащей потребителю, должны устанавливаться:
1). На вводе линии электропередачи в подстанцию потребителя при отсутствии электрической связи с другой подстанцией энергосистемы или другого потребителя на питающем напряжении;
2). На стороне высшего напряжения трансформаторов подстанции потребителя при наличии электрической связи с другой подстанцией энергосистемы или наличии другого потребителя на питающем напряжении.
Счетчики реактивной электроэнергии должны устанавливаться:
1). На тех же элементах схемы, на которых установлены счетчики активной электроэнергии для потребителей, рассчитывающихся за электроэнергию с учетом разрешенной к использованию реактивной мощности;
2). На присоединениях источников реактивной мощности потребителей, если по ним производится расчет за электроэнергию, выданную в сеть энергосистемы, или осуществляется контроль заданного режима работы.
Допустимые классы точности расчетных счетчиков активной электроэнергии для трансформаторов 25 МВА 1.0
Класс точности трансформаторов тока и напряжения для присоединения расчетных счетчиков электроэнергии должен быть не более 0.5.
Счетчики должны устанавливаться в шкафах, камерах комплектных распределительных устройств (КРУ, КРУН), на панелях, щитах, в нишах, на стенах, имеющих жесткую конструкцию.
На каждой полусекции шин предполагается установка трансформатора типа НАМИ-6-66У3.
Для выбора трансформатора напряжения необходимо рассчитать нагрузку вторичной цепи..
Таблица 18.
| Прибор |
Число |
Тип |
Мощность одной обмотки, ВА |
Число обмо-ток |
Общая потребляемая мощность |
| Вольтметр |
4 |
Э-350 |
3 |
1 |
12 |
| Ваттметр |
1 |
Д-335 |
1,5 |
2 |
3 |
| Частотомер |
1 |
Э-371 |
3 |
1 |
3 |
| Варметр |
1 |
Д-335 |
1,5 |
2 |
3 |
| Счетчик активной энергии |
8 |
И-672 |
9,6 |
2 |
153,6 |
| Счетчик реактивной энергии |
2 |
И-673 |
8 |
2 |
32 |
| Итого |
17 |
- |
- |
- |
206,6 |
Проверка трансформатора напряжения.
Таблица 19.
| Расчетные данные |
Каталожные данные |
Условия проверки |
| Uуст. =6кВ Sрасч. =206,6 ВА |
Uн =6кВ Sном. =630ВА |
Uуст. <Uн Sрасч. <Sном |
Окончательно принимаем к установке трансформаторы напряжения типа НАМИ-6-66У3.

Рис 10. Схема подключения измерительных приборов.
9. Релейная защита понижающего трансформатора ПГВ
Для трансформаторов с обмоткой высшего напряжения 3 кВ и выше должны быть предусмотрены устройства защиты от следующих видов повреждений и ненормальных режимов работы согласно [ ]:
многофазных замыканий в обмотках и на выводах;
однофазных замыканиях на землю в обмотке и на выводах;
присоединенных к сети с глухозаземленной нейтралью;
витковых замыканий в обмотках;
токов обусловленных перегрузкой;
понижения уровня масла;
однофазных заземлений на землю в сетях напряжением 3-10 кВ с изолированной нейтралью, если трансформатор питает сеть, в которой отключение однофазных замыканий на землю необходимо по требованиям безопасности.
Для трансформаторов напряжением свыше 3 кВ применяют следующие основные виды защит:
плавкими предохранителями и открытыми плавкими вставками;
Релейная защита следующих типов:
токовая отсечка без выдержки времени;
продольная дифференциальная;
газовая;
максимальная токовая с пуском или без пуска по напряжению;
максимальная токовая от токов, обусловленных перегрузкой;
специальная токовая нулевой последовательности от однофазных К.З. на землю сети НН, работающей с глухозаземленной нейтралью.
Защита от междуфазных К.З. в обмотках и на их выводах.
Для защиты трансформаторов от междуфазных К.З. в обмотках трансформаторов и на их выводах предусматривается продольная дифференциальная защита с циркулирующими токами, действующая на отключение без выдержки времени. В основном дифференциальная защита трансформаторов выполняется на реле серии РНТ и ДЗТ. Расчет защиты состоит в определении токов срабатывания защиты и реле, числа витков обмоток реле и коэффициента чувствительности.
Первичный ток срабатывания защиты с реле РНТ выбирают по условиям отстройки броска тока намагничивания при включении ненагруженного трансформатора под напряжение и максимального тока небаланса при переходных режимах внешних К.З. Как правило для современных понижающих трансформаторов с РПН при выборе тока срабатывания дифференциальной защиты с реле серии РНТ определяющим условием является отстройка от максимального тока небаланса при переходных режимах внешних К.З. Дифференциальная защита, ток срабатывания который выбран по условию отстройки от тока небаланса, зачастую оказывается грубой и малоэффективной.
Поэтому для защиты трансформатора напряжением 110 кВ и выше целесообразнее применять реле серии ДЗТ, которое благодаря наличию тормозной обмотки обеспечивает несрабатывание защиты от токов небаланса при внешних К.З [ ]. Первичный ток срабатывания защиты с реле ДЗТ определяют только по условию отстройки от броска тока намагничивания при включении ненагруженного трансформатора под напряжение.
Для расчета уставок Р.З. трансформатора необходимо определить максимальные и минимальные первичные токи, проходящие через трансформатор при К.З. между тремя фазами на шинах 10 кВ.
Сопротивление системы в ее максимальном режиме:
![]()
Сопротивление системы в ее минимальном режиме (сопротивление системы увеличивается на 30%):
![]()
Минимальное и максимальное сопротивление К.З. трансформатора согласно [ ]:
Uk.min =10,35%; Uk.max =11,02%
Напряжение соответствующие крайним ответвлениям РПН:
Umin.вн =96,6 кВ; Umax.вн = 126 кВ
Максимальное и минимальное сопротивление силового трансформатора ПГВ с учетом устройства РПН:
(164)
(165)
Схема замещения трансформатора с расщепленными обмотками имеет вид трехлучевой звезды. Сопротивление луча, обращенного к зажиму высшего напряжения, составляет:
Xвн =0,125·XТ ; (166)
Xвн1 =Хнн2 =1,75·ХТ ; (167)
XBH.MIN =0,125·24,15=3,02 Oм;
XHH1.MIN =XHH2.MIN =1,75·24,15=42,26 Ом;
ХТ.MIN = 3,02+42,26 =45,28 Ом;
XBH.MAX =0,125·43,74=5,467 Ом;
XHH1.MAX =XHH2.MAX =1,75·43,74=76,545 Ом;
XT.MAX =5,467+76,545=82,01 Ом
Сопротивление воздушной линии электропередачи:
(168)
Максимальный и минимальный первичные токи, проходящие через защищаемый трансформатор при К.З. между тремя фазами на шинах 6 кВ:
(169)
![]()
Расчет дифференциальной токовой защиты с реле типа РНТ – 565.
Первичные токи на сторонах защищаемого трансформатора, соответствующие его номинальной мощности:
Коэффициенты трансформации и схемы соединения трансформаторов тока:
n = 400/5 схема соединения – треугольник,
n = 1500/5 схема соединения – звезда
Вторичные токи в шинах защиты, соответствующие номинальной мощности защищаемого трансформатора:
(170)
![]()
![]()
Первичный расчетный ток небаланса без учета небаланса, обусловленного неточностью установки расчетного числа витков реле:
![]()
| |
, КН
= 1,3;
![]()
по условию отстройки от броска намагничивающегося тока:
, КН
= 1,3;
![]()
Расчетной для выбора тока срабатывания является отстройка от тока небаланса при внешних К.З.; ![]()
Произведем предварительную проверку чувствительности, расчетным при проверки по чувствительности является К.З между фазами на стороне 6 кВ в точке К-2 в минимальном режиме работы питающей системы и при максимальном режиме работы питающей системы и при максимальном сопротивлении защищаемого трансформатора:
(171)
Коэффициент чувствительности:
(172)
Коэффициент чувствительности больше требуемого ПУЭ в крайних случаях, поэтому расчет защиты с реле типа РНТ – 565 можно продолжить. Однако в рассматриваемых условиях желательно использовать реле типа ДЗТ – 11.
Расчет продольной дифференциальной защиты трансформатора с реле типа ДЗТ – 11.
Номинальный ток защищаемого трансформатора на стороне высокого напряжения:
![]()
Первичный ток срабатывания защиты по условию отстройки от броска тока намагничивания при включении трансформатора под напряжение:
![]()
Ток срабатывания реле, приведенного к стороне ВН:
![]()
Расчетное число витков обмотки реле, включаемых в плечо защиты со стороны ВН:
![]()
(173)
Принятое число витков обмотки реле, включаемых со стороны ВН:
; ![]()
Расчетное число витков обмотки реле, включаемых со стороны НН:
(174)
Принятое число витков обмотки реле, включаемых со стороны низкого напряжения: ![]()
Расчетное число витков тормозной обмотки по условию отстройки от тока небаланса при К.З. на стороне НН:
, (175)
- полная погрешность трансформатора тока
- тангенс угла наклона к горизонтальной оси касательной, проведенной из начала координат к тормозной характеристике реле, соответствующей минимальному торможению:
![]()
Принятое число витков тормозной обмотки:
![]()
![]()
Минимальное значение тока в реле при двухфазном К.З. на выводах НН:
на среднем ответвлении РПН
![]()
![]()
на крайнем ответвлении РПН
(176)
Минимальное значение коэффициента чувствительности защиты:
на среднем ответвлении РПН
, (177)
На крайнем ответвлении РПН
(178)
Расчет зашиты от перегрузки трансформатора.
На трансформаторах мощностью 400 кВА и более в зависимости от вероятности и значения возможной перегрузки следует предусматривать максимальную токовую защиту от токов, обусловленных перегрузкой, с действием на сигнал.
Для обмоточных трансформаторов с расщепленными обмотками и с соединением их параллельно защиту устанавливают на каждой расщепленной обмотке.
Ток срабатывания защиты от перегрузки:
(179)
где КН – коэффициент надежности КН = 1,05
КВ = 0,85 – коэффициент возврата.
(180)
Ток срабатывания реле:
(181)
Ток срабатывания максимальной токовой защиты без пуска по напряжению для РТ – 40:
, (182)
где КН - коэффициент надежности = 1,2,
КВ – коэффициент возврата реле = 0,8,
КС.З - коэффициент самозапуска нагрузки после отключения внешнего К.З.
![]()
![]()
Ток срабатывания реле и чувствительность максимальных токовых защит трансформаторов можно определить соответственно по выражениям:
, (183)
, (184)
где I(3) К.MIN – ток трех фазного К.З. в минимальном режиме работы питающей системы при К.З. в конце защищаемого участка.
- коэффициент, учитывающий расчетный вид и место К.З., схему соединений трансформаторов тока и реле
,
,
,
,
,
,
Напряжение срабатывания фильтра реле:
,
![]()
где UНОМ – номинальное междуфазное напряжение сети,
nн – коэффициент трансформации трансформатора напряжения, к которому подключены реле пускового органа.
Напряжение срабатывания реле минимального напряжения определяется на ВН:
,
,
,
![]()
где Uг – наименьшее значение междуфазного напряжения обратной последовательности в месте установки трансформатора напряжения, питающего фильтр – реле, при К.З. между двумя фазами расчетной точке,
UОСТ – наибольшее значение междуфазного напряжения в месте установки трансформатора напряжения при трехфазном К.З. в расчетной точке.
Напряжение срабатывания реле минимального напряжения на НН:
,
![]()
![]()
![]()
![]()
![]()
Газовая защита используется от всех повреждений внутри бака с масляным заполнением и понижения уровня масла. Это единственная в технике Р.З. защита, которая работает на неэлектронном принципе. Она реагирует на выделение газа.
Достоинством газовой защиты являются: высокая чувствительность, позволяющая защите реагировать на все опасные повреждения внутри бака; небольшое время срабатывания при больших скоростях потока масла; простота устройства.
Однако газовая защита не действует при повреждениях на выводах трансформатора. Поэтому газовая защита дополняется защитой от внутренних повреждений.
Максимальная токовая защита предназначена для отключения питающего элемента от сверхтоков при внешних К.З. Максимальная токовая защита является резервной по отношению к остальным защитам (дифференциальной и газовой) на случай их отказа при выводах из строя. Защита устанавливается со стороны источника питания с тем, чтобы включить всю зону действия и сам трансформатор.
Ток срабатывания МТЗ выбирается исходя из условия, что защита от К.З. не должна действовать при перегрузках, требующих быстрого отключения трансформатора.
10. Самозапуск электродвигателей
Самозапуск заключается в том, что при восстановлении электроснабжения после его кратковременного нарушения электродвигатели автоматически восстанавливают свой нормальный режим работы. Отличительные особенности самозапуска по сравнению с обычным пуском:
- одновременно пускается группа электродвигателей;
- в момент восстановления электроснабжения и начала самозапуска часть или все электродвигатели вращаются с некоторой скоростью;
- самозапуск обычно происходит под нагрузкой.
При кратковременном нарушении электроснабжения самозапуск допустим как для самих механизмов, так и для электродвигателей.
Если невозможно обеспечить самозапуск двигателей, то в первую очередь необходимо обеспечить самозапуск для ответвленных механизмов, отключение которых необходимо.
В цехе № 6 установлены 2х2000 СД. Из справочника выбираем двигатель СДН-2-16-74-6УЗ.
| РН , кВт |
SН , кВа |
UH , кВ |
η, % |
|
|
|
|
JПОТ , m·м2 |
| 2000 |
2300 |
6 |
96,6 |
7 |
1,2 |
1,8 |
1,7 |
1,9 |
cosφ = 0,86; n = 1000 об/мин
Электромеханическая постоянная времени механизма м двигателя определяется:
; (185)
где n0 – синхронное число оборотов в минуту.
РН – номинальная мощность двигателя.
сек.
Выбор определяется по формуле:
(186)
где tH - время нарушения электроснабжения.
mC – момент сопротивления механизма.
Цех питается от трансформатора ППЭ.
За базисную мощность принимаем мощность двигателя.
Индуктивное сопротивление источника питания:
![]()
Расчетная пусковая мощность, индуктивное сопротивление двигателя и напряжения при самозапуске в начале самозапуска К’ = 6
, (188)
; (189)
(190)
При скольжении 0,1; К’ = 3
,
![]()
![]()
![]()
Выходной момент при глухом подключении:
(191)
где
определенно по номограмме.
Входной момент при глухом подключении недостаточен для обеспечения самозапуска.
Проверим достаточность момента при разрядном сопротивлении.
Критическое скольжение:
; (192)
;
![]()
Так как это условие выполняется, двигатель дойдет до критического скольжения.
Избыточный момент:
В начале самозапуска
(193)
При скольжении 0,05:
(194)
Время самозапуска:
(195)
Дополнительный нагрев:
(196)
Из расчета видно, что самозапуск возможен как АО условию необходимого избыточного момента, так и по условию допустимого дополнительного нагрева.
11. Молниезащита и заземляющее устройство
Защита ПГВ от прямых ударов молнии производится с помощью стержневых молниеотводов. Защитное действие молниеотводов проявляется во время лидерной стадии грозового разряда, когда из всех возможных направлений определяется максимальными напряженностями электрического поля. При большой высоте лидера разряда такое направление устанавливается исключительно самим каналом разряда, и объекты, расположенные на земле при этом не влияют на направление развития разряда. Однако, начиная с некоторой высоты, называемой высотой ориентации молнии, начинает сказываться искажение поля различными звеньями наземных сооружений, и развитие лидера разряда происходит в направлении к наиболее возвышенным опорам ЛЭП, трубам, молниеотводам. При этом вероятность удара молнии в сооружение, расположенное около молниеотвода, резко снижается, и при некоторой высоте превышения молниеотвода над защищаемым сооружением ни один удар молнии эти сооружения поражать не будет.
Правильный выбор и расчет методов защиты зданий и сооружений от различных воздействий разряда молнии зависит от классификации защищаемого объекта. Все производственные здания и сооружения в зависимости от их назначения, должны иметь молниезащиту согласно инструкции по устройству молниезащиты зданий и сооружений.
Защита зданий и сооружений осуществляется отдельно стоящими молниеотводами установленными на защищаемом объекте. Пространство, защищенное от прямых ударов молнии, называется зоной защиты молниеотвода. Таким образом, защищенное сооружение должно полностью вписываться в границы зоны защиты.
Будем использовать четыре стержневых молниеотвода. Молниеотводы №1 и №2 установлены на порталах ОРУ – 100 кВ, молниеотводы №3 и №4 на здании ЗРУ.
Размеры подстанции () м2 . Подстанция 110/6 кВ.
- здание ЗРУ 7м;
- трансформаторы 6м;
- порталы 11м
Активная высота молниеотвода:
м (197)
Радиус зоны защиты одиночного молниеотвода rх на высоте hx :
; (198)
(199)
Высота 1 и 2 молниеотводов:
h =16,99 м,
a = 27,9 м,
bx = 2,41 м,
rx = 4,80 м
Высота 3 и 4 молниеотводов:
h =14,5м,
a = 31 м,
bx = 4,26 м,
rx = 7,33 м
Зона защиты на высоте hх = 11 м;
Зона защиты на высоте hх = 7 м;
Высота 1 и 2 молниеотводов: Высота 3 и 4 молниеотводов
h = 16,99 м, h = 14,5 м,
rx = 11,33 м rx = 8,09 м,
dB = 0,69 м
11.1 Расчет заземляющего устройства ПГВ 110/6 кВ
На высокой стороне подстанции (110кВ) требуемое сопротивление заземления: RЗ
0,5 Ом
Определяем необходимое сопротивление исскуственного заземлителя (Ru ):
(200)
где RЗ – рассчетное сопротивление заземляющего устройства,
RE – сопротивление естественного заземлителя
RОП = 10 Ом – сопротивление заземления одной опоры;
lПР =25 м – длина пролета;
STP = 50 мм2 – сечение троса;
nTP = 1 – число тросов на опоре;
nЦ = 2 - число цепей ЛЭП
Сопротивление системы «трос – опора» RE = 1,37 Ом
Ом
Выбор формы и размеров электродов.
Вертикальные электроды: пруток диаметром 14мм, длина 5м.
Для горизонтального: полоса 4x40
Составление предварительной схемы заземления.
Число вертикальных электродов nB =50
a = p/nB – расстояние между вертикальными электродами.
a = 2,64
Отношение a/l = 0,53
Определение коэффициента использования вертикального электрода:
KUB = f(n, a/l)=0,332
Определение расчетного удельного сопротивления грунта:
, (201)
где РИЗМ – измеренное значение удельного сопротивления грунта.
КС – коэффициент сезонности = 1,3
Р = 60 Ом·м – удельное сопротивление грунта.
Для принятого грунта значение удельного сопротивления для вертикального электрода РРАСЧ.В = 78 Ом·м
Для горизонтального электрода РРАСЧ.Г = 180 Ом·м
Определение сопротивления растеканию одного вертикального электрода:
(202)
где d-диаметр электрода, м;
Расчетное сопротивление вертикального электрода RВ = 17,3 Ом
Определения примерного числа вертикальных электродов:
(203)
Определение сопротивления растеканию одного горизонтального электрода:
(204)
где d-диаметр электрода, м;
RГ = 0,5 Ом
Уточнение коэффициента использования.
Оба коэффициента зависят от отношения a/l.
Среднее отношение расстояния между электродами a = 2,24
Отношение a/l = 0,45
KUB = 0,302
KUГ = 0,162
Уточнение числа вертикальных электродов.
Предыдущее число вертикальных электродов было nB = 59
Уточненное число вертикальных электродов nBу = 59,9
nB = 60
12. Организационные мероприятия, обеспечивающие безопасность работ на кабельных линиях электропередачи (КЛ)
На КЛ напряжением выше 1000 В по наряду должны производиться работы:
· Со снятием напряжения;
· Без снятия напряжения;
· Без снятия напряжения вдали от токоведущих частей, находящихся под напряжением, когда требуется установка временных ограждений;
· С применением в РУ механизмов и грузоподъемных машин.
Основные работы могут выполняться по распоряжению.
При работе на КЛ, на которых напряжение снято со всех токоведущих частей, в том числе с выводом ВЛ и КЛ, при условии, что заперт вход в соседние электроустановки (сборки и щиты напряжением до 1000 В могут оставаться под напряжением), допускается выдавать один наряд для одновременной работы на всех присоединениях.
Один наряд для одновременного или поочередного производства работ на различных рабочих местах одного или нескольких присоединений без оформления перевода с одного рабочего места на другое, с рассредоточением бригады по разным рабочим местам допускается выдавать в следующих случаях:
· При прокладке и перекладки силовых контрольных кабелей, испытания оборудования, проверке устройств защиты, блокировки, автоматики и т.п.
· При ремонте коммутационных аппаратов, когда их приводы находятся в другом помещении;
· При ремонте отдельного кабеля в туннеле, коллекторе, колодце, траншеи, котловане;
· При ремонте отдельного кабеля, выполняемом в двух котлованах или в ЗРУ и находящемся рядом котловане, когда расположение рабочих мест позволяет производителю работ (наблюдающему) осуществлять надзор за бригадой.
При производстве работы все рабочие места должны быть подготовлены до начала допуска. В случае рассредоточения бригады по разным рабочим местам допускается пребывание одного или нескольких членов бригады, имеющих группу по электробезопасности не ниже III, отдельно от производителя работ; членов бригады, которым предстоит находиться отдельно от производителя работ, последний должен привести на их рабочие места и проинструктировать в отношении безопасности работы.
Допускается выдавать оперативно – выездной бригаде один наряд для поочередного производства однотипных эксплуатационных работ на одном или нескольких присоединениях каждой подстанции.
К таким работам относится: протирка изоляции, подтягивание зажимов, отбор проб и доливка масла, переключение ответвлений трансформаторов, проверка устройств релейной защиты, автоматики, измерительных приборов, испытание повышенным напряжением от постороннего источника, проверка изоляторов измерительной штангой и т.п. Срок действия такого наряда – 1 сутки.
Допуск на каждую подстанцию и на каждое присоединение оформляется в наряде «ежедневный допуск к работе и её окончание». Работы на устройствах связи, расположенных в РУ, должны производиться по нарядам, выдаваемым персоналом, обслуживающим РУ. Этот персонал выполняет допуск.
12.1 Технические мероприятия, обеспечивающие безопасность работ, выполняемых со снятием напряжения
Для подготовки рабочего места при работах со снятием напряжения должны быть выполнены в указанном порядке следующие технические мероприятия:
· Произведены необходимые отключения и приняты меры, препятствующие подаче напряжения на место работы вследствие ошибочного или самопроизвольного включения коммутационной аппаратуры;
· На приводах ручного и на ключах дистанционного управления коммутационной аппаратурой вывешены запрещающие плакаты;
· Проверено отсутствие напряжения на токоведущих частях, которые должны быть заземлены для защиты людей от поражения электрическим током;
· Наложено заземление (включены заземляющие ножи, а там, где они отсутствуют, установлены переносные заземления);
· Вывешены предупреждающие и предписывающие плакаты, ограждены при необходимости рабочие места и оставшиеся под напряжением токоведущие части. В зависимости от местных условий токоведущие части ограждаются до или после наложения заземлений.
При оперативном обслуживании электроустановки двумя или более лицами в смену перечисленные в настоящем пункте мероприятия должны выполнять двое. При единоличном обслуживании их может выполнять одно лицо, кроме наложения переносных заземлений в электроустановках напряжение выше 1000В и производства переключений, проводимых на двух и более присоединениях в электроустановках напряжение выше 1000В, не имеющих действующих устройств блокировки разъединителей от неправильных действий.
Производство отключений.
На месте производства работ со снятием напряжения в электроустановках напряжением 1000В должны быть отключены:
· Токоведущие части, на которых будет производиться работа;
· Неогражденные токоведущие части, к которым возможно приближение людей, используемых ими ремонтной оснастки и инструмента, механизмов и грузоподъемных машин на расстоянии менее указанного в ПТБ.
Если указанные токоведущие части не могут быть отключены, то они должны быть ограждены.
В электроустановках напряжением выше 1000В с каждой стороны, откуда коммутационным аппаратом может быть подано напряжение на место работы, должен быть видимым разрыв, образованный отсоединением или снятием шин и проводов, отключением разъединителей, снятием предохранителей, а также отключением отделителей и выключателей нагрузки, за исключением тех, у которых автоматическое включение осуществляется пружинами, установленными на самих аппаратах.
Трансформаторы напряжения и силовые трансформаторы, связанные с выделенным для производства работ участком электроустановки, должны быть отключены также и со стороны напряжения до 1000В, чтобы исключить обратную трансформацию.
В электроустановках напряжением выше 1000В для предотвращения ошибочного или самопроизвольного включения коммутационных аппаратов, которыми может быть подано напряжение на место работы, должны быть:
· У разъединителей, отделителей, выключателей нагрузки ручные приводы в отключенном положении заперты на механический замок;
· У разъединителей, управляемых оперативной штангой, стационарные ограждения заперты на механический замок;
· У приводов перечисленных коммутационных аппаратов, имеющих дистанционное управление, отключены цепи силовые и оперативного тока, а у пневматических приводов, кроме того, на подводящем трубопроводе сжатого воздуха закрыт и заперт на механический замок клапан и выпущен сжатый воздух, при этом спускные пробки (клапаны) оставлены в открытом положении;
· У грузовых и пружинных приводов включающий груз или включающие пружины приведены в нерабочее положение.
Меры по предотвращению ошибочного включения коммутационных аппаратов КРУ и КРУН с выкатными тележками должны быть приняты в соответствии с требованиями.
В электроустановках напряжением 6-10кВ с однополюсными разъединителями для предотвращения их ошибочного включения разрешается надевать на ножи специальные резиновые колпаки.
В электроустановках напряжением до 1000В с токоведущих частей, на которых будут производиться работа, напряжение со всех сторон должно быть снято отключением коммутационный аппаратов с ручным приводом, а при наличии в схеме предохранителей – снятием последних.
При отсутствии в схеме предохранителей предотвращение ошибочного включения коммутационных аппаратов должно быть обеспечено такими мерами, как запирание рукояток или дверец шкафа, укрытие кнопок, установка между контактами изолирующих накладок и др. Допускается также снимать напряжение коммутационным аппаратам с дистанционным управлением при условии отсоединения проводов включающей катушки.
Если позволяют конструктивное исполнение аппаратов и характер работы, перечисленные выше меры могут быть заменены расшиновкой или отсоединением концов кабеля, проводов от коммутационного аппарата либо оборудования, на котором должна производиться работа.
Расшиновку или отсоединение концов кабеля, проводов может выполнять лицо с группой по электробезопасности не ниже III из ремонтного персонала под руководством допускающего. С ближайших к рабочему месту токоведущих частей, доступных для непреднамеренного прикосновения, необходимо либо снять напряжение, либо их оградить.
Отключенное положение коммутационных аппаратов напряжением до 1000В с недоступными для осмотра контактами (автоматы невыкатного типа, пакетные выключатели, рубильники в закрытом исполнении и т. п.) определяется проверкой отсутствия напряжения на их зажимах либо на отходящих шинах, проводах или на зажимах оборудования, включаемого этими коммутационными аппаратами.
Вывешивание плакатов, ограждение рабочего места.
Непосредственно после проведения необходимых отключений на приводах разъединителей, отделителей и выключателей нагрузки напряжением выше 1000В, на ключах и кнопках дистанционного управления, на коммутационной аппаратуре напряжением до 1000В (автоматы, рубильники, выключатели), отключенных при подготовке рабочего места, должны быть вывешены плакаты «Не включать. Работают люди», а отключенных для допуска к работе КЛ – плакаты «Не включать. Работа на линии».
У разъединителей, управляемых оперативной штангой, плакаты вывешиваются на ограждениях, а у разъединителей с полюсным приводом – на приводе каждого полюса.
У ячеек КРУ плакаты вывешиваются в соответствии с требованиями. На клапанах, закрывающих доступ воздуха в пневматические приводы разъединителей, вывешивается плакат «Не открывать. Работают люди». На присоединениях напряжением до 1000В, не имеющих автоматов, выключателей и рубильников, плакаты вывешиваются у снятых предохранителей, при установке которых может быть подано напряжение на место работы.
На приводах линейных или других разъединители, автоматов, рубильников, которыми отключены для производства работ ВЛ или КЛ, должен быть вывешен независимо от числа работающих бригад один плакат: «Не включать. Работа на линии». Этот плакат вывешивается и снимается только по указанию лица из оперативного персонала, которое дает распоряжение на подготовку рабочих мест, и ведет учет числа работающих на линиях бригад.
При одновременных работах на линии линейном разъединителе в той электроустановке, к которой принадлежит линейный разъединитель, плакаты «Не включать. Работа на линии» вывешиваются на приводах ближайших по схеме разъединителей, которыми может быть подано напряжение на линейный разъединитель.
Неотключенные токоведущие части, доступные для непреднамеренного прикосновения, должны быть на время работы ограждены. Для временного ограждения могут применяться щиты (ширмы), экраны и т. п., изготовленные из дерева или других изоляционных материалов.
Необходимость временных ограждений, их вид, способ установки определяются по местным условиям и характеру работы лицом, выполняющим подготовку рабочего места, и ответственным руководителем работ.
Установка ограждений производится с особой осторожностью в присутствии ответственного руководителя работ.
На временных ограждениях должны быть укреплены плакаты «Стой. Напряжение».
Допускается применение специальных передвижных ограждений – клеток, наклонных щитов и т. п., конструкция которых обеспечивает безопасность их установки, устойчивость и надежное закрепление.
В электроустановках напряжением до 15кВ в тех случаях, когда нельзя оградить токоведущие части щитами, допускается применение изолирующих накладок, помещаемых между отключенными и находящимися под напряжением токоведущими частями (например, между контактами отключенного рубильника, разъединителя). Эти изолирующие накладки могут касаться токоведущих частей, находящихся под напряжением.
Устанавливать и снимать накладки должны два лица с группой V и IV – в электроустановках напряжением выше 1000В, IV и III – в установках до 1000В (одно из них из оперативного, другое может быть из ремонтного персонала), пользуясь диэлектрическими перчатками и изолирующими штангами либо клещами с применением защитных очков.
После включения заземляющих ножей или установки переносных заземлений в закрытых электроустановках на сетчатых или сплошных ограждениях ячеек, соседних местом работ и расположенных напротив, должны быть вывешены плакаты «Стой. Напряжение».
Соседние ячейки и ячейки, расположенные на против места работы, не имеющих указанных ограждений, а также проходы, куда персоналу не следует входить, должны быть ограждены переносными щитами (ширмами) с такими же плакатами на них. Переносные щиты должны устанавливаться с таким расчетом, чтобы они не препятствовали выходу персонала из помещения в случае возникновения опасности.
В ОРУ при работах, проводимых с земли на оборудовании, установленном на фундаментах и отдельных конструкциях, рабочее место должно быть ограждено (с оставлением прохода) канатом или шнуром из растительных либо синтетических волокон с вывешенными на них плакатами «Стой. Напряжение», обращенными внутрь огражденного пространства.
Разрешается пользоваться для подвески каната конструкциями, не включенными в зону рабочего места, при условии, что они остаются вне огражденного пространства.
При снятии напряжения со всего ОРУ, за исключением линейных разъединителей, последние должны быть ограждены канатом с плакатами «Стой. Напряжение», с обращенными наружу огражденного пространства.
В ОРУ на участках конструкций, по которым можно пройти от рабочего места к соседним участкам, где есть напряжение, должны быть установлены хорошо видимые плакаты «Стой. Напряжение». Эти плакаты может устанавливать лицо с группой по электробезопасности не ниже III из оперативно-ремонтного или ремонтного персонала под руководством допускающего.
На конструкциях, соседних с той, по которой разрешается подниматься, внизу должен быть вывешен плакат «Не влезай. Убьет!».
На стационарных лестницах и конструкциях, по которым разрешено подниматься, должен быть вывешен плакат «Влезать здесь».
В электроустановках, кроме ВЛ, на всех подготовленных рабочих местах после наложения заземления и ограждения рабочего места должен быть вывешен плакат «Работать здесь».
Во время работы персоналу запрещается переставлять или убирать плакаты и установленные временные ограждения и проникать на территорию огражденных участков. Все плакаты вывешиваются и снимаются только по распоряжению оперативного персонала.
Проверка отсутствия напряжения.
Перед началом всех видов работ в электроустановках со снятием напряжения необходимо проверить отсутствие напряжения на участке работ. Проверка отсутствия напряжения на отключенной для производства работ части электроустановки, должна быть проведена допускающим после вывешивания запрещающих плакатов.
В электроустановках проверять отсутствие напряжения необходимо указателем напряжения заводского изготовления, исправность которого перед применением должна быть установлена посредством предназначенных для этой цели специальных приборов или приближением к токоведущим частям, расположенным поблизости и заведомо находящимся под напряжением.
В электроустановках выше 1000В пользоваться указателем напряжения необходимо в диэлектрических перчатках.
При отсутствии поблизости токоведущих частей, заведомо находящихся под напряжением, или иной возможности проверить исправность указателя напряжения на месте работы допускается предварительная его проверка в другой электроустановке.
Если проверенный таким путем указатель напряжения был уронен или подвергался ударам, то применять его без повторной проверки запрещается.
Проверка отсутствия напряжения у отключенного оборудования должна производиться на всех фазах, а у выключателя и разъединителя – на всех шести вводах, зажимах.
Если на месте работ имеется разрыв электрической цепи, то отсутствие напряжения проверяется на токоведущих частях с обеих сторон разрыва.
Постоянные ограждения снимаются или открываются непосредственно перед проверкой отсутствия напряжения.
В электроустановках напряжением 35кВ и выше для проверки отсутствия напряжения можно также пользоваться изолирующей штангой, прикасаясь ею несколько раз к токоведущим частям. Признаком отсутствия напряжения является отсутствие искрения и потрескивания.
В ОРУ напряжением до 220кВ проверять отсутствие напряжение указателем напряжения или штангой допускается только в сухую погоду. В сырую погоду отсутствие напряжения допускается проверять тщательным прослеживанием схемы в натуре. В этом случае отсутствие напряжения на отходящей линии подтверждается оперативным персоналом или диспетчером.
Если при проверке схемы будет замечено коронирование на ошиновке или оборудовании, свидетельствующие о наличии на них напряжения, или будут замечены искры между контактами линейного разъединителя при его отключении, свидетельствующие о наличии напряжения на линии, то схему нужно проверить повторно, а свои замечания о состоянии линии сообщить оперативному персоналу или диспетчеру.
Проверка отсутствия напряжения путем прослеживания схемы в натуре допускается в сырую погоду также у КТП и КРУН всех напряжений при отсутствии специального указателя, предназначенного для пользования им в любую погоду.
При прослеживании схемы в натуре отсутствие напряжения на вводах ВЛ и КЛ подтверждается персоналом, в чьем оперативном управлении находятся линии.
В электроустановках напряжением до 100В проверять отсутствие напряжения нужно как между фазами, так и между каждой фазой и заземленным корпусом оборудования или заземляющим (зануляющим) проводом. Допускается применять предварительно проверенный вольтметр. Пользоваться контрольными лампами запрещается.
Устройства, сигнализирующие об отключенном состоянии аппаратов, блокирующие устройства, постоянно включенные вольтметры и т. п., являются только вспомогательными средствами, на основании показаний или действия которых не допускается делать заключение об отсутствии напряжения.
Указание сигнализирующих устройств о наличии напряжения является безусловным признаком недопустимости приближения к данному оборудованию.
Проверять отсутствие напряжения в электроустановках подстанций и в РУ запрещается одному лице из оперативного или оперативно-ремонтного персонала с группой по электробезопасности не ниже IV в электроустановках напряжением выше 1000В и с группой не ниже III – в электроустановках до 1000В.
Заземление токоведущих частей. Общие требования.
Заземление токоведущих частей производится в целях защиты работающих от поражения электрическим током в случае ошибочной подачи напряжения на место работы.
Накладывать заземление на токоведущие части необходимо непосредственно после проверки отсутствия напряжения. Переносные заземления сначала нужно присоединить к земле, а затем после проверки отсутствия напряжения наложить на токоведущие части.
Снимать переносные заземления следует в обратной наложению последовательности: сначала снять их с токоведущих частей, а затем отсоединить от земли.
Операции по наложению и снятию переносных заземлений выполняются в диэлектрических перчатках с применением в электроустановках напряжением выше 1000 В изолирующей штаги. Закреплять зажимы наложенных переносных заземлений следует этой же штангой или непосредственно руками в диэлектрических перчатках.
Запрещается пользоваться для заземления проводниками, не предназначенными для этой цели, а также присоединять заземление посредством скрутки.
12.2 Ремонтные работы на кабельных линиях электропередачи
Земляные работы.
Перед рытьем траншей или котлованов для кабелей необходимо предварительно получить письменное разрешение на выполнение работ от предприятия, организации, цеха, на территории которых предстоит производить земляные работы, и указания о точном местонахождении имеющихся сооружений, газовых, водопроводных и прочих коммуникаций.
При производстве земляных работ вблизи этих сооружений и в охранной зоне коммуникаций необходимо выполнять условия работы, предписанные указаниями предприятиями – владельцами коммуникаций.
Не допускается производство раскопок земляными машинами на расстояние менее 1м и применение клина – молота и аналогичных ударных механизмов на расстояние менее 5 м от кабелей.
При выполнении земляных работ над кабелями применение отбойных молотков для рыхления грунта и землеройных машин для его выемки, а также ломов и кирок допускается только на глубину, при которой до кабелей остается слой грунта не менее 0,3 м.
Дальнейшая выемка грунта должна производиться лопатами.
Перед началом работы под надзором персонала, эксплуатирующего кабели, организацией, выполняющей земляные работы, должно быть произведено контрольное вскрытие грунта для уточнения расположения и глубина прокладки кабелей и установлено временно ограждение, определяющее границы работы землеройных механизмов.
В зимнее время к выемки грунта лопатами можно приступать только после его отогревания. При этом приближение источника тепла к кабелям допускается не ближе чем на 15 см.
При обнаружении во время производства земляных работ не отмеченных на планах и схемах кабелей, трубопроводов, подземных сооружений необходимо приостановить работы до выяснения характера обнаруженных сооружений или предметов и до получения соответствующего разрешения и поставить об этом в известность ответственного руководителя работ.
При появлении вредных газов работы должны быть немедленно прекращены, а рабочие удалены из опасных мест до выявления источника загазованности и его устранения. Дальнейшее производство земляных работ при возможности появления вредных газов допустимо лишь при наличии индикаторов для определения газов и обеспечения рабочих противогазами; рабочие до начала работы должны быть проинструктированы о способах борьбы с вредными газами.
При рытье траншей на слабом или влажном грунте, когда есть угроза обвала, их стены должны быть надежно укреплены.
В сыпучих грунтах работы можно вести без крепления, но с откосами, соответствующими углами естественного откоса грунта.
В грунтах естественной влажности при отсутствии грунтовых вод и расположенных поблизости подземных сооружений рытье котлованов и траншей с вертикальными стенками без крепления разрешается на глубину не более:
· 1м – в насыпных и гравелистых грунтах;
· 1,25м – в супесях;
· 1,5 м – в суглинках и глинах;
· 2м – в особо плотных и нескальных грунтах.
В плотных связанных грунтах траншеи с вертикальными стенками рыть роторными и траншейными экскаваторами без установки креплений допускается на глубину не более 3м. В этих случаях спуск рабочих в траншеи не разрешается. В местах траншеи, где необходимо пребывание рабочих, должны быть установлены крепления или выполнены откосы.
В зимнее время года разработка грунта (кроме сухого) на глубину промерзания допускается без креплений.
Наибольшая крутизна откосов котлованов и траншей, разрабатываемых без крепления на глубину, принимается в соответствии с данными в таблице 20.
Вертикальные стенки котлов и траншей глубиной до 3м крепятся в соответствии с требованиями, приведенными в таблице 21.
Крепление котлованов и траншей глубиной до 3м, как правило, должно быть инвентарным и выполняться по типовым проектам.
Дощатые крепления котлованов и траншей разбираются в направлении снизу вверх по мере обратной засыпке грунта.
Количество одновременно удаляемых досок крепления по высоте должно быть не более трех, а в сыпучих и неустойчивых грунтах - не более одной. По мере удаления досок распорки переставляются, при этом существующие распорки удаляются только после установки новых.
Таблица 20.
| Грунт |
Угол между направлением откоса и горизонталью, град. (до 1,5м) |
Отношение высоты откосом к его заложению (до 1,5м) |
Угол между направлением откоса и горизонталью, град. (1,5 – 3м) |
Отношение высоты откосом к его заложению (1,5 – 3м) |
| Насыпной естественной влажности Песчаный и гравийный влажный (ненасыщенный) Глинистый: Супесь Суглинок Глина Лессовидный сухой |
76 63 76 90 90 90 |
1:0,25 1:0,5 1:0,25 1:0 1:0 1:0 |
45 45 56 63 76 63 |
1:1 1:1 1:0,67 1:0,5 1:0,25 1:0,5 |
При рытье ям, траншей и котлованов строительные материалы и выбрасываемая из траншей и котлованов земля по возможности размещаются в пределах огражденного места или в стороне от него, но так, чтобы не мешать движению транспорта и пешеходов.
Место производство работ при рытье котлованов, траншей или ям ограждается с установкой предупреждающих надписей и знаков, а в ночное время на ограждении вывешивается сигнальное освещение.
Для пешеходов и проезда транспорта через траншеи перекидываются мостики.
Таблица 21.
| Грунтовые условия |
Глубина траншеи, м |
Щиты |
| Грунты связные естественной влажности при отсутствии или незначительном притоке грунтовых вод То же Грунты песчаные и разные повышенной влажности |
До 3 3-5 Независимо от глубины |
С просветами Сплошные Сплошные |
Примечание: При сильном притоке грунтовых вод и возможном выносе частиц грунта применяется шпунтовое ограждение.
Подвеска и укрепление кабелей и муфт.
Открытые муфты должны укрепляться на прочной доске, подвешенной с помощью проволоки или троса к перекинутым через траншею брусьям, и закрываться коробами. Одна из стенок короба должна быть съемной и закрепляться без применения гвоздей.
Запрещается использовать для подвешивания кабелей соседние кабели, трубопроводы и пр.
Кабели необходимо подвешивать таким образом, чтобы не происходило их смещение.
На короба, закрывающие откопанные кабели, надлежит вывешивать плакат «Стой. Напряжение».
Вскрытие муфт, разрезание кабеля.
Перед вскрытием муфт или разрезанием кабеля необходимо удостовериться в том, что эти операции будут производиться на том кабеле, на каком нужно, что этот кабель отключен и выполнены технические мероприятия, необходимые для допуска к работам на нем.
На рабочем месте подлежащий ремонту кабель следует определять:
· при прокладке кабеля в туннеле, коллекторе, канале, по стенам здания – прослеживанием, сверкой раскладки с чертежами и схемами, проверкой по биркам;
· при прокладке кабелей в земле – сверкой их расположения с чертежами прокладки. Для этой цели должна быть предварительно выполнена контрольная траншея (шурф) поперек пучка кабелей, позволяющая видеть все кабели.
В тех случаях, когда не уверенности в правильности определения подлежащего ремонту кабеля, применяется кабелеискательный аппарат с накладной рамкой.
На КЛ перед разрезанием кабеля или вскрытием соединительной муфты необходимо проверить отсутствие напряжения с помощью специального приспособления, состоящего из изолирующей штанги и стальной иглы или режущего наконечника. Приспособление должно обеспечить прокол или разрезание брони и оболочки до жил с замыканием их между собой и на землю. Кабель у места прокола предварительно прикрывается экраном. В туннелях, коллекторах и колодцах такое приспособление допускается применять только при наличии дистанционного управления.
Если в результате повреждений кабеля открыты все токоведущие жилы, отсутствие напряжения можно проверить непосредственно указателем напряжения без прокола.
Прокол кабеля выполняет ответственный руководитель работ или допускающий либо под его наблюдением производитель работ. Прокалывать кабель следует в диэлектрических перчатках и пользуясь защитными очками. Стоять при проколе нужно на изолирующем основании сверху траншеи как можно дальше от прокладываемого кабеля.
Для заземления прокалывающего приспособления используются специальный заземлитель, погруженный в почву на глубину не менее 0,5м, или броня кабеля. Заземляющий проводник присоединяется в броне посредством хомутов; бронелента под хомутом должна быть очищена.
Если бронелента подвергалась коррозии, допускается присоединение заземляющего проводника в металлической оболочке.
При работах на кабельной четырехжильной линии напряжением до 1000В нулевая жила отсоединяется с обоих концов.
Разогрев кабельной массы и заливка муфт.
Кабельная масса для заливки муфт разогревается в специальной металлической посуде с крышкой и носиком.
Запрещается разогревать невскрытые банки с кабельной массой.
При заливке кабельной массы следует надевать брезентовые рукавицы и защитные очки.
Разогревать и переносить ковш или котелок с припоем, а также сосуды с кабельной массой следует в брезентовых рукавицах и защитных очках. Рукава одежды завязываются у запястья по верх рукавиц или применяются рукавицы длиной до локтя. Запрещается передавать котелок или ковш с припоем либо сосуд с массой из рук в руки; при подаче необходимо ставить их на землю или на прочное основание.
Перемешивать расплавленную массу следует металлической мешалкой, а снимать нагары с поверхности расплавленного припоя – металлической ложкой. Мешалка и ложка перед применением подогреваются. Попадание влаги в горячую массу недопустимо.
В холодное время года соединительные и концевые муфты перед заливкой массой подогреваются.
Прокладка, перекладка кабелей и переноска муфт.
При перекатке барабана с кабелем необходимо принять меры против захвата поступающими его частями одежды рабочих. До начала перекатки закрепляют концы кабеля и удаляют торчащие из барабана гвозди. Барабан с кабелем допускается перекатывать только по горизонтальной поверхности по твердому грунту или прочному настилу.
Запрещается размещать кабели, пустые барабаны, механизмы, приспособления и инструмент непосредственно у бровки траншей.
Разматывать кабель с барабанов разрешается при наличии тормозного приспособления.
При ручной прокладке кабеля число рабочих должно быть таким, чтобы на каждого приходился участок кабеля не более 35кг для мужчин и 15кг для женщин. Работать следует в брезентовых рукавицах.
При прикладке кабеля рабочим не разрешается стоять внутри углов поворота, а также поддерживать кабель вручную на поворотах трассы. Для этой цели устанавливаются угловые ролики.
Для прогрева кабелей электрическим током не допускается применение напряжения выше 380В.
Перекладывать кабели и переносит муфты можно только после отключения кабеля.
Перекладывание кабелей, находящихся по напряжением, допускается в случае необходимости при выполнении следующих условий:
· перекладываемый кабель должен иметь температуру не ниже 5°С;
· муфты на перекладываемом участке кабеля должны быть жестко укреплены хомутами на досках;
· работать следует в диэлектрических перчатках; поверх перчаток для защиты от механических повреждений надеваются брезентовые рукавицы;
· работу должны выполнять рабочие, имеющие опыт прокладки кабелей, под руководством лица с группой по электробезопасности не ниже V, при перекладке кабелей напряжением до 1000В – с группой не ниже IV.
Работы в подземных сооружениях.
Осмотр колодцев и работы в них должны производить не менее чем два лица. При этом у открытого люка колодца устанавливается предупреждающий знак или делается ограждение. В колодце может находиться и работать одно лицо с группой по электробезопасности не ниже III. В этом случае около люка должно дежурить второе лицо.
Спуск в колодец и работа в нем без страховочного (монтерского) пояса и веревки, выведенной наружу, не допускается. Осмотр туннелей разрешается проводить одному лицу с группой не ниже IV.
В колодцах, коллекторах и туннелях, не имеющих приточно – вытяжной вентиляции, перед началом осмотра или работы проверяется отсутствие горючих или вредных для человека газов. Проверку должны проводить лица, обученные пользоваться приборами. Список этих лиц утверждается указанием по предприятию. Перечень колодцев и туннелей, в которых необходимо делать проверку отсутствия газов, составляется на предприятии.
При открывании колодцев (второй крышки) необходимо применять инструмент, не дающий искрообразования, а также избегать ударов крышки о горловину люка.
Проверка отсутствия газа с помощью открытого огня запрещается.
В случае проявления газа работа в колодцах, коллекторах и туннелях должна быть прекращена, рабочие выведены из опасной зоны впредь до выявления источника загазованности и его устранения.
Для вытеснения газов в колодце нагнетается воздух от установленного снаружи вентилятора или компрессора посредством рукава, спускаемого в колодец и не достигающего дна на 0,25 м. Запрещается применять для вентиляции баллоны со сжатыми газами.
Перед началом работы в коллекторах и туннелях, оборудованных приточно – вытяжной вентиляцией, последняя приводиться в действие на срок, определяемый местными условиями. Отсутствие газа в этом случае можно не проверять.
При работах в коллекторах и туннелях должны быть открыты две двери, чтобы рабочие находились между ними.
При работах в колодцах разжигать паяльные лампы, устанавливать баллоны с пропан – бутаном, разогревать мастику и припой можно только вне колодца. Опускать в колодец расплавленный припой и разогретую мастику следует в специальных ковшах и закрытых сосудах, подвешенных с помощью карабина к металлическому тросику.
В коллекторах, туннелях, кабельных полуэтажах и прочих помещениях, в которых проложены кабели, при работе с использованием пропан-бутана суммарная вместимость находящихся в помещении баллонов не должна превышать 5л.
При работах должны применяться щитки из огнеупорного материала, ограничивающие распространение пламени, и должна быть на готове асбестовая ткань для тушения пожара.
После окончания работ баллоны с газом должны быть удалены, а помещение провентилировано.
При прожигании кабелей находиться в колодцах запрещается, а в туннелях и коллекторах допускается только на участках между двумя открытыми входами. Работать на кабелях во время их прожигания запрещается. Во избежание пожара после прожигания кабели необходимо осмотреть.
При длительных работах в колодцах, коллекторах и туннелях время пребывания в них определяет ответственный руководитель работ или лицо, выдающее наряд, в зависимости от условий выполнения работ.
Перед допуском к работам и проведению осмотра в туннелях защита от пожара в них переводится с автоматического действия на дистанционное управление с вывешиванием на ключе управления плаката «Не включать. Работают люди».
Курить в колодцах, коллекторах и туннелях, а также вблизи открытых люков запрещается.
Для освещения рабочих мест в колодцах и туннелях применяются светильники напряжением 12В или аккумуляторные фонари во взрывозащитном исполнении.
Заключение
В результате дипломного проектирования была разработана система электроснабжения машиностроительного завода. При разработке были учтены особенности технологического процесса. На основе расчетных нагрузок завода была построена картограмма электрических нагрузок и определен ЦЭН. С учетом ЦЭН было выбрано место расположения ПГВ. В ходе разработки системы питания завода было проведено технико-экономическое сравнение устройства высшего напряжения (УВН). В результате принята схема блока «линия-трансформатор» с выключателем.
При разработки системы распределения электроэнергии было проведено технико-экономическое сравнение рационального напряжения завода. В результате принято рациональное напряжение 6 кВ, были выбраны число и мощности цеховых ТП, способ канализации электроэнергии и сечения кабелей, токопровод питающий РП.
На основе расчетов токов КЗ были выбраны электрические аппараты, токоведущие части.
Произведен расчет молниезащиты и заземления ПГВ, самозапуск синхронного ЭД.
При проектировании были рассмотрены организационно-технические мероприятия, обеспечивающие безопасность работы на коммутационных аппаратах с автоматическими приводами и дистанционным управлением.
Список использованной литературы
1. Аракелов В.Е. Комплексная оптимизация энергоустановок промышленных предприятий. – М.: Энергоатомиздат, 1984. – 326с.
2. ГОСТ 14209-85. Трансформаторы силовые масляные общего назначения. Допустимые нагрузки. – М.: Госкомитет по стандартам, 1987. – 30с.
3. ГОСТ 27514-87. Короткие замыкания в электроустановках. Методы расчета в электроустановках переменного тока напряжением свыше 1 кВ. – М.: Госкомитет по стандартам, 1988. – 40с.
4. ГОСТ Р 50270-92. Короткие замыкания в электроустановках. Методы расчета в электроустановках переменного тока напряжением до 1 кВ. – М.: Госстандарт России, 1993. – 60с.
5. Любушин Н.П., Лещева В.Б., Дьякова В.Г. Анализ финансово-экономической деятельности предприятия: Учеб. пособие для вузов / Под ред. проф. Н.П. Любушина. – М.: ЮНИТИ-ДАНА, 1999. – 471с.
6. Неклепаев Б.Н., Крючков И.П. Электрическая часть электростанций и подстанций: Справочные материалы для курсового и дипломного проектирования: Учеб. пособие для вузов. – 4-е изд., перераб. и доп. – М.: Энергоатомиздат, 1989. – 608с.
7. Об оптимизации систем промышленного электроснабжения. Поликарпов Е.А. // Промышленная энергетика. 2001. N 8.
8. Пособие к курсовому и дипломному проектированию для электроэнергетических специальностей вузов: Учеб. пособие для студентов электроэнергет. спец. вузов, 2-е изд., перераб. и доп./ В.М. Блок, Г.К. Обушев, Л.Б. Паперно и др.; Под ред. В.М. Блок. – М.: Высш. шк., 1990. – 383с.
9. Правила устройства электроустановок. Шестое издание, с изменениями, исправлениями и дополнениями, принятыми Главгосэнергонадзором РФ в период с 01.01.92. по 01.12.99. СПб., ООО «Издательство ДЕАН», 1999. – 925с.
10. Расчет электрических нагрузок, выбор главных схем и оборудования промышленных предприятий: Учеб. пособие / В.К. Грунин, С.Г. Диев, В.В. Карпов, В.Ф. Небускин, В.К. Федоров, А.В. Щекочихин; Под общ. ред. В.К.Грунина. Омск: Изд-во ОмГТУ, 2001. – 104с.
11. Рекомендации по проектированию и эксплуатации систем электроснабжения новых, расширяемых и реконструируемых нефтеперерабатывающих и нефтехимических предприятий. Под ред. В.И. Старостина. – 2-е изд. – М.: Миннефтехимпром СССР,1983. – 140с.
12. Руководящий технический материал. Указания по расчету электрических нагрузок. РТМ 36.18.32.4-92. – М.: ВНИПИ Тяжпромэлектропроект, 1992. – 26с.
13. Сергеев А.А. Экономические основы бизнес планирования: Учеб. пособие для вузов. – М.: ЮНИТИ-ДАНА,1999. – 303с.
14. СниП IV-16-84. Правила определения сметной стоимости строительства. – М.: Госкомитет по стандартам, 1984.
15. Справочная книга для проектирования электрического освещения. Под ред. Г.М. Кнорринга. – Л., «Энергия», 1976. – 384с.
16. Справочная книга по светотехнике/Под ред. Ю.Б. Айзенберга. – М.: Энер-гоатомиздат, 1983. – 472с.
17. Справочник по проектированию электроснабжения / Под ред. Ю.Г. Барыбина и др. – М.: Энергоатомиздат, 1990. – 576с. – (Электроуста-новки промышленных предприятий / Под общ. Ред. Ю.Н. Тищенко и др.)
18. Справочник по проектированию электроэнергетических систем/ В.В.Ершевич, А.Н. Зейлигер, Г.А. Илларионов и др.; Под ред. С.С. Рокотяна и И.М. Шапиро. – 3-е изд., перераб. и доп. – М.: Энерго-атомиздат, 1985. – 352с.
19. Справочник по электроснабжению и электрооборудованию: В 2 т. Т.1. Электроснабжение / Под общ. Ред. А.А. Федорова. – М.: Энергоатомиздат, 1986. – 568с.
20. Справочник по электроснабжению и электрооборудованию: В 2 т. Т.2. Электрооборудование / Под общ. Ред. А.А. Федорова. – М.: Энергоатом-издат, 1987. – 592с.
21. Федоров А.А., Каменева В.В. Основы электроснабжения промышленных предприятий: Учебник для вузов. – 4-е изд., перераб. и доп. – М.: Энерго-атомиздат, 1984. – 472с.
22. Федоров А.А., Старкова Л.Е. Учебное пособие для курсового и дипломного проектирования по электроснабжению промышленных предприятий: Учеб. пособие для вузов. - М.: Энергоатомиздат, 1987. – 368с.
23. Экономика предприятия: Учебник /Под ред. проф. О.И. Волкова. – 2-е изд., перераб. и доп. – М.: ИНФРА-М, 1999. – 520с.
24. Электрические системы, т.2. Электрические сети. Под ред. В.А. Веникова. Учеб. пособие для электроэнерг. Вузов. М., Высш. шк., 1971. – 440с.
[ÊÀ1] Утиль


