| Скачать .docx |
Реферат: Расчет технических характеристик светодиодного модуля для использования освещения садавого участ
ФЕДЕРАЛЬНОЕ АГЕНТСТВО ПО ОБРАЗОВАНИЮ
Государственное образовательное учреждение высшего профессионального образования
ЧИТИНСКИЙ ГОСУДАРСТВЕННЫЙ УНИВЕРСИТЕТ
(ЧитГУ)
Институт технологических и транспортных систем
(ИТиТС)
Заочный факультет
Кафедра физики и техники связи
(ФиТС)
РАСЧЕТ ТЕХНИЧЕСКИХ ХАРАКТЕРИСТИК
СВЕТОДИОДНОГО МОДУЛЯ ДЛЯ ИСПОЛЬЗОВАНИЯ
ОСВЕЩЕНИЯ САДОВОГО УЧАСТКА
Курсовой проект
по дисциплине: «Оптоэлектронные и квантовые
приборы и устройства»
Выполнил: ст. гр. ТКз-05
Антипов Э.П.
Проверил: доцент
кафедры ФиТС
Цыпылов Ю.А.
Чита 2010
Содержание
Введение………………………………………………………………………….3
1 Теоретическая часть………………………….…………..……………..4
2 Основные характеристики и параметры светодиодов……………….7
3 Расчет и проектирование ……………………………………………...8
4 Практическая часть……………………….…………....……………...21
5 Принципиальная схема……………………………………………….26
Заключение………………………………………………….…..……...………28
Список использованных источников…………...………………………….....29
Введение
С момента изобретения электричества, остро стоит проблема его экономии. Экономия электрической энергии ежегодно позволяет значительно снизить расходы в любом масштабе, будь то отдельная квартира, предприятие, или даже государство.
Отдельно стоит проблема снижения энергопотребления в устройствах мобильных, не привязанных в электрической сети, и питающихся от автономного источника питания. Запас энергии в таком источнике питания далеко не бесконечен, и снижение нагрузки, позволяет продлить время автономной работы, тем самым расширить сферу применения прибора.
Наиболее перспективными источниками излучения для оптоэлектроники являются светодиоды. Такими их делают малые габариты и масса (излучающие площади 0,2...0,1 мм 52 0 и менее), большой срок службы, измеряемый годами и даже десятками лет (10 54 0...10 55 0 ч), высокое быстродействие, не уступающее интегральным схемам (10 5-9 0...10 5-5 0 с), низкие рабочие напряжения (1,6...2,5 В), малая потребляемая мощность (20...600 мВт), возможность получения излучения заданного спектрального состава (от синего до красного в видимой части спектра и ближнего инфракрасного излучения). Они используются в качестве источника излучения для управления фотоприёмниками в оптронах, для представления цифро-буквенной информации в калькуляторах и дисплеях, для ввода информации в компьютерах и пр.
1 Теоретическая часть
Светодиод представляет собой гомо- или гетеро-pn-переход, прохождение тока через который в прямом направлении сопровождается генерацией в полупроводнике излучения. Излучение является следствием инжекционной люминесценции - рекомбинации инжектированных через pn-переход эмиттером неосновных носителей тока (электронов) с основными носителями тока в базе (дырками) (люминесценция - испускание света веществом, не требующее для этого нагрева вещества; инжекционная э электролюминесценция означает, что люминесценция стимулирована электрическим током).
Электролюминесценция может быть вызвана также сильным электрическим полем, как в случае электролюминесцентных конденсаторов с диэлектриком из порошка сернистого цинка (предпробойная электролюминесценция Дестрио).
Светодиоды для видимого и ближнего инфракрасного излучения изготавливаются главным образом из монокристаллов материалов типа A 5III 0B 5V 0: фосфида галия, арсенида галия и более сложных соединений: GaAs 41-x 0P 4x 0 , Ga 41-x 0Al 4x 0As , где x - доля содержания того или другого элемента в соединении.
Для получения требуемого цвета свечения материалы сильно легируются соответствующими примесями или их состав сильно варьируется. Так, для получения красного излучения фосфид галия легируется цинком и кислородом, для получения зелёного - азотом.
Если в GaAs 41-x 0P 4x 0 x=0,39 , то светодиод излучает красный свет с 7l 0=660 нм, если x=0,5...0,75, то янтарный с 7 l 0=610 нм.
Из простого соотношения, связывающего длину волны излучения с шириной запрещённой зоны полупроводника, 7 l 0[нм] = 1234/ 7e 0 [эВ] следует, что видимое излучение с 7 l, 0720 нм можно получить лишь от широкозонных полупроводников с шириной запрещённой зоны 7 e. 01,72 эВ. У арсенида галия при комнатной температуре 7 e 0=1,38 эВ. Поэтому светодиоды из арсенида галия излучают невидимое, инфракрасное излучение с 7l 0=900 нм. У фосфида галия 7e 0=2,19 эВ. Он может уже излучать видимый свет с длиной волны 7 l. 0565 нм, что соответствует желто-зелёному свечению. Как преобразователь электрической энергии в световую, светодиод характеризуется внешней эффективностью (или к.п.д.).
Эффективность светодиодов невелика 7 h, 00,1 (10%). В большинстве случаев она не превышает 0,5...5%. Это обусловлено тем, что свет трудно вывести из полупроводника наружу. При высоком значении коэффициентов преломления используемых проводников (для арсенида галия n=3,3 для воздуха - 1) значительная часть рекобинационного излучения отражается от границы раздела полупроводник-воздух, возвращается в полупроводник и поглощается в нём, превращаясь в тепло. Поэтому сравнительно невелики средние яркости светодиодов и их выходные мощности: L 4ф 0=10...10 53 0 кд/м 52 0, I 4ф 0=10 5-1 0...10 52 0 мкд, P 4ф 0=10 5-1 0...10 52 0 МВт. По этим параметрам они уступают лампочкам накаливания, по остальным - превосходят их.
Светодиод - миниатюрный твердотельный источник света. У него отсутствует отпаянная колба как у лампы накаливания. У него нет нити накала, а значит отсутствует время разогрева и микрофонный эффект. Он более стоек к механическим ударам и вибрациям.
Излучение светодиода весьма близко к монохроматическому в пределах 7 Dl 0=40...100 нм. Это снижает фоновые шумы источника по сравнению со случаем применения фильтров для монохроматизации излучения немонохроматического источника.
1.1. Конструкция светодиодов.
В излучателе плоской конструкции излучающий переход выполнен или диффузией, или эпитаксией. Штриховыми линиями показаны лучи, которые из-за полного внутреннего отражения от границы раздела не выходят из кристалла. Из кристалла выходят только те лучи, которые с нормалью составляют угол 7Q, 0arcsin n 41 0/n 42 0. Для арсенида галия и фосфида галия - это конус с углом у вершины не более 35 5o 0. Такая конструкция является самой дешёвой и простой. Однако она наименее эффективна, ей соответствует узкая диаграмма направленности излучения .
Геометрические размеры полусферической конструкции светодиода таковы, что R 7. 0r 77 0(n 42 0/n 41 0). В этом случае всё излучение попадает на границу раздела под углом, совпадающим с нормалью, и полностью выходит наружу. Эффективность полусферической конструкции - самая высокая. Она примерно в десять раз превышает эффективность плоской конструкции. Однако она намного дороже и сложнее в изготовлении.
Плоский кристалл светодиода может быть покрыт каплей эпоксидной смолы, выполняющей роль линзы. Смола имеет коэффициент преломления промежуточный между воздухом и кристаллом.
Это позволяет несколько увеличить светящуюся поверхность диода.
В последнем случае смола подкрашивается под цвет излучения светодиода. Большинство сигнальных и отображающих светодиодов выполняется такой конструкции.
Светодиоды могут изготавливаться и бескорпусными. Тогда их размеры определяются размерами кристалла (0,4 7& 00,4 мм 52 0).
1.2 Основные характеристики и параметры светодиодов
Параметры светодиодов
Сила света l V — излучаемый диодом световой поток, приходящий на единицу телесного угла в направлении, перпендикулярном к плоскости излучающего кристалла. Указывается при заданном значении прямого тока и измеряется в канделах (кд).
Яркость излучения L — величина, равная отношению силы света к площади светящейся поверхности. Она измеряется в канделах на квадратный метр (кд/м2 ) при заданном значении прямого тока через диод.
Постоянное прямое напряжение U — значение напряжения на СИД при протекании постоянного прямого тока.
Максимально допустимый постоянный прямой ток 1^пю — максимальное значение постоянного прямого тока, при котором обеспечивается заданная надежность при длительной работе диода.
Максимально допустимое обратное напряжение £/0 бртах — максимальное значение постоянного напряжения, приложенного к диоду, при котором обеспечивается заданная надежность при длительной работе.
Максимально допустимое обратное импульсное напряжение (/„бримп — максимальное пиковое значение обратного напряжения на светодиоде, включая как однократные выбросы, так и периодически повторяющиеся.
Максимальное спектральное распределение Хтт — длина волны излучения, соответствующая максимуму спектральной характеристики излучения СИД.
2 РАСЧЕТ И ПРОЕКТИРОВАНИЕ
2.1 Основные параметры светодиода
Uгас. – напряжение гасящее;
Uпит. – напряжение питания;
Uсв. – напряжение светодиода;
Iсв. – ток светодиода ;
Rсв. – нагрузочный резистор светодиода;
Есв. – эффективность светодиода;
F – световой поток;
Р – мощность;
Ω – телесный угол;
α – угол наблюдения;
I – сила света.
2.2 Расчет светодиода
Исходные данные:
Ток светодиода – 20 mA;
напряжение сети – 9 В;
напряжение светодиода – 3,6 В;
угол наблюдения – 15°;
сила света – 6,4 кд
2.3 Расчет эффективности светодиода
Эффективность E светодиодов (далее СИД) определяется отношением светового потока F, производимого СИД к «закачанной» в него мощности P. Это общая эффективность, включающая в себя энергетическую эффективность самого СИД, зависящую от физики работы, материала и конструкции СИД и световую эффективность зрения для спектра излучения данного СИД. Общая эффективность измеряется в люменах (лм) на ватт (Вт):
E=F/P, лм/Вт (2.1)
Но, так как производители указывают, как правило, в качестве основного светотехнического параметра СИД силу света I, измеряемую в канделах, то нужно пересчитать канделы в люмены. Сила света определяет пространственную плотность (интенсивность) светового потока (luminous intensity):
I=F/Ω, лм/ср (2.2)
где Ω – телесный угол, измеряемый в стерадианах (ср).
2.4 Расчет телесного угла
Для того чтобы ознакомиться с понятием телесного угла, придется совершить краткий экскурс в стереометрию. Площадь поверхности шара радиусом R составляет 4πR2 . Если выделить на поверхности шара область площадью R2 , то мы получим конус с пространственным углом как раз в один стерадиан. Запомним, что полная площадь поверхности шара составляет 4π стерадиан. Полезно знать, что телесный угол Ω связан с плоским углом α соотношением:
Ω=2π(1-cosα/2), ср (2.3)
Тогда α(1ср)=65°32', α(πср)=120°, α(2πср)=180°, α(4πср)=360°. Угол α это и есть угол, приводимый изготовителями панели как угол наблюдения или угол излучения (viewing angle или radiation angle), определяемый по спаду силы света на 50%.
2.5 Примерный расчет эффективности
Теперь, зная приводимый изготовителями угол наблюдения, можно приблизительно определить световой поток СИД: F=IΩ.
Для примера возьмем белый светодиод NSPL500S (Nichia) с углом наблюдения α1=15°. Тогда телесный угол, рассчитанный по формуле (2.3):
Ω=2π(1-cosα/2)=2*3,14(1-cos15/2)=0.0538
Сила света этого СИД 6.4 кд. Значит световой поток, рассчитанный по (2.2) составит:
I=F/Ω, →F=I Ω= 6.4*0,0538=,0344лм.
F1=0.344 лм.
Прямое падение напряжения на СИД составляет 3.6 В при токе 20 mА. Следовательно, «закачиваемая» в СИД мощность составит:
P=U*I=3.6B*20mA=0.072Вт
а эффективность, в соответствии с (2.1) составит:
E1= F/P =0.344лм /0.072Вт=4.78 лм/Вт.
2.6 Уточненный расчет эффективности
Более точно телесный угол можно определить по диаграмме излучения, обычно приводимой изготовителями в полярных или декартовых координатах. Для СИД NSPL500S диаграмма выглядит так:

Рисунок 2.1 Диаграмма излучения
Когда мы рассчитываем телесный угол по углу наблюдения, то предполагаем, что излучение сосредоточено в прямоугольнике шириной 15 градусов, высотой единица и площадью S1=15 условных единиц (прямоугольник с зеленой штриховкой). Но если рассчитать площадь под кривой диаграммы направленности (сосчитать интеграл), то она составит S2=17.5 условных единиц (на графике показан равный по площади прямоугольник с красной штриховкой). Это эффективный угол наблюдения. Следовательно, для более точного расчета нужно использовать угол α2=17.5°. Тогда:
Ω=2π(1-cosα/2)=2*3,14(1-cos17,5/2)=0.0731;
I=F/Ω, →F=I Ω= 6.4.*0,0731=0,47лм;
E2= F/P =0.47лм /0.072Вт=6.5 лм/Вт.
Ω2=0.0731, F2=0.47 лм, E2=6.5 лм/вт.
2.7 Расчет составляющих эффективности
Общая эффективность светоизлучающего прибора Е определяется двумя составляющими: энергетической эффективностью прибора Ee и световой эффективностью Ev.
Первая составляющая. Энергетическая эффективность Ее - это отношение выходной оптической к входной электрической мощности. В англоязычной литературе для энергетической эффективности принято сокращение WPE (Wall-Plug-Efficiency). На рисунке показаны энергетические потери в светодиоде.

Рисунок 2.2 Схема энергетических потерь в светодиоде.
Вторая составляющая - это световая эффективность Ev. Слово «свет» предполагает наблюдателя – человека. Спектр зрения человека ограничен диапазоном длин волн от 380 до 780 нм. Вне пределов этого диапазона слово «свет» неприменимо (хотя и употребляется, например инфракрасный или ультрафиолетовый свет вместо излучение). Мало того, чувствительность зрения к различным длинам волн различна и определяется т.н. кривой видности V(λ).
Светодиод излучает не на одной длине волны, а в некотором промежутке длин волн. Интенсивность распределения оптической мощности в пределах этого промежутка описывается кривой, называемой энергетическим (или оптическим) спектром излучения Fe(λ). Оптическая мощность определяется площадью под кривой спектра и измеряется в ваттах. Для расчета световой мощности нужно перейти от энергетических величин (ватт) к световым (люменам), для чего необходимо перемножить энергетический спектр Fe(λ) на кривую видности – V(λ) (для выполнения данной операции используем приложение MicrosoftOffice – Excel ):

Рисунок 2.3 Графический расчет световой мощности
Тогда световая эффективность определится как отношение световой мощности к оптической:
Ev=Fv/Fe (2.5)
где Fe, Fv - интегралы функций Fe(λ), Fv(λ).
Максимальное значение световой эффективности приходится на длину волны 555 нм и составляет 683 лм/вт.
Теперь, зная энергетическую и световую эффективность, можно определить общую эффективность:
E=Ee*Ev (2.6)
На рисунке 2.4 показана структурные составляющие эффективности светодиода:

Рисунок 2.4 Структурные составляющие эффективности светодиода.
Вернемся к примеру со светодиодом NSPL500S. Рассчитанная вышеуказанным способом световая эффективность этого светодиода составляет 320 лм/вт. Ранее рассчитанная общая эффективность составляет E=6.5 лм/вт. Тогда энергетическая эффективность, или КПД светодиода составит Ee=0.02 (вт/вт), или 2%.
Энергетическая эффективность светодиодного кристалла составляет от 5 до 20%. Существенная доля потерь связана с потерями фотонов при выводе из корпуса светодиода. Чем шире диаграмма направленности светодиода, тем меньше эти потери. Характерные значения КПД светодиодов - от 1 до 10%. Для сравнения, КПД парового двигателя 5 - 7%.
2.8 Расчет инжекции не основных носителей тока
В основе работы полупроводниковых светоизлучающих диодов лежит ряд физических явлений, важнейшие из них: инжекция не основных носителей в активную область структуры электронно-дырочным гомо- или гетеропереходом; излучательная рекомбинация инжектированных носителей в активной области структуры.
Явление инжекции не основных носителей служит основным механизмом введения неравновесных носителей в активную область структуры светоизлучающих диодов (эти приборы часто называют инжекционными источниками света). Вопросы физики протекания инжекционного тока в р-n-переходах рассмотрены в работах Шокли и многих монографиях. В обобщенном виде инжекция носителей р-п-переходом может быть представлена следующим образом (рисунок 2.5).
Когда в полупроводнике создается р-n-переход, то носители в его окрестностях распределяются таким образом, чтобы выровнять уровень Ферми. В области контакта слоев p- и n-типов электроны с доноров переходят на ближайшие акцепторы и образуется дипольный слой, состоящий из ионизованных положительных доноров на n-сторон и ионизованных отрицательных акцепторов на р-стороне. Электрическое поле дипольного слоя создает потенциальный барьер, препятствующий дальнейшей диффузии электрических зарядов [5].
При подаче на р-n-переход электрического смещения в прямом направлении U потенциальный барьер понижается, вследствие чего в р-область войдет добавочное количество электронов, а в n-область - дырок. Такое диффузионное введение не основных носителей называется инжекцией.



І- зона проводимости; ІІ –запрещённая зона; ІІІ – валентная зона
Рисунок 2.5 - Энергетическая диаграмма, поясняющая механизм действия инжекционного светодиода (а); его яркостная характеристика (б) и эквивалентная схема.
Концентрация инжектированных электронов на границе р-n-перехода и р-области n'(хp ) определяется выражением:
п'(Хр)=np·exp(еU/kT),(2.7)
где nр -концентрация равновесных электронов в р-области;
k-константа Больцмана;
Т-температура;
e-заряд электрона.
Концентрация инжектированных носителей зависит только от равновесной концентрации не основных носителей и приложенного напряжения.
Поскольку инжектированные носители рекомбинируют с основными носителями соответствующей области, то их концентрация п'р в зависимости от расстояния от р-n-перехода изменяется следующим образом (для электронов в р-области):
n'p =n(xp )exp[-(x-xp )/Ln ], (2.8)
где Ln - Диффузионная длина электронов.
Как следует из формулы (2.8) концентрация избыточных носителей экспоненциально спадает по мере удаления от р-n-перехода и на расстоянии Ln (Lр )уменьшается в e раз, где e» 2,72 (основание натурального логарифма).
Диффузионный ток In , обусловленный рекомбинацией инжектированных электронов, описывается выражением:
In =eDn np [exp(eU/kT)-1]/Ln (2.9)
где Dn - коэффициент диффузии электронов. Диффузионный ток дырок In описывается аналогичным выражением. В случае, когда существенны оба компонента тока (электронный и дырочный), общий ток I описывается формулой:
I = (In0 + Iр 0 )·[exp(eU/kT) - 1], (2.10)
где
In0 = eDn ·np /Ln ; Ip0 =eDp *pn /Lp . (2.11)
Особенность решения вопросов инжекции при конструировании светоизлучающих диодов, в которых, как правило, одна из областей p-n-структуры оптически активна, т.е. обладает высоким внутренним квантовым выходом излучения, заключается в том, что для получения эффективной электролюминесценции вся инжекция неосновных носителей должна направляться в эту активную область, а инжекция в противоположную сторону-подавляться [4].
Если активна область р-типа, то необходимо, чтобы электронная составляющая диффузионного тока преобладала над дырочной, а интенсивность рекомбинации в области объемного заряда была низка. Коэффициент инжекции gп , т.е. отношение электронной компоненты тока In0 к полному прямому току I=In0 +Ip0 , определяется по формуле:
gn =Lp Nd /[Lp Nd +(Dp /Dn )·Ln Na ], (2.12)
где Nd и Na - концентрации доноров и акцепторов в л- и р -областях.
Из выражения (2.6) следует, что для получения величины gп , близкой к 1, необходимо, чтобы Nd >>Na , Lp >Ln , Dn >Dp . Решающую роль, безусловно, имеет обеспечение соотношения Nd >>Na . Однако повышение концентрации носителей в инжектирующей области имеет свои пределы. Как правило, значения Nd (или Na ) не должны превышать (1-5)·I019 см-3 , так как при более высоком уровне легирования возрастает концентрация дефектов в материале, что приводит к увеличению доли туннельного тока и ухудшению, тем самым, инжектирующих свойств р-n-перехода [2]. Как будет видно из дальнейшего изложения, для повышения внутреннего квантового выхода излучательной рекомбинации в прямозонных полупроводниках необходимо повышать концентрацию носителей и в активной области, в связи с чем возникают дополнительные трудности с обеспечением одностороннего характера инжекции. Таким образом, в гомопереходах существуют трудности по обеспечению высокого коэффициента инжекции носителей в активную область, обусловленные противоречивыми требованиями к легированию p- и n-областей структуры для достижения высокого коэффициента инжекции и максимального квантового выхода электролюминесценции в активной области. В некоторых полупроводниках высокий коэффициент инжекции носителей в одну из областей р-n-перехода может быть обеспечен разницей в подвижности электронов и дырок. Так, в GaAs и других прямозонных соединениях высокий коэффициент инжекции электронов в р-область может быть осуществлен за счет более высокой подвижности электронов.
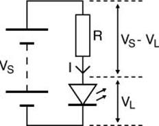
2.9 Расчёт светодиодного резистора
Светодиод должен иметь резистор последовательно соединенный в его цепи, для ограничения тока, проходящего через светодиод, иначе он выйдет из строя практически мгновенно.
Резистор R определяется по формуле :
R = (V S - V L) / I

Рисунок 2.6 - Схема подключения .
V S = напряжение питания
V L= прямое напряжение, расчётное для каждого типа диодов (как правило от 2 до 4 волт)
I = ток светодиода (например 20мA), это должно быть меньше максимально допустимого для выбраного диода
Например: Если напряжение питания V S = 9 В, и есть красный светодиод (V = 2V), требующие I = 20мA = 0.020A,
R = ( 9 В) / 0.02A = 350 Ом.
Вычисление светодиодного резистора с использованием Закон Ома
Закон Ома гласит, что сопротивление резистора R = V / I, где :
V = напряжение через резистор (V = S - V L в данном случае)
I = ток через резистор
Итак R = (VS - VL) / I =(9В-3,6В)/0,02А=270Ом.
1 Практическая часть

Устанавливается светильник с помощью своей «ножки» путем погружения ее в землю. Обычно на даче устанавливают несколько светильников, обозначающие какой-либо контур, например дорожку или крыльцо дома. Единственный светодиод светильника не в состоянии осветить площадь дачи или усадьбы, он лишь обозначает место и выполняет декоративную функцию. К светильнику прилагается описание, где подробно описывается внешнее устройство и правила пользования светильником, но его технические характеристики не приводятся, поэтому автору пришлось самостоятельно их «добывать» путем осмотра, измерений и испытаний. Принцип работы светильника простой. В дневное время фотоэлемент, вмонтированный в верхнюю крышку плафона (рис.1,а), преобразовывает солнечную энергию в электрическую и заряжает аккумулятор. С наступлением темноты фоторезистор (датчик освещенности), также вмонтированный в верхнюю крышку плафона, через электронную схему включает единственный светодиод, излучающий желтый свет. Ночью аккумулятор разряжается и отдает запасенную днем электроэнергию. С рассветом тот же фоторезистор с помощью той же электронной схемы отключает светодиод. При достаточной освещенности фотоэлемент снова заряжает аккумулятор. Таким образом, светильник включается и выключается автоматически и работает автономно, без внешнего источника тока. Технические характеристики светильника: - аккумулятор - 1 шт., NiMH (никель-металло-гидридный), типоразмер АА, емкость 600 мА*ч, номинальное напряжение 1,2 В, расчетное количество циклов заряд-разряд - 500 раз;
- максимальный ток заряда разряженного аккумулятора от фотоэлемента (при перпендикулярном падении солнечных лучей) - 60 мА;
- при горизонтальном размещении фотоэлемента, т.е. при освещении солнечными лучами под углом 45...60° ток заряда около 40 мА;
- в пасмурною погоду ток заряда снижается до 2...5 мА;
- ток, потребляемый электронной схемой, в дневное время - 4...5 мкА;
- напряжение фотоэлемента зависит от освещенности и составляет (без нагрузки) О...2,35В;
- длительность свечения светодиода в ночное время зависит от степени заряженности аккумулятора и его старения и колеблется в пределах 3...8 ч. При вводе светильника в эксплуатацию рекомендуется зарядить аккумулятор от отдельного зарядного устройства или выключить электронный блок на несколько суток, чтобы фотоэлемент максимально зарядил аккумулятор. Если это не способствует увеличению длительности ночного свечения светодиода, то аккумулятор следует заменить. Светильник легко разбирается. Плафон снимается поворотом на 90°. Вся электронная начинка размещается снаружи и внутри плафона. Для доступа внутрь плафона необходимо отвинтить 3 шурупа и снять крышку(рис.1,а,б).

Фотоэлемент (размерами 55x55 мм) и фоторезистор смонтированы на верхней крышке плафона, чтобы максимально освещаться солнцем. Выключатель и аккумулятор установлены на крышке плафона, а монтажная плата (размерами 17x43 мм) с радиоэлементами - внутри плафона. Принципиальная схема светильника (рис.4) нарисована по монтажной плате (рис.2 и рис.3). Автор стремился обозначить все элементы так же, как и на монтажной плате (рис.2 и рис.3). Но производитель применил новую, более совершенную принципиальную схему, а монтажную плату заменить «не успел». На рис.4 показана новая принципиальная схема, расположенная изготовителями на старой монтажной плате. С одной стороны, в новой схеме количество радиоэлементов уменьшено, но, с другой, введены новые, например индуктивность L1. Эти изменения хорошо видно на рис.2. Рисуя принципиальною схему, автор самостоятельно ввел обозначения радиоэлементов, необозначенных на монтажной плате. Необходимость применения новой схемы вызвано стремлением производителей удешевить светильник. Для нормальной работы светодиода необходимо напряжение 3 В, в то время как аккумулятор выдает лишь 1,2 В. При таком напряжении светодиод не светится. Чтобы получить необходимые 3 В, конструкторы должны были выбрать один из вариантов: применить два или три аккумулятора, соединенных последовательно, что значительно повысило бы стоимость светильника, или применить электронною схему, которая увеличивала бы напряжение на светодиоде при использовании одного аккумулятора. Изготовители выбрали второй, более дешевый, вариант.
Из принципиальной схемы видно (рис.4), что фотоэлемент BL1 соединен с аккумулятором G1 через диод D1 без выключателя. Это означает, что фотоэлемент всегда будет заряжать аккумулятор при достаточном солнечном освещении. Диод D1 препятствует разрядке аккумулятора, когда напряжение фотоэлемента ниже напряжения на аккумуляторе, когда же оно выше, диод свободно пропускает ток заряда. Выключателем SA1, вмонтированным в крышку плафона, можно отключать электронную схему, что бы она не разряжала аккумулятор, например, при хранении светильника или при необходимости длительного заряда аккумулятора. Транзистор Q2 типа S9014C (n-р-n; 45 В; 0,1 А) выполняет функцию ключа, в его базу включен фоторезистор R9 (обозначено автором), его тип не установлен, но величина сопротивления изменяется в зависимости от освещенности от 2,3 мОм до 190 Ом. При наступлении темноты сопротивление фоторезистора значительно увеличивается, потенциал на базе транзистора достигает порогового значения, транзистор Q2 открывается и запускает генератор, собранный на транзисторах Q1 (S9015C; р-n-р; 45 В; 0,1 А) и Q4 (S8050D; n-р-n; 25 В; 1,5 А). Обратною связь в генераторе выполняет конденсатор C2 (1000 пФ). Форма импульсов на светодиоде показана на рис.4, частота их
следования 59 кГц, а амплитуда достигает 3 В, при напряжении аккумулятора 1,2 В. Увеличения напряжения происходит за счет накопления энергии на индуктивности L1 (4,5 мкГн).
В процессе ночного разряда, напряжения на аккумуляторе уменьшается и при достижении его значения 0,7 В светодиод гаснет, хотя генератор продолжает работать, потребляя небольшой ток. Аккумулятор получает полный разряд. С наступлением рассвета фоторезистор R9, воздействуя на базы транзисторов Q2 и Q4 (через резистор R7, R8), выключает работу генератора. При достаточной освещенности, когда напряжение на фотоэлементе превысит напряжение на аккумуляторе, начинается его заряд. Ток заряда аккумулятора все время меняется и зависит не только от освещенности фотоэлемента, но и от степени разряда аккумулятора.

Чтобы аккумулятор получал достаточную порцию заряда, необходимо, чтобы солнечные лучи освещали фотоэлемент длительное время (рекомендуется 10... 12 ч). На практике это можно выполнить разве только в Африке. В странах СНГ много пасмурных дней, даже летом, и достаточной порции заряда аккумулятор не получит, в результате, ночью светодиод будет включен непродолжительное время (всего несколько часов).
В описанном садовом светильнике протекают малые токи, поэтому схема работает довольно надежно, но ничего вечного нет. Если возникли проблемы с транзисторами, то их необходимо заменить, они недефицитны, все они имеют корпус ТО-92 и одинаковую цоколевку, показанную на рис.4. Если вы присмотритесь к рис.3, то заметите на дорожке монтажной платы, в пайке светодиода, трещину. Она появилась в результате падения светильника. Светодиод имеет сравнительно большую массу и длинные ножки. Их необходимо было прикрепить к монтажной плате клеем, но изготовители этого не сделали, в результате -• трещина. Она устраняется повторной пайкой.
Принципиальная схема
Что касается долговечности работы светодиода, то он практически вечный.
Вторая неисправность типична для светильников, работающих на открытом воздухе, -окисление как жестяных контактов в гнезде установки аккумулятора, так и самих пластин аккумулятора. Причина - работа в условиях повышенной влажности (от росы или дождя). Чтобы ржавчина не появилась, необходимо смазать контакты гнезда и аккумулятора тонким слоем силиконовой смазки или солидола. Если ржавчина уже появилась, то ее перед смазыванием необходимо удалить. Кроме того, влага может вызвать коррозию токопроводящих дорожек, и, хотя они покрыты лаком при изготовлении, практика показывает, что нужно повторно покрыть лаком всю монтажную плату. В данном светильнике применен NiMH (никель-металлогидридный) аккумулятор 600 мА*ч, он выдерживает 500 циклов заряд-разряд, но в этих светильниках можно применить и NiCd (никель-кадмиевые) аккумуляторы, большой разницы между ними нет.
Заключение
СПИСОК ИСПОЛЬЗУЕМЫХ ИСТОЧНИКОВ
1) Роках А. Г. Фотоэлектрические явления в полупроводниках и диэлектриках. - Саратов: Издательство Саратовского университета, 1984.
2) Названов В. Ф. Основы оптоэлектроники. – Саратов: Издательство Саратовского университета, 1980.
3) Носов Ю. Р. Оптоэлектроника. – М.: Советское радио, 1977.
4) Василевский А. М. и др. Оптическая электроника/ А. М. Василевский, М. А. Кропоткин, В. В. Тихонов. – Л.: Энергоатомиздат. Ленингр. Отд-ние, 1990.
5) Шалимова К. В. Физика полупроводников. – М.: Энергия, 1976.
6) Пасынков В.В. и др. Полупроводниковые приборы/ В.В. Пасынков, Л.К. Чиркин, А.Д. Шинков. – М.: Высшая школа, 1973.