| Скачать .docx |
Курсовая работа: Расчет и краткое описание тиристорах в электроприводе
Курсовая работа
на тему:
«Расчет и краткое описание тиристорах в электроприводе»
Задание на курсовую работу
| Номинальная мощность двигателя |
Рн |
кВт |
17 |
| Номинальное напряжение на якоре |
Uян |
В |
220 |
| Коэффициент допустимой нагрузки двигателя по току |
ki |
2,5 |
|
| Индуктивность якорной цепи ДПТ |
Lя |
мГн |
9,4 |
| Активное сопротивление якорной цепи двигателя |
RЯ |
Ом |
0,037 |
| Частота вращения вала двигателя |
nН |
об/мин |
1500 |
| Коэффициент полезного действия |
η |
% |
87 |
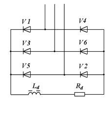
| Тип силовой схемы |
Трехфазная мостовая |
||
| Тип тиристоров |
Неоптронные |
||
| Тип СИФУ |
Линейная |
||
Содержание
Введение
Краткое описание устройства и узлов
I. Расчет и выбор элементов силовой части
1.1 Выбор силового согласующего трансформатора
1.2 Выбор силовых тиристоров
1.3 Выбор сглаживающего реактора в якорной цепи двигателя
1.4 Выбор сглаживающего дросселя
1.5 Выбор защитных “RC” цепочек
II. Расчет статических характеристик вентильного преобразователя
2.1 Регулировочные характеристики СИФУ, ВП, СИФУ–ВП
2.2 Регулировочные характеристики НР–ВП
2.3 Определение коэффициента усиления ВП в точке номинального режима
III. Расчет внешних характеристик вентильного преобразователя
IV. Определение энергетических показателей вентильного преобразователя
4.1 Коэффициент полезного действия
4.2 Коэффициент мощности
4.3 Способы повышения коэффициента мощности
Заключение
Список использованной литературы
Введение
Целью курсовой работы является получение студентами навыков самостоятельной инженерной деятельности, связанной со схемотехническим проектированием.
Объектом разработки и исследования служат элементы и узлы промышленной электроники, получающие в настоящее время наибольшее применение в полупроводниковом электроприводе постоянного тока: тиристорный выпрямитель, устройство импульсно-фазового управления, цепи защиты тиристоров от перегрузок по току и перенапряжений, нелинейный регулятор и др. составление полной принципиальной схемы тиристорного электропривода на основе указанных элементов и узлов знакомит студентов с принципами построения вентильных электроприводов однако задание ограничивается рассмотрением специальных вопросов, относящихся лишь нереверсивному (одноквадрантному) электроприводу на основе однокомплектного тиристорного преобразователя. Выбор элементов, расчет статических и энергетических характеристик устройства составляет основное содержание расчетно-пояснительной записки к проекту. При этом часть материала ориентирует на творческое участие в научно-исследовательской работе студентов, проводимой на кафедре. Выполнение трудоемких вычислительных операций предусматривается с помощью ЭВМ.
Краткое описание устройства и узлов
Устройство тиристорного управления электроприводом состоит из силовой и управляющей частей.
Основными элементами силовой части являются тиристорный выпрямитель (ТВ) и двигатель постоянного тока независимого возбуждения, регулирование частоты вращения которого осуществляется изменением напряжения на якоре (подаваемого от управляемого выпрямителя) при постоянстве потока возбуждения.
Управляющая часть обеспечивает возможность регулирования напряжения на выходе тиристорного выпрямителя, а также ограничивает ток нагрузки на предельно допустимом уровне. Её основными элементами являются система импульсно-фазового управления тиристорами (СИФУ), выходной усилитель импульсов управления (ВУ), нелинейный регулятор (НР) с устройством упреждающего токоограничения (УУТ), потенциометрический задатчик скорости, устройство токоограничения (УТО), датчик скорости и блок питания.
При работе устройства управления входное напряжение управления на входе НР после усиления и изменения знака преобразуется в управляющее напряжение и подаётся на вход СИФУ. В СИФУ управляющее напряжение преобразуется в несколько последовательностей управляющих импульсов, каждая из которых после усиления в ВУ подаётся на управляющий электрод одного из тиристоров в схеме ТВ. Согласно выражению выходной характеристики СИФУ α = f ( Uу ) регулировочной характеристики ТВ Udα = f ( α ) при изменении управляющего напряжения изменяется фаза управляющих импульсов (угол регулирования), а, следовательно, и среднее значение выпрямленного напряжения на выходе ТВ.
Трёхканальная система импульсно-фазового управления с линейной выходной характеристикой состоит из трёх идентичных каналов управления КУ1, КУ2, КУ3, каждый из которых имеет два выхода и обеспечивает управление двумя силовыми тиристорами, подключёнными к одной фазе сети. Каждый канал содержит синхронизатор, выполненный на транзисторных ключах и логических элементах И-НЕ, генератор опорного напряжения (ГОН) на операционном усилителе, компаратор на операционном усилителе, формирователь управляющих импульсов на транзисторном ключе и распределитель управляющих импульсов на логических элементах И. На каждый канал подаётся синхронизирующее напряжение, в качестве которого для КУ1 используется линейное напряжение Uac , для КУ2 – Uba , для КУ3 – Ucb .
Работа СИФУ происходит следующим образом (на примере работы КУ1).
Под воздействием синхронизирующего напряжения транзисторы VT9 и VT10, включённые по схеме с общим запуском, переключаются в противофазе. На их коллекторах, а затем и на выходах микросхем DD1.1 и DD1.4 формируются широкие прямоугольные импульсы UDD 1.1 и UDD 1.4 положительной полярности длительностью в половину периода напряжения питающей сети. Эти широкие импульсы логически перемножаются в элементе DD1.3 и поступают на вход элемента DD1.2, включённого как элемент НЕ. На выходе DD1.2 формируются кратковременные импульсы положительной полярности UDD 1.2 , которые открывают транзистор VT11. При этом конденсатор C10 разряжается и обнуляет напряжение на выходе интегратора DA1. На интервалах выключенного состояния VT11 на выходе DA1 формируется линейно нарастающее опорное напряжение отрицательного знака, начало которого совпадает с точкой естественной коммутации. На выходе ОУ DA2 опорное напряжение суммируется с положительным напряжением питания, приобретает положительный знак и суммируется также с напряжением смещения Uсм . В компараторе DA2 Uоп – Uсм сравнивается с управляющим напряжением – UУ . В момент их равенства напряжение на выходе компаратора становится отрицательным, ключ VT16 запирается, конденсатор C13 заряжается по цепи: +15В, R56, C13, R57. При этом на резисторе R56 выделится кратковременный управляющий импульс Uиу . На интервалах включённого состояния VT16 конденсатор C13 разряжается по цепи VT16, R57. Импульсы Uиу вырабатываются в каждом периоде работы генератора опорного напряжения и потому имеют удвоенную частоту, их разделение по подканалам осуществляется с помощью распределителя: на входы DD2.1 и DD2.2 поступают широкие разрешающие импульсы с выходов синхронизатора, а управляющие импульсы для открытия тиристоров поступает с выходов DD2.1 (DD2.2) только в моменты совпадения логического уровня Uиу и соответствующего широкого импульса.
Устройство токоограничения выполняется на операционном усилителе, охваченном нелинейной обратной связью с помощью диода VD19 и резистора R5. На инвертирующем входе ОУ напряжение, пропорциональное току якоря двигателя, сравнивается с пороговым напряжением Uп , получаемым в блоке питания. Если двигатель работает без перегрузки, то выходное напряжение УТО равно нулю и действие этого узла не проявляется; если двигатель начинает работать с перегрузкой, то на выходе УТО появится напряжение, которое приведёт к уменьшению выпрямленного напряжения на выходе ТВ и уменьшению выпрямленного тока.
Нелинейный регулятор применяется для линеаризации характеристик ТВ. Собран на двух операционных усилителях DA1 и DA2. ОУ DA1 охвачен нелинейной обратной связью, выполненной на диодах VD20 и VD21, поэтому коэффициент усиления DA1 зависит от входного сигнала. При малых напряжениях он близок к нулю и коэффициент усиления всего устройства определяется усилителем DA2. При больших напряжениях на входе коэффициент усиления DA1 равен единице и коэффициент усиления всего устройства уменьшается.
Узел упреждающего токоограничения устраняет возможность неконтролируемого возрастания тока на выходе ТВ в переходных режимах. Устанавливается непосредственно на управляющем входе СИФУ и служит для контроля и ограничения управляющего напряжения на уровне, при котором ток якоря не мог бы превысить максимально допустимого значения. Если управляющее напряжение превысит допустимый уровень, диоды VD22..VD23 открываются и вместе с резистором R33 шунтируют выход НР.
Выходной усилитель импульсов управления служит для формирования управляющих импульсов заданной формы и длительности, усиления импульсов по напряжению до 10..20 В и току до 0,4...0,5 А, обеспечения гальванической развязки силовых и управляющих цепей. Каждый из шести (по числу тиристоров) каналов ВУ содержит ключ на транзисторах и импульсный трансформатор. При отсутствии сигнала управления ключ запирается подачей напряжения смещения и шунтированием эммитерного перехода транзистора диодом.
I . РАСЧЕТ И ВЫБОР ЭЛЕМЕНТОВ СИЛОВОЙ ЧАСТИ
1.1 Выбор силового согласующего трансформатора
Требуемое максимальное выпрямленное напряжение:
![]()
= 1,1 ∙ ( 220 + 4.9295 + 6.6 + 2.2 + 4.4 + 1,1325 ) = 239.262 В
где Кз = 1,1 – коэффициент запаса, учитывающий возможность уменьшения напряжения в сети на 10%, согласно ГОСТ 13109-69;
Uя.н . = 220 В – номинальное напряжение якоря двигателя постоянного тока;
D Uд.р. = Rя (Iя.м. – Iя.н . ) = 0.037∙ ( 222.048 – 8.819 ) = 4.925 В –
напряжение динамического резерва;
=
–
коммутационное падение напряжения;
DUс.д . » 0,01Uя.н . = 0,01∙ 220 = 2.2 В –
падение напряжения на сглаживающем дросселе;
DUТ » 0,02Uя.м.. = 0,02 ∙ 220 = 4.4 В –
падение напряжения на активном сопротивлении обмоток согласующего трансформатора;
=
–
среднее падение напряжения на тиристорах в контуре тока нагрузки.
Где: Rя = 0,072 Ом – активное сопротивление якорной цепи двигателя;
Iя.н . – номинальный ток якоря
![]()
h = 0,87– КДП двигателя;
Iя.м . – максимально допустимый ток якоря
Iя.м . = Iя.н . ∙ Кi = 88.819∙ 2,5 = 222.048 А
DUК % = 6 % – напряжение короткого замыкания трансформатора;
U0 » 1,45 В – пороговое напряжение тиристора;
rд – динамическое сопротивление тиристора;
![]()
n = 2– число тиристоров в контуре тока нагрузки;
А = 0,5– коэффициент, зависящий от схемы выпрямителя
Требуемая величина действующего значения напряжения во вторичной обмотке согласующего трансформатора:
![]()
где К П U = 2,34 – коэффициент преобразования схемы выпрямления по напряжению.
Расчетная типовая мощность трансформатора
ST = К ТТ Р Н + 1,35 Ров
где К ТТ = 1,05 – коэффициент завышения расчетной мощности трансформатора;
Р Н – номинальная мощность двигателя;
Ров – мощность, потребляемая обмоткой возбуждения.
Ров = (0,03 ¸ 0,05 ) Р Н = 0,04 ∙ 17∙103 = 680 Вт
ST = 1,05 ∙ 17∙103 + 1,35 ∙ 680 = 18768 Вт
Выбор силового согласующего трансформатора осуществляется по справочнику, исходя из условия:
SH
≥ ST
U2 ≥ U’2
где SH и U2 – классификационные (паспортные) значения номинальной мощности и фазного действующего напряжения во вторичной обмотке.
Таблица 1.1 Параметры выбранного трансформатора
| Тип трансформатора |
Номинальная мощность SH , кВт |
Напряжение обмотки |
Мощность потерь к. з. DРк.з. , Вт |
Напряжение к.з. UK % |
Схема соединения обмоток |
|
| U1 , B |
U2 , B |
|||||
| ТС – 19 |
19 |
220/380 |
104 |
210 |
8 |
|
1.2 Выбор силовых тиристоров
Максимальный средний ток тиристора:
Iм..с. = Ki Kв Iя.н. = 2,5 ∙ 0,33 ∙ 88.819 = 73.276 А
Где Кi – коэффициент допустимой перегрузки двигателя по току;
Кв – коэффициент среднего тока вентиля в схеме выпрямления.
Максимальное обратное напряжение на тиристоре:
Uм.обр. = Кз u ∙ U2м = 1.2 ∙ 254.747 = 305.696 В
Где U2м – амплитудное значение напряжения во вторичной обмотке трансформатора
![]()
Кз u = 1,2 – коэффициент запаса.
Предварительный выбор тиристоров осуществляется по справочнику, исходя из условия:
In
≥ Iм.с
Un ≥ Uм.обр .
где In – классификационное значение предельно допустимого среднего тока тиристора;
Un – классификационное значение повторяющегося напряжения.
Таблица 1.2 Параметры выбранного тиристора
| Тип тиристора |
Предельный средний ток In , А |
Класс тиристора |
Пороговое напряжение U0 , В |
Динамическое сопротивление rд , Ом |
| Т142-80 |
80 |
4 |
1,75 |
4,7 ∙ 10-3 |
Допустимая мощность потерь тепловыделения в тиристоре при условии его работы в классификационной схеме:
DРкл. = U0 In + (Kф.кл. In )2 rд = 1,75 ∙ 80 + (1,57 ∙ 80)2 ∙ 4,7 ∙ 10-3 = 214,144 Вт
где Кф.кл. = 1,57 – коэффициент формы тока тиристора для классификационной схемы выпрямления;
Мощность потерь тепловыделения в тиристоре при работе в реальной схеме выпрямления:
DРт = U0 Iм.с. + (Kф. i Iм.с )2 rд = 1,75 ∙ 73,276 + (1,73 ∙ 73,276)2 ∙ 4,7 ∙ 10-3 = 203,762 Вт
где Kф. i = 1,73 – коэффициент формы тока тиристора.
Проверка тиристора по условию допустимого нагрева осуществляется на основании сравнения величин DРкл. и DРт :
DРкл ≥ DРт
Тиристор отвечает условию проверки.
1.3 Выбор сглаживающего реактора в якорной цепи двигателя
Согласно заданию, индуктивность дросселя выбирается такой, чтобы относительная глубина пульсации выпрямленного тока не превышала Di*d 1 ≤ 0,01.
Необходимая величина индуктивности сглаживающего дросселя:
=
![]()
Где
– коэффициент пульсации выпрямленного напряжения;
Udo = KП U ∙ U2 = 2,34 ∙ 104 = 243,36 B –
максимальное выпрямленное напряжение;
Di*d 1 = 0,01 –
заданное значение относительной глубины пульсации тока;
wс = 314 с-1 – круговая частота сетевого напряжения;
Kcx = 2 – схемный коэффициент, равный числу обмоток трансформатора в контуре тока нагрузки;
LТР – приведенная индуктивность фазы трансформатора;
= ![]()

1.4 Выбор сглаживающего дросселя
Выбор сглаживающего дросселя осуществляется по справочнику, исходя из условия:
Lс.д.
≥ Ld
Ic .д. ≥ Iя.н.
Где Lс.д. и Iс.д. – классификационные параметры дросселя.
Таблица 1.3 Параметры выбранного дросселя
| Тип реактора |
Номинальный ток Iс.д. , А |
Индуктивность Lс.д. , Гн |
| СРОС - 160/6 |
75 |
0,08 |
1.5 Выбор защитных “ RC ” цепочек
Для защиты от коммутационных перенапряжений каждый силовой тиристор шунтируется “RC” цепочкой.
Ёмкость защитной “RC” цепочки определяется по формуле:
= ![]()
где Iуд = 160 А – допустимое значение импульса ударного тока тиристора;
Iм.обр. – амплитудное значение обратного тока, протекающего через тиристор в момент его закрытия;
![]()
где tв – время выключения тиристора;
Сопротивление резистора:

Выбираем неполярный конденсатор с бумажным диэлектриком или металлобумажным диэлектриком (БМ, МБГО, МБГЧ и др.) по справочнику исходя из условия:
Сн
» С
Uн ≥ Uм.обр.
где Сн и Uн – классификационные параметры выбранного конденсатора
Таблица 1.4 Параметры выбранного конденсатора
| Тип конденсатора |
Номинальная ёмкость Сн , Ф |
Номинальное напряжение Uн , В |
| КБП |
1,4 ∙ 10-6 |
350 |
В качестве резисторов выбираем резисторы постоянного сопротивления, например проволочного типа ПЭВ исходя из условия:
Rм
≥ R
Uр.м. ≥ Uм.обр.
РR ≥ P
где Rм , Uр.м. и РR – максимальное паспортное сопротивление, мощность и наибольшее рабочее напряжение резистора, указанные в каталоге.
Таблица 1.5 Параметры выбранного резистора
| Тип резистора |
Максимальное сопротивление Rм , Ом |
Мощность Р, Вт |
Наибольшее рабочее напряжение Uр.м. , В |
| ПЭВ-50 |
22 |
50 |
600 |
II . РАСЧЕТ СТАТИЧЕСКИХ ХАРАКТЕРИСТИК ВЕНТИЛЬНОГО ПРЕОБРАЗОВАТЕЛЯ
2.1 Регулировочные характеристики СИФУ, ВП, СИФУ–ВП
Построение регулировочной характеристики ВП Еd = f (Uу ) осуществляется графо-аналитическим методом в первом квадранте графика (см. Приложение II):
1. Сначала в четвертом квадранте графика строим зависимость a = f (Uу )

Найдем Uсм при aмах = 120° ; Uу = 0 B
![]()
![]()
Т. о. Uу может изменяться в пределах от 0 до 10 В
Таблица 2.2
| Uy |
0 |
1 |
2 |
3 |
4 |
5 |
6,7 |
| a, град |
120 |
102 |
84 |
66 |
48 |
30 |
0 |
2. Затем во втором квадранте графика строится зависимость Еd = f (a)
а) при 0 ≤ a ≤ 60°
Ed = Udo cos a
б) при 60° ≤ a ≤ 120°
Ed = Udo (1 + cos (60° + a))
Таблица 2.1
| a, град |
0 |
30 |
48 |
66 |
84 |
102 |
120 |
| Ed , В |
367,02 |
243,1 |
167,5 |
100,1 |
46,3 |
11,8 |
0 |
3. Искомый график Ed = f (Ud ) отыскивается по точкам, каждая из которых отыскивается на пересечении прямых проведенных через заданное значение Uу и соответствующее значение Ed на кривой Еd = f (a )
2.2 Регулировочные характеристики НР–ВП
Построение регулировочной характеристики НР–ВП Uвх.у. = f (Uу ) осуществляется графоаналитическим методом в четвертом квадранте графика. Производится аппроксимация регулировочной характеристики ВП Еd = f (Uу ) двумя прямыми линиями. Затем аппроксимированная характеристика ВП переносится во второй квадрант графика. На уровне точки излома аппроксимированной характеристики ВП определяем напряжение управления излома Uу.и
1. Строится желаемая прямая регулировочной характеристики в первом квадранте графика по двум точкам ( 0 ; 0 ) и ( Udo ; Uу = 10 В).
2. В четвертом квадранте по точкам, как и регулировочная характеристика ВП, строится требуемая выходная характеристика нелинейного регулятора
Uвх.у. = f (Uу )
3. На уровне точки излома характеристики НР определяем входное напряжение управления излома Uвх.и
2.4 Определение коэффициента усиления ВП в точке номинального режима
После отыскания регулировочной характеристики ВП Еd = f (Uу ) на ней в точке номинального режима Uя.н. проводится касательная к графику. Коэффициент усиления ВП в этой точке численно равен тангенсу угла наклона касательной к оси Uвх.у .
![]()
III . РАСЧЕТ ВНЕШНИХ ХАРАКТЕРИСТИК ВЕНТИЛЬНОГО ПРЕОБРАЗОВАТЕЛЯ
В зоне прерывистого тока нагрузки расчет ведется с помощью ЭВМ согласно следующим выражениям:

где U2 M = 254,747 B
Lя = 9,4 · 10 -3 Гн
Lc .д. = 0,08 Гн
Ксх = 2
LTP = 3,638 · 10-4 Гн
ωс = 314 с -1
λ = 0 ч 60є – угловая длительность проводящего состояния тиристора
α = 0 ч 180є – угол управления тиристорами
В зоне непрерывного тока расчет ведется согласно следующим выражениям:
![]()
где ![]()
rTP = 0,0133 Ом – приведенное активное сопротивление фазы трансформатора
Внешние характеристики в зоне непрерывного тока при α=const представляют собой прямые линии с наклоном, зависящим от внутреннего сопротивления выпрямителя. Откуда мы можем определить внутреннее сопротивление выпрямителя:
Графики внешних характеристик при различных значениях угла α и граница режима прерывистого тока при λ = λмах
= ![]()

![]() |
|
![]() |
|
IV . ОПРЕДЕЛЕНИЕ ЭНЕРГЕТИЧЕСКИХ ПОКАЗАТЕЛЕЙ ВЕНТИЛЬНОГО ПРЕОБРАЗОВАТЕЛЯ
ВП представляет для сети нагрузку которая потребляет несинусоидальный ток.
Кроме активной мощности он также потребляет и реактивную мощность (мощность искажения).
Т.о. вентильный преобразователь является искажающей нагрузкой и характеризуется следующими факторами:
1. ВП потребляет из сети несинусоидальный ток в гармоническом составе которого присутствуют высшие гармоники с порядковыми номерами K = mn ± 1 (для трехфазной мостовой схемы ВП m = 6 ; К = 1 , 2 , 3 … ), а это отрицательно влияет на остальные элементы цепи.
2. ВП потребляет реактивную мощность (согласно требованиям ПУЭ Км ≥ 0,95)
3. Кратковременные переключения вентиля представляют собой кратковременные междуфазные короткие замыкания.
В случае если мощность преобразователя соизмерима с мощностью сети
то эти короткие замыкания будут приводить к искажениям формы сетевого напряжения.
Согласно ГОСТ 13.109 – 98 “Нормы на качество напряжения в распределительных сетях”
![]()
4.1 Коэффициент полезного действия

η высок т.к. вентильный преобразователь выполняется на тиристорах и диодах, которые по своим параметрам близки к идеальному ключу и имеют кпд равный 0,99. Сумма потерь очень мала по сравнению с полезной мощностью, поэтому кпд как правило не рассчитывается.
4.2 Коэффициент мощности
В отличие от кпд коэффициент мощности характеризует эффективность использования электрической энергии т.к. в состав полной мощности кроме активной входит еще и реактивная мощность.

Получим коэффициент мощности для трехфазного мостового преобразователя:
![]()
где
– коэффициент искажения;
Кс = cos φ1 – коэффициент сдвига первой гармоники тока, относительно напряжения сети
Как видно из диаграмм трехфазного мостового преобразователя (см. Приложение V)
φ = х – у

φ = α Þ Kc = cos φ1 = cos α
Найдем коэффициент искажения
![]()
где ![]()
a1 и b1 – коэффициенты ряда Фурье перед первым слагаемым


Т.о коэффициент мощности равен:
Км = Кс · Ки = 0,95 · cos α
График зависимости коэффициента мощности от cos α строим по двум точкам cos α = 0 и cos α = 1.
4.3 Способы повышения коэффициента мощности
В настоящее время известно несколько схем и способов повышения коэффициента мощности тиристорных преобразователей. Для повышения коэффициента мощности можно использовать нулевой обратный диод, как показано на схеме. Данная схема обеспечивает некоторое повышение Км
за счет увеличения Кс
в нижней половинной части диапазона регулирования, т.е. при
. В верхней части диапазона регулирования обратный вентиль в работу не вступает и энергетические показатели такие же как и в обычной схеме без обратного вентиля. Недостатком данной схемы является искажение формы потребляемого сетевого тока, т.к. в его составе появляются высшие гармоники, вследствие чего уменьшается Ки
. Данную схему рекомендуется использовать когда работа нереверсивных ТП происходит на пониженных скоростях двигателя.

Включение V0 происходит на интервалах от точки естественной коммутации до включения очередного тиристора. Он работает в течении
градусов с шестикратной частотой.
Получим коэффициент мощности:
Кмо = Кио · Ксо
Ксо = cos φ1
![]()
Как видим в отличие от предыдущего случая φ1 < α
Найдем Ки
![]()

|

Заключение
Целью курсовой работы являлось получение навыков самостоятельной инженерной деятельности, связанной со схемотехническим проектированием. При выполнении работы были проведены разработка полной принципиальной схемы тиристорного устройства управления электроприводом, выбор элементов, расчёт статических, энергетических характеристик. В результате были получены необходимые теоретические сведения, освоены методы проектирования, расчёта, анализа устройств. Проведённая работа способствовала повышению уровня знаний, навыков и технической грамотности.
Список использованной литературы
1. Горбачёв Г.Н., Чаплыгин Е.Е. Промышленная электроника. - М.: Энергоатомиздат, 1988. - 320с.
2. Руденко В.С., Сенько В.И., Чиженко И.И. Основы преобразовательной техники. - М.: Энергия, 1978. - 448с.
3. Полупроводниковые выпрямители/ Под редакцией Ф.И. Ковалёва и Г.П. Мостковой. - М.: Энергия, 1978. - 448с.
4. Чебовский О.Г. Силовые полупроводниковые приборы: Справочник. - М.: Энергия, 1985. - 512с.
5. Управляемый выпрямитель на тиристорах в электроприводе: Методические указания к курсовой работе по электронным, микропроцессорным и преобразовательным устройствам/ Сост. С.Н. Сидоров, А.Н. Иванова. - Ульяновск: УлПИ, 1992. - 60с.

