| Скачать .docx |
Курсовая работа: Электроснабжение населенного пункта Cвиридовичи
Министерство сельского хозяйства и продовольствия
Республики Беларусь
Белорусский Государственный Аграрный Технический Университет
Кафедра Электроснабжения с/х
Расчетно-пояснительная записка к
КУРСОВОМУ ПРОЕКТУ
по дисциплине «Электроснабжение сельского хозяйства»
на тему
«Электроснабжение населенного пункта Cвиридовичи»
Выполнил: студент 4 курса АЭФ
20эпт группы Сазановец А.В.
Руководитель: Кожарнович Г. И.
Минск 2009г.
Аннотация
Курсовой проект состоит из пояснительной записки на листах машинописного текста формата А4, и графической части, выполненной на двух листах формата А1. Пояснительная записка содержит 3 рисунка и 20 таблиц.
Графическая часть работы включает в себя план электрической сети 0,38 кВ, расчетную схему линии 0,38 и конструкцию предохранителей, используемых в МТП.
В данном курсовом проекте осуществлено проектирование электроснабжения населенного пункта Свиридовичи.
Произведен выбор проводов линии 10 кВ, определено число и место расположения КТП 10/0,4 кВ, рассчитано сечение проводов линии 0,38 кВ по методу экономических интервалов мощностей, произведен расчет токов короткого замыкания, выбрано оборудование и аппараты защиты. Разработаны мероприятия по защите линий от перенапряжений, а также рассчитано заземление сети 0,38 кВ.
Введение
Электрификация, то есть производство, распределение и применение электроэнергии во всех отраслях народного хозяйства и быта населения – один из важнейших факторов технического процесса.
Весь опыт развития электрификации показал, что надежное, высококачественное и дешевое электроснабжение можно получить только от крупных районных электростанций, объединенных между собой в мощные электрические системы. На крупных электростанциях районного масштаба с линиями передачи большого радиуса действия вырабатывается наиболее дешевая электроэнергия, прежде всего из-за высокой концентрации ее производства, а также благодаря возможности размещать электростанции непосредственно у дешевых источников энергии – угля, сланцев, на больших реках.
Самый высокий показатель системы электроснабжения – надежность подачи электроэнергии. В связи с ростом электрификации с/х производства, особенно с созданием в сельском хозяйстве животноводческих комплексов промышленного типа всякое отключение – плановое, и особенно неожиданное, аварийное, наносит огромный ущерб потребителю и самой энергетической системе.
Электроснабжение производственных предприятий и населенных пунктов в сельской местности имеет свои особенности по сравнению с электроснабжением городов. Основные особенности: необходимость подводить электроэнергию к огромному числу сравнительно маломощных потребителей, рассредоточенных по всей территории; низкое качество электроэнергии; требования повышенной надежности и т.д.
Таким образом, можно сделать вывод о большом значении проблем электроснабжения в сельском хозяйстве. От рационального решения этих проблем в значительной степени зависит экономическая эффективность применения электроэнергии в сельскохозяйственном производстве.
1. Исходные данные
Таблица 1.1 Исходные данные для расчета линии высокого напряжения.
| Отклонение напряжения на шинах, % | Sк.з. на шинах ИП, МВА | Соотношение мощностей | |
| dU100 | dU25 | Pп / Pо | |
| +7 | -2 | 900 | 0,5 |
Таблица 1.2 Исходные данные по производственным потребителям.
№ п/п |
Наименование | Номер шифра | Дневной максимум, кВт | Вечерний максимум, кВт | ||
| Pд | Qд | Pв | Qв | |||
| 1 | Плотницкая | 340 | 10 | 8 | 1 | 0 |
| 2 | Хлебопекарня производительностью 3т/сутки | 356 | 5 | 4 | 5 | 4 |
| 3 | Пожарное депо на 1…2 автомашины | 382 | 4 | 3 | 4 | 2 |
| 4 | Административное здание на 15-25 рабочих мест | 518 | 15 | 10 | 8 | 0 |
| 5 | Дом культуры со зрительным на 150-200 мест | 527 | 5 | 3 | 14 | 8 |
| 6 | Фельдшерско-окушерский пункт | 536 | 4 | 0 | 4 | 0 |
| 7 | Магазин со смешанным ассортиментом 6-10 мест | 553 | 4 | 0 | 4 | 2 |
| 8 | Баня на 5 мест | 559 | 3 | 2 | 3 | 2 |
2. Расчёт электрических нагрузок в сетях
2.1 Расчёт электрических нагрузок в сетях напряжением 380/220 В
Электрические нагрузки в сетях напряжением 380/220 В складываются из нагрузок жилых домов, общественных и коммунальных учреждений производственных потребителей, а также нагрузки наружного освещения.
Подсчёт нагрузок по участкам линий проводят после выбора количества трансформаторных подстанций (ТП), места их установки и нанесения трассы линии на план объекта. Затем отходящие от ТП линии разбивают на участки длиной не более 100 м. Все однородные потребители, присоединённые к данному участку линии, объединяют в группы и определяют их суммарную нагрузку отдельно по дневному Рд и отдельно по вечернему Рв максимумам. При смешанной нагрузке создаются отдельные группы из потребителей жилых домов, производственных, общественных, коммунальных предприятий.
Для расчета электрических нагрузок вычерчиваем план населенного пункта в масштабе, располагаем на плане производственные нагрузки, группируем все коммунально-бытовые потребители, присваиваем номера группам.
Нагрузку на вводе в жилой дом определим по номограмме ([1], рис. 3.1.) исходя из существующего годового потребления электроэнергии (согласно заданию 850 кВт·ч) на седьмой расчётный год. При годовом потреблении 1050 кВт·ч/дом расчётная нагрузка на вводе составляет Рр.i. =2,3кВт·ч/дом.
Для определения суммарной расчётной активной нагрузки всего населённого пункта делим все потребители по соизмеримой мощности на группы и определим расчётную нагрузку каждой группы по формулам:
, (2.1)
, (2.2)
где Рд , Рв – соответственно расчетная дневная и вечерняя нагрузка потребителей и их групп, кВт;
n – количество потребителей в группе, шт.;
Pр – расчетная нагрузка на вводе к потребителю, кВт;
kд , kв – соответственно коэффициент участия нагрузки в дневном и вечернем максимуме, для коммунальных потребителей (дома без электроплит) kд = 0,3, kв = 1 ([1], стр. 39);
kо – коэффициент одновременности, принимается в зависимости от количества потребителей в группе и нагрузки на вводе (для жилых домов) (таблица 5.1 [1]).
Первая группа: жилые дома (107 домов):
Рд.1. = 0.258·2.3·107·0.3 = 19.1 кВт,
Рв.1. = 0.258·2.3·107·1 = 63.5 кВт.
Вторая группа: административное здание, плотницкая, магазин,пожарное депо
кВт, (2.3)
кВт. (2.4)
Коэффициент одновремённости k0 = 0.775
Третья группа:дом культуры, хлебопекарня, баня, фельдшерско-акушерский пункт
Рд.3. = 0.775· (5+5+3+4) =13,18 кВт,
Рв.3. = 0.775· (3+4+2+0) =6,98 кВт.
Коэффициент одновремённости k0 = 0.775
Расчётная нагрузка уличного освещения определяется по формуле:
Вт =11.8 кВт (2.5)
где Руд.ул. = 5.5 Вт/м – удельная нагрузка на один погонный метр улицы, для поселковых улиц с асфальтобетонными и переходными типами покрытий с шириной проезжей части 5…7 м;
ℓул. – общая длина улиц м;
Суммируя расчётные нагрузки всех трёх групп
Данное действие производится согласно формуле:
кВт, (2.6)
кВт. (2.7)
где РБ – большая из нагрузок, кВт;
∆РД.i , ∆РВ.i – соответственно надбавка соответствующая меньшей дневной и вечерней нагрузке, кВт.
Расчётная мощность ТП определяется по вечернему максимуму нагрузки, т.к. он больший. С учётом уличного освещения расчётная мощность ТП определяется по формуле:
РТП = РТП.В. + РР.УЛ. = 77+ 11.8 = 88,8 кВт. (2.8)
Определяем средневзвешенный коэффициент мощности по формуле:
, (2.9)
где cosφi – коэффициент мощности i-го потребителя;
Рi – мощность i-го потребителя, кВт.
![]()
![]()
Таблица 2.1 коэффициенты мощности производственных потребителей.
| № | Потребитель | Pд, кВт |
Qд, кВт |
Pв, кВт |
Qв, кВт |
cosjД | cosjв |
| 1 | Плотницкая | 10 | 8 | 1 | 0 | 0,78 | 1 |
| 2 | Хлебопекарня производительностью 3т/сутки | 5 | 4 | 5 | 4 | 0,78 | 0,78 |
| 3 | Пожарное депо на 1…2 автомашины | 4 | 3 | 4 | 2 | 0,8 | 0,89 |
| 4 | Административное здание на 15-25 рабочих мест | 15 | 10 | 8 | 0 | 0,83 | 1 |
| 5 | Дом культуры со зрительным на 150-200 мест | 5 | 3 | 14 | 8 | 0,86 | 0,87 |
| 6 | Фельдшерско-окушерский пункт | 4 | 0 | 4 | 0 | 1 | 1 |
| 7 | Магазин со смешанным ассортиментом 6-10 мест | 4 | 0 | 4 | 2 | 1 | 0,89 |
| 8 | Баня на 5 мест | 3 | 2 | 3 | 2 | 0,83 | 0,83 |
Полная расчётная нагрузка на шинах ТП дневного максимума определяется по следующей формуле:
кВ·А. (2.10)
Полная расчётная нагрузка на шинах ТП вечернего максимума определяется по следующей формуле:
кВ·А.
Для определения числа ТП первоначально необходимо определить допустимые потери напряжения. Исходными данными для расчета электрических сетей являются допустимые нормы отклонения напряжения. Для сельскохозяйственных потребителей при нагрузке 100% оно не должно выходить за пределы +5%, а при нагрузке 25% за пределы 0% от номинального.
Допустимые потери напряжения в линиях 10кВ и 0,38кВ определяются путем составления таблиц отклонения напряжения. Как правило, при составлении таблиц рассматривают ближайшую и удаленную трансформаторные подстанции в режиме максимальной (100%) и минимально (25%) нагрузки. В нашем случае следует определить потери напряжения и надбавку для проектируемой ТП.
Определяем допустимые потери напряжения и надбавку трансформатора результаты сводим в таблицу 2.2.
Таблица №2.2. Определение допустимых потерь напряжения и оптимальных надбавок трансформатора
N п/п |
Элементы схемы | Нагрузка | |
| 100% | 25% | ||
| 1 | Шины питающей подстанции | +7 | -2 |
| 2 | ВЛ – 10кВ | -8 | 0,5 |
| 3 | Трансформатор 10/0,38 кВ: надбавка потери напряжения |
+7,5 -4.0 |
+7,5 -1.0 |
| 4 | Линия 0,38 кВ потери во внутренних сетях потери во внешних сетях |
-1,5 -6 |
0 0 |
| 5 | Отклонение напряжения у потребителя | -5.0 | 5 |
Число ТП для населённого пункта определим по формуле:
шт, (2.11)
Принимаем NТП =2
где F = 0.37 км2 – площадь населённого пункта;
∆U% =6% – допустимая потеря напряжения, которая определена согласно табл. 2.2 (потери во внешних сетях).
Т.к. число ТП равно двум, то делим населённый пункт на две примерно равные зоны и дальнейший расчёт производим для каждой зоны отдельно. В каждой зоне сгруппируем однородные потребители в группы и присвоим им
номера 1, 2, 3 и т.д. На плане населённого пункта наметим трассы ВЛ 380/220В и разобьём их на участки не более 100 м.
На плане населённого пункта нанесём оси координат и определим координаты нагрузок групп жилых домов и отдельных потребителей для каждой из зон отдельно.
Определим нагрузки групп жилых домов отдельно для дневного и вечернего максимумов.
Расчётная нагрузка группы из 4 жилых домов:
• дневная
кВт;
• вечерняя
кВт.
Расчётная нагрузка группы из 5 жилых домов:
• дневная
кВт;
• вечерняя
кВт.
Расчётная нагрузка группы из 6 жилых домов:
• дневная
кВт;
• вечерняя
кВт.
Расчётная нагрузка группы из 7 жилых домов:
• дневная
кВт;
• вечерняя
кВт.
Полученные значения координат нагрузок, дневные и вечерние расчётные нагрузки, а также значения коэффициентов мощности (см. табл. 2.1) сведём в таблицу 2.3.
Таблица №2.3. Результат расчёта нагрузок отдельных потребителей и групп однородных потребителей и их координат
| Номер потре-бителей и групп | Наименование потребителей | Расчётная мощность, кВт | Координаты нагрузок | Коэффициент мощности | ||||||||||
| Рд | Рв | х | у | cosφд | cosφв | |||||||||
| 1-я зона | ||||||||||||||
| 1 | 7 домов | 2,27 | 7,57 | 358 | 205 | 0.9 | 0,93 | |||||||
| 3 | 4 дома | 1,6 | 5,38 | 290 | 142 | 0.9 | 0,93 | |||||||
| 4 | 6 домов | 2,1 | 6,9 | 210 | 185 | 0.9 | 0,93 | |||||||
| 5 | 4 дома | 1,6 | 5,38 | 143 | 202 | 0.9 | 0,93 | |||||||
| 6 | Баня на 5 мест | 3 | 3 | 92 | 215 | 0.83 | 0.83 | |||||||
| 7 | 5 домов | 1,83 | 6.1 | 410 | 125 | 0.9 | 0,93 | |||||||
| 8 | Фельдшерско-окушерский пункт | 4 | 4 | 460 | 125 | 1 | 1 | |||||||
| 9 | 5 домов | 1,83 | 6.1 | 501 | 128 | 0.9 | 0,93 | |||||||
| 10 | 6 домов | 2,1 | 6,9 | 560 | 132 | 0.9 | 0,93 | |||||||
| 11 | 4 дома | 1,6 | 5,38 | 345 | 62 | 0.9 | 0,93 | |||||||
| 12 | Дом культуры со зрительным на 150-200 мест | 5 | 14 | 295 | 52 | 0.86 | 0,87 | |||||||
| 13 | Хлебопекарня производительностью 3т/сутки | 5 | 5 | 286 | 54 | 0,78 | 0,78 | |||||||
| 14 | 5 домов | 1,83 | 6.1 | 220 | 62 | 0.9 | 0,93 | |||||||
| 15 | 6 домов | 2,1 | 6,9 | 142 | 96 | 0.9 | 0,93 | |||||||
| 16 | 5 домов | 1,83 | 6.1 | 52 | 102 | 0.9 | 0,93 | |||||||
| Итого | ||||||||||||||
| 2-я зона | ||||||||||||||
| 17 | 7 домов | 2,27 | 7,57 | 350 | 382 | 0.9 | 0,93 | |||||||
| 18 | 6 домов | 2,1 | 6,9 | 350 | 450 | 0.9 | 0,93 | |||||||
| 19 | 4 дома | 1,6 | 5,38 | 350 | 542 | 0.9 | 0,93 | |||||||
| 21 | 4 дома | 1,6 | 5,38 | 302 | 294 | 0.9 | 0,93 | |||||||
| 22 | Магазин со смешанным ассортиментом 6-10 мест | 4 | 4 | 273 | 295 | 1 | 0,89 | |||||||
| 23 | 7 домов | 2,27 | 7,57 | 200 | 297 | 0.9 | 0,93 | |||||||
| 24 | 5 домов | 1,83 | 6.1 | 120 | 298 | 0.9 | 0,93 | |||||||
| 25 | Пожарное депо на 1…2 автомашины | 4 | 4 | 412 | 300 | 0,8 | 0,89 | |||||||
| 26 | 6 домов | 2,1 | 6,9 | 490 | 302 | 0.9 | 0,93 | |||||||
| 27 | Административное здание на 15-25 рабочих мест | 15 | 8 | 556 | 303 | 0.83 | 1 | |||||||
| 28 | Плотницкая | 10 | 1 | 590 | 304 | 0,78 | 1 | |||||||
| 29 | 5 домов | 1,83 | 6.1 | 596 | 314 | 0.9 | 0,93 | |||||||
| 30 | 6 домов | 2,1 | 6,9 | 600 | 392 | 0.9 | 0,93 | |||||||
| Итого | ||||||||||||||
Определим центр нагрузок для каждой зоны по формуле:
(2.12)

Аналогичным образом производим расчёт центра нагрузки для второй зоны и получаем, что Х2 = 393м и Y2 = 348м
3. Определение допустимых потерь напряжения и оптимальных надбавок трансформатора
Cоставим расчетную схему низковольтной сети. Привяжем ее к плану населенного пункта и намеченным трассам низковольтных линий. Нанесем потребители, укажем их мощность, обозначим номера расчетных участков и их длину.
Определим нагрузки на участках низковольтной линии. Результаты расчета сводим в таблицу 3.1.

Рис. 1. Расчётная схема ВЛ 0,38 кВ для ТП1

Рис.2. Расчётная схема ВЛ 0,38 кВ для ТП2
ТП-1
Участок 9-10
Активная нагрузка для:
• дневного максимума
кВт,
• вечернего максимума
кВт.
Коэффициент мощности на участке для:
• дневного максимума
![]()
• вечернего максимума
![]()
Полная нагрузка для:
• дневного максимума
кВ·А,
• вечернего максимума
кВ·А.
Участок 8-9
Активная нагрузка для:
• дневного максимума
кВт,
• вечернего максимума
кВт.
Коэффициент мощности на участке для:
• дневного максимума
,
• вечернего максимума
.
Полная нагрузка для:
• дневного максимума
кВ·А,
• вечернего максимума
кВ·А.
Участок 7-8.
Активная нагрузка для:
• дневного максимума
кВт,
• вечернего максимума
кВт.
Коэффициент мощности на участке для:
• дневного максимума
,
• вечернего максимума
.
Полная нагрузка для:
• дневного максимума
кВ·А,
• вечернего максимума
кВ·А.
Участок 2-7.
Активная нагрузка для:
• дневного максимума
кВт,
• вечернего максимума
кВт.
Коэффициент мощности на участке для:
• дневного максимума
,
• вечернего максимума
.
Полная нагрузка для:
• дневного максимума
кВ·А,
• вечернего максимума
кВ·А.
Участок 2-1.
Активная нагрузка для:
• дневного максимума
кВт,
• вечернего максимума
кВт.
Коэффициент мощности на участке для:
• дневного максимума
,
• вечернего максимума
![]()
Полная нагрузка для:
• дневного максимума
кВ·А,
• вечернего максимума
кВ·А.
Участок ТП-2.
Активная нагрузка для:
• дневного максимума
кВт,
• вечернего максимума
кВт.
Коэффициент мощности на участке для:
• дневного максимума
,
• вечернего максимума
.
Полная нагрузка для:
• дневного максимума
кВ·А,
• вечернего максимума
кВ·А.
Участок 5-6
Активная нагрузка для:
• дневного максимума
кВт,
• вечернего максимума
кВт.
Коэффициент мощности на участке для:
• дневного максимума
,
• вечернего максимума
![]()
Полная нагрузка для:
• дневного максимума
кВ·А,
• вечернего максимума
кВ·А.
Участок 4-5.
Активная нагрузка для:
• дневного максимума
кВт,
• вечернего максимума
кВт.
Коэффициент мощности на участке для: дневного максимума
,
• вечернего максимума
.
Полная нагрузка для:
• дневного максимума
кВ·А,
• вечернего максимума
кВ·А.
Участок 3-4.
Активная нагрузка для:
• дневного максимума
кВт,
• вечернего максимума
кВт.
Коэффициент мощности на участке для:
• дневного максимума
,
• вечернего максимума
![]()
Полная нагрузка для:
• дневного максимума
кВ·А,
• вечернего максимума
кВ·А.
Участок ТП-3
Активная нагрузка для:
• дневного максимума
кВт,
• вечернего максимума
кВт.
Коэффициент мощности на участке для:
• дневного максимума
,
• вечернего максимума
.
Полная нагрузка для:
• дневного максимума
кВ·А,
• вечернего максимума
кВ·А.
Участок 15-16
Активная нагрузка для:
• дневного максимума
кВт,
• вечернего максимума
кВт.
Коэффициент мощности на участке для:
• дневного максимума
,
• вечернего максимума
![]()
Полная нагрузка для:
• дневного максимума
кВ·А,
• вечернего максимума
кВ·А.
Участок 14-15
Активная нагрузка для:
• дневного максимума
кВт,
• вечернего максимума
кВт.
Коэффициент мощности на участке для:
• дневного максимума
![]()
• вечернего максимума
.
Полная нагрузка для:
• дневного максимума
кВ·А,
• вечернего максимума
кВ·А.
Участок 13-14
Активная нагрузка для:
• дневного максимума
кВт,
• вечернего максимума
кВт.
Коэффициент мощности на участке для:
• дневного максимума
![]()
• вечернего максимума
.
Полная нагрузка для:
• дневного максимума
кВ·А,
• вечернего максимума
кВ·А.
Участок 12-13
Активная нагрузка для:
• дневного максимума
кВт,
• вечернего максимума
кВт.
Коэффициент мощности на участке для:
• дневного максимума
![]()
• вечернего максимума
.
Полная нагрузка для:
• дневного максимума
кВ·А,
• вечернего максимума
кВ·А.
Участок 11-12
Активная нагрузка для:
• дневного максимума
кВт,
• вечернего максимума
кВт.
Коэффициент мощности на участке для:
• дневного максимума
![]()
• вечернего максимума
.
Полная нагрузка для:
• дневного максимума
кВ·А,
• вечернего максимума
кВ·А.
Участок ТП-11
Активная нагрузка для:
• дневного максимума
кВт,
• вечернего максимума
кВт.
Коэффициент мощности на участке для:
• дневного максимума
![]()
• вечернего максимума
.
Полная нагрузка для:
• дневного максимума
кВ·А,
• вечернего максимума
кВ·А.
Аналогичным образом рассчитываем оставшийся участки для ТП-2, полученные результаты занесем в таблицу 3.1
Таблица 3.1. Расчетная нагрузка на участках ВЛ 380/220 В. ТП1
Номер участка |
Расчётная мощность Рр.д., кВт | Расчётная мощность Рр.в., кВт | Коэффициент мощности cosφд | Коэффициент мощности cosφв | Максимальная полная мощность Sуч.д., кВ*А | Максимальная полная мощность Sуч.в., кВ*А | К-o одновременн | Надбавка ∆Pд кВт | Надбавка ∆Pв кВт | Наружное освещение кВТ |
| 9-10 | 2,1 | 6,9 | 0,9 | 0,93 | 2,333333 | 7,419355 | - | - | - | 0,4 |
| 8-9 | 2,9475 | 9,75 | 0,9 | 0,93 | 3,275 | 10,48387 | 0.75 | - | - | 0,3 |
| 7-8 | 5,8 | 12,15 | 0,957575 | 0,950364 | 6,056969 | 12,78458 | - | 1.8 | 2.4 | 0,3 |
| 2-7 | 6,9 | 15,8 | 0,943766 | 0,943557 | 7,311136 | 16,74514 | - | 1.1 | 3.65 | 0,4 |
| 2-1 | 2,27 | 6,1 | 0,9 | 0,93 | 2,522222 | 6,55914 | - | - | - | 0,4 |
| ТП-2 | 8,2 | 19,4 | 0,932932 | 0,939781 | 8,789496 | 20,64311 | - | 1.3 | 3.6 | 0,43 |
| 5-6 | 3 | 3 | 0,83 | 0,83 | 3,614458 | 3,614458 | - | - | - | 0,43 |
| 4-5 | 3,95 | 7,18 | 0,854348 | 0,8942 | 4,62341 | 8,029519 | - | 0.95 | 1.8 | 0,5 |
| 3-4 | 5,2 | 11,28 | 0,870194 | 0,911744 | 5,975679 | 12,37189 | - | 1.25 | 4.1 | 0,5 |
| ТП-3 | 6,15 | 14,38 | 0,877207 | 0,91764 | 7,010886 | 15,67064 | - | 0.95 | 3.1 | 0,3 |
| 15-16 | 1,83 | 6,1 | 0,9 | 0,93 | 2,033333 | 6,55914 | - | - | - | 0,4 |
| 14-15 | 2,9475 | 9,75 | 0,9 | 0,93 | 3,275 | 10,48387 | 0.75 | - | - | 0,5 |
| 13-14 | 3,583125 | 11,8875 | 0,9 | 0,93 | 3,98125 | 12,78226 | 0.75 | - | - | 0,3 |
| 12-13 | 7,15 | 14,8875 | 0,830095 | 0,885588 | 8,613468 | 16,81086 | - | 2.15 | 3 | 0,2 |
| 11-12 | 10,15 | 23,3875 | 0,842402 | 0,878034 | 12,04888 | 26,63622 | - | 3 | 8.5 | 0,2 |
| ТП-11 | 11,1 | 26,5375 | 0,850245 | 0,887752 | 13,05506 | 29,89291 | - | 0.95 | 3.15 | 0,4 |
Таблица 3.1. Расчетная нагрузка на участках ВЛ 380/220 В. ТП2
Номер участка |
Расчётная мощность Рр.д., кВт | Расчётная мощность Рр.в., кВт | Коэффициент мощности cosφд | Коэффициент мощности cosφв | Максимальная полная мощность Sуч.д., кВ*А | Максимальная полная мощность Sуч.в., кВ*А | К-т одновременн | Надбавка ∆Pд кВт | Надбавка ∆Pв кВт | Наружное освещение кВТ |
| 18-19 | 1,6 | 5,38 | 0,9 | 0,93 | 1,777778 | 5,784946 | - | - | - | 0,5 |
| 17-18 | 2,775 | 9,21 | 0,9 | 0,93 | 3,083333 | 9,903226 | 0.75 | - | - | 0,5 |
| ТП-17 | 3,78375 | 12,585 | 0,9 | 0,93 | 4,204167 | 13,53226 | 0.75 | - | - | 0,4 |
| 23-24 | 1,83 | 6,1 | 0,9 | 0,93 | 2,033333 | 6,55914 | - | - | - | 0,3 |
| 22-23 | 3,075 | 10,2525 | 0,9 | 0,93 | 3,416667 | 11,02419 | 0.75 | - | - | 0,41 |
| 21-22 | 5,8 | 12,6525 | 0,956537 | 0,918774 | 6,063539 | 13,77107 | - | 1.8 | 2.4 | 0,53 |
| 20-21 | 6,75 | 15,8025 | 0,944313 | 0,922123 | 7,148055 | 17,13708 | - | 0.95 | 3.15 | 0,2 |
| ТП-20 | 6,75 | 15,8025 | 0,944313 | 0,922123 | 7,148055 | 17,13708 | - | - | - | 0,72 |
| 29-30 | 2,1 | 6,9 | 0,9 | 0,93 | 2,333333 | 7,419355 | - | - | - | 0,41 |
| 28-29 | 2,9475 | 9,75 | 0,9 | 0,93 | 3,275 | 10,48387 | 0.75 | - | - | 0,37 |
| 27-28 | 11,8 | 10,35 | 0,807318 | 0,936512 | 14,6163 | 11,05165 | - | 1.8 | 0.6 | 0,2 |
| 26-27 | 22,3 | 15,15 | 0,820013 | 0,96419 | 27,19469 | 15,71266 | - | 7.3 | 4.8 | 0,4 |
| 25-26 | 23,55 | 19,25 | 0,826897 | 0,953491 | 28,47996 | 20,18896 | - | 1.25 | 4.1 | 0,5 |
| ТП-25 | 25,95 | 21,65 | 0,822992 | 0,942568 | 31,53129 | 22,96916 | - | 2.4 | 2.4 | 0,4 |
| 5.84 |
Зная расчётную нагрузку на участках линии, уточним суммарную нагрузку на шинах ТП. Она получается путём суммирования расчётных нагрузок отходящих от ТП линий (для ТП1 участки ТП1-2, ТП1-3, ТП1-11; для ТП2 участки ТП2-17, ТП2-20, ТП2-25).
ТП1:
кВт,
кВт.
ТП2:
кВт,
кВт.
Т.к. расчётная нагрузка в вечерний максимум выше, то расчёт мощностей ТП ведём по вечернему максимуму.
Активная нагрузка ТП1 и ТП2 с учетом уличного освещения определим по формуле:
кВт,
кВт
Определим более точные значения коэффициента мощности для ТП1 и ТП2 по формуле:
Для ТП1:
.
Для ТП2:

Определим полные расчётные мощности ТП по формуле:
Для ТП1:
кВ·А.
Для ТП2:
кВ·А.
По полной расчётной мощности выбираем мощность и тип трансформатора. Согласно ([2], приложение 19) выбираем для ТП1 и ТП2 трансформатор ТМ63-10/0,4 со следующими техническими данными:
Номинальная мощность SТР , кВ·А ………………………………… 63
Схема соединения обмоток ……………………………………..Y/Yн-0
Потери холостого хода ∆РХХ , Вт ………………………………….. 240
Потери короткого замыкания ∆РКЗ , Вт ………………………….. 1280
Напряжение короткого замыкания UКЗ , % от UН …………………. 4,5
Находим экономические нагрузки на участках по формуле:
,
где SУЧ – полная мощность участка, кВ·А;
КД = 0,7 – коэффициент динамики роста нагрузок ([3], стр. 28).
Произведём расчёт для ТП1:
Дневной максимум: Вечерний максимум:
кВ·А;
кВ·А;
кВ·А;
кВ·А;
кВ·А;
кВ·А;
кВ·А;
кВ·А;
кВ·А;
кВ·А;
кВ·А;
кВ·А;
кВ·А.
кВ·А.
кВ·А;
кВ·А;
кВ·А;
кВ·А;
кВ·А;
кВ·А;
кВ·А.
кВ·А.
кВ·А;
кВ·А;
кВ·А;
кВ·А;
кВ·А;
кВ·А;
кВ·А;
кВ·А;
кВ·А;
кВ·А;
Проводим аналогичный расчёт для ТП2 и результат расчёта сводим в табл. 2.5.
По экономическим интервалам нагрузок ([2] приложение 32) выберем марку и сечение проводов. Минимальное допустимое сечение по механической прочности 25 мм2 для проводов марки «А» ([4], таблица 3.2). В целях удобства монтажа и эксплуатации ВЛ рекомендуется применять не более 3…4 сечений. Первоначально на всей линии используем провод А25.
Район по гололеду 1-й. Для 1-ой группы по скоростному напору ветра V = 16 м/с и наибольшей стреле провеса среднегеометрическое расстояние между проводами D не менее 400 мм.
Определяем фактические потери напряжения на участках и сравним их с допустимыми (согласно табл. 2.2 допустимая потеря напряжения не должна превышать для ВЛ 0,38 кВ (внешние сети) 6%).
,
где SУЧ – полная мощность участка, кВ·А;
ℓУЧ – длина участка, км;
UН – номинальное линейное напряжение, кВ;
r0 – удельное активное электрическое сопротивление провода постоянному току при 20 0 С, Ом/км (принимаем согласно [2] приложение 1);
х0 – индуктивное сопротивление для ВЛ, Ом/км (принимаем согласно [2] приложение 15) при среднем геометрическом расстоянии между проводами 400 мм;
Для линии 1:
Для дневного максимума:
В;
В;
В;
В;
В;
В;
Для вечернего максимума:
В;
В;
В;
В;
В;
В;
Определим потерю напряжения на участках в % по следующей формуле:
,
где UН – номинальное линейное напряжение, В.
Для линии 1:
Для дневного максимума:
![]()
![]()
![]()
![]()
![]()
![]()
Для вечернего максимума:
![]()
![]()
![]()
![]()
![]()
![]()
Проводим аналогичный расчёт для остальных участков и результат сводим в табл. 2.5. Затем следует произвести проверку на соответствии потери напряжения в конце линий. Если сумма потерь напряжения участков будет большей, чем 3.5%, то необходимо на первом участке от ТП увеличить сечение провода на одну ступень (например, вместо А25 взять А35), что приведёт к изменению r0 и х0 , а следовательно и к уменьшению потерь напряжения. Замену проводов на участках производить до тех пор, пока потери напряжения не войдут в допустимые пределы. Максимально возможное сечение проводов для ВЛ 0,38 кВ (в крайних случаях) составляет 70 мм2 , т.е. провод А70.
Таблица №2.5. Результат расчёта ВЛ 0,38 кВ
| Номер участка | Экономическая нагрузка Sэ.д., кВА | Экономическая нагрузка Sэ.в., кВА | Марка и сечение проводов | Сопротивление проводов | ∆Uд, В | ∆Uв, В | ∆Uд, % | ∆Uв, % | |
| Актив-ное rо, Ом/км | Реактив-ное хо, Ом/км | ||||||||
| ТП1 | |||||||||
| 9-10 | 1,6333 | 5,1948 | 4А25+А25 | 1.14 | 0.319 | 0,54 | 1,65 | 0,136 | 0,43 |
| 8-9 | 2,2925 | 7,34 | 4А25+А25 | 1.14 | 0.319 | 0,48 | 1,55 | 0,127 | 0,41 |
| 7-8 | 4,2478 | 8,9496 | 4А25+А25 | 1.14 | 0.319 | 0,98 | 2,07 | 0,258 | 0,54 |
| 2-7 | 5,1175 | 11,726 | 4А25+А25 | 1.14 | 0.319 | 1,55 | 3,54 | 0,407 | 0,93 |
| 2-1 | 1,7656 | 4,5918 | 4А25+А25 | 1.14 | 0.319 | 0,62 | 1,63 | 0,163 | 0,42 |
| ТП-2 | 6,1527 | 14,458 | 4А25+А25 | 1.14 | 0.319 | 1,64 | 3,85 | 0,430 | 1,01 |
| 5-6 | 2,5302 | 2,5302 | 4А25+А25 | 1.14 | 0.319 | 0,64 | 0,64 | 0,169 | 0,16 |
| 4-5 | 3,2367 | 5,6204 | 4А25+А25 | 1.14 | 0.319 | 1,11 | 1,96 | 0,292 | 0,51 |
| 3-4 | 4,1825 | 8,6603 | 4А25+А25 | 1.14 | 0.319 | 1,52 | 3,20 | 0,399 | 0,84 |
| ТП-3 | 4,907 | 10,965 | 4А25+А25 | 1.14 | 0.319 | 1,11 | 2,52 | 0,291 | 0,66 |
| 15-16 | 1,4233 | 4,5918 | 4А25+А25 | 1.14 | 0.319 | 0,45 | 0,97 | 0,118 | 0,25 |
| 14-15 | 2,2925 | 7,338 | 4А25+А25 | 1.14 | 0.319 | 0,80 | 2,46 | 0,211 | 0,64 |
| 13-14 | 2,7865 | 8,9471 | 4А25+А25 | 1.14 | 0.319 | 0,59 | 1,90 | 0,154 | 0,50 |
| 12-13 | 6,0228 | 11,776 | 4А25+А25 | 1.14 | 0.319 | 0,92 | 1,84 | 0,241 | 0,48 |
| 11-12 | 8,4317 | 18,646 | 4А25+А25 | 1.14 | 0.319 | 1,44 | 3,23 | 0,378 | 0,85 |
| ТП-11 | 9,1343 | 20,924 | 4А25+А25 | 1.14 | 0.319 | 2,50 | 5,83 | 0,658 | 1,53 |
| ТП2 | |||||||||
| 18-19 | 1,2444 | 4,0495 | 4А25+А25 | 1.14 | 0.319 | 0,45 | 1,50 | 0,120 | 0,39 |
| 17-18 | 2,1583 | 6,9323 | 4А25+А25 | 1.14 | 0.319 | 0,79 | 2,57 | 0,209 | 0,67 |
| ТП-17 | 2,9429 | 9,4726 | 4А25+А25 | 1.14 | 0.319 | 0,82 | 2,68 | 0,217 | 0,70 |
| 23-24 | 1,4233 | 4,5914 | 4А25+А25 | 1.14 | 0.319 | 0,36 | 1,17 | 0,095 | 0,31 |
| 22-23 | 2,3917 | 7,7169 | 4А25+А25 | 1.14 | 0.319 | 0,58 | 1,91 | 0,154 | 0,50 |
| 21-22 | 4,2445 | 9,6397 | 4А25+А25 | 1.14 | 0.319 | 1,13 | 2,55 | 0,298 | 0,67 |
| 20-21 | 5,0036 | 11,996 | 4А25+А25 | 1.14 | 0.319 | 0,71 | 1,69 | 0,187 | 0,44 |
| ТП-20 | 5,0036 | 11,996 | 4А25+А25 | 1.14 | 0.319 | 0,71 | 1,69 | 0,187 | 0,44 |
| 29-30 | 1,6333 | 5,1935 | 4А25+А25 | 1.14 | 0.319 | 0,30 | 0,96 | 0,080 | 0,25 |
| 28-29 | 2,2925 | 7,3387 | 4А25+А25 | 1.14 | 0.319 | 0,42 | 1,36 | 0,112 | 0,36 |
| 27-28 | 10,231 | 7,7362 | 4А25+А25 | 1.14 | 0.319 | 1,04 | 0,82 | 0,276 | 0,21 |
| 26-27 | 19,036 | 10,998 | 4А25+А25 | 1.14 | 0.319 | 4,17 | 2,48 | 1,097 | 0,65 |
| 25-26 | 19,936 | 14,132 | 4А25+А25 | 1.14 | 0.319 | 5,66 | 4,13 | 1,492 | 1,08 |
| ТП-25 | 22,071 | 16,078 | 4А25+А25 | 1.14 | 0.319 | 5,12 | 3,85 | 1,349 | 1,01 |
Проведём проверку на соответствие потери напряжения в линиях.
ТП1
Линия ТП1-2:
• дневной максимум:
∆UД% =0.136+0.127+0.258+0.407+0.163+0.43=1.5% < 6%;
• вечерний максимум:
∆UВ% =0.43+0.41+0.54+0.93+0.42+1.01=3.74% < 3.5%.
Линия ТП1-3:
• дневной максимум:
∆UД% =0.169+0.292+0.399+0.291=1.15% < 6%;
• вечерний максимум:
∆UВ% =0.16+0.51+0.84+0.66=2.17% < 6%.
Линия ТП1-11:
• дневной максимум:
∆UД% =0.118+0.211+0.154+0.241+0.378+0.658=1.76% < 6%;
• вечерний максимум:
∆UВ% =0.25+0.64+0.5+0.48+0.85+1.53=4.25% < 6%.
Остальные потери рассчитываем по аналогии и сводим в таблицу № 3.2
Таблица № 3.2 потери напряжения в линии.
| Участки ТП | ∆UД% | ∆UВ% |
| ТП1 | ||
| ТП-2 | 1.5 | 3.74 |
| ТП-3 | 1.15 | 2.17 |
| ТП-11 | 1.76 | 4.25 |
| ТП2 | ||
| ТП-17 | 0.55 | 1.78 |
| ТП-20 | 0.92 | 2.38 |
| ТП-25 | 1.35 | 1.01 |
Потери в конце линий не превышает допустимых значений, о чём свидетельствует вышеприведенная проверка.
4. Электрический расчет сети 10кВ
Электрический расчет сети 10кВ производится с целью выбора сечения и марки проводов линии, питающей ТП, а также проверки качества напряжения у потребителя. При расчете пользуемся методом расчета электрических сетей по экономическим интервалам нагрузок.

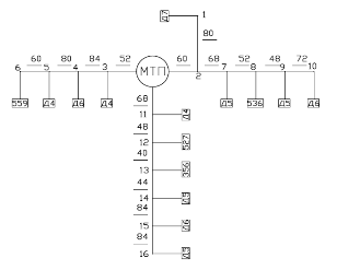
Рис. 3. Расчётная схема линии 10 кВ
4.1 Определение расчетных нагрузок
Расчетные максимальные нагрузки (отдельно – дневные и вечерние) участков сети определяются по сумме расчетных мощностей населенных пунктов, расположенных за этим участком, по следующей формуле:
Pр = Pнаиб. + SDР, (4.1)
где Рр – расчетное значение максимальной мощность, кВт;
Рнаиб. – наибольшее значение мощности, кВт;
SDР – сумма надбавок (таблица 3.10 [3]), кВт.
Пользуясь расчетной схемой высоковольтной сети определяем максимальные нагрузки. Расчеты сводим в таблицу 4.1.
Таблица 4.1 Расчет максимальных нагрузок сети 10кВ.
| Участок сети | Расчет максимальной нагрузки |
| 7-8 | Р7-8д = Р8д =70 кВт, Р7-8в = Р8в =100 кВт |
| 7-9 | Р7-9д = Р 9д =160 кВт, Р7-9в = Р 9в =200 кВт, |
| 6-7 | Р6-7д = Р7-9д + DР7-8Д +DР7Д =160+52+115=327 кВт, Р6-7в= Р 7в + DР7-8в +DР7-9в =250+74.5+155=479.5 кВт, |
| 6-10 | Р6-10д = Р 10д =200 кВт, Р6-10в = Р10в =75кВт, |
| 1-6 | Р1-6д = Р 6-7д + DР6-10д +DР6д =327+155+15.1=497.1 кВт, Р1-6в = Р6-7в+DР6-10в +DР6в =479.5+56+74.5=610 кВт |
| 3-5 | Р3-5д = Р5д =51.85 кВт, Р3-5в = Р5в =86.19 кВт |
| 3-4 | Р3-4д = Р4д = 120 кВт, Р3-4в = Р4в = 150 кВт |
| 2-3 | Р2-3д = Р3-4д +DР3-5д +DР3д =120+37+36.5=193.5 кВт, Р2-3в = Р3-4в +DР3-5в +DР3в =150+65+67=282 кВт |
| 1-2 | Р1-2д = Р2-3д +DР 2д =193.5+115=308.5 кВт, Р1-2в = Р 2-3в +DР2в =282+59.5=341.5 кВт, |
| ИП-1 | РИП-1д =Р1-6д + DР1-2д +DР1д =497.1+243+32.4 =772.5 кВт, РИП-1в = Р1-6в + DР1-2в +DР1в =610+267+63=940 кВт |
4.2 Определение средневзвешенного коэффициента мощности
Далее рассчитываем средневзвешенный коэффициент мощности по следующей формуле:
![]()
(4.2)
где Pi – расчетная мощность i – го потребителя, кВт;
Таблица 4.2 Значения cosj для всех участков линии.
| Номер НП | Рд/Рв | cosjд | cosjв |
| 1 | 0.53 | 0.88 | 0.93 |
| 2 | 1,88 | 0.73 | 0.73 |
| 3 | 0.56 | 0.88 | 0.93 |
| 4 | 0.8 | 0.83 | 0.91 |
| 5 | 0.6 | 0.81 | 0.84 |
| 6 | 2.3 | 0.73 | 0.73 |
| 7 | 0.6 | 0.88 | 0.93 |
| 8 | 0.7 | 0.83 | 0.91 |
| 9 | 0.8 | 0.83 | 0.91 |
| 10 | 2.67 | 0.73 | 0.73 |
Пользуясь расчетной схемой, определяем средневзвешенный коэффициент мощности:
Участок сети 7-8:
![]()
Участок сети 7-9
![]()
Участок сети 6-7

Участок сети 6-10
![]()
Участок сети 1-6

Участок сети 3-5
![]()
Участок сети 3-4
![]()
Участок сети 2-3

Участок сети 1-2

Участок сети ИП-1

4.3 Определение полных мощностей на участках сети.
Определяем полную расчетную мощность на всех участках сети, кВА по следующей формуле:
(4.3)
где Рр – расчетная мощность на участке, кВт;
cosj - коэффициент мощности.
4.4 Определение эквивалентной мощности
Определяем эквивалентную нагрузку по следующей формуле
Получаем:
Участок сети 7-8
![]()
Участок сети 7-9
![]()
Участок сети 6-7
![]()
Участок сети 6-10
![]()
Участок сети 1-6
![]()
Аналогичным образом определяем эквивалентную мощность на других участках сети. Полученные значения сводим в таблицу 4.3.
Таблица 4.3 Результаты расчетов полной и эквивалентной мощностей.
| Участок сети | Pд , | Pв , | сosд | сosв | Sд , | Sв , | Sэд , | Sэв , |
| кВт | кВт | КВА | КВА | КВА | КВА | |||
| 7-8 | 70 | 100 | 0,83 | 0,91 | 84,33735 | 109,8901 | 59,03614 | 76,92308 |
| 7-9 | 160 | 200 | 0,83 | 0,91 | 192,7711 | 219,7802 | 134,9398 | 153,8462 |
| 6-7 | 327 | 479,5 | 0,849737 | 0,919091 | 384,825 | 521,7112 | 269,3775 | 365,1978 |
| 6-10 | 200 | 75 | 0,73 | 0,73 | 273,9726 | 102,7397 | 191,7808 | 71,91781 |
| 1-6 | 497,1 | 610 | 0,801189 | 0,868532 | 620,4529 | 702,3346 | 434,317 | 491,6342 |
| 3-5 | 51,85 | 86,19 | 0,81 | 0,84 | 64,01235 | 102,6071 | 44,80864 | 71,825 |
| 3-4 | 120 | 150 | 0,83 | 0,91 | 144,5783 | 164,8352 | 101,2048 | 115,3846 |
| 2-3 | 193,5 | 282 | 0,836595 | 0,897022 | 231,2948 | 314,3736 | 161,9064 | 220,0615 |
| 1-2 | 308,5 | 341,5 | 0,790047 | 0,860111 | 390,4832 | 397,0418 | 273,3383 | 277,9292 |
| ИП-1 | 772,5 | 940 | 0,801317 | 0,870798 | 964,0376 | 1079,469 | 674,8263 | 755,6286 |
4.5 Определение сечения проводов на участках линии
В целях удобства монтажа и эксплуатации ВЛ рекомендуется применять не более 3 – 4 сечений.
Толщина слоя гололеда b = 5 мм. Район по гололеду – I.
Подбираем:
Участок 8-7:
Интервал экономических нагрузок до 400кВА. Выбираем провод
АС-25 (по минимально допустимой прочности сечение для ВЛ 10кВ–АС-35).
Аналогичным образом предварительно подбираем сечения проводов для других участков. Результаты сводим в таблицу 4.4.
4.6 Определение потерь напряжения на участках линии
Потеря напряжения на участке сети определяется по следующей формуле:
(4.5)
(4.6)
где Sуч – расчетная мощность участка сети, кВА;
l – длина участка, км;
r0 х0 – активное и инлуктивное сопротивление проводов:
для провода АС-35: r0 =0.973 a x0 =0.352, для провода АС-50: r0 =0.592 a x0 =0.341; для провода АС-70: r0 =0.42 a x0 =0.327
Участок 7-8

Участок 7-9

Участок 6-7

Участок 6-10

Участок 1-6

Аналогичным образом рассчитываем потери напряжения на остальных участках линии. Результаты расчетов сводим в таблицу 4.5.
Таблица 4.4 Результаты расчетов линии 10кВ (по большей нагрузке).
| Участок | Мощность | Длина участка, км | Марка | Потери напряжения на участках,% | ||
| Актив-ная, кВт | Полная, кВА | Эквива-лентная, кВА | провода | |||
| 7-8 | 100 | 84,34 | 76,92 | 3,3 | АС-35 | 0,308 |
| 7-9 | 200 | 192,77 | 153,85 | 1,7 | АС-50 | 0,256 |
| 6-7 | 479,5 | 384,83 | 365,20 | 3 | АС-70 | 1,322 |
| 6-10 | 75 | 273,97 | 71,92 | 3,3 | АС-35 | 0,273 |
| 1-6 | 610 | 620,45 | 491,63 | 2,3 | АС-50 | 0,851 |
| 3-5 | 86,19 | 64,01 | 71,83 | 2,4 | АС-35 | 0,207 |
| 3-4 | 150 | 144,58 | 115,38 | 3,2 | АС-50 | 0,359 |
| 2-3 | 282 | 231,29 | 220,06 | 4 | АС-70 | 0,656 |
| 1-2 | 341,5 | 390,48 | 277,93 | 4,4 | АС-70 | 0,922 |
| ИП-1 | 940 | 964,04 | 755,63 | 4,6 | АС-70 | 2,614 |
Падение напряжение для участков, связывающих эти точки линии с ИП, будет определяется следующим образом:
Линия Л1:
DUИП-4=DUИП-1+DU1-2 +DU2-3+DU3-4 =2,614+0,922+0,656+0,359=4.56%
Линия Л2:
DUИП-8=DUИП-1+DU1-6 +DU6-7 +DU 7-8 =2,614+0,851+1,322+0,308=5.1%
Линия Л3:
DUИП-10=DUИП-1+DU1-6 +DU6-10=2,614+0,851+0,273=3.74%
Если падение напряжения не будет входить в допустимые пределы, то увеличиваем сечение, начиная с первого участка, до тех пор, пока падение напряжения не будет удовлетворять норме(8.0% в данном случае)
Наибольшее значение падения напряжения DUнаиб. = DUИП-5 = 5.1%,
Проверяем условие DUдоп ≥ DUнаиб, DUдоп – потеря напряжения в сети 10 кВ (таблица 3.2), DUдоп =8 %.
Так как условие 8 >5.1 выполняется, делаем вывод, что сечения и марки проводов выбраны верно.
5. Определение потерь электрической энергии
5.1 Определение потерь электрической энергии в сетях 0.38кВ
Потери электрической энергии определяются по следующей формуле:
(5.1)
где S0 -полная мощность на участке;
r0 – удельное электрическое сопротивление проводов, Ом/км;
l – длина участка, км;
t - время максимальных потерь, ч.

Аналогичным образом рассчитываем потери электрической энергии на других участках линии. Полученные данные сводим в таблицу 5.1
Таблица 5.1 Потери электрической энергии в линии 0.38кВ
| Номер участка | Длина участка ℓуч, км | Расчётная мощность Рр., кВт | Коэффициент мощности cosφ | Максимальная полная мощность Sуч, кВА | Марка и сечение проводов | Активное сопротивление проводов ro, Ом/км | Время использования максимальной нагрузки Тmax, ч | Время потерь τ, ч | Потеря энергии на участке ∆Wв, кВт·ч | |||||||||
| ТП1 | ||||||||||||||||||
| 9-10 | 0,072 | 6,9 | 0,93 | 7,419355 | 4А25+А25 | 1.14 | 900 | 400 | 28,16 | |||||||||
| 8-9 | 0,048 | 9,75 | 0,93 | 10,48387 | 4А25+А25 | 1.14 | 900 | 400 | 37,49 | |||||||||
| 7-8 | 0,052 | 12,15 | 0,950364 | 12,78458 | 4А25+А25 | 1.14 | 1200 | 450 | 80,52 | |||||||||
| 2-7 | 0,068 | 15,8 | 0,943557 | 16,74514 | 4А25+А25 | 1.14 | 1200 | 450 | 180,64 | |||||||||
| 2-1 | 0,08 | 6,1 | 0,93 | 6,55914 | 4А25+А25 | 1.14 | 900 | 400 | 24,45 | |||||||||
| ТП-2 | 0,06 | 19,4 | 0,939781 | 20,64311 | 4А25+А25 | 1.14 | 1200 | 450 | 242,23 | |||||||||
| 5-6 | 0,06 | 3 | 0,83 | 3,614458 | 4А25+А25 | 1.14 | 900 | 400 | 5,57 | |||||||||
| 4-5 | 0,08 | 7,18 | 0,8942 | 8,029519 | 4А25+А25 | 1.14 | 900 | 400 | 36,65 | |||||||||
| 3-4 | 0,084 | 11,28 | 0,911744 | 12,37189 | 4А25+А25 | 1.14 | 1200 | 450 | 121,81 | |||||||||
| ТП-3 | 0,052 | 14,38 | 0,91764 | 15,67064 | 4А25+А25 | 1.14 | 1200 | 450 | 120,98 | |||||||||
| 15-16 | 0,072 | 6,1 | 0,93 | 6,55914 | 4А25+А25 | 1.14 | 900 | 400 | 22,01 | |||||||||
| 14-15 | 0,08 | 9,75 | 0,93 | 10,48387 | 4А25+А25 | 1.14 | 900 | 400 | 62,48 | |||||||||
| 13-14 | 0,048 | 11,8875 | 0,93 | 12,78226 | 4А25+А25 | 1.14 | 1200 | 450 | 74,30 | |||||||||
| 12-13 | 0,036 | 14,8875 | 0,885588 | 16,81086 | 4А25+А25 | 1.14 | 1700 | 750 | 136,54 | |||||||||
| 11-12 | 0,04 | 23,3875 | 0,878034 | 26,63622 | 4А25+А25 | 1.14 | 2200 | 1000 | 492,91 | |||||||||
| ТП-11 | 0,064 | 26,5375 | 0,887752 | 29,89291 | 4А25+А25 | 1.14 | 2200 | 1000 | 993,29 | |||||||||
| ТП2 | ||||||||||||||||||
| 18-19 | 0,084 | 5,38 | 0,93 | 5,784946 | 4А25+А25 | 1.14 | 900 | 400 | 8,88 | |||||||||
| 17-18 | 0,084 | 9,21 | 0,93 | 9,903226 | 4А25+А25 | 1.14 | 900 | 400 | 26,02 | |||||||||
| ТП-17 | 0,064 | 12,585 | 0,93 | 13,53226 | 4А25+А25 | 1.14 | 1200 | 450 | 41,64 | |||||||||
| 23-24 | 0,058 | 6,1 | 0,93 | 6,55914 | 4А25+А25 | 1.14 | 900 | 400 | 7,88 | |||||||||
| 22-23 | 0,056 | 10,2525 | 0,93 | 11,02419 | 4А25+А25 | 1.14 | 1200 | 450 | 24,18 | |||||||||
| 21-22 | 0,06 | 12,6525 | 0,918774 | 13,77107 | 4А25+А25 | 1.14 | 1200 | 450 | 40,42 | |||||||||
| 20-21 | 0,032 | 15,8025 | 0,922123 | 17,13708 | 4А25+А25 | 1.14 | 1200 | 450 | 33,39 | |||||||||
| ТП-20 | 0,092 | 15,8025 | 0,922123 | 17,13708 | 4А25+А25 | 1.14 | 1200 | 450 | 95,99 | |||||||||
| 29-30 | 0,056 | 6,9 | 0,93 | 7,419355 | 4А25+А25 | 1.14 | 900 | 400 | 9,73 | |||||||||
| 28-29 | 0,056 | 9,75 | 0,93 | 10,48387 | 4А25+А25 | 1.14 | 900 | 400 | 19,44 | |||||||||
| 27-28 | 0,032 | 10,35 | 0,936512 | 11,05165 | 4А25+А25 | 1.14 | 1700 | 750 | 23,14 | |||||||||
| 26-27 | 0,068 | 15,15 | 0,96419 | 15,71266 | 4А25+А25 | 1.14 | 1700 | 750 | 99,40 | |||||||||
| 25-26 | 0,088 | 19,25 | 0,953491 | 20,18896 | 4А25+А25 | 1.14 | 1700 | 750 | 212,38 | |||||||||
| ТП-25 | 0,072 | 21,65 | 0,942568 | 22,96916 | 4А25+А25 | 1.14 | 2200 | 1000 | 299,89 | |||||||||
5.2 Определение потерь электрической энергии в линии 10кВ
Расчет ведем так же как и для линии 0.38кВ.

Аналогичным образом рассчитываем потери энергии на остальных участках. Результаты расчетов сводим в таблицу 5.2.
Таблица 5.2 Потери электрической энергии в линии 10кВ.
| Номер участка | Длина участка ℓуч, км |
Расчётная мощность Рр. кВт |
Коэффициент мощности cosφ |
Максимальная полная мощность Sуч, кВА |
Марка и сечение проводов | Активное сопротивление проводов ro, Ом/км | Время использования максимальной нагрузки Тmax, ч |
Время потерь τ, ч | Потеря энергии на участке ∆Wв, кВт·ч |
||
| 7-8 | 3,3 | 100 | 0,91 | 84,34 | АС-35 | 0.773 | 2500 | 1500 | 462,0637604 | ||
| 7-9 | 1,7 | 200 | 0,91 | 192,77 | АС-50 | 0.592 | 3200 | 1800 | 875,0247555 | ||
| 6-7 | 3 | 479,5 | 0,919091 | 384,83 | АС-35 | 0.773 | 3400 | 2000 | 12623,82677 | ||
| 6-10 | 3,3 | 75 | 0,73 | 273,97 | АС-35 | 0.592 | 2500 | 1500 | 309,316945 | ||
| 1-6 | 2,3 | 610 | 0,868532 | 620,45 | АС-35 | 0.42 | 3400 | 2000 | 9530,052681 | ||
| 3-5 | 2,4 | 86,19 | 0,84 | 64,01 | АС-35 | 0.773 | 2500 | 1500 | 292,9794666 | ||
| 3-4 | 3,2 | 150 | 0,91 | 144,58 | АС-35 | 0.592 | 3200 | 1800 | 926,4967999 | ||
| 2-3 | 4 | 282 | 0,897022 | 231,29 | АС-35 | 0.42 | 3400 | 2000 | 3320,712855 | ||
| 1-2 | 4,4 | 341,5 | 0,860111 | 390,48 | АС-35 | 0.42 | 3400 | 2000 | 5826,454084 | ||
| ИП-1 | 4,6 | 940 | 0,870798 | 964,04 | АС-50 | 0.42 | 3400 | 2000 | 45025,41955 | ||
Определим потери электрической энергии до нашего расчетного пункта т.е.:
DW0-5= DWИП-1 + DW1-2 +DW2-3 +DW3-5 =45025+5826+3320+292,97=54464 кВт
ч
5.3 Определение годовых потерь электрической энергии в трансформаторе
Потери энергии за год ∆W в трансформаторе складываются из потерь в обмотках трансформатора (∆РОБ ) и потери в стали (РХ.Х ). Потери в обмотках при номинальной нагрузке принимаются равными потерям короткого замыкания (РК ), тогда
(5.2)
где DPм.н – потери в обмотках трансформатора при номинальном токе нагрузки, кВт;
Smax – максимальная полная нагрузка трансформатора, кВА;
t - время максимальных потерь трансформатора, ч;
DPх.х. – потери холостого хода трансформатора, кВт;
8760 – число часов в году.

5.4 Определение общих потерь
Общие потери определяются по следующей формуле:
(5.3)
где DWтр – потери в трансформаторе, кВт.ч;
SDW – суммарные потери, кВт.ч;
Получаем:
![]()
6. Конструктивное выполнение линий 10 И 0,38 кВ, трансформаторных подстанций 10/0,4 кВ
Воздушные линии 10 кВ выполняются проводами марки «АС». Их крепят на железобетонных одностоечных, свободно стоящих, а анкерные и угловые с подкосами. Провода крепим к изоляторам типа ШФ – 10Г.
Низковольтные линии для питания сельских потребителей выполняют на напряжение 380/220 В с глухозаземленной нейтралью. Магистральные линии для питания потребителей выполняют пятипроводными: три фазных провода, один нулевой и один фонарный.
Опоры ВЛ поддерживают провода на необходимом расстоянии от поверхности земли, проводов, других линий и т.п. Опоры должны быть достаточно механически прочными. На ВЛ применяются железобетонные, деревянные опоры. Принимаем установку железобетонных опор высотой 10 м над поверхностью земли. Расстояние между проводами на опоре и в пролете при наибольшей стреле провеса (1,2 м) должно быть не менее 40 см.
Основное назначение изоляторов – изолировать провода от опор и других несущих конструкций. Материал изоляторов должен удовлетворять следующим требованиям: выдерживать значительные механические нагрузки, быть приспособленным к работе на открытом воздухе под действием температур, осадков, солнца и т.д.
Выбираем для ВЛ – 0,38 кВ изоляторы типа НС – 16. Провода крепим за головку изолятора, на поворотах к шейке изолятора.
Для электроснабжения населенных пунктов широко применяются закрытые трансформаторные подстанции (ЗТП) 10/0,38 кВ. Как правило, сельские ЗТП сооружаются в отдельно стоящих одно- или двухэтажных кирпичных или блочных зданиях. Вне зависимости от конструкции здания они разделяются на три отсека: отсек трансформатора, отсек РУ 10 кВ и отсек РУ 0,38 кВ. Распределительное устройство 10 кВ комплектуется из камер заводского изготовления КСО. Распределительное устройство 0,38 кВ может состоять из шкафов серии ЩО-70, ЩО-94 и др. шкафы ЩО-70-3 отличаются от шкафов ЩО-70-1 и ЩО-70-2 сеткой схем электрических соединений, габаритами, которые уменьшены по высоте на 200 мм.
ЩО-70-3 имеет следующие типы панелей:
· панели линейные;
· панели вводные;
· панели секционные.
Подстанция имеет защиты:
1. от грозовых перенапряжений (10 и 0,38 кВ);
2.от многофазных (10 и 0,38) и однофазных (0,38) токов короткого замыкания;
3.защита от перегрузок линии и трансформатора;
4.блокировки.
7. Расчет токов короткого замыкания
Расчет токов короткого замыкания производится для решения следующих основных задач:
- выбор и оценка схемы электрических соединений;
- выбор аппаратов и проверка проводников по условиям их работы при коротком замыкании;
- проектировании защитных заземлений;
- подбор характеристик разрядников для защиты от перенапряжений;
- проектирование и настройка релейных защит.
1.Составляем расчетную схему
![]()
К1
К2
К3
![]()
![]()
АС35АC50 4А50 4А35 4А25
![]()
![]()
![]()
![]()
![]()
![]()
![]()
~
11км 4км 0.108км 0.084км 0.164км
ST = 63 кВ·А; ΔUК% =4.5%; ΔPХХ =0.33кВт;
∆PК =1.970кВт; ZТ(1) =0.779 Ом.
Расчет ведем в относительных единицах.
2.Задаемся базисными значениями
SБ =100 МВА; UБВ =1,05UН =10,5 кВ; UБН =0,4 кВ.
3.Составляем схему замещения
![]()
![]()
К1
К2
К3
![]()
![]()
![]()
![]()
![]()
![]()
![]()
![]()
![]()
ХС
ZT
![]()
Рис. 8.2. Схема замещения.
4.Определяем сопротивления элементов схемы замещения в относительных единицах:
– системы:
![]()
Определяем сопротивление ВЛ-10кВ:
![]()
![]()
– трансформатора: ![]()
Так как его величина очень мала;

– ВЛ 0,4 кВ:
![]()
![]()
5.Определяем результирующее сопротивление до точки К1
К1
![]()
![]()
![]()
Z*К1
![]()
![]()
![]()
![]()
6.Определяем базисный ток в точке К1
![]()
7.Определяем токи и мощность к.з. в точке К1 .

где КУ –ударный коэффициент, при к.з. на шинах 10 кВ КУ =1.2.
![]()
8.Определяем результирующее сопротивление до точки К2 :
К2
![]()
![]()
![]()
Z*К2
![]()
![]()
![]()
9.Определяем базисный ток в точке К2 :
![]()
10.Определяем токи и мощность к.з. в точке К2 :

Ку =1при к.з. на шинах 0,4 кВ ТП 10/0,4 кВ.
![]()
11.Определяем результирующее сопротивление до точки К3 :
К3
![]()
![]()
![]()
Z*К3
![]()
![]()
![]()
12.Определяем токи и мощность к.з. в точке К3 :

![]()
Ку =1 для ВЛ – 0.38 кВ.
Однофазный ток к.з. определяем в именованных единицах:

где
- фазное напряжение, кВ;
- полное сопротивление трансформатора при однофазном коротком замыкании на корпус трансформатора, Ом;
- сопротивление петли «фаза – ноль», Ом.

![]()
![]()
![]()
Результаты расчетов сводим в таблицу 8.1.
Таблица 8.1 Результаты расчета токов к.з.
№ п/п |
Место к.з. | IК (3) , кА |
IК (2) , кА |
IК (1) , кА |
iУК , кА |
SК (3) , МВА |
| 1 | К1 | 0.5 | 0.44 | - | 0.85 | 9.09 |
| 2 | К2 | 1.88 | 1.64 | - | 2.66 | 1.3 |
| 3 | К3 | 0.57 | 0.5 | 0.279 | 0.8 | 0.39 |
8. Выбор аппаратов защиты
После выбора типа и мощности ТП, расчета токов короткого замыкания производим выбор оборудования ТП.
Для обеспечения надежной работы электрические аппараты должны быть выбраны по условиям максимального рабочего режима и проверены по режиму токов короткого замыкания.
Составляем схему электрических соединений подстанции (Рисунок 6), на которой показываем все основные электрические аппараты. Расчет сводится к сравнению каталожных величин аппаратов с расчетными.
![]()
![]()
QS
![]()
![]()
![]()
![]()
![]()
![]()
![]()
FV1
![]()
FU
![]()
![]()
![]()
![]()
![]()
![]()
![]()
![]()
![]()
![]()
![]()
![]()
T
![]()
![]()
![]()
![]()
FV2
SQ
![]()
![]()
![]()
![]()
![]()
![]()
QF
![]()
![]()
![]()
Рисунок 6 Схема электрических соединений подстанции
В соответствии с ПУЭ электрические аппараты выбирают по следующим параметрам:
1. Выбор разъединителя
| Расчетные значения | Условие выбора | РЛНД – 10/400 |
![]() |
|
|
где
– номинальное напряжение аппарата, кВ;
– номинальное напряжение установки, кВ;
– номинальный ток разъединителя, А;
– номинальный расчетный ток, А;
– амплитудное значение предельного сквозного тока к.з., кА;
– ток термической стойкости, кА;
– предельное время протекания тока, с;
– действующее значение установившегося тока к.з., кА,
;
– условное время действия тока к.з., с.
2. Выбор предохранителя
| Расчетные значения | Условие выбора | ПК – 10/30 |
|
|
|
где
– номинальное напряжение предохранителя, кВ;
– номинальный ток предохранителя, А.
Выбор рубильника
| Расчетные значения | Условие выбора | РПЦ – 32 |
![]() |
|
|
3. Выбор автоматического выключателя
| Расчетные значения | Условие выбора | А3726ФУЗ |
![]() |
![]() |
![]() |
где Uн.авт. – номинальное напряжение автоматического выключателя, В;
Uн.уст. – номинальное напряжение сети, В;
Iавт – номинальный ток автоматического выключателя, А;
Iр.макс. – максимальный рабочий ток цепи, защищаемой автоматом, А;
Iн.т.расц. – номинальный ток теплового расцепителя автомата, А;
Kз. – коэффициент надежности, учитывающий разброс по току срабатывания теплового расцепителя, принимается в пределах от 1,1 до 1,3;
Iн.э.расц. – ток отсечки электромагнитного расцепителя, А;
kн. – коэффициент надежности, учитывающий разброс по току электроагнитного расцепителя и пускового тока электродвигателя
(для автоматов АП-50, АЕ-2000 и А3700 kн.э =1,25, для А3100 kн.э =1,5);
Iпред.откл – предельный отключаемый автоматом ток, А.
9. Защита отходящих линий 0,38кВ.
Основные аппараты защиты сетей 0.38кВ от коротких замыканий – плавкие предохранители и автоматические выключатели. Учитывая, что сеть 0,38кВ работает с глухозаземленной нейтралью, защиту от коротких замыканий следует выполнять в трехфазном исполнении, предохранители или расцепители автоматов устанавливают в каждой фазе. При наличии максимального расцепителя автомата в нулевом проводе он должен действовать на отключение всех трех фаз, и в этом случае допускается устанавливать два расцепителя для защиты от междуфазных коротких замыканий. В качестве устройств защиты от перегрузок используют те же аппараты, однако тепловой расцепитель автоматического выключателя действует более надежно и четко, чем предохранитель.
На вводах в трансформаторов 0,38кВ и отходящих от КТП 10/0,38кВ линиях наибольшее применение получили автоматические выключатели типов АП50 (на КТП мощностью 25 … 40кВА), А3100 (сняты с производства) и А3700,. В ряде случаев используются блоки “предохранитель –выключатель” типа БПВ-31…34 с предохранителями типа ПР2. Применяемые на КТП автоматы АП50 2МТ30 имеют два электромагнитных и три тепловых расцепителя, а также расцепитель в нулевом проводе на ток, равный номинальному току теплового расчепителя. Автоматы А3124 … А3144 и А3700ФУЗ имеют по три электромагнитных и тепловых расцепителя, а также независимый расцепитель с обмоткой напряжения. Для защиты от однофазных замыканий в нулевом проводе устанавливают реле тока РЭ571Т, действующее на независимый расцепитель.
Для КТП 10/0,38кВ, оснащенных автоматическими выключателями типа А3100, А3700 и АЕ20, имеющих независимый расцепитель, разработана и выпускается промышленностью полупроводниковая защита типа ЗТИ-0,4,обеспечивающае повышенную чувствительность действие при коротких замыканий. Защита представляет собой приставку к автомату, размещаемую под ним в низковольтном шкафу КТП. Конструктивно она выполнена в фенопластовом корпусе.
ЗТИ предназначено для защиты трехфазных четырехпроводных воздушных линий 0,38кВ с глухозаземленной нейтралью и повторными заземлениями нулевого провода от междуфазных и однофазных коротких замыканий, а также замыканий фаз на землю. Для подключения к линии ЗТИ имеет четыре токовых входа, через которые пропускают три фазных и нулевой провода линии.
Защита действует на независимый расцепитель автоматического выключателя. Защиты от междуфазных и фазных на нулевой провод коротких замыканий имеют обратнозависимые от тока характеристики время срабатывания и ступенчатую регулировку по току и времени срабатывания. Уставку защиты от замыканий на землю не регулируют.
Защита ЗТИ – 0,4У2 позволяет повысить надежность и уровень электробезопасности ВЛ 0,38 кВ.
10. Защита от перенапряжений и заземление
10.1 Защита от перенапряжений
Большая протяженность сельских линий повышает вероятность атмосферных перенапряжений в них в грозовой сезон и служит основной причиной аварийных отключений.
Трансформаторные подстанции 10/0.38кВ не защищаются молниеотводами. Для защиты ТП от перенапряжений применяют вентильные и трубчатые разрядники на 10кВ.Для тупиковых ТП на вводе устанавливают вентильные разрядники FU.
На ВЛ в соответствии с ПУЭ, в зависимости от грозовой активности устанавливается защитное заземление (в условиях РБ через 2 на третей опоре или через 120м), cопротивление заземления – не более 30 Ом.
На линях с железобетонными опорами крюки, штыри фазных проводов и арматуру соединяют с заземлением.
10.2 Заземление
Согласно ПУЭ, расстояние между грозозащитным заземлением на
ВЛ – 0.38кВ должно быть не более 120м. Заземление устанавливается на опорах ответвлений в здания, где может находиться большое количество людей, и на расстоянии не менее 50м от конечных опор.
Диаметр заземляющего провода не менее 6мм, а сопротивление одиночного заземлителя – не более 30 Ом.
Повторное заземление рабочего проводника должно быть на концах ВЛ или ответвлениях от них длиной более 200м, на вводах в здание, оборудование которых подлежит занулению.
Сопротивление заземления ТП не должно превышать 4 Ом, с учетом всех повторных, грозозащитных и естественных заземлений.
10.3 Расчет заземления ВЛ 0.38кВ.
Определение расчетного сопротивления грунта для стержневых электродов.
Расчетное сопротивление грунта для стержневых электродов определяюется по следующей формуле:
(10.1)
где Kc – коэффициент сезонности, принимаем Kc = 1.15;
K1 – коэффициент учитывающий состояние земли во время исзмерения, принимаем Kc = 1;
rизм. – удельное сопротивление грунта, Ом/м;
Cопротивление вертикального заземлителя из круглой стали определяется по следующей формуле:
(10.2)
где l – длина заземлителя, принимаем, l = 5м;
d – диаметр заземлителя, принимаем d = 12мм;
hср – глубина заложения стержня, т.е. расстояние от поверхности земли до середины стержная: hср = l/2 + h’ = 2,5 + 0,8 = 3,3м;
h’ – глубина заглубления электрода, принимаем h’ = 0,8м;
Получаем:
![]()
Сопротивление повторного заземлителя
При r ≥100 Ом.м сопротивление повторного заземлителя определяется по следующей формуле:
(10.3)
Для повторного заземления принимаем 1 стержень длиной 5 м и диаметром 12 мм, сопротивление которого 27.34 Ом<30 Ом.
Определяем число стержней
(10.6)
Принимаем 3 стержня и располагаем их через 5 м друг от друга.
Длина полосы связи:
l=3 шт ∙ 5м =15м
Сопротивление полосы связи
(10.7)
где d – ширина полосы прямоугольного сечения, м;
h – глубина заложения горизонтального заземлителя,
Определение действительное число стержней:
(10.8)
Принимаем 3 стержня.
(10.9)
В соответствии с ПУЭ сопротивление заземляющего устройства при присоединении к нему электрооборудования напряжением до и выше 1000 В не должно быть более 10 Ом. В нашем случае rИСК =9.5 Ом ≤ 10 Ом.
Сопротивление заземляющих устройств с учетом повторных заземлений нулевого провода
(10.10)
Заземление выполнено правильно.
Если расчет выполнять без учета полосы связи, то действительное число стержней
(10.11)
и для выполнения заземления нужно было бы принять 5 стержня.
Литература
1) Янукович Г.И. Расчет электрических нагрузок в сетях сельскохозяйственного назначения. Мн.: БГАТУ, 2003
2) Будзко И.А., Зуль Н.М. «Электроснабжение сельского хозяйства» М.:Агропромиздат, 1990.
3) Янукович Г.И. Расчёт линий электропередачи сельскохозяйственного назначения. Мн.:БГАТУ,2002
4) Поворотный В.Ф. Методические указания по расчету электрических нагрузок в сетях 0,38...110 кВ сельскохозяйственного назначения. Мн.: БИМСХ, 1984.
5) Нормы проектирования сетей, 1994.
6) Каганов И.Л. Курсовое и дипломное проектирование. М.: Агропромиздат, 1990.
7) ПУЭ
8) Янукович Г.И. Расчёт линий электропередачи сельскохозяйственного назначения. Мн.:БГАТУ,2002.
9) Янукович Г.И., Поворотный В.Ф., Кожарнович Г.И. Электроснабжение сельскохозяйственных предприятий и населенных пунктов. Методические указания к курсовому проекту для студентов специальности С.03.02.00. Мн.: БАТУ, 1998.
10) Янукович Г.И. Расчет линий электропередач сельскохозяйственного назначения. Учебное пособие. Мн.: БГАТУ, 2004.
11) Елистратов П.С. Электрооборудование сельскохозяйственных предприятий. Справочник. Мн.: Ураджай, 1986.
12) Нормы проектирования сетей, 1994.








