| Скачать .docx |
Курсовая работа: Основні методи нанесення епітаксіальних шарів напівпровідника
Сумськийдержавний університет
Фізико-технічний факультет
Кафедра прикладної фізики
КУРСОВА РОБОТА
з дисципліни
„ТЕХНОЛОГІЧНІ ОСНОВИ ЕЛЕКТРОНІКИ”
Тема роботи: „Основні методи нанесення епітаксіальних шарів напівпровідника”
Суми – 2007
ЗМІСТ
Вступ
1 Фізичні основи процесу епітаксія
2 Автоепітаксія кремнію із газової фази
2.1 Конструкції установок для одержання епітаксійних шарів кремнію
2.2 Механізм осадження кремнію із газової фази
2.3 Легування кремнію при рості епітаксійних плівок
3 Молекулярно-променева епітаксія
3.1 Загальна характеристика молекулярно-променевої епітаксії
3.2 Обладнання для молекулярно-променевої епітаксії
3.3 Підготовка поверхні підкладки
3.3.1 Температури епітаксі
3.4 Легування
3.4.1 Модульоване легування
3.5 Особливості гетероепітаксія кремнію на фосфіді галію
Висновки
Список літератури
ВСТУП
Причиною появи епітаксіальної технології послужила необхідність вдосконалення процесу виготовлення біполярних транзисторів [2].
На початку створення інтегральних мікросхем область колектора формувалася за допомогою базового технологічного процесу термічної дифузії, але при цьому концентрація активної домішки була максимальною на поверхні, і плавно змінювалася до глибини
, приймаючи на дні колектора мінімальне значення [1].
Оскільки струм в транзисторі тече по дну колектора і в горизонтальному напрямку, де відповідно найбільший опір з причини малої кількості активної домішки, то це призводить до того, що на транзисторі розсіюється велика потужність і він сильно нагрівається [3]. З цієї причини свого часу, на основі наукових досліджень, було прийнято рішення використовувати для формування тіла колектора замість термічної дифузії базовий технологічний процес – епітаксію.
Епітаксія - це процес нарощування на кристалічній підкладці атомів впорядкованих в монокристалічну структуру, причому структура нарощуваної плівки повністю повторює кристалічну орієнтацію підкладки [1].
Практичне значення має випадок, коли легована епітаксіальна плівка вирощується на легованій пластині, тобто коли одночасно з атомами кремнію в зростанні кристала беруть участь і атоми легуючого елементу. При різних типах домішки в пластині і у вирощуваній плівці на межі їх розділу утворюється p-n перехід.
Таким чином в эпітаксіально-планарных структурах тонкий эпітаксільний шар (2-10 мкм) містить елементи ІМС, а підкладка товщиною 500 мкм відіграє конструктивну роль [2].
1 ФІЗИЧНІ ОСНОВИ ПРОЦЕСУ ЕПІТАКСІЯ
При газофазній епітаксії атоми кремнію і домішки виділяються на пластині в результаті хімічних реакцій із з'єднань кремнію і легуючого елементу. Для досконалості важливо перш за все, щоб у вирощуванні шарів кристалу брали участь одиночні атоми, а не їх групи (алгомерати), що заздалегідь об'єдналися в газовій фазі. Тому характер хімічних реакцій, повинен бути гетерогенний, тобто виділення атомів кремнію і домішки повинно відбуватися безпосередньо на пластині, а не в газовій фазі. Початкові реагенти повинні бути підібрані так, щоб молекули побічних продуктів реакції при заданій температурі легко десорбувались з поверхні пластини і не забруднювали її. Іншими словами, енергія зв'язку цих молекул з поверхнею пластини повинна бути істотно нижче їх вільній енергії[2].

Рисунок 1 – будова кристалічноїрешітки типу алмазу [10]
Із-за порушення безперервності решітка на поверхні пластини володіє надлишком вільних зв'язків і діє орієнтуючим чином на атоми, що конденсуються з газової фази. Чим з більшим числом атомів решітки вступає в зв'язок конденсований атом, тим більш стійкий стан (велика енергія зв'язку), в який він переходить [2]. Розподіл вільних зв'язків в площині епітаксіального зростання і найбільш вірогідна послідовність добудови решітки атомами залежить від кристалічної будови напівпровідника і кристалографічної орієнтації площини пластини.
Відомо що кремній має кристалічну решітку типу алмазу. Елементарна комірка кремнію є гранецентрованим кубом усередині якого знаходяться чотири атоми, розміщені на відстані а/4 (а – параметр решітки) від найближчих трьох граней куба [3]. Закономірність
Будова кристалічної решітки типу алмазу, добудови решітки визначається тетраедричним характером міжатомних зв'язків: кожен атом оточений чотирма атомами, розташованими на відстані
[3] від нього і пов'язаними з ним ковалентно.
Вірогідність того, що атом займе найвірогідніше орієнтоване положення, що відповідає мінімуму вільної енергії, зростає з підвищенням рухливості атомів, тобто температури пластини. При високій щільності адсорбованих атомів на поверхні пластини рухливість їх знижується внаслідок взаємодії. Звідси витікає, що більш довершену структуру за інших рівних умов можна одержати при невисоких швидкостях росту плівки.
Істотний внесок в недосконалість структури епітаксіального шару вносить поверхня пластини. Дислокації, що виходять на поверхню пластини, успадковуються нарощуваним шаром. Дислокації і дефекти упаковки зароджуються також через те, що на межі розділу пластина-плівка, що росте, є механічні порушення решітки, через забруднення і деформації решітки, що є наслідком відмінності в ступені легування пластини і шару [2].
Дефекти упаковки при цьому здатні розвиватися у міру зростання плівки і “підходити” один до одного. Про досконалість структури епітаксіальної плівки можна судити по фігурах і ямках травлення, які виникають на поверхні контрольного зразка. Щільність дефектів визначається як числом дефектів на 1 см поверхні відносно дефектів упаковки (фігури травлення) і дислокацій (ямки травлення). Оскільки рухливість носіїв заряду залежить від щільності дефектів (при заданій концентрації домішок і температурі), вона також використовується як показник досконалості структури.
Таким чином, основні умови, що забезпечують досконалість структури епітаксіального шару, наступні [2]:
- хімічні реакції виділення атомів кремнію і домішки повинні бути гетерогенними, що виключають утворення агломератів;
- необхідна висока температура пластини і обмежена швидкість осадження атомів, що забезпечує високу рухливість адсорбованих атомів на пластині;
- з поверхні пластини повинні бути усунені механічні пошкодження і різного роду забруднення.
Зародження епітаксіальних частинок. Вивчення процесів зародження епітаксіальних частинок методом електронної мікроскопії показало, що зародки утворюються на дефектних ділянках кристалічних граней. Спочатку вважали, що місцями вибіркового зародження є сходинки на поверхні, в тому числі і мікросходинки. Потім була висунута ідея, що на грані іонного монокристала зародки утворюються на дефектах решітки та їх скупченнях. Ця ідея була повністю підтверджена експериментально [5].
Процес утворення зародків дуже чутливий до наявності дефектів безпосередньо на поверхні кристала або біля поверхні. Поверхневі дефекти, які мають електронний заряд, є ефективними центрами конденсації. Цим можна пояснити орієнтований ріст плівок на тонких аморфних шарах, нанесених безпосередньо на кристалеву підкладку [5].
Механізми епітаксіального росту. Найбільш перспективний теоретичний напрямок вивчення епітаксії пов'язаний з уявленням про дефекти кристалічної будови яквирішального фактору при зародженні та формуванніепітаксіальних плівок. Причому під дефектами розуміються як точкові дефекти, так і дефекти невідповідності решіток на межі їх зрощення. Виходячи зі сказаного, пропонується така класифікація механізмів епітаксіального росту [5]:
а) регулярна, без дефектна епітаксія з пружною компенсацієюневідповідності, яка містить такі види [5]:
- автоепітаксію;
- епітаксію при малій різниці параметрів решіток;
- епітаксію з малою відмінністю симетрії решіток;
б) регулярна, бездислокаційна епітаксія з виникненням спеціальної поверхні розділу, яка містить наступні види:
- спряження з утворенням двійникової межі або дефекту упаковки;
- спряження різних фаз, решітки яких допускають . регулярність спряження;
в) регулярна епітаксія з додатковою компенсацією невідповідності з точковими дефектами, в тому числі [5]:
- ізольованими точковими дефектами;
- ланцюжком точкових дефектів;
- надрешітками вакансій або домішкових атомів;
г) регулярна епітаксія з компенсацією невідповідності з крайовими і гвинтовими дислокаціями невідповідності [5];
д) нерегулярна епітаксія з виникненням розділу з такою ж структурою, як і на межі з великим кутом повороту [5].
У процесі росту епітаксіального шару види епітаксії можуть безперервно змінюватися з переходом із одного її різновиду в інший. Крім того, енергетичний мінімум для одного виду спряження необов'язково повинен збігатися з енергетичним мінімумом для іншого. Так, наприклад, для спряження на точкових дефектах може виявитися вигідною одна орієнтація, а для спряження на дислокаціях – інша [5].
2 АВТОЕПІТАКСІЯ КРЕМНІЮ ІЗ ГАЗОВОЇ ФАЗИ
2.1 Конструкції установок для одержання епітаксійних шарів кремнію
Нарощування шарів кремнію із газової фази реалізується в установках з безперервною подачею суміші через реактор (метод відкритої труби). На рисунку 2 представлена одна з таких установок.

Рисунок 2 – Схема вертикального реактора з індукційним нагрівом [3]
У представленій на рисунку 2 установці для виділення кремнію і легуючої домішки (бору) використовується реакція відновлення, причому джерела кремнію і домішки – рідкі. Пристрій газорозподілу (на схемі не показано) забезпечує подачу газів, необхідних для виконання повного циклу обробки: водню, що виконує роль реагенту, а також газу для транспортування пари SiCl3 і BBr3; хлористого водню для травлення пластин; вуглекислого газу для отримання плівки SiO2 на поверхні епітаксіального шару. Кожний з газів подається з балона по окремій магістралі, що містить фільтр, регулятор тиску, перекриваючий вентиль, манометр, ротаметр (для вимірювання витрат газу) і клапан з електромагнітним управлінням [4]. Основні реагенти в потік газу-носія подаються в основному барботажним методом і випаровуванням з поверхні. При барботуванні газ носій пропускають через рідину для насичення її парами.
У джерелах випаровувального типу газ проходить над поверхнею рідини і захоплює її пари. У обох випадках ступінь насичення водню парами залежить від його витрати і температури джерела.
Джерела розміщені в термостатах, що дозволяють підтримувати потрібну температуру. Постільки витрати водню великі, то щоб уникнути викиду випаровуваної рідини по магістралі у бік камери реактора в джерело подають всього 2-5 % всієї кількості водню, а на виході з джерела (у загальній магістралі) концентрована суміш розбавляється основним потоком [4].
Реактори можуть бути вертикальними і горизонтальними. У вертикальних реакторах, що мають осьову симетрію конструкції, легше одержати симетрію температурного і газодинамічного полів, що при багатомісній обробці забезпечує гарні результати.
Температура необхідна для гетерогенної реакції, створюється безпосередньо на поверхні пірамідального утримувача пластин, в той час як стінки реактора залишаються відносно холодними. Це досягається за рахунок індукційного нагріву утримувача і водяного охолоджування стінок реактора. Через мідну трубу індуктора також пропускають воду.
Піраміду – пластинотримпчів виготовляють з високо чистих сортів графіту, покритого (щоб уникнути забруднення реактора) карбідом кремнію. Для створення ідентичних умов осадження грані піраміди мають нахил 5-7
[4] . Передбачається також можливість обертання піраміди. Контроль температури пластин здійснюється фотопірометром, встановленим поза реактором. Реактор є кварцовою трубою, на виході якої відходи реакції збираються спеціальним пристроєм (скрубером), де спалюються у водневому полум'ї.
Оскільки підготовлена до епітаксії поверхня пластини в період зберігання і транспортування здатна адсорбувати атмосферні гази, в тому числі кисень і вологу з утворенням тонких плівок оксиду, цикл обробки повинен передбачати видалення поверхневого шару в реакторі безпосередньо перед нарощуванням. З цією метою поверхню обробляють воднем при високій температурі (при цьому відбувається відновлення кремнію з оксиду), а потім хлористим воднем для видалення нарушеного шару. Вміст HCl в H2 складає 1-2% при цьому досягається швидкість травлення 0,5 мкм/хв.
Власне нарощування починається з моменту подачі в реактор суміші H2 і SiCl4, а також суміші H2 і BBr3. Швидкість росту плівки лежить в межах від десятих доль до декількох мікрометрів за хвилину. Ступінь легування (концентрація домішки в плівці) залежить від співвідношення BBr3 і SiCl4 у парогазовій суміші [4].
Повністю цикл роботи установки епітаксіального нарощування складається з наступних етапів:
– завантаження пластин і герметизація реактора;
– продування реактора азотом, потім воднем для витіснення атмосферного повітря;
– нагрів і витримка в атмосфері водню (відновлення оксидів);
– газове травлення за допомогою HCl на глибину 1- 2 мкм (видалення пошкодженого і забрудненого шару). Після закінчення продування воднем;
– зниження температури до робочого значення, подача суміші SiCl4, H2 і BBr3 (нарощування шару). Після закінчення продування воднем;
– подача суміші CO2, SiCl4, H2 і осадження оксиду SiO2 (гідроліз тетрахлориду кремнію). Продування воднем [4];
– охолоджування в потоці водню (плавне зниження потужності індукційного генератора);
– продування азотом, розгерметизація, вивантаження.
2.2 Механізм осадження кремнію із газової фази
При осадженні речовин з газової фази основні стадії такі [4]:
– перенесення реагентів до поверхні кристала-підкладки;
– їхня адсорбція на поверхні;
– реакція (або цикл реакцій) на поверхні;
– десорбція деяких продуктів реакції;
– перенесення цих продуктів від кристалу до основного потоку;
– кристалізація речовини.
Стадії 3 та 6 відбуваються одночасно. Щоб з'ясувати, яка з перерахованих стадій визначає швидкість процесу, необхідно знати залежності швидкостей різних процесів від перенасищення або таких параметрів осадження, як температура й швидкість потоку [4].
Перенесення речовини до поверхні й зворотний процес (стадії 1 й 5) визначаються швидкістю газового потоку в значно більшому ступені, чим температура підкладки. Навпаки, поверхневі процеси 2, 3, 4 й 6 [4], що є активаційними, сильно залежать від температури й не залежать від швидкості потоку.
Дані про процес, що визначає швидкість росту плівок при хімічних транспортних реакціях, суперечливі.
Відновленнягалогенидів кремнію.
При описі залежності швидкості росту від температури (див. рис. 3) можна виділити двіобласті: при t = 950—1100°С, де швидкість росту сильно залежить від температури й порівняно слабко від швидкості потоку (область I); при t > 1150° С швидкість росту майже не залежить від температури й збільшується зростом швидкості потоку (область II) [4].
У першій області швидкість ростувизначається поверхневими явищами, у другій – переносом речовини до поверхні (у тому числі дифузією й конвекцією). У першій області як при росту (з носієм – воднем), так і при травленні (з носієм – гелієм) швидкість процесу залежить від швидкості поверхневих реакцій.
Про це свідчать наступні спостереження. При підвищенні концентрації спостерігається насичення швидкостей росту; швидкість росту залежить від орієнтації підкладки; плівки мають грубу недосконалу поверхню, тобто локальні властивості поверхні неоднакові; енергії активації процесів росту й травлення, обумовлені по куту нахилу кривих 2, 3, 7 на рис. 3, близькі між собою [4].

![]()
Рисунок 3 – Залежність швидкості росту плівок кремнію від температури осадження [4].
Остання обставина дозволяє також зробити висновок, що механізми росту й травлення в області I у загальному однакові: травлення відрізняється лише тим, що виключається участь водню в хімічній взаємодії. Очевидно, травлення відбувається по реакції
2SiCl2 - Si + SiCl4 (2.1)
що протікає у зворотньому напрямку, з наступним утворенням полімеру (SiCl2 )n H2 . При високих температурах підкладки (область II) швидкість ростувизначаєтьсяперенесенням матеріалу. Порівняння кривих 2 й 3 на рисунку 3 показує, що при більш низьких швидкостях потоку ця область розширюється убік менших температур [4].
Разомз тим кінетика процесу при рості (криві 2 й 3) інша, ніж при травленні (крива 7). Зважаючи на ввесь комплекс експериментальних спостережень область II відсутня і швидкість процесу лімітується лише поверхневими процесами.
До висновку про наявність двох механізмів кристалізації залежно від температури підкладки, незалежно від Байлендера й виходячи з кілька інших передумов, прийшов також Гиваргизов [4]. По його даним, перехід з температурної області, у якій реакція відбувається на поверхні, у високотемпературну, де кремній частково утвориться в шарі газу над поверхнею у вигляді дрібних крапель, починається при tn = 1100°С и завершується при tn = 1200° С (vn = 45 л/год; psici4 = 6 мм. рт. ст.) [4].
Із експериментальних даних можна зробити висновок, що механізм процесу не вичерпується основним рівнянням реакції
SiІ4 +2Н2 - Si + 4НІ (2.2)
Виявляється, що в процесі також бере участь до 20% SiHCl3, з яких до 10% осідає на кремнію, а також невелика кількість(більше 1%) високомолекулярних полімерів осідає на стінках камери. Утвореннятрихлорсилану свідчить про наявність і значну роль субхлоридів, наприклад SiCl3 , які, з одного боку, відновлюються на підкладці до кремнію, а зіншої, взаємодіють у паріз воднем, утворюючи SiHCl3 [4].
2.3 Легування кремнію при рості епітаксійних плівок
При гетероепітаксії здійснюють орієнтоване нарощювання речовини, що відрізняється по хімічному складу від речовини пластини. Якщо пластина – ізолюючий матеріал, то кінцевою метою гетероепітаксії є забезпечення взаємної ізоляції елементів структури, що формується в епітаксіальному шарі.
Гетероепітаксія на ізолюючих пластинах одержала широке застосування при виробництві МДН-структур і особливо КМДН-структур [3].
Основними умовами сумісності матеріалів пластини і епітаксіального шару є близькість параметрів кристалічної решітки, узгодження по коефіцієнту термічного розширення і відсутності хімічної взаємодії.
При виборі площини орієнтації пластини керуються щільністю упаковки атомів в гратках речовини, симетрією їх розташування щодо площин пластини і шару, що нарощюється, відповідністю положень атомів кремнію і алюмінію. Проте орієнтація площини пластини не однозначно визначає площину орієнтації епітаксіального шару. Це пов'язано з тим, що із-за невідповідності типів або параметрів решіток пластини і кремнію на початковій стадії зростання шар кремнію завжди полікристалічний. Потім, вніслідок анізотропії швидкості росту кремнію протікають конкуруючі процеси нарощювання кристалів різної орієнтації. Тому залежно від конкретних умов нарощування на площині, наприклад, сапфіра з орієнтацією (110) можуть отримані плівки кремнію з орієнтацією (111) або (110) [3].
Найбільш технологічним методом вирощування гетероепітаксіальних плівок є метод газофазної епітаксії по методу відкритої труби. Метод відновлення виявляється неприйнятним із-за хімічної взаємодії хлоридів і продуктів їх відновлення з пластиною. У промисловості використовують силановий метод, тобто піролітичне розкладання SiH4 і гідриду відповідної домішки (PH3, AsH3).
На початковій стадії утворення гетероепітаксіальної плівки виникають центри кристалізації (зародки), потім відбувається зростання острівців, і їх злиття (коаленсенція) в суцільну плівку. Надалі зростання плівки обумовлене механізмом гомоепітаксії.
Верхня межа робочих температур обмежена 1150-1170
С [3], оскільки при цих температурах має місце активне хімічна взаємодія кремнію і водню з пластиною з утворенням летючих з'єднань алюмінію і унаслідок чого утворюється полікристалічна плівка кремнію. При нижчих температурах (1000 - 1100
С) рухливість атомів кремнію на сапфіровій поверхні пластини знижується, що приводить до утворення великого числа центрів кристалізації і відповідно острівців кремнію. Із-за невідповідності параметрів решіток кремнію і пластини зародки розорієнтовані на 5-6
[3] . Таким чином, до моменту утворення суцільного шару (товщина плівки 0,2 мкм) в плівці міститься велика кількість дефектів. З моменту утворення суцільного шару і зростанням товщини щільність дефектів зменшується.
Отже для отримання досить тонких і довершених епітаксіальних шарів кремнію необхідно створювати умови для більш ранньої коалесценції, збільшивши щільність зародків на початковому етапі нарощування. Це може бути досягнуто зниженням температури або підвищенням швидкості осадження (до 5 мкм/хв). Після отримання суцільного шару швидкість осадження доцільно понизити до 0,3-0,8 мкм/хв, що сприятиме утворенню структурно довершеної плівки на стадії гомоепітаксії [4].
Швидкість осадження кремнію залежить від концентрації силана у водні, температури процесу і швидкості робочої суміші.
З рисунка 4 видно, що з підвищенням концентрації силана швидкість осадження зростає, проте при цьому газофазне розкладання силану відбувається інтенсивніше, що приводить до порушення умов гетерогенної реакції. Підвищення потоку газової суміші до 15-20 см/с також підвищує швидкість осадження.
Xороша якість епітаксіальних шарів (після утворення суцільного шару) забезпечується при температурах 1050-1100
С, концентрації силану 0,08-0,15 %, швидкості потоку 12-15 см/с і швидкості осадження 0,25-0,4 мкм/хв [3].
Гетероепітаксія на пластинах які містять алюміній (сапфір, шпинель) супроводжується автолегуванням вирощуваного шару алюмінієм, який по відношенню до кремнію є акцептором. Причиною утворення атомарного алюмінію є хімічна взаємодія пластини з воднем газової суміші (відновлення алюмінію з оксиду), а також з кремнієм згідно реакції:
|
Al2O + H2 - Al + H2O
З рисунка 5 видно, що ефект автолегування краще виражений при нарощуванні плівки на сапфірові пластини. З підвищенням температури (при постійній швидкості осадження) концентрація алюмінію зростає. Перераховані реакції протікають на початковій стадії нарощування плівки до утворення суцільного шару, тому атоми алюмінію концентруються в основному в цьому шарі. Оскільки початковий шар характеризується високою щільністю структурних порушень, велика частина атомів алюмінію електрично

Рисунок 4 – Залежність швидкості осадження кремнію з силану від концентрації силану у водні і температури [3].
пасивна. Проте при подальшій високотемпературній обробці епітаксійного шару(окисленні, дифузії домішок) відбувається активація алюмінію і дифузія домішки в шар, що приводить до значних змін параметрів структури. Якщо вирощений шар має електронну електропровідність, то автолегування може привести до часткової або повної компенсації донорної домішки залежно від її концентрації, а також температури і швидкості нарощування.
Для ослаблення ефекту автолегування прагнуть понизити температуру і підвищити швидкість нарощування. Проте в силановому методі це призводить, як правило, до зниження ступеня структурної досконалості плівки. Радикальний шлях полягає у використанні хімічно менш активних матеріалів для пластин, а також інші методи нарощування, наприклад, вакуумної епітаксії.

Рисунок 5 – Залежність концентрації алюмінію в епітаксіальному шарі кремнію від температури при нарощування на сапфір (1), і шпинель (2) [3].
3 МОЛЕКУЛЯРНО-ПРОМЕНЕВА ЕПІТАКСІЯ
3.1 Загальна характеристика молекулярно-променевої епітаксії
Момент, коли реалізація нових ідей, здавалося, починає обмежуватися граничними можливостями технології, був успішно подоланий з появою методу молекулярно-променевої епітаксії, який є результатом фантастичного удосконалення старого способу, що широко застосовувався для отримання металевих плівок, – випаровування речовини у вакуумі. Використання чистих джерел випаровуваних матеріалів, надвисокий вакуум, точний контроль температури підкладки, різні методи діагностики плівки, що росте, в поєднанні з комп'ютерною системою управління параметрами процесу - все це, разом узяте, привело до створення якісно нової технології, здатної вирішувати задачі, що раніше здавалися нездійсненними.
Звичайно МПЕ проводять в надвисокому вакуумі при тиску 10-6
– 10-8
Па. Температурний діапазон складає 400 - 800
С. Технічно можливо застосування і вищих температур, але це приводить до збільшення автолегування і дифузії домішки з підкладки [1].
Переваги методу молекулярно-променевої епітаксії:
- низька температура процесу [1]. Зниження температури процесу зменшує дифузію домішки з підкладки і автолегування. Це дозволяє одержувати якісні тонкі шари;
- висока точність управління рівнем легування. Легування при використанні даного методу є безінертним, що дозволяє одержувати складні профілі легування [1].
Суть процесу полягає у випаровуванні кремнію і однієї або декількох легуючих домішок. Низький тиск пари кремнію і легуючих домішок гарантує їх конденсацію на відносно холодній підкладці.
Передепітаксіальна обробка підкладки при використанні методу молекулярно-променевої епітаксії здійснюється двома способами :
- високотемпературний відпал при температурі 1000 – 1250
С тривалістю до 10 хвилин [1]. При цьому за рахунок випаровування або дифузії всередину підкладки віддаляється природний оксид і адсорбовані домішки;
- очищення поверхні за допомогою пучка низькоенергетичних іонів інертного газу. Цей спосіб дає кращі результати. Для усунення радіактивнихх дефектів проводиться короткочасний відпал при температурі 800 - 900
С [1].
Система, використовувана для МПЕ кремнію, зображена на рисунку 6. Основою установки є вакуумна система. Оскільки в процесі МПЕ потрібно підтримувати високий вакуум, установки забезпечуються вакуумними шлюзами для зміни зразків, що забезпечує високу пропускну спроможність при зміні пластин і виключає можливість проникнення атмосферного повітря. Для десорбції атмосферних газів зі стінок системи потрібен тривалий відпал у вакуумі. Для забезпечення високої якості і чистоти шару, необхідно низький тиск. Цього добиваються, використовуючи безмасляні засоби відкачування (наприклад, титановий гетерний насос).
Метод МПЕ дозволяє проводити всесторонній аналіз деяких параметрів безпосередньо під час процесу вирощування плівки. Більшість промислових установок МПЕ містять устаткування для аналізу дифракції відбитих електронів, мас-спектрометр, оже-спектрометр з можливістю дослідження оже-спектрів розпорошених іонів.
Випаровування кремнію здійснюється не шляхом нагріву тигля, як для легуючих елементів, а за рахунок нагріву електронним променем, оскільки температура плавлення кременя відносно висока. Постійна інтенсивність потоку атомів забезпечується строгим контролем температури. Для контролю температури застосовуються термопари, інфра-червоні датчики і оптичний пірометр. Управління потоками атомів легуючої домішки здійснюється за допомогою заслінок. Це дозволяє досягти хорошої відтворюваності процесу і високої однорідності, швидкості росту і рівня легування.
МПЕ використовується для виготовлення плівок і шаруватих структур при створенні приладів на основі з’єднань (GaAs) і (AlxGa1-xAs) [1]. До таких приладів відносяться лавиннопролітні діоди, перемикальні НВЧ-діоди, польові транзистори з бар'єром Шоткі, інтегральні оптичні структури.
3.2 Обладнання для молекулярно-променевої епітаксії
Установка молекулярно-променевої епітаксії складається із трьох надвисоковакуумних камер, розділених вакуумними затворами з ручним приводом (рисунок 6). В верхній камері розміщено аналітичне обладнання і маніпулятор, на якому закріпляється підкладка; в нижній камері знаходиться електронно-променевий випаровувач потужністю 10 кВт, пристосований до роботи у НВВ.Зразкивводяться до накоплюючої камери, що використовується також як шлюз для швидкої перезарядки. Всі камери окомплектовані турбомолекулярними насосами, титановими субліматорами з охолодженням кріопанелей рідким азотом та іонними насосами.
Тиск залишкових газів у всіх камерах менше 10-8
Па. Навколо випаровувача розьіщена мідна кріопанель, що охолоджується рідким азотом. Під час випаровування тиск збільшується до 5
10-7
Па і визначається киснем; парціальні тиски О2
, СО, NO, H2
O мають величину 10-9
Па або менше [6]. Для низьких коефіцієнтів прилипання загрязняючих газів (порядка 10-3
) і при звичайній швидкості осадження 0,1 нм/с оцінка концентрації кисню і других шкідливих добавок у вирощуючих шарах дорівнює 10-7
(менше 1015
атомів на 1 см2
). В роботі використовується імпульсний рубіновий лазер (l=694,3 нм) [6]. Тривалість імпульсів складає 20 нс, енергія 2,0 Дж/см2
[6]. В якості поверхнево-чутливих методик аналізу використовується дифракція повільних електронів (ДПЕ), і оже-електронна спектроскопія (ОЕС). Для цих цілей верхня камера вкомплектована чотирисіточною системою ДПЕ і одноступінчатим аналізатором типу циліндричного дзеркала.

Рис. 6 – Схематичне зображення установки для МПЕ кремнію [6]:
1- оже-електронний спектрометр;
2- система дифракцііелектронів низькоі енергіі;
3- вакуумні клапани;
4- джерело молекулярного пучка;
5- сапфірове вікно;
6- іонна пушка;
7- лазерний промінь;
8- шлюз
Описана установка створена на базі стандартного обладнання для дослідження поверхні, таму на ній неможливо працювати з кремнієвими пластинами діаметром 3 або 4 дюйми (7,5 або 10 см), і її не можливо використовувати для легування в камері[6].
Розглянемо також конструкцію іншої установки для молекулярно-променевої епітаксії шарів кремнію на стандартних кремнієвих підкладках великої площі, що мають форму диска.
Конструкція пристрою показана схематично на рисунку. Джерело парів кремнію 1 вирізане із злитка монокристалла й має розміри 70 х 4 х 4 мм [8]. Воно кріпиться на охолоджуваних проточною водою струмовводах 2 через масивні кремнієві прокладки 3. Нагрівання джерела до заданої температури (~1380 °С) здійснюється за допомогою пропускання струму до ~50 А. Відсутність металевих деталей, що безпосередньо контактують із нагрітим до високої температури кремнієм, дозволяє усунути додаткові джерела неконтрольованих домішок.

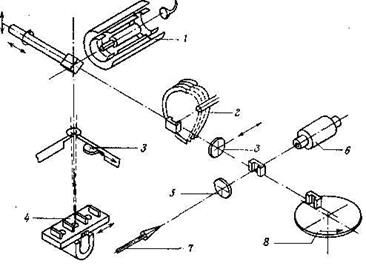
Рисунок 7 – Конструкція установки для сублімаційногомолекулярно-променевого осадження плівок кремнію[8]:
1 – джерело;
2 – струмоввід;
3 – кремнієві прокладки;
4 – підкладка;
5 – кільце;
6 – циліндр-тримач;
7 – нагрівальний елемент;
8 – ізолятор;
9 – танталові екрани;
10 – струмовводи нагрівального елемента;
11 – шестерня;
12 – заслінка
Підкладка 4 у вигляді кремнієвої пластини діаметром 60 або 76 мм кріпиться за допомогою кільця 5 на танталовому циліндрі-тримачі 6 [8]. Усередині циліндра розташований нагрівач 7, виготовлений з танталової фольги у формі меандру й установлений між двома пластинами з нітриду бора 8 для ізоляції підкладки від нагрівача й захисту її від забруднення неконтрольованими домішками. Нагрівач термоізольований з тильної сторони системою багатошарових екранів 9, виконаних з танталової фольги. Два струмопровідних стрижні 10, виготовлених з молібдену, з'єднують нагрівач із джерелом постійного струму. Температура нагрівача підкладки контролюється оптичним пірометром через вікно в ростовій камері або термопарою. На нижній частині циліндра 6 перебуває шестерня 11, за допомогою якої він з'єднаний із приводом обертання.
Між джерелом і підкладкою встановлена заслінка 12 з отвором у вигляді сегмента. Поздовжня осьова лінія джерела й осьова лінія сегмента збігаються, а центр сегмента збігається із центром підкладки. Таке обмеження сегментом зони осадження плівки забезпечує рівномірне покриття поверхні підкладки при її обертанні. Кут сектора вибирався таким, щоб довжина його дуги не перевищувала відстані між джерелом і підкладкою. У процесі осадження циліндр 6 разом з підкладкою 4 обертається з кутовою швидкістю 30-60 об/хв [8].
Розроблений пристрій був використаний для вирощування нелегованих і легованихепітаксіальнихшарів кремнію, а також плівок полікристалічного кремнію (п. п. к.). Епітаксіальнішари вирощували на підкладках кремнію КДБ-10 зорієнтаціями поверхні (111) і (100). П. п. к. осаджували на поверхню термічно вирощеного шаруючи оксиду товщиною ~ 0.3 мкм [8]. Перед нарощуванням эпитаксиального шару існуючи підкладку обробляли в хімічних реактивах. Утворений при цьому тонкий шар оксиду надійно захищав поверхню підкладки від забруднення.
Як матеріал джерела був обраний кремній КЭФ-20 або КЭФ-0.008. Відстань між джерелом і підкладкою становило 30 мм. Після нагрівання підкладки до температури 850-900°С, а джерела – до 1350°С, включали привід обертання підкладки й відкривали заслінку. Вплив слабкого потоку (~1
1014
атомів/см2
с) атомів кремнію при зазначеній вище температурі підкладки на тонкий шар оксиду сприяло видаленню оксиду й забезпеченню атомарно-чистої поверхні для росту епітаксійних шарів. Температуру джерела при ростішарів підвищували до 1380°С, а температуру підкладки знижували до заданої (500-800°С) [8]. Тиск залишкових газів у камері в процесі ростушарів товщиною ~ 4 мкм становило 8
10-8
– 1
10-7
Тор, швидкість росту – 1.5 мкм/г.
Призазначеній відстані між джерелом і підкладкою були вирощені шариз досить високою однорідністю товщини: у центрі й на периферії підкладки діаметром 60 мм вона відрізнялася не більше ніж на 1.5%, і на ~2% - на підкладках діаметром 76 мм. Шари мали гладку й дзеркальну поверхню. Щільність дефектів упакування в шарах, вирощених на підкладках Si (111), становила 5
103
см-2
при температурі підкладки Тп
= 500°С [8] и експотенціально спадалаз її підвищенням. При вирощуванні епітаксійнихшарів на підкладках Si (100) дефектів упакування не спостерігалося. Щільність дислокацій у вирощених шарах збігалася із щільністю їх у підкладках.
3.3 Підготовка поверхні підкладки
Ключова проблема для МПЕ кремнію – очищення кремнієвих поверхонь, бажано при як можливо нижчій температурі. Для очищення поверхні можна використовувати травлення її пучком іонів аргону з енергією 1 кэВ і наступне відпалювання при 1120 К. Але травлення кремнієвої підкладки, покритої природним оксидом, приводить до сильного ушкодження поверхні й концентрація дефектів, що утворилися, не може бути знижена дорівня, необхідного для проведення експериментів по аналізі поверхні.
Методика підготовки поверхні включає в себе п'ятихвилинний прогрів при 870 К, двоххвилинний прогрів при 1170 К, помірне травлення іонами аргону (1 кэВ, 20мкКл/см2 , кут між пучком іонів і нормаллю до поверхні 70°), відпалювання при 1370—1520 К протягом 3 хв із наступним охолодженням зішвидкістю 10 К/хв [6]. Основний недолік цього методу - порівняно висока температура відпалювання, що може негативно вплинути на єлектрофізичні властивості пластин, а якщо в структурі втримується легований шар, то привести до размиття профілів легування. Для подолання цих труднощів нами були досліджені можливості застосування двох нових способів підготовки поверхні.
Перш за все для отримання атомно-чистих упорядкованих поверхонь можна використати імпульсне лазерне опромінення поверхні .На рисунку 8 представлені дані досліджень зразків методом ОЕС після застосування різних методів очищення поверхні. У спектрах, отриманих у режимі dN(E)/dE, спостерігаються піки кремнію, вуглецю й кисню. Ні на якій стадії підготовки поверхні не можна було виявити інші елементи. У спектрі зразка безпосередньо після завантаження (крива 1) спостерігається пік ОЭС кремнію, характерний для поверхні, покритої природним оксидом [6].
![]()

Енергія електронів, еВ
Рисунок 8 – Оже-спектри для Si (94 еВ), C (270 еВ), O (504 еВ) [7]:
1- після поміщення зразка до камери,
2- після термічного відпалювання при 1520 К,
3- після лазерного опромінення (1,2 Дж/см2),
4- після епітаксійного вирощування шару кремнію товщиною 10 нм при 870 К.
Виявляється також деяка кількість вуглецю. Після помірного іонного травлення й термічноговідпалюваннявідношенняінтенсивностей піків С, О до інтенсивності піка кремнію зменшується до значення 5-103 , що відповідає межі чутливості. При цьому лінія LVV кремнію при енергії 91 еВ здобуває форму, характерну для чистої поверхні кремнію (крива 2). Аналогічні чисті поверхні були отримані після 5—8 лазерних імпульсів по 1,5Дж/см2 (крива 3) [6]. Для порівняння наведенийоже-спектр (крива 4), отриманий після вирощування методом МПЕ при 870 К плівки кремнію товщиною 10 нм [6].
Інший низькотемпературний метод очищення полягає в хімічній взаємодії Si2 з молекулярним пучком кремнію при температурі 1120 К. Було показано, що ця реакція приводить до одержання вільної від кисню поверхні Si.
Si2 + Si = Si (3.1)
На рисунку 9 представлені оже-спектри для чотирьох етапів цього процесу. Перший спектр 1 отриманий від зразка кремнію, імплантованого іонами As +
. Поблизу 80еВ спостерігається структура, характерна для Si2. Спостерігаються піки вуглецю й кисню при 270 й 504 еВ [6]. Оже-пік миш'яку не спостерігаються, тому що його поверхнева концентрація менше граничної чутливості методу ОЕС. Практично тотожний оже-спектр 2 отриманий для поверхні, підданої 60-хвилинному нагріванню при 870 К для відпалювання дефектів, обумовлених іонною імплантацією. Видалення вуглецевих і кисневих забруднень проводилося шляхом нагрівання поверхні до 1120 К й опромінення її потоком кремнію малої інтенсивності. Протягом 10 хв на зразок було спрямовано 10 імпульсів інтенсивністю 1,6
1015
атом/см2
, що відповідало б вирощуванню плівки кремнію товщиною 3 нм. Насправді кремній не прилипає до поверхні, а взаємодіє із природним окислом Si2 і десорбується у вигляді Si. ДаніОЭС підтверджують цей факт, що можна бачити зі спектра 3 на рис. 9. На цьому спектрі пік кисню практично нерозрізнений, зате яскраво виражений пік Si (LVV) при енергії 91 ев. У той же час усе ще є присутнім пік вуглецю [6].

Рисунок 9 – Оже-спектри зарощення шарів для чотирьох стадій обробки [7]:
1- після розміщення зразка в камеру,
2- після термічного відпалювання при 870 К на протязі 60 хв,
3- після термічного відпалювання при 1120 К і осадження незначноі кількості кремнію,
4- після епітаксіального росту шару кремнію товщиною 60 нм при 870 К; чиста поверхня.
3.3.1 Температури епітаксії
Якщо під час росту зберігаються умови надвисокого вакууму й ріст здійснюється на чистих поверхнях кремнію, для МПЕ кремнію необхідні температури 850-1100К, тобто істотно нижче температур, необхідних для газофазнойэпитаксии (ГФЕ) (1250-1450 К) [6]. Крім того, різко відрізняються не тільки температури ГФЕ й МПЕ, але й закономірності процесу росту. При ГФЕ швидкість росту зменшується при зменшенні температури росту, у випадку ж МПЕ швидкість росту постійна в дуже широкому діапазоні температур.
У процесі росту кремнію можна виділити два етапи. На першому етапі атом кремнію вдаряється об поверхню Si, прилипає до неї й термалізується. На другомуетапі він дифундує по поверхні до місця вбудовування, що може бути, наприклад, щаблем. У рамках теорії БКФверхнямежа енергії активації поверхневої дифузії Esd < 1,1 еВ.
3.4 Легування
Особливості легування при молекулярно-проміневій епітаксії
Однією з відмітних особливостей МПЕ є низька швидкість росту плівки: приблизно 1 моношар/с або 1 мкм/год, що дозволяє легко модулювати молекулярні пучки, що потрапляють на підкладку, якщо час управління рухом заслінки менше 1 секунди.
Легування при МПЕ має декілька особливостей. В порівнянні з епітаксією з газової фази розширений вибір легуючих з'єднань, можливо управління профілем легування. Легуюча домішка може бути як p-, так і n-типу. Можливі два способи легування. Перший – після випаровування домішкові атоми досягають поверхні і вбудовуються в кристалічну решітку. Найбільш часто вживані домішки (As, B) випаровуються або дуже швидко або дуже поволі для ефективного управління. В результаті частіше вдаються до вживання Sb, Ga або Al.
У іншому способі легування використовується іонна імплантація. В цьому випадку застосовуються слабкострумові (1 мкА) іонні пучки з малою енергією. Низька енергія цього процесу дозволяє упроваджувати домішку на невелику глибину під поверхню шару, що росте, де вона вбудовується в кристалічну решітку. Цей спосіб дозволяє використовувати такі домішки як B, P і As [6].
Більшість напівпровідникових приладівмістятьшари, леговані різними домішками, зпевними профілями концентрації домішок і точно контрольованими границями. У цей час для одержання більшихгустинупакування й підвищення швидкодії приладів значні зусилля спрямовані на розвиток технологічних методів, що забезпечують більше високий ступінь контролю концентрації атомів домішки по товщині.
Більшість використовуваних у цей час методів введення в кремній легуючих атомів вимагає високих температур або під час процесу легування, або після нього. При цих температурах не можна вже зневажити дифузією домішок, профілі легування розмиваються, що обмежує мінімальну товщину легованих шарів. МПЕ надає можливість одержання надтонких шарівз різкими профілями концентрації домішок на будь-якій глибині.
У цей час застосовують два способи введення домішок у зростаючий шар. Домішки можуть вводитись шляхом спільного випаровування або шляхом іонної імплантації. Спільне випаровування легуючих домішок під час росту здійснюється за рахунок використання випарних осередківкнудсенівського типу під час епитаксіальногоросту кремнію. Але при використанні цього методу виникають певні труднощі, тому що деякі легуючі домішки випаровуються у вигляді кластерів (наприклад, Аs4 , Р8 , Sb4 ) [6], що може впливати наепітаксіальний процес. Інші труднощі полягають у тому,що коефіцієнт прилипания легуючих домішок до поверхні кремнію сильно залежить від температури підкладки. Другий спосіб внесення домішок в епітаксіальні плівки кремнію — використовують комбінації іонної імплантації й МПЕ. Цей метод пов'язаний з певними труднощами, тому що іонна імплантація у випадку нагрітих підкладок приводить до утворення протяжних дефектів, які важко відпалити. У випадку використання іонів низьких енергій і малих доз опромінення ця проблема, очевидно, не є настільки серйозною.
3.4.1 Модульоване легування
Шляхом повторення кілька разів циклу імплантація — низькотемпературне відпалювання й очищення — ріст були виготовлені кремнієві структури з модульованим легуванням. Імплантація іонів миш'яку з енергією 10 кэВпроводилася в кремнієвій пластині з орієнтацією поверхні (100). Доза імплантації становила 1015 см2 . Після транспортування зразка й завантаження його в камеру МПЕ здійснювалося відпалювання в умовах надвисокого вакууму по методу. Крім відпалювання при температурі 870 К та при 1120 К використався 20-секундний імпульсне відпалювання при 1370 К для видалення забруднення вуглецем, що з'явилися у ході іонної імплантації [6]. Про епітаксіальний характер процесу росту свідчать картини ДМЕ, що спостерігалися від вирощених шарів. Потім зразок знову завантажувався в систему імплантації, у якій здійснювалася повторна імплантація іонів миш'яку дозою 1015 атомів/см2 при енергії 10 кэВ. Енергія імплантованих іонів була досить низькою, тому перекриття між першими й другим імплантованими шарами не відбувалося (глибина проникнення іонів As+ з енергією 10 кеВстановить приблизно 30нм). Після імплантації й переносу зразка вирощувався другийепітаксіальнийшар. У нього вносилася третя доза імплантації 1015 атомів/см2 іонів As+ з енергією 10 кеВ, і в камері МПЕ здійснювалося відпалювання [6].
Зразки були досліджені методом РЗРІ для довільного напрямку й умов каналювання. Результати дослідження представлені на рис. 10. Профіль миш'яку у випадку довільного напрямку складається із трьох окремих піків на глибині 15, 64 й 122 нм. Ширина піка приблизно дорівнює 30 нм. Це може бути пов'язане з дифузією домішки протягом трьох процедур відпалювання. Хоча піки чітко розділені, концентрацію домішки між піками не можна вважатидопустимомалою. У всіхтрьохлегованих As шарахбільше 80% атомів миш'яку є домішками заміщення. Підвищенедеканалування спостерігається поблизу поверхні й може бути викликано недосконалістю епітаксіальногоросту на забруднених вуглецем підкладках [6].
Варто очікувати, що більше складні методи захисту поверхні і її очищеньприведуть до підвищення якості структур. Представлені вище результати говорять про те, що комбінація відпалювання відпалювання МПЕ кремнію й іонної імплантації низької енергії дає можливість прецизійного контролю за профілями легування для одержання надшвидких перемикаючих приладів, таких як транзистори на гарячих електронах. Очікується, що ці прилади незабаром приєднаються до довгого переліку діодів, транзисторів і детекторів, що виготовлені методом МПЕ кремнію.

Рисунок 10 – Спектри РЗРІ для модульованого легування структури, показаний профіль миш’яку [6]:
с- довільний напрямок;
d- каналювання (100).
Повний вигляд спектру кремнію для довільного напрямку(а)та з умовою каналування (100) (б)
3.5 Особливості г етероепітаксії кремнію на фосфіді галію
Вище обговорювався тільки ріст кремнію на кремнії, але низькі температури підкладки, характерні для процесу МПЕ, надають додаткові можливості для гетероепітаксіальногоросту. При гетероепітаксії на кремнії методом МПЕ можуть бути отримані шари металів, напівпровідників або діелектриків. Це було продемонстровано для подвійнихгетероструктур типу метал - напівпровідник (Si-CoSi2-Si) і типу діелектрик - напівпровідник (Si-CaF2-Si) [6]. Таким чином, були отримані зарощені металеві й ізолюючі шари, які могли використовуватися в якості контактних або ізолюючих шарів у тривимірному приладі. Епітаксійне вирощування одного напівпровідника на іншомунадає також безліч цікавих можливостей.
Гетероструктуры GaP-Si були вырашені на підкладках Ga. Епитаксіальнийшар кремнію товщиною порядку 1 мкм являє собою тонку кристалічну плівку, прозору для видимогосвітла. Подібні шари «прозорого кремнію» знаходять застосування в інтегральнихоптоелектроннихприладах. Наприклад, кремнієві діоди, виготовлені на таких шарах, можуть використовуватися як світлопропускаючі детектори в системах «світлове перо» [6] оптичного зчитування для компактних дисків або лазерних відеопрогравачів.
ВИСНОВКИ
Епітаксія - це процес нарощування на кристалічній підкладці атомів впорядкованих в монокристалічну структуру, причому структура нарощуваної плівки повністю повторює кристалічну орієнтацію підкладки [1]. Основна перевага техніки епітаксії полягає в можливості отримання надзвичайно чистих плівок при збереженні можливості регулювання рівня легування.
В наш час існують два основні технологічні методи епітаксії, що дозволяють формувати багатошарові структури з надтонкими шарами . Це газофазна епітаксія та молекулярно-променева (вакуумна) епітаксія.
Перевагами газофазної епітаксії є, по-перше, досить велика швидкість протікання процесу, по-друге, забезпечення зміною компонентів легування різних матеріалів, по-третє, одержання досить товстих шарів і т.д [1].
Силановим методом газофазної епітаксії є одержання шарів товщиною 0,3 мкм [7].
Недоліком газофазної епітаксії є висока температура технологічного процесу, яка приводить до дифузії домішок з пластини в плівку, що росте. Крім того, зворотність реакцій відновлення вимагає високої точності підтримання режиму осадження шару плівки [1].
Переваги методу молекулярно-проміневої епітаксії – це низька температура процесу [1]. Зниження температури процесу зменшує дифузію домішки з підкладки і автолегування. Це дозволяє одержувати якісні тонкі шари. Перевагами даного методу є також висока точність управління рівнем легування. Легування при використанні даного методу є безінертним, що дозволяє одержувати складні профілі легування.
Метод молекулярно-променевої епітаксії перспективний для твердотільної електроніки створення НВЧ-приладів і оптичних твердотільних приладів і схем, в яких істотну роль грають шаруваті структури субмікронних розмірів. При цьому особливе значення надається можливості вирощування шарів з різним хімічним складом.
СПИСОК ЛІТЕРАТУРИ
1. Закалик Л.І., Ткачук Р.А. Основи мікроелектроніки. – Тернопіль: ТДТУ ім. І. Пулюя, 1998. – 352 с.
2. Ефимов И.Е., Козырь И.Я., Горбунов Ю.И. Микроэлектроника: Проектирование, виды микросхем, функциональная микроэлектроника. – Москва: Высш. школа, 1987. – 416 с.
3. Сугано Т., Икома Т., Такэиси Ё. Введение в микроэлектронику. – Москва: Мир, 1988. – 320 с.
4. Палатник Л. С., Папиров И. И. Эпитаксиальние плёнки. – Москва: Наука. Главная редакция физико-математической литературы, 1971. – 480 с.
5. Проценко І. Ю. Технологія та фізика тонких металевих плівок. Навчальний посібник. – Суми: Видавництво СумДУ, 2000. – 148 с.
6. Молекулярно-лучевая эпитаксия и гетероструктуры/ Под редакцией Ченга Л. Л., Плога К. – Москва: Мир, 1989. – 584 с.
7. Н. А. Самойлов, А. В. Елисеев, С. В. Шутов. Получение высококачественных эпитаксиальных слоев кремния методом газофазной эпитаксии// Журнал технической физики. – 1997. – Т.67, №2. – С. 132-133.
8. В. Г. Шенгуров, Д. В. Шенгуров. Устройство для сублимационного молекулярно-лучевого осаждения пленок кремния// Приборы и техника эксперимента. – 2001. – №1. – С. 154-156.
9. www.erudition.ru.
10. www.sp.bdpu.org.