| Скачать .docx |
Реферат: Парогазовые установки в энергетике
Реферат
на тему: «Парогазовые установки в энергетике»
Введение
К числу мероприятий, направленных на повышение экономичности тепловых электростанций, следует отнести развитие работ в области комбинированных циклов, в первую очередь парогазовых установок, позволяющих повысить к.п.д. цикла на 8% в зависимости от схемы подключения газовой турбины. Комбинирование паро- и газотурбинных установок в одном тепловом цикле позволяет сочетать высокотемпературный (в ГТУ) подвод и низкотемпературный (в конденсаторе паровой турбины) отвод теплоты и в результате обеспечивает повышение термического к. п. д. цикла, а следовательно, экономичности производства электрической энергии, особенно значительное при повышении начальной температуры газов в ГТУ.
Простейшие комбинированные установки могут быть реализованы при использовании тепла отработавших в ГТУ газов для подогрева питательной воды и вытеснения вследствие этого паровой регенерации. Термодинамически они наименее эффективны (по сравнению со сбросной схемой здесь два потока уходящих газов, потери с которыми возрастают), однако практически весьма рациональны для модернизации действующих ТЭС: вследствие слабых технологических связей между паровой и газотурбинной частями облегчается компоновка ГТУ и выбор их типоразмеров; поскольку вытеснение паровой регенерации приводит к значительному повышению мощности паровых турбин, капитальные затраты, разнесенные на сумму газотурбинной и дополнительной паротурбинной мощности, оказываются небольшими.
Показатели ПГУ и эффективность использования газовых турбин в комбинированных циклах существенно зависят от параметров и показателей ГТУ. Повышение начальной температуры газов и совершенствование турбомашин, приводящие к повышению к. п. д. ГТУ при автономной работе, при прочих равных условиях увеличивают долю газотурбинной мощности в комбинированных циклах. Это не только повышает к. п. д., но и снижает удельную стоимость всей ПГУ (растет ее мощность на единицу расхода газов, т.е. при тех же габаритах и массе).
Наиболее подходящим топливом для ПГУ является бессернистый природный газ, применение которого позволяет снижать температуры уходящих газов до экономически оптимального уровня (100–110 °С), не опасаясь низкотемпературной коррозии хвостовых поверхностей. Возможно применение в качестве топлива генераторного газа, получаемого путём газификации угля. ПГУ с газификацией угля или его прямым сжиганием в кипящем слое под давлением являются реальными установками для существенного повышения эффективности тепловых электростанций на угле при одновременном резком снижении вредных выбросов в атмосферу пыли, оксидов серы и азота.
Описание газотурбинной технологии
Основным блоком газотурбинной электростанции (ГТЭС) является энергоблок (газотурбинная энергетическая установка – ГТУ), в который входит газотурбинный привод (ГТП) (при необходимости с редуктором) и электрический генератор с системой возбуждения.
Основой (ГТП) является газогенератор, служащий источником сжатых горячих продуктов сгорания для привода свободной (силовой) турбины.
Газогенератор состоит из компрессора, камеры сгорания и турбины привода компрессора. В компрессоре сжимается атмосферный воздух, который поступает в камеру сгорания, где в него через форсунки подается топливо (для рассматриваемых в отчете энергетических ГТУ, основным топливом является газ, резервным (аварийным) – керосин, реактивное топливо), затем происходит сгорание топлива в потоке воздуха. Продукты сгорания подаются на турбину компрессора (турбину высокого давления) и на свободную турбину, вращающую вал ГТП (в случае одновального ГТП одна общая турбина вращает компрессор и вал ГТП). На лопатках турбины тепловая энергия потока продуктов сгорания превращается в механическую энергию вращения роторов турбины. Мощность, развиваемая турбиной, существенно превышает мощность, потребляемую компрессором на сжатие воздуха, а также преодоление трения в подшипниках и мощность, затрачиваемую на привод вспомогательных агрегатов. Разность между этими величинами представляет собой полезную мощность на валу ГТП.
На валу турбины расположен турбогенератор (электрический генератор).
Отработанные в газотурбинном приводе газы через выхлопное устройство и шумоглушитель уходят в дымовую трубу. Если предусмотрена утилизация тепла выхлопных газов, то после выхлопного устройства отработанные газы поступают в утилизационный теплообменник. Вместо него в технологической цепочке может находиться котел-утилизатор, в котором происходит выработка тепловой энергии в виде пара различных параметров и / или горячей воды. Пар или горячая вода от котла-утилизатора могут передаваться непосредственно к тепловому потребителю. Также возможно использование полученного пара в паротурбинном цикле для выработки электрической энергии.
Установки с монарным парогазовым циклом
Монарным ПГУ посвящена монография В.А. Зысина, в которой содержится термодинамический анализ различных вариантов циклов на смеси пара и газа, тепловых схем и конструктивных особенностей монарных ПГУ. Автором монографии предложен упрощенный метод термодинамического анализа цикла на парогазовой смеси, основанный на допущении, что теплосодержание и теплоемкость перегретого пара, содержащегося в парогазовой смеси, зависит только от температуры. При таком допущении термодинамические процессы обеих компонент парогазовой смеси могут рассматриваться изолированно при соответствующих параметрах – температуре и парциальном давлении. Общее количество подведенного в цикле тепла Qусловно подразделяется на две части – сообщенное газу Qr и воде и пару Qn . К. п. д. монарного цикла, как и бинарного, определяется как средне-взвешенная величина из к. п. д. газового ηг и парового ηп циклов:
ηпг =(Qr /Q)* ηг +(Qn / Q)* ηп
Зависимость к. п. д. простейшей ПГУ на парогазовой смеси, рассчитанного по этой формуле, от степени давления ε представлена на рис. 1. Расчеты выполнены при величине относительного расхода пара d , близкой к максимальной, и начальной температуре газа 700° С.

Рис. 1. К. п. д. монарной ПГУ простой схемы
Оптимальная степень повышения давления в такой ПГУ (εпг ) выше, чем в изолированной
ГТУ (εг ). В точке 2 газовая и пароваячасти установки имеют равные к. п. д. С уменьшением величины d точка 3 (максимум к. п. д. ПГУ) смещается влево, и при d→ О она совпадает с точкой 1 (максимум к. п. д. ГТУ).
Парогазовая смесь может образовываться путем впрыска воды в газовый тракт, причем вода перед впрыском нагревается в водяном экономайзере, заменяющем воздушный регенератор в схеме ГТУ.
С целью предотвращения заноса проточной части турбины солями, а также с целью защиты стенок камеры сгорания от перегрева испарение воды может осуществляться в экранных поверхностях нагрева с последующим вводом получаемого пара в газовый тракт.
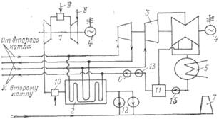
На рис. 2 показаны основные элементы тепловой схемы монарной парогазовой установки, ПГУ-200–750/30.
Воздух сжимается в компрессорах низкого КНД, среднего КСД и высокого КВД давления, охлаждаясь в двух промежуточных охладителях ПО. Из КВД с давлением 29 ата и температурой 302° С воздух направляется в топку парогенератора ПГ. К продуктам сгорания подмешивается отработавший в паровой турбине ПТ пар, и их смесь с давлением 28 ата и 750° С поступает в турбину высокого давления ТВД.

Рис. 2 Тепловая схема ПГУ мощностью 200 МВт на парогазовой смеси
Часть воздуха из компрессора среднего давления идет в камеру сгорания КС турбины низкого давления ТНД.
Продукты сгорания этой камеры смешиваются с выхлопными газами ТВД и при параметрах 7,1 ата, 750° С подводятся к ТНД, отработав в которой, идут в регенератор Р, соединенный по пароводяному тракту с парогенератором через барабан-сепаратор. Тепло промежуточного охлаждения воздуха используется для подогрева воды после химической водоочистки, восполняющей потери пара с выхлопными газами. Паровая турбина служит приводом КВД. Вода после химической очистки в устройстве ВП проходит через деаэраторы Д1 и Д2, подогреваясь в теплообменниках Т1 и Т2. В эжекторе Эж используется напор, создаваемый питательным насосом.
В одновальной ГТУ на парогазовой смеси максимальный к.п.д. установки достигается при впрыске воды в продукты сгорания в количестве около 30% от расхода газа.
По расчетам Теплоэлектропроекта к. п. д. монарного парогазового блока мощностью 200 МВт на 5,8% ниже к. п. д. паротурбинного блока такой же мощности с турбиной К-200–130. Вес металла оборудования парогазового блока 7,7 кг/кВт, при этом 2,6 кг/кВт приходится на долю турбогруппы.
Низкая тепловая экономичность ПГУ на парогазовой смеси не позволяет использовать их для нанесения базисной нагрузки на электростанциях. При упрощении схемы и уменьшении веса и габаритов такие установки могут быть использованы в качестве пиковых, а на судах – в качестве аварийных
Установки с бинарным парогазовым циклом
В настоящее время при температуре газов на входе в газовые турбины 1000–1100 °С и на выходе из них 500–550 °С термодинамически наиболее эффективны бинарные ПГУ со сжиганием всего топлива в газотурбинных камерах сгорания. Такие ПГУ обеспечивают не только самый высокий к. п. д., но и наименьшую удельную стоимость; примерно половину стоимости составляет ГТУ, другую половину паровая часть. Преимуществами их являются также простота схемы, легкость автоматизации, маневренность (следствие умеренных параметров пара), возможность комплектно-блочной поставки оборудования и сооружения за короткие сроки. Их единственный «недостаток» – невозможность эксплуатации без надежных, высокоэффективных газовых турбин, так как автономная работа паротурбинной части, доля мощности которой и экономичность невелики, нецелесообразна и обычно не реализуется.
Рис. 1. Тепловая схема простейшей бинарной ПГУ.
1 – ГТУ; 2 – котел-утилизатор; 3 – паровая турбина; 4 – электрические генераторы; 5 – конденсатор паровой турбины; 6 – питательный насос; 7 – дымовая труба; 8- воздух из атмосферы; 9- топливо в камеру сгорания ГТУ.
В бинарной ПГУ, схема которой приведена на, рис. 1, все топливо сжигается в камере сгорания ГТУ, а пар в котле-утилизаторе генерируется и перегревается теплотой отра-ботавших в ГТУ газов. К. п. д. ПГУ можно записать как
ηпгу = ηгту +(1 – ηгту ) ηку ηп
Экономичность бинарной ПГУ тем выше, чем выше к. п. д. ГТУ (начальная температура газов и совершенство турбомашин), к. п. д. котла-утилизатора зависящий в основном от температуры уходящих газов, и к. п. д. парового цикла %, зависящий от параметров пара и давления в конденсаторе.
Сжигание перед котлом дополнительного топлива и повышение температуры газов на входе в него позволяют выработать пар стандартных параметров (13 или 24 МПа, 540 °С) и осуществить промежуточный перегрев до 540 °С, что существенно повышает к. п. д. парового цикла. Однако при этом часть работы парового контура производится за счет теплоты дополнительно подведенного топлива с к. п. д. парового цикла, а цикл комбинированной установки перестает быть бинарным. Степень бинарности, которую можно оценить отношением теплоты, подведенной в паровой цикл от отработавших в ГТУ газов, к общему количеству подведенной в него теплоты, тем меньше, чем больше доля топлива, сжигаемого перед котлом, и относительный расход пара и меньше доля газотурбинной мощности и коэффициент избытка воздуха в уходящих газах. В пределе при полном использовании кислорода, содержащегося в отработавших в ГТУ газах, оптимальные параметры и структура парового цикла становятся близкими к традиционным.
Простейшие бинарные ПГУ мощностью до 1250 МВт целесообразно использовать для покрытия пиковой, а также полупиковой нагрузок. Низкие параметры пара и простота парового цикла облегчают работу в переменной части графика нагрузки с частыми пусками и остановами. Газотурбинная часть, дающая около 70% мощности блока, включается в сеть и нагружается за 15–25 мин. Паровая турбина в зависимости от начального теплового состояния принимает полную нагрузку через 0,5–1,5 ч после начала пуска.
Существенно повысить единичную мощность парогазовых блоков можно, увеличивая число ГТУ, работающих на одну паровую турбину, и увеличивая относительную мощность паровой части. Последнее связано со сжиганием перед котлом дополнительного топлива. При этом следует стремиться к использованию парового цикла высокого давления с промежуточным перегревом пара, который обеспечивает повышение к. п. д. паротурбинной установки и снижение влажности пара в последних ступенях, необходимое для мощных паровых турбин с предельными окружными скоростями и длинами лопаток.
Рис. 2. Тепловая схема мощной ПГУ с высокой степенью бинарности
1 – 9 – см. рис. 1; 10 – блок основных горелок котла; 11- смешивающий ПНД; 12 – дымососы котла; 13 – конденсатные насосы.
Наиболее подробно проработанная ПГУ мощностью 800 МВт состоит из двух ГТЭ-150, двух котлов производительностью 575 т/ч и одной паровой турбины с параметрами пара 13 МПа, 540/540 °С, развивающей в составе ПГУ мощность 450 МВт. Ее принципиальная схема показана на рис. 2. Простота схемы является одним из важных достоинств такой ПГУ.
Регенеративный подогрев питательной воды при принятой (и, конечно, при более высокой) степени бинарности термодинамически нецелесообразен, так как приводит к повышению температуры уходящих газов и снижению к. п. д. ПГУ. Вследствие этого система регенерации ограничена одним ПНД смешивающего типа, в котором питательная вода подогревается до 60–65 °С и деаэрируется. Отсутствие отборов пара на регенерацию не исключает использования серийных паровых турбин, а лишь ограничивает пропуск пара через их головные отсеки, что приводит к некоторому (на 10%) снижению их мощности по сравнению с номинальной.
В схеме отсутствуют жесткие технологические связи. Это обеспечивает высокую надежность, упрощает управление и возможность его автоматизации. При выходе из строя одной ГТУ или котла-утилизатора блок продолжает работать с половинной нагрузкой и близким к номинальному удельным расходом топлива. Схема и наличие перед котлом устройств для сжигания топлива обеспечивают возможность автономной работы котлов и всей паровой части при останове как одной, так и обеих ГТУ, и позволяют также осуществить разновременный ввод в действие паровой и газотурбинной частей (на случай, например, задержки с поставкой ГТУ). Разумеется, удельный расход топлива при автономной работе паровой части будет несколько выше, чем в традиционных блоках на те же параметры пара, и значительно выше, чем в парогазовом режиме.
Для ПГУ-800 разрабатывается котел прямоточного типа. Он представляет собой чисто конвективный аппарат, который может быть выполнен так же, как конвективные шахты обычных энергетических котлов. Небольшие тепловые нагрузки поверхностей теплообмена создают возможность обеспечения его высокой надежности в эксплуатации. Для получения приемлемых массогабаритных показателей котла при небольших температурных напорах в экономайзерных и испарительных поверхностях нагрева целесообразно использовать оребренные трубы. Сжигание дополнительного топлива при работе в комбинированном режиме можно организовать в неэкранированном газоходе с помощью простых уголковых горелок, обеспечивающих эффективное выгорание при больших избытках воздуха и малых потерях давления.
Использование в паровой части ПГУ сверхкритического давления вполне возможно и не вызовет изменения профиля и конструкции котлов-утилизаторов. Повышение давления пара позволяет на 2–2,5% снизить удельный расход топлива, что меньше, чем в паротурбинных блоках (пропорционально относительной мощности паровой части). Оно вызывает увеличение металлоемкости и стоимости оборудования и исключает использование ПГУ в качестве полупиковой мощности.
Аналогичные технико-экономические показатели могут быть получены в ПГУ с тремя ГТЭ-150 и паровой турбиной мощностью около 700 МВт. Такая ПГУ, однако, хуже компонуется в главном корпусе (при двух ГТУ их располагают симметрично относительно паровой турбины); она более сложна и трудна для управления и автоматизации.
Парогазовые установки с двумя ГТЭ-150 и паровой турбиной мощностью 800 МВт менее экономичны; удельный расход теплоты в них на 3–4% выше. Это является следствием меньшей степени бинарности и доли газотурбинной мощности, которые влияют на к. п. д. даже больше, чем параметры пара: парогазовые установки с тремя ГТУ при докри-тическом давлении на 1,5% экономичнее, чем с двумя при сверхкритическом. При относительно меньшем расходе газов в ПГУ с двумя ГТЭ-150 и турбиной К-800 для подогрева питательной воды будут нужны (хотя и с меньшими расходами) все регенеративные отборы пара, усложняющие схему и эксплуатацию ПГУ. Для получения требуемого количества пара (около 950 т/ч на один котел) температура газов на входе в котлы должна быть на уровне 1150 °С. Это потребует устройства в котле неэффективно работающей топочной камеры с традиционными горелками, увеличения массы и габаритов котла. Другие возможные решения, например пропуск половины расхода газов мимо топки в конвективную шахту, сильно усложняют конструкцию котла.
В значительной степени традиционные для паротурбинных блоков схемные и конструктивные решения сохраняются в ПГУ с полным использованием кислорода в отработавших газах ГТУ. Такие ПГУ с ГТЭ-150 можно создать с использованием паровых турбин К-500 и К-800.
Вследствие низкой бинарности и малой доли газотурбинной мощности удельный расход теплоты в ПГУ со сбросом газов в котел обычного типа существенно выше (на 5–8%), чем в оптимальных ПГУ утилизационного типа. Пониженная экономичность при использовании турбины К-800 объясняется тем, что содержащегося в газах ГТУ кислорода недостаточно для сжигания топлива, которое требуется для выработки обеспечивающего эту турбину расхода пара, и в топку котла, кроме газов из ГТУ, приходится подавать значительное количество воздуха.
Различия в удельном расходе топлива для ПГУ с разной степенью бинарности соответствуют низкой температуре уходящих газов (110 °С), для достижения которой требуется развитие экономайзерных поверхностей котлов-утилизаторов. При повышении температуры уходящих газов экономичность ПГУ снижается тем быстрее, чем выше степень бинарности, коэффициент избытка воздуха и, следовательно, доля потерь с уходящими газами. Несмотря на это, при температурах газов в ГТУ выше 1000 °С выгоды цикла с высокой бинарностыо сохраняются до tух < 180– : – 200 °С.
Парогазовые установки мощностью 350 и 800 МВт с одной или двумя ГТЭ-150 лучше приспособлены для покрытия полупиковых нагрузок. При умеренной удельной стоимости эти ПГУ должны обладать высокой экономичностью и надежно работать в циклическом режиме с ежедневными пусками и остановами.
На ТЭЦ, сооружение которых намечено на природном газе, целесообразно устанавливать парогазовые установки мощностью 200–350 МВт. Помимо экономической эффективности, важнейшими требованиями к этим ПГУ являются высокая надежность, возможность автономной работы паровой части и экономичного отпуска теплоты потребителям при остановах ГТУ, а для европейских районов – возможность глубокой разгрузки для участия в покрытии переменной части графика электрических нагрузок.
ПГУ с высоконапорным парогенератором
Во всех типах ПГУ с прямым подводом части теплоты топлива в паровой цикл сжигание дополнительного топлива может осуществляться не перед котлом, а между компрессором и турбиной ГТУ. Избыток теплоты, по сравнению с требуемым для подогрева газов до температуры на входе в турбину передается пароводяной среде в расположенных там же поверхностях теплообмена, образующих вместе с устройствами для сжигания топлива высоконапорный парогенератор (ВПГ). Для утилизации теплоты отработавших в ГТУ газов в выходном тракте сохраняются экономайзерные поверхности, работающие при близком к атмосферному давлении с газовой стороны.Принципиальным достоинством схем с ВПГ является уменьшение массы и габаритов котельных поверхностей, работающих в тракте между компрессором и турбиной ГТУ при повышенных давлениях. Оно тем больше, чем меньше степень бинарности комбинированного цикла, т.е. чем большая доля теплоты подводится в паровой цикл в ВПГ, и проявляется при невысоких температурах газов в ГТУ, их небольшой относительной мощности и сжигании топлива с избытками воздуха, близкими к единице. Коэффициент полезного действия ПГУ с ВПГ при работе на жидком топливе и газе высокого давления, сжатия которого для подачи в ВПГ не требуется, повышается на 1%. С уменьшением доли сжигаемого в ВПГ топлива разница в к.п.д. пропорционально ей уменьшается. Вместе с тем ПГУ с ВПГ принципиально менее надежны, чем ранее рассмотренные ПГУ с «низконапорными» котлами, работающими на сбрасываемых из ГТУ газах. Оборудование в этих схемах жестко взаимосвязано, вследствие чего отказ ГТУ, паровой турбины, любого модуля ВПГ или поверхностей в тракте отработавших в ГТУ газов приводит к останову ПГУ до устранения неисправности. Автономная работа паровой или газотурбинной части и их разновременное сооружение невозможны.
Высоконапорный парогенератор конструктивно сложнее обычного котла. Его поверхности теплообмена тесно расположены внутри прочного корпуса, рассчитанного на давление 1–1,5 МПа. В результате предельная паропроизводительность ВПГ определяется транспортными габаритами блоков заводской поставки и составляет 250–350 т/ч на один корпус. Сборку их производят на заводе с использованием специальных приспособлений. Для более мощных ПГУ количество корпусов необходимо увеличивать. Большое количество единиц оборудования затрудняет компоновку и конструкцию газовых трактов высокого давления, увеличивает трудоемкость ремонтов, особенно сложных внутри ВПГ.
Наличие между топкой и газовой турбиной большой массы (сотен тонн) металла поверхностей нагрева ВПГ приводит к выносу в турбину окалины и ускоренному износу ее лопаток. Распространенные ГТУ со встроенными камерами сгорания, например ГТЭ-150, вообще нельзя применить в схемах с ВПГ.
Увеличение доли газотурбинной мощности для повышения экономичности ПГУ с ВПГ вызывает большие трудности. При начальных температурах газов 950–1100 °С в схемах с близким к термодинамически оптимальному соотношением газо- и паротурбинных мощностей происходит вырождение ВПГ. Так как температура газов в нем снижается всего на 300 °С, количество поверхностей теплообмена в ВПГ сокращается, а для охлаждения отработавших в ГТУ газов с 450–550 до 100–150 °С необходимы точно такие же, как в котле-утилизаторе, поверхности. Поскольку именно эти поверхности работают с небольшими температурными напорами, они составляют более 80% поверхности всего котла-утилизатора. Конечно, масса расположенных в ВПГ труб значительно меньше, чем поверхностей аналогичного назначения в котле-утилизаторе, но с учетом прочного корпуса ВПГ суммарная металлоемкость котельного оборудования в ПГУ с ВПГ оказывается больше, чем котла-утилизатора. Увеличение относительного расхода газов и доли теплоты, передаваемой в паровой цикл от отработавших в ГТУ газов, приводит к необходимости переноса из ВПГ в выходной тракт ГТУ части испарительных и пароперегревательных поверхностей с соответствующим усложнением тепловой схемы и трассировки трубопроводов. При дальнейшем повышении начальной температуры газов в ГТУ эти трудности возрастают.
Парогазовая установка с вводом пара в газовую турбину
Большинство действующих парогазовых установок, а их мощность составляет в настоящее время в мире несколько тысяч мегаватт, работает по «классическому» бинарному циклу. В этой схеме пар одного или двух давлений, выработанный в котле-утилизаторе (КУ) в результате использования тепла отработанных газов газовой турбины (ГТ), поступает в паровую турбину (ПТ). Повышение начальной температуры газа Тг и соответствующей ее оптимальной степени повышение давления в компрессоре πк увеличивают к.п.д. верхней части цикла и установки в целом и изменяют соотношение мощностей ГТ и ПТ в пользу первой. К.п.д. выработки электроэнергии бинарными установками в диапазоне температур ГГ =1050-Н400 °С составляет 46–54%. Дальнейший рост к.п.д. парогазовых установок связан не только с ростом начальных параметров, но и со схемными решениями – переходом к ПГУ с вводом (инжекцией) пара непосредственно в ГТ. Эта схема впервые была предложена академиком С.А. Христиановичем с сотрудниками. В последние годы она нашла достаточно широкое применение за рубежом, получив по латинской аббревиатуре название схемы STIG или при наличии промежуточного охлаждения воздуха в компрессоре схемы ISTIG. В первоначальных вариантах пар в ограниченном количестве вводился в камеру сгорания для снижения образования оксидов азота (так называемый экологический впрыск пара). В последующем количество пара, подаваемого в камеру сгорания, было увеличено. Он стал составлять значительную долю рабочего тела ГТ (энергетический впрыск пара). Это дало возможность поднять удельную (на единицу расхода воздуха на входе в компрессор) мощность ГТУ. И наконец, на третьем этапе вырабатываемый в КУ пар полностью используется в тракте ГТ – большей частью как рабочее тело, а также для охлаждения высокотемпературного лопаточного аппарата ГТ, частично или полностью замещая охлаждающий воздух. Это увеличивает эффективность охлаждения лопаточного аппарата, обеспечивает возможность повышения Тг до 1500–1600 °С при использовании современных конструкционных материалов и значительно снижает потребную мощность компрессора, что существенно, поскольку доля расхода воздуха на охлаждение при высоких Тг становится чрезвычайно большой (до 15–20%). К.п.д. выработки электроэнергии в установке 18Т1С в диапазоне температур 1400–1600 °С составляет 51–56%. Значительно выше и удельная мощность на единицу расхода рабочего тела ГТ, что позволяет на базе существующего технологического оборудования, прежде всего авиационного, резко увеличить полезную мощность выпускаемых ГТ.
Тепловая схема ПГУ с впрыском пара может быть предельно упрощена: из нее исключаются паровая турбина, конденсатор и соответствующая система охлаждения циркуляционной воды (рис. 1). Это создает предпосылки для существенного снижения капитальных затрат и срока ввода новых установок; при этом основная цель – достижение минимума затрат на получение электроэнергии – достигается не при предельно высоком к.п.д. установки, а при несколько более низких значениях тепловой экономичности, но при существенном упрощении тепловой схемы. Установление оптимального соотношения между целесообразным снижением тепловой экономичности и упрощением тепловой схемы представляет самостоятельную задачу и не является предметом данной статьи. К.п.д. этой установки составляет 55,8% при удельной мощности 1,18 МВт на 1 кг/с воздуха на входе в компрессор низкого давления.
При разработке тепловой схемы высокотемпературной ПГУ с впрыском пара преследовалась цель свести к минимуму затраты на получение электроэнергии, а не достижения максимальной тепловой экономичности. В связи с этим был принят ряд технических решений, направленных на снижение капитальных затрат и не оптимальных с точки зрения к.п.д.:
– выбран сравнительно простой термодинамический цикл с одним промохлаждением воздуха при сжатии;
– общая степень повышения давления и количество впрыскиваемого пара в продукты сгорания установлены ниже оптимальных значений;
– не использовано низкопотенциальное тепло уходящих газов и охлаждаемого воздуха.
Если оптимизировать представленный вариант для достижения максимального к.п.д. и внести ряд усложнений в принципиальную тепловую схему (например, использовать паротурбинный привод компрессора низкого давления, увеличить общую степень повышения давления и впрыск пара в камеру сгорания до оптимального с точки зрения термодинамики значения, уменьшить температурные напоры в котле-утилизаторе и т.п.), к.п.д. ПГУ (нетто) может достигнуть 58,0–58,5%, а при использовании низкопотенциального тепла уходящих газов (снижение их температуры до 105 °С) превысит 60%.
Однако анализ показывает, что подобное увеличение тепловой экономичности не оправдывает значительного усложнения установки и роста капитальных затрат, ухудшающих перспективы практической реализации установки.
Оценки показали, что стоимость выработки электроэнергии на ПГУ, работающих по циклу ISTIG, будет на 10–12% ниже, чем на обычных ПГУ, сочетающих ГТ и ПТ, и на 20–25% ниже, чем на обычных типовых паротурбинных электростанциях, использующих в качестве топлива природный газ, с турбинами К-300–240. Очень существенно (в 3–4 раза) снижаются сроки окупаемости капиталовложений.
В предложенной схеме ПГУ выработанный в КУ пар после прохождения газовой турбины выбрасывается вместе с отработанными газами в атмосферу. Эти потери восполняются химочищенной водой. Требуемая степень чистоты пара, идущего на охлаждение лопаточного аппарата и подаваемого непосредственно в камеру сгорания, разная. Это учитывается в схеме КУ, его водным режимом и схемой сепарации и промывки пара. Проведенные оценки показали, что расходы на химочистку повышенного количества воды в ПГУ с вводом пара не будут превышать 3,5–4% стоимости топлива. Частично они будут скомпенсированы более чем в 3 раза меньшим суммарным потреблением воды установкой на выработанный киловатт-час.
Основными загрязняющими атмосферу компонентами в отработанных газах ПГУ на природном газе являются оксиды азота NОХ . Процесс горения в камерах сгорания (КС) происходит при составе топливовоздушной смеси в зоне реакции, близком к стехиометрическому, в так называемых «стехиометрических зонах». Параметры этих зон (температура, давление, интенсивность переноса тепла и вещества, время пребывания газа в них) в значительной мере определяют не только скорость горения, но и скорость образования тех оксидов азота, которые называют «термическими» (их вклад является преобладающим). Наиболее сильное влияние на выбросы NОХ оказывает температура в стехиометрических зонах. Ввод в зону реакции водяного пара, который в данном случае является инертным компонентом, снижает температуру в этой зоне, что приводит к заметному уменьшению выбросов оксидов азота.
При пониженной температуре в стехиометрической зоне равновесная концентрация NОХ , отвечающая этой температуре, остается весьма высокой, заметно превышающей допустимые нормы для NОХ в продуктах сгорания. Однако в реальных условиях сжигания топлива в камере сгорания ГТУ равновесная концентрация NОХ никогда не достигается. Из-за малого времени пребывания в стехиометрической зоне концентрация NОХ оказывается много меньше равновесной. Образование NОХ продолжается в послепламенной зоне – в объеме КС. Оптимизация подвода и смешения вторичного воздуха и оставшейся части инертного компонента (пара) с первичным потоком, снижение времени пребывания продуктов сгорания в КС и уровня температур в ней самым радикальным образом сказываются на концентрации NОХ на выходе из камеры. Предварительное смешение топлива с паром «улучшает» соотношение объемных расходов газообразного топлива и окислителя, облегчает организацию перемешивания компонентов и организацию микрофакельного сжигания, что согласно имеющимся данным ведет к снижению выбросов NОХ.
Для высокотемпературных венцов лопаточного аппарата современных газовых турбин характерный уровень тепловых потоков составляет 1,5–2 МВт/м. Это достаточно большие значения. Интенсивность теплообмена определяется большим числом факторов, из которых основными являются число Рейнольдса, градиент давления и степень внешней турбулентности потока. Ситуация усложняется неравномерным распределением плотности теплового потока по обводу профиля лопатки. Изменением размера пор и проницаемости пористой стенки можно сгладить неоднородность температуры стенки при любом известном распределении теплового потока вдоль лопатки.
Основная проблема, безусловно, состоит в создании лопаток с проницаемой стенкой. Имеется несколько путей их создания. Первый – методом испарения составляющих материалов: матричного сплава и керамики электронным лучом и конденсации (осаждения) в вакууме пористой оболочки на каркас лопатки. Основа этого метода разработана в ИЭС им. Е.О. Патона. Второй вариант состоит в использовании многослойных оболочек из перфорированных пластин. Такие работы развивались в МГТУ. Третий – в применении сплошных оболочек со значительным числом отверстий микроперфорации. И, наконец, четвертый – создание оболочек из сварно-катаных сеточных материалов (МГТУ). Проблема создания проницаемых лопаток включает в себя как чисто технологические аспекты, так и вопросы конструирования при обеспечении требуемых прочностных характеристик лопаток с проницаемой (ослабленной в механическом отношении) оболочкой. Дополнительные осложнения вносит возможность ухудшения газодинамических характеристик лопатки из-за шероховатости поверхности и наличия вдува. Поэтому проведение соответствующих экспериментальных и расчетных исследований для снижения газодинамических потерь и оптимизации параметров вдува и характеристик пористой оболочки является неразрывной составной частью комплекса работ по созданию пористой лопатки.
Смежной является проблема предотвращения заноса проницаемой оболочки лопатки солями, содержащимися в охлаждающем лопатку паре. Как показали исследования, современные методы водоподготовки, водного режима барабанных котлов, сепарации и промывки пара могут обеспечить должное качество пара. Вместе с тем сохраняется определенная опасность выпадения в процессе прохождения паром через обогреваемую газом пористую оболочку лопаток железооксидных соединений, имеющих высокий коэффициент распределения солей между паровой и жидкой фазами и отрицательный коэффициент растворимости. Питание парогенератора ПГУ водой, удовлетворяющей нормам ПТЭ для котлов сверхкритического давления, и промывка пара этой же водой обеспечат такой уровень образования отложений, который гарантирует длительный рабочий ресурс лопаточного аппарата.
Повышенная удельная электрическая мощность на 1 кг/с расхода воздуха через компрессор в ПГУ с вводом пара делает возможным достижение единичной мощности 250–300 МВт на базе модифицированных наиболее крупных из существующих авиационных двигателей. К таким, в частности, можно отнести двигатель РД36–51 Рыбинского моторостроительного завода, серийно выпускавшийся для самолетов ТУ-144 и имеющий расход воздуха на входе в компрессор 273 кг/с.
Модификация связана с существенным увеличением степени сжатия, введением в тепловую схему промежуточного охладителя, переходом к схеме двигателя со свободной силовой турбиной и двухвальным компрессором (при суммарном πк = 46,8 степень сжатия в к.н.д. составляет 2,6. Это позволяет осуществить работу к.н.д. с пологим протеканием характеристики, в сочетании с промежуточным охлаждением воздуха уменьшить диапазон изменения приведенной частоты вращения к.в.д. на дроссельных режимах и обеспечить запас устойчивости компрессора и его работу с незначительным изменением к.п.д.
Основные параметры установки(условно отнесены к 100 кг/с воздухана входе в КНД)
Мощность, МВт ____________________________________ 118,8
К.п.д. нетто, % ____________________________________ 55,8
Расход электроэнергии
на собственные нужды, % ________________________ 2,2
Расход пара, кг/с: на впрыск в камеру сгорания __________ 17,8
на охлаждение турбины
высокого давления ______________________________ 3,3
на охлаждение турбины низкого давления
и силовой турбины ________________________________ 3,3
Температура уходящих газов, °С _______________________ 149
Параметры пара в котле-утилизаторе, МПа/°С:
высокого давления ______________________________ 4,7/470
низкого давления ___________________________________ 1,96/400
охлаждающего, °С ________________________________ 350
| Агрегат | Т вх °С | Р вх МПа |
Т вх °С | Р вых МПа |
Степень сжатия (расширения) |
Мощность, МВт |
КНД |
15 |
0,101 |
117 |
- |
2,6 |
10,4 |
КВД |
50 |
- |
515 |
- |
18,0 |
48,9 |
ТВД |
1600 |
4,29 |
1308 |
- |
2,25 |
48,9 |
тнд |
1308 |
- |
1234 |
- |
1,20 |
10,4 |
Силовая турбина |
1234 |
- |
599 |
0,101 |
16,1 |
121,5 |
Энерготехнологические парогазовые установки
Высокие температура и давление продуктов сгорания топлива в высоконапорном парогенераторе позволяют использовать их в качестве теплоносителя в технологических процессах для получения химических продуктов. В такой энерготехнологической установке осуществляется совместное производство электроэнергии, тепла и химических продуктов. Как и в любой энерготехнологической или комбинированной энергетической установке, это приводит к снижению себестоимости продукции, так как какие-то из вырабатываемых продуктов можно рассматривать как побочные, не требующие существенных дополнительных затрат производства.
Особенностью энерготехнологических установок на базе ПГУ с ВПГ являются малые габариты реакторов и других технологических аппаратов для производства химических продуктов, что обусловлено ведением технологического процесса при высоком давлении. В качестве иллюстрации можно рассмотреть два типа энерготехнологических ПГУ.
ПГУ для производства азотной кислоты. До промышленного производства азотной кислоты путем контактного окисления аммиака применялся термический способ фиксации атмосферного азота путем его окисления в высокотемпературной среде с помощью вольтовой дуги. Этот способ не получил широкого применения вследствие большого удельного энергопотребления до 10 000–14 000 кВт-ч на 1 т продукта.
В ЦКТИ и ГИАПе был разработан проект энерготехнологической ПГУ, в которой совмещено производство электроэнергии и окислов азота.
Газы, содержащие окислы азота, получаются в этой схеме без существенной затраты топлива, так как тепло от сгорания топлива почти полностью используется на выработку электроэнергии и на теплоснабжение. Оборудование для производства азотной кислоты располагается в газовом тракте между парогенератором и газовой турбиной. Азотная кислота получается из окислов азота в продуктах сгорания топлива под давлением от нескольких, до десятков атмосфер. Высокое давление несколько компенсирует низкую концентрацию окислов азота в продуктах сгорания и позволяет выполнять технологические аппараты компактными.
Реакции образования окислов азота в пламени обратимы, и скорость их растет с ростом температуры факела, причем при естественном охлаждении продуктов горения равновесная концентрация окислов азота как бы автоматически следует за температурой. Если скорость охлаждения продуктов сгорания от 2500 до 1500° С искусственно форсировать, то концентрация выхода окислов азота приближается к равновесной при температуре факела. При температуре факела около 2500° С и скорости охлаждения 250000 град/с содержание окислов азота в газах составляет около 2%».
Высокая температура газов в ВПГ может быть получена добавкой кислорода к воздуху или подогревом воздуха до высокой температуры (1200–1500° С). Добавка кислорода в основном нужна не для процесса сжигания топлива, а для интенсификации реакции окисления азота и повышения концентрации этих окислов в газе. Быстрое охлаждение продуктов сгорания до 1500° С происходит в конвективно-испарительных газоходах парогенератора.
Парогазовый блок мощностью 225 МВт при давлении воздуха за компрессором 9,5 ата и температуре газа перед турбиной 800° С может иметь к. п. д. 40%. При температуре греющих газов. 1000/125° С, температуре перед парогенератором 750° С и расходе воздуха в ГТУ 720 т/ч производительность энерготехнологической ПГУ по отпуску азотной кислоты получается 15 т/ч.
Себестоимость азотной кислоты в энерготехнологической ПГУ ниже, чем на существующих заводах с контактным окислением аммиака.
ПГУ для получения синтетических продуктов. Перспективным типом энерготехнологической установки представляется ПГУ с конверсией смеси природного газа и пара под давлением 20 – 30 ата в трубчатом аппарате (в газоходе ВПГ) для получения азотно-водородной смеси, являющейся исходным продуктом в производстве азотной кислоты и азотистых удобрений, или водорода, необходимого в производстве синтетических углеводородов.
Продукты сгорания с температурой 1600° С поступают в трубчатый конвертор, состоящий из жаропрочных труб диаметром НО мм, заполненных катализатором–керамическими кольцами из активного никеля.
При температуре 750–800° С концентрация водорода в конвертированном газе достигает 50–60%. Поскольку конверсия сопровождается горением, в конвертированном газе содержится до 25% углекислоты, используемой для синтеза углеводородов.
На ТЭЦ нефтеперегонных заводов такие ПГУ могут использоваться для конверсии нефтяных газов (от перегонки нефти) и водяного пара. Получаемый при этом водород используется для извлечения серы из нефти при получении бессернистых мазутов.
Оптимизация схем и параметров ПГУ
Термодинамическая оптимизация тепловых схем и параметров парогазовых установок позволяет из большого количества возможных вариантов отобрать основные для детального технико-экономического анализа.
Начальные параметры паровой ступени парогазового цикла не требуют оптимизации, поскольку в зависимости от мощности агрегатов они стандартизированы (35 ата, 435° С; 90 ата, 535° С; 130 ата, 565° С; 240 ата, 560–565° С). Дальнейшее повышение начального давления и температуры пара (до 300–400 ата, 600–650° С) для паротурбинных установок экономически не оправдывается. Для парогазовых установок, имеющих более высокий к. п. д., дальнейшее повышение начальных параметров пара тем более неперспективно.
Конечное давление пара, регенеративная система паровой ступени цикла, параметры газовой ступени подлежат технико-экономической оптимизации, при которой используются результаты предварительной термодинамической оптимизации. Технико-экономическая оптимизация основана на исследовании динамики соотношения капитальных и эксплуатационных затрат на установку при изменении тепловой схемы и параметров цикла.
Усложнение тепловой схемы и повышение параметров пара и газа приводит к увеличению капитальных затрат на оборудование установки. Увеличение капиталовложений допустимо при условии, что они компенсируются уменьшением эксплуатационных расходов, из которых основными являются расходы на топливо и зарплата персонала. Топливная составляющая эксплуатационных расходов уменьшается с повышением параметров пара и газа и отчасти с ростом мощности агрегатов. Составляющая зарплаты уменьшается в основном с увеличением мощности агрегатов.
Эффективность типовой паровой турбины. Вытеснение паровой регенерации и ограничения по прочности проточной части не позволяют сохранить номинальный расход пара на турбину при использовании ее в схеме ПГУ, что приводит к уменьшению максимальной электрической мощности паровой ступени ПГУ.
Чтобы полностью загрузить часть высокого давления (ЧВД). но не увеличивать пропуск пара через последние ступени части низкого давления (ЧНД), при проектировании ПГУ изыскиваются пути разгрузки ЧСД и ЧНД паровой турбины. Основные варианты этого решения – перепуск пара мимо перегруженных ступеней турбины с конденсацией его в особом теплообменнике или с расширением этого пара в особой турбине.
Наиболее эффективный способ увеличения расхода пара без перегрузки ЧСД и ЧНД – пропуск отбора пара через дополнительную турбину с конденсацией его в дополнительном конденсаторе.
Дополнительная турбина может быть расположена на одном валу с газовой турбиной, причем она может служить и пусковой. В данном случае в дополнительной турбине предпочтительнее использовать пар из отбора на деаэратор.
Для каждого способа увеличения расхода пара можно определить граничную величину стоимости топлива (соответствующую нулевому значению экономии расчетных затрат), до которой экономически оправдывается использование дополнительной мощности ПГУ.
Промежуточный перегрев пара. Промежуточный перегрев пара для конденсационных ПГУ предопределяется стандартными параметрами пара. В теплофикационных ПГУ эффективность промежуточного перегрева пара (экономия топлива и расчетных затрат) зависит от относительного расхода пара и противодавления паровой турбины
Зависимость оптимальной величины давления ропт промежуточного перегрева от начальных параметров пара рг и ti показана на рис. 6, а, от относительного расхода пара d и температуры промежуточного перегрева пара tn – на рис. 6, б.

Рис. 6. Оптимальное давление промежуточного перегрева для парогазовой ТЭЦ с противо-давлением (точка а- 90 ата, 535° С; точка Ъ – 130 ата, 565° С; точка с – 240 ата, 580° С)
Сплошные линии относятся к схеме с параллельным подогревом питательной воды в регенеративных подогревателях и экономайзере, штриховые линии – к схеме с последовательным подогревом питательной воды. Приведенные величины оптимального давления промежуточного перегрева являются ориентировочными.
Экономичность ПГУ при частичных нагрузках. В зависимости от схемы и параметров ПГУ имеют различную тепловую экономичность на частичных нагрузках (рис. 8). У ПГУ сдвухвальной (с разрезным валом) ГТУ к.п.д. на частичных нагрузках снижается наиболее значительно вследствие снижения температуры газов перед ГТУ и уменьшения расхода воздуха и газа через ГТУ при уменьшении частоты вращения компрессора.




![]()
![]()
![]()
![]()
![]()
![]()
η/ηном
4
0,95
3
0,9 2
1
0,5 0,6 0,7 0,8 0,9 N/Nном
Рис. 8. К. п. д. ПГУ при частичных нагрузках:
/ – двухвальная ГТУ; 2- одновальная ГТУ; 3 – одновальная ГТУ с дополнительной камерой сгорания; 4 – одновальная ГТУ с дополнительной камерой сгорания, экранированной трубами пароперегревателя
В ПГУ с одновальной ГТУ снижение к. п. д. на частичных нагрузках менее значительно, так как при постоянной частоте вращения компрессора, расход воздуха и газа остается постоянным. Дополнительная камера сгорания позволяет поддерживать постоянными температуру газов перед ГТУ и мощностью ГТУ независимо от нагрузки паровой турбины. Это уменьшает снижение к. п. д. одновальной ГТУ на частичных нагрузках. В случае экранирования дополнительной камеры сгорания пароперегревательными трубами к. п. д. ПГУ на частичных нагрузках еще повышается. ПГУ с докритическими параметрами пара и одновальной ГТУ следует рассчитывать при максимальном режиме по коэффициенту избытка воздуха а = 1,3 – т – 1,5 (рис. 9). В этом случае при частичных нагрузках ПГУ будет работать с повышенным избытком воздуха, что позволяет сохранить высокий к. п. д. установки.
Кривая к. п. д. ПГУ с двухвальной ГТУ при промежуточном охлаждении воздуха и промежуточном нагреве газа находится между кривыми 1 и 2 на рис. 8.
Для ПГУ с закритическим давлением пара и температурой перед ГТУ до 850° С оптимальные показатели достигаются при минимальном избытке воздуха. Это условие выдерживается в случае использования двухвальной ГТУ с компрессором, имеющим переменную частоту вращения и обеспечивающим вследствие этого минимальные избытки воздуха на всех режимах. При температуре перед ГТУ свыше 850° С оптимальные показатели ПГУ достигаются применением одновальной ГТУ, имеющей повышенные коэффициенты избытка воздуха.

Удельные поверхности нагрева. При оптимизации схем и параметров ПГУ необходимо учитывать влияние начальной температуры газовой ступени и избытка воздуха на величину поверхностей нагрева ВПГ.
С повышением температуры газов перед турбиной уменьшается количество тепла, восприни-маемого испарительными и пароперегревательными поверхностями нагрева с высокой эффек-тивностью теплообмена, и увеличивается количество тепла, воспринимаемого экономайзером при менее интенсивном теплообмене. Это приводит к резкому увеличению металлоемкости эко-номайзера при небольшом уменьшении металлоемкости остальных поверхностей нагрева ВПГ. При повышении температуры перед газовой турбиной на 100° С определенному уменьшению испарительных поверхностей нагрева соответствует приблизительно десятикратное увеличение поверхности нагрева экономайзера
Увеличение расхода газов при большом избытке воздуха мало влияет на величину испарительных и пароперегревательных поверхностей нагрева. Увеличение скорости газов при большом избытке воздуха повышает эффективность конвективного теплообмена, что позволяет поддерживать постоянной температуру перегрева пара и отказаться от регулятора перегрева пара. Удельные поверхности нагрева экономайзера увеличиваются в большей степени, чем избыток воздуха. На долю экономайзера приходится около 70% всех поверхностей нагрева и около 50% металловложений ВПГ, однако величина удельных поверхностей нагрева экономайзера ВПГ составляет 0,1 – 0,2 м2 , что не превышает соответствующих величин для экономайзеров обычных котлоагрегатов.
Энергетические ГТУ, представленные на мировом рынке
За рубежом газотурбинные энергетические установки выпускаются более чем 40 фирмами. Однако, большинство из них выпускает продукцию по лицензии ведущих фирм, таких как, АББ. Сименс, Вестингауз, Дженерал Электрик.
В последние десятилетия резко возросла мощность ГТУ до 300 МВт и экономичность КПД при производстве электрической энергии достигает 36 – 38%, а в многовальных ГТУ, созданных на базе авиационных двигателей с высокими степенями повышения давления КПД может достигать 40%.
Выпускаемые сегодня стационарные ГТУ оснащены, как правило, охлаждаемыми рабочим и сопловыми лопатками турбин, что позволяет максимально поднять температуру газов перед турбиной до 1550о С.
Наибольший интерес представляют ГТУ, имеющие большой объем внедрения и длительные сроки наработки.
В качестве примера таких установок в таблице 3 приведены характеристики серии ГТУ AllisonRolls-Royce, созданных на базе ГТД LockheedC-130 Hercules. Это наиболее популярные в Европе ГТУ, значительное число их работает и в странах ближнего зарубежья: Чехии, Словакии, Венгрии, Польше и Турции. Отличительная особенность этих ГТУ – малый вес, компактность, высокий КПД и сравнительно низкий удельный расход воздуха.
Таблица 2
| Установка | Мощность, кВт | КПД, % (ISO) | Тем-ра выхлопных газов, гр. С | Расход выхлопных газов, кг/с |
| 501 – KB3 | 2692 | 25,0 | 571 | 12,8 |
| 501 – KB5 | 3840 | 28,6 | 553 | 15,7 |
| 501 – KN5 | 4447 | 30,7 | 553 | 16,3 |
| 501 – KH5 | 3743 | 28,1 | 583 | 15,7 |
| 501 – KB7 | 5240 | 31,1 | 519 | 20,6 |
| 501 – KN7 | 5757 | 32,3 | 528 | 20,7 |
В следующих таблицах приведены основные параметры энергетических ГТУ весьма популярных в Европе производителей: «ABB-Alstom» и «Siemens» (стандарт ISO).
Таблица 3
| Тип установки | Частота, Hz | Полезная мощность, МВт | КПД, брутто, % | Степень сжатия | Расход выхлопных газов, кг/с | Тем-ра выхлопных газов, гр. С | Место производства |
| TB5000 | 50/60 | 3.96 | 25.9 | 7.8 | 22.0 | 487 | Lincoln U.K. |
| Typhoon 4.35 | 50/60 | 4.35 | 30.0 | 13 | 17.7 | 527 | |
| Typhoon 4.7 | 50/60 | 4.70 | 30.2 | 14.1 | 19.0 | 525 | |
| Typhoon 5.05 | 50/60 | 5.05 | 30.2 | 14.3 | 19.6 | 646 | |
| Typhoon 5.25 | 50/60 | 5.25 | 30.2 | 14.8 | 20.3 | 537 | |
| Tornado 6.75 | 50/60 | 6.75 | 31.5 | 12.3 | 29.3 | 466 | |
| Tempest | 50/60 | 7.70 | 30.7 | 13.9 | 29.8 | 545 | |
| Cyclone | 50/60 | 12.90 | 34.0 | 16.9 | 39.7 | 570 | |
| GT35C | 50/60 | 17.00 | 32.1 | 12 | 92 | 376 | Finspong Sweden |
| GT10B | 50/60 | 24.80 | 34.2 | 14 | 80 | 543 | |
| GT10C | 50/60 | 29.00 | 36.0 | 18 | 91 | 518 | |
| GTX100 | 50/60 | 43.00 | 37.0 | 20 | 122 | 546 | |
| GT8C | 50/60 | 52.8/52.6 | 34.4 | 15.7 | 183 | 517 | Baden Switzerland |
| GT8C2 | 50/60 | 57.2/57.0 | 34.7/34.5 | 17.6 | 195 | 511 | |
| GT11N2 | 50/60 | 113.7/116.4 | 34.4/34.9 | 15.1 | 382 | 524 | |
| GT13E2 | 50 | 165.1 | 35.7 | 14.6 | 532 | 524 | |
| GT24 | 60 | 183.0 | 38.3 | 30 | 391 | 640 | |
| GT26 | 50 | 265.0 | 38.5 | 30 | 662 | 640 |
Энергетические газотурбинные установки фирмы «Siemens»
Таблица 4
| Тип установки | Полезная мощность, брутто, МВт | КПД, брутто (ISO), % |
| 60 Hz модификация | ||
| W 501. G | 253 | 39.0 |
| W501.F | 187 | 37.4 |
| W501.D5A | 121 | 34.7 |
| V64.3A | 67 | 34.7 |
| 50 Hz модификация | ||
| V 94.3 A | 265 | 38.5 |
| V92.2A | 190 | 35.2 |
| V92.2 | 157 | 34.4 |
| V 64.3 A | 67 | 34.7 |
Характеристики газотурбинной энергетической установки
SiemensGT 10 B
Таблица 5
| Параметр | Размерность |
| 1. Электрическая мощность, коэффициент мощности | 24770 кВт |
| 2. Тепловая мощность | 40000 кВт |
| 3. КПД при выработке электроэнергии | 34,2% |
| 4. Коэффициент использования топлива | 90% |
| 5. Температура газов на выходе (после утилизации тепла) | 543о С |
| 6. Удельные капитальные вложения, в долл. США на кВт установленной мощности | 319 долл. США/кВт |
| 7. Габаритные размеры агрегата (Д*Ш*В) | 20700*4000/4500*5300 |
| 8. Масса установки | 160000 кг |
| 9. Удельная материалоемкость | 6,46 кг/кВт |
| 10. Полный назначенный ресурс установки | 160’000 час |
| 11. Назначенный ресурс установки до капитального ремонта | 40’000 час |
| 12. Снижение фактической мощности ГТУ в процессе эксплуатации за межремонтный период при условии соблюдения правил эксплуатации, относительных | 3,8% |
| 13. Количество пусков с набором нагрузки | до 200 пусков в год |
| 14. Коэффициент готовности | 0,97 |
| 15. Ремонтопригодность | Все виды ремонтов на месте |
| 16. Комплектность поставки (наличие системы утилизации тепла и т.д., указать реквизиты организаций-поставщиков комплектующих) | Комплектная ГТУ со всеми вспомогательными системами. Системы утилизации поставляются как опция. |
| 17. Сроки и объемы возможных поставок оборудования | 12 месяцев |
| 18. Организации, осуществляющие проектные работы по созданию энергетических объектов с данной ГТУ | Теплоэлектропроект, УралВЭП и др. |
| 19. Где и когда установлены ГТУ данной марки (с указанием реквизитов организации и времени начала эксплуатации установки). | 165 установок по всему миру |
| 20. Организации, проводящие техническое обслуживание и ремонт установки | ДДИТ Россия, Сименс |
Список используемой литературы
1.Парогазовые установки – кардинальный путь развития энергетики / Горин В.И., Дьяков А.Ф., Ольховский Г.Г. // Теплоэнергетика, 1988, №11.
2.Основные направления экономии топлива на тепловых электростанциях / Доброхотов В.И. // Теплоэнергетика, 1985, №9.
3.Перспективные ПГУ для крупных электростанций / Ольховский Г.Г., Чернецкий Н.С., Святов В.А., Трушин С.Г. // Теплоэнергетика, 1985, №9.
4.Опытно-промышленная установка с внутрцикловой газификацией угля / Марков Н.М., Прутковский Е.Н., Корсов Ю.Г., Чавчанидзе Е.К. // Теплоэнергетика, 1985, №9.
5.Парогазовая установка с вводом пара в газовую турбину – перспективное
направление развития энергетических установок / Батенин В.М., Зейгарник Ю.А.,
Копелев С.З., Масленников В.М., Новиков А.С., Полежаев Ю.В., Фаворский О.Н.,
Штернберг В.Я. // Теплоэнергетика, 1993, №10.
6.Газопаровая установка с вводом пара в газодинамический тракт: основные научные и инженерные проблемы / Епифанов В.М., Зейгарник Ю.А., Копелев С.З., Мостинский И.Л., Полежаев Ю.В., Поляков А.Ф., Штернберг В.Я. // Теплоэнергетика, 1993, №10.
7.Канаев А.А., Корнеев М.И. Парогазовые установки. Конструкции и расчёты. // Ленинград: Машиностроение, 1974