| Скачать .docx |
Реферат: Микропроцессорная техника и аппаратура контроля в рабочих машинах
Министерство образования и науки Украины
Сумский Государственный Университет
Расчетно-графическая работа
по курсу:
”Микропроцессорная техника и аппаратура контроля
в рабочих машинах ”
Студент Сорокин А. Н.
Группа ВИ-11
Вариант 11
Преподаватель Ноздренков В. С.
Сумы 2004
Задание.
Описать работу электрической схемы управления автоматическим пуском электродвигателя постоянного тока в соответствии с заданным вариантом. Привести пусковую диаграмму в виде механических характеристик.
Для получения схемы для своего варианта необходимо в исходной схеме (рисунок 1) заменить соответствующие элементы согласно варианту.
Таблица 1
Исходные данные.


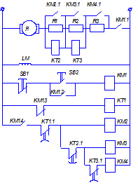
Рисунок 1- Исходная схема управления пуском электродвигателя.
Условные обозначения на схеме.
- Двигатель постоянного тока;
- обмотка возбуждения двигателя;
- нормально-замкнутый размыкающий контакт;
- контакт, размыкающийся с самовозвратом (кнопка «СТОП»);
- контакт, замыкающийся с самовозвратом (кнопка «ПУСК»);
- нормально-замкнутый контакт на замыкание с задержкой времени;
- нормально-замкнутый контакт на размыкание с задержкой времени;
- реле времени;
- электромагнитная обмотка реле;
- замыкающий контакт электромагнитного реле (ключ);
- сопротивление в силовой цепи двигателя.
- нормально-замкнутый размыкающий контакт

Рисунок 2- Схема управления пуском электродвигателя согласно
варианту задания.
Для удобства описания работы в исходную схему были внесены некоторые изменения в индексы контакторов (КМ), реле времени (КТ) и комплекта, размыкающегося с задержкой времени при возврате (КТ).
Описание работы электрической схемы.
1. Когда схему подключают к источнику питания, под напряжением оказывается обмотка возбуждения двигателя (LM). Контакт КМ 1.3 замкнут, следовательно, реле времени КТ 1 находится под напряжением, а его контакт КТ 1.1 – замкнут.
2. При нажатии кнопки «ПУСК» (контакт SB2):
срабатывает реле КМ 1, замыкаются контакты КМ 1.1, КМ 1.2, КМ 1.4, а контакт КМ1.3 – размыкается;
на якорь двигателя поступает напряжение сети через резистор R2, срабатывает реле времени КТ3;
контакт КМ 1.2 «блокирует» кнопку SB2, и двигатель не отключается после отпускания кнопки;
контакт КМ 1.3 разрывает цепь реле КТ 1, и оно обесточивается, но контакт КТ 1.1 замкнут, так как срабатывает задержка на размыкание, работают реле КМ 2.1 и КМ 4.1, шундируются сопротивления R1 и R3;
затем через время размыкается контакт КТ 1.1, перестаёт работать реле КМ 2.1;
через время замыкается контакт КТ 2.1, срабатывает реле КМ 3.1, шундируется сопротивление R2;
по истечении времени задержки выключается контакт КТ 3.1, перестаёт работать реле КМ 4.1.
3. При нажатии кнопки «СТОП» (контакт SB1) размыкается цепь реле КМ 1 и размыкается его контакт КМ 1.1, тем самым, разрывая цепь якоря, что приводит к остановке двигателя. Контакт КМ 1.3 замыкается и срабатывает реле времени КТ 1.

Рисунок 3 – Пусковая диаграмма.
Участок 0 – 1 – включение двигателя; частота вращения n = 0, момент М= Мпусковой.
Участок 1 – 2 – разгон двигателя. R= Rя + R2
Участок 3 – 4 – размыкается контакт КТ 1.1, перестаёт работать реле КМ 2.1.
Участок 5 – 6 – включается контакт КТ 2.1, включается реле КМ 3.1, шундируется сопротивление R2.
Участок 7-8 – выключается контакт КТ 3.1, перестаёт работать реле КМ 4.1. Ротор разгоняется до номинальной частоты. Вращение осуществляется при R = Rя + R1 + R3.
В точке 8 электродвигатель работает с частотой вращения n = nраб , и моментом М = Мраб .
Список использованной литературы
1.Стрыгин “Основы автоматики и вычислительной техники”. Учебное пособие для ВУЗов.1981г.
2.Арменский Е.В., Фалк Г.Б. “Электрические микромашины”, 1985г.
3.Сафонов Ю.М. “Электроприводы промышленных роботов”. М.-1990г.