| Скачать .docx |
Реферат: Торсионные поля
ФЕДЕРАЛЬНОЕ АГЕНТСТВО ПО ОБРАЗОВАНИЮ
Государственное образовательное учреждение
высшего профессионального образования
Московский государственный индустриальный университет
(ГОУ МГИУ)
Филиал ГОУ МГИУ в г. Сергиевом Посаде МО
(СПФ ГОУ МГИУ)
Кафедра «_________________________________________________________»
К У Р С О В А Я Р А Б О Т А
по дисциплине «Физика»
на тему «Торсионные поля»
Выполнил:
Студент _Зорина В.Ю.
Группа 3761 курс 2 семестр 3
Проверил:
Преподаватель _________________________________
Оценка работы _________________________________
Дата сдано: «_____» _______________ 200__ г.
Дата проверено: «_____» _______________ 200__ г.
Сергиев Посад
2008
СОДЕРЖАНИЕ
Стр.
ВвЕДЕНИЕ.................................................................................................. 3
1. ТорсионнОе полЕ, КАК ОБЪЕКТ НАУКИ..................................... 4
2. ИСПОЛЬЗОВАНИЕ ТОРСИОННЫХ ВОЛН В ТЕХНИКЕ.................. 9
2.1.1. Передача информации.................................................................. 9
2.1.2. Изменение структуры вещества.................................................. 12
2. 1.3. Влияние торсионных полей на биологические объекты........... 13
2.1.4. Применение источников и приемников торсионного излучения 22
2.1.5. Изучение структуры земли......................................................... 29
2.2. Использование воды в "свете" торсионных технологий.............. 34
2.3. Медико-биологическое применение торсионных полей............... 39
3. ПАТОГЕННЫЕ ИЗЛУЧЕНИЯ............................................................... 45
3.1. Геопатогенные и технопатогенные излучения .............................. 45
3.2 Социальнопатогенные излучения.................................................... 49
ЗАКЛЮЧЕНИЕ.......................................................................................... 51
СПИСОК ИСПОЛЬЗОВАННой ЛИТЕРАТУРЫ.................................... 52
ВВЕДЕНИЕ
“ Если технология XX столетия создавалась в середине века, то технологический базис XXI века уже родился – это торсионные технологии. Если теория физического вакуума решила, например, задачу Бора – “новая физика должна включать в себя сознание”, то торсионные технологии позволяют найти выход из всех тупиков технократического развития цивилизации в XX веке. Торсионные технологии охватывают все сферы человеческой деятельности, все отрасли хозяйства, медицину, науку, искусство, быт. Начала третьего тысячелетия будет ознаменовано доминированием торсионных технологий.”
(А.Е.Акимов)
На сегодня, передний край современной науки – это теория элементарных частиц («Теория физического вакуума», «Теория торсионных полей» и т.п.). это теория, в которой ученые пытаются объяснить происхождение всего сущего в мире. Последним достижением является выведенное уравнение ”физического вакуума”, которое характеризует и описывает пустое искривление, плюс закрученное пространство. Рассматриваемая теория описывает рождение из вакуума не только элементарных частиц, но и более сложных физических объектов.
Возможно теория торсионных полей даст объяснение группе экспериментальных данных, которые невозможно объяснить в настоящее время . Эти данные возникают не только в физических экспериментах, но и в химии, биологии, медицине. Особенно широко они представлены паранормальными или психофизическими явлениями. Результаты таких экспериментов выглядят, как правило, фантастическими, недостоверными. К тому же их зачастую бывает трудно воспроизвести. Накопление все новых противоречивых результатов лишь усугубляет ситуацию. Поэтому естественным выглядит появление экспериментальных и теоретических работ в области физики, которые подвергают сомнению старые взгляды.
1. ТОРСИОННОЕ ПОЛЕ, КАК ОБЪЕКТ НАУКИ
Человек — часть Природы, его существование — жизнь — проходит во взаимодействии с другими частями Природы, которые способствуют жизнедеятельности человека или затрудняют ее, либо даже угрожают ей. Несколько миллионов лет (по современным оценкам «возраста» человечества) жизнь человека зависела в основном от земных природных факторов, а из космических угрозу представляли лишь редкие крупные метеориты.
В конце XIX и в течение XX века появилось еще две координаты жизнедеятельности человека. В результате бурного развития естественных наук человечество осознало, что помимо земных в его жизнедеятельности существуют и космические природные факторы. Например, ультрафиолетовые лучи Солнца и межпланетная магнитная плазма. В этот же период,— исторически мгновенно возникли техногенные факторы. Земные, космические и техногенные факторы образовали «трехмерное» пространство человеческой жизнедеятельности.
В 1913 году молодой французский математик Э. Картан опубликовал статью, в конце которой он сформулировал в одной фразе фундаментальную, как потом оказалось, физическую концепцию: в природе должны существовать поля, порождаемые плотностью углового момента вращения. В 20-е годы ряд работ в близком к этому направлению опубликовал А. Эйнштейн. К 70-м годам сформировалась новая область физики — теория Эйнштейна — Картана (ТЭК), которая явилась частью теории торсионных полей (полей кручения). В соответствии с современными представлениями электромагнитные поля порождаются зарядом, гравитационные — массой, а торсионные порождаются спином или угловым моментом вращения. Подобно тому, как любой объект, имеющий массу, создает гравитационное поле, так и любой вращающийся объект создает торсионное поле.
Торсионные поля обладают рядом уникальных свойств . Торсионные поля могут порождаться не только спином. Они могут порождаться геометрическими и топологическими фигурами («эффект формы»). Они могут самогенерироваться и всегда порождаются электромагнитными полями. Торсионные излучения обладают высокой проникающей способностью, и подобно гравитации проходят через природные среды без ослабления, т. е. их нельзя экранировать природными материалами. Скорость торсионных волн не менее чем 109 км/с, т. е. в миллиард раз больше скорости света. Потенциал торсионного поля для источника с излучением не зависит от расстояния. В отличие от электромагнетизма, где одноименные заряды отталкиваются, одноименные торсионные заряды притягиваются. Спиновополяризованные среды и Физический Вакуум в результате действия торсионного поля образуют устойчивые метастабильные спиновые состояния.
До начала 80-х годов проявление торсионных полей наблюдалось в экспериментах, которые не ставили своей целью исследование именно торсионных явлений. С созданием торсионных генераторов ситуация существенно изменилась. Появилась возможность провести широкомасштабные исследования по проверке предсказаний теории в планируемых экспериментах. За последние десять лет такие исследования были выполнены рядом организаций Академий наук, лабораториями высших учебных заведений и отраслевыми организациями России и Украины. В 1989 г. в Институте проблем материаловедения АН Украины был получен ультрадиспергированный (аморфный) металл при медленном остывании и в объеме слитка в результате действия торсионных излучений на расплав (д. ф.-м. н. Майборода В.М.). Полезно отметить, что металлы, полученные с использованием торсионной технологии, структурно и по их полевым характеристикам очень близки к сплавам, которые, как предполагают, имеют отношение к НЛО, и которые более 10 лет назад исследовались в ряде академических организаций России и Украины.
В начале века было понимание того, что электромагнитные поля являются силовыми и дальнодействующими. Затем появилось умение генерировать электрические токи и электромагнитные волны. Сочетание этих фундаментальных факторов привело к тому, что мы живем в век электричества, и очень трудно назвать задачи науки и потребности общества, которые не решались бы с помощью электромагнитных устройств: электродвигатели и ускорители элементарных частиц; СВЧ-печи для приготовления пищи и ЭВМ, установки для электросварки и радиотелескопы и многое, многое другое.
Тогда же было понимание, что гравитационные поля — тоже силовые и дальнодействующие. Но до сих пор никто не умеет делать устройства, генерирующие гравитационные токи и гравитационные волны, хотя попытки понять теоретически, что это такое по аналогии с электромагнетизмом, предпринимались неоднократно со времен Хевисайда. Именно отсутствие этого «умения» делает гравитацию предметом лишь теоретических исследований.
Когда было понято, что торсионные поля так же являются силовыми и дальнодействующими и имеются разработанные источники (генераторы) торсионных токов и торсионных волновых излучений, то по аналогии с электромагнетизмом методологически было допустимо высказать осторожное предположение, что и в рамках торсионной парадигмы можно ожидать столь же широких и разнородных прикладных решений как и в рамках электромагнетизма.
За почти десять лет с тех пор, как были сформулированы указанные выводы, теоретические, экспериментальные и технологические исследования в России и на Украине показали, что торсионные технологии и средства несравнимо более эффективны, чем электромагнитные. Ранее упоминались успехи торсионной технологии в металлургии. Однако в повестке дня уже стоит вопрос не об обработке расплава при стандартном процессе плавки, а о разработке торсионной металлургии, исключающей стадию плавки.
2. ИСПОЛЬЗОВАНИЕ ТОРСИОННЫХ ВОЛН В ТЕХНИКЕ
2.1.1. Передача информации
Если у нас есть передатчик (излучатель торсионных волн), есть система регистрации и приёма торсионных волн, то естественно использовать их для передачи информации. Так можно заменить радиосвязь торсионной связью. В апреле 1986 года были проведены первые эксперименты по передаче двоичной информации с использованием торсионных сигналов. Эти результаты опубликовали в 1995 году. Таким образом существование торсионных полей подтверждено экспериментально. Такие эксперименты были выполнены в апреле 1986 года. Передача торсионных сигналов осуществлялась с первого этажа здания, которое располагалось недалеко от кольцевой автомобильной дороги в Москве в районе Ясенево. Сигнал должен был пройти большое количество зданий, которые отделяли точку, где передавался сигнал, от той точки, где принимался торсионный сигнал, и кроме этого между этими точками были неровности рельефа местности, сквозь толщу земли которых должен бы пройти сигнал. При этом, в качестве передающего устройства, использовался торсионный генератор, который не имел устройств типа антенны в радиосвязи, которые можно было бы разместить на крыше так, чтобы этот сигнал мог перейти по свободному пространству от одного места к другому, огибая все те препятствия, которые должен был бы преодолеть торсионный сигнал. В рамках этого эксперимента торсионный сигнал мог пройти только по прямой через мешающие здания и через толщу рельефа местности. Даже если бы не было рельефа местности и надо было бы преодолеть только эти здания, то с учетом плотности застройки в Москве между точкой передачи и точкой приема (точка передачи находилась недалеко от кольцевой автомобильной дороги, а точка приема находилась в центре Москвы недалеко от площади Дзержинского, расстояние между этими точками, как указано на схеме (рисунок 1), составляло приблизительно 22 км) эффективная толщина железобетонных зданий, которая разделяла эти две точки, составляла не менее 50 м железобетона. Очевидно, что даже если эти здания существовали в виде такой стены, то какими бы сотнями мегаватт радиосвязи (мощности радиопередатчика) мы не располагали, этот сигнал не смог бы попасть в точку приема, он практически полностью был бы поглощен этими железобетонными стенами зданий.

Рисунок 1 Иллюстрация передачи двоичных торсионных сигналов
а – схема трассы; б – вид предаваемых сигналов; в – вид принятых сигналов
Мощность которая использовалась для реализации передачи торсионного сигнала из точки передачи в точку приема, составляла 30 милливатт, что почти в 10 раз меньше, чем мощность, потребляемая лампочкой от карманного фонаря. Естественно, что при столь малой мощности сигнала никакая передача сигнала в традиционном понимании из точки передачи в точку приема на расстоянии 22 км была бы невозможна.
Несмотря на то, что сигнал был низкий по интенсивности, он был в точке приема устойчиво принят. Этот двоичный сигнал принимался в виде огибающих, которые фиксировались уже в качестве преобразованного из торсионного в электрический сигнал.
Прежде всего, нужно сказать, что сам факт безошибочного приема сигнала из этой точки в точку приема казался совершенно невозможным. Но это было вполне естественным результатом с учетом высокой проникающей способности торсионного сигнала, который не должен был поглотиться на железобетонными зданиями, ни рельефом местности. Во второй серии экспериментов передатчик был привезен прямо в точку приема. И опять была повторена передача торсионного сигнала. Практически эти сигналы по интенсивности не отличаются, что и вытекает из высокой проникающей способности торсионного сигнала. Действительно, торсионному сигналу было все равно, то ли он проходит это расстояние в 22 км через эти поглощающие среды, то ли этих поглощающих сред нет вообще. Интенсивность сигнала при этом никак не меняется. Тем самым, было подтверждено теоретически предсказанное свойство торсионных сигналов не ослабляться ни с расстоянием, ни при прохождении через какие-то природные среды. Сигнал действительно проходил без всякого ослабления.
В настоящее время эти эксперименты уже переросли в рамки нормальной научно-исследовательской работы, которая должна завершиться созданием уже заводских образцов приемо-передающей аппаратуры, которая должна послужить прообразом для создания средств связи на принципах передачи торсионных сигналов.
Существует давний спор по поводу того, кто является изобретателем радио: русский А. Попов или американец Маркони. По торсионной связи такого спора не будет. Ни единой строчки и ни единого патента на этот счёт нигде в мире до настоящего времени не зафиксировано. Россия в этом вопросе будет единоличным лидером. Впрочем, не только по связи, но и вообще по торсионным технологиям. На сегодня ни по одному из направлений — энергетика, связь, транспорт — ни в одной стране мира даже не приступали к работам.
2.1.2. Изменение структуры вещества
За последние годы были проведены большие работы в области металлургии. Оказалось, что, изменяя спиновую структуру металла (в расплаве) можно управлять его структурой и свойствами. В результате, не добавляя никаких легирующих присадок, мы можем получать металл, который имеет лучшие характеристики, чем легированный. Например, было получено без легирования, только за счёт воздействия торсионным излучением на расплав металла, увеличение прочности в 1,5 раза и пластичности до 2,5 раз. Ни одна из существующих технологий в металлургии не позволяет повышать свойства материалов в несколько раз, обычно речь идет о процентах. И ни одна технология не позволяет, прочность и пластичность повышать одновременно! Это тоже уже достигнуто в металлургических печах на Российских заводах. Уже завершена стадия патентования. Предполагается, что скоро начнётся выпуск продукции из металлов, полученных по этой технологии.
Поскольку, сегодня физика имеет не только ясное научное понимание, но полное экспериментальное подтверждение, что все физические поля порождаются элементарными частицами, и, так как живой и неживой мир устроены из одних и тех же атомов и молекул, то невозможно существование у живой материи такого поля, которого не было бы у неживой материи, и наоборот. Поэтому с самого начала было понятно, что введение понятия "биополе" может только запутать ситуацию. Так это в действительности и произошло и происходит по сей день.
Но в таком случае, если биополе не является неким самостоятельным полем, дополнительным к уже описанным, и если мы всё же наблюдаем какие-то проявления, которые более свойственны живому, чем неживому (или, скажем, у неживого мы этого не наблюдаем), то следует изучить физическую сущность тех наблюдаемых полей или излучений и понять, почему те или иные специфические их проявления в первом случае выражены более, а во втором менее ярко.
2.1.4. Применение источников и приемников торсионного излучения
Понимание физики торсионных полей и наличие источников и приемников торсионного излучения позволило, показать, что с помощью торсионных полей можно иметь (далеко не полный перечень):
1.Источники энергии, использующие энергию флюктуаций физического вакуума;
2. Двигатели использующие эффекты вращения;
3.Наконец, возможно непосредственное использование свойств торсионного излучения.
Рассмотрим вначале источники энергии. Такие источники энергии уже существуют. Поскольку физический вакуум присутствует всюду, то место расположения устройства, извлекающего энергию из вакуума, теоретически не играет роли.
С точки зрения современной ортодоксальной физики, подобные устройства есть нечто совершенно невозможное, потому что они работают с КДП от 300 до 500%. Когда физику говорят, что существует прибор с КПД в 300%, то совершенно нормальная реакция нормального физика такова: этого просто не может быть никогда и тратить время на разговоры на эту тему бессмысленно. Когда же первая истерика проходит и можно приступить к разговору, предлагается таким специалистам просто вспомнить о том, чему их учили в школах в университетах. Будет ли физик возражать против утверждения, что в замкнутой системе КПД не может быть больше 100%. Очевидно нет. И мы с этим тоже согласны. Если же система открытая (она может как излучать энергию вовне, так и получать извне), тогда может ли её КПД быть сколь угодно большим. Если есть приток энергии, почему бы ему не обеспечивать любое значение КПД. Против этого также не станет возражать ни один физик. В таком случае, если мы имеем установку, о которой сказано, что она имеет КПД 300%, бессмысленно подвергать обструкции изобретателя. Нужно всего лишь решить 2 нормальные физические проблемы:
1.Провести метрологические измерения работы установки и убедиться, что нет ошибки в измерении КПД. Любой физик знает, как это можно сделать. Если же в результате тщательных измерений обнаружится, что установка всё-таки имеет КПД более 100%, то мы должны сделать, следующий из этого вывод: система открытая, имеется приток энергии извне.
2. Провести научно-исследовательскую работу, конечной целью которой является выявление неучтённого канала, по которому поступает энергия, и его учёт в общем энергетическом балансе установки. Как только мы это сделаем, все коэффициенты станут больше 100%.
В связи с вышеизложенным очевидно, что не существует принципиальных физических возражений против создания установки, способной получать энергию из физического вакуума. Нам нужно просто уметь определённым образом воздействовать на определённую область пространства, для того, чтобы та энергия колебаний или флюктуации вакуума преобразовывалась в нужный нам вид энергий: в электрическую, тепловую и т.д. Расчёты показывают, что если бы мы смогли извлечь всю энергию флюктуации физического вакуума из пространства объёмом один кубический сантиметр, то полученной энергии хватило бы на то, чтобы в течение 10 лет снабжать этой энергией весь земной шар в объёме сегодняшних его потребностей. Так что сегодня в этой области, как уже было сказано, существует только проблема низких КПД извлечения энергии из вакуума. Работая над этой проблемой, в конечной перспективе мы можем получить некий автономный источник энергии размером с пачку сигарет, который будет способен обеспечить потребности нормальной семьи. Не нужны ни системы коммуникаций, ни километры проводов. Фактически, мы живём в то время, когда подобная энергетическая революция уже потихоньку начинается.
В настоящее время уже существует достаточное число отечественных и зарубежных установок, "демонстрирующих КПД более 100%" (300-3000%).Эти установки (Ю.Потапова, К.Шоулдэрса, П.Баумана, Г.Нипера, Р.Авраменко, Д.Келли и др.) представляют собой пример открытых систем, взаимодействующих с внешней средой – физическим вакуумом. Общим для всех реально действующих установок является наличие в них вращающихся элементов, что указывает на их связь с торсионными полями и вращательной относительностью.
Одной из наиболее интересных запатентованных систем, демонстрирующих отбор энергии из физического вакуума, является установка Шоулдерса (Kenneth R. Shoulders), названная " Преобразование энергии с использованием разряда большой плотности". Установка Шоулдерса представлена на рисунке 4.

Рисунок 4. Энергетическая установка Шоулдерса с "КПД 3000%"
Основу установки составляет стеклянная трубка 1 и помещенный в нее заостренный катод 2, на котором создается электронное облако 3 большой плотности. Удивительным оказался тот факт, что такое плотное скопление электронов оказалось устойчивым в течение относительно длительного промежутка времени. Согласно К.Р.Шоулдерсу, электронный сгусток имеет форму тороида с внешним диаметром порядка 20 мкм, при этом электроны движутся по поверхности тороида хотя и ускоренно, но без излучения.
В теории физического вакуума это явление может быть объяснено двумя причинами:
а) электронный тороид образован самосогласованным электромагнитным полем электронов, при этом системы отсчета, связанные с электронами, оказываются ускоренными локально инерциальными системами отсчета первого рода и поэтому тороид стабилен;
б) на малых расстояниях кулоновское расталкивание электронов может смениться электроторсионными притяжением.
Под действием положительного напряжения на аноде 4 устойчивый электронный сгусток 3 движется в стеклянной трубке 1, на часть которой намотан проводник 5. По мере того, как электронный сгусток пересекает область трубки с проводником 5, в последнем возникает импульс тока. Эксперименты Шоулдерса показывают, что энергия возникшего в проводнике электрического импульса в 30 раз превышает энергию, которая была затрачена на формирование электронного сгустка.
Детальное описание процесса отбора вакуумной энергии плотным электронным облаком в установке Шоулдерса пока отсутствует. Как и вся проблема вакуумной энергетики, установка Шоулдерса требует тщательного научного исследования.
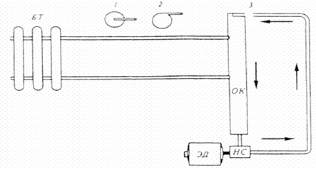
Установка Потапова. В России Ю.Потаповым разработана гидродинамическая тепловая установка с КПД, превышающим 400%. Ее блок-схема представлена на рисунке 5. Электродвигатель (ЭД) приводит в движение насос (НС), заставляющий циркулировать воду по контору (на рис. 15 показано стрелками). Контур содержит цилиндрическую колонку (ОК) и батарею отопления (БТ). Окончание трубы 3 можно подключить к колонке (ОК) двумя способами: к центру колонки; по касательной к окружности, образующей стенку цилиндрической колонки.

Рисунок 5. Тепловая установка Потапова с "КПД 400%"
Колометрические эксперименты с установкой Потапова, проведенные в НПО "Энергия", показали, что при подключении по способу 1 количество тепла, отдаваемое воде, равно (с учетом потерь) количеству тепла, излучаемому батареей (БТ) в окружающее пространство. Но как только происходит подключение трубы по способу 2, количество излучаемого батареей (БТ) тепла увеличивается в 4 раза! Скрупулезные измерения, проведенные нашими и зарубежными специалистами, показали, что при подводе 1 кВт к электродвигателю (ЭД) батарея (БТ) дает столько тепла, сколько получается при затрате 4 кВт. При подключении трубы по способу 2 вода в колонке (ОК) получает вращательное движение, и именно этот процесс приводит к увеличению количества отдаваемого батареей (БТ) тепла. Остается только удивляться простоте и неожиданности решения проблемы получения избыточной положительной энергии из резервуара отрицательной энергии, существование которой предсказано теорией физического вакуума. Как и установка Шоулдерса, энергетическая установка Потапова не имеет детального теоретического описания принципа получения избыточной энергии из вакуума. Однако реально действующие установки Потапова вселяют надежду на более внимательный подход к проблемам вакуумной энергетики с целью быстрейшего их изучения, развития и внедрения в повседневную практику. Тем более что потребность в новых эффективных и экологически чистых источниках энергии год от года стремительно растет.
Отличительной особенностью транспорта с торсионным движителем является отсутствие внешней опоры или реакции отбрасываемой массы, присущих современным транспортным средствам. Как следствие этого новый транспорт с торсионным движителем не будет иметь колес, крыльев, пропеллеров, ракетных двигателей, винтов или каких-либо других приспособлений. В результате возникает уникальная возможность для передвижения по твердой поверхности, по воде, в воздухе, под водой, в космическом пространстве без вредного воздействия на окружающую природную среду. Наиболее экономично торсионный движитель проявит себя при движении в космосе. Эффективность использования горючего в этом случае составит 80-90% в отличие от ракетных двигателей (2%).
Транспортное средство с торсионным движителем будет способно зависать над Землей на любой высоте, свободно парить, почти мгновенно менять направления движения. Подобные транспортные средства не нуждаются в запускающих устройствах, посадочных полосах, аэропортах. Они с легкостью будут достигать скоростей, близких к скорости света. Более того, уже сейчас теоретические разработки указывают на возможность преодолевать как расстояния, так и время путем изменения топологических свойств пространства-времени. Внедрение нового способа движения приведет не только к изменению традиционных средств передвижения, но и окажет сильное влияние на общественное развитие и экономику (резко снизится стоимость транспортировки пассажиров и грузов на средние и дальние расстояния на Земле и в космическом пространстве). Появятся новые предприятия с рабочими местами. Сократятся масштабы использования энергий, загрязняющих среду обитания человека. Развитие торсионных транспортных средств и источников энергии дает возможность понять физические принципы межзвездных перелетов и устройство тех НЛО, которые являются, скорее всего, посланниками других звездных систем.
2.1.5 Изучение структуры земли
Извечная мечта геологов — по аналогии с рентгеном просветить Землю для определения залежей полезных ископаемых. Любые вещества, в том числе и такие конгломераты, как полезные ископаемые, обладают собственными торсионными полями, следовательно если собственное торсионное поле создается полезным ископаемым, например, нефтью, железом или чем угодно другим, тогда торсионный сигнал, который порождается самим веществом, например, нефтью, излучается во внешнее пространство, попадая на поверхность Земли, будет иметь такую же интенсивность, как если бы это месторождение находилось не на глубине, например, 3 или 5 км, а как если бы оно находилось на поверхности Земли. Интенсивность такого сигнала будет такая же не только на поверхности Земли, но и на довольно большом расстоянии над поверхностью Земли, в том числе на орбите спутника Земли. Если в этом случае делается фотография поверхности Земли, то торсионная информация запоминается в эмульсии, но запоминается необычным образом.
Предыстория этой технологии такова. До войны в США некий Дж. Абрамс совершенно случайно обнаружил, что так называемое биополе (торсионное поле) запечатлевается на фотографии в виде невидимого изображения. Он первым использовал это обстоятельство на практике. Это стоило ему жизни, т.к. оказались затронуты интересы крупных монополий. Про его работы забыли. Зная физику торсионных полей и тот факт, что электромагнитное поле сопровождается торсионной компонентой, можно понять суть процесса.
Обычный сигнал электромагнитный, видимый сигнал может попасть на пленку фотоматериала, который находится на поверхности Земли, на орбите спутника, на самом спутнике, и он в этом случае вызывает изменение химического состава эмульсии, что и реализуется при любой фотографии, когда происходит восстановление ионов серебра, что и приводит к появлению изображения негативного или позитивного в этом фотоматериале. Тогда же, когда одновременно с этим на фотоэмульсию попадает торсионный сигнал, то его действие на эмульсию совершенно другое по своему физическому свойству. В этом случае торсионный сигнал изменяет ориентацию спинов в эмульсии, и эта спиновая структура, запомненная в измененной ориентации спинов, которая повторяет структуру попавшего на него торсионного поля, эта структура и отображает все то, что находится в недрах Земли. Дальше возникает возможность, которая была реализована в разработанной аппаратуре коллективом ученых, которые работают в кооперации совместно с Г.И.Шиповым и А.Е.Акимовым, аппаратуре, которая реализует следующую процедуру.
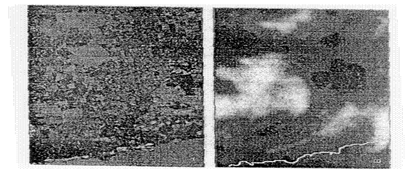
Берется изображение поверхности Земли, снятое со спутника (или самолёта - не важно как), и проводится его специальная обработка (рисунок 6). Прежде всего, нужно избавиться от видимого изображения, т.к. оно ничего не лает для анализа геологических пород в глубине земли. Далее мы просвечиваем эту картину торсионным генератором и получаем поле, которое промодулировано полем эмульсии данной картинки. Пройдя фотографию, излучение будет содержать только информацию о спиновой структуре эмульсии. Затем ставим фильтр, который будет пропускать только те частоты, которые соответствуют тому полезному ископаемому, которое нас интересует. Этому излучению мы подвергаем обычную фотопластинку, помещаем её в особые физические и химические условия и в результате получаем некую структуру пятен. Эти пятна абсолютно точно соответствуют расположению искомых полезных ископаемых на данной территории. Конечно, с той точностью, которую обеспечит разрешающая способность фотоаппаратуры и точность топографической привязки к местности.

Рисунок 6 Метод исследования месторождений по фотографии
На рисунке 7 изображён космический снимок, для которого проведена описанная выше обработка. В результате для случая фильтрации по нефти на этой площади получена картина, представленная на рисунке 7. Белый цвет- там, где нефти нет вообще. Темные цвета- разная степень содержания полезного ископаемого. Нефтяные линзы чёрный цвет. Фронт света отражается от объекта фотографирования и через систему линз фокусируется на фотопленке. В эмульсии происходят реакции, которые после обработки дают видимое изображение. Но одновременно с фронтом отраженного света от объекта съёмки исходят его индивидуальные по спектру торсионные излучения, которые модулируют торсионную компоненту световой электромагнитной волны. Эта торсионная компонента заставляет оси вращения (спины) атомов эмульсии сориентироваться в соответствии с ориентацией торсионного поля объекта. Так на плёнке помимо видимого изображения возникает спиновая структура, отображающая это собственное поле объекта в полном его объёме в связи с топографическими свойствами торсионных полей. Скрытое торсионное изображение будет сохраняться на снимке столько лет, сколько будет существовать сама фотография. Этот метод позволяет не только иметь общую картину распределения, но и, устанавливая границы перехода от одних концентраций к другим, осуществлять точное картирование распределения этих месторождений. Можно представить себе размер экономического эффекта от использования подобного "рентгена". Сегодня созданы установки, которые реализуют возможность исследования недр без огромных финансовых затрат.

Рисунок 7
Работы по картированию месторождений выполнялись по контрактам с соответствующими фирмами.
Естественно возникает вопрос, а что мешает вместо космического снимка вставить туда не рентгеновский, а обычный снимок человека и получить его структуру?
Такой эксперимент был проведен на кафедре нейрохирургии военно-медицинской академии им. Кирова в Ленинграде. Профессор А.Н.Хлуновский обследовал двух военнослужащих. По стандартным медицинским критериям у них у обоих четко диагностируется заболевание поясничной части позвоночника. Однако рентгеновские снимки не дают подтверждения. Поскольку в обследовании использовалась методика, рассчитанная на работу с неживой природой и полезными ископаемыми, была вероятность того, что определённые частотные параметры окажутся не подходящими. Тем не менее, решено было попробовать. Провели обработку. Выявили почернение в некоторых позвонках. Показали специалистам. Когда подняли все больничные карты, оказалось, что черные пятна точно соответствуют поражённым участкам между позвонками. Были получены и затемнения, которые говорили о нарушениях функционирования других частей организма, но это требовало дополнительного медицинского анализа.
Нужно отметить: идея достойна, чтобы ей заниматься специально. Потенциально она может привести к тому, что нам не нужно будет иметь громоздкую и дорогостоящую аппаратуру для проведения дорогих и часто мучительных процедур диагностики. Человек будет приходить в поликлинику, при входе его будут фотографировать или снимать его видеоизображение, проводить обработку снимка и на его основе получать полную распечатку состояния здоровья пациента.
2.2. Использование воды в "свете" торсионных технологий
Несколько слов о том что представляет собой вода в свете торсионных технологий. Вода – одно из самых загадочных веществ на Земле. Ученые открывают все новые и новые ее свойства. Но здесь речь пойдет об омагниченной воде и ее влиянии на обменные процессы организма. Известно, что обычный магнит имеет торсионные поля. При этом северный полюс магнита формирует правостороннее торсионное поле, а южный полюс – левостороннее (рисунок 8). Вода, обработанная правосторонним торсионным полем, получает усиленную биологическую активность. Физика этого процесса такова: правостороннее торсионное поле улучшает ее текучесть, проницаемость клеточных мембран и скорость обменных процессов на уровне клеток. Известно, что обычная вода обладает памятью. И записанная информация может храниться ее молекулами как угодно долго. Если приготовить водный раствор какого-либо вещества и довести степень разведения до 1:10, а это уже практически чистая вода, то оказывается, что действие раствора останется таким же, что и до разведения. Это означает, что молекулы воды записывают информацию о молекуле вещества и сохраняют ее. Если обеспечить запись информационного поля вещества молекулами воды (максимальное число контактов молекул вещества с молекулами воды достигается размешиванием и встряхиванием), можно довести степень разведения раствора до 1:10 (так называемый мнимый раствор). Этот метод получил распространение на бройлерных фабриках.

Рисунок 8
Применяя его, можно сэкономить значительные денежные средства на закупаемых за .границей пищевых добавках. В качестве ресурсов, подлежащих экономии, могут выступать практически любые материалы. Так развиваются программы создания экологически чистых ресурсосберегающих технологий, систем и средств нетрадиционного высокоэффективного энергообеспечения, производства материалов с заданными свойствами, повышения урожайности сельскохозяйственных культур и продуктивности животноводства, увеличения сроков хранения продовольственных товаров. Высокоэффективное применение торсионных полей возможно во многих областях практической деятельности.
Таким образом появляется еще одно кардинальное направление торсионной парадигмы, касающееся проблем биофизики. В частности, была построена квантовая теория памяти воды, которая показала, что эта память реализуется на спиновой протонной подсистеме воды. Упрощая реальную картину, можно сказать, что молекула некоторого вещества, попадая в воду, своим торсионным полем ориентирует в прилежащей водной среде спины протонов (ядра водорода молекулы воды) так, что они повторяют характеристическую пространственно-частотную структуру торсионного поля этой молекулы вещества. Есть экспериментальные основания полагать, что из-за небольшого радиуса действия статического торсионного поля молекул вещества около таких молекул формируется лишь несколько слоев их спиновых протонных копий.
Еще одна давняя спорная проблема — это проблема "омагничивания" воды. Феноменология заключалась в том, что экспериментальный результат давно используется на практике, а с точки зрения традиционных представлений, его не может быть, так как постоянный магнит не может действовать на классический диамагнетик — воду. Экспериментально при намагничивании наряду с магнитным полем неотвратимо возникает торсионное поле. Наличие торсионного поля у магнитов никогда не предполагалось и никогда, естественно, не учитывалось. Отсюда следуют два вывода:
Во 1-ых, если магнитное поле постоянного магнита не может оказывать и действительно не оказывает влияния на диамагнетик — воду, то его торсионное поле, поляризуя по спинам протонную подсистему воды, переводит воду в другое спиновое состояние, что и определяет изменение ее физико-химических свойств и меняет характер ее биологического действия. С этих позиций правильно говорить не об "омагничивании" воды, а об "оторсионивании" или торсионной поляризации воды. Последнее утверждение недостаточно корректно. Торсионная поляризация дает строгое обоснование изменения свойств воды, но это вовсе не исключает механизм действия магнитного поля на соли, содержащие химические элементы с магнитными свойствами.
Во 2-ых, предварительные экспериментальные исследования показали положительное влияние правого торсионного поля на биологические объекты отрицательное влияние левого. Поэтому при воздействии на воду северным полюсом магнита, т.е. правым торсионным полем, биологическая активность воды увеличивается. При воздействии южным полюсом магнита, т.е. левым торсионным полем, биологическая активность воды уменьшается. Аналогично, при воздействии северным полюсом магнитного аппликатора наблюдается его лечебное действие на пациента, так как в действительности оно осуществляется за счет его правого торсионного поля. При воздействии южным полюсом магнитного аппликатора болезненное состояние пациента усиливается.
Еще одна загадка биофизической феноменологии — это техника перезаписи лекарств по методике Фолля. Суть метода заключается в следующем. Берутся две пробирки, одна с раствором лекарства, а другая — с водным дистиллятом. Затем одним концом медного провода обвивается в несколько витков одна пробирка, а другим концом провода так же обвивается вторая. Через некоторое время в условиях двойного слепого эксперимента устанавливается, что вода из пробирки с дистиллятом (мнимый раствор) оказывает такое же лечебное действие, как истинный раствор лекарства. При этом оказывается, что длина провода существенно не влияет на наблюдаемый эффект.
Предположение об электромагнитной природе "записи свойств" лекарства на воду отпало, когда оказалось, что эффект перезаписи сохраняется, даже если вместо медного провода взять оптоволокно. Ситуация приняла уже совершенно непонятный характер, когда оказалось, что при помещении на провод или оптоволокно магнита эффект перезаписи полностью исчезает. Именно последнее обстоятельство-действие магнита на диамагнетик (что в рамках электромагнетизма, как уже отмечалось, невозможно)-свидетельствовало,что в основе перезаписи лежат торсионные (спиновые) эффекты.
Обратим особое внимание на ряд важных следствий эффекта перезаписи лекарства. Лечебное действие мнимого раствора — спиново-поляризованной воды ставит новую проблему. Мнимый раствор может оказать лечебное действие только через его полевые (торсионные) свойства. В то же время традиционно считается, что лекарства оказывают лечебное действие через биохимический механизм.
Если мнимые растворы столь же эффективны, как и сами лекарства, то, возможно, в перспективе торсионная технология перезаписи с помощью торсионных генераторов позволит, с одной стороны, отказаться от производства дорогих лекарств и сделать фармацевтику предельно дешевой. С другой стороны, использование мнимых растворов снимает проблему лекарственного токсикоза, особенно в отношении препаратов длительного и, что особенно важно, лекарств пожизненного приема больными. При лечении мнимыми растворами никакая "химия" в организм не попадает. Однако от указанных общих соображений до массового применения потребуются определенные усилия учёных и практиков.
2.3. Медико-биологическое применение торсионных полей
Каждое из тел имеет границы своего комфортного существования, заданные Творцом-природой. Так, вещественное тело может существовать в определенных интервалах давления, температуры, жесткости ионизирующих излучений и т.д. Нормальное, ненарушенное состояния внешнего информационного поля предполагает, что и внутренне поле вещественного тела, либо само с помощью встроенных в него механизмов иммунной систем и других систем жизнеобеспечения, либо при минимальном воздействии медицины будет поддерживать свое существование в максимально здоровом состоянии. И наоборот: разрушение информационного поля тела приводит к дефектам и разбалансировке в энергетике организма и, как следствие, - к его заболеваниям. Отсюда следует, что, не устранив причины деформации информационного поля тела, можно сколь угодно долго лечить вещественное тело человека. Как только лечебное воздействие будет снято, болезнь постепенно вернется, т.е. станет хронической.
Человек являет собой одну из сложнейших спиновых систем. Сложность его пространственно-частотного торсионного поля определяется громадным набором химических веществ и сложностью их распределения в организме, а также сложной динамикой биохимических превращений в процессе обмена. Каждого человека можно рассматривать как источник (генератор) строго индивидуального торсионного поля. В силу уже обсуждавшихся факторов, человек своим фоновым (естественным) торсионным полем осуществляет (для подавляющего большинства людей непроизвольно) спиновую поляризацию окружающего пространства в некотором конечном радиусе. Его торсионное поле, несущее в том числе информацию и о состоянии его здоровья, оставляет свою копию (спиновую реплику) и на одежде, и в прилегающем пространстве Физического Вакуума.
Спиновый отпечаток торсионного поля на одежде одного человека оказывается значительным для другого человека, если он будет носить эту одежду. Для того чтобы исключить это влияние, необходимо подвергнуть такую одежду торсионной деполяризации. С помощью торсионных генераторов эта процедура выполняется быстро и просто. Старые приметы о нежелательности ношения одежды "с чужого плеча", оказывается, имеют вполне разумное обоснование. Эти выводы в равной мере относятся и к другим вещам, картинам, инструментам и т.п.
Подавляющая часть, людей обладает фоновым правым торсионным полем. Крайне редко, в соотношении порядка 1 на 10, встречаются люди с фоновым левым торсионным полем. Фоновое статическое торсионное поле человека вообще имеет достаточно стабильную величину. Однако вместе с тем было установлено, что при собственном правом торсионном поле задержка дыхания на выдохе даже на 1 минуту почти вдвое увеличивает напряженность этого поля. При задержке дыхания на вдохе меняется знак этого поля — новое торсионное поле становится левым.
Указанные факторы, как и аналогичность свойств торсионных полей тому, что демонстрируют экстрасенсы, дали основание предположить, что дальние дистанционные воздействия экстрасенсов реализуются через торсионные поля. Энергоинформационные воздействия на человека, характерные для культовых зданий и сооружений всех религиозных конфессий, скорее всего, также имеют торсионную природу.
Для того, чтобы проверить правильность предположения о торсионной природе сенсорной феноменологии, за последние пять лет было проведено большое количество экспериментальных исследований.
Были проведены исследования воздействия сенситивов и на различные биологические системы. В этих экспериментах также наблюдались устойчивые результаты. Особый интерес представила объективная регистрация воздействия сенситивов на испытуемых по электроэнцефалограмме (ЭЭГ) мозга с картированием мозга по разным ритмам. При этом использовались общепринятые в мировой практике методики и серийная аппаратура картирования мозга по ЭЭГ. Пример регистрируемых изменений по ритму с интервалами наблюдений по 20 мин показал, что корректирующие действия сенситивов в конечном итоге, выражаясь стандартной терминологией, дают "бабочку", т.е. симметричную картину левого и правого полушарий. Вероятно, первой отечественной публикацией по таким исследованиям была работа И.С. Добронравовой и Н.Н. Лебедевой [4].
Важным моментом этих экспериментов было то, что испытуемый находился в экранированной камере (камере Фарадея), что исключало электромагнитное воздействие сенситивов, если бы оно имело место.
Установленная торсионная природа действия сенситивов привела к моделям спинового стекла, используемым для описания механизмов мозга [2], начиная с ранних работ Литтла и Хопфилда. Модель спинового стекла достаточно конструктивна, хотя и обладает известными специалистам недостатками (как и любая модель, а не строгая теория).
В первом приближении отвлечемся от макроструктуры мозга и дифференциации его клеток. Будем предполагать, что мозг — это аморфная среда ("стекло"), обладающая свободой в динамике спиновых структур. Тогда допустимо предположить, что в результате актов мышления сопутствующие им биохимические процессы порождают молекулярные структуры, которые являются, как спиновые системы, источниками торсионного, поля, причем их пространственно-частотная структура адекватно (вероятно, даже тождественно) отражает эти акты мышления.
При наличии внешнего торсионного поля под его действием в стабильной спиновой системе - мозге возникают спиновые структуры, которые повторяют пространственно-частотную структуру воздействующего внешнего торсионного поля. Эти возникающие спиновые структуры отражаются как образы или ощущения на уровне сознания либо как сигналы управления теми иди иными физиологическими функциями. Построенная эвристическая модель - лишь ключ к исследованиям. Вне всякого сомнения, результаты таких исследований откроют нам куда более сложную картину. Отметим, что использование модели спинового стекла в опоре на теорию торсионных полей переводит эксперименты с передачей информации по перциптивному каналу — передаче образов от индуктора к перципиенту [8] — из области феноменологии в область науки. Теперь пусть на основе модели, но появляется возможность анализировать эти эксперименты на уровне физических процессов, чего не удавалось почти 20 лет [3].
Концепция торсионных полей и модели спинового стекла позволяют подойти к решению еще одной проблемы экстрасенсорной феноменологии. Ряд сенситивов утверждают, что они "видят" поля, подобно тому, как на тепловизоре можно видеть тепловое излучение человека. При этом, как утверждают сенситивы, "картинка" возникает в сознании независимо от того, открыты глаза или нет. В рамках развитых представлений "индукции" спиновых состояний в спиновом стекле (мозге) под действием внешнего торсионного поля от какого-либо источника утверждение о "видении" торсионных излучений не кажется бессмысленным.
В последние годы было проведено несколько серий разнородных экспериментов для исследования этой проблемы. В частности, сенситивам с "видением" предъявлялись торсионные источники с трехмерной сложной многолучевой диаграммой направленности торсионных излучений. Со стопроцентной достоверностью сенситивы "с видением" рисовали истинную пространственную структуру торсионных излучений. Также с абсолютной достоверностью сенситивы без движений руками дистанционно:
а) устанавливали, включен или выключен торсионный генератор;
б) устанавливали режим излучения левого или правого торсионного поля; в) рисовали пространственную структуру диаграммы направленности излучения торсионного генератора.
Полезно отметить, что нимб у головы святых на иконах - это торсионное поле, зарисованное по описаниям тех, кто обладает "видением".
Наша прекрасная планета – вовсе не каменная глыба, несущаяся сквозь пространство в неизвестном направлении. Земля и все, что на ней расположено, буквально пульсирует энергией. Это и есть торсионные поля. Мы называем их «жизненной силой» или просто «энергией». Даже наши дома, мебель, все предметы, окружающие нас, «живые». Их создание отлично от нашего, и, если вы умеете слушать, все вещи будут говорить с вами и раскрывать свои секреты. Мы пока еще не осознаем, насколько велико влияние на нас домашней и рабочей обстановки. Здания, постройки оказывают определенное воздействие на развитие событий. Энергия окружает нас со всех сторон, хотя мы не наблюдаем ее до тех пор, пока она не скажется на нашем физическом состоянии.
К чрезвычайно интересным результатам могут привести исследования в области передачи мысли на расстоянии. Не исключено, что в недалеком будущем мы воспользуемся новыми технологиями в области связи (передача информации на любые расстояния и практически мгновенно в любую точку пространства).
Обнаружение торсионных полей открывает перед человечеством новые горизонты знаний и возможности их использования в повседневной жизни. Уже сейчас информационные поля объясняют многие загадочные явления вселенского масштаба.
Хотелось бы отметить, что в нашей прагматичной и сверхрациональной жизни мы все чаще обращаемся за советами к мудрой природе. Но, получая их, люди порой не могут осмыслить и применить их. Ведь между человеком и природой -огромный барьер. Научившись по-настоящему понимать друг друга, мы поймем и камень, и дерево, и птицу. И тогда станем гармоничными людьми. Каждый из нас может прийти к взаимопониманию с природой, к внутренней гармонии через искреннюю любовь к Земле, природе и людям, через простоту и чистоту сердца. Давайте станем мудрее и восприимчивее!
СПИСОК ИСПОЛЬЗУЕМОЙ ЛИТЕРАТУРЫ
1. Акимов А.Е. Что нас ждет в торсионном поле? // Журнал «Человек», № 5, 1994 г., стр. 39 – 46
2. Акимов А.Е. Эвристическое обсуждение проблемы поиска новых дальнодействий. - М., 1991, МНТЦ, препринт № 7А.
3. Акимов А.Е., Бойчук В.В., Тарасенко В.Я. Дальнодействующие спинорные поля. Физические модели. - Киев, Институт проблем материаловедения АН УССР, 1989, препринт № 4, 23 с.
4. Акимов А.Е., Курик М.В., Тарасенко В.Я. Влияние спинорного (торсионного) поля на процесс кристаллизации мицеллярных структур. // Биотехнология, 1991, №3.
5. Гурвич А.А. Проблема митогенетического излучения как аспект молекулярной биологии. - Л., Медицина, 1968.
6. Кирлиан С.Д., Кирлиан В.Х. Фотографирование и визуальное наблюдение при посредстве токов высокой частоты. // Журнал научной и прикладной фотографии и кенематографии, 1961, т. 6, №6.
7. Ленский В.В. Президент и один в поле воин. - М., 1991.
8. Лупичев Л.Н., Лупичев Н.Л., Марченко В.Г. Дистанционные взаимодействия материальных объектов в природе.: В сб. “Исследование динамических свойств распределенных сред”. - М., ИФТП АН СССР, 1989, С. 3-12.
9. Мышкин Н.П. Пондермоторные силы в поле излучающего источника // Журнал Русского физико-химического общества, 1911, вып. 6, С.371.
10. Толчин В.Н. Инерцоид. Силы инерции как источник поступательного движения. - Пермь, 1977.
11. Чернетский А.В. О физической природе биоэнергетических явлений и их моделировании. - М., ВЗПИ, 1989, - 91 с.
12. Шипов Г.И. Теория физического вакуума. - М., НТ-Центр, 1993, 362 с.
13. Шноль С.Э., Удальцова Н.В., Бодрова Н.Б., Коломбет В.А. Дискретные макроскопические флуктуации в процессах разной природы // Биофизика, 1989, т. XXXIV, вып. 4, с. 711-722.