| Скачать .docx |
Дипломная работа: Электрический расчет и автоматизация электротермической установки
ФГОУ ВПО
Костромская ГСХА
Кафедра электропривода и электротехнологии
КУРСОВАЯ РАБОТА
по электротехнологии
НА ТЕМУ:
“Электрический расчет и автоматизация электротермической установки.”
Выполнил: студент факультета
электрификации и автоматизации
736б группы Лузик А.С.
Проверил: Новожилов Ф.А.
Кострома 2009
Аннотация
В курсовой работе выполнены расчеты нагревательных элементов для: электро-калорифера, бытового тепловентилятора, проточного электроводонагревателя приближенным методом по рабочему току. Произведен расчет нихромовой спирали бытового тепловентилятора по удельной мощности и сравнение результатов расчетов с предыдущими. Приведен обзор материалов, используемых при изготовлении нагревателей (электрокалорифера,проточного водонагревателя) и конструктивные особенности ЭТУ. Рассмотрены симметричные и неполнофазные режимы трехфазного электрокалорифера для различных схем их включения. В разделе по автоматизации электрокалорифера принята базовая принципиальная схема установки и рассмотрены варианты ее усовершенствования. Даны основные положения техники безопасности при эксплуатации электрокалорифера.
Пояснительная записка содержит 27 страниц, 8 иллюстраций, 1 график, 5 таблиц. Библиографический список содержит 7 источников. Графический материал содержит один лист формата А1.
Введение
Электричествов настоящее время – основная энергетическая база животноводства, птицеводства, ремонтного производства, стационарных процессов растениеводства. Уровень электровооружённости труда определяет рост производительности труда в этих областях.
В развитии сельской электрификации всё большее внимание уделяется надёжности электроснабжения, рациональному использованию электроэнергии, безаварийной эксплуатации электрооборудования, а также внедрению процессов и установок, в которых электроэнергия применяется не только как энергоноситель, но и как технологический фактор. В последнем случае речь идёт об электротехнологии.
Под электротехнологией понимают область науки и техники, охватывающую изучение и использование технологических процессов, в которых электрическая энергия участвует непосредственно, преобразуясь в рабочей зоне в тепловую, электромагнитную, химическую, механическую и в другие виды энергии.
Сельское хозяйство - крупный потребитель тепловой энергии: в общем энергопотреблении приходится на тепловые процессы. Существует несколько способов преобразования электрической энергии в тепловую, которые различаются по нескольким признакам: по виду «греющего» электрического тока или электромагнитной волны, по способу создания электрического тока или электромагнитной волны и по частоте тока или поля.
По этим признакам в настоящее время различают следующие способы электрического нагрева: сопротивлением, дуговой нагрев, индукционный нагрев, диэлектрический, электролучевой, лазерный, ионный, плазменный, инфракрасный и термоэлектрический нагрев.
Электронагрев в с/х. используется для: подогрева воды для технических нужд, подогрева воздуха в установках микроклимата, обогрева с/х животных и птицы, подогрева почвы и воздуха в парниках и теплицах, сушки зерна, сена, овощей, фруктов, санитарно-гигиенической обработки животных и оборудования и т.д.
Для этих целей используют выпускаемые нашей промышленностью электротермическое оборудование сельскохозяйственного назначения: комбинированные инфракрасные и ультрафиолетовые облучательных установки, инфракрасные облучатели, брудеры, электронагреватели - термосы, проточные электродные и элементные водонагреватели, электродные паровые котлы, электрообогреваемые панели, коврики, электрокалориферные установки и специальный нагревательный провод. Количество и мощность ЭТУ в с/х производстве непрерывно увеличиваются. Большим потенциальным потребителем электронагрева должны стать растениеводство и плодоводство (обогрев парников и теплиц, термообработка продукции).
Таблица 1. Классификация электротермического оборудования по способу нагрева.
| Вид электротермического оборудования | Основные области применения | Примеры оборудования |
| Электропечи (электротермические устройства сопротивления) | Нагрев воздуха, воды, почвы, сушка и тепловая обработка с/х материалов и кормов, приготовление пищи | Электрокалориферные установки, электропечи, электроводонагреватели, котлы, установки для сушки и активного вентилирования зерна, сена, бытовые электронагревательные приборы, электропечи сопротивления ремонтного производства: нагревательные, плавильные, соляные, щелочные, масляные ванны |
| Дуговые электропечи | Электросварка, резка, наплавка металлов | Сварочные трансформаторы сварочные выпрямители, сварочные генераторы |
| Индукционные электропечи | Поверхностная закалка металлических деталей, нагрев под термообработку и пластическую деформацию (ковка, штамповка), косвенный нагрев воды (индукционный нагрев воды), обогрев трубопроводов | Индукционные закалочные и нагревательные установки средней и высокой частоты: средняя- 20 кГц, высокая- 66 кГц и выше, индукционные водонагреватели промышленной частоты |
| Диэлектрические электропечи | Нагрев диэлектриков и полупроводников, комбинированная высокочастотно- конвективная сушка, стерилизация продуктов, приготовление пищи | Установки диэлектрического нагрева: пресс порошков, резин, дерева, консервной продукции, сушилки семян селикционных центров, СВЧ печи для приготовления пищи |
| Электронно- лучевые печи | Термообработка, плавка, сварка тугоплавких (вольфрам tпл= 3600 С) и химически активных металлов в вакууме | Электронные плавилрные, нагревательные и сварочные установки |
| Лазерные электропечи | Резка, сварка, поверхностная обработка (закалка) металлов, нанесение покрытий, предпосевная обработка семян, селекционные работы | Установки лазерной технологии в машиностроении и ремонтном производстве, установки предпосевной и селекционной обработки семян |
| Ионные электропечи | Химикотермическая обработка металлов | Установки ионно- плазменного азотирования, цементация поверхностного покрытия металлов |
| Плазменные электропечи | Плавка, резка, термообработка металлов и сплавов | Дуговые и высокочастотные плазмотроны |
| Электропечи инфракрасного нагрева (эл.нагрев ИК- облучения при условии, что спектральные ИК характеристики излучателя соответствуют поглощательным характеристикам установок | Местный обогрев молодняка животных и птицы, сушка материалов и с/х продуктов, приготовление пищи, обработка кормов и семян | Установки ИК обогрева животных и птицы, сушилки фруктов, пастеризаторы молока,термоэлектрические устройства |
| Термоэлектрические устройства, нагрев сред теплотой «переносимой» от источника, имеющего температуру более высокую, чем температура потребителя | Обогрев воздуха | Термоэлектрические (полупроводниковые) установки, тепловые насосы, теплохолодильное оборудование |
1. Материалы, применяемые при изготовлении электрокалорифера и проточного электроводонагревателя
1.1 Конструкция нагревателей
Электрический нагреватель — основной элемент электротермической установки, преобразующий электрическую энергию в тепловую. Конструктивное исполнение электрического нагревателя определяется нагреваемой средой, характером нагрева, мощностью, технологическим назначением и другими условиями.
В зависимости от конструкции и технологического назначения электрические нагреватели выполняют с электрической изоляцией, защитными устройствами, а также с устройством для крепления и подвода электрического тока.
По исполнению различают открытые, защищенные и герметические нагреватели.
В нагревателях открытого исполнения резистивное тело — нагревательное сопротивление не изолируют от нагреваемой среды, а размещают непосредственно в ней.
Нагреватели из материала с высоким удельным электрическим сопротивлением изготовляют в виде проволочных или ленточных зигзагов, проволочных спиралей и крепят на керамических стержнях, трубах или изоляторах в воздушном потоке (электрокалориферы) или в воздушном пространстве (электропечи) электротермических установок.
Достоинство открытых нагревателей— простота устройства, ремонтоспособность и возможность обеспечения высокого коэффициента теплоотдачи с поверхности нагревательного элемента. К недостаткам следует отнести сравнительно низкий срок службы, невысокую механическую прочность и невозможность использования в агрессивных средах.
В нагревателях защищенного исполнения нагревательные сопротивления, изготовляемые из материала с высоким удельным электрическим сопротивлением, размещают в защитном корпусе, предохраняющем их от механических повреждений и от нагревательной среды.
Наиболее совершенными и универсальными являютсягерметические трубчатые электронагреватели (ТЭН). Их эффективно используют в электрокалориферах, водонагревателях, электрических печах, теплоаккумулирующих установках, электрокипятильниках, бытовых плитах и др. Промышленность выпускает ТЭН напряжением от 12 до 380 В, мощностью от 100 до 25000 Вт, развернутой длиной от 0.25 до 6.3 м и диаметром трубки от 6 до 16 мм.
ТЭН (рис.1) представляет собой тонкостенную металлическую трубку 6 (оболочку), в которую запрессована спираль из проволоки 4 с большим удельным электрическим сопротивлением. Концы спирали приварены к контактным стержням 3, снабженным с внешней стороны контактными устройствами 1,2 для подключения к сети. Спираль изолируется от стенок трубки наполнителем 5 из периклаза (плавленная окись магния), обладающим высокими диэлектрическими свойствами и теплопроводностью. В качестве наполнителя допускается использовать кварцевый песок, электрокорунд и другие материалы. Торцы трубки герметизируют тепловлагостойким составом и изолирующими втулками 7, что исключает доступ воздуха и влаги внутрь ТЭН.

Рис.1 - 1 и 2 - контактное устройство; 3 - контактный стержень; 4- нагревательная спираль; 5 - накопитель (периклаз); 6 - оболочка (трубка) ТЭН;
Таблица 2. Основные характеристики ТЭНов.
| Условное обозначение нагреваемой среды и нагреваемой оболочки ТЭНа | Нагреваемая среда | Характер нагрева | Удельная Мощность, Вт/см2 не более | Материал оболочки и температура на оболочке ТЭНа, °C | Ресурс ТЭНов, ч |
| P | Вода, слабые растворы щелочей и кислот | Нагрев, кипячение |
15 | Углеродистая сталь |
7000 |
| C | Воздух, газы, смеси газов |
Нагрев в спокойном воздухе | 2.2 | Углеродистая сталь до 450 °C | 11000 |
| T | то же | то же | 5.0 | Нержавеющая сталь до 750 °C | 11000 |
| O | то же | Нагрев в движущемся воздухе со скоростью не менее 5 м/c | 5.5 | Углеродистая сталь до 450 °C |
11000 |
| K | то же | то же | 6.5 | Нержавеющая сталь до 750 °C | 11000 |
| И | Жиры, масла | Нагрев в ваннах и др. емкостях | 3.0 | Углеродистая сталь до 300 °C | 7000 |
В качестве нагревательных сопротивления ПЭН используют металлическую фольгу, уложенную в виде ткани; полупроводниковые и композиционные материалы. Для ПЭН более перспективны композиционные материалы, состоящие из двух и более компонентов. В композиционных ПЭН нагревательные сопротивления изготовляют из графитизированного или металлического материала в виде токопроводящей ткани. Наиболее распространена углеграфитовая ткань УТТ-2 с допустимой температурой на поверхности до 463 К.

Таблица 3. Коэффициент монтажа Км для электронагревателей сопротивления (в спокойном воздухе).
| Конструктивное выполнение нагревателя | Км |
| Проволока натянутая горизонтально | 1 |
| Проволока на огнестойком каркасе | 0.7 |
| Проволочная спираль в воздухе | 0.8…0.9 |
| Проволочная спираль на огнеупорном держателе | 0.6…0.7 |
| Нагревательный элемент между двумя слоями огнеупорной изоляции | 0.5…0.6 |
| Нагревательное сопротивление с герметизированным исполнением (достаточно мощным слоем электрической изоляции, например ТЭНы) | 0.3…0.4 |
Таблица 4. Коэффициент среды Кс для различных условий.
| Условия работы нагревателя | Кс |
| В спокойном воздухе | 1 |
| В воздушном потоке, скорость которого 1…3…5…10 м/с | 1.1…1.8…2.1…3.1 |
| В спокойной воде | 2.5 |
| В потоке жидкости | 3…3.5 |
2. Материалы для электрических нагревателей и требования, предъявляемые к ним
Нагревательное сопротивление-резистивное тело, наиболее ответственный элемент электрического нагревателя, от которого зависит надежность и долговечность его работы в заданном технологическом режиме. Поэтому к материалам для нагревательных элементов предьявляются особые требования, основанные на следующих: достаточные жаростойкость и жаропрочность ( не должны окислятся и терять механических свойств при высоких температурах); большое удельное электрическое сопротивление (должны обеспечивать возможность включения на сетевое напряжение при небольшой длинне нагревателя) и малый температурный коэффициент сопротивления ( должны незначительно изменять сопротивление при изменении температуры ); стабильность размеров и электрических свойств .
В зависимости от температурного режима и технологических условий нагреваемой cреды для изготовления электрических нагревателей используют металлические и неметаллические материалы. Для низко- и средне-температурных установок широко применяют специальные сплавы: хромоникелевые и железохромоникелевые. Наиболее распространены нихромы. В низкотемпературных установках ( до 620 К) электрические нагреватели выполняют из дешевого и доступного материала — углеродистой стали. Неметаллические нагреватели используют нагреваватели используют в высокотемпературных установок. В ЭТУ с рабочей температурой до 1570 К применяют стержневые цилиндрические нагреватели из карборунда, а с температурой до 1870 К — из дисилицида молибдена. В высокотемпературных вакуумных печах с температурой нагрева до 3270 К используют графитовые нагреватели в виде стержней, трубок, пластин и другой формы.
Электрические нагреватели из карборунда, дисилицида и графита обладают высоким сопротивлением и переменными температурным коэффициентом сопротивления. Питание на эти нагреватели подается от понижающего трансформаторов с регулируемым вторичным напряжением.
В качестве электроизоляционного наполнителя ТЭНов используется периклаз (плавленый оксид магния, который получают в дуговых электропечах, плавкой магнийсодержащих веществ). К данному наполнителю предъявляются следующие требования:
- низкая удельная электропроводимость;
- высокая электрическая прочность;
- химическая нейтральность;
- достаточно высокий коэффициент теплопроводности;
- низкая влагопоглащаемость;
- достаточная сыпучесть.
В качестве оболочек ТЭНов используют тонкостенные металлические трубы ( латунные, алюминиевые, стальные)
Латунь - до 250 °C;
Алюминий - до 350 °C;
Углеродистая сталь - до 450 °C;
Нержавеющая сталь - до 750 °C;
Основным требованием предъявляемым к оболочке является механическая прочность, для защиты нагревательного элемента от механических повреждений.
Для повышения долговечности нагревателей применяют защитные покрытия (хромникелевые и др.). Такие покрития увеличивают ресурс нагревателей в несколько раз при работе в водных растворах.
Для герметизации ТЭНов прииеняют:
- кремнийорганические лаки и эмали;
- эпоксидные герметики;
- битумную мастику;
- легкоплавкое стекло.
3. Расчеты симметричных и неполнофазных режимов трехфазной ЭТУ (электрокалорифера)
Регулировать мощность электрической нагревательной установки мы будем, изменяя схему включения нагревателей.
Рассчитаем варианты регулирования для электрического калорифера.
U=220 ВP=1000 Втt0 =20 °С tp =8°С
3.1 Двойной треугольник

Рис. 3. Двойной треугольник.
а) При данной схеме включения каждый нагреватель находится под номинальным напряжением, а значит будет отдавать полную мощность. Так как двойной треугольник содержит шесть нагревательных элементов, то общая мощность равна:
Вт
б) При обрыве линейного провода в точке А (см. рис.3) под напряжением остаются все шесть нагревательных элементов, но четыре из них только под напряжением равным половине номинального. Следовательно, мощность, выделяемая на одном элементе, получается равная:
Вт
Полная мощность тогда получается:
Вт
где n1 - количество нагревателей находящихся не под номинальным напряжением, шт.;
P1 - мощность, отдаваемая нагревателем, находящимся не под номинальным напряжением, Вт.
в) При обрыве фазы в точках В (см. рис.3) мы получаем, что два нагревателя не включены вообще, а остальные находятся под номинальным напряжением. Следовательно, число нагревателей в работе будет четыре.
Вт
3.2Звезда

Рис.4. Звезда
а) При включении нагревателей по схеме звезда, каждый нагреватель находится под фазным напряжением. Следовательно, нагреватели включены на напряжение равное
. Так как
- то если напряжение уменьшить в
раз, то, мощность, выделяемая на нагревательном элементе получается меньше в 3 раза. Следовательно, полная мощность, отдаваемая схемой, вычисляется по формуле:
Вт
б) При обрыве линейного или фазного провода в точке А (см. рис.4) в работе оказываются только два нагревателя и включены они на половину линейного напряжения, следовательно, мощность, выделяемая ими, вычисляется так:
Вт
3.3Треугольник
![]() |
Рис.5. Треугольник
а) При данной схеме включения каждый нагреватель находится под
номинальным напряжением, а значит будет отдавать полную мощность. Данная схема содержит три нагревательных элемента.
Вт
б) При обрыве линейного провода в точке А (см. рис.5) под напряжением остаются все три нагревательных элементов, но два из них только под напряжением равным половине номинального. Следовательно, мощность, выделяемая на одном элементе, получается равная:
![]()
Вт
Полная мощность тогда получается:
![]()
Вт
где n1 - количество нагревателей находящихся не под номинальным напряжением, шт.; P1 - мощность, отдаваемая нагревателем, находящимся не под номинальным напряжением, Вт.
в) При обрыве фазы в точке В (см. рис. 5) мы получаем, что один нагревателя не включен вообще, а остальные находятся под номинальным напряжением. Следовательно, число нагревателей в работе будет два.
Вт
3.4 Двойная звезда

Рис.6. Двойная звезда
а) При включении нагревателей по схеме звезда, каждый нагреватель находится под фазным напряжением. Следовательно, нагреватели включены на напряжение равное
. Так как
то если напряжение уменьшить в
раз, то мощность выделяемая на нагревательном элементе получается меньше в 3 раза. Следовательно, полная мощность, отдаваемая схемой, вычисляется по формуле:
Вт
б) При обрыве линейного или фазного провода в точке А (см. рис.6) в работе оказываются только четыре нагревателя и включены они на половину линейного напряжения, следовательно, мощность, выделяемая ими, вычисляется так:
Вт
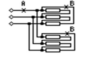
3.5 Последовательный треугольник
а) При включении нагревателей по такой схеме каждый нагреватель находится под напряжением равным половине номинального, а следовательно, мощность на каждом нагревателе уменьшается в четыре раза. Полная мощность нагревателя включенного по такой схеме вычисляется так:
Вт

Рис. 7. Последовательный треугольник
б) При обрыве линейного провода в точке А (см. рис.7) у нас получается, что четыре нагревателя включены на четвертую часть номинального напряжения, а два - на половину. Мощность, отдаваемая в этом случае, вычисляется по формуле:
![]()
Вт
в) При обрыве фазы в точке В (см. рис. 7) у нас два нагревателя не участвуют в работе, а следовательно, в работе участвуют четыре нагревателя включенных на половинное напряжение. Полная мощность в этом случае вычисляется следующим образом:
Вт
3.6 Последовательная звезда

Рис. 8. Последовательная звезда
а) При включении нагревателей по такой схеме каждый нагреватель находится под напряжением равным
, а следовательно, мощность на каждом нагревателе уменьшается в
раза. Полная мощность нагревателя включенного по такой схеме вычисляется так:
Вт
б) При обрыве линейного или фазного провода в точке А (см. рис.8) в работе оказываются только четыре нагревателя и включены они на четверть линейного напряжения, согласно зависимости мощности выделяемой на нагревательном элементе от подводимого напряжения получаем:
Вт
Все полученные данные сводим в таблицу 6.
Таблица 5. Сводная таблица .
| Схема включения | Симметричная 3ф. нагрузка | Обрыв линейного провода | Обрыв фазы | |||
| нагревателей | число нагревателей в работе | число нагревателей в работе | число нагревателей в работе | |||
| Двойной треугольник | 6 | 6 | 6 | 3 | 4 | 4 |
| Звезда | 3 | 1 | 2 | 0,5 | 2 | 0,5 |
| Треугольник | 3 | 3 | 3 | 1,5 | 2 | 2 |
| Двойная звезда | 6 | 2 | 4 | 1 | 4 | 1 |
| Последовательный треугольник | 6 | 1,5 | 6 | 0,75 | 4 | 1 |
| Последовательная звезда | 6 | 0,5 | 4 | 0,25 | 4 | 0,25 |
4. Принципиальная электрическая схема автоматизации электрокалорифера
Электрокалориферные установки предназначены для подогрева воздуха в системах вентиляции на животноводческих и птицеводческих фермах, что способствует созданию в них оптимального микроклимата. Электрокалориферная установка типа СФОЦ рассчитана на питание от сети переменного трёхфазного тока с глухозаземлённой нейтралью напряжением 380\ 220 В. Схема соединения оребрённых трубчатых электронагревателей – “звезда”. Установка состоит из центробежного вентилятора, унифицированного электрокалорифера типа СФО и шкафа управления с пускорегулирующей аппаратурой. Электрокалорифер и вентилятор смонтированы на сварной металлической раме. Для снижения вибрации предусмотрена установка виброизоляторов и мягкие вставки. В установке предусмотрено автоматическое регулирование мощности по температуре воздуха в вентилируемом помещении. Схема регулирования - позиционная, т.е. при достижении заданной температуры установка отключается, а при понижении температуры на определённый интервал снова включается. ТЭНы электрокалорифера секционированы на три ступени мощности, которые в процессе эксплуатации могут переключатся. Перключение осуществляется автоматически или вручную. Автоматическое переключение осуществляется по сигналам датчиков температуры, установленных в обогреваемом помещении. Положение датчиков в помещении определяется опытным путём при регулировании теплового режима установки.
Датчики устанавливаются на уровне 1..2 м от пола вдали от мест с резкими колебаниями температуры.
В схеме контроля предусмотрены блокировки и отключения нагревателей при остановке электродвигателя вентилятора, а также включение нагревателей при отключенном электродвигателе вентилятора. В утановке предусмотрено отключение нагревателей датчиком ТР-200 при повышении температуры на поверхности ТЭНов более 180 град. Во избежание прикосновения обслуживающего персонала к токоведущим частям, попадания капель воды на выводы нагревателей их размещают в коробках, закрытых крышками с резиновым уплотнением.
Данная схема предусматривает защиту от потери фазы в цепи электродвигателя при помощи токового реле КА , которое срабатывает при появлении тока в нулевом проводе. При его срабатывании оно своим нормальнозамкнутым контактом в цепи управления отключит катушку магнитного пускателя электродвигателя, отключив всю установку. А другим, нормальноразомкнутым контактом замкнёт цепь сигнальной лампы, сигнализирующая о неисправности. Кроме этого предусмотрена световая сигнализация подачи напряжения на щит управления HL1, работы секций нагрева HL2, HL3, HL4, и вентилятора HL5.
5. Техника безопасности при эксплуатации электрокалорифера
* К эксплуатации допускаются электронагревательные установки заводского изготовления, соответствующие ГОСТу или техническим условиям. Применение установок кустарного производства запрещается.
* Вновь вводимые или реконструируемые установки должны пройти приемо-сдаточные испытания в соответствии с требованиями ПТЭ электроустановок потребителей.
* Монтаж, ремонт, техническое обслуживание выполняет только электротехнический персонал, ознакомленный с устройством установок, квалификационная группа по технике безопасности не ниже III.
* Работы по техническому обслуживанию электротехнических установок выполняет электромонтер с квалификацией не ниже 4-го разряда.
* В процессе работы электротехнических установок по назначению необходимо проводить их техническое обслуживание. Периодичность технического обслуживания установки и шкафа управления 2 мес.
* Техническое обслуживание электротехнических установок проводят в определенной последовательности, то есть отдельно для электроводонагревателей с трубчатыми и электродными нагревателями.
* Оболочки и ограждения, закрывающие токоведущие части, выполняют таким образом, чтобы их можно было открывать только при помощи специального инструмента или ключа.
* Оборудование должно иметь защиту от коротких замыканий, а части, подлежащие занулению, должны быть снабжены специальным болтом для присоединения нулевого защитного проводника.
- Калориферы нельзя устанавливать в особо опасных помещениях. Для этого предусматривают специальные помещения.
- Оборудование для нагрева воды соединяют с трубопроводом ч/з изолирующие вставки (из резины, фторопласта). Сопротивление столба воды во вставке должно быть таким, чтобы напряжение прикосновения за вставкой даже в аварийном режиме не превышало 12 В.
- Трубопровод за вставкой присоединяют к нулевому проводу не менее чем в двух точках.
- Размещение оборудования должно соответствовать требованиям ПУЭ. Место установки выбирается проектной организацией или специализированной службой в соответствии с техническими условиями.
- Перед установкой необходимо проверить техническое состояние электроустановки на отсутствие механических повреждений корпуса, изоляторов и контактов.
- Корпуса всех элементных нагревателей присоединяют к нулевому проводу.
- Корпус установки можно изолировать от земли, заземленных частей и нулевого оборудования. При этом корпус установки необходимо оградить зануленной сеткой (расстояние сетки от корпуса оборудования не менее 1 метра, высота сетки – более 1.7 метра).
- Оболочка проводов и кабелей, присоединяемых непосредственно к нагревателям электроустановки, следует выполнять опрессовкой наконечников.
Библиографический список использованной литературы
1. Электрический нагрев и электротехнология./ Кудрявцев И.Ф., Коросенко В.А./ - Москва: Колос,1975.-383с.
2. Электротехнологии /А.М. Басов и др. - Москва: Агропромиздат,1985.-256с.
3. Электротехнологии /В.А. Коросенко и др. - Москва: Колос,1992.-304с.
4. Электронагревательные установки в сельскохозяйственном производстве / В.Н. Расстригин и др. - Москва: Агропромиздат,1985.-304с.
5. Электротехнология и электрическое освещение./ Живописцев Е.Н., Косицин О.А. - Москва: Агропромиздат,1990.-303с.
6. Гайдук В.Н. Шмигель В.Н. Практикум по электротехнологии. Москва: Агропромиздат,1989.-175с.
7. Курсовое и дипломное проектирование./ Каганов И.Л. - Москва: Агропромиздат, 1990.-351с.
