| Скачать .docx |
Реферат: Простые цепи синусоидального тока
МЭИ (ТУ)
Филиал в городе Смоленске
Кафедра ТОЭ
Лабораторная работа
Простые цепи синусоидального тока
Группа : ОЭС-09
Бригада : № 10 Студент: Бабурченков М. А.
Преподаватель: Зезюлькин Г. Г.
Смоленск 2010 г.
I. Краткое содержание работы
В работе исследуются соотношения между синусоидальными напряжениями и токами при последовательном и параллельном соединении резистивных, индуктивных и емкостных элементов цепи. По экспериментальным данным производится определение параметров последовательной и параллельной схем замещения реальных элементов цепи, строятся векторные диаграммы токов и напряжений. Для последовательной резонансной цепи исследуются переменные режимы при изменении индуктивности. Все расчеты и анализ экспериментальных результатов выполняются с использованием символического (комплексного) метода. Работа может выполняться на сильноточном стенде.
II. Подготовка к работе
1. U=40B
I=0,4A
f=80 град
а) последовательная схема замещения катушки.

Z=
, где z – полное сопротивление.
z=
(Ом)
Комплексное сопротивление Z можно представить в виде
Z=zcosf+jzsinf=R+jX
R (активное сопротивление) = zcosf = 100cos800 = 17,4 (Ом)
X (реактивное сопротивление) = zsinf = 100sin800 = 98,5 (Ом)
(A)
(B)
(B)
б) параллельная схема замещения катушки.

По определению комплексной проводимости имеем:
(См)
Комплексную проводимость можно представить в виде:
![]()
g = ycosf - активная проводимость.
b = ysinf - реактивная проводимость.
![]()
g = 0,01. cos800 = 0,0017 (См)
b = 0,01. sin800 = 0,0098 (См)
По закону Ома: ![]()
,
где
- активная составляющая тока,
- реактивная составляющая тока.
(А)
(А)
U = 40 B
R = 50 Ом
С = 160 мкФ

![]()
Z = R -
Z = 50 -
= 50 – 20.
j = ![]()
z = 54 (Ом)
(A)
4.
(B); U
=37(B)
(B); Uc
=14,8(B)
![]()
5. f = 50 Гц
I = 1 A
R = 40 Ом
C = 160. 10-6 Ф


![]()
(Ом)
I = 1 A
(B)
U =
17,9 (B)
Ia
=0,447(A)
Ip
=
Ip
= (A)
6. R = 40 Ом
C = 160. 10-6 Ф

Входное сопротивление цепи на частоте 50 Гц будет чисто активным при резонансе. Условием наступления резонанса в данной схеме является
,
где w0 – резонансная частота.
L0
= 15,8 (мГн)
III. Рабочее задание.
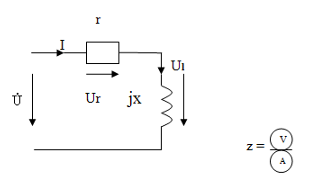
1.

рис. 1
| параметр |
значение |
| U |
|
| I |
|
| f |
А) последовательная схема замещения.

r = z·cosf =
x = z·sinf =
=
![]()
![]()
![]()
Б) параллельная схема замещения
![]()
![]()
![]()
y ==
g = y·cosφ =
b = y·sinφ =
=
![]()
![]()
=

рис. 2
| параметр |
Измеренное значение |
Расчетное значение |
| I |
||
| UC |
||
| UR |
||
| f |
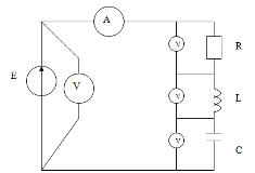
3.

рис. 3
| параметр |
Измеренное значение |
Расчетное значение |
| U |
||
| I |
||
| IR |
||
| IC |

| Xl, Ом I, A |
UR, B |
UL, B |
UC, B |