| Скачать .docx |
Реферат: Методы определения свойств горных пород
МЕТОДЫ ОПРЕДЕЛЕНИЯ СВОЙСТВ ГОРНЫХ ПОРОД.
6.1. Общие положения.
С учётом изложенных ранее представлений о иерархично-блочной структуре горных пород и массивов и принципиально возможных двух путей определения различных характеристик -интегрального и дифференциального рассмотрим более детально принципы определения отдельных свойств.
В частности, для изучения плотностных характеристик целесообразно применять как первый, так и второй путь определения свойств многокомпонентных сред, поскольку им присущи свойства “аддитивности - независимости - равноправности” , т.е. все компоненты действуют равноправно и независимо друг от друга, а интегральная характеристика агрегата является средневзвешенным из характеристик каждой компоненты, в данном случае структурных блоков и структурных неоднородностей.
Таким образом для определения интегральных плотностных характеристик массива, представленного различными петрографическими разновидностями пород и различными типами структурных неоднородностей, в принципе достаточно определить эти характеристики для каждой разновидности пород и для каждого типа структурных неоднородностей (раздельно или в какой-либо совокупности), а затем найти их средневзвешенное значение в зависимости от степени распространённости указанных компонент в массиве.
Деформационные и, в частности, упругие характеристики горных пород, в отличие от плотностных, обусловливаются не только свойствами отдельных разновидностей пород, слагающих массив, но и свойствами их контактов, а потому и особенностями взаимного расположения слагающих компонент. Именно вследствие этого для деформационных показателей справедлива схема“аддитивности - взаимозависимости - равноправносги” . Аддитивность влияния неоднородностей в этом случае проявляется в суммарном вкладе каждой из компонент, при этом вполне очевидна и их равноправность. Вместе с тем, например, для упругих колебаний интегральная скорость прохождения упругих волн в многокомпонентной среде не является усредненным значением скоростей волн в отдельных компонентах.
Вследствие отмеченной особенности для определения скоростей прохождения упругих колебаний также целесообразен первый путь получения информации о физических характеристиках многокомпонентной среды. Однако, в отличие от плотностных характеристик, и именно из-за свойства “взаимозависимости” в сферу экспериментов при этом необходимо вовлекать объемы массива, где обеспечивается представительность интересующих порядков структурных неоднородностей.
Например, применительно к вопросам оценки устойчивости буровых скважин в сферу экспериментов должны быть вовлечены структурные неоднородности IV - го порядка, и определение деформационных характеристик в этом случае возможно выполнять на образцах-цилиндрах стандартных размеров - с диаметром 40-45 мм и высотой, равной 1-2 диаметрам.
В то же время для решения задач оценки устойчивости горных выработок в экспериментах должны проявлять себя структурные неоднородности более низких порядков - до II включительно. Здесь уже нельзя ограничиваться испытанием образцов, необходима постановка специальных измерений непосредственно в натурных условиях.
В отличие от плотностных и деформационных характеристик прочностные свойства подчиняются схеме "избирательности-независимости" , поскольку разрушение происходит в наиболее слабом звене и не зависит от прочности других структурных элементов. В соответствии с двухкомпонентной моделью строения массива скальных пород наиболее слабым звеном является "структурная неоднородность", причем в зависимости от масштаба рассматриваемых объектов разрушение будет определяться различными порядками структурных неоднородностей - от IV - го для буровых скважин до II - го включительно - для крупногабаритных подземных сооружений. Отсюда возникает задача применительно к каждому типу рассматриваемых сооружений определять прочностные характеристики тех структурных неоднородностей, которые в данном случае оказывают основное влияние на устойчивость объектов (т.е. эффективных структурных неоднородностей ).
Поскольку вид, размеры и свойства структурных неоднородностей отдельных порядков резко отличаются друг от друга, применяют различные методические подходы для экспериментального определения прочностных характеристик. В частности, для структурных неоднородностей IV - го порядка определения ведут путем испытания образцов горных пород в виде цилиндров или призм.
К образцам предъявляются требования достаточной представительности и однородности, с тем чтобы они не включали структурных неоднородностей других, более низких порядков. Последнее требование обычно достигается путем применения весьма небольших по размерам (стандартных) образцов, а также путем статистического анализа получаемых результатов с отбраковкой резких выбросов в получаемых значениях характеристик. При этом в силу принципа "избирательности" разрушение образцов происходит именно по структурным неоднородностям 1У порядка, и получаемые результаты можно уверенно относить к этому типу.
Для структурных неоднородностей III - го порядка представительными, как правило, являются объемы с существенно большими линейными размерами (50-100 см). В принципе и в этом случае испытания могут быть проведены на образцах соответствующих больших размеров, но это требует специального камнерезного и уникального силового оборудования. Вследствие этого при изучении уже III, а тем более II порядка структурных неоднородностей путь испытания образцов становится малоприемлемым и более целесообразно применять метод непосредственного определения прочностных характеристик по поверхностям структурных неоднородностей того или иного порядка. При этом для правильного последующего применения полученных результатов необходимо знать геометрические характеристики и закономерности расположения в пространстве отдельных структурных неоднородносгей. Вследствие этого их изучение целесообразно начинать с установления их геометрических параметров.
Изучение закономерностей пространственного расположения структурных неоднородностей должно сопровождаться изучением вида заполнения и характера контактирующих поверхностей структурных неоднородностей. Ведь именно от вида и состояния минералов - заполнителей трещин или других типов структурных неоднородностей, а также от степени шероховатости и извилистости поверхностей контактов зависят механические характеристики по поверхностям структурных неоднородностей.
В отличие от геометрических параметров более сложную и существенно менее разработанную задачу представляют собой методы определения прочностных характеристик по поверхностям структурных неоднородноcтей низких порядков. При этом, поскольку с физической точки зрения разрушение материалов вообще и горных пород, в частности, происходит либо под воздействием растягивающих напряжений в форме отрыва, либо вследствие касательных напряжений в форме сдвига (скола), наибольший интерес представляет определение пределов прочности при одноосном растяжении [s р ], сцепления [t ] и j - углов внутреннего трения. В условиях, когда необходимо принимать во внимание взаимные подвижки отдельных структурных блоков, существенное значение приобретает характеристика f - коэффициент трения (внешнего) породы о породу по контактам структурных неоднородностей.
Методы определения конкретных свойств пород рассмотрим раздельно:
при вовлечении в эксперименты сравнительно небольших объёмов пород, т.е с учётом структурных неоднородностей высших порядков;
при исследованиях больших областей массива, охватывая тем самым низкие порядки структурных неоднородностей.
6.2. Определение свойств горных пород
с учётом структурных неоднородностей высших порядков.
Методы определения свойств пород с учётом структурных неоднородностей высших порядков традиционно относят к лабораторным методам исследований. Свойства определяют на образцах, размеры которых в настоящее время стандартизированы.
6.2.1. Методы определения плотностных свойств.
Наибольший интерес в геомеханике из плотностных свойств представляют объемный вес, объёмная масса (плотность), удельный вес, и пористость.
В лабораторных условиях на образцах пород обычно определяют объемный вес g и удельный вес g 0 . Далее рассчитывают плотность (объемную массу) r и удельную массу r 0 . Общую пористость также определяют расчетным путем, используя полученные экспериментально значения удельного g 0 и объемного веса g .
g 0 - g 0
П = ---------- (6.1)
g 0
Для экспериментального определения объемного веса породы требуется знать вес и объем образца. Если определения ведут на образцах правильной геометрической формы, то вес устанавливают путем взвешивания на лабораторных весах, а объем - путем измерения линейных размеров. В случае испытания образцов неправильной геометрической формы для определения объемного веса используют метод гидростатического взвешивания.
В последние годы для лабораторного определения плотности (и объемного веса) пород широко используют гамма-метод (в модификации узкого пучка). При этом испытуемый образец породы помещают между источником радиоактивного гамма-излучения и детектором (рис. 6.1).
|
|
| б Фото, рис.7, стр.51 “Основы мех.г.п.” |
Рис.6.1. Схема лабораторной установки для измерения плотности горных пород гамма-методом.
1 - источник гамма-излучения; 2 - детектор; 3 - образец породы; 4 - радиометр для регистрации гамма-излучения.
Зная гамма-активность источника, расстояние r между источником и детектором и толщину d образца и регистрируя интенсивность гамма-излучения, прошедшего через образец породы, определяют по специальным номограммам плотность породы r . Гамма-метод определения плотности отличается простотой и высокой производительностью измерений с применением несложной серийной аппаратуры и обеспечивает точность 1-3 %.
Определение удельной массы r 0 (удельного веса g 0 ) в принципе не отличается от определений объёмного веса и плотности, но при этом необходимо обеспечить вскрытие всех пор и удаление газовой и жидкостной составляющих испытуемой породы.
В некоторых задачах геомеханики, и особенно при физической интерпретации результатов наблюдений, в ряде случаев требуются сведения о влажности пород. Влажность выражают процентным отношением веса воды, содержавшейся в образце породы, к весу образца после его высушивания. Для определения влажности образец сначала взвешивают в естественном состоянии, а затем доводят до постоянного веса в эксикаторе или в сушильном шкафу при температуре 105-110°С. Сопоставляя вес влажного образца G1 и вес сухого образца G2 , влажность вычисляют по формуле
G1 - G2
W = ------------100 . (6.2).
G2
6.2.2. Методы определения деформационных и
акустических свойств.
Из деформационных свойств горных пород обычно определяют модуль деформации (для упругого участка деформирования - модуль упругости Е ) и коэффициент поперечных деформаций (коэффициент Пуассона) n .
При этом методы их определения можно подразделить на статические и динамические .
Статические методы основаны на измерении деформаций образцов исследуемых пород под нагрузкой. Для измерения продольных и поперечных деформаций образцов при их нагружении применяют проволочные тензометры сопротивления (рис. 6.2), либо механические индикаторы часового типа.
| Фото, рис.9, стр.55 “Основы мех.г.п.” |
Рис. 6.2. Образцы горных пород с наклеенными тензометрами для определения деформационных свойств.
В процессе нагружения и разгрузки с помощью автоматической записывающей аппаратуры ведут непрерывную запись деформаций, либо фиксируют деформации через определенные ступени нагружения и разгрузки.
Динамические методы определения деформационных (упругих) свойств пород основаны на измерении скоростей упругих колебаний, возбуждаемых в исследуемых образцах в диапазоне звуковых и ультразвуковых частот, т.е. фактически являются в то же самое время методами определения акустических свойств пород.
Эти методы разработаны значительно позднее, чем статические, но получают все большее распространение благодаря простоте, малой трудоемкости измерений и применению удобных в работе и надежных серийных измерительных приборов.
Наибольшее распространение в практике исследования свойств горных пород получил импульсный динамический метод , в основе которого лежит пропускание через образец исследуемой породы повторяющихся импульсов ультразвуковых колебаний, по значениям скоростей распространения которых рассчитывают упругие характеристики.
Определение акустических, а затем и упругих свойств импульсным динамическим методом обычно ведут путем прямого прозвучивания и продольного профилирования образцов горных пород. Для прозвучивания образца (рис. 6.3, а) к одному из его торцов прижимают ультразвуковой излу-
| а Фото, рис.8 а, стр.53 “Основы мех.г.п.” |
| б Фото, рис.8 б, стр.53 “Основы мех.г.п.” |
Рис. 6.3. Определение акустических и упругих свойств образцов пород импульсным ультразвуковым методом.
а - измерение скорости продольных и поперечных упругих волн прямым прозвучиванием; б - измерение скорости поверхностных волн.
1 - электронный ультразвуковой прибор типа УК.-10П; 2 - образец породы; 3 - излучатель; 4 - приемник.
чатель, а к другому - приемник (кристаллы кварца, сегнетовой соли, керамика титаната бария, магнитострикционные преобразователи и др.).
Для измерения скорости поверхностных волн V R излучатели располагают, как показано на рис. 6.3 б.
Следует заметить, что модуль упругости, определяемый динамическими методами, обычно бывает несколько выше, чем при статических измерениях. Это расхождение обусловлено неидеальной упругостью пород, оно минимально для весьма плотных разновидностей и возрастает по мере снижения плотности пород.
Экспериментально определив модуль продольной упругости Е и коэффициент поперечных деформаций v , можно вычислить значения модуля сдвига G и модуля всестороннего сжатия К .
6.2.3. Методы определения прочностных свойств.
Наибольшее использование в задачах геомеханики имеют характеристики прочности при одноосных сжатии [s сж ] и растяжении [s р ], а также при срезе (сдвиге) [t ср ].
В своё время был разработан ГОСТ 21153.2-84, в соответствии с которым определение прочности пород при одноосном сжатии производится на цилиндрических образцах диаметром 40-50 мм с отношением высоты к диаметру, равным 0,9-1,1. Допускается также проводить испытания на кубических образцах со стороной размером 45±5 мм. Торцовые поверхности образцов шлифуют, их выпуклость (вогнутость) после шлифования не должна быть более 0,05 мм. Торцовые поверхности должны быть параллельны друг другу (отклонение не более 0,1 мм) и перпендикулярны к образующим цилиндра (отклонение 1,0 мм).
Испытания проводят на прессе (рис. 6.4).
| Фото, рис.10, стр.56 “Основы мех.г.п.” |
Рис.6.4. Определение прочности горных пород при одноосном сжатии.
1 - образец; 2 - калёные прокладки; 3 - центрирующее устройство; 4 - плиты пресса.
Для строго центрированного нагружения образца между ним и одной из плит пресса помещают шариковое центрирующее устройство. Нагружение образца производят с равномерной скоростью в пределах 1-30 кгс/(см2. с), повышая нагрузку вплоть до разрушения образца и фиксируя значение разрушающей нагрузки.
Цилиндрические образцы пород стандартных размеров могут быть использованы и для определения предела прочности при растяжении. Определение производят методом диаметрального сжатия (рис. 6.5), так называемым “бразильским методом”.
|
|
Рис. 6.5. Определение прочности пород при растяжении методом диаметрального сжатия.
1 - испытуемый образец породы; 2 - плиты пресса.
В результате диаметрального сжатия в образцах возникают растягивающие напряжения.
При массовых определениях прочностных свойств горных пород весьма удобен метод комплексного определения пределов прочности при многократном раскалывании и сжатии.
Из проб изготавливают породные пластины толщиной 20 мм со строго параллельными шлифованными гранями. Одну из граней расчерчивают на квадраты со стороной, равной толщине пластины. Затем пластину раскалывают по прочерченным линиям стальными клиньями, определяя прочность породы на растяжение (рис. 6.6).
| Фото, рис.12, стр.58 “Основы мех.г.п.” |
Рис. 6.6. Определение прочности при растяжении методом раскалывания породных пластин клиньями.
1 - образец породы; 2 - клинья; 3 - соосник; 4 - плиты пресса.
Получаемые в результате раскалывания кубовидные образцы используют для определения предела прочности на сжатие. При этом образцы нагружают по двум параллельным шлифованным граням.
Прочность на срез (сдвиг) определяют в специальных стальных матрицах (рис. 6.7). Образец находится в условиях среза со сжатием. При испытаниях важно обеспечить равномерное распределение усилия пресса по сечению испытуемого образца. Испытания проводят на цилиндрических образцах указанных выше стандартных размеров. Зазор между разъемными половинами матрицы при вложенном в нее образце должен иметь постоянную ширину не более 2 мм.
| а Фото, рис.13, стр.59 “Основы мех.г.п.” |
|
|
Рис. 6.7. Схема определения прочности пород при срезе.
а - общий вид установки; б - схема испытаний.1 - пли-ты пресса; 2 - центрирую-щее приспособление; 3 - испытуемый образец; 4 - срезная матрица; 5 - роликовая опора.
6.2.4. Методы определения запредельных характеристик.
Поведение горных пород под нагрузкой в полной мере характеризуется так называемой полной кривой "напряжение-деформация", которая состоит из двух ветвей - восходящей до значения [s сж ], равного пределу прочности испытуемой породы, и ниспадающей от [s сж ] до [s ост ] - остаточной прочности (рис. 6.8).
|
|
Рис. 6.8. Типичные кривые "напряжение-деформа-ция" для горных пород, получа-емые на обычных испытатель-ных прессах (а) и машинах с повышенной жесткостью (б).
l-V - области: I - закрытия структурных дефектов, II - линейного деформирования, III - образования микротрещиноватости, IV - разветвления и слияния трещин, V - снижения грузонесущей способности.
В процессе экспериментов на испытательной машине или прессе наряду с деформациями испытуемого образца деформируется и сама испытательная машина. При достижении образцом предела прочности и начале разрушения упругая энергия, накопленная испытательным оборудованием, сообщается образцу и реализуется обычно в виде очень быстрого (лавинообразного) его разрушения. При этом вид и характеристики восходящей ветви кривой деформирования практически не зависят от деформационных характеристик испытательного оборудования.
Если при испытаниях применять силовые устройства, не способные накапливать упругую энергию или исключающие ее передачу образцу после начала разрушения, то деформирование горных пород за пределом прочности будет происходить достаточно спокойно и может быть зафиксировано в виде ниспадающей ветви. Вполне естественно, что параметры ниспадающей ветви кривой деформирования в весьма существенной степени определяются деформационными характеристиками испытательного оборудования.
Деформационные характеристики силового оборудования - испытательных машин, прессов, нагрузочных приспособлений и установок - оцениваются показателем жесткости, представляющим собой отношение усилия, развиваемого оборудованием, к абсолютным деформациям, возникающим в нем. Обычные испытательные машины и прессы имеют жесткость в пределах (0,05 - 0,1) 105 кгс/см.
В настоящее время разработаны многочисленные конструкции специальных компенсаторов, позволяющих увеличивать жесткость обычных испытательных машин до (1,5 - 2,5) 106 кгс/см. Вместе с тем предложены и принципиально отличающиеся конструкции специальных прессов с весьма высокой степенью жесткости, позволяющие испытывать широкий круг пород в том числе и весьма хрупких. Одна из таких конструкций с жесткостью 2. 107 кгс/см (автор - профессор А.Н. Ставрогин) приведена на рис. 6.9.
|
|
Рис. 6.9. Схема жесткого пресса.
А - плунжерный насос; Б, Г - самотормозящиеся клиновые пары; В - гидродомкрат.
1 - винт для возвращения клиновой пары Б в исходное положение; 2 - нутромер; 3 - испытываемый образец; 4 - экстензометр; 5 - жесткая рама; 6 - регулировочный винт; 7 - корпус; 8 - груз.
При проведении испытаний образцы практически любых пород (вплоть до самых хрупких) деформируются без динамических явлений, спокойно, при этом, как правило, образец после испытаний сохраняет свою форму, хотя и не способен нести внешнюю нагрузку.
На рис. 6.10 представлены типичные кривые деформирования разнообразных пород, из которых следует, что остаточная прочность исследованных пород составляет не более 5% от максимальной, модули деформирования для различных ветвей кривой противоположны по знаку, причем крутизна спада всех кривых, характеризуемых модулями спада М, за исключением мрамора, превосходит модуль деформирования для восходящих ветвей деформационных кривых.
|
|
Рис.6.10. Полные кривые деформирования образцов горных пород.
1 мрамор; 2 - гранит биотитовый; 3 - плагио-гранит биотитовый; 4 - песчаник; 5 диабаз; 6 - тальк-хлорит.
6.2.5. Методы испытаний пород при динамических нагрузках.
В реальных условиях горные породы подвергаются воздействию различных нагрузок, при этом режимы нагружения могут быть самыми разнообразными - от статического до импульсного.
В принципе любые процессы нагружения являются динамическими, так как протекают в реальном времени, однако степень их динамичности различна, и в зависимости от того, насколько велик вклад сил инерции в общем балансе сил, действующих на образец или деформирующийся объем, тот или иной режим нагружения относят к категории статических или динамических.
В настоящее время не существует общепринятого критерия динамичности процесса, хотя были предложены различные классификации режимов нагружений.
По-видимому, наиболее общей характеристикой режима нагружения является скорость относительной деформации, поскольку эта характеристика определяет процесс деформирования в каждой точке деформируемого объема независимо от способа нагружения.
Различные технологические процессы в массивах горных пород можно соотнести с определенными скоростями деформации. Так, скорость деформации пород
·в выработках при длительных статических нагрузках составляет Ve = 10-12 - 10-10 с-1 и менее (реологические процессы);
·при статическом режиме испытаний образцов горных пород со стандартной скоростью нагружения Ve = 10-3 c-1 ;
·при внезапных обрушениях пород кровли Ve = (10-3 - 101 ) c-1 ;
·при взрывах Ve = (101 - 105 ) c-1 .
В соответствии с этим к статическому способу нагружения могут быть отнесены скорости деформации V e <10-3 с-1 ; при скоростях деформирования 10-3 < V e <102 процесс нагружения может считаться квазистатическим и, наконец, скорости деформирования V e >102 с-1 характеризуют динамические режимы нагружения.
Для изучения закономерностей изменения деформационно - прочностных характеристик с увеличением скорости приложения нагрузок и возрастанием скорости деформирования пород наиболее рациональным является применение таких методов испытаний, которые без существенных изменений позволили бы в широком диапазоне изменять скорость деформирования пород от статических до динамических режимов приложения нагрузок.
С этой точки зрения к настоящему времени наиболее разработана методика, основанная на принципе разрезного (составного) стержня Гопкинсона. Она позволяет определять деформационно-прочностные характеристики горных пород при одноосном сжатии и растяжении (рис. 6.11).
Для автоматической регистрации усилий и деформаций на упругие элементы стержней-динамометров и боковую (или торцовую) поверхность образцов наклеивают тензодатчики, сигналы от которых фиксируются обычно светолучевыми осциллографами.
|
|
Рис. 6.11. Схема испытаний горных пород при динамическом сжатии (а) и динамическом растяжении (б).
1 - боек; 2, 3 - входной и выходной стержни-динамо-метры: 4 - образец горной породы; 5 - тензодатчики для регистрации деформаций в стержнях-динамометрах; 6 - тензодатчики для регистрации деформаций в образце.
В зависимости от применяемых нагрузочных устройств испытания проводятся в различных режимах приложения нагрузок. В диапазоне статических скоростей (Ve <10-3 с-1 ) образец нагружается стационарной универсальной испытательной машиной (прессом) с усилием, необходимым для разрушения испытуемой породы. В диапазоне динамических скоростей деформаций применяют ударный способ нагружения с помощью вертикальных или горизонтальных механических или пневматических копров, пороховых или пневматических пушек, устройств взрывного типа, электрогидравлического удара и др.
Значение среднего напряжения s сж (t) в образце при сжатии определяется как полусумма напряжений, возникающих на контактных поверхностях образца и стержней. Максимальное значениеs сж (t), зарегистрированное при разрушении образца, принимается в качестве его предела прочности при сжатии. Максимальное значение s р (t) считают пределом прочности горной породы на растяжение.
Анализ экспериментальных данных показывает, что с увеличением скорости деформирования пределы прочности пород на сжатие и растяжение, а также соответствующие значения модуля упругости возрастают (рис. 6.12).
|
|
Рис. 6.12. Зави-симости прочностных (1) и деформационных (2) харак-теристик пород от скорости деформирования.
a - [s сж ] и Есж ; б - [s р ] и Еp .
Однако для прочностных характеристик, в отличие от деформационных (модуля упругости Е), изменение носит очень неравномерный характер. Так, до скоростей деформирования Ve = (10-2 - 100 ) с-1 коэффициент динамичности K = s Д / s СТ , характеризующий возрастание динамических пределов прочности по отношению к статическим, составляет 0,4-1,2, а далее резко возрастает до 6-8. Значения коэффициента динамичности для модуля упругости плавно возрастают от К = 0,2 - 0,4 до К = 1,6- 1,8.
6.2.6. Методы определения реологических параметров.
Как отмечалось выше, реологические свойства горных пород описывают обычно на основе теории линейных наследственных сред с использованием в качестве функции ползучести степенной зависимости.
Для такого описания необходимо экспериментально определить значения параметров ползучести a п и d . Эти параметры определяют в лабораторных условиях при простейших напряженных состояниях испытываемых образцов - поперечном изгибе или одноосном сжатии.
В режиме поперечного изгиба испытания ведут, как правило, на образцах-балочках, размещая их на двух опорах и нагружая сосредоточенной нагрузкой в середине пролета. Для испытаний в условиях одноосного сжатия образцы, как обычно, изготавливают в виде призм или цилиндров.
При испытаниях по схеме поперечного изгиба в условиях неизменной нагрузки в течение значительного промежутка времени (многих месяцев) фиксируют изменения прогиба образцов-балочек. При испытаниях образцов в условиях одноосного сжатия измеряют продольные деформации образцов.
Результаты определения параметров a П и d обоими способами удовлетворительно согласуются между собой.
Обычно параметры ползучести горных пород определяют в два этапа. На первом этапе устанавливают пределы прочности и общий характер деформирования испытываемых образцов. С целью экономии времени испытания на этом этапе ведут в режиме последовательного ступенчатого нагружения серии из 4-5 образцов равными нагрузками, причем ступень нагружения составляет около 20 % от разрушающей нагрузки.
На втором этапе устанавливают характер развития реологических процессов и определяют собственно параметры ползучести образцов пород во всем диапазоне изменения нагрузок, вплоть до разрушающих. На этом этапе каждый образец испытываемой серии нагружают определенной нагрузкой (20; 40; 60 или 80 % разрушающей) и измеряют деформации образца во времени до момента стабилизации процесса ползучести, либо до момента разрушения образца.
Реологические испытания отличаются, прежде всего, своей длительностью и непрерывностью. Обычно их проводят в течение нескольких тысяч часов (нескольких, а иногда и многих месяцев). Это накладывает жесткие требования к надежности и стабильности работы нагружающих устройств и регистрирующей аппаратуры.
Наиболее часто в качестве нагружающих устройств применяют механические и пружинные прессы либо нагружение осуществляют фиксированными грузами (гирями).
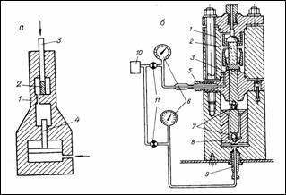
6.2.7. Методы испытаний пород в условиях объёмного напряжённого состояния.
Горные породы в массиве, в условиях естественного залегания, находятся в объемном напряженном состоянии. Поэтому для наиболее полного изучения их механических свойств проводят испытания на специальных лабораторных установках. Наиболее известны установки типа Т. Кармана, в которых усилием пресса создают вертикальное давление на образец, а боковое давление по периметру образца создают гидравлическим путем с помощью гидромультипликатора (рис. 6.13, а). Подобные установки, называемые стабилометрами, позволяют создавать в испытываемом образце напряженные состояния, характеризуемые следующим соотношением главных нормальных напряжений:
s 1 > s 2 = s 3 (6.3)
|
|
Рис. 6.13. Испытание образцов пород в объемном напряженном состоянии.
а - схема установки типа Т. Кармана; б - конструкция стабилометра КП-3 (ВНИМИ).
1 - корпус; 2 - образец породы; 3 - плунжер осевого сжатия; 4 - плунжер гидромультиплика-тора; 5 - штуцер боковой нагрузки; 6-манометры для определения осевой и боковой нагрузок; 7 - шаровые шарниры; 8 - поршень осевого сжатия; 9 - штуцер осевой нагрузки; 10 - насос; 11 - редукторы.
На рис. 6.13, б приведена схема конструкции одного из стабилометров. Нагрузки на образец осуществляются всесторонним сжатием до заданных пределов и последующим приложением возрастающей осевой сжимающей нагрузки при неизменном значении боковой.
Подвергая образец породы одновременно с механическим нагружением нагреву с помощью специальных устройств, монтируемых в стабилометр, можно определять механические свойства пород при высоких всесторонних давлениях и температурах, моделируя тем самым условия нахождения пород на больших глубинах.
В условиях всестороннего сжатия в горных породах проявляется эффект изменения упругих, пластических и прочностных свойств. В пределах нескольких процентов возрастают значения модуля продольной упругости Е и модуля сдвига G. Несколько возрастает также коэффициент поперечных деформаций v. Значительно возрастают показатели пластических свойств пород. Прочностные свойства растут весьма существенно, причем относительное увеличение пределов прочности на сжатие и на срез больше для менее прочных пород.
6.3. Определение свойств горных пород с учётом
структурных неоднородностей низких порядков.
Испытания пород с учётом низких порядков структурных неоднородностей традиционно относили всегда к испытаниям в натурных условиях массивов горных пород или их ещё иногда называли испытаниями в местах естественного залегания пород (in situ). Однако это не полностью соответствует современным представлениям и методам проведения испытаний и определения характеристик рассматриваемых неоднородностей, поскольку сами понятия “образец” и “массив” теперь утрачивают первоначальный смысл.
Определение свойств пород с учётом структурных неоднородностей низких порядков представляет собой весьма сложную задачу, поскольку обычный путь испытаний представительных объёмов пород здесь становится крайне трудоёмким и зачастую мало реальным. Причём это определяется не только техническими или организационными трудностями постановки экспериментов, но и особенностями проявления свойств массива пород при тех или иных воздействиях. Практически только свойства, подчиняющиеся схеме “независимости - аддитивности” могут быть корректно определены на соответственно выбранных экспериментальных участках. Другие свойства требуют специальных подходов, совмещающих экспериментальные методы с расчётными.
6.3.1. Методы определения плотностных свойств.
Изучение плотностных характеристик - удельного веса g 0 ; объёмного веса g ; удельной массы r 0 ; плотности (объёмной массы) r обычно сложностей не вызывает вследствие присущего им свойства “аддитивности - независимости - равноправности”. Все компоненты действуют равноправно и независимо друг от друга, а интегральная характеристика агрегата является средневзвешенным значением из характеристик каждой компоненты, в данном случае структурных блоков и структурных неоднородностей. Исходя из этого, можно определять плотностные характеристики на специальных образцах для каждого из структурных элементов по отдельности, а затем рассчитать интегральную характеристику, но можно также определять плотностные характеристики и интегральным путём в натурных условиях массива пород, т.е. с учётом конкретных видов структурных неоднородностей.
Плотность пород в массиве с достаточной степенью точности (с погрешностью 1-3%) можно определить с помощью гамма-метода, основанного на эффекте различной степени поглощения и рассеяния радиоактивного гамма-излучения в средах с различной плотностью.
С этой целью в изучаемом участке массива пород бурят на расстоянии 20-70 см друг от друга параллельные шпуры или скважины. В одном из шпуров помещают закрытый источник гамма-излучения (обычно радиоактивный изотоп 60 Со, 137 Cs или 226 Ra), имеющий активность 0,5-2,0 мг-экв радия. Работа с источниками такой малой активности вполне безопасна и не требует особых мер защиты. Во втором параллельном шпуре помещают регистрирующий зонд с детектором (счетчиком гамма-квантов). Перемещая зонды с источником и детектором вдоль скважин, фиксируют интенсивность гамма-излучения, прошедшего через толщу горной породы между скважинами, и по тарировочным графикам или номограммам устанавливают плотность пород на исследуемых участках.
6.3.2. Методы определения деформационных свойств.
Поскольку для деформационных и, в частности, упругих характеристик горных пород, в отличие от плотностных, справедлива схема “аддитивности - взаимозависимости - равноправносги”, для этих свойств также приемлем первый (интегральный) путь определения, т.е. определение на соответствующих образцах или представительных участках массива пород. Однако при этом, в отличие от плотностных характеристик, в сферу экспериментов необходимо вовлекать объемы массива, где обеспечивается представительность интересующих порядков структурных неоднородностей.
Деформационные и, в частности, упругие характеристики горных пород в последнее время определяют в большинстве случаев так называемым динамическим методом с применением ультразвуковых методов. Исходными величинами при этом, определяемыми непосредственно из экспериментов, являются скорости продольных и поперечных упругих колебаний.
Скорости упругих волн в массиве могут быть измерены различными способами, из которых наиболее распространены следующие:
а) ультразвуковой способ с использованием аппаратуры типа УКБ, УК-10П, УК-15 и т. д.;
б) импульсный метод с использованием нагрузок единичного удара или взрыва для измерения времени распространения колебаний между заданными точками в массиве;
в) сейсмический метод.
Ультразвуковой метод может быть использован для определения скоростей упругих волн на сравнительно небольших базах (0,3-1,5 м), т.е. для определения деформационных свойств пород с учётом структурных неоднородностей не ниже III - го порядка.
Сущность метода заключается в том, что в массиве пород пробуривают шпуры или скважины и затем, помещая в одни из них приемник, а в другие излучатель, определяют время прохождения импульсов по прозвучиваемому участку массива. Зная время прохождения импульса и измеряя расстояние между шпурами, вычисляют скорость упругих волн.
Для измерений применяют комплект аппаратуры со специальными датчиками. Плотный контакт излучателя и приемника с породой обеспечивается механическим или (в последнее время) пневматическим способами. Для повышения качества акустического контакта применяют воду или масло, которые заливают в шпуры, либо используют прокладки из вакуумной резины. На рис. 6.14 показан комплект ультразвуковой аппаратуры, разработанный в Горном институте КНЦ РАН.
При импульсном методе в качестве возбудителя колебаний обычно используют механический удар или взрыв, а время пробега упругих волн измеряют какими-либо счетчиками времени. В качестве приемников применяют пьезодатчики, электрические импульсы от которых поступают на многоканальные осциллографы или могут быть записаны на магнитофонную ленту.
| а Фото, рис.23, стр.76 “Основы мех.г.п.” |
|
|
Рис. 6.14 Общий вид ком-плекта шахтной аппаратуры (а) и схема ультразвуковых измерений (б) в массиве пород.
1 - ультразвуковые скважинные датчики; 2 - досылочные штанги; 3 - фиксирующее устройство с распределительным вентилем; 4 - координатное устройство; 5 - ёмкость с запасом воздуха; 6 - регистрирующий прибор.
Сейсмический метод находит применение при геофизических исследованиях больших участков массива горных пород (сотни метров) и позволяет, кроме определения скоростей упругих волн, также анализировать затухание колебаний по мере прохождения волной разных баз.
Деформационные характеристики также могут быть определены с помощью методов искусственного нагружения участков массива .
Обычная схема таких испытаний состоит в том, что испытуемый участок породного массива оконтуривают с нескольких сторон, сохраняя связь с остальным массивом лишь по одной или двум плоскостям. Затем с помощью гидравлических домкратов или иных нагрузочных устройств оконтуренный участок нагружают, фиксируя нагрузки и соответствующие им деформации пород и при необходимости доводя усилия вплоть до разрушения нагружаемого участка массива. Одна из схем такого нагружения приведена на рис. 6.15.
|
|
Рис. 6.15. Схема определения деформа-ционных характеристик и прочности породных призм при нагружении гидравлическими домкратами в натурных условиях.
а - вид на породную призму в стенке выработки, подготовленную к срезу; б - боковая проекция срезаемой призмы; в - срезаемая призма с установленными гидравлическими домкратами (в плане).
Среди методов этой группы заслуживают внимания также методы определения деформационных характеристик участков массива, основанные на тензометрических дистанционных измерениях радиальных смещений пород в стенках буровых скважин при распирании скважин с помощью специального гидравлического устройства - прессиометра.
Наконец, к этой же группе методов относятся и методы определения деформационных свойств пород на основе опытных горных работ. Эти методы связаны с применением "обратных расчетов". Сущность этих методов состоит в том, что с помощью горных работ исследуемый элемент массива (участок кровли выработки, целик или группа целиков и т. п.) подвергают деформированию, обычно вплоть до разрушения. В процессе опытных горных работ фиксируют происходящие при этом смещения, деформации, изменения напряжений в изучаемом участке массива и соответствующие им геометрические параметры целиков, обнажении кровли и т. п.
Если прямые задачи геомеханики состоят в том, чтобы на основе известных механических свойств рассчитать возможные смещения, деформации и напряжения в участках массива при различных геометрических параметрах горных разработок, то в данном случае ставят обратную задачу: определить механические, в частности деформационные, свойства пород в массиве на основе фиксируемых геометрических параметров и наблюдаемых смещений, деформаций и изменения напряжений. Для правильного определения механических свойств пород в натурных условиях необходимо, чтобы аналитические зависимости, используемые в расчетах, надежно отражали действительный механизм процессов в изучаемом участке массива.
В качестве одного из примеров рассматриваемой группы методов можно назвать опытное распирание гидростатическим давлением жидкости или газа стенок камеры или тоннеля и измерение при этом смещений с расчетом упругих характеристик пород в массиве. По своей сущности этот метод аналогичен методу прессиометрических измерений и отличается от последнего значительно большими размерами испытуемого участка массива.
Применяют также опытное нагружение, вплоть до раздавливания, одного или группы междукамерных целиков при выемке смежных с ними целиков; опытное обнажение кровли выработок с установлением деформаций ее изгиба, определением предела прочности на изгиб и расчетом показателей деформационных характеристик пород кровли.
По измерениям деформаций контура подземной выработки во времени, используя математический аппарат наследственной теории ползучести, можно определить реологические показатели массива пород.
По сути дела во всех этих случаях также идёт речь об определении характеристик некоторых объёмов пород с учётом тех или иных видов структурных неоднородностей в зависимости от параметров испытуемого участка и конкретной структуры данного массива.
Следует подчеркнуть, что методы определения механических свойств на основе опытных горных работ дороги, отличаются высокой трудоемкостью и сложностью организации работ, поэтому их применяют сравнительно редко. Поскольку возможное число таких опытов крайне ограничено, особое внимание необходимо обращать на соответствие участков опытных горных работ поставленным задачам эксперимента и степени общности получаемых при этом результатов.
6.3.3. Методы определения прочностных свойств.
Как уже говорилось, при изучении III - го, а тем более II - го и ниже порядка структурных неоднородностей интегральный путь определения прочностных характеристик, т. е. путь испытания образцов становится малоприемлемым и более целесообразно применять дифференциальный путь определения свойств, т.е. путь непосредственного определения прочностных характеристик по поверхностям структурных неоднородностей того или иного порядка. Это также является тем более оправданным, поскольку прочностные свойства подчиняются схеме "избирательности-независимости", разрушение происходит в наиболее слабом звене и не зависит от прочности других структурных элементов.
Вообще необходимо признать, что определение прочностных характеристик непосредственно по поверхностям структурных неоднородностей низких порядков представляет собой до настоящего времени мало разработанную проблему геомеханики. Общепринятых методик проведения подобных испытаний нет, имеются лишь отдельные предложения и весьма небольшой опыт определения указанных характеристик.
При этом основные трудности заключаются в подготовке специальных образцов для проведения испытаний, а также в выборе подходящих методик проведения экспериментов.
К числу возможных методов, которые могут быть применены для непосредственного определения прочностных свойств структурных неоднородностей низких порядков можно отнести методы, которые носят название точечных испытаний пробниками .
Эти методы получили развитие, главным образом, в связи с задачами оценки свойств пород, пересекаемых при бурении разведочных, нефтяных или газовых скважин. Они основаны, как правило, на определении усилий при статическом или динамическом внедрении специального индентора в массив на заданную глубину, либо на определении глубины и площади внедрения индентора при дозированном усилии внедрения.
Известны также методы, основанные на определении геотехнологических свойств, в частности, показателей вращательного бурения (сверления) пород при стандартных режимах бурения.
Все эти методы отличаются невысокой степенью точности определений, но позволяют экспрессно оценивать прочность непосредственно структурных неоднородностей низких порядков (как впрочем и для объёмов пород с высшими порядками неоднородностей), а в некоторых случаях и деформационные свойства.
Однако необходимо подчеркнуть, что на определяемые показатели в случае применении этих методов оказывает существенное влияние напряжённое состояние массива.
Также находят применение и другие схемы испытаний и определения прочностных характеристик по поверхностям структурных неоднородностей низких порядков.
В частности, сцепление [t ] может быть определено путем среза породных призм, оконтуриваемых в породном массиве. Породную призму в массиве оконтуривают таким образом, чтобы она сохранила связь с массивом лишь по тем поверхностям структурных неоднородностей, по которым надлежит установить сцепление. К этим поверхностям прикладываются нормальные и касательные напряжения, создаваемые специальными нагрузочными приспособлениями - гидравлическими домкратами или гидравлическими подушками (последние применяются в массивах слабых пород). На рис. 6.16, 6.17 приведены различные схемы оконтуривания породных призм и приложения сдвигающих сил.
|
|
Рис. 6.16. Схемы оконтуривания и нагружения породных призм при определении сцепления по поверхностям естественных трещин при условии одностороннего наг-ружения (а), двустороннего нагружения (б) и среза одновременно по двум поверхностям трещин (в).
| а Фото, рис. 29 а, стр.89 “Основы мех.г.п.” |
| в Фото, рис. 29 в, стр.89 “Основы мех.г.п.” |
Рис. 6.17. Определение сцепления по естественным трещинам в массиве скальных пород.
| б Фото, рис. 29 б, стр.89 “Основы мех.г.п.” |
а - щель для размещения давильной установки; б - давильная установка, состоящая из стальных плит и гидродомкратов; в - породная призма после среза (отчетливо видны поверхности естественных трещин, по которым произошел срез).
При использовании указанных методов, также как и в предыдущем случае точечными испытаниями пробниками, большие погрешности в определяемые величины вносит напряжённое состояние массивов пород.
Указанного влияния можно избежать, если испытания проводить на специальных образцах исследуемых структурных неоднородностей.
К числу первых подобных попыток относятся результаты непосредственного определения прочностных характеристик по поверхностям структурных неоднородностей III - го и II - го порядков для условий месторождений Чупинских слюдоносных пегматитов. При этом определялись предел прочности при одноосном растяжении [s р ], сцепление [t ], j - угол внутреннего трения и f - коэффициент трения (внешнего) породы о породу по контактам структурных неоднородностей.
Для определения предела прочности на растяжение [s р ] весьма удобно применять метод раскалывания клиньями, при этом клинья могут устанавливаться точно на трещину, а образцы могут представлять собой пластины или призмы. Другими словами, практически без всяких изменений здесь применима методика определения прочности на растяжение для образцов-объёмов с высшими порядками структурных неоднородностей.
Иное положение с определением сцепления, угла внутреннего трения и коэффициента трения по поверхностям структурных неоднородностей.
В настоящее время наибольшее применение для определения сцепления и угла внутреннего трения находят методы испытаний специально подготовленных образцов в условиях одновременного действия сжимающих и срезающих нагрузок (схемы подобны испытаниям на срез в матрицах для образцов-объёмов с высшими порядками структурных неоднородностей).
Необходимо отметить, что помимо основных трудностей подготовки и закрепления образцов с целью обеспечения среза именно по исследуемой поверхности структурных неоднородностей, в плоскости среза создаётся крайне неоднородное поле напряжений, достаточно сильно проявляется эффект дилатансии (увеличение объёма образца вседствие его разрушения в момент среза) и по мере развития среза уменьшается площадь контакта сдвигающихся поверхностей. Всё это способствует возникновению существенных погрешностей и большому разбросу получаемых значений [t ] и j .
В некоторой степени позволяет уменьшить возникающие погрешности методика испытаний, в основу которой положена схема кручения. При такой схеме в плоскости среза также создаётся неоднородное поле напряжений, однако оно поддаётся расчёту и может быть учтено при вычислении [t ]. Эффект от дилатансии здесь может быть снижен путём применения статической нагрузки, а площадь контакта всё время остаётся постоянной для цилиндрических или близкой к постоянной для призматических образцов.
| Фото, рис. 26, стр.86 “Основы мех.г.п.” |
Для реализации испытаний методом кручения была специально сконструирована и изготовлена лабораторная установка (рис. 6.18), с помощью которой могут испытываться цилиндрические (или призматические) образцы диаметром 42 мм и высотой от 80 до 200 мм. Структурные неоднородности в образце в момент испытаний должны быть расположены по отношению к
Рис. 6.18. Установка для определения сцепления, угла внутреннего трения и коэффициента трения по поверхностям структурных неоднородностей методом кручения.
1 - нижнее неподвижное зажимное устройство; 2 - верхнее вращающееся зажимное устройство; 3 - динамометрический ключ; 4,5 - соединительные кольца и планки.
продольной оси образца под углом не менее 700 . Величина крутящего момента может быть измерена любым способом, например, с помощью динамометрического ключа.
Наконец, определение коэффициента трения производится в ходе тех же испытаний после разрушения образца по поверхности структурной неоднородности в процессе дальнейшего вращения и вычисляется по формуле
f = Мк / w Р , (6.4)
где Мк - величина крутящего момента после разрушения образца по поверхности структурной неоднородности, кГ. см.
Для отбора образцов с выделенным типом структурных неоднородностей на базе ручного алмазного пробоотборника конструкции ЦНИГРИ была изготовлена установка для выпиливания образцов непосредственно из стенок выработок или других обнажений горных пород (рис.6.19).
| Фото, рис. 27, стр.87 “Основы мех.г.п.” |
Рис.6.19 Пневматическая установка и образец, выпиленный с её помощью из стенки горной выработки.
Наконец, учитывая, что разрушение пород в массиве происходит по слабейшему звену и вне зависимости от прочностных характеристик других элементов, для определения прочностных характеристик структурных неоднородностей низких порядков могут применяться методы, основанные на применении маркшейдерской или стереофотограмметрической съемки площадей обрушения пород под землей или обрушений налегающей толщи на земной поверхности, обрушений и оползаний бортов карьеров и т.д. Эти методы позволяют методом обратных расчётов оценивать разрушающие напряжения, а по ним находить прочностные характеристики слабейшего элемента массива пород, определять характеристики сопротивления пород сдвигу для конкретного типа структурных неоднородностей, устанавливать для них значения коэффициентов структурного ослабления.
6.3.4. Методы изучения геометрических характеристик
структурных неоднородностей.
Для правильных представлений о свойствах какого-то конкретного массива пород недостаточно располагать данными о механических характеристиках объёмов, вмещающих структурные неоднородности различного типа. Необходимо иметь представления о закономерностях пространственного расположения и степени распространения структурных неоднородностей, особенно это касается структурных неоднородностей низких порядков, для которых применяется дифференциальный путь изучения прочностных характеристик.
С физической точки зрения подавляющее большинство структурных неоднородностей (геологических нарушений, контактных зон, трещиноватости и др.) с достаточной для практических целей точностью может интерпретироваться плитчатыми телами, ограниченными двумя параллельными плоскостями при весьма небольших расстояниях (мощностях) между ними. В этом случае для их исчерпывающей геометрической характеристики необходимо определить пространственное положение ограничивающих плоскостей (азимут линии простирания или линии падения, угол падения), а также их видимую длину и мощность заполнения.
Изучение закономерностей пространственного расположения структурных неоднородностей должно сопровождаться изучением вида заполнения и характера контактирующих поверхностей структурных неоднородностей. Ведь именно от вида и состояния минералов - заполнителей трещин или других типов структурных неоднородностей, а также от степени шероховатости и извилистости поверхностей контактов зависят механические характеристики по поверхностям структурных неоднородностей.
Учитывая сказанное, методику определения геометрических характеристик неоднородностей необходимо дополнять специальными исследованиями, направленными на создание классификаций структурных неоднородностей рассматриваемого массива, в первую очередь по типу минералов-заполнителей.
Методы изучения геометрических характеристик структурных неоднородностей удобно рассмотреть на примере естественной трещиноватости, хотя всё изложенное в полной мере применимо и к любым другим видам структурных неоднородностей низких порядков.
Задача изучения геометрических характеристик структурных неоднородностей заключается в выявлении систем трещиноватости (или других неоднородностей) массива и их пространственной ориентировки, определении протяженности трещин различных систем по простиранию и падению, густоты (плотности) трещин с целью правильного истолкования наблюдаемых явлений и учета этих данных при решении практических вопросов геомеханики.
Выявление систем трещиноватости массива, определение их пространственной ориентировки и оценку степени постоянства этой ориентировки в пределах изучаемого массива производят посредством массовых измерений трещиноватости. Измерения ведут обычно горным компасом точно так же, как и измерения элементов залегания пластов пород.
Измерениям непременно должен предшествовать визуальный осмотр пород в выработках. В результате такого осмотра предварительно устанавливают общий характер и степень развития трещиноватости породного массива. При этом оценивают, насколько однородна и равномерно развита трещиноватость пород в пределах изучаемого массива.
Массовые измерения трещиноватости могут выполняться:
1. на отдельных представительных участках массива - наблюдательных станциях;
2. методом сплошной съёмки.
В первом случае если массив по данным визуального осмотра характеризуется относительно равномерным развитием трещиноватости, всю изучаемую площадь (шахтное поле, горизонт и т. д.) покрывают равномерной сетью наблюдательных станций, располагаемых в нескольких десятках метров одна от другой. Если развитие трещиноватости неравномерно, то расстояния между наблюдательными станциями выбирают дифференцированно для различных ее типов.
Наиболее полные и объективные данные могут быть получены при измерениях трещиноватости в трех взаимно ортогональных плоскостях. В этом случае для наблюдений доступны обнажения по трем граням пространственного прямоугольного параллелепипеда, и измерения трещиноватости по ним позволяют правильно охарактеризовать развитие трещин всех направлений в данной точке массива. Поэтому удобно использовать для измерений ниши или участки сопряжений выработок.
Размеры наблюдательных станций следует по возможности принимать такими, чтобы в пределах станции было не менее 8-10 трещин каждой системы. Однако возможности варьирования размеров станции в подземных условиях обычно ограничены высотой выработок, вследствие чего остается возможным лишь избрать протяженность наблюдательной станции вдоль выработки. В большинстве случаев размеры станций по протяженности и высоте принимают около 2 м.
На каждой наблюдательной станции измеряют элементы залегания всех без исключения трещин, фиксируют нормальные расстояния между трещинами одноименных систем, устанавливают характер трещин (открытые, закрытые), их раскрытие, заполнение трещинными минералами, характер поверхностей трещин (ровные, неровные стенки, наличие зеркал и штрихов скольжения и пр.), протяженность трещин, степень искривления их поверхностей.
Кроме того, для детального изучения вещественного состава минералов-заполнителей трещин, от которого в первую очередь зависят прочностные характеристики по их контактам, необходимо специально отбирать пробы для изготовления шлифов. Практика выполнения подобных работ свидетельствует о том, что при изготовлении шлифов хрупкие и весьма непрочные минералы-заполнители зачастую выкрашиваются. В этих случаях применяют специальные приемы (проварка образцов в смеси ксилола и канифоли, пропитка пихтовым бальзамом и пр.). Если же и это не приносит успеха, то минералы определяются из соскобов со стенок трещин в иммерсионных жидкостях.
В случае, если исследуются закономерности развития крупноблоковой трещиноватости, расчленяющей массив на структурные блоки с линейными размерами более 1-2 м, выполняют сплошную съёмку трещин на протяжённых участках выработок. При этом необходимо стремиться к тому, чтобы протяжённости выработок, где выполняется съёмка, во всех трёх ортогональных направлениях массива пород были сопоставимы. Обычно наибольшие трудности возникают с обеспечением этого условия в вертикальной плоскости, т.е. с организацией измерений в вертикальных выработках.
Результаты массовых измерений подвергают статистической обработке и представляют в виде графиков, характеризующих пространственную ориентировку и степень выраженности систем трещиноватости.
Пространственную ориентировку систем трещиноватости наглядно выражают с помощью различных диаграмм трещиноватости (рис. 6.20). Сопоставление диаграмм по смежным наблюдательным станциям позволяет легко сравнивать результаты измерений трещин и судить о степени изменчивости их пространственной ориентировки и степени выраженности на различных участках шахтного поля.
|
|
Рис 6.20. Типы диаграмм трещиноватости массива в изолиниях.
а - сферограмма на сетке Вальтер - Шмидта; б - прямоугольная диаграмма; в - прямоугольная диаграмма с произвольным выбором развертки.
Относительное число трещин, %: 1 - 0; 2 - <1; 3 - 1-2; 4 - 2-3: 5 - 3-4; 6 - 4-5;7 - 5-6; 8 - 6-7; 9 - 7-8; 10 - 8-9; 11 - >9.
I-IV - системы трещиноватости.
Для выражения в изолиниях полученных результатов массовых измерений трещиноватости данные всех измерений наносят по параметрам азимута линии падения Апад и угла падения d на диаграмму в виде точек.
Затем методом скользящего статистического окна производят сглаживание и подсчет относительной плотности числа измеренных трещин. Размер статистического окна принимают равным 1% площади диаграммы. На полученном поле значений относительных плотностей проводят изолинии равных относительных плотностей, в результате чего наглядно выявляются преобладающие системы трещин. Средние параметры пространственной ориентировки этих систем непосредственно определяют по диаграмме.
В тех случаях, когда требуется проследить закономерности изменения одного какого-либо параметра, например только азимута или только угла падения трещин, по результатам массовых измерений составляют гистограммы частот (или частостей) данного параметра.
Весьма часто для решения практических вопросов, например оценки устойчивости обнажении пород, кроме относительных характеристик степени распространенности тех или иных систем трещин в исследуемом массиве требуются абсолютные значения указанных параметров, т. е. вероятностей появления тех или иных структурных неоднородностей в рассматриваемой точке выработки. С этой целью на каждой наблюдательной станции число трещин (или других структурных неоднородностей) отдельных систем относят к общему числу измеренных трещин и таким образом оценивают частоту (в пределе - вероятность) появления той или иной системы. Однако при этом возможны существенные погрешности вследствие того, что наблюдательные станции не в равной степени охватывают все пространство изучаемого массива. Например, при расположении наблюдательных станций в горизонтальных выработках слабо отражается распространение пологих и горизонтальных трещин.
Более корректно определять степень распространенности тех или иных систем трещин, основываясь на статистическом анализе расстояний между отдельными трещинами в каждой системе.
Кроме того, расстояния между трещинами служат исходными данными для установления средних размеров и формы структурных блоков, образуемых трещинами различных систем.
В качестве примера на рис. 6.21 представлены результаты обработки натурных измерений геометрических параметров естественных трещин в дистен-гранат-биотитовых гнейсах массива одного из месторождений слюдоносных пегматитов Северной Карелии.
|
|
Рис. 6.21. Геометрические параметры трещиноватости дистен-гранат-биоти-товых гнейсов месторождения "Плотина".
а - диаграмма трещиноватости; б - гистограммы распределения расстояний между трещинами.
Системы трещин: I - меридиональная, II - северо-западная, III - субширотная, IV - широтная, V - наклонная, VI - пологая, грубо совпадающая со сланцеватостью гнейсов.
1-8 - число трещин на единицу площади диаграммы.
6.4. Классификации горных пород.
При проектировании горных работ и строительстве подземных сооружений необходим комплекс сведений о различных свойствах горных пород. Более того нужна определённая систематизация горных пород по свойствам с тем, чтобы без проведения специальных детальных исследований можно было априорно представлять основные особенности поведения какого-либо конкретного вида пород при заданных видах воздействий и тем самым прогнозировать те или иные процессы в массиве пород.
Систематизация пород по свойствам является по сути классификацией и это представляет собой весьма ответственную и, применительно к таким сложным физическим средам как горные породы, чрезвычайно сложную задачу. Ещё более сложную задачу представляет классификация массивов горных пород.
Вообще говоря, построение классификаций является методом и результатом изучения явлений, которые весьма многообразны вследствие большого числа факторов, их определяющих. При построении классификаций весьма важно определить так называемый фактор классификации , т.е. тот признак, по которому производится систематизация изучаемого материала. В зависимости от выбора фактора классификации могут быть созданы различные классификации и тогда появляется возможность классифицировать сами классификации.
В частности, применительно к горным породам, известны две группы классификаций.
К первой группе относятся общие классификации , в которых породы разбиваются на классы в зависимости от комплекса факторов - происхождения, минерального состава, связности и строения:
· Генетическая классификация - породы подразделяются на осадочные, изверженные и метаморфические.
· Инженерно-геологические классификации , в которых породы подразделяются на рыхлые, связные и массивные.
· Классификации , в которых группы пород генетической классификации подразделяются по фактору состава и строения .
Из классификаций первой группы одной из самых значительных и широко применяемых на практике является геолого-генетическая классификация проф. И.В. Попова, которая в модифицированном виде была принята и в международных рамках как основа для подразделения реальных комплексов пород (выделение инженерно-геологических групп, формаций, геолого-генетических комплексов, петрографических типов, инженерно-геологических видов и подвидов).
Хорошо известна классификация акад. АН СССР Ф.П. Саваренского (1937), модифицированная позднее многими авторами. Её основное подразделение грунтов на скальные, полускальные, сыпучие, связные и особые уже упоминалось нами. Эта классификация широко использовалась в строительных стандартах (например, в СНиПах). Как уже говорилось, основным критерием этой классификации является общий характер структурных связей (кристаллизационные, ионно-электростатические, молекулярные, магнитные, электростатические и др.) в зависимости от условий образования и последующего развития горных пород и от их состава.
Основным преимуществом указанных подходов является строгий учёт геологических факторов, в частности, происхождения пород, всей истории их развития, минералогического состава и т.д. В то же время главным недостатком является отсутствие каких-либо количественных данных, характеризующих отдельные категории пород и массивов.
Ко второй группе относятся частные классификации , т.е. основанные на подразделении пород по какому-либо одному (но может быть и комплексному) показателю свойств или характеристике, Таких классификаций разработано очень много, назовём лишь некоторые, самые употребительные из них:
· Классификация М.М. Протодьяконова по коэффициенту крепости горных пород.
· Классификация по отдельным характеристикам свойств (пористости, объёмному весу, модулю упругости).
· Классификация по технологическим параметрам (буримости, взрываемости, дробимости, устойчивости).
Из классификаций второй группы в главе 4 уже упоминалась классификация проф. М.М. Протодьяконова по комплексному показателю - коэффициенту крепости ¦кр . Здесь лишь отметим, что эта классификация имеет существенные недостатки. Самый основной из них заключается в том, что породы здесь разделяются на классы вне зависимости от вида приложенных нагрузок и режимов нагружения.
Наряду с классификацией М.М. Протодьяконова широко применялись и другие многочисленные классификации, в том числе ведомственного характера, разработанные для решения узких частных задач. Все они относились, главным образом, к характеристике пород, и лишь в небольшой степени характеризовали свойства массивов. В Приложении 2 сопоставлены различные частные классификации, которые используются в настоящее время при проектировании и проведении горных работ.
Вообще, сложность использования в геомеханике всех выше-перечисленных классификаций заключается в том, что одни из них (общие) не содержат в себе количественных показателей, а другие (частные) позволяют решать только сугубо конкретные узкие задачи. Следовательно, каждая отдельно взятая классификация не в состоянии полностью удовлетворить все требования геомеханики. Вообще попытки охарактеризовать горные породы одним, пусть и комплексным, показателем оказались не продуктивными. Что касается массивов пород, то, тем более, подобный путь не приемлем.
По-видимому более целесообразен другой путь, когда из общего числа практически используемых показателей свойств горных пород выделяется несколько базовых, которые не зависят друг от друга, являются элементарными и широко используются в расчётах и уже на этой основе строится общая классификация пород.
Так член-корреспондент АН СССР В.В. Ржевский в качестве базовых предложил использовать 12, не зависящих друг от друга показателей. При этом в начале разделять породы качественно на основные генетические группы, затем на классы по минеральному составу и структуре и только после этого дополнять количественными данными об основных физических свойствах.
Позже эти подходы фактически были реализованы в форме классификаций Н. Бартона и др., З.Т. Бенявского для целей подземного строительства, в которых использовался принцип подсчёта баллов и отнесения горных пород по получившейся сумме к той или иной категории. Дальнейшим развитием подобного подхода явилась классификация профессора Н.С. Булычёва, созданная для оценки пород по их устойчивости, где категорийность пород определяется по некоторому показателю, вычисляемому на основании ряда безразмерных коэффициентов, отражающих в баллах влияние различных факторов.
Классификациям, основанным на балльных подходах присущ основной недостаток - предположение о независимости действия тех факторов, которые оцениваются баллами. Это не всегда соответствует действительности и поэтому указанные классификации приводят, главным образом, к качественным результатам. Преимуществом же данного подхода является возможность учитывать сколь угодно большое количество факторов, и таким образом, фактически это одни из первых успешных попыток создания классификаций уже не пород, а массивов.
Если рассматривать все указанные подходы создания классификаций с позиций иерархично-блочной модели массива пород, то можно заметить, что наблюдается большой разнобой в предлагаемых подходах с точки зрения иерархических уровней неоднородностей и массивов, к которым относятся те или иные предложения. В классификациях первой группы это уровни весьма низких порядков, в то время как в классификациях второй группы объектами являются массивы, вмещающие относительно высокие порядки структурных неоднородностей.
Проблема создания общетехнической классификации пород для нужд геомеханики пока не получила своего полного разрешения, однако определённая ясность в этих вопросах уже достигнута. Более того, предприняты и первые попытки разработки такой классификации, но пока только для массивов скальных пород. Так специалистами кафедры инженерной геологии Московского Государственного Университета (профессоры Г.А. Голодковская, Л.В. Шаумян и др.) разработана инженерно - геологическая классификация, в которой выделены две группы массивов, существенно отличных по своему генезису (табл. 6.1). Первая группа - литолого - структурные массивы, вторая группа - массивы дизъюнктивов тектонической природы.
Под литолого - структурными массивами понимаются объёмные геологические тела, образующие пространственно - обособленные структуры разных порядков, границами которых являются элементы литологических или структурно - тектонических неоднородностей. Другими словами, эти массивы соответствуют в иерархично-блочной модели элементам “структурных блоков”.
Массивы дизъюнктивов представляют собой вытянутые геологические тела, приуроченные к крупным дизъюнктивам и обладающие зональным строением за счёт включения зон различной степени нарушенности скального массива, образованных под влиянием тектонического нарушения. В иерархично-блочной модели массива пород они соответствует элементам “структурных неоднородностей”.
Принципиальная схема инженерно-геологической классификации
массивов горных пород
(по Г.А. Голодковской, Л.В. Шаумян и др.)
Таблица 6.1
| Классификацион- |
Порядок массивов |
|||
| ные признаки |
Первый |
Второй |
Третий |
Четвёртый |
| Размеры массива |
n. 1000м-n. 100м |
n. 100м-n. 10м |
n. 10м-n. 1м |
n. 1м-n. 0.1м |
| А. Литолого-структурные массивы |
||||
| Границы массивов |
Границы лито-логических формаций. Границы раз-рывных нару-шений сложно-го и простого строения (I и IIпорядков) |
Границы лито-логических комплексов. Границы раз-рывных нару-шений сложно-го и простого строения (I и IIпорядков) |
Границы лито-логических ти-пов. Границы зон выветривания локальных раз-рывных нару-шений |
Границы изме-нения типов блочности. |
| Признаки однород-ности внутренней структуры массива |
Однородность состава и сло-жения литоло-гической фор-мации |
Однородность состава и сло-жения литоло-гических ком-плексов |
Однородность литологичес-кого состава, характера, тре-щиноватости |
Однородность блочности |
| Элементы внутренней структуры массива |
Локальные массивы IIпорядка с раз-мерамиn. 100м-n. 10м |
Литологически однородные массивы и ог-раничивающие их дизъюнк-тивные эле-менты. Разме-ры n. 10м-n. 1м |
Массивы одно-родной блоч-ности и огра-ничивающие их дизъюнк-тивные эле-менты. Разме-ры n. 1м-n. 0.1м |
Элементарные блоки и трещи-ны с различ-ным заполни-телем. Разме-ры структур-ных элементов n. 0.1м и менее. |
| Массивы дизъюнктивов |
||||
| Границы массивов |
Внешние гра-ницы крупных региональных сложно по-строенных тек-тонических на-рушений. |
Внешние гра-ницы регио-нальных и ло-кальных текто-нических нару-шений.просто-го зонального строения. |
Границы от-дельных зон тектонических нарушений. |
Границы под-зон по степени изменённости пород |
| Признаки однород-ности внутренней структуры массива |
Сложное зо-нальное строе-ние с несколь-кими смести-телями и опе-ряющими их зонами текто-нической нару-шенности. |
Простое зо-нальное строе-ние с одним сместителем и оперяющими его зонами тектонической нарушенности. |
Однородность характера и степени тре-щиноватости и раздроблен-ности. |
Однородность степени изменённости пород. |
| Элементы внутренней структуры массива |
Массивы дизъ-юнктивов простого стро-ения. Размеры структурных элементовn. 100м-n. 10м |
Отдельные зоны тектони-ческих нару-шений. Раз-меры струк-турных эле-ментовn. 10м-n. 1м |
Отдельные подзоны тектонических нарушений. Размеры структурных элементовn. 1м-n. 0.1м |
Элементарные блоки, обло-мки, раздроб-ленная масса. Размеры структурных элементов n. 0.1м |













