| Скачать .docx |
Дипломная работа: Реконструкция бойлерных установок с применением пластинчатых теплообменников
Аннотация
Пояснительная записка дипломного проекта на тему « Реконструкция бойлерных установок ОТЭЦ-1 с применением пластинчатых подогревателей» содержит 114 страниц, в том числе 6 рисунков, 30 таблиц, 15 источников. Графическая часть выполнена на 6 листах формата А1.
В дипломном проекте разработана реконструкция бойлерной установки турбоагрегата № 9 ОТЭЦ-1 с заменой кожухотрубчатых теплообменных аппаратов на пластинчатые.
В пояснительной записке произведён конструкторский расчёт и выбор пластинчатых бойлеров, рассчитаны тепловые потери с поверхности изоляции и толщина изоляции. Для бойлеров применена более эффективная теплоизоляция из пенополиуретана.
Также выполнен гидравлический расчёт трубопроводов и выбор насосных агрегатов и арматуры.
По результатам расчёта произведён сравнительный анализ, показывающий преимущества пластинчатых бойлеров перед кожухотрубчатыми. После реконструкции бойлерная установка потребляет меньше пара и электроэнергии, за счёт чего предприятие экономит топливо или получает прибыль, продавая сэкономленную электроэнергию.
В электрической части произведён выбор двигателей к насосам и выбор кабелей для их подключения.
Также в пояснительной записке представлен расчет экономического эффекта от реконструкции. Рассмотрены вопросы безопасности труда при работе с бойлерной установкой.
Содержание
Введение
1 Характеристика объекта проектирования
1.1 Назначение, перечень основных узлов и принцип работы оборудования бойлерной установки
1.2 Анализ и оценка эффективности работы бойлерной установки турбины № 9
2. Предлагаемая реконструкция бойлерной установки
2.1 Преимущества пластинчатых теплообменных аппаратов
2.2 Конструкция пластинчатого теплообменного аппарата
3. Расчёт существующей и проектирование предлагаемой бойлерных установок
3.1Тепловой расчёт бойлеров
3.2 Гидравлический расчёт бойлеров
3.3 Разница в значениях гидравлических потерь для кожухотрубчатых и пластинчатых бойлеров
3.4Выбор пластинчатых бойлеров
3.5 Тепловая изоляция бойлеров
3.6 Гидравлический расчёт трубопроводов бойлеров
3.7Выбор толщины изоляции для трубопроводов бойлеров
3.8 Выбор сетевых насосов
3.9 Выбор арматуры
3.10 приборы автоматического регулирования
3.11Расчёт экономии тепловой энергии за счёт реконструкции бойлерной установки
3.12Сравнительная характеристика по результатам расчёта
4 Применение частотного привода на насосах подпитки теплосети....77
5 Электрическая часть
5.1 Расчёт расхода электроэнергии на перекачку теплоносителя сетевым насосом
5.2 Расчёт кабельной линии 3 кВ для подключения двигателей насосов к питающей сети
6. Расчёт технико-экономических показателей
6.1Динамика основных технико-экономических показателей деятельности базового проекта за 2004 – 2006 гг.
6.2 Расчёт суммы капитальных вложений в новый объект
6.3Расчёт изменения себестоимости тепловой энергии
6.4 Расчёт прироста прибыли за счёт реконструкции
6.5 Экономический эффект проекта
6.6 Динамика основных технико-экономических показателей проекта после реконструкции
7 Безопасность жизнедеятельности и охрана труда
7.1 Опасные и вредные факторы
7.2 Электробезопасность
7.3 Пожарная безопасность
7.4Инструкции по охране труда для персонала, обслуживающего бойлерную установку
Заключение.
Список использованных источников
Введение
Энергетикой называется система установок и устройств для преобразования первичных энергоресурсов в виды энергии, необходимые для народного хозяйства и населения, и передачи этой энергии от источников её производства до объектов использования.
Из всех видов вырабатываемой энергии наиболее широкое применение находят два вида – электрическая энергия и теплота низкого и среднего потенциалов, на выработку которых затрачивается в настоящее время более 55 % всех используемых первичных топливно-энергетических ресурсов страны.
Для организации рационального энергоснабжения страны особенно большое значение имеет теплофикация, являющаяся наиболее совершенным технологическим способом производства электрической и тепловой энергии. Комбинированная выработка тепловой и электрической энергии производится на теплоэлектроцентралях (ТЭЦ).
Теплофикационное оборудование ТЭЦ предназначено для подготовки теплоносителя к транспортировке по тепловой сети и для приёма использованного теплоносителя на ТЭЦ.
В водяных системах теплоснабжения основное теплофикационное оборудование ТЭЦ состоит из пароводяных подогревателей, сетевых насосов, деаэрационных устройств, аккумуляторов горячей воды и насосов подпитки теплосети. В совокупности это оборудование носит название подогревательной установки.
Пароводяной подогреватель – основной элемент подогревательной установки – представляет собой поверхностный рекуперативный теплообменный аппарат кожухотрубчатого типа. Он предназначен для подогрева сетевой воды, необходимой для нужд отопления и горячего водоснабжения, за счёт использования теплоты пара низкого давления, поступающего из отбора турбины.
В связи с истощением топливных ресурсов и ростом цен на них возникает проблема экономичного использования топлива. Эта проблема частично решается за счёт применения современного, более совершенного оборудования. В частности, при замене кожухотрубчатых подогревателей сетевой воды на пластинчатые, сокращается потребление пара подогревательной установкой, а, следовательно, снижается расход топлива на производство пара при одинаковых значениях его параметров.
Пластинчатый теплообменный аппарат – это аппарат поверхностного типа, теплопередающая поверхность которого образована из тонких штампованных гофрированных пластин. Его эффективность обусловлена более высоким, чем у кожухотрубчатого теплообменного аппарата, коэффициента теплопередачи. Кроме того, пластинчатый теплообменный аппарат обладает рядом преимуществ:
1) компактность;
2) простота обслуживания;
3) надёжность.
1 Характеристика объекта проектирования
1.1 Назначение, перечень основных узлов и принцип работы оборудования бойлерной установки турбины № 9
Теплофикационные установки предназначены для снабжения потребителя теплом в виде горячей сетевой воды, с графиком теплосети 70/150 ˚С.
Подогревательная установка турбины № 9 включает в себя:
два основных бойлера № 1, № 2 типа ПСВ-500-3-23;
- один пиковый бойлер типа ПСВ-500-14-23;
- четыре сетевых насоса - № 8, № 9 типа 10НМКх2, № 21, № 22 типа КРНА-400/700/64М;
- два конденсатных насоса бойлеров №8, № 9 типа 8КСД-5х3;
- деаэратор подпитки теплосети ДС-300;
- два насоса подпитки теплосети от коллектора сырой воды типа 8К-12.
По характеру тепловой нагрузки подогреватели подразделяются на основные и пиковые. Пар на основной бойлер поступает из отбора турбины с давлением 1,2 ата, а на пиковый бойлер – с давлением 10-16 ата.
Каждый подогреватель представляет собой пароводяной вертикальный теплообменный аппарат с цельносварным корпусом. Трубный пучок состоит из прямых трубок диаметром 19 мм, выполненных из латуни марки Л-68, развальцованных с обеих сторон в трубных досках. Для жёсткости и прочности трубная система заключена в стальной каркас с перегородками. Перегородки направляют поток пара для лучшего омывания трубного пучка и являются промежуточными опорами для труб, предотвращая их вибрации. В месте выхода струи греющего пара на трубный пучок устанавливается пароотбойный лист для защиты трубок от динамического удара потока пара и распределения пара в межтрубном пространстве. Для получения больших скоростей воды подогреватели выполнены двухходовыми. Ходы образуются перегородкой в нижней камере. Перегородка делит трубный пучок на две части по числу ходов.
Сетевая вода через входной патрубок подаётся в одну из половин верхней водяной камеры, проходит половину трубок и поступает в нижнюю часть. По другой половине трубок вода поднимается вверх во вторую половину верхней водяной камеры, откуда через патрубок отвода сетевой воды поступает в сборный коллектор горячей воды. По ходу своего движения вода нагревается паром. Пар в свою очередь конденсируется, и конденсат отводится через отверстие в днище.
Для продувки парового пространства для удаления воздуха в нижней части корпуса имеются дренажные отверстия.
Сетевые насосы типа № 8, № 9 и № 21, № 22, включенные параллельно, обеспечивают циркуляцию сетевой воды в системе теплоснабжения. Технические характеристики сетевых насосов представлены в таблицах 1 и 2.
Конденсатные насосы бойлеров предназначены для перекачки конденсата из межтрубного пространства подогревателей в котельный агрегат. Технические характеристики конденсатных насосов представлены в таблице 3.
| Параметр |
Значение |
| Тип насоса |
Двухступенчатый, центробежный, с односторонним всасом |
| Производительность, м3 /ч |
1000 |
| Напор, м вод. ст. |
182 |
| Подпор, мм вод.ст. |
2 |
| Число оборотов, об./мин. |
1450 |
| Мощность электродвигателя, кВт |
570 |
Таблица 1 – Технические характеристики сетевых насосов типа КРНА-
400/700/64М бойлерной установки турбины № 9
Таблица 2 – Технические характеристики сетевых насосов типа 10НМКх2 бойлерной установки турбины № 9.
| Параметр |
Значение |
| Тип насоса |
Одноступенчатый, центробежный |
| Производительность, м3 /ч |
1250 |
| Напор, м вод. ст. |
140 |
| Число оборотов, об./мин. |
1500 |
| Мощность электродвигателя, кВт |
710 |
Таблица 3 – Технические характеристики конденсатных насосов типа 8КСД-5х3
| Параметр |
Значение |
| Тип насоса |
Трёхступенчатые, с двухсторонним подводом воды в первую ступень. Ступени соединены последовательно с помощью перепускных каналов |
| Производительность, м3 /ч |
119 |
| Напор, м вод. ст. |
129 |
| Подпор, мм вод.ст. |
1,5 |
| Число оборотов, об./мин. |
1450 |
| Мощность электродвигателя, кВт |
100 |
Насосы подпитки теплосети предназначены для введения в цикл подпиточной воды, которая покрывает потери сетевой воды. Технические характеристики подпиточных насосов представлены в таблице 4.
Предварительно химически очищенная подпиточная вода подвергается деаэрации. Деаэрация, то есть удаление коррозионно-активных газов (кислорода, углекислого газа), происходит в деаэраторе струйного типа ДС-300, производительность колонки которого составляет 300 т/ч, ёмкость аккумуляторных баков – 79 м3 , давление пара – 1,2 ата, температура выходящей из деаэратора воды – 105 ˚С.
Таблица 4 - Технические характеристики насосов подпитки теплосети типа 8К-12
| Параметр |
Значение |
| Тип насоса |
Одноступенчатый, консольного типа |
| Производительность, м3 /ч |
280 |
| Напор, м вод. ст. |
32 |
| Число оборотов, об./мин. |
1450 |
| Мощность электродвигателя, кВт |
41 |
1.2 Анализ и оценка эффективности бойлерной установки
Метод оценки состояния поверхности нагрева сетевого подогревателя основан на сравнении фактического и расчётного температурных напоров.
Фактический температурный напор определяется на основании измерений, выполняемых в любом эксплуатационном режиме работы подогревателя.
Отклонение значений измеряемых величин по результатам двух измерений не должно превышать:
- по расходу сетевой воды
5 %;
- по температуре сетевой воды
1
;
- по давлению пара, кПа (кгс/см2
): для основных подогревателей
4,9
- (0,05); для пиковых подогревателей
9,8 (0,1);
- по температуре конденсата (при наличии данных измерений)
1
.
Степень загрязнения поверхности нагрева сетевого подогревателя характеризуется показателем
, выраженным в процентах. Показатель
- характеризует уменьшение значения фактического коэффициента теплопередачи по сравнению с расчётным для чистой поверхности нагрева. В зависимости от значения показателя
устанавливаются две степени состояния поверхности нагрева сетевого подогревателя: при
состояние удовлетворительное; при
состояние неудовлетворительное.
В соответствии с п. 4.11.2 Правил технической эксплуатации 23.11.2006. были проведены теплотехнические испытания теплофикационных установок ОТЭЦ-1 с целью уточнения их фактических тепловых и гидравлических характеристик и сравнения их с проектными данными завода изготовителя.
Результаты замеров и расчётов представлены в таблице 5.
Результаты испытаний показали, что степень загрязнения бойлеров ещё не достигла предельного значения. Но наличие отложений на поверхности нагрева ухудшает работу бойлеров, снижая эффективность работы подогревательной установки в целом.
Таблица 5 – Сводная таблица результатов испытаний бойлеров
| Наименование оборудования |
Расход сетевой воды, т/ч |
Температура воды на входе в подогреватель, ˚С |
Температура воды на выходе из подогревателя, ˚С |
Давление греющего пара, кгс/см2 |
Температура насыщения греющего пара, |
Температура конденсата, |
Фактический температурный напор, |
Расчётный температурный напор, |
Степень загрязнения, % |
| Основной бойлер №1 |
1150 |
67 |
102,8 |
1,58 |
112,4 |
108,6 |
9,6 |
9,4 |
5 |
|
|
1150 |
67 |
102 |
1,58 |
112,4 |
108 |
10,019 |
9,4 |
6 |
| Пиковый бойлер |
1800 |
103 |
149 |
7,9 |
169,09 |
167 |
20,09 |
19,5 |
3,8 |
2 Предлагаемая реконструкция бойлерной установки турбины № 9
2.1 Преимущества пластинчатых теплообменных аппаратов
Теплообменный аппарат любой конструкции представляет собой аппарат, основной функцией которого является передача тепла от одной среды к другой. Наиболее эффективным считается такой теплообменник, который при минимальном расходе рабочих сред через аппарат максимально передает тепловую энергию от одной среды к другой. Поскольку в аппарате происходит только теплообмен от среды к среде, нельзя говорить о прямой экономии тепла, получаемой в результате замены аппарата: как в случае с кожухотрубным аппаратом, так и в случае с пластинчатым тепло просто передается от одной среды к другой. Однако от эффективности передачи тепла в аппарате косвенно зависит эффективность работы периферийного по отношению к аппарату теплового оборудования, а, следовательно, и его экономичность. Именно такая экономия, поскольку она вызывается заменой аппарата, может называться экономическим эффектом теплообменника. В каждом конкретном случае экономичность работы аппарата определяется правильностью его расчета и соответствием режима его работы расчетному. Однако, существует ряд факторов, которые определяют пластинчатый теплообменный аппарат (ПТА) как более экономичный по отношению к кожухотрубчатому теплообменному аппарату (КТА) в любом случае. Рассмотрим такие факторы более подробно.
1) Компактность.
Коэффициент унификации узлов и деталей размерного ряда КТА составляет примерно 0,13. Для ПТА коэффициент унификации узлов и деталей составляет 0,9. Удельная металлоёмкость пластинчатых аппаратов в 2-3 раза меньше, чем у кожухотрубчатых.
Кроме того, подвод трубопроводов с одной стороны во многом упрощает процедуру обвязки теплообменного аппарата.
2) Снижение расхода теплоносителя.
Это обусловлено тем, что скорость протекания теплоносителя в ПТА
в два раза ниже, чем в КТА, внутренний объем аппарата в 6 раз меньше, а коэффициент передачи тепла в 1,5–2 раза больше. Кроме того, теплоноситель проходит по аппарату однократно и по короткому пути.
Низкая скорость протекания теплоносителя по аппарату обеспечивает высокое качество теплообмена. Холодный теплоноситель в ПТА можно нагреть практически до температуры горячего (до разности в 1–3 °С), а горячий — соответственно остудить до температуры холодного. Этот факт обеспечивает следующий источник экономии тепловой энергии: при понижении температуры обратного теплоносителя автоматически снижаются потери тепла в обратных трубопроводах, а также возрастает КПД котлов. Последнее обусловлено тем, что при горении топлива тепло передается от сжигаемого топлива холодному теплоносителю гораздо эффективней.
Короткий путь теплоносителя по аппарату при использовании приборов автоматического регулирования температуры дает значительные преимущества.
Постоянная времени ПТА в десятки раз меньше чем в КТА, что обеспечивает качественную работу автоматики, точное поддержание задания по температуре и, следовательно, экономичность работы аппарата. Конструкция ПТА практически обеспечивает невозможность появления внутри аппарата внутренних протечек, ведущих к смешиванию сред: любая появляющаяся протечка (кроме физического разрушения внутренней части пластины) определяется визуально. Этот факт снижает утечки теплоносителя неявно, но практически всегда существующие.
3) Снижение затрат на эксплуатацию аппарата.
4) Ряд преимуществ конструкции ПТА перед КТА обеспечивает дополнительное снижение затрат при эксплуатации аппаратов связанное с его конструкцией и качеством исполнения. Это высокая турбулентность потоков теплоносителя, проходящего через аппарат, обеспечивающая высокую сопротивляемость теплообменных поверхностей ПТА к образованию различного рода отложений, снижающих КПД теплообмена. Такой факт позволяет проводить процедуру очистки поверхностей аппарата гораздо реже, чем у КТА.
5) Отсутствие коррозии поверхностей и высокое качество материала аппарата увеличивает срок службы аппарата в несколько раз. Возможный ремонт ПТА сводится всего лишь к замене пластины и/или прокладки. Высокая надёжность аппаратов снижает вероятность появления потерь в результате аварийных ситуаций. По статистическим данным фирмы Alfa Laval при наблюдении за работой ПТА в 18 странах в общей сложности в течение 20 млн. рабочих часов или 2300 лет было зарегистрировано 35 случаев отказов. Это означает один отказ аппарата в 65 лет.
2.2 Конструкция пластинчатого теплообменного аппарата
Пластинчатые теплообменные аппараты представляют собой аппараты
поверхностного типа, теплопередающая поверхность которых образована тонкими штампованными гофрированными пластинами.
Рабочие среды в теплообменнике движутся в щелевых каналах сложной формы между соседними пластинами. Каналы для греющей и нагреваемой среды чередуются между собой.

Рисунок 1 – Движение теплоносителей в каналах
Высокая эффективность теплопередачи достигается за счёт применения тонких гофрированных пластин, которые являются естественными турбулизаторами потока и вследствие своей малой толщины обладают малым термическим сопротивлением.
Герметичность каналов и распределение теплоносителей по каналам обеспечивается с помощью резиновых уплотнений, расположенных по периметру пластины. Уплотнение крепится к пластине с помощью клипс.
Уплотнение, расположенное по периметру пластины, охватывает два угловых отверстия, через которые входит поток рабочей среды в межпластинный канал и выходит из него. Через два других отверстия, изолированных дополнительно кольцевыми уплотнениями, встречный поток проходит транзитом. Вокруг этих отверстий имеется двойное уплотнение, которое гарантирует герметичность каналов. Уплотнительные прокладки крепятся к пластине таким образом, что после сборки и сжатия пластины в аппарате образуют две системы герметичных каналов для греющей и нагреваемой сред. Каждая пластина повёрнута на 180˚ в плоскости её поверхности относительно смежных с ней, что создаёт равномерную сетку пересечения взаимных точек опор вершин гофр и обеспечивает жёсткость пакета пластин.
Обе системы межпластинных каналов соединены со своими коллекторами и далее со входом и выходом на неподвижной плите теплообменника.
Пакет пластин размещается на раме теплообменника.Рама теплообменного аппарата состоит из неподвижной плиты (1), опорного штатива (2), верхней (3) и нижней (4) направляющих, подвижной плиты (5) и комплекта стяжных болтов (6), установочных пяток (7). На неподвижной плите расположены фланцевые соединения (8) и шпильки для присоединения ответных фланцев (9).
Верхняя и нижняя направляющие крепятся к неподвижной плите и к стойке. На направляющие навешивается подвижная плита (5) и пакет пластин (10). Неподвижная и подвижная плиты стягиваются болтами.
Для крепления теплообменника к строительным конструкциям на неподвижной плите и стойке предусмотрены монтажные пятки.

Рисунок 2 – Пластинчатый теплообменный аппарат
Расчёт существующей и проектирование предлагаемой бойлерных установок
3.1 Тепловой расчёт бойлеров
3.1.1 Исходные данные для теплового расчёта бойлеров
Таблица 6 – Параметры воды и пара основных бойлеров
| Расход воды, т/ч |
2300 |
| Температура воды при входе в подогреватель, ˚С |
70 |
| Температура воды при выходе из подогревателя, ˚С |
105 |
| Давление греющего пара, кгс/см2 |
1,6 |
| Температура насыщения греющего пара, ˚С |
113,3 |
Таблица 7 – Параметры воды и пара пиковых бойлеров
| Расход воды, т/ч |
1800 |
| Температура воды при входе в подогреватель, ˚С |
105 |
| Температура воды при выходе из подогревателя, ˚С |
150 |
| Давление греющего пара, кгс/см2 |
8 |
| Температура насыщения греющего пара, ˚С |
170,41 |
Таблица 8 – Параметры воды и пара бойлеров в неотопительный период
| Расход воды, т/ч |
2300 |
| Температура воды при входе в подогреватель, ˚С |
40 |
| Температура воды при выходе из подогревателя, ˚С |
70 |
| Давление греющего пара, кгс/см2 |
1,6 |
| Температура насыщения греющего пара, ˚С |
113,3 |
3.1.2 Тепловой расчёт кожухотрубчатых основных бойлеров в отопительный период
Тепловая мощность бойлера
кДж/ч:
, (1)
где
– расход подогреваемой воды, кг/ч;
![]()
– теплоёмкость воды /1,254/;
- температура воды при входе в бойлер, ˚С /таблица 1/;
- температура воды при выходе из бойлера, ˚С /таблица 1/.
![]()
Часовой расход обогревающего пара
, кг/ч, находится из уравнения теплового баланса:
(2)
где
кДж/кг - теплосодержание (энтальпия) обогревающего пара при входе в бойлер /3, 434/;
кДж/кг - теплосодержание (энтальпия) обогревающего пара при выходе из бойлера /3, 434/;
- КПД бойлера, учитывающий потери в окружающую среду /1,254/.
кг/ч
Средняя разность температур
˚С:
, (3)
где
- температура нагреваемой воды,
;
- температура нагретой воды,
.
˚С
Коэффициент теплоотдачи от конденсирующегося пара к стенкам нагревательных трубок
:
, (4)
где
– внешний диаметр трубы, м;
– теплота парообразования насыщенного пара, кДж/кг;
γ – удельный вес конденсата, м3 /кг;
- коэффициент вязкости конденсата, м2
/с;
- температура стенки со стороны пара, ˚С.
Обозначая выражение
через
, а
через Δt, получим:
, (5)
где
зависит от температуры конденсата.
Температура конденсата
, ˚С:
, (6)
где
- температура стенки со стороны пара,
;
. (7)
˚С
˚С
При
;
ккал/кг.
Коэффициент теплоотдачи от стенок труб к нагреваемой воде
:
, (8)
где
- средняя температура воды, ˚С;
; (9)
– внутренний диаметр трубки /3, 38/;
– скорость воды, м/с;
, (10)
где
– площадь живого сечения для прохода воды в трубках /3, 38/;
![]()
– плотность воды при средней температуре воды /2, 434/.
![]()
м/с

Коэффициент теплопередачи от пара через стенку трубы к воде
,
:
(11)
где
=1*10-3 м
- толщина стенки трубы /3, 38/;
- теплопроводность латуни /1, 443/.
Вт/(м*˚С)
Средний тепловой поток через стенку 1 м трубки
, Вт/м:
(12)
Вт/м
Площадь поверхности нагрева бойлера
:
(13)

Коэффициент теплопередачи от пара через стенку трубы к воде с учётом поправочного коэффициента на загрязнение трубок
,
:
(14)
где
- поправочный коэффициент на загрязнение трубок /3, 51/.

![]()
Средний тепловой поток через стенку 1 м трубки определяется по формуле (12):
Площадь поверхности нагрева бойлера определяется по формуле (13):

3.1.3 Тепловой расчёт кожухотрубчатого пикового бойлера
Тепловая мощность бойлера определяется по формуле (1):
![]()
Часовой расход обогревающего пара определяется по формуле (2):
кг/ч
Средняя разность температур определяется по формуле (3):
˚С
Температура стенки
определяется по формуле (7):
˚С
Температура конденсата определяется по формуле (6):
˚С
При
;
.
Коэффициент теплоотдачи от конденсирующегося пара к стенкам нагревательных трубок определяется по формуле (5):
Средняя температура воды определяется по формуле (9):
![]()
Плотность воды при средней температуре
. /2, 434/
Скорость воды определяется по формуле (10):
м/с
Коэффициент теплоотдачи от стенок труб к нагреваемой воде определяется по формуле (8):
Коэффициент теплопередачи от пара через стенку трубы к воде определяется по формуле (11):

![]()
Средний тепловой поток через стенку 1 м трубки определяется по формуле (12):
Вт/м
Площадь поверхности нагрева бойлера определяется по формуле (13):
м2
Коэффициент теплопередачи от пара через стенку трубы к воде с учётом
поправочного коэффициента на загрязнение определяется по формуле (14):

Средний тепловой поток через стенку 1 м трубки определяется по формуле (12):
Вт/м
Площадь поверхности нагрева бойлера определяется по формуле (13):
![]()
3.1.4 Тепловой расчёт кожухотрубчатых бойлеров в неотопительный период
Тепловая мощность бойлера определяется по формуле (1):
![]()
Часовой расход обогревающего пара определяется по формуле (2):

Часовой расход обогревающего пара для двух бойлеров:
![]()
Средняя разность температур определяется по формуле (3):
˚С
Температура стенки определяется по формуле (7):
˚С
Температура конденсата определяется по формуле (6):
˚С
При
,
ккал/кг.
Коэффициент теплоотдачи от конденсирующегося пара к стенкам нагревательных трубок определяется по формуле (5):
Средняя температура воды определяется по формуле (9):
˚С
При средней температуре воды
. /2,434/
Скорость воды определяется по формуле (10):
м/с
Коэффициент теплоотдачи от стенок труб к нагреваемой воде определяется по формуле (8):
Коэффициент теплопередачи от пара через стенку трубы к воде определяется по формуле (11):

![]()
Средний тепловой поток через стенку 1 м трубки определяется по формуле (12):
Площадь поверхности нагрева бойлера определяется по формуле (13):

Коэффициент теплопередачи от пара через стенку трубы к воде с учётом поправочного коэффициента на загрязнение определяется по формуле (14):

![]()
Средний тепловой поток через стенку 1 м трубки определяется по формуле (12):
Вт/м
Площадь поверхности нагрева бойлера определяется по формуле (13):

![]()
3.1.5 Тепловой расчёт пластинчатого основного бойлера в отопительный период
Тепловая мощность бойлера определяется по формуле (1):
кДж/ч
Принимаем КПД бойлера
.
Часовой расход обогревающего пара определяется по формуле (2):
кг/ч
Соотношение числа ходов греющего пара и нагреваемой воды m:
, (15)
где
живое сечение одного межпластинчатого канала,
.
Принимаем тип пластины 0,5 Пр. Технические показатели пластины представлены в таблице 9.
Принимаем оптимальную скорость воды
м/с /4/.
Плотность воды определяется по средней температуре воды
, ˚С:
(16)
˚С
Для средней температуры воды
плотность воды
. /2, 434/
Таблица 9 – Технические показатели пластины
| Показатель |
Тип пластины 0,5 Пр |
| Габариты (длина х ширина х толщина) |
1380х650х0,6 |
| Поверхность теплообмена, кв.м |
0,5 |
| Вес (масса), кг |
6,0 |
| Эквивалентный диаметр канала, м |
0,009 |
| Площадь поперечного сечения канала, кв.м |
0,00285 |
| Зазор для прохода рабочей среды в канале, мм |
5 |
| Приведённая длина канала, м |
0,8 |
| Площадь поперечного сечения коллектора (угловое отверстие в пластине), кв. м |
0,0283 |
| Наибольший диаметр условного прохода присоединяемого штуцера, мм |
200 |
| Коэффициент общего гидравлического сопротивления |
15/Re0.25 |
| Коэффициент А |
0,492 |
| Коэффициент Б |
3,0 |
| Наибольший диаметр условного прохода присоединяемого штуцера, мм |
200 |

Принимаем
по пару и нагреваемой воде.
Общее живое сечение каналов в пакете
,
:
(17)
![]()
![]()
Скорость воды
, м/с:
(18)
м/с
Эквивалентный расход потока по пару
, кДж/(с*˚С):
(19)

Эквивалентный расход потока по воде
, кДж/(с*˚С):
(20)
![]()
Число ступеней подогрева
:
(21)
где
- удельный параметр пластины /1,274/;
безразмерная удельная тепловая нагрузка;
, (22)
где
- максимально возможный температурный перепад;
. (23)
˚С


Принимаем 2 хода в теплообменнике (несимметричная компоновка).
Принимаем температуру конденсата 102˚С. Для этой температуры:
;
;
/2, 434/.
Средняя разность температур
, ˚С:
(24)
˚С
Коэффициент теплоотдачи от пара к стенке пластины
,
:
, (25)
где
критерий Нуссельта;
- коэффициент теплопроводности конденсата /2, 434/;
- эквивалентный диаметр канала пластины /таблица 9/. Для вертикальной стенки при конденсации пара на ней критерий Нуссельта Nu определяется по формуле:
, (26)
где
критерий Прандтля;
критерий конденсации;
; (27)
где
- критерий Галилея;
, (28)
где
- вязкость конденсата /2, 434/.
, (29)
где
кДж/кг - теплота испарения /2, 434/;
кДж/(кг*˚С) - теплоёмкость конденсата.
, (30)
где
- температура стенки со стороны пара, ˚С; определяется по формуле (7).
![]()
При температуре стенки
/2, 434/.
˚С


![]()


Коэффициент теплоотдачи от стенки пластины к воде
,
:
, (31)
где
– коэффициент пластины.

Коэффициент теплопередачи К определяется по формуле (11):

где коэффициент теплопроводности стали
= 60
.
Тепловой поток определяется по формуле (12):
![]()
Площадь нагрева бойлера определяется по формуле (13):

Действительная поверхность нагрева бойлера F, м2 :
(32)
![]()
Количество пластин n при площади поверхности одной пластины
:
(33)

3.1.6 Тепловой расчёт пластинчатого пикового бойлера
Тепловая мощность бойлера определяется по формуле (1):
![]()
Часовой расход обогревающего пара определяется по формуле (2):

Принимаем тип пластины 0,5 Пр.
Принимаем оптимальную скорость воды
м/с.
Средняя температура воды определяется по формуле (16):
![]()
![]()
Для этой температуры плотность воды
.
Соотношение числа ходов греющего пара и нагреваемой воды определяется по формуле (15):

Принимаем
.
Общее живое сечение каналов в пакете определяется по формуле (17):
![]()
Скорость воды определяется по формуле (18):

Эквивалентный расход потока по пару определяется по формуле (19):

Эквивалентный расход потока по воде определяется по формуле (20):
![]()
Максимально возможный температурный перепад определяется по
формуле (23):
![]()
Безразмерная удельная тепловая нагрузка определяется по формуле (22):

Число ступеней подогрева определяется по формуле (21):

Принимаем 1 ход в теплообменнике (симметричная компоновка).
Принимаем температуру конденсата 155˚С. Для этой температуры:
;
;
.
Средняя разность температур
, ˚С:
(34)

Температура стенки со стороны пара определяется по формуле (7):
![]()

Критерий Галилея определяется по формуле (28):

Критерий конденсации определяется по формуле (27):
![]()
Критерий Нуссельта определяется по формуле (26):

Коэффициент теплоотдачи от пара к стенке пластины определяется по формуле (25):

Коэффициент теплоотдачи от стенки пластины к воде определяется по формуле (31):

Коэффициент теплопередачи определяется по формуле (11):

Тепловой поток определяется по формуле (12):
![]()
Площадь нагрева бойлера определяется по формуле (13):
![]()
Действительная поверхность нагрева бойлера определяется по формуле
(32):
![]()
Количество пластин при площади поверхности одной пластины fпл =0,5м2 определяется по формуле (33):

3.1.7 Тепловой расчёт пластинчатого бойлера в неотопительный период
Тепловая мощность бойлера определяется по формуле (1):
![]()
Часовой расход обогревающего пара определяется по формуле (2):

Принимаем температуру конденсата 90˚С. Для этой температуры:
;
![]()
;
.
Средняя разность температур определяется по формуле (34):
˚С
Температура стенки со стороны пара определяется по формуле (7):
![]()
![]()
![]()

Средняя температура воды определяется по формуле (16):
![]()
Критерий Галилея определяется по формуле (28):

Критерий конденсации определяется по формуле (27):
![]()
Критерий Нуссельта определяется по формуле (26):

Коэффициент теплоотдачи от пара к стенке пластины определяется по формуле (25):

Коэффициент теплоотдачи от стенки пластины к воде определяется по формуле (31):
![]()
Коэффициент теплопередачи определяется по формуле (11):

Тепловой поток определяется по формуле (12):
![]()
Площадь нагрева бойлера определяется по формуле (13):

3.2 Гидравлический расчёт бойлеров
3.2.1 Гидравлический расчёт кожухотрубчатого основного бойлера в отопительный период
Скорость воды в патрубках подвода и отвода при диаметре 500 мм (диаметры входного и выходного патрубков)
, м/с:
(35)
где
=1,022*10![]()
- объемный вес воды /2, 434/;
м - внутренний диаметр входного и выходного патрубков /3, 38/.

Длину каждого патрубка (подвода и отвода сетевой воды) принимаем
.
Для оценки гидравлического сопротивления подогревателя принимаем следующие значения коэффициентов местных сопротивлений
:
- поворот во входной и выходной камерах – 1,5;
- поворот потока на 180˚ - 2,5;
- вход в трубки из камеры – 0,5;
- выход из трубок в камеру – 1 /5, 34/.
Число Re для потока воды в патрубках
:
, (36)
где
=0,415*10![]()
- вязкость воды,
.

Значение
В этом случае коэффициент сопротивления трения
:
, (37)
где
- коэффициент трения в патрубках бойлера;
. (38)


Суммарный коэффициент сопротивления участка входа
:
(39)
![]()
Потери давления сетевой воды на участке входа
, Па:
(40)
Па
Коэффициент сопротивления трения в трубках бойлера
:
(41)

(42)

Суммарный коэффициент сопротивления второго участка
:
(43)
![]()
Потери давления сетевой воды на втором участке
, Па:
(44)
Па
Общее гидравлическое сопротивление бойлеров
, Па:
, (45)
где n – количество бойлеров.
Па
Потери напора в бойлерах
, м:
(46)

3.2.2 Гидравлический расчёт кожухотрубчатого пикового бойлера
Скорость воды в патрубках подвода и отвода определяется по формуле (35):

Число Re для потока воды в патрубках определяется по формуле (36):

Значение
, коэффициент трения в патрубках определяется по формуле (38):

В этом случае коэффициент сопротивления трения определяется по
формуле (37):

Суммарный коэффициент сопротивления участка входа определяется по формуле (39):
![]()
Потери давления сетевой воды на участке входа определяются по формуле (40):
Па
Коэффициент сопротивления трения в трубках бойлера определяется по
формуле (41):


Суммарный коэффициент сопротивления второго участка определяется по
формуле (43):
![]()
Потеря давления сетевой воды на втором участке определяются по формуле (44):

Общее гидравлическое сопротивление бойлера определяется по формуле (45):
![]()
Потери напора в бойлере определяются по формуле (46):

3.2.3 Гидравлический расчёт кожухотрубчатого основного бойлера в неотопительный период
Скорость воды в патрубках подвода и отвода определяется по формуле (35):

Число Рейнольдса определяется по формуле (36):

Значение
, коэффициент трения в патрубках
определяется по формуле (38):

В этом случае коэффициент сопротивления трения определяется по
формуле (37):

Суммарный коэффициент сопротивления участка входа определяется по формуле (39):
![]()
Потеря давления сетевой воды на участке входа определяется по формуле (40):
Па
Коэффициент сопротивления трения в трубках подогревателя
определяется по формуле (41):


Суммарный коэффициент сопротивления второго участка определяется по формуле (43):
![]()
Потери давления сетевой воды на втором участке определяются по формуле (44):

Общее гидравлическое сопротивление бойлера определяется по формуле (45):
Па
Потери напора в бойлерах определяются по формуле (46):

3.2.4 Гидравлический расчёт пластинчатого основного бойлера в отопительный период
Потери давления в пластинчатом бойлере
, Па:
, (47)
где
- потери давления во всех ступенях одного канала, Па;
- потери давления в присоединительном штуцере, Па.
, (48)
где
- коэффициент гидравлического сопротивления канала;
= 0,8 м - приведённая длина канала /таблица 9/;
м - эквивалентный диаметр канала /таблица 9/;
- средняя скорость теплоносителя, м/с;
- число последовательно соединённых ступеней.
, (49)
где с = 1– эксплуатационный коэффициент, учитывающий загрязнения пластин, а также их деформацию вследствие разности давлений в теплообменивающихся средах /таблица 9/;
– постоянная величина, зависящая от типа пластины /таблица 9/;
– число Рейнольдса, зависящее от режима потока теплоносителя;
. (50)
, (51)
где
- скорость теплоносителя в штуцере, м/с;
; (52)
- коэффициент гидравлического сопротивления в штуцере /таблица 9/.


Па
м/с
Т. к. скорость теплоносителя в штуцере велика, принимаем 8 теплообменных аппаратов с симметричной компоновкой меньшей мощности.
м/с
Па
Па
Па
Потери давления во всех бойлерах
, Па:
Па
Потери напора в бойлерах определяется по формуле (46):
м
3.2.5 Гидравлический расчёт пластинчатого пикового бойлера
Число Рейнольдса определяется по формуле (50):

Коэффициент гидравлического сопротивления канала определяется по формуле (49):

Потери давления во всех ступенях одного канала определяются по формуле (48):
Па
Скорость теплоносителя в штуцере определяется по формуле (52):
м/с
Т. к. скорость в штуцере велика, принимаем 6 теплообменников с симметричной компоновкой меньшей мощности:
м/с
Потери давления в присоединительном штуцере определяется по формуле (51):
Па
Потери давления в бойлере определяется по формуле (47):
![]()
Потери давления во всех бойлерах:
![]()
Потери напора в бойлерах определяются по формуле (46):

3.2.6 Гидравлический расчёт пластинчатого основного бойлера в неотопительный период
Число Рейнольдса определяется по формуле (50):

Коэффициент гидравлического сопротивления канала определяется по формуле (49):

Потери давления во всех ступенях одного канала определяется по формуле (48):

Скорость теплоносителя в штуцере определяется по формуле (52):

Потери давления в присоединительном штуцере определяется по формуле (51):
![]()
Потери давления в бойлере определяется по формуле (47):
![]()
Потери давления во всех бойлерах:
![]()
Потери напора в бойлерах определяются по формуле (46):
м
3.3 Разница в значениях гидравлических потерь для кожухотрубчатых и пластинчатых бойлеров
Падение давления во всех кожухотрубчатых бойлерах
, Па:
, (53)
где
- падение давления в основных бойлерах, Па;
- падение давления в пиковых бойлерах, Па.
![]()
Падение давления во всех пластинчатых бойлерах
, Па:
, (54)
![]()
Разность значений падения давления в бойлерах:
(55)
![]()
Потери напора в кожухотрубчатых бойлерах
, м:
, (56)
где
- потери напора в основных бойлерах, м;
- потери напора в пиковых бойлерах, м.
![]()
Потери напора в пластинчатых бойлерах
, м:
(57) ![]()
![]()
Разность значений потерь напора в бойлерах
, м:
(58)
![]()
3.4 Выбор пластинчатых бойлеров
Расчётные параметры пластинчатых теплообменных аппаратов представлены в таблице 10.
Выбираем теплообменные аппараты датской фирмы «APV» типа Р-0,6р-0,5-145-М60-01 в качестве основных бойлеров и типа Р-0,6р-0,5-78-М60-01 в качестве пиковых бойлеров. Технические характеристики этих аппаратов представлены в таблице 11. /4/
Пластины теплообменников выполнены из коррозионно-стойкой стали
марки 12Х18Н10Т, уплотнительные прокладки – из термостойкой резиныEPDM.
Таблица 10
| Тип бойлера |
Производительность, кВт |
Площадь нагрева, м2 |
Число пластин, шт. |
Расход воды, т/ч |
| Основной |
11712 |
145 |
290 |
288 |
| Пиковый |
15712,5 |
78 |
156 |
300 |
Таблица 11
| Показатель |
Разборный с резиновыми прокладками |
||
| 1 |
2 |
||
| Поверхность нагрева пластины, м2 |
0,6 |
||
| Габариты пластины, мм |
1188х740 |
||
| Минимальная толщина пластины, мм |
0,5 |
||
| Масса пластины, кг |
3,08 |
||
| Число пластин: основной бойлер пиковый бойлер |
242 145 |
||
| Объём воды в канале, л |
2,05 |
||
| Рабочее давление, МПа |
1,0 |
||
| Диаметр патрубков,мм |
200 |
||
| Мощность, кВт: основной бойлер пиковый бойлер |
11712 15712,5 |
||
| Количество бойлеров: основной бойлер пиковый бойлер |
8 6 |
||
| Расход теплоносителя (воды), т/ч: основной бойлер пиковый бойлер |
288 300 |
||
| 1 |
2 |
||
| Габариты подогревателя, мм высота ширина длина основного бойлера длина пикового бойлера |
1560 868 2102 1153 |
||
| Масса теплообменника, кг не более не менее |
1755 1330 |
||
| Межосевое расстояние, мм |
1292 |
||
3.5 Тепловая изоляция бойлеров
3.5.1 Тепловая изоляция кожухотрубчатых бойлеров
Тепловая изоляция основных бойлеров – минераловатные маты прошивные (ГОСТ 21880-94) марки 75 толщиной 200 мм.
Тепловые потери с поверхности кожухотрубчатого бойлера
, Вт:
, (59)
где
- площадь поверхности бойлера,
;
- нормы плотности теплового потока с поверхности изоляции для определённого региона, Вт/м.
, (60)
где
Вт/м - нормы плотности теплового потока /6/;
- коэффициент, учитывающий изменение стоимости теплоты в зависимости от района строительства и места установки оборудования /6/.
![]()
Площадь кожуха
, м2
:
, (61)
где
м – радиус основания бойлера /3, 38/;
м – высота бойлера /3,38/.
![]()
Площадь крышек
,
:
(62)
![]()
Полная площадь поверхности бойлера
,
:
(63)
![]()
Тепловые потери с поверхности изоляции двух бойлеров:
![]()
Тепловая изоляция пикового бойлера – минераловатные маты прошивные (ГОСТ 21880-94) марки 75 толщиной 250 мм.
Норма плотности теплового потока определяется по формуле (60):
Площадь кожуха определяется по формуле (61):
![]()
Площадь крышек определяется по формуле (62):
![]()
Полная площадь поверхности бойлера определяется по формуле (63):
![]()
Тепловые потери с поверхности изоляции пикового бойлера определяются по формуле (59):
![]()
Общие тепловые потери с поверхности изоляции бойлеров:
![]()
3.5.2 Тепловая изоляция пластинчатых бойлеров
Площадь поверхности одного основного пластинчатого бойлера
,
:
, (64)
где
– периметр основания /таблица 11/;
h = 1,56м – высота бойлера /таблица 11/.
![]()
Тепловые потери с поверхности изоляции основных ПТА определяется по формуле (59):
![]()
Площадь поверхности одного пикового пластинчатого бойлера определяется по формуле (64):
![]()
Тепловые потери с поверхности изоляции пиковых пластинчатых бойлеров определяются по формуле (59):
![]()
Общие тепловые потери с поверхности изоляции бойлеров:
![]()
Тепловая изоляция основного пластинчатого бойлера – пенополиуретан Изолан-101, ТУ 2254-211-10480596-96.
Толщина изоляционного слоя
, м:
, (65)
где
- теплопроводность теплоизоляционного слоя /7/;
- температура теплоносителя, ˚С;
- температура окружающей среды /7/;
- коэффициент теплоотдачи от наружной поверхности изоляции,
/7/.

Тепловая изоляция пикового пластинчатого бойлера – комбинированная тепловая изоляция из минеральной ваты и пенополиуретана в виде скорлупы.
Толщина изоляционного слоя из минеральной ваты
, м:
, (66)
где
- температура на поверхности изоляции, ˚С.

Толщина изоляционного слоя из пенополиуретана определяется по формуле (66):

Общая толщина изоляционного слоя:
(67)
![]()
3.5.3 Разность значений тепловых потерь кожухотрубчатых и пластинчатых бойлеров
, Вт:
(68)
Вт
3.6 Гидравлический расчёт трубопроводов бойлеров
3.6.1 Гидравлический расчёт трубопроводов кожухотрубчатых бойлеров
Исходные данные для гидравлического расчёта трубопроводов кожухотрубчатых бойлеров представлены в таблице 12.
Таблица 12
| Тип бойлера |
Назначение трубопровода |
Диаметр трубопровода, м |
Длина трубопровода, м |
Плотность воды, |
Расход воды, т/ч |
| Основной № 1 |
Подвод (отвод) воды |
0,514 |
5,95 |
977,8 (954,7) |
1150 |
| Основной № 2 |
Подвод (отвод) воды |
0,514 |
5,95 (15,4) |
977,8 (954,7) |
1150 |
| Пиковый |
Подвод (отвод) воды |
0,514 |
5 (5,75) |
954,7 (917) |
1800 |
а) Кожухотрубчатый основной бойлер № 1
- Трубопровод подвода воды
Линейное падение давления в трубопроводе подвода сетевой воды
, Па:
, (69)
где
- удельное падение давления, Па/м;
(70)
- коэффициент, зависящий от абсолютной шероховатости трубопровода, принимаемый по таблице /1, 191/.

![]()
Местное падение давления в трубопроводе подвода сетевой воды
, Па:
, (71)
где
- эквивалентная длина местных сопротивлений, м.
; (72)
где
- коэффициент, зависящий от абсолютной шероховатости трубопровода /1, 191/;
- сумма коэффициентов местных сопротивлений арматуры и фасонных частей.
Местные сопротивления: задвижка, два сварных колена.
![]()
![]()
Общее падение давления в трубопроводе подвода сетевой воды
, Па:
(73)
![]()
Потеря напора сетевой воды в трубопроводах подвода сетевой воды
, м:
(74)

- Трубопровод отвода воды
Удельное падение давления определяется по формуле (70):

Линейное падение давления в трубопроводе отвода сетевой воды определяется по формуле (69):
![]()
Местные сопротивления те же, что и в трубопроводе подвода воды к бойлеру.
Местное падение давления определяется по формуле (71):
![]()
Общее падение давления в трубопроводе отвода сетевой воды определяется по формуле (73):
Па
Потеря напора сетевой воды в трубопроводах отвода сетевой воды определяется по формуле (74):

Падение давления в трубопроводах подвода и отвода воды к основному бойлеру № 1:
![]()
Потери напора в трубопроводах подвода и отвода воды к основному
бойлеру № 1:
![]()
б) Кожухотрубчатый основной бойлер № 2
- Трубопровод подвода воды
Общее падение давления и потери напора в трубопроводе подвода сетевой воды основного бойлера № 2 то же, что и у трубопровода подвода сетевой воды основного бойлера №1.
![]()

- Трубопровод отвода воды
Удельное падение давления определяется по формуле (70):
![]()
Линейное падение давления в трубопроводе отвода сетевой воды определяется по формуле (69):
![]()
Местные сопротивления: задвижка, четыре сварных колена.
Сумма коэффициентов местных сопротивлений арматуры и фасонных частей:
Эквивалентная длина местных сопротивлений определяется по формуле (72):
![]()
Местное падение давления определяется по формуле (71):
![]()
Общее падение давления в трубопроводе отвода сетевой воды
определяется по формуле (73):
![]()
Потери напора сетевой воды в трубопроводах отвода сетевой воды
определяется по формуле (74):

Падение давления в трубопроводах подвода и отвода воды к основному бойлеру № 2 определяется по формуле (73):
![]()
Потери напора в трубопроводах подвода и отвода воды к основному бойлеру № 2:
![]()
в) Кожухотрубчатый пиковый бойлер
- Трубопровод подвода воды
Удельное падение давления определяется по формуле (70):

Линейное падение давления в трубопроводе подвода сетевой воды определяется по формуле (69):
![]()
Местные сопротивления: задвижка, два сварных колена.
Сумма коэффициентов местных сопротивлений арматуры и фасонных частей:
Эквивалентная длина местных сопротивлений определяется по формуле (72):
![]()
Местное падение давления в трубопроводе подвода сетевой воды определяется по формуле (71):
![]()
Общее падение давления в трубопроводе подвода сетевой воды определяется по формуле (73):
![]()
Потеря напора сетевой воды в трубопроводах подвода сетевой воды определяется по формуле (74):

- Трубопровод отвода воды
Удельное падение давления определяется по формуле (70):
Линейное падение давления в трубопроводе отвода сетевой воды определяется по формуле (69):
![]()
Местные сопротивления те же, что и в трубопроводе подвода сетевой воды.
Местное падение давления определяется по формуле (71):
![]()
Общее падение давления в трубопроводе отвода сетевой воды
определяется по формуле (73):
![]()
Потеря напора сетевой воды в трубопроводах отвода сетевой воды определяется по формуле (74):

Падение давления в трубопроводах подвода и отвода воды к пиковому бойлеру:
![]()
Потери напора в трубопроводах подвода и отвода воды к пиковому бойлеру:
![]()
г) Общие падение давления и потери напора в трубопроводах кожухотрубчатых бойлеров
![]()
![]()
3.6.2 Гидравлический расчёт трубопроводов пластинчатых бойлеров
Исходные данные для гидравлического расчёта трубопроводов пластинчатых бойлеров представлены в таблице 13.
Таблица 13
| Назначение бойлера |
Назначение трубопровода |
Диаметр трубопровода, м |
Длина трубопровода, м |
Плотность воды, |
Расход воды, т/ч |
| Основной бойлер |
Подвод (отвод) воды |
0,207 |
2,3 (1,3) |
977,8 (954,7) |
288 |
| Пиковый бойлер |
Подвод (отвод) воды |
0,207 |
2,3 (1,3) |
954,7 (917) |
300 |
| Основной бойлер |
Подвод (отвод) воды |
0,514 |
11,5 (11) |
977,8 (954,7) |
2300 |
| Пиковый бойлер |
Подвод (отвод) воды |
0,514 |
8,5 |
954,7 (917) |
1800 |
а) Трубопроводы диаметром 200 мм пластинчатых основных бойлеров
- Трубопровод подвода воды
Удельное падение давления определяется по формуле (70):

Линейное падение давления в трубопроводе подвода сетевой воды определяется по формуле (69):
![]()
Местные сопротивления: задвижка, одно сварное колено. Сумма коэффициентов местных сопротивлений арматуры и фасонных
частей:
Эквивалентная длина местных сопротивлений определяется по формуле (72):
![]()
Местное падение давления определяется по формуле (71):
![]()
Общее падение давления в трубопроводах подвода сетевой воды:
![]()
Потери напора сетевой воды в трубопроводах подвода сетевой воды:

- Трубопровод отвода воды
Удельное падение давления определяется по формуле (70):

Линейное падение давления в трубопроводе отвода сетевой воды определяется по формуле (69):
![]()
Местные сопротивления те же, что и в трубопроводе подвода сетевой воды.
Местное падение давления определяется по формуле (71):
![]()
Общее падение давления в трубопроводе отвода сетевой воды определяется по формуле (73):
![]()
Потери напора сетевой воды в трубопроводах отвода сетевой воды определяется по формуле (74):

Общее падение давления в трубопроводах подвода и отвода воды к основным бойлерам:
![]()
Потери напора в трубопроводах подвода и отвода воды к пиковому бойлеру:
![]()
б) Трубопроводы диаметром 200 мм пластинчатых пиковых бойлеров
- Трубопровод подвода воды
Удельное падение давления определяется по формуле (70):

Линейное падение давления в трубопроводе отвода сетевой воды определяется по формуле (69):
![]()
Местные сопротивления: задвижка, одно сварное колено.
Сумма коэффициентов местных сопротивлений арматуры и фасонных
частей:
Эквивалентная длина местных сопротивлений определяется по формуле (72):
![]()
Местное падение давления определяется по формуле (71):
![]()
Общее падение давления в трубопроводах подвода сетевой воды определяется по формуле (73):
![]()
Потеря напора сетевой воды в трубопроводах подвода сетевой воды определяется по формуле (74):

- Трубопровод отвода воды
Удельное падение давления определяется по формуле (70):

Линейное падение давления в трубопроводе отвода сетевой воды определяется по формуле (69):
![]()
Местные сопротивления те же, что и в трубопроводе подвода сетевой воды.
Местное падение давления определяется по формуле (71):
![]()
Общее падение давления в трубопроводах отвода сетевой воды определяется по формуле (73):
![]()
Потеря напора сетевой воды в трубопроводах отвода сетевой воды определяется по формуле (74):

Общее падение давления в трубопроводах подвода и отвода воды к пиковым бойлерам:
![]()
Потери напора в трубопроводах подвода и отвода воды к пиковым бойлерам:
![]()
в) Общие падение давления и потери напора в трубопроводах
диаметром 200 мм бойлеров
![]()
![]()
г) Трубопроводы диаметром 500 мм пластинчатых основных бойлеров
- Трубопровод подвода воды
Удельное падение давления определяется по формуле (70):
;
Линейное падение давления в трубопроводе отвода сетевой воды определяется по формуле (69):
![]()
Местные сопротивления: задвижка, два сварных колена, восемь тройников.
Сумма коэффициентов местных сопротивлений арматуры и фасонных
частей:
Эквивалентная длина местных сопротивлений определяется по формуле
(72):
![]()
Местное падение давления определяется по формуле (71):
![]()
Общее падение давления в трубопроводе подвода сетевой воды определяется по формуле (73):
![]()
Потеря напора сетевой воды в трубопроводе подвода сетевой воды определяется по формуле (74):

- Трубопровод отвода воды
Удельное падение давления определяется по формуле (70):

Линейное падение давления в трубопроводе отвода сетевой воды определяется по формуле (69):
![]()
Местные сопротивления: задвижка, одно сварное колено, восемь тройников.
Сумма коэффициентов местных сопротивлений арматуры и фасонных
частей:
Эквивалентная длина местных сопротивлений определяется по формуле (72):
![]()
Местное падение давления определяется по формуле (71):
![]()
Общее падение давления в трубопроводе отвода сетевой воды определяется по формуле (73):
![]()
Потеря напора сетевой воды в трубопроводах отвода сетевой воды определяется по формуле (74):

Общее падение давления в трубопроводах подвода и отвода воды к
основным бойлерам:
![]()
Потери напора в трубопроводах подвода и отвода воды к основным бойлерам:
![]()
д) Трубопроводы диаметром 500 мм пластинчатых пиковых бойлеров
- Трубопровод подвода воды
Удельное падение давления определяется по формуле (70):

Линейное падение давления в трубопроводе отвода сетевой воды определяется по формуле (69):
![]()
Местные сопротивления: задвижка, два сварных колена, восемь тройников.
Сумма коэффициентов местных сопротивлений арматуры и фасонных
частей:
Эквивалентная длина местных сопротивлений определяется по формуле (72):
![]()
Местное падение давления определяется по формуле (71):
![]()
Общее падение давления в трубопроводе подвода сетевой воды определяется по формуле (73):
![]()
Потери напора сетевой воды в трубопроводах подвода сетевой воды
определяется по формуле (74):

- Трубопровод отвода воды
Удельное падение давления определяется по формуле (70):

Линейное падение давления в трубопроводе отвода сетевой воды определяется по формуле (69):
![]()
Местные сопротивления: задвижка, одно сварное колено, восемь тройников.
Сумма коэффициентов местных сопротивлений арматуры и фасонных
частей:
![]()
Эквивалентная длина местных сопротивлений определяется по формуле (72):
![]()
Местное падение давления определяется по формуле (71):
![]()
Общее падение давления в трубопроводе отвода сетевой воды
определяется по формуле (73):
![]()
Потери напора сетевой воды в трубопроводе отвода сетевой воды определяется по формуле (74):

Общее падение давления в трубопроводах подвода и отвода воды к пиковым бойлерам:
![]()
Потери напора в трубопроводах подвода и отвода воды к пиковому бойлеру:
![]()
е) Общие падение давления и потери напора в трубопроводах диаметром 500 мм бойлеров.
![]()
![]()
ж) Потери давления и напора во всех трубопроводах пластинчатых бойлеров
![]()
![]()
3.6.3 Разница потерь давления и напора в трубопроводах пластинчатых и кожухотрубчатых бойлеров:
![]()
![]()
3.7 Выбор толщины тепловой изоляции для трубопроводов бойлеров
3.7.1 Трубопроводы условным диаметром 200 мм
Таблица 14 – Толщина изоляции для трубопроводов диаметром 200 мм
| Назначение трубопровода |
Толщина изоляции, мм |
| Подвод воды с температурой 70 ˚С |
40 |
| Отвод воды с температурой 105 ˚С |
40 |
| Подвод пара с температурой 300 ˚С |
80 |
| Отвод конденсата с температурой 102 ˚С |
40 |
| Отвод воды с температурой 150 ˚С |
40 |
| Отвод конденсата с температурой 155 ˚С |
40 |
3.7.2 Трубопроводы условным диаметром 500 мм
Таблица 15 – Толщина изоляции для трубопроводов диаметром 500 мм
| Назначение трубопровода |
Толщина изоляции, мм |
| Подвод воды с температурой 70 ˚С |
40 |
| Отвод воды с температурой 105 ˚С |
40 |
| Подвод пара с температурой 300 ˚С |
90 |
| Отвод конденсата с температурой 102 ˚С |
40 |
| Отвод воды с температурой 150 ˚С |
50 |
| Отвод конденсата с температурой 155 ˚С |
50 |
3.8 Выбор сетевых насосов
Разность в значениях гидравлических потерь пластинчатых и кожухотрубчатых бойлеров и их трубопроводах сотавляет 3,961м.
Увеличение напора при применении пластинчатых бойлеров составляет почти 4 м. В данном случае не требуется увеличивать напор насосов.
В действующей установке применены насосы типа КРНА-400/700/64М,
типа 10НМКх2 общей производительностью 4500
. Насосы типа КРНА были введены в работу в 1997 году при реконструкции.
Как показывает опыт, при замене этих четырёх насосов тремя насосами типа СЭ1250-140-11 общей производительностью 3750
обеспечивается необходимый напор в системе.
Насосы СЭ –центробежные горизонтальные спирального типа с рабочим колесом двухстороннего входа, одноступенчатый с приводом от электродвигателя. Технические характеристики насосов представлены в таблице 16.
Таблица 16
| Показатель |
Значение |
| Расход воды, |
1250 |
| Напор, м |
140 |
| Допускаемый кавитационный запас, м |
7,5 |
| Температура перекачиваемой воды, ˚С (не более) |
180 |
| КПД, % (не менее) |
82 |
| Мощность (при |
3 |
| Мощность электродвигателя, кВт |
630 |
| Частота вращения, об./мин. |
1500 |
3.9 Выбор арматуры
3.9.1 Выбор задвижек
Задвижки относятся к запорной арматуре. Они предназначены для закрытия и открытия прохода трубопровода к бойлерам.
Для трубопроводов бойлеров диаметром 200 мм выбираем задвижки типа 30с41нж с электроприводом. Это клиновая задвижка с выдвижным шпинделем, фланцевая. Присоединение к трубопроводу – фланцевое с присоединительными размерами по ГОСТ 12815 – 80. Задвижка этого типа предназначена для работы как с паром, так и с водой давлением до 16 ата.
Для трубопроводов бойлеров диаметром 500 мм выбираем задвижки типа 30с964нж с электроприводом. Это клиновая задвижка с выдвижным шпинделем, фланцевая. Присоединение к трубопроводу – фланцевое с присоединительными размерами по ГОСТ 12815 – 80. Задвижка этого типа предназначена для работы как с паром, так и с водой давлением до 25 ата.
Технические характеристики задвижек представлены в таблице 17.
Таблица 17
| Тип задвижки |
Длина задвижки, мм |
Материал корпуса |
Масса задвижки, кг |
| 30с964нж |
292 |
Углеродистая сталь |
310 |
| 30с964нж |
700 |
Углеродистая сталь |
1380 |
3.9.2 Выбор регулирующих клапанов
Клапан предназначен для регулирования расхода или других параметров путём изменения проходного сечения. Клапаны устанавливаются на трубопроводы подвода пара к бойлерам.
Для трубопроводов бойлеров диаметром 200 мм выбираем клапаны типа 6с-9-4, работающие с давлением до 100 ата.
Для трубопроводов диаметром 500 мм выбираем клапаны типа 12с-1, работающие с давлением до 63 ата.
Приборы автоматического регулирования.
Автоматические регулирующие устройства служат для регулирования теплового и гидравлического режимов работы тепловых сетей и теплофикационных установок.
Регулятор и объект регулирования составляют систему автоматического регулирования (САР), которая может осуществлять регулирование по отклонению регулируемого параметра, по компенсации возмущения (нагрузки объекта) и комбинированное - по отклонению и по возмущению.
По реализуемому закону регулирования регуляторы могут быть астатическими (интегральными – И), статическими (пропорциональными – П), изодромными (пропорционально-интегральными – ПИ), позиционными.
По наличию и роду используемой для работы энергии они могут быть прямого действия (без использования вспомогательной энергии) и косвенного действия (непрямого) – электрическими и гидравлическими.
Более экономичную работу оборудования обеспечивают электрические (электронные) регуляторы и исполнительные устройства.
Электронный блок регуляторов выбирается по количеству сигналов, по типу входных сигналов, по закону регулирования и по выходным параметрам.
Система регулирования параметров бойлеров состоит из следующих элементов:
- первичного прибора – датчика – преобразующего теплотехнические параметры в электрический сигнал;
- блоков ручного управления с встроенными указателями положения исполнительных механизмов и токовых задатчиков;
- пусковых устройств, предназначенных для усиления мощности выходного сигнала регуляторов до величины, достаточной для включения электродвигателя исполнительного механизма;
- исполнительными механизмами, которые предусматривают возможность ручного управления регулирующим органом по месту, снабжёнными конечными выключателями и датчиком указателя положения.
На бойлерах установлены регуляторы давления пара (только на пиковом), регуляторы расхода пара, регуляторы температуры воды и регуляторы уровня конденсата.
В качестве датчиков давления применяются манометры и дифференциальные манометры. Технические характеристики манометров представлены в таблице 18.
Для регулирования расхода применяют расходомеры. В теплотехнической практике наибольшее распространение получило измерение расхода по перепаду давлений на стандартном сужающем устройстве – измерительной диафрагме. В комплект прибора входят: измерительная диафрагма; дифференциальный манометр и вторичный показывающий прибор. Измерительные диафрагмы – камерные, типа ДК, в которых отбор осуществляется из кольцевых камер, чем обеспечивается большая точность и удобство измерения. Диафрагмы выполнены из нержавеющей стали 1Х18Н9Т.
Технические характеристики диафрагмы представлены в таблице 19.
В качестве датчиков температуры целесообразно применять термопреобразователи сопротивления. Технические характеристики термопреобразователей представлены в таблице 20.
Монтаж термопреобразователей сопротивления осуществляется с помощью патрубков (бобышек) и штуцеров на защитной арматуре. Преобразователи устанавливаются на трубопроводах перпендикулярно потоку или под углом навстречу потоку. Рабочий спай термоэлектрического преобразователя должен находиться на оси потока. Длина рабочей части преобразователя должна превышать радиус трубопровода на 50 – 60 мм.
Таблица 18
| Наименование |
Тип |
Класс точности |
Габариты |
Предел измерения, МПа |
| Манометры мембранные электрические бесшкальные с выходом 0 – 5 мА |
ММЭ |
1 |
240х210х223 |
1,0 |
Таблица 19
| Параметр |
Диафрагма камерная ДК |
| Класс |
1,5 |
| Внутренний диаметр трубопровода, мм |
200 |
| Условное давление, кгс/см2 |
25 |
| Число пар отборов импульсов |
1 - 4 |
Таблица 20
| Параметр |
ТСМ - 6097 |
| Предел измерения, ˚С |
-50 - + 150 |
| Показатель тепловой инерции, с |
4 |
| Длина монтажной части, мм |
160 |
| Способ крепления |
Неподвижный штуцер М20х1,5 |
Сигналы от термометров сопротивления преобразуется в токовый сигнал 0 – 5 мА в блоках БУС – 10.
Для регулирования уровня конденсата применяются регулирующие клапаны РК–1 с мембранным гидроприводом. Плотнозапорная конструкция клапана позволяет применять его в схемах автоматической защиты объектов теплоснабжения. Регулирующий орган собирают по схеме «нормально открыт» и «нормально закрыт». Клапаны предназначены для работы при давлении среды до 16 кгс/см2 и температуре до 180 ˚С. Давление рабочей среды на гидропривод клапана должно составлять 2 - 10 кгс/см2 .
Блоки ручного управления БРУ – 42 с встроенными указателями положения исполнительных механизмов и токовые задатчики типа РЗД – 22 выпускаются ПО «Промприбор» г. Чебоксары.
Пусковые бесконтактные устройства – типа ПБР – 3А, ФЦ – 0610.
Исполнительные механизмы типа МЭО являются электрическими однооборотными исполнительными механизмами с постоянной скоростью.
Для автоматического регулирования используются многофункциональные микропроцессорные контроллеры Ремиконт Р – 130. Ремиконт связан с персональным компьютером.
3.11 Расчёт экономии тепловой энергии за счёт реконструкции бойлерной установки
Как указывалось выше, экономический эффект от реконструкции бойлерной установки заключается в увеличении эффективности работы периферийного по отношению к аппарату теплового оборудования.
Паровая турбина относится к такому оборудованию.
Пар в бойлеры поступает от турбины типа ПТ-65/75-130/13 производительностью 147 Гкал/ч с регулируемыми отборами. Рабочий процесс турбины разбит на три части: часть высокого давления, часть среднего давления, часть низкого давления. Схема турбины представлена на рисунке 3.
В бойлерах используется пар среднего и низкого давления.
Согласно теплового расчёта пластинчатые бойлеры требуют меньших затрат пара по сравнению с кожухотрубчатыми. Вследствие этого увеличивается выработанная турбиной энергия, либо при неизменной выработке энергии сокращается подача топлива в котельный агрегат.
Пар, вращаясь на лопатках турбины, совершает работу вследствие изменения энтальпии. Значение работы пара
, при прохождении лопаток всей турбины складывается из значений работы в части высокого, части среднего и части низкого давления:
(75)
Работа пара Q, кДж/ч:
, (76)
где
- расход в заданной точке, т/ч;
- энтальпия в предыдущей точке, кДж/кг;
- энтальпия в заданной точке, кДж/кг.
Параметры пара представлены в таблице 21.
Работа пара в части высокого давления
,
:
кДж/ч
кДж/ч
кДж/ч
Таблица 21 – Параметры пара турбины
| Точка |
0 |
1 |
2 |
3 |
4 |
5 |
6 |
7 |
8 |
9 |
| Расход D, т/ч КТА (отопительный период) КТА (неотопительный период) ПТА (отопительный период) ПТА (неотопительный период) |
386 386 386 386 |
386 386 386 386 |
361 361 361 361 |
341 341 341 341 |
195,84 341 209,08 3 341 |
185,84 331 199,08 331 |
180,84 326 194,08 326 |
175,84 321 189,08 321 |
30,74 196,21 57,16 207,93 |
30,74 175,9 57,16 189,08 |
| Давление, ата |
130 |
40 |
25 |
13 |
13 |
8,4 |
5 |
1,5 |
1,5 |
0,03 |
| Температура, ˚ С |
550 |
412 |
385 |
280 |
280 |
230 |
182 |
108 |
108 |
40 |
| Энтальпия, кДж/кг |
3485 |
3225 |
3210 |
3005 |
3005 |
2910 |
2820 |
2710 |
2710 |
40 |
(77)

1 2 ЧВД ЧСД 5 6 7 ЧНД 8
![]()
3 4 9
Рисунок 3 – Схема отборов пара в турбине![]()
Работа пара в части среднего давления ![]()
,
, в отопительный
период определяется по формуле (76):
а) при использовании кожухотрубчатых бойлеров
На участке 3 – 5 работа паром не совершается, изменяется только расход
, т/ч:
, (78)
где
- расход пара на пиковый бойлер, т/ч;
- производственный отбор пара, т/ч.
![]()
кДж/ч;
кДж/ч;
кДж/ч;

б) При использовании пластинчатых бойлеров:
т/ч
кДж/ч;
кДж/ч;
кДж/ч;

Работа пара в части среднего давления в неотопительный период для
кожухотрубчатых и пластинчатых бойлеров одинакова.
т/ч
кДж/ч;
кДж/ч;
кДж/ч;

Работа пара в части низкого давления
, кДж/ч, в отопительный период:
а) При использовании кожухотрубчатых бойлеров:
На участке 7 – 9 работа паром не совершается, изменяется только его
расход
:
, (79)
где
- расход пара на основные бойлеры, т/ч.
т/ч
![]()
б) При использовании пластинчатых бойлеров:
т/ч
![]()
Работа пара в части низкого давления
, кДж/ч, в неотопительный период определяется по формуле (76):
а) При использовании кожухотрубчатых бойлеров:
т/ч
![]()
б) При использовании пластинчатых бойлеров:
т/ч
![]()
Общая работа пара в отопительный период
,
:
а) При использовании кожухотрубчатых бойлеров:
![]()
б) При использовании пластинчатых бойлеров:

Общая работа пара в неотопительный период
, кДж/ч, опреляется по
формуле (75):
а) при использовании кожухотрубчатых бойлеров:

б) при использовании пластинчатых бойлеров:

Разница в значениях работы при использовании кожухотрубчатых и пластинчатых бойлеров
,
:
- в отопительный период:
ккал/ч
- в неотопительный период:
ккал/ч
Экономия топлива
, кг/год:
, (80)
где
- низшая теплота сгорания топлива;
24 – число часов в сутки;
n – длительность отопительного/неотопительного периода, ч.
Общая экономия топлива
, кг/год:

3.12. Сравнительная характеристика по результатам расчёта
Сравниваемые показатели приведены в таблице 19.
Как видно из таблицы 22, при практически одинаковых величинах поверхностей нагрева, пластинчатые подогреватели имеют большие коэффициенты теплопередачи, меньшие габаритные размеры (разница в 25
) благодаря специальному гофрированному профилю проточной части пластины, обеспечивающему высокую степень турбулизации потоков теплоносителей.
Поверхность пластин не накапливает отложения, т.к. все загрязняющие частицы уносятся с потоком воды, имеющим высокую турбулентность.
Для пластинчатых бойлеров применена более эффективная тепловая изоляция из пенополиуретана. В результате толщина теплоизоляционного слоя уменьшается у основных бойлеров – в 3,4 раза, у пиковых – в два раза.
Гидравлические потери в пластинчатых подогревателях больше, чем в кожухотрубчатых, но они незначительны при рассмотрении бойлерной установки в целом.
И, наконец, выработка тепловой энергии турбиной увеличивается при применении пластинчатых подогревателей.
Таблица 22 – Сравнительная характеристика бойлеров
| Показатель |
Кожухотрубчатый бойлер |
Пластинчатый бойлер |
||
| основной |
пиковый |
основной |
пиковый |
|
| Расход пара, т/ч |
145,11 |
145,16 |
131,92 |
131,92 |
| Коэффициент теплопередачи, Вт/(м*˚С) |
5127,86 |
6025,85 |
7233,93 |
7905,03 |
| Поверхность нагрева, |
592*2 = = 1184 |
516,68 |
1159,5 |
468,5 |
| Площадь поверхности бойлеров, |
|
46,3 |
9,27*8 = 74,16 |
6,31*6 = 37,86 |
| Итого: |
Итого: |
|||
| Тепловые потери с поверхности изоляции, Вт |
4080,9 |
2835,39 |
3306,8 |
2318,55 |
| Итого: |
Итого: |
|||
| Общие гидравлические потери, м |
27,294 |
31,255 |
||
| Выработка тепловой энергии, кДж/ч (ккал/ч) отопительный период неотопительный период |
311010 (74284,35) 393944,33 (91699,15) |
385483,81 (92066,83) 392349,06 (93706,49) |
||
4
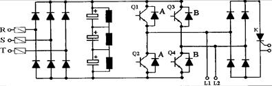
5 Применение частотного привода на насосах подпитки теплосети
Частотный способ является одним из наиболее перспективных и широко используемых в настоящее время способов регулирования скорости асинхронного двигателя. Принцип его заключается в том, что, изменяя частоту
питающего асинхронный двигатель напряжения, можно в соответствии с
выражением
изменять его синхронную скорость
, получая тем самым различные искусственные характеристики. Этот способ обеспечивает плавное регулирование в широком диапазоне, получаемые характеристики обладают высокой жёсткостью. Частотный способ к тому же отличается ещё одним важным свойством: при регулировании скорости АД не происходит увеличения его скольжения, как это имеет место, например, при реостатном регулировании. Поэтому при этом способе регулирования потери скольжения оказываются небольшими (
), в связи с чем частотный способ наиболее экономичен.
Наиболее современным является регулирование с помощью преобразователей частоты, которые позволяют плавно регулировать частоту вращения электродвигателя насоса и поддерживать давление в гидросистеме при разных расходах перекачиваемой жидкости. При малых расходах жидкости двигатель насоса вращается с малой скоростью, необходимой только для поддержания номинального давления, и не расходует лишней энергии. При увеличении расхода жидкости преобразователь увеличивает частоту вращения электродвигателя, повышая производительность насоса при сохранении заданного давления.
Современные преобразователи частоты позволяют создавать системы управления без дополнительных аппаратных средств, т. к. имеют встроенные программные функции, позволяющие реализовывать узел сравнения и ПИД-регулятор. Для реализации системы требуется только внешний датчик давления.
Управляемые преобразователи частоты выполняются как полупроводниковые преобразователи в виде неуправляемых и управляемых выпрямителей, автономных инверторов напряжения и тока, инверторов, ведомых сетью, преобразователей частоты с непосредственной связью. Для устранения искажения формы напряжения сети в преобразователях применяют фильтрокомпенсирующие устройства. Виды преобразователей и их комбинации определяются типом электродвигателя и задачами управления, мощностью, диапазоном регулирования, необходимостью рекуперации энергии в сеть, влиянием преобразователей на питающую сеть.
На рисунке показана функциональная схема регулирования электродвигателя насоса с помощью преобразователя частоты.
Наиболее современным и перспективным является преобразователь частоты (ПЧ), в котором реализована технология многоуровневой широтно-импульсной модуляции (ШИМ). Она основана на сложении напряжения от отдельных последовательно соединённых по выходу силовых блоков. Тем самым осуществляется формирование выходного напряжения.
Преобразователь частоты Л-Старт предназначен для частотного пуска и регулирования скорости вращения АД мощностью в диапазоне 250-3150 кВт, с номинальным напряжением 3 кВ, оснащенных короткозамкнутым ротором.
Применение ПЧ обеспечивает:
1) значительное энергосбережение (до 60 %);
2) надёжность работы и продление ресурса работы электродвигателей, а также приводимых ими в движение агрегатов и механизмов;
3) исключение возникновения гидравлических ударов в системе трубопроводов и выхода из строя шестерённых или ремённых механизмов;
4) снижение аварийности оборудования и уменьшение затрат на ремонт и обслуживание, а также сокращение аварийных простоев производства;
5) интегрирование в автоматическую систему управления технологическими процессами предприятия.
6) получить более высокий КПД системы регулирования и её быстродействие, устраняется шум при работе.
- Влияние ПЧ на питающую сеть.
К питающей сети напряжением 3 кВ подключен первичными обмотками входного трансформатора. Питание к силовым блокам подключается с
вторичных обмоток с входного трансформатора по схеме коммутации, которая обеспечивает работу диодных выпрямителей, за счёт чего снижаются колебания тока в сети.
Уровень вызываемых ПЧ колебаний тока и напряжения в сети соответствует стандарту IEEE Std. 519 – 1992.
Применяемое оборудование не требует установки фильтров на входе, а также устройств защиты других потребителей от помех, вызываемых связанными с работой ПЧ колебаниями в сети.
Максимальный входной КПД ПЧ составляет 0,96. ПЧ не требует установки компенсационных конденсаторов для компенсации реактивной мощности.
- Влияние выходного напряжения ПЧ на двигатель.
Установка силовых блоков ПЧ производится из расчёта 3 штуки на фазу, что соответствует семи уровням формирования выходного напряжения. Такое решение эффективно снижает уровень пульсаций на выходе. При этом форма выходного напряжения максимально приближается к правильной синусоиде. Поэтому ПЧ могут применяться для работы с обычными высоковольтными двигателями, при этом не приводят к нагреванию двигателя и снижению его мощности; не имеют ограничений на длину кабеля; не разрушают изоляцию двигателя; нагрузка с переменным моментом не снижает ресурс работы ПЧ.
- Другие особенности.
а) Высокая эффективность. При номинальном режиме работы эффективность работы системы превышает 96 %; эффективность частотно-преобразующей части превышает 98 %.
б) Силовые блоки ремонтопригодны и взаимозаменяемы.
в) Наличие функции ограничения тока снижает возможность отключения ПЧ вследствие срабатывания защиты от превышения тока.
г) Выходное напряжение настраивается автоматически.
д) Силовые блоки управляются посредством оптоволоконных кабелей, что обеспечивает высокую устойчивость к электромагнитным помехам.
е) Встроенный контроллер осуществляет различное оперативное управление.
ж) Три режима управления: местное, дистанционное (от пульта), от автоматизированной системы управления.
з) Имеет систему диагностики неисправностей, производит своевременное оповещение о неисправностях, запись информации о неисправностях.
- Конструкция высоковольтного привода частотного асинхронного (ВПЧА).
ВПЧА поставляется заказчику в виде функционально законченного оборудования, в состав которого входят: ячейка с высоковольтным сухим трансформатором специальной конструкции; ячейка силовых модулей с IGBT-транзисторами и с модулем управления ВПЧА (промышленный компьютер с сенсорным экраном).
Также поставляются датчики технологических параметров, байпас основного электропитания.
Составные части ВПЧА, размещённые в шкафах и имеющие элементы, находящиеся под напряжением, снабжены блокировками, препятствующими включению электроприводов при открытых дверцах и воздействующими на отключение питания электроприводов, или имеют замки для ограничения доступа к составным частям, находящимся под напряжением.
- Принцип работы.
В ПЧ реализован принцип переменный – постоянный – переменный ток. Преобразование из постоянного в переменный ток осуществляется в силовых блоках на IGBT-транзисторах. Входной трансформатор первичной обмоткой подключается к трёхфазной сети напряжением 3 кВ. Вторичные обмотки соединены по схеме треугольник при условии, что каждая последующая группа вторичных обмоток отличается фазовым смещением трансформируемого напряжения. Сдвиг фазы напряжения на последующей группе вторичных обмоток определяется результатом деления 60 угловых градусов на количество групп вторичных обмоток (или количество силовых блоков).
Последовательное включение силовых блоков позволяет организовать работу ПЧ в режиме многоуровневого ШИМ преобразования.
Схема силового блока приведена на рисунке 4. Входные цепи R, S, T подключаются к низкому трёхфазному напряжению вторичной обмотки трансформатора. Напряжение с трансформатора через диодный выпрямитель заряжает конденсаторы.
Накопленная в конденсаторах электрическая энергия расходуется однофазным мостом, состоящим из IGBT-транзисторов Q1 – Q4, для формирования напряжения ШИМ на выходах L1, L2.
Силовой блок, получив по оптоволоконному кабелю управляющий сигнал на открытие и закрытие IGBT-транзисторов, формирует ширину импульса выходного напряжения одной фазы.
Каждая фаза имеет только три возможных значения выходного напряжения:
а) при открытых Q1, Q4 выходное напряжение L1 и L2 соответствуют 1;
б) при открытых Q2 и Q3 выходное напряжение L1 и L2
соответствуют 1;
в) при открытых Q1 и Q2 или Q3 и Q4 выходное напряжение L1
и L2 соответствуют 0.
Силовые блоки имеют функцию «байпас». При возникновении в каком-нибудь блоке неисправности, при которой невозможно продолжение работы, на данном силовом блоке и двух других блоках, работающих с ним в одной группе (в двух других фазах) в целях обеспечения дальнейшей работоспособности автоматически включается байпас. При этом Q1, Q2 блокируют выход, управляемый тиристор открывается, и подаётся сигнал о включении байпаса. При включении байпаса силового блока снижается номинальное выходное напряжение ПЧ, т. к. количество силовых блоков на фазу оказывается меньше положенного.
Таким образом, обеспечивается автоматическая работа ПЧ без внешнего вмешательства.

Рисунок 4 – Принципиальная схема силового модуля с IGBT-транзисторами
- Система управления.
Система управления состоит из контроллера PLC и промышленного компьютера. Связь между компонентами системы управления показана на рисунке 5.
Система управления ВПЧА реализована на базе промышленного компьютера с сенсорным экраном.
Окно главного пользовательского интерфейса имеет 13 виртуальных функциональных кнопок и отображает 8 параметров работы ВПЧА:
а) частота настройки;
б) частота выходной мощности;
в) скорость вращения;
г) значения контролируемых параметров (давление, температура, уровень и т. д.);
д) входной ток, выходной ток;
входное напряжение, выходное напряжение.

Рисунок 5
В автоматическом режиме регулирование давления осуществляется контроллером. Контроллер имеет три оптоволоконных концентратора, одну главную панель управления, одну сигнальную панель и два блока питания. Питание подаётся от переменного тока напряжением 220 В и от основного высоковольтного источника для обеспечения работы при неисправностях сети питания напряжением 220 В. Оптоволоконные концентраторы с помощью оптоволоконного кабеля соединяются с силовыми блоками. На группу блоков одной фазы приходится один концентратор. Блоки питания подают напряжение на контроллер и PLC.
Оптоволоконный концентратор посылает по оптоволоконным линиям силовым блокам сигнал о ширине импульса (PWM) или о режиме работы. Получив сигнал, силовой блок сразу подаёт команду и сигнал о требуемом состоянии. Кроме этого, силовые блоки направляют в оптоволоконные концентраторы сигнал с кодом неисправности. Сигнальная панель собирает сигналы о входящем напряжении и токе, а также о напряжении и токе на выходе.
Также она обрабатывает сигнал управления, фильтрует и рассылает его. Разосланный сигнал даёт задание на преобразователь частоты, и происходит подключение преобразователя к одному из насосов. Контроллер управляет всей автоматикой, открывает и закрывает необходимые задвижки.
В ручном режиме станция управляется с поста оператора, куда поступает информация о режиме работы станции, об аварии в системе, о работающих насосах и состоянии задвижек. Ручной режим является аварийным и необходим только для работы, когда невозможен автоматический режим работы системы управления.
- Описание электрической части.
Оборудование работает в соответствии с технологическим режимом предприятия. Одновременно в работе может находиться только один двигатель, питающийся от ВПЧА. Частотным регулированием поддерживается лишь давление на выходе.
Частотные преобразователи включаются в разрыв существующей цепи питания электродвигателей.
Электропитание ВПЧА осуществляется от существующих силовых ячеек, для чего прокладываются новые кабельные трассы от силовых ячеек до ВПЧА и от ВПЧА до электродвигателей подпиточных насосов. ПЧ подключен к электрической сети через автоматический выключатель.
Существующие кабельные проводки от электродвигателей необходимо зарезервировать.
- Устройство ПЧ
Стандартная комплектация включает в себя шкаф трансформатора и шкаф силовых блоков и управления.
В шкаф трансформатора установлен трансформатор, вторичные обмотки которого имеют одинаковую величину фазового сдвига напряжения последующей группы относительно предыдущей группы обмоток.
Каждая группа формирует трёхфазное напряжение питания для одного силового блока. В верхней части установлен вентилятор охлаждения. На двери шкафа установлен датчик температуры сухого трансформатора, который обеспечивает контроль температуры трансформатора, сигнализацию и защиту от перегрева. С внутренней стороны двери установлен концевой выключатель. При открытии двери концевой выключатель срабатывает, включая сигнализацию.
Силовые блоки устанавливаются на специальные полки-направляющие и закрепляются. На задней стенке предусмотрен выход воздуха для охлаждения. Холодный воздух проходит через фильтрующий слой в передней двери и обдувает радиаторы силовых блоков. Охлаждение осуществляется вентилятором в верхней части шкафа. С внешней стороны двери имеется специальный фильтрующий слой, проходя через который воздух фильтруется и попадает внутрь шкафа для охлаждения.
Установленные внутри шкафа силовые блоки имеют одинаковые электрические и механические параметры. На силовые блоки подаётся трёхфазное питание с вторичных обмоток силового трансформатора. Они защищены предохранителями, соединены последовательно, образуя фазные группы.
5 Электрическая часть
5.1 Расчёт расхода электроэнергии на перекачку теплоносителя сетевым насосом
a) Расчёт расхода электроэнергии на перекачку теплоносителя сетевыми насосами действующей бойлерной установки
Сетевые насосы № 8, 9, 21 питаются от двигателей типа ДАМСО-14-8-4, сетевой насос №22 – от двигателя типа DKR-5023-4. Технические характеристики двигателей представлены в таблице 23.
Таблица 23
| Тип двигателя |
Мощность, кВт |
Скорость вращения, об./мин. |
КПД электродвигателя |
| ДАМСО-14-8-4 |
570 |
1484 |
0,83 |
| DKR-5023-4 |
710 |
1494 |
0,83 |
Удельный расход электроэнергии для любого режима работы насоса
,
:
Э
= 0,00272![]()
, (81)
где H – действительный напор, развиваемый насосом при данном режиме работы, м.вод.ст.;
- КПД электродвигателя;
- КПД насоса.
Удельный расход электроэнергии для сетевого насоса типа КРНА-400/700/64М определяется по формуле (81):
Э
= 0,00272![]()

Удельный расход электроэнергии для сетевого насоса типа 10НМКх2 определяется по формуле (81):
Э
= 0,00272![]()

Удельный расход электроэнергии для всех сетевых насосов действующей бойлерной установки
,
:
![]()
б) Расчёт расхода электроэнергии на перекачку теплоносителя сетевыми насосами предлагаемой бойлерной установки.
В качестве электродвигателей сетевых насосов выбираем двигатели типа
А-4-400У-4У3, технические характеристики которых приведены в таблице 24.
Таблица 24
| Тип двигателя |
Мощность, кВт |
Скорость вращения, об./мин. |
КПД электродвигателя |
| А-12-41-4 |
630 |
1480 |
0,85 |
Удельный расход электроэнергии для сетевого насоса СЭ-1250-140-11 определяется по формуле (81):
Э
= 0,00272![]()

Удельный расход электроэнергии для трёх насосов:
![]()
в) Экономия расхода электроэнергии после реконструкции:
![]()
Экономия электроэнергии
, кВтч/год:
, (82)
где
- производительность насоса,
.
![]()
![]()
![]()
![]()
5.2 Расчёт кабельной линии 3 кВ для подключения двигателей сетевых насосов к КРУ-3 кВ
5.2.1 Выбор кабельной линии 3 кВ
Расчётный ток
, А:
, (83)
где
- расчётная активная мощность, кВт;
n = 1- количество кабелей;
3 - коэффициент нагрузки.
А
Сечение кабельной линии
,
:
, (84)
где ![]()
- экономическая плотность тока /8, 266/.

![]()
Выбираем кабель АСБ-6-3х50 – кабель с алюминиевыми жилами, с бумажной пропитанной изоляцией в свинцовой оболочке с бронёй из стальных лент с защитным покровом из кабельной пряжи, пропитанной битумом. Кабель проложен в туннелях. Для данного типа кабеля:
Iдл.доп . = 165 А; /9, 342/
r0 = 0,62 Ом/км;
х0 = 0,083 Ом/км. /8, 576/
а) Проверка выбранного сечения кабеля по условию нагрева в нормальном режиме.
Длительно допустимый ток кабеля с учётом прокладки,
, А:
, (85)
где kп = 1 – поправочный коэффициент на количество кабелей, проложенных в одной траншее;
kt = 1 – поправочный коэффициент на температуру окружающей среды.
А.
Проверка условия:
![]()
165 > 147,86 – условие выполняется.
б) Проверка кабеля по условию нагрева в послеаварийном режиме.
Ток одного кабеля в послеаварийном режиме
, А:
(86)
А
Коэффициент аварийной перегрузки в зависимости от вида прокладки кабеля, коэффициента предварительной нагрузки и длительности максимума
:
(87)
![]()
/9, 51/.
Допустимый ток кабеля в послеаварийном режиме
, А:
(88)
А
Проверка условия:
![]()
214,5 > 292 – условие не выполняется.
Выбираем кабель АСБ - 6 - 3х150.
А /9, 342/.
![]()
Проверка условия:
292,5 > 292 – условие выполняется.
в) Проверка выбранного сечения по допустимой потере напряжения
, %:
(89)
%
Проверка условия:
%
5 % > 0,18 % - условие выполняется.
г) Проверка сечения на термическую стойкость
Схема замещения для расчёта тока короткого замыкания представлена на рисунке 6.
![]()
![]()
Рисунок 6
Электроснабжение ОТЭЦ-1 осуществляется от турбогенераторов типа
ТВФ номинальной мощностью 63 МВт через трёхобмоточные блочные
трансформаторы и затем через трансформаторы собственных нужд типа ТМ. Распределение электроэнергии 3 кВ осуществляется через комплектное распределительное устройство (КРУ).
Базисный ток
, кА:
, (90)
где
МВА - базисная мощность;
кА - базисное напряжение, кВ.
кА
Относительное реактивное сопротивление для генератора
:
, (91)
где
= 0,125 - сверхпереходное реактивное сопротивление по продольной оси полюсов;
- номинальная мощность генератора, МВА;
, (92)
МВА
В работе находятся три генератора общей мощностью
, МВА:
МВА

Реактивное сопротивление токопровода в относительных единицах
:
, (93)
где
Ом/км - удельное реактивное сопротивление токопровода /9, 121/;
l = 110 м – длина токопровода.
![]()
Относительное реактивное сопротивление для трансформатора
.
Блочный трансформатор типа ТДТН-10000/110:

(94)
![]()
(95)
![]()
Относительное реактивное сопротивление для кабельной линии
.
Марка кабеля АСБГ - 3 - 3х150.
, (96)
где
Ом/км - удельное реактивное сопротивление кабельной линии, Ом/км;
l = 0,095 км – длина кабельной линии.
К КРУ подводится 8 кабелей. Эквивалентное сопротивление их мало, им можно пренебречь.
Сопротивление двухобмоточного трансформатора в относительных единицах
.
Трансформатор типа ТМ-10000/35.
, (97)
где
. /10,215/
![]()
Сопротивление кабельной линии, отходящей к двигателю сетевого насоса
:
![]()
Суммарное сопротивление
:
(98)
![]()
Установившееся значение тока короткого замыкания
, кА:
, (99)
где Е = 1,13- ЭДС генератора в относительных единицах /9, 150/.
кА
(100)
где
- ток короткого замыкания, кА;
С = 95
– коэффициент изменения температуры /9, 53/;
=0,57 с – приведённое время КЗ /9, 52/.
Термически стойкое к токам короткого замыкания сечение
,
:
мм2
Окончательно принимаем кабель марки АСБ-6-3х150.
5.2.2.Выбор автоматических выключателей
Для защиты электродвигателей насосов выбираем выключатели вакуумные типа ВБЛ-10-20/630У3 на напряжение 10 кВ. Выключатель изготовлен в климатическом исполнении У категории размещения 3 по ГОСТ 15150.
Технические характеристики выключателя представлены в таблице 25.
Таблица 25
| Наименование параметра |
Нормируемая величина |
| Номинальное напряжение, кВ |
10 |
| Номинальный ток, А |
630 |
| Номинальный ток отключения, кА |
20 |
| Ток электродинамической стойкости, кА |
52 |
| Ток термической стойкости, кА |
20 |
Выключатель выбирается по условиям:
а)
,
где
- номинальное напряжение выключателя, кВ;
- номинальное напряжение двигателя, кВ.
- условие выполняется.
б)
,
где
- номинальный ток выключателя, А.
- условие выполняется.
в)
,
где
кА - номинальный ток отключения /таблица 22/.
Проверка условия:
- условие выполняется.
г) Амплитудное значение ударного тока при включении на короткое замыкание
должно быть равно или меньше наибольшего пика тока включения выключателя
:
,
где
- начальное действующее значение с учётом апериодической составляющей тока включения, кА;
- начальное действующее значение тока короткого замыкания, кА;
, (101)
где
кА - значение периодической составляющей тока короткого замыкания в начальный момент времени, кА;
- ударный коэффициент, зависящий от постоянной времени апериодической составляющей тока короткого замыкания /9, 143/.
кА
Проверка условия:
- условие выполняется.
д) Ток термической стойкости выключателя
в течение времени
термической стойкости
должен удовлетворять неравенству:
,
где
- сила тока термической устойчивости, кА /таблица 22/;
- номинальное расчётное время термической устойчивости, с /таблица 22/.
![]()
- условие выполняется.
6 Расчёт технико-экономических показателей
6.1 Динамика основных технико-экономических показателей деятельности базового проекта за 2004 – 2006 гг.
Таблица 26 – Динамика основных технико-экономических показателей деятельности базового проекта за 2004 – 2006 гг.
| Показатели |
2004 |
2005 |
2006 |
Отклонение, тыс. руб. |
Темп роста, % |
|
| 2006 от 2004 |
2005/2004 |
2006/2004 |
||||
| Выручка от продаж, тыс. руб. |
752055 |
879902 |
1005398 |
253343 |
117 |
133,69 |
| Себестоимость продукции, всего, тыс. руб. |
769951 |
918122 |
1033438 |
263487 |
119,24 |
134,22 |
| Прибыль (убыток) от продаж, тыс. руб. |
-17896 |
-38220 |
-28040 |
-10144 |
213,6 |
156,68 |
| Среднемесячная заработная плата одного работающего, руб. |
10650 |
12086 |
15040 |
4390 |
113,48 |
141,22 |
| Среднесписочная численность, чел. |
570 |
456 |
420 |
-150 |
-20 |
-26,3 |
| Рентабельность, % |
-0,1 |
-4,2 |
-2,7 |
-2,6 |
- |
- |
Вывод: анализ технико-экономических показателей деятельности базового проекта за три года показывает следующее:
- выручка за три года увеличилась на 33,69 %;
- себестоимость увеличилась на 34,22 %;
- заработная плата увеличилась на 41,22 %;
- снизилась численность работающих на 26,3 %.
- вместе с тем предприятие является убыточным, то есть себестоимость превышает выручку от продаж на 56,68 %, а рентабельность составляет -2,6 %.
В связи с этим предлагается повысить рентабельность предприятия за счёт реконструкции бойлерной установки.
6.2 Расчёт суммы капитальных вложений в новый объект
Расчёт количества необходимого оборудования и материалов:
а) основные бойлеры – 8 шт.;
б) пиковые бойлеры – 6 шт.;
в) масса основных бойлеров
, кг:
, (102)
где
- масса одного бойлера, кг;
n – количество бойлеров.
кг – масса основных бойлеров;
кг – масса пиковых бойлеров.
г) насосные агрегаты – 3 шт.
д) трубопроводы: диаметром 219 мм – 101 м; диаметром 530 мм – 36 м (чертёж); диаметром 426 мм – 5 м;
е) задвижки диаметром 219 мм,
, шт.:
шт.
ж) клапаны регулирующие диаметром 200 мм,
, шт.:
шт.
з) теплоизоляционные материалы:
- объём пенополиуретана,
,
:
, (103)
где ![]()
- площадь поверхности основного бойлера;
м - толщина теплоизоляционного слоя для основного бойлера.
![]()
![]()
Принимаем объём теплоизоляционного слоя 5
.
- объём теплоизоляции из минераловатных матов,
,
:
![]()
(104)
где
м - длина трубопровода подвода диаметром 500 мм;
м - длина трубопровода отвода диаметром 500 мм;
- толщина изоляции трубопроводов диаметром 500 мм;
м - длина трубопровода подвода диаметром 200 мм;
м - длина трубопровода отвода диаметром 200 мм;
- толщина изоляции трубопроводов диаметром 200 мм;
![]()
- площадь поверхности пикового бойлера;
м - толщина изоляции из минераловатных матов для пиковых бойлеров.

Принимаем 11
.
- объём теплоизоляции из пенополиуретана (сегментами) для пиковых бойлеров,
,
:
, (105)
где
м - толщина теплоизоляционного слоя для пиковых бойлеров.
![]()
![]()
Смета затрат на реконструкцию бойлерных установок представлена в таблице27.
Таблица 27 – Смета затрат на реконструкцию бойлерной установки турбоагрегата №9
| Обоснование |
Наименование |
Единица измерения |
Количество |
Стоимость единицы |
Общая стоимость |
|||||
| 1 |
2 |
3 |
4 |
5 |
6 |
|||||
| Раздел 1. Замена основного оборудования |
||||||||||
| счёт завода |
Основной бойлер |
шт. |
8 |
1911000 |
15288000 |
|||||
| ТЕРм06-05-001-14 |
Подогреватель, поставляемый в собранном виде, горизонтальный |
т |
10,6 |
12300,41 |
130384,35 |
|||||
| счёт завода |
Пиковый бойлер |
шт. |
6 |
906500 |
5439000 |
|||||
| ТЕРм06-05-001-14 |
Подогреватель, поставляемый в собранном виде, горизонтальный |
т |
7,98 |
12300,41 |
73802,46 |
|||||
| счёт завода |
Насосы СЭ-1250-140-11 с электродвигателем |
шт. |
3 |
1400540 |
4201620 |
|||||
| ТЕРм07-04-002-04 |
Насосы поршневые паровые горизонтальные массой до 4,5 т |
шт. |
3 |
15713,48 |
47140,44 |
|||||
| СЦМ-102-0191 |
Трубопроводы стальные электросварные наружным диаметром 219 мм с толщиной стенки 7 мм |
м |
101 |
1039,86 |
105025,85 |
|||||
| ТЕРм 12-01-002-13 |
Трубопроводы в пределах цехов на условное давление не более 2,5 МПа. Диаметр трубопровода наружный - 219 мм |
100 м трубопровода |
1,01 |
20567,88 |
20773,56 |
|||||
| 1 |
2 |
3 |
4 |
5 |
6 |
|||||
| СЦМ-103-0230 |
Трубопроводы стальные электросварные наружным диаметром 530 мм с толщиной стенки 10 мм |
м |
39,5 |
3845,02 |
138420,72 |
|||||
| ТЕРм 12-01-002-18 |
Трубопроводы в пределах цехов на условное давление не более 2,5 МПа. Диаметр трубопровода наружный - 530 мм |
100 м трубопровода |
0,36 |
31191,54 |
11228,95 |
|||||
| СЦМ-102-0193 |
Трубопроводы стальные электросварные наружным диаметром 426 мм с толщиной стенки 10 мм |
м |
5 |
2450,36 |
12251,8 |
|||||
| ТЕРм 12-01-002-14 |
Трубопроводы в пределах цехов на условное давление не более 2,5 МПа. Диаметр трубопровода наружный - 426 мм |
100 м трубопровода |
0,05 |
25879,71 |
1294 |
|||||
| счёт завода |
Задвижка Ду 200 мм стальная с электроприводом |
шт. |
56 |
18001,04 |
1008058,24 |
|||||
| ТЕРм 12-13-007-02 |
Арматура трубопроводов на условное давление 10 МПа. Диаметр условного прохода 200 мм |
шт. |
56 |
11760,5 |
658588 |
|||||
| 1 |
2 |
3 |
4 |
5 |
6 |
|||||
| счёт завода |
Клапан регулирующий Ду 200 мм |
шт. |
14 |
17560 |
245840 |
|||||
| ТЕРм 12-13-07-02 |
Арматура трубопроводов на условное давление 10 МПа. Диаметр условного прохода 200 мм |
шт. |
14 |
11760,5 |
164647 |
|||||
| СЦМ-201-9002 |
Конструкции стальные |
т |
3,8 |
42381 |
161047,8 |
|||||
| ТЕР 09-06-001-03 |
Монтаж конструкций, закрепляемых на фундаментах внутри зданий |
1 т конструкции |
3,8 |
4693,33 |
17834,65 |
|||||
| Итого прямые затраты по разделу 1: 27724957,82 тыс. руб. |
||||||||||
| Раздел 2. Теплоизоляционные работы |
||||||||||
| счёт завода |
Пенополиуретан |
м3 |
5 |
3224 |
16120 |
|||||
| ТЕР 26-01-022-01 |
Изоляция плоских и криволинейных поверхностей из пенополиуретана |
1 м3 изоляции |
5 |
15666,52 |
78332,6 |
|||||
| оптовая цена |
Маты минераловатные |
м3 |
11 |
2976 |
32736 |
|||||
| ТЕР 26-01-022-01 |
Изоляция поверхностей трубопроводов и оборудования штучными изделиями из пенополиуретана |
1 м3 изоляции |
5 |
11599,26 |
57996,3 |
|||||
| 1 |
2 |
3 |
4 |
5 |
6 |
|||||
| ТЕР 26-01-022-01 |
Изоляция поверхностей изделиями из пенополиуретана (полуцилиндрами) |
1 м3 изоляции |
1 |
2347,24 |
2347,24 |
|||||
| ТЕР 26-01-014-01 |
Изоляция арматуры и фланцевых соединений: полуфутлярами из матрацев минераловатных и листов алюминиевых сплавов |
10 штук арматуры и фланцевых соединений |
7 |
76668,37 |
536678,59 |
|||||
| Итого прямые затраты по разделу 2: |
724210,73 |
|||||||||
| Итоги по смете: |
||||||||||
| Непредвиденные затраты – 3 % |
854994,57 |
|||||||||
| Всего по смете: |
29302643,61 |
|||||||||
6.3 Расчёт изменения себестоимости тепловой энергии
Себестоимость энергии определяется по следующим статьям затрат:
- топливо на технологические цели;
- вода на технологические цели;
- основная оплата труда производственных рабочих;
- отчисления на социальные нужды производственных рабочих;
- расходы по содержанию и эксплуатации оборудования;
- расходы по подготовке и освоению производства;
- цеховые расходы;
- общезаводские расходы.
Себестоимость тепловой энергии проектного варианта отличается от себестоимости тепловой энергии базового варианта только на величину снижения стоимости топлива.
Стоимость топлива
, тыс. руб.:
, (106)
где i – вид топлива;
- расход топлива за год, т/год;
тыс. руб/т - цена топлива.
а) Для базового варианта расход топлива (природного газа) для производства тепловой энергии составляет 245043т
тыс. руб.
б) Для проектного варианта расход топлива снижается на величину
т/год, и стоимость топлива
, тыс. руб., определяется по формуле (106):
(107)
тыс. руб.
Себестоимость вырабатываемой энергии для проектного варианта
, тыс. руб.:
,
где С = 1033438 тыс. руб.– себестоимость всей вырабатываемой энергии, тыс. руб.;
- стоимость топлива для базового варианта, тыс. руб.;
- стоимость топлива для проектного варианта, тыс. руб.
тыс. руб.
Себестоимость снизилась на 13125,98 тыс. руб./год
6.4 Расчёт прироста прибыли за счёт реконструкции
Расчёт экономии затрат на топливо
, т/год:
, (108)
где
т/год - экономия топлива, т/год;
тыс. руб./т - цена топлива, тыс. руб./т.
руб./год
Расчёт экономии затрат на электроэнергию на перекачку теплоносителя
, руб./год
![]()
, (109)
где
кВтч/год - экономия электроэнергии насосными агрегатами, кВтч/год;
руб./кВтч - себестоимость электрической энергии ОТЭЦ – 1.
тыс. руб./год
Техническое обслуживание действующих бойлеров заключается в ежегодной очистке трубок. Ремонту они подвергаются один раз в шесть лет.
Для пластинчатых бойлеров не требуется ежегодно проводить очистку поверхностей, т. к. отложения не накапливаются.
Таким образом, не требуется затрат на очистку бойлеров. Ремонт первые шесть лет не требуется.
Прирост прибыли
, руб./год:
(110)
тыс. руб./год
6.5 Экономический эффект проекта
Экономический эффект проекта Э, 1/год:
, (111)
где
- прирост прибыли, руб./год
тыс. руб.- капитальные затраты на реконструкцию, тыс. руб. /таблица 24/.
Значит, с каждого затраченного рубля на капитальные затраты предприятие ежегодно будет получать прибыль 66 копеек.
Срок окупаемости проекта Т, год:
(112)
года
месяцев
6.6 Динамика основных технико-экономических показателей деятельности проекта после реконструкции
Таблица 28 - Динамика основных технико-экономических показателей деятельности проекта после реконструкции на 2006 – 2007 гг.
| № п/п |
Показатели |
2006 |
2007 |
Отклонение, тыс. руб. |
Темп роста, % |
| 2007 от 2006 |
2007/2006 |
||||
| 1 |
Выручка от продаж, тыс. руб. |
1005398 |
1011503 |
6105 |
100,6 |
| 2 |
Себестоимость продукции, всего, тыс. руб. |
1033438 |
1020312,02 |
-29676,65 |
-1,3 |
| 3 |
Прибыль (убыток) от продаж, тыс. руб. |
-28040 |
-8809 |
19230,98 |
69 |
| 4 |
Рентабельность, % |
-2,78 |
-0,86 |
1,84 |
- |
Безопасность жизнедеятельности и охрана труда.
7.1 Опасные и вредные факторы
Опасными и вредными факторами, сопровождающими работу бойлерной установки, являются: высокий уровень шума, недостаточная освещённость рабочей зоны, работа оборудования под давлением, дополнительные тепловые выделения с поверхности изоляции оборудования.
7.1.1 Шум
При работе оборудования возникает шумовой фон.
Шум отрицательно влияет на организм человека, и в первую очередь на его центральную нервную и сердечно-сосудистую системы.
Производственный шум нарушает информационные связи, что вызывает снижение эффективности и безопасности деятельности человека, так как высокий уровень шума мешает услышать предупреждающий сигнал опасности. Кроме того, шум вызывает обычную усталость. При действии его снижаются способность сосредоточения внимания, точность выполнения работ, связанных с приёмом и анализом состояния, и производительность труда.
По частоте шумы подразделяются на низкочастотные (максимум звукового давления в диапазоне частот ниже 400 Гц), среднечастотные (400...1000 Гц) и высокочастотные (свыше 1000 Гц)
Органы слуха человека воспринимают звуковые волны с частотой 16...20000 Гц. Колебания с частотой ниже 20 Гц (инфразвук) и выше 20000 Гц (ультразвук) не вызывают слуховых ощущений, но оказывают биологическое воздействие на организм.
По временным характеристикам шум подразделяется на постоянный и непостоянный.
ГОСТ 12.1.003-83 устанавливает предельно допустимые условия постоянного шума на рабочих местах, при которых шум, действуя на работающего в течение восьмичасового рабочего дня, не приносит вреда здоровью.
Шум, отрицательно воздействуя на слух человека, может вызвать повреждение органов слуха или мгновенную глухоту. Уровень звука в 130 дБ вызывает болевое ощущение, а в 150 дБ приводит к поражению слуха при любой частоте.
Пределы действия шума (ПДУ) на человека гарантируют, что остаточное поражение слуха после 50 лет работы у 90 % работающих будет менее 20 дБ, т.е. ниже того предела, когда это начинает мешать человеку в повседневной жизни. Предельные уровни шума при воздействии в течение 20 мин. приведены в таблице 29.
Для снижения шума в производственных помещениях применяют различные методы: уменьшение уровня шума в источнике его возникновения, звукопоглощение и звукоизоляция; установка глушителей шума; рациональное размещение оборудования; применение средств индивидуальной защиты.
Таблица 29
| Частота, Гц |
1 - 7 |
8 - 11 |
12 - 20 |
20 - 100 |
| Предельные уровни шума, дБ |
150 |
145 |
140 |
135 |
7.1.2 Освещение цеха
Плохое освещение является фактором, который оказывает отрицательное психологическое воздействие на работающих, снижает работоспособность и качество работ, ведёт к увеличению травматизма.
Рабочее освещение предназначено для обеспечения нормального выполнения производственного процесса, прохода людей и является обязательным для всех производственных помещений.
При освещении производственного помещения используется естественное освещение, создаваемое рассеянным светом небосвода и меняющееся в зависимости от времени года, суток, метеорологических условий; искусственное освещение, создаваемое электрическими источниками света.
В цехе используется комбинированное естественное освещение – сочетание верхнего (через зенитные фонари) и бокового (через световые проёмы в наружных стенах) освещения.
По конструктивному исполнению искусственное освещение является общим; оно применяется в помещении, где по всей площади выполняются однотипные работы.
Естественное и искусственное освещение в помещениях регламентируются нормами СНиП 23–05–95 в зависимости от характера зрительных работ, системы и вида освещения, фона, контраста объекта с фоном.
К мероприятиям по предупреждению снижения освещённости относятся: содержание светильников в чистоте и исправности; оперативная замена вышедших из строя ламп; чистка стёкол световых проёмов, которая производится не менее двух раз в год.
Искусственное освещение цеха делится на рабочее – для освещения технологического процесса; аварийное – для продолжения работы при отключении рабочего (имеет свой источник питания и включается автоматически); эвакуационное – для эвакуации людей при отключении аварийного.
7.1.3 Безопасность при работе с сосудами, работающими под давлением
Бойлеры являются установками, работающими под давлением. Безопасная работа с этими установками устанавливается Правилами устройства и безопасной эксплуатации сосудов, работающих под давлением ПБ 03-576-03.
В Правилах представлены требования к проектированию, устройству, изготовлению, реконструкции, наладке, монтажу, ремонту, техническому диагностированию и эксплуатации сосудов, работающих под давлением.
Проекты сосудов и их элементов, а также элементы их реконструкции или монтажа должны выполняться специализированными организациями. Проекты и технические условия на изготовление сосудов должны согласовываться и утверждаться в установленном порядке.
- Конструкция сосудов.
Конструкция сосудов должна обеспечивать надёжность и безопасность эксплуатации в течение расчётного срока службы и предусматривать возможность проведения технического освидетельствования, очистки, промывки, полного опорожнения, продувки, ремонта, эксплуатационного контроля металла и соединений.
Конструкции внутренних устройств должны обеспечивать удаление из сосуда воздуха при гидравлическом испытании и воды после гидравлического испытания.
На каждом сосуде должны быть предусмотрены вентиль, кран или другое устройств, позволяющее осуществлять контроль за отсутствием давления в сосуде перед его открыванием.
Расчёт на прочность сосудов и их элементов должен производиться по нормативным документам, согласованным с Госгортехнадзором России. При отсутствии нормативного метода расчёт на прочность должен выполняться по методике, согласованной со специализированной научно-исследовательской организацией.
Заземление и электрическое оборудование сосудов должны соответствовать правилам технической эксплуатации электроустановок потребителей и правилам техники безопасности при эксплуатации электроустановок потребителей в установленном порядке.
- Материалы.
Материалы, применяемые для изготовления сосудов, должны
обеспечивать их надёжную работу в течение расчётного срока службы с учётом заданных условий эксплуатации (расчётное давление, минимальная и максимальная расчётные температуры), состава и характера среды (коррозионная активность, взрывоопасность, токсичность и др.) и влияния температуры окружающего воздуха.
Качество и свойства материалов должны удовлетворять требованиям соответствующих стандартов и технических условий и подтверждаться сертификатами поставщиков.
- Гидравлическое испытание.
Гидравлическому испытанию подлежат все сосуды после их изготовления. Сосуды, имеющие наружный кожух, подвергаются гидравлическому испытанию до установки кожуха.
В комбинированных сосудах с двумя и более рабочими полостями, рассчитанными на разные давления, гидравлическому испытанию должна подвергаться каждая полость.
Для гидравлического испытания сосудов должна применяться вода температурой не ниже 5 ˚С и не выше 40 ˚С, если в технических условиях не указано конкретное значение температуры. Сосуд считается выдержавшим
Гидравлическое испытание, если не обнаружено течи, трещин в сварных соединениях и на основном металле; течи в разъёмных соединениях; видимых остаточных деформаций, падения давления по манометру.
Документация.
Каждый сосуд должен поставляться изготовителем заказчику с паспортом установленной формы. К паспорту прикладывается руководство по эксплуатации.
На каждом сосуде должна быть прикреплена табличка. На ней должны быть нанесены:
1) товарный знак или наименование изготовителя;
2) наименование или обозначение сосуда;
3) порядковый номер сосуда по системе нумерации изготовителя;
4) год изготовления;
5) рабочее давление, МПа;
6) расчётное давление, МПа;
7) пробное давление, МПа;
8) допустимая максимальная температура стенки,˚С;
9) масса сосуда, кг.
Для сосудов с самостоятельными полостями, имеющими разные расчётные и пробные давления, температуру стенок, следует указывать эти данные для каждой полости.
- Арматура, контрольно-измерительные приборы, предохранительные устройства.
Для управления работой и обеспечения безопасных условий эксплуатации сосуды в зависимости от назначения должны быть оснащены: запорной или запорно-регулирующей арматурой; приборами для измерения давления; приборами для измерения температуры; предохранительными устройствами; указателями уровня жидкости.
Запорная и запорно-регулирующая арматура должна устанавливаться на штуцерах, непосредственно присоединённых к сосуду, или на трубопроводах, подводящих к сосуду и отводящих от него среду. Количество, тип арматуры, и места установки должны выбираться разработчиком проекта сосуда исходя из конкретных условий эксплуатации и требований Правил.
Каждый сосуд и самостоятельные полости с разными давлениями должны быть снабжены манометрами прямого действия. Манометр устанавливается на штуцере сосуда или трубопроводе между сосудом и запорной арматурой. Манометр должен выбираться с такой шкалой, чтобы предел измерения рабочего давления находился во второй трети шкалы. Манометр должен быть установлен так, чтобы его показания были отчётливо видны обслуживающему персоналу. Установка манометра на высоте более 3 м от уровня площадки не разрешается.
Каждый сосуд должен быть снабжён предохранительными устройствами от повышения давления выше допустимого значения. В качестве предохранительных устройств применяются: пружинные предохранительные клапаны; рычажно-грузовые предохранительные клапаны; импульсные предохранительные устройства; предохранительные устройства с разрушающимися мембранами.
Предохранительные устройства должны устанавливаться на патрубках или трубопроводах, непосредственно присоединённых к сосуду. Предохранительные устройства должны быть размещены в местах, доступных для их обслуживания. Установка запорной арматуры между сосудом и предохранительным устройством, а также за ним, не допускается.
- Установка, регистрация, техническое освидетельствование сосудов, разрешение на эксплуатацию.
Сосуды должны устанавливаться на открытых площадках в местах, исключающих скопление людей, или в отдельно стоящих зданиях.
Установка сосудов должна обеспечить возможность осмотра, ремонта и очистки их с внутренней и наружной сторон. Для удобства обслуживания сосудов должны быть устроены площадки и лестницы.
Сосуды до пуска их в работу должны быть зарегистрированы в органах Госгортехнадзора России.
Сосуды должны подвергаться техническому освидетельствованию после монтажа, до пуска в работу, периодически в процессе эксплуатации и в необходимых случаях – внеочередному освидетельствованию. Объём, методы и периодичность технических освидетельствований сосудов должны быть определены изготовителем и указаны в руководстве по эксплуатации. Первичное, периодическое и внеочередное техническое освидетельствование сосудов проводится специалистом организации, имеющей лицензию Госгортехнадзора России на проведение экспертизы промышленной безопасности технических устройств. Результаты технического освидетельствования должны записываться в паспорте сосуда лицом, производившим освидетельствование, с указанием разрешённых параметров эксплуатации сосуда и сроков следующих освидетельствований.
Разрешение на ввод в эксплуатацию сосуда выдаётся инспектором после его регистрации на основании технического освидетельствования и проверки организации обслуживания и надзора, при которой контролируется: наличие и исправность в соответствии с требованиями настоящих Правил арматуры, контрольно-измерительных приборов и приборов безопасности; соответствие установки сосуда правилам безопасности; правильность включения сосуда; наличие аттестованного обслуживающего персонала и специалистов; наличие должностных инструкций для лиц, ответственных за осуществление производственного контроля за соблюдением требований промышленной безопасности при эксплуатации сосудов, работающих под давлением, ответственных за исправное состояние и безопасную эксплуатацию сосудов; инструкции по режиму работы и безопасному обслуживанию, сменных журналов и другой документации, предусмотренной Правилами.
Разрешение на ввод в эксплуатацию записывается в его паспорте.
- Надзор и содержание, обслуживание и ремонт.
Владелец обязан обеспечить содержание сосудов в исправном состоянии и безопасные условия их работы. В этих целях необходимо: назначить приказом из числа специалистов, прошедших в установленном порядке проверку знаний Правил, ответственного за исправное состояние и безопасное действие сосудов;
назначить необходимое количество лиц обслуживающего персонала, обученного и имеющего удостоверения на право обслуживания сосудов, а также установить такой порядок, чтобы персонал вёл тщательное наблюдение за порученным ему оборудованием путём его осмотра, проверки действия арматуры, контрольно-измерительных приборов, предохранительных и блокировочных устройств и поддержания сосудов в исправном состоянии; обеспечить проведение технических освидетельствований, диагностики сосудов в установленные сроки; организовать периодическую проверку знаний персоналом инструкций по режиму работы и безопасному обслуживанию сосудов; обеспечить специалистов Правилами и руководящими указаниями по безопасной эксплуатации сосудов, а персонал – инструкциями.
При работе сосудов возникают следующие аварийные ситуации, при которых необходимо немедленно его отключить: если давление в сосуде поднялось выше разрешённого и не снижается, несмотря на меры, принятые персоналом; при выявлении неисправности предохранительных устройств от превышения давления; при обнаружении в сосуде и его элементах, работающих под давлением, неплотностей, выпучин, разрыва прокладок; при неисправности манометра и невозможности определить давление по другим приборам; при выходе из строя всех указателей уровня жидкости; при неисправности предохранительных блокировочных устройств; при возникновении пожара, непосредственно угрожающего сосуду, находящемуся под давлением.
Порядок аварийной остановки и последующего ввода его в работу должен быть указан в инструкции. Причины аварийной остановки сосуда должны записываться в сменный журнал.
- Ремонт.
Для поддержания сосуда в исправном состоянии владелец сосуда обязан своевременно проводить в соответствии с графиком его ремонт. Ремонт сосудов и их элементов, находящихся под давлением, не допускается. До начала производства работ внутри сосуда, соединённого с другими сосудами общим трубопроводом, сосуд должен быть отделён от них заглушками или отсоединён. Применяемые для отключения сосуда заглушки, устанавливаемые между фланцами, должны быть соответствующей прочности и иметь выступающую часть, по которой определяется наличие заглушки. При работе внутри сосуда должны применяться безопасные светильники на напряжение не выше 12 В. Работы внутри сосуда должны выполняться по наряду-допуску.
7.2 Электробезопасность
Опасным поражающим фактором при работе с электрическим оборудованием является электрический ток.
Поражение током может произойти при прикосновении к нетоковедущим металлическим частям оборудования по причине пробоя изоляции и неисправном защитном заземлении.
Действие электрического тока на живую ткань носит разносторонний и свободный характер. Проходя через организм человека, электроток производит термическое, электролитическое, механическое и биологическое действия.
Электротравмы условно разделяют на общие и местные. К общим относят электрический удар, при котором процесс возбуждения различных групп мышц может привести к судорогам, остановке дыхания и прекращению сердечной деятельности. К местным травмам относят ожоги, металлизацию кожи, механические повреждения.
При гигиеническом нормировании ГОСТ 12.1.038 – 82 устанавливает предельно допустимые напряжения прикосновения и токи, протекающие через тело (рука – рука, рука – нога) при нормальном (неаварийном) режиме работы электроустановок производственного и бытового назначения постоянного и переменного тока частотой 50 и 400 Гц.
Условно безопасными напряжениями являются 42 В переменного тока и 110 В постоянного. Смертельно опасным является ток более 100 мА, который вызывает паралич органов дыхания и фибрилляцию сердца и называется пороговым фибрилляционным.
В таблице 30 даны значения токов по последствиям физиологического воздействия на организм человека.
Таблица 30
| Род тока |
Ощутимый ток, мА |
Неотпускающий ток, мА |
Фибрилляционный ток, мА |
| Переменный (50 Гц) |
0,6 – 1,5 |
10 – 15 |
100 |
| Постоянный |
6 – 7 |
50 – 70 |
– |
Весь персонал, допущенный к эксплуатации электрооборудования, в соответствии с занимаемой должностью и применительно к выполняемым работам аттестуется присвоением соответствующей квалификационной группы по электробезопасности.
Машинист бойлерной установки должен закончить обучение и пройти проверку знаний в комиссии по правилам электробезопасности с присвоением ему второй квалификационной группы.
7.3 Пожарная безопасность
Пожарная безопасность предусматривает такое состояние объекта, при котором исключалась бы возможность возникновения пожара, а в случае его возникновения предотвращалось бы воздействие на людей опасных факторов
пожара и обеспечивалась защита материальных ценностей.
В соответствии с действующим законодательством ответственность за противопожарное состояние энергетических предприятий возлагается на руководителей этих предприятий и организаций.
Ответственность за пожарную безопасность отдельных цехов, лабораторий, мастерских, складов и других производственных и вспомогательных сооружений предприятий возлагается на руководителей этих структурных подразделений. Они обязаны: обеспечить на вверенных им участках производства соблюдение противопожарного режима и выполнение в установленные сроки мероприятий, повышающих пожарную безопасность; обеспечить исправность технологического оборудования и немедленно принимать меры к устранению обнаруженных неисправностей, которые могут привести к пожару; организовать пожарно-техническую подготовку подчинённого персонала; установить порядок и ответственность за содержание в исправном состоянии и постоянной готовности к действию имеющиеся на участке средства обнаружения и тушения пожара; при возникновении пожара, аварии или других опасных факторов, угрожающих персоналу и нарушающих режим работы оборудования, принять меры к немедленному вызову пожарных подразделений, известить руководство предприятия, обесточить электрооборудование, находящееся в зоне пожара, выдать письменный допуск для тушения пожара, организовать его тушение и эвакуацию персонала (при необходимости), а также восстановление нормального режима работы оборудования.
На предприятии существует Главное управление пожарной охраны. В обязанности его входит систематический контроль за выполнением противопожарных мероприятий на производствах и промышленных объектах, проверка боеспособности пожарных организаций и исправности средств пожаротушения и другие профилактические меры.
На предприятии организованы также ведомственные пожарные части и пожарно-сторожевые подразделения.
Пожар на производстве возникает вследствие причин электрического и неэлектрического характера. Важным фактором пожарной опасности являются работы с открытым огнём, пламенем при газовой сварке и резке металлов при проведении ремонтных и наладочных работ.
Пожарная техника, предназначенная для защиты предприятия, классифицируется на следующие группы:
а) пожарные машины;
б) установки пожаротушения;
в) средства пожарной и охранной сигнализации;
г) огнетушители;
д) пожарное оборудование;
е) ручной инструмент, инвентарь;
ж) пожарные спасательные устройства.
Одним из важных противопожарных мероприятий на производстве является организация мест курения, оборудованных и обеспеченных средствами пожаротушения.
Для тушения пожара в цехе применяются порошковые огнетушители ОПС – 10. Также в цехе имеются стандартные противопожарные щиты. Для тушения пожара в цехе и за его пределами используются гидранты высокого давления.
Для эвакуации людей из производственного помещения служат эвакуационные выходы.К одному из основных устройств пожаротушения относится противопожарное водоснабжение, включающее в себя: водоисточники, насосные станции, сеть трубопроводов по территории с установкой гидрантов (наружный
противопожарный водопровод), а также сеть трубопроводов в зданиях и сооружениях с пожарными кранами (внутренний противопожарный водопровод).
7.4 Инструкции по охране труда для персонала, обслуживающего бойлерную установку
7.4.1 Общие требования безопасности
- К работе в должности машиниста тепловых бойлерных установок допускаются рабочие в возрасте не моложе 18 лет, прошедшие медицинскую комиссию и инструктаж по технике безопасности.
- До назначения на самостоятельную работу машинист должен закончить обучение и пройти проверку знаний в комиссии по правилам электробезопасности с присвоением ему второй квалификационной группы.
- Машинист допускается к самостоятельной работе письменным распоряжением начальника участка.
- Периодическую проверку знаний машинист проходит в комиссии предприятия один раз в 12 месяцев.
7.4.2 Права и обязанности оператора бойлерной установки
В период своего дежурства оператор имеет право требовать от руководства участка:
- обеспечения бойлерной контрольно-измерительными приборами, инструментом, приспособлениями, инвентарем, оперативными журналами и другими средствами, необходимыми для нормальной и безопасной работы;
- требовать от руководства участка своевременного устранения дефектов оборудования, возникающих в процессе работы;
- производить останов оборудования (бойлеров, насосов) в зависимости от обстановки, для обеспечения нормального снабжения потребителей горячей водой;
- ставить в известность руководство предприятия обо всех нарушениях нормальной работы установки в любое время суток;
- иметь в наличии и применять спецодежду и защитные средства в
соответствии с существующими нормами.
- Оператор бойлерной в период своего дежурства обязан:
- бесперебойно обеспечивать потребителей горячей водой с температурой 50-55о С при минимальном расходе перегретой воды;
- путем систематического осмотра оборудования и анализа параметров воды обеспечивать безаварийную его работу;
- при обнаружении дефектов в работе оборудования остановить его и
- включить в работу резервное оборудование; при отсутствии резерва оборудование остановить и организовать его ремонт;
- вести контроль за температурой воды, идущей от бойлеров;
- вести оперативный (сменный) журнал, в котором с указанием
- времени записывать выполнение операций по пуску и останову оборудования, по переключениям в схемах, характеру аварийных ситуаций, основные параметры работы бойлерной в течение смены; в оперативный журнал необходимо записывать также содержание устных распоряжений руководства предприятия;
- являться на смену заблаговременно и путем осмотра ознакамливаться с состоянием оборудования бойлерной установки по контрольно-измерительным приборам, а также по записям в оперативном журнале;
- проверять наличие и исправность контрольно-измерительных приборов, инструмента, инвентаря, схем, инструкций, средств пожаротушения;
- перед сдачей смены подготовить бойлерную к работе без нарушений режима и правил безопасности, обеспечить чистоту и порядок на рабочем месте, сообщить принимающему смену оператору информацию о работе установок.
7.4.3 Требования безопасности в аварийных ситуациях
- При разрыве трубопровода перегретой воды в пределах бойлерной, появлении свищей, нарушении плотности соединений, сопровождающимися
- сильной течью горячей воды, оператор обязан срочно отключить поврежденный участок теплосети и поставить в известность руководство и по возможности принять меры, предотвращающие попадание воды на электрооборудование.
- При появлении дыма или огня из электродвигателя, электродвигатель немедленно отключить, приступить к ликвидации загорания, применяя углекислотный огнетушитель или песок.
- случае возникновения загорания в помещении бойлерной принять меры по его ликвидации первичными средствами пожаротушения, вызвать пожарную охрану, поставить в известность руководство.
- При ожогах необходимо освободить пораженное место от одежды, обуви, перевязать обожжённую поверхность стерильным бинтом и обратиться в лечебное учреждение. Необходимо поставить в известность мастера.
- При тяжелых механических травмах пострадавшего положить в безопасное место, придать ему удобное и спокойное положение и вызвать скорую медицинскую помощь (поставить в известность руководителя работ).
- При поражении электрическим током в первую очередь освободить пострадавшего от действия электрического тока, а именно, отключить оборудование от сети, отделить пострадавшего от токоведущих частей изолирующими приспособлениями (доски, сухая одежда, резиновые перчатки,
- резиновые коврики). Если пострадавший потерял сознание, но дышит, его необходимо уложить в удобную позу, расстегнуть ворот. Если дыхание отсутствует, пульс не прощупывается, пострадавшему нужно немедленно начать делать искусственное дыхание до прибытия врача.
Заключение
В дипломном проекте предложена реконструкция бойлерной установки турбоагрегата № 9 ОТЭЦ-1. Реконструкция заключается в замене кожухотрубчатых бойлеров на пластинчатые.
В пояснительной записке произведён конструкторский расчёт, по результатам которого выбраны пластинчатые бойлеры фирмы APV. Выбрано восемь основных и шесть пиковых бойлеров. За счёт больших коэффициентов теплопередачи проектируемая установка потребляет меньше пара на 26,3 т/ч в отопительный период и на 11 т/ч в неотопительный период.
Также в пояснительной записке рассчитана толщина тепловой изоляции пластинчатых бойлеров. Для них применена современная эффективная изоляция из пенополиуретана. Толщина теплоизоляционного слоя уменьшается у основных бойлеров в 3,4 раза, у пиковых – в 2 раза.
Гидравлический расчёт бойлеров и трубопроводов бойлеров показал, что нет необходимости увеличивать напор сетевых насосов.
Для проектируемой установки применены сетевые насосы марки СЭ общей производительностью 3750
, выбраны двигатели для привода насосов и рассчитаны кабели для их питания. Двигатели насосов потребляют меньше электроэнергии на 10183500 кВтч/год.
В дипломном проекте предложен ещё один способ экономии электроэнергии – применение частотного привода на насосах подпитки теплосети. Частотные преобразователи, кроме того, повышают надёжность работы электродвигателей насосов и увеличивают их рабочий ресурс.
В технико-экономическом обосновании проекта представлена экономия тепловой и электрической энергии в стоимостном выражении, рассчитаны капитальные затраты при реконструкции и снижение себестоимости тепловой энергии. Экономический эффект проекта составляет 66 %, а срок его окупаемости – 18 месяцев. После реконструкции предприятие получает 19230,98 тыс. руб. в год чистой прибыли.
Список использованных источников
1. Соколов, Е. Я. Теплофикация и тепловые сети : Учебник / Е. Я. Соколов. – М. : Издательство МЭИ, 2001. – 472 с. – ISBN 5 – 7046 – 0703 – 9.
2. Лариков, Н. Н. Общая теплотехника: учебник / Н. Н. Лариков, А. М. Литвин. – М. : Стройиздат, 1966. – 446 с.
3. Манюк, В. И. Наладка и эксплуатация водяных тепловых сетей : справочник / В. И. Манюк, Я. И. Каплинский, Э. Б. Хиж, А. И. Манюк, В. К. Ильин. – М. : Стройиздат, 1988. – 432 с. – ISBN 5 – 274 – 00048 – 7.
4. СНиП 2.04.07-86. Тепловые сети. Введ. с 01.01.2001. – М. : Госстрой России, 2001. – 58 с.
5. Назмеев, Ю. Г. Теплообменные аппараты ТЭС : Учебник / Ю. Г. Назмеев, В. М. Лавыгин. – М. : Издательство МЭИ, 2002. – 260 с. - ISBN 5 – 7046 – 0888 – 4.
6. СНиП 41-03-2003 Тепловая изоляция оборудования и трубопроводов. Введ. с 01.11.2003. – М. : Госстрой России, 2003. – 28 с.
7. ТСН 23-337-2002. Тепловая изоляция трубопроводов и оборудования. Введ. с 14.08.2002. – М. : Госстрой России, 2001. – 68 с.
8. Идельчик, В.И. Электрические системы и сети : Учебник / В.И. Идельчик. – М. : Энергоатомиздат, 1989. – 592 с. - ISBN 5 – 283 – 01012 – 0.
9. Фёдоров, А. А. Учебное пособие для курсового и дипломного проектирования по электроснабжению промышленных предприятий : Учебное пособие / А.А. Фёдоров, Л.Е. Старкова. – М. : Энергоатомиздат, 1987. – 368 с.
10. Орлов И. Н. Электротехнический справочник : Справочник / Орлов И. Н., под общей редакцией профессоров МЭИ. – М. : Энергоатомиздат, 1986. – 712 с.
11. Белов, М.П. Автоматизированный электропривод типовых производственных комплексов : Учебник / М.П. Белов, В.А. Новиков, Л.Н. Рассудов. – М : Издательский центр «Академия», 2004. – 576 с. – ISBN 5 – 7695 – 1314 – 4.
12. Булатов, А. С. Экономика: учебник / под ред. д-ра наук, проф. А.С. Булатова. – М. : Экономистъ, 2006. – 831 с. – ISBN 5 – 98118 – 124 - 9.
13. Лапин, В. Л. Безопасность технологических процессов и производств. Охрана труда : Учебник / П. П. Кукин, В. Л. Лапин, Н. Л. Пономарёв, Н. И. Сердюк. – М : Высшая школа, 2002. – 351 с. - ISBN 5 – 06 – 004157 - 3.
14. Котельников, В. С. Правила устройства и безопасной эксплуатации сосудов, работающих под давлением. : Нормативные документы межотраслевого применения по вопросам промышленной безопасности и охраны недр / В. С. Котельников. – М. : Государственное унитарное предприятие «Научно-технический центр по безопасности промышленности Госгортехнадзора России», 2003. – 192 с. – ISBN – 93586 – 205 – 0.
15. www.teplotex.ru. E-mail: phe@teplotex.ru
