| Скачать .docx |
Реферат: Частичные разряды в твердой изоляции
ФЕДЕРАЛЬНОЕ АГЕНТСТВО ПО ОБРАЗОВАНИЮ
Государственное образовательное учреждение высшего профессионального образования
НАЦИОНАЛЬНЫЙ ИССЛЕДОВАТЕЛЬСКИЙ
ТОМСКИЙ ПОЛИТЕХНИЧЕСКИЙ УНИВЕРСИТЕТ
Энергетический институт
Кафедра ТиЭВН

Реферат
на тему: «Частичные разряды в твердой изоляции»
Выполнил студент: группы 938Т1 Бубнов К.А.
Проверил
Преподаватель: Кузнецов Ю.И.
Томск 2010г
Содержание
Введение………………………………………………………………. 3
1. Частичные разряды в изоляции……………………………….. 4
2. Методы выявления частичных разрядов…………………….. 5
2.1. Акустические методы выявления частичных разрядов.. 7
3. Измерение частичных разрядов……………………………… … 8
4. Характеристики частичных разрядов, используемые
при диагностике………………………………………………...................... 9
Заключение…………………………………………………………… 12
Список используемой литературы………………………………… 13
Введение
Одна из важных задач в современной электроэнергетике – это быстрый поиск и устранение возникающих на оборудование дефектов. В ряде случаев удается выявить появившиеся повреждения еще до того, как произойдет авария, т.е. предотвратить аварийные процессы в энергосистеме. В других случаях необходимо быстро обнаружить появившееся повреждение и устранить его, чтобы уменьшить длительность аварийного простоя оборудования.
В настоящее время метод диагностики изоляции по частичным разрядам (ЧР) широко применяется лабораторных условиях и на заводях изготовителях трансформаторного оборудования при контроле качества изоляции выпускаемой продукции как в России, так и многих зарубежных странах.
Однако при контроле состояния действующего электрооборудования диагностика по частичным разрядам пока используется сравнительно редко, что связано с наличием разного рода помех, уровень которых на действующих объектах значительно выше, чем при стендовых испытаниях, а общепризнанной методики отделения сигналов ЧР от сигналов помех пока еще не существует.
Кроме того, на настоящий момент, недостаточно результатов исследований зависимости характеристик ЧР от времени эксплуатации электротехнического оборудования, что позволило бы прогнозировать пробой изоляции по характеристикам ЧР и предотвращать отказ этого оборудования.
Таким образом, исследование частичных разрядов, с целью развития систем диагностики изоляции электротехнического оборудования, является актуальной задачей.
1. Частичные разряды в изоляции
Воздушные или газовые включения являются одним из наиболее распространенных типов сосредоточенных дефектов изоляции. Поскольку диэлектрическая проницаемость воздуха в несколько раз меньше диэлектрической проницаемости окружающего его твердого диэлектрика, напряженность поля в газовой полости может значительно превышать среднюю напряженность поля в изоляции. Поэтому иногда в полости возникают ионизационные процессы даже при рабочем напряжении. Совокупность таких процессов называется частичными разрядами, поскольку они охватывают только небольшую часть всего расстояния между электродами.

Возникновение частичных разрядов в большинстве типов изоляции (исключением является лишь керамическая изоляция) является совершенно недопустимым, так как оно приводит к интенсивному разложению диэлектрика и распространению дефекта. Например, для микалентной изоляции обычно полный пробой происходит через несколько лет после возникновения частичного разряда, а для бумажной изоляции пробой может наступить через несколько месяцев или даже дней.
Именно поэтому важным принципом конструирования изоляции является требование отсутствия ионизации воздушных включений при рабочем напряжении или устранение самих включений (путем вакуумирования, компаундирования и т.д.). Если внутри органической изоляции при рабочем напряжении появились частичные разряды, то эту «коронирующую» часть изоляционной конструкции в подходящий момент следует заменить, иначе в дальнейшем неминуемо произойдет пробой в непредвиденный срок.
2. Методы выявления частичных разрядов
Таким образом, во многих распространенных типах элементов изоляционной конструкции необходимо выявлять частичные разряды при номинальном напряжении. Наибольшее распространение для решения этой задачи получили электрические и акустические методы.
Электрические методы выявления частичных разрядов.
Эти методы основаны на измерении импульсов тока контролируемой цепи.
Схема измерений: Основная схема измерений – последовательная с включением измерительного прибора Пр в цепь заземления контролируемого объекта Сх. При появлении в цепи импульса тока, прибор Пр его регистрирует.

Узел балансировки сигналов и аттенюатор УБС подключен к датчикам. К выходу УБС через гармонический фильтр Ф и усилитель У подключен индикатор И.
Узел балансировки сигналов и аттенюатор УБС позволяют выделить из общего фазного сигнала только ту его часть, которая содержит импульсы частичных разрядов. Аттенюатор представляет собой нелинейный элемент, сигнал на выходе которого ограничен по величине. При малых входных сигналах аттенюатор практически без изменений передает входной сигнал на свой выход, а при очень больших входных сигналах выходной сигнал ограничивается, чтобы обеспечить нормальный режим работы последующих цепей прибора.
Если включить измерительный прибор непосредственно так, как это показано на Рис.2, то через него будет протекать сквозной ток утечки, в котором трудно выявить импульсы частичных разрядов. Поэтому соответствующие токи надо вначале «сбалансировать». Для этого применяются следующие схемы:

В этих схемах сигнал снимется с нейтрали силового объекта (трансформатора). Для съема сигнала используется либо резистор (Рис.4,а) (при относительно малых рабочих напряжениях силового контролируемого объекта), либо высокочастотный трансформатор напряжения ВТН (при больших номинальных напряжениях). При этом ток и напряжение в нейтрали уже «сбалансированы», там протекают не фазные токи силового объекта, а лишь незначительный по величине ток небаланса, на фоне которого уже проще выявить импульсы частичных разрядов (точнее говоря, импульсы тока «кажущегося заряда» при частичном разряде).
При измерении параметров импульсов частичных разрядов (ИЧР) применяется измеритель амплитудных значений импульсов. Использование электронного осциллографа в качестве индикатора (И) на Рис.3 позволяет получить дополнительную информацию о характере принимаемых сигналов и обеспечивает возможность выявления и исключения некоторых помех. Для измерения других параметров ИЧР применяют соответствующие приборы (измерители среднего значения, мощности и т.п.).
Значительно большую информацию о процессе частичных разрядов дает распределение импульсов по амплитудам. В этом случае в качестве индикатора (И) используют амплитудный дискриминатор (блок, распределяющий импульсы по группам в зависимости от их амплитуды) и счетчики числа импульсов соответствующей амплитуды: ИЧР с близкими по величине амплитудами подсчитываются одним счетчиком, ИЧР с другими амплитудами – другими счетчиками.
Наибольшую эффективность при контроле изоляции оборудования в условиях эксплуатации обеспечивает непрерывное измерение частичных разрядов.
Иногда, вместо того чтобы реагировать на электрические импульсы частичных разрядов, используют тот факт, что при таких разрядах генерируется широкий спектр радиоволн. Установив поблизости от контролируемого элемента изоляционной конструкции соответствующим образом настроенный радиоприемник, можно выявить частичные разряды по появляющемуся в динамике характерному шуму. Обычно динамик не используется, а к выходным цепям радиоприемника подключается измерительный прибор.
2.1. Акустические методы выявления частичных разрядов .
Данная группа методов, позволяющих выявить частичные разряды, основана на улавливании своеобразного звукового «щелчка», которым обычно сопровождается такой разряд. Для определения места расположения разряда необходимо измерить времена распространения такого акустического сигнала до точек, в которых установлены микрофоны (не менее трех).
3. Измерение частичных разрядов
Измерение частичных разрядов в эксплуатационных условиях (ЧР) существенно отличается от измерений в условиях лаборатории. В первую очередь это связано с наличием интенсивных внешних помех и короны, которые, как правило, отсутствуют при измерениях в лабораторных условиях.
Сигналы внешних помех, в общем случае, не отличаются от сигналов ЧР, т.к. их источником могут быть ЧР в окружающем оборудовании. Поэтому наилучшим способом разделения сигналов помех и сигналов ЧР является отдельное измерение сигналов внешних помех при отсутствии напряжения на контролируемом объекте (измерение фона). Затем на объект подается напряжение и производится еще одно измерение. В этом случае регистрируется сумма сигналов ЧР и внешних помех (сигнал). Вычитание результатов этих измерений позволяет выделить только сигналы ЧР (сигнал - фон). На рис. 1 - показаны результаты вычитания фона. Как видно из рисунка, после вычитания фона эффективная интенсивность сигналов помех снизилась в несколько раз (интенсивность сигналов ЧР не изменяется при вычитании) и стало видно, что регистрируемые сигналы дает отрицательная (или инверсная положительная) корона, а не ЧР в объекте (фазовый угол -90о , один пик на периоде)

4. Характеристики частичных разрядов, используемые при диагностике
Причиной возросшего применения метода регистрации частичных разрядов (ЧР) при диагностике электрической изоляции высоковольтного оборудования в условиях его эксплуатации явилась его высокая эффективность. Во – первых, применение этого метода, обладающего высокой чувствительностью, позволяет выявлять образование ЧР в дефектных местах на ранних стадиях. Во – вторых, характеристики ЧР позволяют производить многостороннюю оценку свойств дефектов и характера процесса ЧР. В – третьих, метод позволяет определять как интегральные свойства характеристик ЧР, представляющих собой множество разрядов, так и свойства единичных разрядов. В – четвертых, метод позволяет безынерционно отражать явления разрядов в изоляции.
Среди параметров изоляции, определяемых множеством различных методов, характеристики ЧР несут наибольшую информацию об опасности дефектов. Строго говоря, для описания всех характеристик ЧР достаточно знать значения кажущегося заряда и его фазу, то есть временное положение измеренного заряда в периоде воздействующего напряжения. Остальные характеристики, за исключением Ui и Ue, определяются расчетным путем.
Процесс ЧР имеет несколько стадий: начальные процессы ЧР, приводящие практически к восстановлению свойств изоляции, т. е. обратимый процесс деструкции изоляции; неустойчивый процесс ЧР, при котором наблюдаются явления временного затухания ЧР; устойчивый процесс ЧР, приводящий к прогрессирующей деструкции изоляции.
В практике контроля качества изоляции изготавливаемого высоковольтного оборудования принята преимущественно одна характеристика ЧР - кажущийся заряд q импульса ЧР.
Известно, что кажущийся заряд q, регистрируемый схемой регистрации, является частью полного заряда qв, нейтрализуемого при ЧР во включении.
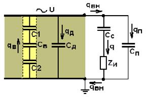
Если представить схему замещения изоляции образца с источником ЧР, включенного в схему регистрации, рис. 5, то нетрудно установить, что регистрируемый заряд q зависит от параметров элементов схемы регистрации и емкости изоляции образца.

Рис.5 Схема замещения изоляции образца с ЧР.
С1, С2 – емкости столбов изоляции между проводящими поверхностями включения и электродами образца; СД – емкость изоляции образца; СС – соединительный конденсатор; ZИ - измерительный элемент; СП – паразитная емкость.
Схему замещения изоляции с ЧР можно представить более полно, рис. 6, представив в процессе разряда зарядовые пятна на стенках включения в виде проводящих дисков (с учетом ряда допущений).

Рис. 6 Схема замещения изоляции образца с учетом краевого эффекта зарядовых пятен ЧР.
С10, С20 – емкости столбов изоляции между проводящими поверхностями включения и электродами образца; С1К, С2К – краевая емкость столбов изоляции; СВК – краевая емкость включения.
Расчет зависимости емкости включения С∑1 или С∑2 (где С∑1 = С10 + С1К; С∑2 = С20 + С2К) относительно электрода от расстояния до электродов Н′ или Н″ показывает, что при расстояниях, значительно превышающих размеры включения, рис. 7, емкость С∑1 или С∑2 изменяется несущественно.

Рис. 7 Геометрические параметры включения и его расположение относительно электрода.
Заключение
Для диагностики состояния изоляции электротехнического оборудования по частичным разрядам является эффективным электрический индукционный метод регистрации ЧР с помощью датчика в виде высокочастотного трансформатора тока с обработкой данных на персональном компьютере.
Показано, что наиболее оптимальным диагностическим параметром частичных разрядов является мощность ЧР. Установлен характер изменения интенсивности ЧР в зависимости от стадии старения изоляции с использованием метода ускоренного термического старения.
Показано, что система диагностики по частичным разрядам с использованием комплекса характеристик ЧР, получаемых разработанным программным обеспечением, является эффективной как для оценки текущего ссостояния изоляции, так и для прогнозирования ее остаточного ресурса.
Список используемой литературы
1) Электрооборудование и электроустановки. Методы измерения характеристик частичных разрядов. ГОСТ 20074-83.
2) Беннинг П. «Электрическая прочность изоляционных материалов и конструкций.
Электронные ресурсы:
1) www.hw-nsk.ru
2) www.datos.com