| Скачать .docx |
Реферат: Вторая жизнь сверхпроводников Эффект Мейснера в производстве электроэнергии
Вторая жизнь сверхпроводников.
Эффект Мейснера в автогенераторе магнитного потока.
В.И. Тараскин
Ю.В. Тараскин
10.07.2009 год.
Сверхпроводящие (СП) материалы имеют два основные свойства:
1. Электрическое сопротивление равно нулю.
2. Магнитная проницаемость равна нулю, эффект Мейснера.
Эффект Мейснера СП материалов заключается в том, что СП не пропускает магнитные поля. Но как только напряжённость магнитного поля достигнет критического значения СП как бы открывается и работает как обычный магнитопровод.
Таким образом CП материал в магнитной цепи работает аналогично полупроводниковому прибору с четырехслойной структурой ( динисторы, тиристоры ):
увеличивая магнитное поле выше критического значения магнитная цепь замыкается,
уменьшая магнитное поле ниже критического значения магнитная цепь разрывается.
Используя это свойство, нами было придумано устройство, показанное на рис.1. где :
| 1 |
- |
постоянные магниты с определенной коэрцитивной силой, |
| 2,2а,2б |
- |
магнитопроводы с высокой магнитной проницаемостью, |
| 3 |
- |
магнитопроводящая пластина с СП пленкой, |
| 4 |
- |
силовая обмотка, |
| 5 |
- |
регулировочный винт. |
Путь по которому замыкается магнитный поток в замкнутой цепи создан из ферромагнитного материала 2, 2а, 2б и двух немагнитных зазоров.
Рассмотрим два участка магнитной цепи;
первый участок магнитной цепи немагнитный зазор между магнитопроводами 2 и 2а;
второй участок магнитной цепи немагнитный зазор между магнитопроводами 2а и 2б, где находится пластина с СП материалом 3.
Т.к. магнитная проницаемость немагнитных зазоров на 1000-10000 меньше магнитопроводов, магнитное сопротивление цепи будет определяться немагнитными зазорами первого и второго участков. Магнитный поток Фм магнитной цепи равен по формуле Гопкинсона:
Фm = Нс / (Rm1 + Rm2); где
| Нс |
- коэрцитивная сила постоянных магнитов, |
| Rm1,Rm2 |
- магнитное сопротивление первого и второго участка. |
Магнитные сопротивления вычисляются по формуле Гопкинсона:
Rm1=L1/(M*M0*S) для первого участка,
Rm2=L2/(M*M0*S) для второго участка.
| M |
- |
относительная магнитная проницаемость данного участка цепи, |
| M0 |
- |
магнитная постоянная, |
| L1, L2 |
- |
длина 1-го и 2-го участков цепи (толщина) |
| S |
- |
площадью поперечного сечения |
Полное магнитное сопротивление будет определятся длиной немагнитных зазоров;
Rm=L1+L2;
Падение напряженности магнитного поля по участкам;
Фm=H1/Rm1; H1=ФmxRm 1-первого участка,
Фm=H2/Rm2; H2=ФmxRm 2-второго участка,
Н1-падение напряженности магнитного поля первого участка,
Н2-падение напряженности магнитного поля второго участка.
Нс=Н1+Н2.
Для работы устройство необходимо три условия:
| 1. |
коэрцитивная сила магнитов должно быть больше критического магнитного поля СП материала; |
| 2. |
критическое магнитное поле должно быть больше, чем половина коэрцитивной силы магнитов; |
| 3. |
магнитная индукция постоянных магнитов должна быть не менее 1 Тл., исключая влияние самоиндукции при больших токах. |

В замкнутой или разомкнутой цепи коэрцитивная сила равна сумме падений напряженности первого и второго участках. В первом участке магнитной цепи магнитное сопротивление постоянное т.к. величина немагнитного зазора регулируется винтом 5 в малых пределах.
Во втором участке величина зазора зависит от состояния СП материала. СП материал в зазоре в нормальном состоянии, магнитная цепь замкнута, общая длина двух немагнитных зазоров будет порядка 0,1-0,5мм., а падение напряженности магнитного поля участков приблизительно равны. В зазоре 2 СП материал в состоянии СП, то в зависимости от конструкции устройство, немагнитный зазор второго участка увеличивается порядка 30-50мм., магнитная цепь разрывается , магнитный поток сквозь СП обрывается.
Работа устройства заключается в том ,что в исходном состоянии СП материал во втором участке цепи находится в состоянии СП. Магнитная цепь разомкнута, через СП магнитный поток отсутствует. Магнитное поле во втором участке увеличивается. Магнитным сопротивлением первого участка пренебрегаем, т.к. длина(толщина) зазора в 300-500 раз меньше чем второго участка. Напряженность магнитного поля во втором участке возрастает до критического поля СП материала, СП материала разрушается.
Магнитопроводящая пластина с СП материалом находится в силовой части между двумя обмотками. Напряженность магнитного поля во втором участке достигнув критического поля, СП разрушается. Магнитная цепь замыкается, магнитный поток потечет от северного полюса к южному полюсу, пронизывая обои половины силовой обмотки. Напряженность магнитного поля распределилась поровну между первым и вторым участками. Падение напряженности магнитного поля во втором участке достигнув половины коэрцитивной силы, т.е. меньше критического, СП в материале восстановилась. Так как СП для магнитного поля является зеркалом, магнитный поток увеличивающего магнитного поля северного полюса отраженное магнитным зеркалом, пронизывает правую половину силовой обмотки в обратном направлении, до достижении критического поля СП материала. С левой стороны от СП материала южный полюс также отражается от магнитного зеркала. Это явление будет действовать до достижения критического магнитного поля СП материала.
Изменяющееся по величине магнитный поток магнитной индукции пронизывающий витки силовой обмотки 4, возбуждает в обмотке электродвижущую силу. Частоту колебания можно регулировать винтом 5
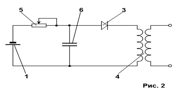
Данное устройство работает аналогично этой электрической схеме :
Таблица соответствий:
| на рис.1 |
на рис.2 |
| 1 - постоянные магниты |
1 - источник питания |
| 3 - СП пленка |
3 - тиристор |
| 4 - силовая обмотка |
4 - трансформатор |
| 5,2,2а - регулировка зазора между магнито-проводами 2 и 2а с помощью регулировочно-го винта 5 |
5 - переменное сопротивление |
| все устройство является накопителем напряжённости магнитного поля до критического значения а за тем происходит разрушение СП пленки 3. Через СП потечёт магнитный поток пронизывающий силовую обмотку. Напряжённость магнитного поля уменьшается меньше критического. СП в плёнке восстанавливается, магнитный поток обрывается. |
6 - конденсатор |
Влияние напряженности магнитного поля на СП при прохождении тока по силовой обмотке учитывать. Нужен опытный образец устройства.
Литература
Владимир Петрович Карцев. "Магнит за три тысячелетия"
4-е изд. перераб. и доп. -М.: Энергоатомиздат, 1988г.
Дата публикации:
24 ноября 1999 года
Дата обновления:
21 июля 2002 года.