| Скачать .docx |
Курсовая работа: Расч т тр хфазного трансформатора
Министерство образования и науки РФ
Иркутский государственный технический университет
Институт информационных технологий
Кафедра электротехники и энергетических систем
КУРСОВАЯ РАБОТА
по дисциплине «Электротехника»
на тему: «Трехфазные трансформаторы»
Иркутск
2008
Дан трехфазный двухобмоточный трансформатор. Расшифруйте буквенно-цифровые обозначения исследуемого трансформатора. Необходимо выполнить следующие расчеты:
1. Определить параметры Т-образной схемы замещения трансформатора.
2. Начертить в масштабе полную векторную диаграмму трансформатора для активно-индуктивной нагрузки.
3. Рассчитать и построить зависимость коэффициента полезного действия от нагрузки
при значениях коэффициента нагрузки
, равных 0; 0,25; 0,75; 1,00 и 1,25 от номинального вторичного тока
. Определить максимальное значение КПД.
4. Определить изменение вторичного напряжения
.
5. Построить внешние характеристики трансформатора для значений тока, равных 0; 0,25; 0,50; 0,75; 1,00 и 1,25 от номинального вторичного тока
.
Цель задания – углубление теоретических знаний и приобретение практических навыков расчета параметров, характеристик и построения векторных диаграмм реальных трезфазных трансформаторов.
Примечание . При определении параметров трехфазного трансформатора и построении векторных диаграмм расчет ведется на одну фазу.
![]()
ТМ – 1000 / 35 – трехфазный трансформатор с естественной циркуляцией масла.
SН = 1000 кВ А – номинальная мощность трансформатора;
U1Н = 35 кВ – номинальное напряжение первичной обмотки;
U2Н = 6,3 кВ – номинальное напряжение вторичной обмотки;
UК = 6,5% - напряжение короткого замыкания;
Р0 = 2,750 кВт – потери активной мощности в режиме холостого хода;
РК = 12,20 кВт – потери активной мощности в режиме короткого замыкания;
I0 = 1,50% - ток холостого хода;
Cos φ2 = 0,8
Определение параметров схемы замещения трансформатора в режиме холостого хода
Для первичной обмотки примем соединение по схеме «звезда»; для вторичной обмотки примем соединение по схеме «треугольник».
Для определения параметров схемы замещения трансформатора рассчитаем:
а) номинальный ток трансформатора
I1
H
=
; I1
H
= 1000/(1,73*35)=16,5A;
б) фазное напряжение первичной обмотки:
при соединении по схеме “звезда”
U1Ф
=
, U1Ф
= 35 / √ 3 = 20, 2 кВ.
при соединении по схеме “треугольник”
U1Ф = U1 H ;
в) фазный ток холостого хода трансформатора
I0Ф
= I1
H
, I0Ф
= 16,5 * 1,50 / 100 = 0,25 А;
где I0 – ток холостого хода,%;
г) мощность потерь холостого хода на фазу
P0Ф
=
, Р0Ф
= 2750 / 3 = 916,7 Вт,
где m – число фаз первичной обмотки трансформатора; принимаем m=3.
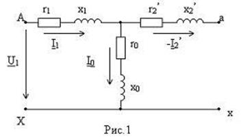
д) полное сопротивление ветви намагничивания схемы замещения трансформатора при холостом ходе согласно схеме рис. 1.

Z0
=
; Z0
= 20,2*103
/ 0,25 = 80,8 кОм,
е) активное сопротивление ветви намагничивания
r0
=
; r0
= 916,7/ 0,252
= 14,67 кОм;
ж) реактивное сопротивление ветви намагничивания
х0 = √ Z0 – r0 ; x0 = √ 80,82 – 14,672 = 79,46 кОм = 79,46*103 Ом;
з) коэффициент трансформации трансформатора
k = U1Ф / U2Ф , k = 20,2*103 /6,3*103 = 3,2
Определение параметров схемы замещения трансформатора в режиме короткого замыкания
В опыте короткого замыкания вторичная обмотка трансформатора замкнута накоротко, а подводимое к первичной обмотке напряжение подбирается таким образом, чтобы ток обмотки трансформатора был равен номинальному. Схема замещения трансформатора в режиме короткого замыкания представлена на рис. 2.

Здесь суммарное значение активных сопротивлений (r1 + r2 ’ ) обозначают r k и называют активным сопротивлением короткого замыкания, а (x1 + x2 ’ ) индуктивным сопротивлением короткого замыкания x k .
Для определения параметров схемы замещения трансформатора рассчитаем:
а) фазное напряжение первичной обмотки U1Ф ;
U1Ф = 20,2 кВ;
б) фазное напряжение короткого замыкания
UК.Ф
= U1Ф
,
UК.Ф = 20,2 *103 *(6,5/ 100) = 1,31 кВ;
где UK – напряжение короткого замыкания,%;
в) полное сопротивление короткого замыкания
ZK
=
, ZK
= 1,31*103
/ 16,5 = 79,39 Ом;
где IК
– ток короткого замыкания, IK
= I1
H
=
;
г) мощность короткого замыкания
PК.Ф
=
; PК,Ф
= 12,2*103
/ 3 = 4,06 кВт;
д) активное сопротивление короткого замыкания
rK
=
; rK
= 4,06*103
/ (16,5)2
= 14,91 Ом
е) индуктивное сопротивление короткого замыкания
xK
=
; хК
= √79,392
– 14,912
= 77,98 Ом
Обычно принимают схему замещения симметричной, полагая
r1
; x1
;
r2 ’ = r2 * k2 ; x2 ’ = x2 * k2 ,
где r1 – активное сопротивление первичной обмотки трансформатора;
x1
– индуктивное сопротивление первичной обмотки трансформатора, обусловленное магнитным потоком рассеянья
;
r2 ’ – приведенное активное сопротивление вторичной обмотки трансформатора;
x2
’
– приведенное индуктивное сопротивление вторичной обмотки трансформатора, обусловленное магнитным потоком рассеянья
.
r1 ≈ r ‘ 2 = 14,91 /2 = 7,46 Ом; x1 ≈ x’ 2 = 77,98/ 2 = 38,99 Ом.
r2 = r’ 2 / k2 = 7,46/ 3,22 =0,72 Ом; x2 = x’ 2 / k2 = 38,99/ 3,22 = 3,8 Ом.
Построение векторной диаграммы
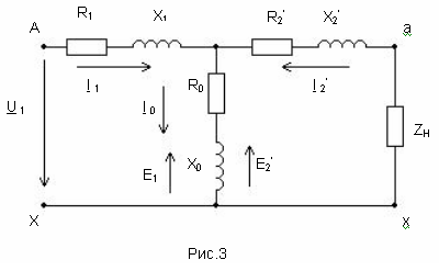
При построении векторной диаграммы воспользуемся Т – образной схемой замещения (рис. 3).

Векторная диаграмма является графическим выражением основных уравнений приведенного трансформатора:

Для построения векторной диаграммы трансформатора определим:
1) номинальный фазный ток вторичной обмотки трансформатора
; I2Ф
= 1000*/ (3* 6,3) = 52,9 А;
2) приведенный вторичный ток
; I’
2Ф
= 52,9 / 3,2 = 16,5 А;
3) приведенное вторичное напряжение фазы обмотки U2Ф ’ = U2Ф k; U2Ф ’ = 6,3*103 * 3,2 = 20160 В
4) угол магнитных потерь
; α = arctg
(
14,67*103
/ 79,46*103
) = 10,46o
;
5) угол
, который определяется по заданному значению угла
путем графического построения;
6) падение напряжения в активном сопротивлении вторичной обмотки I2 ’ r’ 2 , приведенное к первичной цепи;
I’ 2 *r’ 2 = 16,5*7,46 = 123,1 В;
7) падение напряжения в индуктивном сопротивлении вторичной обмотки I2 ’ x2 ’, приведенное к первичной цепи;
I’ 2 *x’ 2 = 16,5* 38,99 = 643,3 B;
8) падение напряжения в активном сопротивлении первичной обмотки I1 r1 ;
I1 *r1 = 16,5*7,46 = 123,1 B;
9) падение напряжения в индуктивном сопротивлении первичной обмотки I1 x1 .
I1 *x1 = 16,5*38,99 = 643,3 B.
Перед построением диаграммы следует выбрать масштаб тока mi и масштаб напряжения mu .
Примем mi = 2 А/мм; mu = 0,2 кВ/мм.
При активной нагрузке φ2 = 0;
при активно-индуктивной нагрузке φ2 = 36.870 ;
при активно-емкостной – φ2 = -36.870 .
Результаты расчетов сведем в таблицу:
| I2 A |
I2 ’ A |
K |
U2 ’ B |
град |
гр. |
гр |
I1 A |
r1 Ом |
r2 ’ Ом |
x1 Ом |
x2 Ом |
I2 ’ r2 ’ В |
I2 ’ x2 ’ В |
I1 r1 В |
I1 x1 В |
| 52,9 |
16,5 |
3,2 |
20160 |
10,46 |
36,9 |
38 |
16,5 |
7,46 |
7,46 |
38,99 |
38,99 |
123,1 |
643,3 |
123,1 |
643,3 |
Построение векторных диаграмм
В выбранном масштабе тока mi
откладываем в произвольном направлении вектор вторичного тока I2
’
. Затем, под углом
проводим вектор напряжения U2
’ (для активной нагрузки вектор тока вторичной обмотки совпадает по фазе с вектором напряжения на зажимах вторичной обмотки, для активно-индуктивной нагрузки вектор тока вторичной обмотки отстает от вектора напряжения на зажимах вторичной обмотки, для активно- емкостной нагрузки вектор тока вторичной обмотки опережает вектор напряжения на зажимах вторичной обмотки). Масштаб mU
выберем так, чтобы получить вектор U2
’
длиной 100…120 мм. Чтобы построить вектор эдс E2
’
необходимо, согласно уравнению E
2
’
= U
2
’ + I
2
’
r2
’
+ j I
2
’
x2
’
, сложить вектор U
2
’
с векторами -I
2
’
r2
’
и -j I
2
’
x2
’
.
Для этого из конца вектора U 2 ’ строим вектор активного падения напряжения -I2 ’ r2 ’ параллельно вектору вторичного тока I2 ’ ; из начала вектора -I2 ’ r2 ’ перпендикулярно к нему строим вектор индуктивного падения напряжения -jI2 ’ x2 ’ . Вектор, соединяющий точку О с началом вектора -jI2 ’ x2 ’ , будет вектором эдс E2 ’ вторичной обмотки. Этот вектор будет совпадать с вектором эдс первичной обмотки, так как E1 = E2 ’ .
Вектора эдс E1
и E2
’
, индуктированных в первичной и вторичной обмотках основным магнитным потоком
, отстают по фазе от вектора потока на 900
.
Под углом
в сторону опережения вектора потока
откладываем вектор тока холостого хода I0
.
Для того чтобы перейти к векторной диаграмме первичной обмотки, необходимо определить вектор первичного тока I1 . Согласно уравнению I 1 = I 0 + (-I 2 ’) вектор тока I1 равен геометрической разности векторов I0 и I2 ’ .
Вектор первичного напряжения U 1 определяем из векторной диаграммы. Для этого необходимо построить вектор Е1 , равный по величине и обратный по направлению вектору Е1 . Из конца вектора Е1 , согласно уравнению U1 = -E1 + I1 r1 + JI1 x1 , строим вектор I1 r1 , параллельный вектору тока I1 , а из конца вектора I1 r1 перпендикулярно к нему и вектору I1 проводим вектор I1 x1 . Замыкающий вектор и будет вектором первичного напряжения U1 .
Построение кривой изменения кпд трансформатора в зависимости от нагрузки
При нагрузке коэффициент полезного действия трансформатора определяют по формуле
,
где SH – полная номинальная мощность трансформатора, кВ*А;
P0 – мощность потерь холостого хода при номинальном напряжении, кВт
РК – мощность потерь короткого замыкания, кВт.
η = 1-(2,75 + k2 нг 12,2)/(1000kНГ *0.8 + 2,75 + 12,2k2 нг )
Кпд трансформатора рассчитывают для значений коэффициента нагрузки kНГ
, равных 0; 0,25; 0.50; 0.75; 1.25 от номинального вторичного тока I2
H
. Значение cos
берут из приложения.
По результатам расчетов строят зависимость
(рис.7). Максимальное значение коэффициент полезного действия имеет место при условии kнг
2
PK
= P0
. Отсюда коэффициент нагрузки, соответствующий максимальному кпд, kнг
max
=
;
________
Kнг max = √2,75/12,2 = 0,4747
По полученному значению kнг max (из графика) определяют максимальное значение коэффициента полезного действия, η = 0,9838.
| kнг |
0 |
0,25 |
0,50 |
0,75 |
1,00 |
1.25 |
| η |
0 |
0,9827 |
0,9857 |
0,9842 |
0,9816 |
0,9786 |

Определение изменения напряжения трансформатора при нагрузке
При практических расчетах изменение вторичного напряжения трансформатора определим по формуле
,
где UК.А. – активная составляющая напряжения короткого замыкания при номинальном токе, UК.А. = РК / 10SН ;
UK . A = (12,2/10*1000)= 1220*10-6 В;
UК,А, = U1Ф *UK . A .,
UK . A . = 20,2*103 *1220*10-6 = 24,64 В
UК.Р. – реактивная составляющая напряжения короткого замыкания,
UК.Р.
=
.
UK . P . = √ 0,1222 – 0,00122 2 = 0,1219В.
UK . P . = U1Ф *UK . P . ,
UK . P . = 20,2*103 * 0,1219 = 2464 В
∆U = (1220*10-6 * 0,8 + 0,1219 * 0,6) * 1 = 0,0741
∆U = U1Ф *∆U;
∆U = 20,2*103 * 0,0741 = 1496,8 B.
∆U = U2.н. =6300*0,0741= 466,83 В.
Литература
1. Любова О.А., Попов Я.Н., Шумилов А.А. Трансформаторы. Методические указания к курсовой работе. Архангельск. 2003.
2. Доморацкий О.А., Жерненко А.С., Кратиров А.Д. и др. Электропитание устройств связи. М.: Радио и связь. 1981.
3. Зевеке Г.В., Ионкин П.А., Нетушил А.В., Страхов С.В. Основы теории цепей. М.: Энергия. 1985.