| Скачать .docx |
Реферат: Лабораторная работа по Физике
Введение
Целью работы является:
- знакомство с компьютерным моделированием цепей постоянного тока;
- экспериментальная проверка закона Ома для неоднородного участка цепи.
1. Описание установки и методики измерений

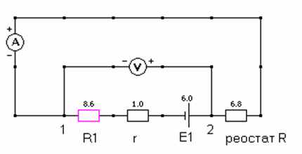
Рис. 1.1 – электрическая цепь (один источник тока)

Рис. 1.2 – электрическая цепь (два источника тока)
1.1. На рабочем столе монитора найдите ярлык программы «Открытая физика 1.1» .
Щелкните по ярлыку и запустите программу.
1.2. Выберите: «Электричество и магнетизм» , «Цепи постоянного тока».
1.3. Внимательно ознакомьтесь с окном эксперимента. В левом нижнем
углы находятся кнопки «Элементы» - соединительный проводник, -
источник тока, - резистор, - вольтметр, - амперметр, - кнопка
для установки значений резисторов и источников Э.Д.С.
Внизу в средней части расположены кнопки «Счет» - для измерения силы тока и
разности потенциалов в элементах цепи, «Очистить» - для очистки окна эксперимента.
1.4. При собранной электрической цепи в окне эксперимента (Рис. 1.1, Рис. 1.2) можно
выделить элемент цепи – источник тока или резистор. Для этого нужно нажать кнопку
, подвести курсор в виде руки к элементу и щелкнуть по нему. При этом изменяется
цвет элемента и в нижней части окна появляется окно с регулятором для установки значений
параметра элемента. Регулятор можно перемещать, если подвести к нему курсор мыши и
перемещать, удерживая нажатой левую кнопку мыши или, щелкая по соответствующей
стрелке в окне регулятора.
2. Основные расчётные формулы
Закон Ома для неоднородного участка 1-2 имеет вид
I∙(
+ r) = (
) +
(2.1)
Обозначим V = (
) показания вольтметра. Выражение (2.1) принимает следующий вид:
I∙(
+ r) =V+
(2.2)
Запишем
V= I∙(
+ r) -
(2.3)
=
+ r (2.4)
V= I∙
-
(2.5)
График зависимости V =f (I ) должен представлять прямую линию, причем угловой
коэффициент прямой равен сопротивлению
участка цепи 1-2.
Координата точки пересечения продолжения прямой графика с осью ординат равна
значению Э.Д.С. на этом же участке
=
(2.6)
I= 0, V=
(2.7)
С учетом полярности вольтметра на схемах Рис. 2.2, Рис. 2.3 следует записать
V= (
-
) (2.8)
(
) = -V (2.9)
При этом выражения (2.5) – (2.7) принимают вид
V= -I∙
+
(2.10)
= -
(2.11)
I= 0, V=
(2.12)
(
)эксп
= -
(2.13)
Относительная погрешность сопротивления ![]()
ε(
)эксп
=
(2.14)
Выберите на графике произвольную точку, например, М. Определите ее координаты
,
. Подставьте значения
,
в формулу (2.10). Вычислите значение (
)эксп
и относительную погрешность ε(
)эксп
по формулам
(
)эксп
=
+
∙(
)эксп
(2.15)
ε(
)эксп
=
(2.16)
3. Результаты работы и их анализ
Таблица 3.1
| Номер измерения | R, Ом | V, В | I, А | Примечание | |
| 1 | 1 | 0.60 | 0.60 |
r = 2.4 Ом
|
|
| 2 | 2 | 1.11 | 0.56 | ||
| 3 | 3 | 1.56 | 0.52 | ||
| 4 | 4 | 1.95 | 0.49 | ||
| 5 | 5 | 2.30 | 0.46 | ||
| 6 | 6 | 2.61 | 0.43 | ||
| 7 | 7 | 2.89 | 0.41 | ||
| 8 | 8 | 3.14 | 0.39 | ||
| 9 | 9 | 3.36 | 0.37 | ||
| 10 | 10 | 3.57 | 0.36 | ||
| ( |
ε( |
||||
| ( |
ε( |
||||
=
+ r = 10 + 2.4 = 12.4 Ом
(
)эксп
= - ![]()
∆V = 3.4 – 0.9 = 2.5 B
∆I = 0.37 – 0.57 = - 0.2 A
(
)эксп
= -
= 12.5 Ом
ε(
)эксп
=
=
=
= 0.008
(
)эксп
=
+
∙(
)эксп
=1.2 В
= 0.54 А
(
)эксп
= 1.2 + 0.54 ∙ 12.5 = 7.95 В
ε(
)эксп
=
=
=
= 0.006
Таблица 3.2
| Номер измерения | R, Ом | V, В | I, А | Примечание | |
| 1 | 1 | -4.49 | 1.01 |
r = 2.4 Ом
|
|
| 2 | 2 | -3.62 | 0.94 | ||
| 3 | 3 | -2.87 | 0.88 | ||
| 4 | 4 | -2.21 | 0.82 | ||
| 5 | 5 | -1.62 | 0.78 | ||
| 6 | 6 | -1.10 | 0.73 | ||
| 7 | 7 | -0.63 | 0.70 | ||
| 8 | 8 | -0.21 | 0.66 | ||
| 9 | 9 | 0.18 | 0.63 | ||
| 10 | 10 | 0.53 | 0.6 | ||
| ( |
ε( |
||||
| ( |
ε( |
||||
(
)эксп
= - ![]()
∆V = - 4.4 – (- 2.6) = - 1.8 В
∆I = 1 – 0.85 = 0.15 А
(
)эксп
= -
= 12 Ом
ε(
)эксп
=
=
=
= 0.03
(
)эксп
=
+
∙(
)эксп
= -2 В
= 0.8 А
(
)эксп
= - 2 + 0.8∙12 = - 2 + 9.6 = 7.6 В
ε(
)эксп
=
=
=
= 0.05
4.Заключение
В результате проделанной работы мы убедились в справедливости закона Ома для неоднородного участка цепи I∙(
+ r) = (
) +
, так как убедились, что графики являются прямыми линиями.
Были экспериментально определены: (
)эксп
= 12.5 Ом
(
)эксп
=7.95 В для одного источника тока;
(
)эксп
= 12 Ом
(
)эксп
= 7.6 В для двух источников тока.