| Скачать .docx |
Курсовая работа: Шестифазный выпрямитель
ФЕДЕРАЛЬНОЕ АГЕНТСТВО ПО КУЛЬТУРЕ И КИНЕМАТОГРАФИИ
Федеральное государственное образовательное учреждение
Высшего профессионального образования
САНКТ-ПЕТЕРБУРГСКИЙ УНИВЕРСИТЕТ КИНО И ТЕЛЕВИДЕНИЯ
Кафедра технической электроники
Курсовой проект на тему
«Шестифазный выпрямитель»
Санкт-Петербург 2009г.
Содержание
Техническое задание
Реферат
Введение
Расчетная часть
Проектирование печатной платы
Список литературы
Техническое задание
Среднее значение выпрямленного напряжения: Uо =40 В:
Среднее значение выпрямленного тока: Iо = 2.5 А;
Действующее значение напряжения на нагрузке: Е2 = 29.6 В
Действующее значение тока вторичной обмотки: I2 = 1 А
Частота питающей сети: ƒс = 60 гц
Пороговое напряжение вентилей: Uпор = 1.1 В
Дифференциальное сопротивление вентилей: rд = 0.09 Ом
Коэффициент формы кривой: Кф = 2.44 В
N = 15; K = 17;
Реферат
В данном курсовом проекте мной были осуществлены:
1. Расчет неуправляемого выпрямителя с активной нагрузкой
2. Расчет неуправляемого выпрямителя с емкостным фильтром
3. Расчет управляемого выпрямителя с фильтром и ответвляющим диодом.
4. Подбор трансформатора для двухфазной однотактовой схемы выпрямления.
5. Разработка электрической схемы и печатной платы.
Введение
Выпрямители – это источники вторичного электропитания (ИВЭП), реализующие статический метод преобразования энергии переменного тока в энергию постоянного тока.
Выпрямители классифицируются по ряду признаков:
1)Однофазное питание (50 Гц, 220 В)
Выпрямители питаются от одной фазы электросети. Число фаз первичной обмотки трансформатора m1 = 1.
2)Трёхфазное питание (50 Гц, 220/380 В)
Выпрямители питаются от трех фаз электросети. Число фаз первичной обмотки трансформатора m1 = 3.
Неуправляемые выпрямители – это выпрямители, у которых среднее значение напряжения (Uо) в процессе работы не регулируется.
Структурная схема неуправляемых выпрямителей

Неуправляемые выпрямители состоят из преобразовательного трансформатора ПТ, блока электрических вентилей (диодов) НВ и сглаживающих фильтров Сф.
Преобразовательный (сетевой) трансформатор предназначен для:
- преобразования сетевого напряжения по величине;
- преобразования числа фаз схемы выпрямления;
- гальванической развязки питающей сети и нагрузки.
Электрические вентили преобразуют по однотактной и двухтактной схеме переменное напряжение в пульсирующее однополярное, что и является собственно выпрямлением.
Сглаживающий фильтр служит для уменьшения переменной составляющей (пульсаций) выпрямленного напряжения и выделения постоянной составляющей, т.е. фильтр, превращает пульсирующее напряжение в практически постоянное.
Управляемые выпрямители - это выпрямители, выходное напряжение которых регулируется в заданных пределах.
Регулировать напряжение можно различными способами:
- дискретно изменяя число витков первичной или вторичной обмотки ПТ;
- изменяя число витков автотрансформатора;
- применяя управляемые вентили (тиристоры);
- применяя регулирующие элементы (транзисторы, дроссели насыщения и т.п.).
Классификация управляемых выпрямителей:
1) по роду напряжения:
- переменное (до выпрямления);
- постоянное (после выпрямления);
2) по способу регулирования:
- ручное;
- автоматическое;
3) по задаче регулирования:
- стабилизация;
- программное регулирование;
4) по режиму работы регулирующего (исполнительного) элемента:
- непрерывный;
- дискретный;
5) по типу регулирующего элемента:
-активный (тиристоры, транзисторы, дроссели);
-пассивный (трансформаторы, автотрансформаторы, переменные сопротивления).
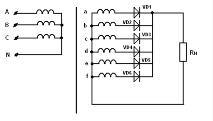
Расчетная часть
Принципиальная шестифазная(m2 =6), однотактная(p=1) схема выпрямления трехфазного сетевого питания.
![]() |
Эквивалентная схема выпрямителя.
![]() |
Расчет идеального неуправляемого выпрямителя с активной нагрузкой.
E2 /Uo = 0.74;
I2 /I0 = 0.4;
Коэффициент использования анодной цепи:
ήa = Rн /(rT + p* rg * VD +Rн ) = 0.944;
Амплитуда ЭДС вторичной обмотки трансформатора:
E2 m = √2* E2 = 41.7 В;
Частота пульсации на выходе выпрямителя:
ƒп(1) = ƒс * m2* p= 360 Гц;
Сопротивление нагрузки:
Rн = Uo /Io = 16 Ом;
Коэффициент пульсации: kп(1) = 0.057
Среднее значение тока диода:
Iср VD = I0 /m2 = 0.416 А;
Эффективное значение прямого тока диода:
Iэфф VD = Iср VD * kф = 1.015 А;
Амплитудное значение тока:
Im = E2 m /Rн = 2.61 А;
Параметры диода:
UVD об max =3.14* U0 /ήa = 88.5 В;
Iср VD / Io = 0.16
Коэффициент трансформации
Ku =E2 / U1 = 29.6/ 220 = 0.134
Внешняя характеристика идеального выпрямителя
2/π* E2 m = 26.6 В

Кривые мгновенных значений


Вывод: Для данной шестифазной однотактной схемы выпрямления трёхфазного сетевого питания необходимы диоды со средним значением прямого тока
Iср VD = 0.416 (А), желательно, чтобы диод выдерживал прямой ток не меньше
(А), так как эффективное значение прямого тока Iэфф VD = 1.015 (А). Также необходимо, чтобы диод способен был выдержать обратное напряжение
Uоб max = 88.5 (В), но рекомендуется взять запас в два раза, т.е. Uоб max = 177 (В), для стабильной работы диода. Для данной схемы также необходим понижающий трансформатор, с коэффициентом трансформации Ku = 0.134.
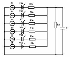
Расчет неуправляемого выпрямителя с емкостным фильтром.
![]() |
Эквивалентная схема выпрямителя с фильтром
Сопротивление емкостного фильтра:
xc = R0 /N= 1.06;
Емкость конденсатора в емкостном фильтре:
C0 = 1/(2* π* ƒc * m2* p* xc ) = 4173 мкФ;
Полное сопротивление активных потерь:
rп = rтр +p* rg VD = Rн /k = 0.941 Ом;
Угол отсечки:
θ = 25.0 эл.град;
Расчет параметров выпрямителя с углом отсечки θ:
A(θ) = rп* π/(m2* p* Rн ) = 0.03;
B(θ) = 1/(√2* cosθ) =0.78;
D(θ) = Iдейств /Iср = 2.94;
H(θ) = C0* rп* ƒ* kп(1) = 1300;
F(θ) = Iампл /Iср = 10.8;
Эффективное значение прямого тока диода:
Iэфф VD = Iср VD * D(θ) = 1.22 A;
Коэффициент пульсации выпрямленного напряжения по основной гармонике:
kп(1) = H(θ)/ rп * ƒc * C0 = 0.005;\
Действующие значения фазных ЭДС E2 в вентильной обмотке ПТ:
E2 = B(θ)* U0 = 31.2 В;
Амплитудное значение фазных ЭДС в вентильной обмотке ПТ:
E2 m = √2* E2 = 44.1B;
Действующие значения тока в вентильной обмотке ПТ:
I2 = √p * D(θ)* Iср VD = 1.22 A;
Амплитудное значение тока в вентильной обмотке ПТ:
Im = F(θ)* Iср VD = 4.5 A;
Коэффициент трансформации ПТ равен:
kU = E2 /U1 = 0.141;
Вывод: После добавления в схему неуправляемого выпрямителя C-фильтра некоторые параметры выпрямителя изменились:
- значение Iэфф VD увеличилось с 1.015А до 1.22А;
-значение kп(1) уменьшилось с 0.057 до 0.005, следовательно, фильтр работает нормально;
-действующие значения E2 уменьшились с 29.6 В до 31.2 В;
-амплитудное значение E2 m уменьшилось с 41.7 В до 44.1 В;
-действующие значения I2 увеличилось с 1 А до 1.22 А;
-амплитудное значение Im увеличилось с 2.61 А до 4.5 А;
Средний ток в вентильной обмотке остался неизменным, Iср VD = 0.416 А.
Внешняя характеристика реального выпрямителя
![]() |
Кривые мгновенных значений

Расчет управляемого выпрямителя с фильтром и ответвляющим диодом.

Эквивалентная схема выпрямителя с фильтром и ответвляющим диодом.
am = Ucmax /UcN = 1.05;
an = Ucmin /UcN = 0.8;
Ucmax = 231B;
Ucmin = 176B;
ПриUc = UCN =220 В; E2mN = 41,7 B; U0,aN = 40 B;
При Uc
= Uc max
= 231 В; E2m max
= am
E2mN
= 1.05
41.7 = 43.78 B;
U0,a max
= am
U0,aN
= 1.05
40 = 42 B;
При Uc
= Uc min
= 187 В; E2m min
= an
E2mN
= 0.8
41.7 = 33.36 B;
U0,a min
= an
U0,aN
= 0.8
40 = 32 B;
αкр
=
π/2-
π/m2
=60°;


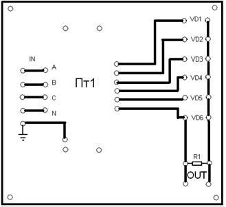
Проектирование печатной платы
В ходе расчёта трёх выпрямителей я пришёл к выводу, что наилучшим среди них является неуправляемый выпрямитель, работающий на активную нагрузку. Выбор пал на данный тип выпрямителей, так как их отличают меньшие массогабаритные показатели и простота схем.
После анализа расчетов и выбора наилучшего типа выпрямителя перейдем к проектированию его печатной платы. Так как электрическая схема была спроектирована в расчетной части, то необходимо теперь подобрать реальные элементы её на основе расчетных данных. Для данной схемы выпрямления нам понадобится: трансформатор (преобразователь напряжения); конденсатор постоянной емкости (уменьшает пульсаций); постоянный резистор (активная нагрузка); диод (преобразует переменное напряжение в пульсирующее однополярное). Маркировка данных элементов приведена в спецификации. Провод сечением 3 мм по требованию заказчика.
![]() |
Чертеж печатной платы выпрямителя с расположение элементов (вид сверху)
![]() |
Чертеж печатной платы выпрямителя (вид снизу)
Список литературы
1. Векслер Г.С., Пилинский В.В., «Электропитающие устройства электро-акустической и кинотехнической аппаратуры». – К.: Выш. шк. Головное изд-во,1986г.
2. Корчагина Л.Г., Федоров А.П., Яковлева Л.П. «Выпрямительные устройства». Методические указания по дисциплине «Электро-питающие устройства для студентов заочного и вечернего отделений специальности 201400.» -СПбГУКиТ, 2004 г., – 4 уч.изд.л.
3. Корчагина Л.Г., Фёдоров А.П., Яковлева Л.П. «Электропитающие устройства: Методические указания по выполнению лабораторных работ. Часть 1. Выпрямители.» – СПбГУКиТ, 2002 – уч.изд.л.
4. Корчагина Л.Г., Фёдоров А.П., Яковлева Л.П. «Электропитающие устройства: Методические указания по выполнению лабораторных работ. Часть II. Стабилизаторы.» – СПбГУКиТ, 2003 – уч.изд..
5. В.Я. Брускин «Номограммы для радиолюбителей» МРБ 1972 год.
6.Б.Богданович, Э.Ваксер «Краткий радиотехнический справочник» Беларусь 1968 год.





