| Скачать .docx |
Реферат: Динамический расчёт САР частоты вращения двигателя внутреннего сгорания
Реферат
МАТЕМАТИЧЕСКАЯ МОДЕЛЬ, ПЕРЕХОДНЫЕ ПРОЦЕССЫ, АНАЛИЗ УСТОЙЧИВОСТИ, ФАЗОВАЯ ЧАСТОТНАЯ ХАРАКТЕРИСТИКА, ОЦЕНКА УСТОЙЧИВОСТИ, РЕГУЛЯТОР.
Целью работы является проведение динамического расчёта САР частоты вращения по методике изложенной в учебном пособии № 2873.
Динамический расчёт САР частоты вращения двигателя внутреннего сгорания состоит из следующих этапов:
- разработка математической модели САР;
- расчёт коэффициентов дифференциальных уравнений;
- расчёт переходных процессов;
- анализ устойчивости САР;
- расчёт частотных характеристик;
- оценка устойчивости по диаграмме профессора Вышнеградского.
Содержание
Введение ……………………………………………………………………….. 4
1. Математическая модель САР ДВС ……………………………………. 5
2. Определение коэффициентов дифференциального уравнения САР ... 6
3. Расчет переходных процессов САР частоты вращения ДВС по вырожденному уравнению …………………………………………….. 7
4. Анализ устойчивости работы САР частоты вращения ДВС по интегралу вырожденного дифференциального уравнения ………….................... 9
5. Расчет частотных характеристик САР ДВС ………………………….. 10
6. Анализ устойчивости САР ДВС по диаграмме профессора
И. А. Вышнеградского ……………………………………………….... 12
Заключение ……………………………………………………………………. 14
Список использованных источников ………………………………………... 15
Введение
Дизельные двигатели, в отличие от бензиновых, имеют склонность к разносу, что объясняется особенностью их топливоподачи (дросселирования топлива при его отсечке в конце впрыскивания приводит к чрезмерному увеличению цикловой подачи при увеличении частоты вращения).
Автоматический регулятор защищает двигатель от разноса , однако, этим не исчерпываются его функции. Регулятор, кроме того, выполняет большое количество дополнительных функций :
- автоматическое формирование скоростной характеристики цикловой подачи топлива для облегчения пуска в условиях низких температур (зимой);
- формирование внешней скоростной характеристики с регламентированным обеспечением координат паспортных режимов двигателя;
- автоматическое изменение максимальной подачи топлива в зависимости от давления надувочного воздуха;
- автоматическое ограничение подачи топлива при значительном изменении атмосферного давления (горный корректор);
- ограничение подачи топлива для уменьшения содержания сажи в отработавших газах (противодымный корректор);
- и другие функции.
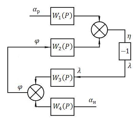
1 . Математическая модель САР ДВС

Рисунок 1 – Структурная схема математической модели САР дизеля
где, η – относительная координата муфты (η=∆z/zп);
λ – относительная координата рейки насоса (λ=∆h/hп);
φ – относительная координата частоты вращения (φ=∆φР/hР);
αР - относительная координата настройки регулятора;
αН - относительная координата настройки нагрузки;
W1P=-KΨdрp- передаточная функция регулятора по настройке αP;
W2P=KРdрp – передаточная функция регулятора по регулируемой координате φ;
W3P=KDdDp– передаточная функция ДВС по координате рейки;
W4P=-KНdDp – передаточная функция двигателя по координате настройки.
2. Определение коэффициентов дифференциального уравнения САР
Примем значения: Iд=4 кг∙м2;
μ=3 кг.
По заданию имеем величину фактора торможения регулятора υ =7500 Н∙см;
Фактор устойчивости двигателя на разных режимах может находиться в пределах от -0,5 до -2,5 Н∙см; приму его равным - 1,5 Н∙см.
Фактор устойчивости регулятора Fp=9000 Н∙см.
Формулы для расчёта коэффициентов двигателя и регулятора:
Kp=2∙Р/Zп;
Kд≈Mн/ωд=Mн/π∙nд ∙30=9,55∙Mн/nд ;
их конкретные значения зависят от конкретного задания, можно лишь ориентировочно определить их порядок, но это лучше сделать в их произведении.
KpKд≈19,1∙P/zп∙Mн/nд ;
Допустим: Zп=0,008 м; P=600 Н; Mн=500Н∙м; nд=2100 мин-1;
KpKд=19,1*600*500/(8∙10-3 ∙2100)=34,1∙104 Н2 ∙с;
Сравним значения коэффициентов А3 , А2 , А1 ,А0 :
А3 =3∙4=0,12∙102 ;
А2 =4∙7500+3∙(-1,5)=299,95∙102 ;
А1 =4∙9000+7500∙(-1,5)=247,5∙102 ;
А0 =34,1∙104 +9000∙(-1,5)=3275∙102 .
Сравнение этих значений показывает, что влияние коэффициента А3 не может быть значительным, поэтому уместно принять μ≈0; тогда
А2 '=I∙ υ; А1 и А0 без изменений. Порядок уравнения САР понижается до второго и тогда оно называется вырожденным уравнением САР ДВС.
А2 '∙φ+А1 ∙φ+А0 ∙φ=Kд KΨ αр ;
При αр =0 получаем А2 '∙φ+А1 ∙φ+А0 ∙φ=0;
Использование выражений позволяет получить:
1,21∙dφ/dt2 +dφ/dt+13,23∙φ=0
3. Расчёт свободных переходных процессов САР частоты вращения ДВС по вырожденному уравнению. Расчёт свободного переходного процесса
Расчёт САР производится по уравнению:
А2 '∙φ+А1 ∙φ+А0 ∙φ=0
При начальных условиях: t=0; φ=φ0 ; dφ/dt=0.
Изменение φ во времени после момента t=0 и является свободным переходным процессом, т.е. с помощью уравнения и упомянутых начальных условий нужно найти функцию φ=f(t).
Решение однородного дифференциального уравнения второго порядка имеет вид:
φ=C1 ∙eP 1∙ t +C2 ∙eP 2∙ t ;
где, P1
, P2
- корни характеристического уравнения А2
'∙P2
+А1
∙P+А0
=0.
C1, C2- постоянные интегрирования (зависят от этих корней и начальных
условий).
При таком решении могут быть 2 случая:
А). P1 , P2 <0,тогда выражение представляет собой сумму двух
убывающих экспонент;
Б). P1 , P2 =α±i∙β, тогда выражение представляет сумму косинусоиды и синусоиды.
φ=φ0 ∙eα ∙ t(cosβ∙t-α/β∙sinβ∙t)
где α=-А1 /2∙А2 '=-1/2∙(FP /ϑ+Fd /I); β=√А0/А2'-(А1 /2∙А2 ')2 .
Вернёмся к ранее полученному уравнению:
1,21∙dφdt2 +dφdt+13,23∙φ=0
Произведём его решение:
А2 '∙P2 +А1 ∙P+А0 =0
P1 , P2 =-0,41 ± 3,28 i
Получается второй случай, т.е. P1 , P2 =α±i∙β
где, α= - 0,41;
β=3,28.
Причём β является угловой частотой колебаний, выражаемой в рад/с.
Период таких колебаний вычисляется по формуле:
T=2∙π/β=2∙3,14/3,28=1,91
Весь переходный процесс описывается уравнением:
φ=φ0 ∙e-0,41∙t ∙(cos3,28∙t+0,125∙sin3,28∙t)
Поскольку амплитудная часть синусоиды имеет пренебрежимо малое значение, всю синусоиду можно не учитывать и тогда график φ=f(t) будет выражен лишь одной затухающей косинусоидой:
φ=φ0 ∙e-0,41 t ∙(cos3,28∙t)
А в качестве начального отклонения удобно взять φ0 =1 и тогда
φ=e-0,41∙ t ∙(cos3,28∙t)
Для рисунка 2: tп- время переходного процесса, равно 9,6 с.

4. Анализ устойчивости работы САР частоты вращения ДВС по интегралу вырожденного дифференциального уравнения
Амплитудная часть функции имеет вид: φ=φ0 ∙eα ∙ t .
Чтобы САР была устойчивой, необходимо: α=-1/2∙(FP /υ +Fd /I)<0.
Два условия, при которых выполняется это неравенство:
FP /υ+Fd /I>0 или ﺍFp/υﺍ > ﺍFd/I ﺍ
В противном случае α>0,и СПП станет расходящимся.
Если неравенство не выполняется, то следует:
- уменьшить трение в регуляторе (υ↓);
- увеличить жёсткость пружины (FP↑).
Но увеличение фактора устойчивости регулятора приводит повышению степени неравномерности, т.е. к увеличению максимальной частоты вращения холостого хода, следовательно приводит к увеличению инерционных сил в КШМ и МГР двигателя.
Для нормальной же работы ДВС необходимо, чтобы его СПП имел строго определённое время затухания tп , в частности для автомобильных дизелей:
tп ≤6 с.
Время свободного переходного процесса зависит от зоны допустимых отклонений ∆φ=ξ∙φ0 (ξ<1);
φi=φ0 ∙eα ∙t ≤ ξ∙φ0 или eα ∙tп ≤ξ
После логорифмирования имеем:
α∙tп≤lnξ→ tп≥6/(Fp/υ +Fd/I)
Полученное выражение можно использовать и для динамического синтеза САР, если СПП имеет неудовлетворительные характеристики.
5. Расчёт частотных характеристик САР ДВС
Если к рычагу управления приложен периодический сигнал с частотой “к”, то колебания регулировочной координаты можно вычислить по формуле:
φ=А(k)∙cos(k∙t+γ(k))
где Аk=KΨ∙KD∙αP0∙Rk-амплитудная частотная характеристика;
γk-фазовая частотная характеристика.
В ТАР амплитудно-частотная характеристика имеет вид:
λ=А/А( k =0) =А0 /(А0 -k2 ∙А2 2 +k2 ∙A1 2 )
Частота при которой возможен резонанс определится следующим образом:
KP =√А0 /A2 '= 3,3 Гц.
Фазовая частотная характеристика:
γ=arctg(-k∙А1 /(А0 -k2 ∙А2 )
Вычислим значения λ и γ в зависимости от k и вносим в таблицу 1.
Таблица 1 – К расчёту частотных характеристик.
| f, Гц | 0 | 0,1044 | 0,2087 | 0,3131 | 0,4174 | 0,5218 | 0,6262 | 0,7305 | 0,8349 | 0,9392 |
| к, рад/с | 0 | 0,6557 | 1,3114 | 1,9671 | 2,6228 | 3,2786 | 3,9343 | 4,59 | 5,2457 | 5,9014 |
| l | 1 | 1,0396 | 1,1788 | 1,5094 | 2,3826 | 4,0289 | 1,951 | 1,008 | 0,6366 | 0,4475 |
| g | 0 | -0,0515 | -0,1171 | -0,2263 | -0,4917 | -1,508 | -2,5229 | -2,7845 | -2,8865 | -2,9407 |
| f, Гц | 1,0436 | 1,148 | 1,2523 | 1,3567 | 1,461 | 1,5654 | 1,6698 | 1,7741 | 1,8785 | 1,9828 |
| к, рад/с | 6,5571 | 7,2128 | 7,8685 | 8,5242 | 9,1799 | 9,8357 | 10,4914 | 11,1471 | 11,8028 | 12,4585 |
| l | 0,3357 | 0,2629 | 0,2124 | 0,1757 | 0,1481 | 0,1267 | 0,1097 | 0,096 | 0,0848 | 0,0755 |
| g | -2,9745 | -2,9978 | -3,015 | -3,0282 | -3,0387 | -3,0473 | -3,0545 | -3,0606 | -3,0659 | -3,0705 |
Проверим полученную λ=4,029 при частоте, на которой возможен резонанс по формуле:
λ'=-1/2∙(β/α+α/β)=4,037
Получилась погрешность: 0,2% , что свидетельствует о верности проводимого расчёта.
Рисунок 3 – Амплитудная частотная характеристика САР.

Рисунок 4 – Фазовая частотная характеристика САР.
6. Анализ устойчивости САР ДВС по диаграмме профессора
И.А. Вышнеградского
φ+X∙φ+Y∙φ+φ=0
где X, Y – коэффициенты подобия переходных процессов.
Используя формулы этих коэффициентов, получим:
X=(I∙υ+Fd ∙μ)/√(Kd∙Kp+Fд∙Fр)2 ∙I2 ∙μ2 ;
X=83;
Y=I∙Fр+Fд∙υ/√(Kд∙Kр+Fд∙Fр)2 ∙I∙μ;
Y=2,27.
Определим область нахождения точки на диаграмме профессора Вышнеградского, по полученным координатам X,Y.
Полученная точка находится в области II – колебательно сходящихся процессов.

Рисунок 5 – Диаграмма профессора И.А. Вышнеградского.
I – область апериодический сходящихся процессов (все корни действительные отрицательные числа);
II – область колебательного сходящихся процессов;
III - область колебательного расходящихся процессов (один корень – отрицательный, а два другие, выражены комплексным числом, у которого действительная часть больше нуля).
Заключение
Расчёт показал, что процесс колебаний носит затухающий характер, что свидетельствует об устойчивой работе регулятора. Были построены графики амплитудной и фазовой частотных характеристик САР. Анализ устойчивости, позволил сделать вывод об устойчивости рассчитываемой САР. Анализ устойчивости по диаграмме Вышнеградского , показал, что система так же устойчива.
Список использованных источников
1. Блаженнов Е.И.Автоматическое регулирование и управление автомобильных дизелей (элементы теории и расчёт): Учебное пособие. – Ярославль: Изд-во ЯГТУ, 2010, - 122 с.