| Скачать .docx |
Курсовая работа: Расчет осветительных сетей предприятия
ФАЖТ
ИрГУПС
Кафедра: ЭЖТ
Дисциплина: Электротехнологические установки и освещение
Курсовая работа
на тему:
“Расчет осветительных сетей предприятия”
ИРКУТСК 2008
Оглавление.
1. Введение
2. Задание на курсовую работу
3. Исходные данные на проектирование
4. Расчет освещения по методу коэффициента использования
5. Электрический расчет
5.1 Исходные данные
5.2 Определение расчетной мощности освещения
5.3 Расчет электрических осветительных сетей
6. Выбор автоматических выключателей
1. Введение
Улучшение условий освещенности на производстве приводит, как правило, к снижению зрительного и общего утомления, повышению производительности труда и улучшению качества выпускаемой продукции. Так, при переводе осветительных установок с ламп накаливания на газоразрядные источники света и одновременном повышении освещенности с 50 до 150 лк производительность труда возрастает на 1,5 %. При ручных работах, требующих большого зрительного напряжения зрения, снижение освещенности на одну ступень по шкале освещенности по сравнению с нормируемой, приводит к потерям производительности труда на 1,5-2 % и более. В условиях недостаточного освещения быстро наступает зрительное и общее утомление, в результате чего снижается внимание, а это приводит к браку продукции и травматизму.
Электрические источники света по способу генерирования делятся на температурные и люминесцентные. Первую группу составляют лампы накаливания, вторые ― газоразрядные (электролюминесценция в газах и парах металлов), в том числе и различные люминесцентные лампы (электрофотолюминесценция).
2. Задание на курсовую работу
Курсовая работа состоит из двух частей:
светотехнической;
электрической.
Светотехническая часть предполагает выполнение следующих работ:
-ознакомление с объемом проектирования, заключающаяся в оценке характера и точности зрительной работы на каждом рабочем месте. При этом устанавливаются минимальные размеры объектов различения и расстояние от них до глаз работающих, определяются коэффициенты отражения рабочих поверхностей.
- выбор системы освещения.
- определение нормируемей освещенности.
- выбор источников света и светильников.
- определение высоты подвеса светильников и расстояние между ними.
- определение расчетной освещенности и мощности источников света.
Электрическая часть предполагает выполнение следующих работ:
- выбор напряжения для сети освещения.
- определение расчетной нагрузки освещения.
- выбор сети питающей, распределительной и групповой сети освещения.
- определение мест расположения групповых щитков освещения и трассы сети.
- выбор марки, сечения проводов и кабелей.
- выбор коммутационно-защитных аппаратов.
По результатам расчетов выполняется план расположения оборудования, электрических сетей для цеха и принципиальная однолинейная схема питающей и распределительной сети освещения.
3. Исходные данные на проектирование
Исходные данные представим в виде таблицы

4. Расчет освещения по методу коэффициента использования
Этот метод применяется при расчете общего равномерного освещения на заданную горизонтальную поверхность с учетом света, отраженного стенами и потолком.

Определим расчетную высоту подвеса светильника над рабочей поверхностью:
8-(0,7+0,8) = 6,5 м
Определим количество светильников, но предварительно определим расстояние между светильниками:
L = hр ∙ λ = 6,5 ∙ 1,5 = 9,75 м
Располагаем светильники в шахматном порядке по длине 4 шт., по ширине 3 шт. Всего 12 шт.
Вычисляем индекс помещения:
| i= | A ∙ B | = | 48 ∙ 35 | = 3,11 |
| hр ∙ (A + B) | 6,5 ∙ (48 + 35) |
При принятом значении коэффициентов отражения и индекса помещения i, находим коэффициент использования светового потока:
η = 0,55 (табл 4, [1])
Определим расчетный световой поток одной лампы:
| Фл= | Е ∙ кз ∙ S ∙ z |
| N ∙ η |
где,
Е – заданная освещенность, лк
кз – коэффициент запаса, кз =1,5;
S – площадь помещения, м2
z – отношение средней освещенности к минимальной
N – кол-во светильников, шт
η – коэффициент использования светового потока.
| Фл= | 200 ∙ 1,5 ∙ 1680 ∙ 1,15 | = 87818,18 лм |
| 12 ∙ 0,55 |
Выбираем ртутные лампы высокого давления марки ДРИ-1000, номинальный световой поток которой Ф = 103000 лм.
Проверяем расхождение расчетного и номинального световых потоков лампы. Допускается отклонение светового потока выбранной лампы от расчетного в пределах -10 + 20 %.
| Ф - Фл | ∙ 100 % = | 103000 + 87818,18 | ∙100 % = 14,74% |
| Ф | 103000 |
Данное значение находится в допустимых пределах.
Определим фактическую минимальную освещенность рабочей поверхности, с учетом выбранной лампы.
| Еmin = | Е ∙ Ф | = | 200 ∙ 103000 | = 234,58 лк |
| Фл | 87818,18 |
Определим полную мощность:
Рп = B ∙ Рл = 12 ∙ 1000 = 12000 Вт
Определим фактическую мощность:
| Рфакт = | Рп | = | 12 | = 7,14 Вт |
| S | 1680 |
Выбираем светильник типа "Глубокоизлучатель" – Гс-1000, который предназначен для освещения производственных помещений высотой более 6 м, с нормальными условиями среды.
Вывод:
Определен световой поток ламп Фл = 87818,18 лм, по нему выбран тип ламп ДРИ-1000, в количестве 12 штук. Определена общая мощность осветительной установки Рп = 12000 Вт, и фактическая Рфакт = 7,14 Вт
Результаты светотехнического расчета приведены в светотехнической ведомости.
| Наим. Помещ. | Размеры помещения | Коэф. Отражения ρ | Ен, кл | Кз | N | тип светильника Вт |
Свет поток лампы лм |
||||
| длина | шир | выс | пола | стен | пот | ||||||
| цех | 48 | 35 | 8 | 10 | 30 | 50 | 200 | 1,5 | 12 | Гc-1000 | 103000 |
5. Электрический расчет
5.1 Исходные данные
| Характеристика цеховой подстанции | |||
| по месту установки | встроенная | ||
| по кол-ву трансформаторов | 2 | ||
| координаты размещения | х= | 20 | |
| у= | 42 | ||
| Напряжение на шинах РУНН, кВ | 0,4 | ||

рис.1 Размещение подстанции на плане цеха.
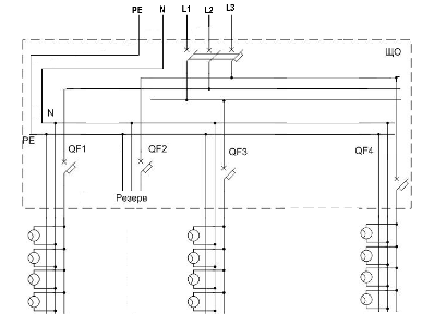
Осветительную сеть на основе ПУЭ делят на:
· питающая;
· распределительная;
· групповая.

рис. 2 Схема питающей и распределительной сети освещения: 1 – питающая сеть; 2 -- распределительная сеть; 3 – групповые щитки рабочего освещения; 4 – щиток аварийного освещения.

рис.3 Принципиальная трехлинейная схема групповой сети освещения.
5.2 Определение расчетной мощности освещения.

Исходные данные:
Р = 1000 Вт
ΔРПРА = 10 %
cos φ = 0,87
tg φ = 0,57
Кс = 1
Активная расчетная мощность:
Рр = Руст ∙ Кс
Реактивная расчетная мощность:
Qр = Pp ∙ tg φ
Полная мощность:
| Pp = | Pp |
| cos φ |
Расчетный ток для трехфазных сетей:
![]()
Расчетный ток для однофазных сетей:
| Ip = | Sp |
| Uнф |
Результаты расчетов занесем в таблицу.
| Участок сети | Руст кВт | Qр, кВАр | Sp, кВт | Ip, А | |
| 5 | 6 | 1 | 0,57 | 1,15 | 3,02 |
| 4 | 5 | 2 | 1,14 | 2,30 | 6,03 |
| 3 | 4 | 3 | 1,71 | 3,45 | 9,05 |
| 2 | 3 | 4 | 2,28 | 4,60 | 12,07 |
| 1 | 2 | 5 | 2,85 | 5,75 | 15,08 |
По расчетному току для участка 2-13 выбираем провод АПУН, r0 = 1,98 Ом/км, Iдоп = 75 А, сечение - 15,9 мм2 . Для участка 1-2 ― выбираем провод АПВ, r0 = 0,75 Ом/км, Iдоп = 180 А, сечение - 50 мм2 .
5.3 Расчет электрических осветительных сетей.
Iдоп ≥ Iр
Допустимые потери напряжения в осветительных сетях составляют от 3,6 до 6,8 % при коэффициентах мощности на шинах подстанции cos φ = 0,8.
ΔUдоп ≥ UΣр
Для однофазных сетей ![]()
Для однофазных сетей ΔUф = Iр (R·cosφ + x·sinφ)
R>>x
cosφ >> sinφ
ΔUф = Iр · R·cosφ
ΔUф = 5%
ΔU = I ·R cosφ = I · r0 ∙ l· cosφ
| r0 = | ΔUдоп |
| l · I · cosφ |
| Участок сети | Ip, А | сеч. мм2 | Iдоп, А | r0, Ом/км | l, км | ΔU, В | ΔU, % | |
| 5 | 6 | 3,02 | 15,90 | 75,00 | 1,98 | 0,00975 | 0,051 | 0,023 |
| 4 | 5 | 6,03 | 15,90 | 75,00 | 1,98 | 0,00975 | 0,101 | 0,046 |
| 3 | 4 | 9,05 | 15,90 | 75,00 | 1,98 | 0,00975 | 0,152 | 0,069 |
| 2 | 3 | 12,07 | 15,90 | 75,00 | 1,98 | 0,00975 | 0,203 | 0,092 |
| 1 | 2 | 15,08 | 15,90 | 75,00 | 1,98 | 0,00975 | 0,253 | 0,115 |
| Итого | 0,345 | |||||||
Итого: 0,345 %
6. Выбор автоматических выключателей
Условия выбора:
ΔUн = Uн сети
Iн р ≥ Iр
Iн авт ≥ Iн р
Iн откл ≥ Iп (3)
Защита должна зафиксировать опасный для сети ток:
| Iк (3) | ≥ 3 |
| Iн р |

