| Скачать .docx |
Реферат: Исследование трехфазного двухобмоточного трансформатора
Министерство образования Российской Федерации
Пермский Государственный Технический Университет
Кафедра электротехники и электромеханики
Лабораторная работа № 5
«Исследование трехфазного двухобмоточного трансформатора»
Выполнил: студент гр.
Проверил: ст. преподаватель
Пермь, 2005
Цель работы: изучение устройства трехфазного трансформатора и исследование его свойств путем проведения опытов холостого хода и короткого замыкания.
Рабочее задание.
1. Ознакомимся с устройством исследуемого трехфазного трансформатора и запишем его паспортные данные в табл. 1.
| Фабричн. номер | Тип | Номин. мощность, кВА | При соединении |
|||
| U1 Н , В | U2Н , В | I1Н , А | I2Н , А | |||
| 18625 | ТС-2,5/0,5 | 2,5 | 380 | 230 | 3,8 | 6,3 |
табл. 1
При соединении в звезду номинальные значения тока в первичной и вторичной обмотках трансформатора определяются по формулам:
, ![]()
где
– номинальная мощность трансформатора;
– номинальные значения линейных напряжений первичной и вторичной цепи.
2. Записываем паспортные данные электроизмерительных приборов в табл. 2.
№ п/п |
Наименованное прибора |
Заводской номер |
Тип | Система измерения |
Класс точности |
Предел измерений |
Цена деления |
| 1 | Вольтметр | Э30 | ЭМ | 1.5 | 500 В | 20 В | |
| 2 | Вольтметр | Э34 | ЭМ | 1.0 | 300 В | 10 В | |
| 3 | Вольтметр | Э30 | ЭМ | 1.5 | 30 В | 1 В | |
| 4 | Амперметр | Э30 | ЭМ | 1.5 | 5 А | 0.2 А | |
| 5 | Амперметр | Э30 | ЭМ | 1.5 | 5 А | 0.2 А | |
| 6 | Амперметр | Э30 | ЭМ | 1.5 | 5 А | 0.2 А | |
| 7 | Ваттметр | Д539 | ЭД | 0.5 | 3000 Вт | 20 Вт | |
| 7 | Ваттметр | Д539 | ЭД | 0.5 | 3000 Вт | 20 Вт |
табл. 2.
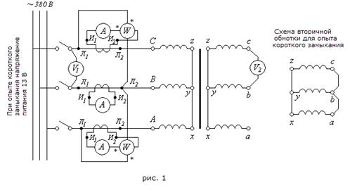
3. Для испытания трансформатора собирается электрическая цепь по схеме, приведенной на рис. 1. К зажимам А, В, С обмотки высшего напряжения подводят напряжение 380 В. Амперметры и токовые обмотки ваттметров включаются через трансформаторы токов.

4. Проводим опыт холостого хода. Показания приборов записываем в табл. 3.
| U1 , В | U2 , В | IА , А | IВ , А | IС , А | W1 , дел. | W2 , дел. | CW , Вт/дел. | KI | K |
| 375 | 230 | 2,21 | 1,7 | 2,3 | 32 | -21 | 20 | 0,2 | 1,63 |
табл. 3
По данным табл. 2 рассчитываем коэффициент трансформации:
![]()
мощность холостого хода:
![]()
ток холостого хода:
![]()
коэффициент мощности в режиме холостого хода:
![]()
Активная мощность, потребляемая трансформатором при холостом ходе, расходуется на потери в стали трансформатора, так как потери в меди первичной обмотки от тока холостого хода ничтожны, т.е.
.
5. Проводим опыт короткого замыкания. Включив трансформатор на пониженное напряжение
, записываем показания приборов в табл. 4.
| IА , А | IВ , А | IС , А | U1К , В | W1 , дел. | W2 , дел. | CW , Вт/дел. | KI |
| 2,3 | 2,2 | 2,35 | 10,8 | 10 | 4 | 2,5 | 1 |
табл. 4.
На основании опытных данных определяются ток и мощность короткого замыкания:
![]()
![]()
коэффициент при коротком замыкании:
![]()
Если опыт проводится при
, то мощность короткого замыкания пересчитывается на номинальный ток:

6. Зависимость к.п.д. трансформатора от нагрузки определяется расчетным путем. При этом величину нагрузки трансформатора удобно характеризовать коэффициентом загрузки:
![]()
При значениях коэффициента загрузки трансформатора, равных 0,25; 0,5; 0,75; 1,0; 1,5 рассчи-тываются:
полезная мощность
![]()
потери в обмотках
![]()
потребляемая мощность
![]()
коэффициент полезного действия трансформатора
![]()
Расчеты выполняются при
. Результаты расчета записываем в табл. 5
| β | P2 , Вт | PM , Вт | P1 , Вт | η | Исходные данные |
| 0 | 0,0 | 0,0 | 44,0 | 0,0000 |
|
| 0,25 | 500,0 | 6,1 | 550,1 | 0,9090 | |
| 0,5 | 1000,0 | 24,3 | 1068,3 | 0,9361 | |
| 0,75 | 1500,0 | 54,7 | 1598,7 | 0,9383 | |
| 1,0 | 2000,0 | 97,2 | 2141,2 | 0,9341 | |
| 1,5 | 3000,0 | 218,7 | 3262,7 | 0,9195 | |
| βопт =0,67 | 1345,6 | 44,0 | 1433,6 | 0,9386 |
табл. 5
Определяем оптимальный коэффициент загрузки, при котором к.п.д. будет максимальным. Это имеет место при равенстве потерь в обмотках и стали трансформатора. То есть при
![]()
откуда
.
Полученное значение
заносится в табл. 5 ,и по нему определяем
.
Вывод: при увеличении мощности потребителя во вторичной обмотке трансформатора от 0 до примерно 1430 Вт КПД трансформатора возрастает и достигает наибольшего значения в 0.9386 при P2 = 1433.6 Вт. На этом участке потери в обмотках трансформатора меньше потерь в стали, в точке максимума КПД потери в меди и стали выравниваются.
При дальнейшем увеличении мощности потребителя КПД начинает падать, потери в меди об-моток трансформатора становятся больше потерь в стали.