| Скачать .docx |
Дипломная работа: Расчет устройств релейной защиты и автоматики системы электроснабжения
Задание
Рассчитать уставки устройств релейной защиты и автоматики (РЗ и А) системы электроснабжения принципиальная схема, которой представлена на рис. 1.

Рис. 1. Принципиальная схема системы электроснабжения
Разработать защиту от всех видов повреждения для трансформаторов Т1 и Т2 и защиту линий W1 и W2. Работу выполнить в следующем объеме:
1. Рассчитать токи короткого замыкания (ТКЗ) в объеме, необходимом для выбора установок и проверки чувствительности.
2. Выбрать места установки и типы релейной зашиты (РЗ).
3. Выбрать трансформаторы тока и трансформаторы напряжения.
4. Рассчитать уставки защит, выбрать типы реле, проверить чувствительность защит.
5. Выбрать плавкие вставки для предохранителей и уставки автоматов.
6. Определить выдержки времени защит от двигателя до шин главной
понизительной подстанции (ГПП).
7. Составить принципиальные схемы выбранных защит.
8. Определить селективность действия защит.
9. Защиту линии и трансформаторов выполнить на переменном оперативном токе.
Разработать РЗ двигателей, данные которых приведены в табл. 1.
1. Рассчитать токи КЗ.
2. Выбрать трансформаторы тока.
3. Выбрать тип защиты и тип реле, определить уставки и чувствительность защиты.
4. Составить и вычертить принципиальную схему РЗ.
Разработать схему автоматического включения резерва (АВР) секционных выключателей.
Таблица 1. Параметры двигателей
| Параметр | Двигатель | |||||||
| асинхронный | синхронный | |||||||
| М1 | М2 | М3 | М4 | М5 | М6 | М7 | М8 | |
| Номинальное напряжение, кВ | 0,38 | 6 | ||||||
| Номинальная мощность, кВт | 5 | 60 | 7,5 | 5,5 | 4 | 15 | 1000 | |
| Условия пуска | легкий | 6 | ||||||
| Коэффициент мощности cos |
0,87 | 0,9 | ||||||
| Коэффициент полезного действия, % | 85 | 93 | ||||||
| Мощность КЗ, МВА | - | 70 | ||||||
| Обороты, об/мин | 1000 | |||||||
Таблица 2. Параметры синхронных генераторов
| Номинальное напряжение, кВ | 6,3 |
| Номинальная мощность, кВт | 2000 |
| Емкость обмотки статора для трех фаз, мкФ | 0,077 |
| Коэффициент мощности, cos |
0,8 |
| Сверхпереходное сопротивление, |
0,1 |
Таблица 3. Параметры трансформаторов
Трансформатор |
Номинальное напряжение, кВ |
Номинальная мощность, МВА |
Напряжение КЗ, % |
|
| ВН | НН | |||
| Т1, Т2 | 110 | 35 | 10 | 10,5 |
| Т9, Т10 | 35 | 0,4 | 2,5 | 6,5 |
Таблица 4. Параметры системы и линий
| Элемент | Номинальное напряжение, кВ |
Мощность КЗ, МВА |
Длина линий, км |
| Система | 110 | 2000 | |
| W1, W2 | 110 | 30 | |
| W3, W4 | 35 | 3 |
Таблица 5. Параметры дуговых сталеплавильных печей и конденсаторных установок
Элемент |
Номинальное напряжение, кВ | Мощность |
Вид регулирования |
| СА1, СА2 | 10 | 1480 кВт | по току и напряжению |
| ВС1, ВС2 | 6 | 400 квар | В функции cos |
Введение
Целью данного курсового проекта является расчет устройств РЗ и А системы электроснабжения. При работе элементов систем электроснабжения возможно возникновение ненормальных и аварийных режимов. К ним относятся короткие замыкания, перегрузки, понижение уровня напряжения, частоты и другие.
Повреждения и ненормальные режимы должны быть устранены, и это является основным назначением устройств релейной защиты и системной автоматики.
К устройствам релейной защиты предъявляются следующие требования: селективность, необходимое быстродействие, чувствительность и надежность. Перечисленные требования удовлетворяются правильным выбором устройств релейной защиты, схем соединения устройств РЗ, расчётом установок срабатывания.
1. Расчет токов короткого замыкания
Расчет токов короткого замыкания проводим в относительных единицах. Все полученные величины приведены к базовым условиям. Базовую мощность принимаем равной:
= 1000 МВА.
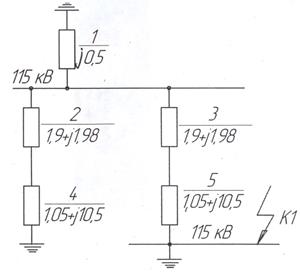
Схема замещения приведена на рисунке 1.1:

Рис. 1.1. Схема замещения
Определим сопротивления схемы замещения:
Сопротивление системы согласно [l.стр. 131]:
, (1.1)
где SK3 - мощность короткого замыкания системы.
.
Определим параметры линий 110 кВ (нагрузкой являются трансформаторы Т1 и Т2) с учетом допустимой перегрузки трансформатора согласно [1,стр.213):
, (1.2)
где ![]()
- номинальная мощность трансформатора, кВА,
- номинальное напряжение трансформатора кВ.
А
Выбор сечения проводов проводим по экономической плотности тока [1, стр.232].
(1.3)
где
- экономическая плотность тока, при
ч
для сталеалюминиевых проводов,
= 1
[3, стр.266]; I, A –ток на участке сети.
![]()
Принимаем провод АС-70/11 сечением 70
; с удельными сопротивлениями:
Ом/км и реактивным сопротивлением
Ом/км. [3, стр.577].
Сопротивление ЛЭП согласно [1, стр.131]:
(1.4)
где
- среднее значение напряжения на шинах в месте короткого замыкания,
l – длина ЛЭП.
![]()
![]()
![]()
Определяем параметры линий 35 кВ. Нагрузкой линии 35 кВ, при простое второй будут трансформаторы Т7, Т8, Т9 и Т10. Так как параметры трансформаторов Т7 и Т8 не даны, принимаем для расчета нагрузку этих трансформаторов – четыре синхронных двигателя:
(1.5)
где
,
,
- параметры синхронного двигателя ( табл. 1 )
А
Выбор сечения питающего кабеля проводим по экономической плотности тока.
При ![]()
ч
для кабелей с бумажной пропитанной изоляцией с алюминиевыми жилами
= 1,4
[3, стр.266].
![]()
![]()
Принимаем 2 кабеля ААБ-35-(3Ч185) общим сечением 370
; с удельными сопротивлениями
Ом/км и
Ом/км. [2, стр.421].
![]()
![]()
![]()
Сопротивление трансформаторов согласно [1, стр.131]:
(1.6)
где
- номинальная мощность трансформатора;
- напряжение короткого замыкания;
![]()
Для трансформатора мощностью 10МВА соотношение x/r составляет порядка 10.
Исходя из этого, принимаем:
![]()
![]()
для трансформатора блока 2 МВт принимаем [1, стр.613] ![]()
![]()
Для трансформатора мощностью 2,5 МВА соотношение x/r составляет порядка 6.
Исходя из этого, принимаем:
![]()
![]()
![]()
Для трансформатора мощностью 2,5 МВА соотношение x/r составляет порядка 6.
Исходя из этого, принимаем:
![]()
![]()
Сопротивление генераторов согласно [1, стр.131]:
(1.7)
![]()
для генератора мощностью 2 МВА соотношение x/r составляет порядка 15. Исходя из этого, принимаем:
![]()
![]()
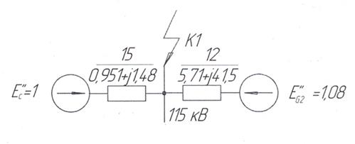
Расчет токов КЗ для точки К1
Упростив схему замещения относительно точки К1 получаем схему, представленную на рис 1.2.
![]()
![]()
![]()
![]()

Рис. 1.2. Упрощенная схема замещения
Базовый ток согласно [1, стр.142]:
(1.8)
где
- среднее значение напряжения в месте короткого замыкания (115 кВ).
кА .
Начальное значение периодической составляющей тока короткого замыкания согласно [1, стр.137]:
(1.9)
где
- ЭДС источника в относительных единицах [1, стр.130].
Значение периодической составляющей тока короткого замыкания по ветвям:
Ветвь энергосистемы ( сопротивление ветви составляет 1,76 отн. ед.):
кА
Ветвь генератора G2 ( сопротивление ветви составляет 41,89 отн. ед.):
кА
Общий ток:
кА
Определим величину ударного тока [1, стр.148]:
![]()
(1.10)
где
- ударный коэффициент:
(1.11)
где:
- угол между векторами тока и напряжения в момент короткого замыкания;
(1.12)
- постоянная времени затухания апериодической составляющей тока короткого замыкания;
(1.13)
- угловая частота;
(1.14)
Ветвь энергосистемы:
![]()
![]()
![]()
![]()
кА
Ветвь генератора G2:
![]()
![]()
![]()
кА.
Суммарный ударный ток короткого замыкания в точке К1:
![]()
кА .
Определим величину апериодической составляющей тока короткого замыкания.
Согласно [1, стр.151]:
(1.15)
(1.16)
- время действия релейной защиты ( принимаем
= 0,01 с );
- собственное время отключения выключателя.
При установке выключателя ВВБК-110Б-50, собственное время отключения выключателя составит
= 0,045 с [1, стр.630]:
Тогда t= 0,01+0,045 = 0,055 с .
Ветвь энергосистемы:
![]()
Ветвь генератора G2:
кА
Суммарная апериодическая составляющая тока короткого замыкания в точке К1 в момент времени t = 0,055 с:
кА .
Определим величину периодической составляющей тока короткого замыкания для момента времени t = 0,055 с .
Периодическая составляющая тока короткого замыкания от энергосистемы в любой момент времени неизменна:
кА .
Ветвь генератора G2:
Так как генератор значительно удален от точки короткого замыкания ( за двумя ступенями трансформации), принимаем:
кА .
Общая величина периодической составляющей тока короткого замыкания в точке К1 в момент времени t = 0,055 с составит:
кА .
Расчет несимметричных токов короткого замыкания
Для упрощения расчетов принимаем величины сопротивления обратной последовательности всех элементов схемы, (включая синхронные генераторы) равными величинам сопротивлений прямой последовательности:
(1.17)
Схема замещения нулевой последовательности представлена на рисунке 2.1:

Рис. 2.1. Схема замещения нулевой последовательности.
Согласно [1, стр.160]: справедливо соотношение
для одноцепных ЛЭП со стальным тросом, заземлённым с одной стороны. Тогда:
(1.18)
![]()
Величины сопротивлений нулевой последовательности остальных элементов схемы, равны величинам соответствующих сопротивлений прямой последовательности [1, стр.160].
Двухфазное короткое замыкание.
(1.19)
Значение периодической составляющей тока короткого замыкания по ветвям:
Ветвь энергосистемы (
= 1,76 отн. ед. ):
кА
Ветвь генератора G2 (
= 41,89 отн. ед. ):
кА
Общий ток:
кА
Определим величину ударного тока:
Ветвь энергосистемы:
кА
Ветвь генератора:
кА .
Суммарный ударный ток короткого замыкания в точке К1:
кА .
Определим величину апериодической составляющей тока короткого замыкания:
Ветвь энергосистемы:
![]()
Ветвь генератора G2:
кА
Суммарная апериодическая составляющая тока короткого замыкания в точке К1 в момент времени t = 0,055 c :
кА .
Величину периодической составляющей тока короткого замыкания в точке К1 в момент времени t = 0,055 с считаем неизменной:
кА .
Двухфазное короткое замыкание на землю.
Преобразуем схему замещения нулевой последовательности относительно точки К1.
![]()
![]()
![]()
отн. ед.
Результирующее сопротивление согласно [1, стр.168]:
(1.20)
отн. ед.
отн. ед.
Начальное значение периодической составляющей тока короткого замыкания согласно [1, стр.168]:
(1.21)
кА
Определим величину ударного тока:
![]()
![]()
![]()
![]()
кА
Величина апериодической составляющей тока короткого замыкания для момента времени: t = 0,055 с.
![]()
Величина периодической составляющей тока короткого замыкания для момента времени: t =0,055 с.
кА .
Однофазное короткое замыкание на землю.
Результирующее сопротивление согласно [1, стр.168]:
(1.22)
отн. ед.
Начальное значение периодической составляющей тока короткого замыкания согласно [1, стр.168]:
(1.23)
кА
Определим величину ударного тока:
![]()
![]()
![]()
кА
Расчеты токов КЗ для других точек аналогичны расчётам для точки К1. Результаты расчётов приведены в табл. 1.1.
Таблица 1.1 Сводная таблица результатов расчёта токов короткого замыкания
| Точка КЗ | Вид повреждения | Источник | ||
КЛ (ВЛ 110 кВ) |
Трехфазное КЗ | Система: | 2,85 | 4,7 |
| Генератор G2: | 0,13 | 0,3 | ||
| Итого: | 2,98 | 5 | ||
| Двухфазное КЗ | Система: | 2,47 | 4,06 | |
| Генератор G2: | 0,11 | 0,25 | ||
| Итого: | 2,58 | 4,31 | ||
| Однофазное КЗ на землю | Итого: | 0,89 | 1,75 | |
К2 (РУ 35 кВ) |
Трехфазное КЗ | Итого: | 1,84 | 4,17 |
| Двухфазное КЗ | Итого: | 1,6 | 3,63 | |
К3 (Сторона ВН ГПП) |
Трехфазное КЗ | Итого: | 1,75 | 3,87 |
| Двухфазное КЗ | Итого: | 1,52 | 3,35 | |
К4 (РУ 0,4 кВ) |
Трехфазное КЗ | Итого: | 40,9 | 91,5 |
| Двухфазное КЗ | Итого: | 35,42 | 79 | |
| Однофазное КЗ на землю | Итого: | 44,68 | 99,8 | |
К5 (РУ 6 кВ) |
Трехфазное КЗ | Итого: | 2,6 | 4,1 |
| Двухфазное КЗ | Итого: | 2,25 | 5,03 |
2. Выбор тока плавкой вставки предохранителей для защиты асинхронного электродвигателя
При выборе предохранителей для защиты асинхронных двигателей руководствуемся рекомендациями, изложенными в [4, стр.98-стр.116].
Условия выбора предохранителя:
![]()
![]()
(2.2)
где
- номинальный ток плавкой вставки, А;
- номинальный ток двигателя, А;
- коэффициент, учитывающий условия пуска двигателя;
= 1,6 ч 2,0 при тяжелом пуске;
= 2,5 при легком пуске;
- пусковой ток двигателя, А.
(2.3)
(2.4)
где
- кратность пускового двигателя ( 5ч7 );
- номинальные величины мощности, напряжения, коэффициента мощности и КПД двигателя.
Для двигателя М1:
А
А
А
Принимаем к установке предохранитель типа: НПН2;
= 63 А;
= 25 А; [2, стр.371].
Для остальных двигателей расчеты аналогичны. Результаты расчетов приведены в табл. 2.1.
Таблица 2.1 Результаты выбора предохранителей
| Двигатель | Предохранитель | ||||||
| Тип | |||||||
| М1 | 5 | 10,27 | 51,35 | 20,54 | НПН2 | 63 | 25 |
| М2 | 60 | 123,27 | 616,35 | 246,54 | ПН2 | 250 | 250 |
| М3 | 7,5 | 15,41 | 77,05 | 30,82 | НПН2 | 63 | 32 |
| М4 | 5,5 | 11,3 | 56,5 | 22,6 | НПН2 | 63 | 25 |
| М5 | 4 | 8,22 | 41,1 | 16,44 | НПН2 | 63 | 20 |
| М6 | 15 | 30,82 | 154,1 | 61,64 | НПН2 | 63 | 63 |
Предохранитель FU3, от которого запитана группа электродвигателей, выбирается согласно следующих условий:
, (2.5)
, (2.6)
где
и
-пусковой и номинальный ток максимального по мощности двигателя, питающегося от выбираемого предохранителя, А;
- коэффициент спроса для этого двигателя (так как не дано иное, принимаем
=1);
- расчетный ток двигателей, питающихся от выбираемого предохранителя, А.
(2.7)
А
А .
Принимаем к установке предохранитель типа ПН2;
= 400 А;
= 355 А; [2, стр.371].
Для обеспечения селективности действия защиты для предохранителя FU2 принимаем плавкую вставку с номинальным током:
= 630 А.
Предохранитель типа: ПН2;
= 630 А;
= 630 А; [2, стр.371].
3. Выбор установок автоматов
При выборе автоматов для защиты асинхронных двигателей руководствуемся рекомендациями, изложенными в [4, стр.98-стр.116].
Условия выбора:
(3.1)
(3.2)
где
- номинальный ток уставки теплового расцепителя автомата, А;
- номинальный ток уставки электромагнитного расцепителя автомата, А;
Автомат для двигателя М1:
А
А
Выбираем автомат типа АЕ 2023М,
=12,5 А,
= 87,5 А, без выдержки времени (t = 0 с.).
Для остальных двигателей выбор производится аналогично. Результаты приведены в таблице 3.1.
Таблица 3.1 Результаты выбора автоматического выключателей
| Двигатель | Предохранитель | |||||
| Тип | ||||||
| М1 | 10,27 | 51,35 | 64,19 | АЕ 2023 | 12,5 | 87,5 |
| М2 | 123,27 | 616,35 | 770,44 | АЕ 2063 М | 160 | 800 |
| М3 | 15,41 | 77,05 | 96,31 | АЕ 2023 | 16 | 112 |
| М4 | 11,3 | 56,5 | 70,63 | АЕ 2023 | 12,5 | 87,5 |
| М5 | 8,22 | 41,1 | 51,38 | АЕ 2023 | 10 | 70 |
| М6 | 30,82 | 154,1 | 192,63 | АЕ 2043 М | 31,5 | 220,5 |
Выбор автомата QF3.
Автомат, от которого запитана группа двигателей выбирается по следующим условиям:
(3.3)
(3.4)
где
- возможный кратковременный ток через автомат, А.
(3.5)
А
А
А
Принимаем автомат типа АВМ-4Н,
= 200 А,
= 1000 А [2 стр.371].
Принимаем такой же автомат и для QF2. Автоматы типа АВМ – 4Н имеют регулируемую (0-10 с ) выдержку времени, что позволяет получить требуемую ступень селективности.
Выбор автомата QF1.
Ток уставки автомата определяем из условия:
(3.6)
где
- номинальный ток трансформатора Т9.
А
А
Принимаем автомат серии Э «Электрон» типа ЭО40С,
= 6300 А [2 стр.379].
4. Проверка чувствительности предохранителя
Чувствительность предохранителя обеспечивается, если выполняется условие:
(4.1)
где
= 44680 А – ток однофазного замыкания на землю (табл. 1.1).
Для двигателя М1:
А;
Для двигателя М2:
А;
Для двигателя М3:
А;
Для двигателя М4:
А;
Для двигателя М5:
А;
Для двигателя М6:
А;
Предохранитель FU3:
А;
Предохранитель FU2:
А.
Рассчитанная величина тока КЗ значительно превышает полученные величины, следовательно предохранители обладают достаточной чувствительностью.
5. Проверка чувствительности автоматов
Чувствительность автоматов обеспечивается, если выполняется условие:
(5.1)
где
= 44680 А – ток однофазного замыкания на землю (табл. 1.1).
Для двигателя М1:
А;
Для двигателя М2:
А;
Для двигателя М3:
А;
Для двигателя М4:
А;
Для двигателя М5:
А;
Для двигателя М6:
А;
Автомат QF3 (QF2):
А.
Автоматы обладают достаточной чувствительностью.
Чувствительность вводного автомата проверяем по условию:
(5.2)
где
=35420 А – ток
фазного КЗ на стороне НН трансформатора (табл. 1.1);
![]()
Вводной автомат обладает достаточной чувствительностью.
6. Время срабатывания предохранителя и автомата
Время срабатывания плавкой вставки предохранителя определяем по типовым характеристикам зависимости времени сгорания плавкой вставки предохранителя от величины тока, протекающего по предохранителю [8, стр.384].
При токе КЗ
=40900 А время сгорания плавкой вставки предохранителя составит:
Для двигателя М1:
с;
Для двигателя М2:
с;
Для двигателя М3:
с;
Для двигателя М4:
с;
Для двигателя М5:
с;
Для двигателя М6:
с;
Предохранитель FU3:
с;
Предохранитель FU2:
с.
Время срабатывания автомата с мгновенным расцепителем равно нулю, т.е. автоматы, защищающие двигатели, срабатывают мгновенно.
Время срабатывания автомата QF3, защищающего группу двигателей, принимаем на ступень селективности больше, чем у автоматов двигателей.
(6.1)
- ступень селективности, принимаем равной 0,2 с.
с
с
с
7. Проверка селективности между элементами релейной защиты
Селективность между последовательно установленными предохранителями соблюдается, если выполняется условие [8,стр.384]:
(7.1)
где
- время сгорания плавкой вставки предохранителя, расположенного ближе к источнику питания;
- время сгорания плавкой вставки предохранителя, расположенного ближе к нагрузке; коэффициент 1,7-3 учитывает конструктивные особенности плавких вставок.
Наибольшее время сгорания имеет предохранитель, защищающий двигатель М2
с.
с,
чем меньше времени, определенного для FU3 по типовым характеристикам:
с.
с,
чем меньше времени, определенного для предохранителя FU2 по типовым характеристикам:
с.
Селективность действия автоматических выключателей обусловлена выдержками времени рассчитанными в Пункте 6.
8. Расчет защиты двигателей напряжением 6 кВ
Синхронные электродвигатели защищают от следующих повреждений и ненормальных режимов работы:
- от междуфазных КЗ обмотки статора;
- от замыканий на землю обмотки статора;
- от перегрузки;
- от понижения напряжения.
Защита от междуфазных КЗ в обмотке статора
Для защиты двигателя от междуфазных КЗ в обмотке статора применяем токовую отсечку с использованием токовых реле типа РТ-40. Схема соединения трансформаторов тока неполная звезда. Ток срабатывания отсечки отстраивается от пускового тока двигателя, согласно [6,стр.379]:
(8.1)
где
- коэффициент надежности,
=1,4 для реле серии РТ-40.
Номинальный ток двигателя:
(8.2)
где
- параметры синхронного двигателя (табл. 1)
А
Пусковой ток двигателя:
А
А
Ток срабатывания реле согласно [6,стр.379]:
(8.3)
где
- коэффициент схемы,
= 1 для схемы соединения трансформаторов тока неполная звезда;
- коэффициент трансформации трансформаторов тока.
Принимаем трансформатор тока типа ТВЛМ6-УЗ;
=150 А,
= 5 А [2,стр.294].
А
Для выполнения защиты применяем токовое реле РТ-40/50 с током срабатывания
=32 А, соединение катушек параллельное, указательное реле РУ-21/0,05 и промежуточное реле РП-23,
=220 В.
Коэффициент чувствительности защиты согласно [6,стр.379]:
(8.4)
где
=2250 А – ток двухфазного КЗ в сети 6 кВ (табл. 1.1).
![]()
что удовлетворяет условию проверки.
Защита от замыканий на землю обмотки статора
Защита от замыканий на землю выполняется на токовом реле, подключаемом к трансформатору тока нулевой последовательности с подмагничиванием. Ток срабатывания защиты согласно [7,стр.401]:
(8.5)
где
= 1,25 – коэффициент надежности;
- коэффициент, учитывающий бросок собственного емкостного тока двигателя при внешних перемежающихся замыканиях на землю (для защиты без выдержки времени принимают
=3,5 );
- собственный ток замыкания на землю.
(8.6)
где
=314
- угловая частота; ![]()
- номинальное напряжение двигателя, кВ;
- емкость двигателя, мкФ/фазу:
(8.7)
где k – коэффициент, учитывающий класс изоляции (k=40 для класса изоляции В);
S – номинальная мощность двигателя, кВА;
- скорость вращения ротора двигателя (данные на двигатель в табл. 1).
Номинальная мощность двигателя:
кВА;
мкФ/фазу
А
А
Так как ток срабатывания защиты не превышает 10 А (для двигателей до 2000 кВт), защиту от замыканий на землю не устанавливаем.
Защита от перегрузок
Для защиты двигателей от перегрузки используем однорелейную токовую защиту. Ток срабатывания защиты согласно [7,стр.379]:
(8.8)
где
=1,2;
- коэффициент возврата (для реле РТ-40:
=0,8);
А
Ток срабатывания реле:
А
Для выполнения защиты выбираем токовое реле РТ-40/10 с током срабатывания
= 5,75 А. Соединение катушек параллельное. Для создания выдержки времени применяем реле времени ЭВ-143 с временем срабатывания 15 с.
Защита от понижения напряжения
Напряжение срабатывания защиты согласно [7,стр.394]:
(8.9)
кВ
Напряжение срабатывания реле:
(8.10)
где
=1,25;
=1,2 для реле минимального напряжения РН-54;
- коэффициент трансформации трансформатора напряжения.
Принимаем трансформатор напряжения НТМИ-6-66:
=6 кВ,
=100 В, [1,стр.634].
В
Для выполнения защиты применяем реле напряжения РН-54/160 с
=47 В (первый диапазон). Для создания требуемой выдержки времени применяем реле времени ЭВ-123. Время срабатывания защиты принимаем 1 с, считая защищаемый двигатель неответственным.
Проверка трансформаторов тока на 10% погрешность
При проверке руководствуемся рекомендациями, изложенными [8,стр.330].
Определим сопротивление нагрузки на трансформатора тока.
(8.11)
где
- сопротивление соединительных проводов, Ом;
- сопротивление обмоток реле, включенных в фазный провод, Ом;
- сопротивление обмоток реле, включенных в нулевой провод, Ом;
=0,1 Ом – переходное сопротивление контактов.
Сопротивление проводов:
(8.12)
где
- удельное сопротивление материала провода (
=0,0283
, для алюминия);
- расчетная длина соединительных проводов от трансформатора тока до реле (
=5 м);
- сечение провода (
=4 мм
).
Сопротивление реле:
(8.13)
где
- потребляемая мощность реле, ![]()
( для РТ-40/50:
=0,8 ВА; для РТ-40/10:
=0,5 ВА);
- ток срабатывания реле, А.
Ом
Ом
Ом
Ом
Кратность расчетного тока срабатывания к номинальному току трансформатора тока составит:
(8.14)
где
=1,2 – коэффициент, учитывающий наличие апериодической составляющей тока КЗ;
=0,8 – коэффициент. учитывающий возможное ухудшение характеристик намагничивания трансформаторов тока.
![]()
По кривой 10% погрешности трансформатора тока, с учетом кратности первичного тока срабатывания, определяем ![]()
Ом, что больше расчетного 0,1764 Ом [6,стр.340].
Трансформаторы тока будут работать в заданном классе точности.
Схема защиты приведена в приложении.
9. Расчет защиты цехового трансформатора
Защита предусматривается от следующих повреждений и ненормальных режимов:
- от междуфазных КЗ в обмотках трансформатора и на их выводах;
- от витковых замыканий;
- защита от внешних КЗ;
- перегрузки;
- снижение уровня масла в баке трансформатора.
Защита трансформатора от междуфазных КЗ
Для защиты трансформатора от междуфазных КЗ применяем токовую отсечку без выдержки времени. Схема соединений трансформатора тока и обмоток реле неполная звезда.
Ток срабатывания защиты отстраивается от тока трехфазного КЗ за трансформатором, согласно [7,стр.297]:
(9.1)
=1,4 – коэффициент надежности;
=40900 А – ток трехфазного КЗ за трансформатором (табл. 1.1).
А
Ток срабатывания защиты, приведенный к стороне ВН:
А,
где
- коэффициент трансформации трансформатора Т9 (Т10).
Номинальный ток трансформатора:
А
Принимаем трансформатор тока типа ТФЗМ35А-У3;
=50 А,
=5 А [2,стр.302]. Ток срабатывания реле:
![]()
А,
Для выполнения защиты применяем токовое реле РТ-4040/100 с током срабатывания
=65,4 А, соединение катушек параллельное, указательное реле РУ-21/0,5 и промежуточное реле РП-23,
=220 В.
Коэффициент чувствительности защиты согласно [7,стр.297]:
(9.2)
где
=1520 А – ток двухфазного КЗ на стороне ВН трансформатора (табл. 1.1).
;
что удовлетворяет условию проверки.
Защита от внешних КЗ
Для защиты от внешних КЗ и резервирования действия основных защит (токовой отсечки и газовой защиты) устанавливается МТЗ с выдержкой времени.
Ток срабатывания МТЗ отстраивается от номинального тока трансформатора с учетом самозапуска двигателей, согласно [6,стр.296]:
![]()
(9.3)
где
=1,2 и
=0,8 – коэффициенты надежности и возврата реле РТ-40;
- коэффициент, учитывающий самозапуск заторможенных электродвигателей
=(3-3,5).
А.
Ток срабатывания реле:
А,
Для выполнения защиты применяем токовое реле РТ-40/20 с током срабатывания
= 18,55 А, соединение катушек параллельное.
Выдержка времени МТЗ выбирается с учетом селективности:
(9.4)
где
=0,6 с –выдержка времени автомата QF1 на стороне НН трансформатора
=0,5 с – ступень селективности для МТЗ.
с
Для создания выдержки времени применяем реле времени ЭВ-114.
Коэффициент чувствительности защиты согласно [6,стр.297]:
(9.5)
где
= 35420 А – ток двухфазного КЗ на стороне НН трансформатора (табл. 1.1).
Приводим величину тока двухфазного КЗ на стороне НН трансформатора к стороне ВН, и вычисляем коэффициент чувствительности:
;
что удовлетворяет условию проверки.
Защита трансформатора от перегрузки.
Для защиты от перегрузки используем однорелейную токовую защиту. Ток срабатывания защиты согласно [7,стр.332]:
(9.6)
где
=1,05;
- коэффициент возврата (для реле РТ-40:
=0,8);
А
Ток срабатывания реле:
А
Для выполнения защиты выбираем токовое реле РТ-40/10 с током срабатывания
=54,1 А. Соединение катушек параллельное.
Выдержка времени защиты от перегрузки выбирается на ступень селективности больше выдержки времени МТЗ:![]()
(9.7)
с
Для создания выдержки времени применяем реле времени ЭВ-124.
Защита от внутренних повреждений и понижения уровня масла в баке
Любые ( даже незначительные ) повреждения, а также повышенные нагревы внутри бака трансформатора вызывают расположение масла и органической изоляции, что сопровождается выделением газа. Интенсивность газообразования и химической состав газа зависят от характера и размеров повреждения. Защита выполняется так, чтобы при медленном газообразовании подавался сигнал, а при бурном газообразовании, что присутствует при коротких замыканиях, происходило отключение поврежденного трансформатора. Кроме того, защита реагирует на опасные понижения уровня масла в баке трансформатора.
Газовая защита является универсальной и наиболее чувствительной защитой трансформаторов от внутренних повреждений ( реагирует на все виды повреждений, включая витковые замыкания).
Газовая защита выполняется с использованием реле типа РЗТ-80.
10. Расчёт защиты линии 35 кВ
Защита предусматривается от следующих повреждений и ненормальных режимов:
- от междуфазных КЗ;
- от перегрузки;
- от замыкания на землю;
Для защиты 35 кВ устанавливаем токовую отсечку, максимальную токовую защиту (МТЗ) с выдержкой времени и защиту от замыкания на землю.
Расчет токовой отсечки
Схема соединений трансформатора тока и обмоток реле звезда. Схему защиты выполняем на переменном оперативном токе.
Ток срабатывания защиты отстраивается от тока трехфазного КЗ за трансформатором, согласно [7,стр.297]:
(10.1)
где
=1,2 – коэффициент отстройки;
=40900 А – ток трехфазного КЗ за трансформатором ( табл. 1.1.).
Ток трехфазного КЗ, приведенный к стороне ВН трансформатора:
А,
где
- коэффициент трансформации трансформатора Т9 (Т10).
А
Ток в линии: ![]()
=115,5 А (Пункт 1).
Принимаем трансформатор тока типа ТЛК35-У3;
=200 А,
=5 А [2,стр.302]. Ток срабатывания реле:
А,
Для выполнения защиты применяем токовое реле РТ-40/20 с током срабатывания
=14 А, соединение катушек параллельное.
Коэффициент чувствительности защиты согласно [7,стр.297]:
(10.2)
где
=1520 А – ток двухфазного КЗ на стороне ВН трансформатора (таб. 1.1).
![]()
что удовлетворяет условию проверки.
Расчёт МТЗ линии 35 кВ
Ток срабатывания МТЗ отстраивается от номинального тока линии с учетом самозапуска двигателей, согласно [6,стр.296]:
![]()
(10.3)
где
=1,2 – коэффициент отстройки,
=0,8 – коэффициент возврата для реле РТ-40;
- коэффициент, учитывающий самозапуск заторможенных электродвигателей (
= 2,5 );
=115,5 А.
А
Ток срабатывания реле:
А,
Для выполнения защиты применяем токовое реле РТ-40/20 с током срабатывания
=10,8 А, соединение катушек параллельное.
Коэффициент чувствительности защиты согласно [7,стр.297]:
(10.4)
где
=1520 А – ток двухфазного КЗ в конце, защищаемой линии (табл. 1.1).
![]()
что удовлетворяет условию проверки.
Время срабатывания защиты отстраиванием от времени срабатывания МТЗ трансформатора Т9 (Т10):
(10.5)
=0,5 с – ступень селективности для МТЗ.
с
Защита от замыкания на землю линии 35 кВ
Для защиты от замыканий на землю линии 35 кВ, принимаем защиту нулевой последовательности, подключенную к фильтру токов нулевой последовательности.
Емкостной ток замыкания на землю кабельной сети согласно [6,стр.224]:
(10.6)
где U =35 кВ – междуфазное напряжение сети; L = 3 км – длина линии.
А
Ток срабатывания защиты определяется из условия обеспечения величины коэффициента чувствительности не менее двух:
(10.7)
А
Принимаем ток срабатывания защиты, равный:
=4,7 А
Ток срабатывания реле:
А,
Для выполнения защиты применяем токовое реле РТ-40/0,2 с током срабатывания
=0,12 А, соединение катушек параллельное.
Схема защиты линии 35 кВ приведена в приложении.
11. Расчет защиты линии 110 кВ
Для защиты линии 110 кВ устанавливаем:
- токовую отсечку;
- максимальную токовую защиту, с выдержкой времени;
- защиту от замыкания на землю.
Расчет токовой отсечки
Ток срабатывания токовой отсечки отстраивается от тока КЗ, в конце защищаемого участка [7,стр.297]:
(11.1)
где
=1,2 коэффициент отстройки;
=1840 А – ток трехфазного КЗ на трансформатором (табл. 1.1).
Ток трехфазного КЗ, приведенный к стороне ВН трансформатора:
А,
где
- коэффициент трансформации трансформатора Т1 (Т2).
А
Ток в линии:
=73,48 А (Пункт 1).
Принимаем трансформатор тока типа ТФЗМ110Б-1-У3;
=100 А,
=5 А [2,стр.304].
Ток срабатывания реле:
А,
Для выполнения защиты применяем токовое реле РТ-40/50 с током срабатывания
=35,1 А, соединение катушек параллельное.
Коэффициент чувствительности защиты согласно [7,стр.297]:
(11.2)
где
=2580 А- ток двухфазного КЗ на стороне ВН трансформатора (табл. 1.1).
![]()
что удовлетворяет условию проверки.
Расчет МТЗ линии 110 кВ
Ток срабатывания МТЗ согласно [6,стр.296]:
(11.3)
где
=1,2 – коэффициент отстройки,
= 0,8 – коэффициент возврата для реле РТ-40;
= 2,5 – коэффициент самозапуска;
=73,48 А –расчетный ток в линии.
А
Ток срабатывания реле:
А,
Для выполнения защиты применяем токовое реле РТ-40/20 с током срабатывания
=13,75 А, соединение катушек параллельное.
Коэффициент чувствительности защиты согласно [6,стр.297]:
(11.4)
где
=2580 А – ток двухфазного КЗ в конце, защищаемой линии (табл. 1.1).
![]()
что удовлетворяет условию проверки.
Время срабатывания защиты отстраиванием от времени срабатывания МТЗ КЛ 35 кВ.
(11.5)
=0,5 с – ступень селективности для МТЗ.
с
Защита от замыкания на землю линии 110 кВ
При расчете руководствуемся рекомендациями, изложенными в [6,стр.208].
В качестве защиты от замыкания на землю линии 110 кВ принимаем токовую отсечку нулевой последовательности без выдержки времени.
Ток срабатывания защиты отстраивается от возможного тока нулевой последовательности, протекающего в сторону защищаемой линии: ![]()
=890 А (табл. 1.1):
(11.6)
где
=1,2 – коэффициент надежности.
А
Ток срабатывания реле:
А,
Для выполнения защиты применяем токовое реле РТ-40/100 с током срабатывания
=53,4 А, соединение катушек параллельное.
Схема защиты линии 110 кВ приведена в приложении.
12. Расчет защиты трансформатора на ГПП
Защиты предусматриваются от следующих повреждений и ненормальных режимов:
- от междуфазных КЗ в обмотках трансформатора и на их выводах;
- от витковых замыканий;
- защита от внешних КЗ;
- перегрузки;
- снижение уровня масла в баке трансформатора.
Защита от междуфазных КЗ
Для защиты трансформатора от междуфазных КЗ применяем дифференциальную защиту м реле типа РНТ-565. При расчетах руководствуемся рекомендациями, изложенными в [7,стр.310-стр.318]. Расчёт проводим в табличной форме.
Таблица 12.1 Расчёт уставок дифференциальной защиты
Искомая величина |
Расчетная формула |
Расчетные величины | ||
| 110 кВ | 35 кВ | |||
Первичный ток, А |
||||
| Схема соединения | - | Y | ||
| Схема соединения ТА | - | Y | ||
| Устанавливаемый ТА | - |
ТФЗМ110Б-1-У3;
|
ТЛК35-У3;
|
|
| Коэффициент трансформации ТА |
|
|
||
| Коэффициент схемы ТА | - | 1 | ||
| Ток в плечах защиты | ||||
| Ток КЗ, приведенный к ВН | ||||
| Ток небаланса от ТА и РПНа | ||||
| Ток срабатывания защиты |
|
|
||
| Принимаем большую величину тока срабатывания защиты: |
||||
| Ток срабатывания реле | ||||
| Сторона с большим вторичным током, принимается как основная: |
||||
Искомая величина |
Расчетная формула |
Расчетные величины |
| Число витков для основной стороны | ||
| Устанавливаемое число витков для основной стороны |
|
|
| Число витков для неосновной стороны | ||
| Устанавливаемое число витков для неосновной стороны |
|
|
| Ток небаланса от неточного выравнивания токов в плечах защиты | ![]() |
|
| Общий ток небаланса | ||
| Ток срабатывания реле, приведенный к стороне ВН | ||
| Коэффициент отстройки | ||
| Окончательные принятые витки: |
||
| Коэффициент чувствительности | ![]() |
|
Примечания:
- данные на трансформаторы тока приведены согласно [2,стр.302,304];
-
= 1840 А, табл. 1.1;
-
, коэффициент, учитывающий апериодическую составляющую тока КЗ (принимаем 1, так как используем реле с быстронасыщаемыми трансформаторами тока );
-
, коэффициент, учитывающий однотипность трансформаторов тока;
-
- погрешность трансформатора тока;
-
, коэффициент, учитывающий наличие РПН;
-
, коэффициент надежности;
-
намагничивающая сила срабатывания реле.
Защита от внешних коротких замыканий
Для защиты от внешних коротких замыканий принимаем МТЗ в трехфазном
исполнении. Схема соединения трансформаторов тока и реле – звезда.
Ток срабатывания МТЗ отстраивается от номинального тока трансформатора с учетом самозапуска двигателей, согласно [6,стр.296]:
![]()
(12.1)
где
=1,2 и
= 0,8 – коэффициенты надежности и возврата для реле РТ-40;
- коэффициент, учитывающий самозапуск заторможенных электродвигателей (
= 3-3,5 ).
А.
Согласно «Сборника директивных материалов Минэнерго СССР» от 1971 г. для обеспечения надежного действия защиты требуется:
(12.2)
=
А
Принимаем ток срабатывании защиты, равный:
=210 А
Ток срабатывания реле:
А,
Для выполнения защиты применяем токовое реле РТ-40/20 с током срабатывания
=10,5 А, соединение катушек параллельное.
Выдержка времени МТЗ выбирается с учетом селективности:
(12.3)
где
=1,6 с – выдержка времени МТЗ кабельной линии 35 кВ;
= 0,5 с – ступень селективности для МТЗ.
=1,6 + 0,5 = 2,1 с
Для создания выдержки времени применяем реле времени ЭВ-124.
Коэффициент чувствительности защиты согласно [6,стр.297]:
(12.4)
где
= 1600 А – ток двухфазного КЗ на стороне НН трансформатора ( табл. 1.1).
Приводим величину тока двухфазного КЗ на стороне НН трансформатора к стороне ВН, и вычисляем коэффициент чувствительности:
![]()
что удовлетворяет условию проверки.
Защита от перегрузки
Для защиты от перегрузки используем однорелейную токовую защиту. Ток срабатывания защиты согласно [7,стр.332]:
(12.5)
где
=1,05;
- коэффициент возврата (для реле РТ-40:
= 0,8);
А
Ток срабатывания реле:
А
Для выполнения защиты выбираем токовое реле РТ-40/6 с током срабатывания
=3,44 А. Соединение катушек параллельное.
Выдержка времени защиты от перегрузки выбирается на ступень селективности больше выдержки времени МТЗ:
(12.6)
с
Для создания выдержки времени применяем реле времени ЭВ-124.
Защита от внутренних повреждений и понижения уровня масла в баке
В качестве защиты от внутренних повреждений и понижения уровня масла в баке трансформатора применяем газовую защиту.
Газовая защита выполняется с использованием реле типа РТЗ-80
Схема защиты трансформатора приведена в приложении.
13. Расчет АВР секционного выключателя
Выдержка времени автоматического включения секционного выключателя отстраивается от времени действия МТЗ отходящих линий и времени включения резерва:
, (13.1)
где
= 0,5-0,7 с ступень селективности;
(13.2)
(13.3)
где
- выдержка времени АПВ;
= 1 с – время готовности привода;
=0,1 с – время отключения выключателя;
=0,3-0,5 – отстройка по времени.![]()
с
с
с
Принимаем
с
Схема устройства АВР на секционном выключателе Q5 ГПП приведена в приложении
14. Расчет защиты генератора
Согласно ПУЭ, для генераторов мощностью более 1 МВт предусматриваются устройства релейной защиты от следующих повреждений и нарушений нормального режима работы:
- многофазные замыкания в обмотке статора и его выводах;
- однофазные замыкания на землю;
- замыкание между витками обмотки статора;
- внешних КЗ;
- симметричной перегрузки обмотки статора;
- замыкания на землю в двух точках обмотки возбуждения.
Защита от многофазных КЗ обмотки статора
Применяем трехфазную, трехсистемную продольную дифференциальную защиту с реле типа РНТ-565. При расчетах руководствуемся рекомендациями, приведенными в [6,стр.279-стр.294].
Первичный ток срабатывания принимается больший, из вычисленных по двум условиям:
(14.1)
(14.2)
где
=1,3ч1,4 – коэффициент надежности;
=1 – коэффициент, учитывающий переходной процесс, при применении реле типа РНТ-565;
=0,5 – для однотипных трансформаторов тока;
=0,1 – допускаемая наибольшая относительная погрешность трансформаторов тока;
- максимальное значение начального сверхпереходного тока при внешнем трехфазном КЗ (на выводах генератора) и номинальной нагрузке генератора.
В относительных единицах:![]()
(14.3)
![]()
Номинальный ток генератора:
(14.4)
А
Принимаем трансформатор тока типа ТВЛМ6-У3; ![]()
=300 А,
=5 А [2,стр.294].
Ток трехфазного КЗ:
(14.5)
А
Определим ток срабатывания:
А
А
Принимаем
=163,9 А.
Ток срабатывания реле:
А,
Расчетное число витков дифференциальной обмотки:
(14.6)
где
=100 А
- магнитодвижущая сила срабатывания реле.
витка
Принимаем в дифференциальной обмотке ![]()
; и в уравнительной обмотке
; что в общей сложности составляет 35 витков.
Уточненный ток срабатывания защиты:
(14.7)
![]()
Коэффициент чувствительности дифференциальной защиты:
(14.8)
где
, согласно [6,стр.280]:
(14.9)
А
=0,111 [8,стр.8].
![]()
что удовлетворяет условию проверки.
Защита от однофазных повреждений в обмотке статора
Для защиты от замыканий на землю в обмотке статора применяют токовую защиту нулевой последовательности. Защита подключается к трансформатору тока нулевой последовательности типа ТНПШ-3-1000, установленному со стороны шинных выводов генератора. В целях обеспечения требуемой чувствительности защиты осуществляется подмагничивание трансформатора тока нулевой последовательности переменным током от цепей трансформатора напряжения.
При внешних многофазных КЗ, в реле, подключенному к ТНП, возможно появление значительных токов небаланса. Для предотвращения излишних срабатываний, защиту выводят из действия защитой генератора от внешних КЗ.
Схема защиты содержит два реле тока, предназначенных для устранения замыканий на землю в обмотке статора и двойных замыканий на землю, одно из, которых в обмотке статора. Схема защиты приведена в приложении.
Чувствительность реле 1КА действует на отключение с выдержкой времени 1-2 с, создаваемую для отстройки от переходных процессов при внешних КЗ на землю.
Промежуточное реле 2KL блокирует грубое реле 2КА при внешних КЗ.
Ток срабатывания защиты, согласно [7,стр.352]:
![]()
А, (14.10)
где
=2 и
=1,5 – коэффициенты надежности, учитывающие выдержку времени срабатывания защиты;
=0,7 – коэффициент возврата реле тока;
- ток небаланса, приведенный к первичной стороне трансформатора тока нулевой последовательности; упрощенно для ТНПШ можно принять:
1,5 а.
- установившийся емкостной ток замыкания на землю защищаемого генератора:![]()
(14.11)
где
=314 угловая частота;
- емкость одной фазы обмотки статора;
=6,3 кВ – линейное напряжение генератора.
А
А
Ток срабатывания защиты не превышает 5 А, что обеспечит надежное отключение генератора при замыканиях на землю. В качестве исполнительного органа чувствительной защиты применяем реле типа ЭТД-551/60 с последовательным соединением обмоток. В качестве исполнительного органа грубой защиты применяем реле типа ЭТ-521/2.
Защита от замыкания между витками одной фазы статора
Схема исполнения защиты приведена на рис. 14.1.

Рис. 14.2. поперечная дифференциальная защита от витковых замыканий в обмотке статора
При наличии в обмотке статора двух параллельных ветвей, для защиты от витковых замыканий в обмотке статора применяют односистемную поперечную дифференциальную защиту, действие которой, основано на сравнении геометрической суммы токов трех фаз одной ветви с геометрической суммой токов трех фаз другой ветви (генераторы мощностью 60 МВт и более).
Трансформатор ТА подключается в месте соединения нейтралей обмоток статора. К трансформатору подключается реле тока типа РТ-40/Ф, имеющие встроенный фильтр третьей гармоники. При витковом замыкании в одной из фаз, возникает уравнительный ток, который приводит к срабатыванию защиты. Защита действует на отключение генератора.
Ток срабатывания защиты отстраивается от токов небаланса, протекающих в реле в режимах холостого хода и короткого замыкания генератора.
Защита от внешних КЗ
Для защиты от внешних КЗ применяем максимальную токовую защиту с пусковым органом минимального напряжения. Трансформаторы тока включены в нейтрали, схеме соединения – полная звезда.
Пусковой орган минимального напряжения состоит из трех реле минимального напряжения, включенных на междуфазное напряжение.
Ток срабатывания МТЗ отстраивается от номинального тока генератора, согласно [7,стр.356]:
(14.12)
где
=1,1-1,2 и
=0,8 – коэффициенты надежности и возврата для реле РТ-40.
А.
Ток срабатывания реле:
А,
Для выполнения защиты применяем токовое реле РТ-40/10 с током срабатывания
=5,72 А, соединение катушек параллельное.
Напряжение срабатывания защиты, согласно [7,стр.356]:
(14.13)
В
Напряжение срабатывания реле, согласно [7,стр.356]:
(14.14)
где
= 1,1ч1,2 – коэффициент надежности;
=1,2 – коэффициент возврата для реле минимального напряжения типа РН-54;
- коэффициент трансформации трансформатора напряжения.
В
Для выполнения защиты применяем реле напряжения РН-54/160 с напряжением срабатывания
= 42 В.
Выдержка времени МТЗ выбирается с учетом селективности:
(14.15)
где
= 1,6 с – выдержка времени МТЗ кабельной линии 35 кВ;
=0,5 с - ступень селективности для МТЗ.
с
Для создания выдержки времени применяем реле времени ЭВ-124.
Коэффициент чувствительности защиты по току, согласно [7,стр.356]:
(14.16)
где
=1600 А – ток даухфазного КЗ на выводах генератора.
;
что удовлетворяет условию проверки.
Коэффициент чувствительности защиты по напряжению согласно [7,стр.356]:
(14.17)
где
=
- максимальное остаточное напряжение при КЗ в конце зоны действия защиты.

что удовлетворяет условию проверки.
Защита от симметричных перегрузок
Для защиты генератора от симметричных перегрузок используем однорелейную токовую защиту. Ток срабатывания защиты согласно [7,стр.379]:
(14.18)
где
=1,05;
- коэффициент возврата ( для реле РТ-40:
=0,8);
А
Ток срабатывания реле:
А
Для выполнения защиты выбираем токовое реле РТ-40/6 с током срабатывания
=5,0 А. Соединение катушек параллельное.
Выдержка времени принимаем на ступень больше, чем выдержка времени защиты от внешних КЗ.
(14.19)
с
Для создания выдержки времени применяем реле времени ЭВ-123.
Защита от замыкания на землю во второй точке цепи возбуждения
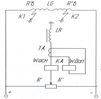
Защита выполняется по мостовой схеме. В диагональ моста включается токовое реле КА. Схема исполнения защиты приведена на рис. 14.2.

Рис. 14.3 Защита от замыканий на землю обмотки возбуждения
Мост образуется сопротивлениями ![]()
и
левой и правой части обмотки возбуждения (относительно первой точки замыкания К1) и сопротивлениями
и
переменного резистора, подключенного к кольцам ротора генератора. До появления второго замыкания мост балансирует, на переменном резисторе устанавливают такое сопротивление, при котором ток в диагонали отсутствуют.
Этому соответствует условие:
При возникновении второй точки замыкание на землю (точка К2), баланс моста нарушается и защита срабатывает.
Даже при сбалансированном мосте через его диагональ может проходить ток, обусловленный неравномерностью воздушного зазора между статором и ротором генератора. Чтобы под действием указанного тока защита не сработала, последовательно с основной обмоткой ![]()
токового реле КА, включает реактор LR, имеющий для переменного тока большое сопротивление. Кроме этого, в диагональ моста включают трансформатор тока ТА, вторичный тока которого подводят к дополнительной обмотке ![]()
токового реле КА. Магнитодвижущая сила обмотки
направлена встречно магнитодвижущей силе обмотки
, поэтому воздействие переменного тока на реле КА уменьшается.
Защита от замыканий на землю в двух точках цепи возбуждения отстраивается от тока небаланса обусловлено неточный балансировкой моста и наличием переменного тока в реле.


Список литературы
1. Л. Д. Рожкова, В.С. Козулин. «Электрическое оборудование станций и подстанций» Москва: Энергоатомиздат 1987 г.
2. И. П. Крючков, Н. Н. Кувшинский, Б. Н. Неклепаев. « Электрическая часть станций и подстанций» Москва: Энергия 1978 г.
3. В. И. Идельчик «Электрические системы и сети» Москва, Энергоатомиздат 1989 г.
4. Б. Ю. Липкин. «Электроснабжение промышленных предприятий» Москва, «Высшая школа» 1975 г.
5 «Справочник по релейной защите». Под общей редакцией М.А. Берковича Государственное энергетическое издательство. 1963 г.
6. А. М. Авербух. «Релейная защита в задачах с решениями и примерами» Ленинград, Энергия 1975 г.
7. М. А. Беркович, В. А. « Основы техники и эксплуатации релейной защиты» Москва: Энергия 1971 г.
8. М. А. Беркович, В. Н. Вавин, М. Л. Голубев и др. «Справочник по релейной защите» Государственное энергетическое издательство, Москва, 1963 г.

