| Скачать .docx |
Реферат: Расчет простых и сложных электрических цепей
Тема: «Расчет простых и сложных электрических цепей»
Задача N 1. (20 мин)
Определить комплексное сопротивление, проводимость, ток в цепи, напряжение на элементах и все виды мощностей в ЭЦ, представленной на рисунке 1, если
В, R
= 200 Ом, L
= 50 мкГн.

Рис. 1.
Вызвать к доске курсанта для определения плана решения задачи и расчёта
и
.
Решение .
1.
(Ом).
2.
(См).
Дополнительный вопрос отвечающему у доски из общего перечня вопросов для подготовки к занятию .
Вызов к доске второго курсанта для определения
.
3.
(А).
4.
(B).
5.
(B).
Вопрос аудитории : Как записать мгновенные значения тока и напряжения, действующие в данной ЭЦ?
Пригласить к доске третьего курсанта для записи мгновенных значений реакций тока и напряжений.
6. Для дальнейшего решения задачи вызвать к доске четвёртого курсанта и определить мощности, развиваемые (отдаваемые) источником напряжения.
а) Комплексная мощность.
(Вт),
.
б) Активная мощность, развиваемая источником.
(Вт).
(Вт).
Вопрос аудитории : По каким ещё известным формулам можно определить среднюю или активную мощность?
7. Вызвать к доске очередного курсанта для определения активной мощности, потребляемой цепью.
а)
(Вт).
б)
(Вт).
в)
(Вт).
г)
(Вт).
Вопрос отвечающему у доски курсанту : Оценить и охарактеризовать соотношения активных мощностей – развиваемой генератором и потребляемой цепью?
1. Определить реактивные мощности: развиваемую источником и потребляемую цепью по одной из известных формул:
а)
(Вар).
Вопрос группе : Каким элементом данной ЭЦ определяется реактивная мощность?
б)
(Вар).
2. Определить полную мощность и коэффициент мощности.
а)
(мВА).
б)
(мВА).
в)
.
3.
![]() |
Построить треугольник мощностей в выбранном масштабе.
Вывод : Итог решения задачи №1.
Расчёт цепей методом узловых напряжений
Задача 2. (10 мин)
Дано
:
,
,
, ![]()
Определить
:
по МУН для схемы, представленной на рисунке 2 (без расчетов в числах)

Рис. 2.
Решение:
Наметить план решения задачи: Выбрать базисный узел, определить число уравнений, написать уравнения, вычислить реакции через узловые напряжения .
Вопрос : Почему в качестве базисных узлов нельзя брать узлы 2 и 3?
Уравнения для узлов 2 и 3:
Узел 2:
,
Узел 3:
.
Вопрос
: Какими способами необходимо решать систему уравнений для определения
и
? (методы подстановки и Крамера).
Определение реакций:
.
Вопрос
: Начертить схемы двухполюсников
, если их сопротивления заданы выражениями:
;
;
;
;
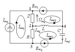
Задача № 3 (15 мин).
Дано:
(А);
(В);
;
![]()
Определить: напряжения
для схемы, представленной на рисунке 3.

Рис. 3.
Обсудить план решения задачи (определить базисный узел, потенциальные узлы, число уравнений, написать уравнения, вычислить узловые напряжения и реакции).
Решение:
Узел 2
,
Узел 1
,
Узел 3
.
Подставив в уравнение 1 числовые значения параметров схемы, получим:

, отсюда:

.
![]()
Аналогично подставим числа в уравнение 2 и определим напряжение
:
, отсюда:


(В).
(В).
Таким образом:
(В).
Расчёт цепей методом контурных токов
Задача № 4 (10 мин.).
Дано: ![]()
Определить:
по МКТ для схемы, представленной на рисунке 4 (без числового расчета).

Рис. 4.
Решение :
Определить план решения задачи: Начертить один из вариантов деревьев цепи, определить число уравнений, написать уравнения, вычислить реакции через контурные токи.
![]()
Контур 2:
,
Контур 3:
,
Контур 1:
.
Определение реакций:

Задача № 5 (15 мин.)
Для схемы задачи № 3 (рисунок 5) определить напряжения
и
методом МКТ.

Рис. 5
Дано:
(А);
(В);
;
![]()
Наметить план решения задачи, т.е. определить число независимых уравнений, начертить один из вариантов дерева цепи, показать контура и направления токов контуров, написать уравнения и вычислить реакции через токи контуров.
Решение :
![]()
Уравнения для токов контуров:
Контур 1
:
,
Контур 2
:
,
Контур 3:
.
Подставим числовые значения параметров схемы в уравнение (2) и определим ток:
.
Отсюда:

Определим напряжение
:

(В).
Определение тока
, напряжения
.
.

![]()

.
Вывод : Итог решения задач №3 и №5. Обсуждение с группой
Задача № 5 Решить самостоятельно . Методом МКТ и МУН.
Дано:
![]()

Определить
: Ток
методами МКТ и МУН. (Рисунок 6)

|
Рис. 6.
Литература, используемая для подготовки к лекции: Белецкий А.Ф. Теория линейных электрических цепей. – М.: Радио и связь, 1986. (Учебник); Бакалов В.П. и др. Теория электрических цепей. – М.: Радио и связь, 1998. (Учебник); Качанов Н.С. и др. Линейные радиотехнические устройства. М.: Воен. издат., 1974. (Учебник); В.П. Попов Основы теории цепей – М.: Высшая школа, 2000.(Учебник)
