| Скачать .docx |
Дипломная работа: Проектирование системы электроснабжения для жилого массива
СОДЕРЖАНИЕ
ВВЕДЕНИЕ
В.1. Постановка задачи
В.2. Характеристика объекта и исходной информации
1. ПРОЕКТ СИСТЕМЫ ЭЛЕКТРОСНАБЖЕНИЯ 10 кВ.
1.1 Обоснование схемы
1.2 Расчет электрических нагрузок
1.3 Расчет электрической сети
1.3.1 Выбор мощности трансформаторов
1.3.2 Расчет сечения ЛЭП
1.3.3 Выбор электрических аппаратов
1.4 Проверка оборудования на действие токов К.З.
1.5 Конструктивное исполнение
2. ПРОЕКТ СИСТЕМЫ ЭЛЕКТРОСНАБЖЕНИЯ 0,4 кВ.
2.1 Обоснование схемы
2.2 Расчет электрических нагрузок
2.3 Расчет электрической сети
2.3.1 Расчет сечения ЛЭП.
2.3.2 Выбот электрических аппаратов
2.4 Проверка оборудования на действие токов К.З.
2.5 Конструктивное исполнение ТП.
3. РЕЛЕЙНАЯ ЗАЩИТА.
3.1 Постановка задачи.
3.2 Защита линий 10 кВ.
3.3 Выбор трансформаторов тока на стороне 10 кВ.
3.3.1 Выбор МТЗ
3.3.2 Выбор токовой отсечки
3.4 Защита трансформатора.
3.5 Защита сетей 0,38 кВ.
3.6 АВР
3.6.1 Требования к устройствам АВР и расчет параметров
4. ОХРАНА ТРУДА
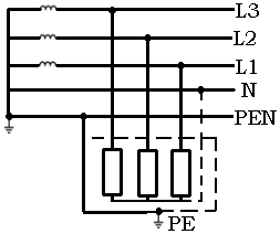
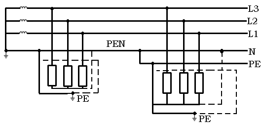
4.1 Назначение, принцип действия, область
рименения зануления
4.2 Типы сетей
4.3 Расчет защитного зануления лифтового эл. двигателя.
5. ЭКОНОМИЧЕСКАЯ ЧАСТЬ.
5.1 Составление локальной сметы на строительство трансформаторной подстанции 10/0,4 кВ.
ЗАКЛЮЧЕНИЕ
СПИСОК ИСПОЛЬЗОВАННЫХ ИСТОЧНИКОВ
ВВЕДЕНИЕ
В.1 ПОСТАНОВКА ЗАДАЧИ
Энергетической программой предусматривается развитие энергосберегающей политики. Экономия энергетических ресурсов должна осуществляться путём перехода на энергосберегающие технологии производства; совершенствования энергетического оборудования; реконструкции устаревшего оборудования; сокращения всех видов энергетических потерь и повышения уровня использования вторичных ресурсов; улучшение структуры производства; преобразования и использования энергетических ресурсов. Наряду с увеличением числа промышленных предприятий в городах осуществляется грандиозная программа жилищного строительства. Всё это обуславливает расширение электроческих сетей, на территории городов и предназначенных для электроснабжения их потребителей.
Задачи ускорения социально-экономического развития страны на базе научно технического прогресса связаны с интенсификацией производства, включающей в себя автоматизацию, внедрение совершенных технологий и робототехники, требующих дальнейшего наращивания темпов электрификации народного хозяйства, а, следовательно, развития электрических сетей всех назначений. В связи с этим возрастают требования к надежности электроснабжения потребителей.
Современная энергетика характеризуется нарастающей централизацией производства и распределения электроэнергии. Энергетические системы образуют одинадцать крупных энергообъединений: Северо-Запада, Центра, Средней Волги, Юга, Казахстана, Закавказья, Урала, Северного Кавказа, Средней Азии, Сибири и Востока. В состав единой экономической системы страны входят девять энергообъединений, охватывающих почти 2/3 территории страны, где проживает более 80 % населения.
Основой развития энергетики является сооружение электростанций большой мощности. В России работают 80 электростанций с установленной мощностью выше 1000 МВт каждая, на которых сосредоточено более половины всей генерирующей мощности. На тепловых электростанциях (ТЭС) работают энергоблоки мощьностью от 150 до 1200 МВт; на атомных (АЭС) – мощьностью 600 и 640 МВт. Создание и освоение энергоблоков мощностью 500 МВт на Экибастузском и 800 МВт на Канско-Ачинском углях позволят создать в этих районах мощные ТЭС на 4 и 6,4 ГВт.
В настоящее время основой межсистемных энергетических связей являются линии напряжения 500 кВ. Введены в эксплуатацию линии напряжением 750 кВ, построена линия переменного тока Итат-Кузбасс, напряжением 1150 кВ, которая проложена до Урала. У линии Экибастуз-Центр напряжение 1500 кВ и протяженностью 2400 км.
В.2 ХАРАКТЕРИСТИКА ОБЪЕКТА И ИСХОДНОЙ ИНФОРМАЦИИ
Объектом электроснабжения является жилой массив “Горский” города Новосибирска. Который находится в самом центре левобережья, в пяти минутах ходьбы от станции “Студенческая” и главной улицы левобережья проспекта Карла Маркса, по которому проходит основная часть всего транспорта. Удачно расположен жилой массив с точки зрения экологии: на высоком берегу Оби, вдали промышленных предприятий. Благодаря розе ветров над жилым массивом преобладают воздушные потоки, не проходящие над промышленными зонами г. Новосибирска. Транспортные магистрали проходят хоть и недалеко, но вне территории жилого массива Горский. Застраивается комплексно, продуманно все, что постоянно необходимо человеку для комфортной жизни и даже более того, находится в пределах жилого комплекса. У каждого дома оборудованы детские и спортивные площадки. На массиве работают продуктовые магазины, парикмахерские, аптеки, тренажерный зал. Для удобства автомобилистов рядом с домом располагаются подземные гаражи.
В таблице В.1. приведена характеристика объекта.
Таблица В.1.
Характеристика объекта проектирования
| № п/п |
Адрес |
Наименование |
Кол. под., шт. |
Кол. квар.,шт. |
Кол этаж.,шт. |
Кол лифт.,шт. |
| 1 |
ж/м Горский д-60 |
Жилой дом |
4 |
176 |
11 |
4 |
| 2 |
ж/м Горский д-60 |
Маг. Хозтовары. Маг. Продукты |
||||
| 3 |
ж/м Горский д-47 |
Жилой дом |
5 |
291 |
11 |
5 |
| 4 |
ж/м Горский д-47 |
Киноклуб, игровой клуб, аптека, магазин, тренаж. зал, тепловой узел. |
||||
| 5 |
ж/м Горский д-47/1 |
Подземный гараж, овощехранилище. |
||||
| 6 |
ж/м Горский д-52/1 |
Хоккейная коробка, футбольное поле |
||||
| 7 |
ж/м Горский д-50 |
Жилой дом |
4 |
179 |
10 |
4 |
| 8 |
ж/м Горский д-41 |
Жилой дом |
5 |
240 |
11 |
5 |
| 9 |
ж/м Горский д-41/1 |
Подземный гараж, овощехранилище. |
||||
| 10 |
ж/м Горский д-40/2 |
Жилой дом |
1 |
33 |
11 |
1 |
| 11 |
ж/м Горский д-40/2 |
Больница |
||||
| 12 |
ж/м Горский д-48/1 |
Ц.Т.П. |
||||
| 13 |
ж/м Горский д-40/3 |
Жилой дом |
1 |
35 |
7 |
11 |
| 14 |
ж/м Горский д-40 |
Жилой дом |
2 |
44 |
11 |
2 |
| 15 |
ж/м Горский д-39/1 |
Подземный гараж, овощехранилище. |
||||
| 16 |
ж/м Горский д-48 |
Жилой дом |
5 |
238 |
11 |
5 |
| 17 |
ж/м Горский д-48 |
Аптека |
||||
| 18 |
ж/м Горский д-52 |
Жилой дом |
4 |
162 |
11 |
4 |
| 19 |
ж/м Горский д-53 |
Жилой дом |
7 |
231 |
11 |
7 |
| 20 |
ж/м Горский д-53 |
Маг. “Бытовая химия.”, супермаркет,турфирма, быт. электромастерская, маг. “Мебель.”, аптека. |
||||
| 21 |
ж/м Горский д-61 |
Жилой дом |
2 |
44 |
11 |
2 |
| 22 |
ж/м Горский д-61 |
Маг. “Аккумуляторы.”, аптека, магазин “Автозапчасти.” |
6 |
|||
| 23 |
ж/м Горский д-51 |
Жилой дом |
3 |
108 |
10 |
3 |
| 24 |
ж/м Горский д-51 |
Банк, парикмахерская, маг. “Стройматериалы.”, маг. “Мебель.”, маг. “Продукты.” |
||||
| 25 |
ж/м Горский д-51/1 |
Подземный гараж |
||||
| 26 |
ж/м Горский д-54 |
Жилой дом |
4 |
138 |
10 |
4 |
| 27 |
ж/м Горский д-55 |
Жилой дом |
3 |
138 |
10 |
3 |
| 28 |
ж/м Горский д-56 |
Жилой дом |
4 |
138 |
10 |
4 |
| 29 |
ж/м Горский д-42 |
Жилой дом |
2 |
85 |
11 |
2 |
| 30 |
ж/м Горский д-42 |
Стоматология |
1 |
1 |
||
| 31 |
ж/м Горский д-48/2 |
Магазин |
||||
| 32 |
ж/м Горский д-39 |
Жилой дом |
8 |
227 |
10 |
8 |
| 33 |
ж/м Горский д-10/1 |
Подземные гар., т\к Мир. |
||||
| 34 |
ж/м Горский д-18/1 |
Жилой дом |
2 |
16 |
2 |
|
| 35 |
ж/м Горский д-12 |
Школа |
4 |
4 |
1 |
|
| 36 |
ж/м Горский д-12/1 |
Жилой дом |
1 |
8 |
2 |
|
| 37 |
ж/м Горский д-10 |
Т\к “Мир” |
3 |
2 |
2 |
|
| 38 |
ж/м Горский д-75 |
Детский сад |
3 |
2 |
1 |
|
| 39 |
ж/м Горский д-73 |
Магазин |
||||
| 40 |
ж/м Горский д-77 |
Эл.связь “Сибтелеком.” |
1 |
4 |
||
| 41 |
ж/м Горский д-73/1 |
Жилой дом |
4 |
64 |
5 |
|
| 42 |
ж/м Горский д-73/1 |
Фирма “Адвокаты.”, МВД “Отдел по эконом. Преступлениям.” |
1 |
1 |
1. ПРОЕКТИРОВАНИЕ СИСТЕМЫ ЭЛЕКТРОСНАБЖЕНИЯ 10 кВ
1.1 ОБОСНОВАНИЕ СХЕМЫ
Задачей системы электроснабжения 10 кВ является передача электроэнергии от центра электрического питания, которым является главная понизительная подстанция, и преобразование электроэнергии. Схема сетей должнаудовлетворять требования надежности, экономичности, безопасности, удобства в эксплуатации, дальнейшего развития, обеспечивать необходимое качество энергии у потребителей и экономическую чистоту, т.е малое влияние на окружающую среду (сильные электрические и магнитные поля, шум). При определении конфигурации сетей необходимо стремиться к наиболее коротким связям между источником питания и потребителями, избегая, по возможности, обратных перетоков, влекущих за собой увеличение потерь мощности. Схема построения системы электроснабжения должна предусматривать возможность ее поэтапного сооружения в пределах расчетного срока проектирования, а также возможность последующего развития системы за пределами указанного срока без ее коренного переустройства. При проектировании систем электроснабжения необходимо использоватьнадежные простые схемы построения электрических сетей и применять повышенные напряжения.
Потребителем электроэнергии является жилой массив “Горский”. Потребители данного жилого массива это электроприемники 2-ой категории по надежности электроснабжения. Электроприемники 2-ой категории – это электроприемники, перерыв электроснабжения которых приводит к массовому недоотпуску продукции, массовым простоям рабочих, механизмов и промышленного транспорта, нарушению нормальной деятельности значительного колличества городских и сельских жителей. Примером электрических нагрузок 2-ой категории в городских сетях могут служить электроприемники жилых зданий до 16 этажей, зданий лечебных и детских учреждений, школ, силовые установки квартальных котельных, тепловых пунктов, столовых, магазинов с площадью торгового зала до 1800 м и т.д. Для этой категории допустимы перерывы электроснабжения на время, необходимое для ручного включения резервного питания дежурным персоналом предприятия или выездной бригадой энергоснабжающей организации. Жилые дома 2-й категории имеют два уровня электрификации быта: с газовыми плитами и электроплитами для пищеприготовления. Требуемая подстанция по рекоминдации потребителей 2-ой категории будет 2-х трансформаторной, схема будет кольцевая секционированная с одной РП – 10 кВ, проект схемы электроснабжения жилого массива “Горский” (см. Приложение 2). Кольцевой схемой в распределительной сети называют схему, имеющую двойное питание. Работая по разомкнутой схеме, она может питаться от одного, либо от двух РП. В нормальном режиме кольцевая линия питается от РП независимо. При повреждении какого-либо участка на одной из линий автоматически отключается масляный выключатель и прекращается питание всех потребителей, присоедененных к этой линии. Найдя место повреждения, этот участок отключается выключателями и замкнув разъеденитель восстанавливают питание. Распределение электроприемников по подстанциям указано в табл.1.1. – 1.8.
Таблица 1.1.
ТП – 1.
| № ис. дан. |
Наименование |
Квартиры |
Лифты |
Общ. зд. |
|||||
| Кол., шт. |
Pкв. , кВт |
Cos φкв. |
Кол., шт |
Pлиф , кВт |
Cos φлиф. |
P, кВт |
Cos φоб. зд. |
||
| 1 |
Жилой дом |
176 |
6,5 |
0,95 |
4 |
5 |
0,85 |
||
| 2 |
Маг. Хозтовары. Маг. Продукты |
20 |
0,8 |
||||||
| 3 |
Жилой дом |
291 |
6,5 |
0,95 |
5 |
5 |
0,85 |
||
| 4 |
Киноклуб, игровой клуб, аптека, магазин, тренаж. зал, тепловой узел. |
45 |
0,8 |
||||||
| 5 |
Подземный гараж, овощехранилище. |
15 |
0,8 |
||||||
| 6 |
Хоккейная коробка, футбольное поле |
10 |
0,8 |
||||||
| Итого по п/с № 1 |
467 |
9 |
|||||||
Таблица 1.2.
ТП – 2.
| № ис. дан. |
Наименование |
Квартиры |
Лифты |
Общ. зд. |
|||||
| Кол., шт. |
Pкв. , кВт |
Cos φкв. |
Кол., шт |
Pлиф , кВт |
Cos φлиф. |
P, кВт |
Cos φоб. зд. |
||
| 7 |
Жилой дом |
179 |
6,5 |
0,95 |
4 |
5 |
0,85 |
||
| 8 |
Жилой дом |
240 |
6,5 |
0,95 |
5 |
5 |
0,85 |
||
| 9 |
Подземный гараж, овощехранилище. |
15 |
0,8 |
||||||
| 10 |
Жилой дом |
33 |
6,5 |
0,95 |
1 |
5 |
0,85 |
||
| 11 |
Больница |
30 |
0,8 |
||||||
| Итого по п/с № 2 |
452 |
10 |
|||||||
Таблица 1.3.
ТП – 3.
| № ис. дан. |
Наименование |
Квартиры |
Лифты |
Общ. зд. |
|||||
| Кол., шт. |
Pкв. , кВт |
Cos φкв. |
Кол., шт |
Pлиф , кВт |
Cos φлиф. |
P, кВт |
Cos φоб. зд. |
||
| 12 |
Ц.Т.П. |
130 |
0,8 |
||||||
| 13 |
Жилой дом |
35 |
6,5 |
0,95 |
1 |
5 |
0,85 |
||
| 14 |
Жилой дом |
44 |
6,5 |
0,95 |
2 |
5 |
0,85 |
||
| 15 |
Подземный гараж, овощехранилище. |
15 |
0,8 |
||||||
| Итого по п/с № 3 |
79 |
3 |
|||||||
Таблица 1.4.
ТП – 4.
| № ис. дан. |
Наименование |
Квартиры |
Лифты |
Общ. зд. |
|||||
| Кол., шт. |
Pкв. , кВт |
Cos φкв. |
Кол., шт |
Pлиф , кВт |
Cos φлиф. |
P, кВт |
Cos φоб. зд. |
||
| 16 |
Жилой дом |
238 |
6,5 |
0,95 |
5 |
5 |
0,85 |
||
| 17 |
Аптека |
15 |
0,8 |
||||||
| 18 |
Жилой дом |
162 |
6,5 |
0,95 |
4 |
5 |
0,85 |
||
| 19 |
Жилой дом |
231 |
6,5 |
0,95 |
7 |
5 |
0,85 |
||
| 20 |
Маг. “Бытовая химия.”, супермаркет,турфирма, быт. электромастерская, маг. “Мебель.”, аптека. |
30 |
0,8 |
||||||
| 21 |
Жилой дом |
44 |
6,5 |
0,95 |
2 |
5 |
0,85 |
||
| 22 |
Маг. “Аккумуляторы.”, аптека, магазин “Автозапчасти.” |
20 |
0,8 |
||||||
| Итого по п/с № 4 |
675 |
18 |
|||||||
Таблица 1.5
ТП – 5.
| № ис. дан. |
Наименование |
Квартиры |
Лифты |
Общ. зд. |
|||||
| Кол., шт. |
Pкв. , кВт |
Cos φкв. |
Кол., шт |
Pлиф , кВт |
Cos φлиф. |
P, кВт |
Cos φоб. зд. |
||
| 23 |
Жилой дом |
108 |
6,5 |
0,95 |
3 |
5 |
0,85 |
||
| 24 |
Банк, парикмахерская, маг. “Стройматериалы.”, маг. “Мебель.”, маг. “Продукты.” |
30 |
0,8 |
||||||
| 25 |
Подземный гараж, овощехранилище. |
15 |
0,8 |
||||||
| 26 |
Жилой дом |
138 |
6,5 |
0,95 |
4 |
5 |
0,85 |
||
| 27 |
Жилой дом |
138 |
6,5 |
0,95 |
3 |
5 |
0,85 |
||
| 28 |
Жилой дом |
138 |
6,5 |
0,95 |
4 |
5 |
0,85 |
||
| Итого по п/с № 5 |
522 |
14 |
|||||||
Таблица 1.6.
ТП – 6.
| № ис. дан. |
Наименование |
Квартиры |
Лифты |
Общ. зд. |
|||||
| Кол., шт. |
Pкв. , кВт |
Cos φкв. |
Кол., шт |
Pлиф , кВт |
Cos φлиф. |
P, кВт |
Cos φоб. зд. |
||
| 29 |
Жилой дом |
85 |
6,5 |
0,95 |
2 |
5 |
0,85 |
||
| 30 |
Стоматология |
10 |
0,8 |
||||||
| 31 |
Магазин |
10 |
0,8 |
||||||
| 32 |
Жилой дом |
227 |
6,5 |
0,95 |
8 |
5 |
0,85 |
||
| 33 |
Подземные гар. т\к Мир. |
20 |
0,8 |
||||||
| Итого по п/с № 6 |
312 |
10 |
|||||||
Таблица 1.7.
ТП – 7.
| № ис. дан. |
Наименование |
Квартиры |
Лифты |
Общ. зд. |
|||||
| Кол., шт. |
Pкв. , кВт |
Cos φкв. |
Кол., шт |
Pлиф , кВт |
Cos φлиф. |
P, кВт |
Cos φоб. зд |
||
| 34 |
Жилой дом |
16 |
6,5 |
0,95 |
|||||
| 35 |
Школа |
30 |
0,8 |
||||||
| 36 |
Жилой дом |
8 |
6,5 |
0,95 |
|||||
| 37 |
Т\к “Мир” |
40 |
0,8 |
||||||
| Итого по п/с № 7 |
24 |
||||||||
Таблица 1.8.
ТП – 8.
| № ис. дан. |
Наименование |
Квартиры |
Лифты |
Общ. зд. |
|||||
| Кол., шт. |
Pкв. , кВт |
Cos φкв. |
Кол., шт |
Pлиф , кВт |
Cos φлиф. |
P, кВт |
Cos φоб. зд. |
||
| 38 |
Детский сад |
25 |
0,8 |
||||||
| 39 |
Магазин |
25 |
0,8 |
||||||
| 40 |
Эл.связь “Сибтелеком.” |
25 |
0,8 |
||||||
| 41 |
Жилой дом |
64 |
6,5 |
0,95 |
|||||
| 42 |
Фирма “Адвокаты.”, МВД “Отдел по эконом. Преступлениям.” |
15 |
0,8 |
||||||
| Итого по п/с № 8 |
64 |
||||||||
1.2 РАСЧЕТ ЭЛЕКТРИЧЕСКИХ НАГРУЗОК
Задачей расчета электрических нагрузок является оценка расчетной мощности для каждого элемента электрической сети, по которой будут определены мощности элементов сети. Электрической нагрузкой называют мощность или ток, потребляемые электроприёмником, либо потребителем в установленные моменты или интервалы времени. Нагрузка может измеряться полной, активной и реактивной мощностью либо полным, активным или реактивным током. Расчет нагрузок городской сети включает определение нагрузок отдельных потребителей (жилих домов, общественных зданий, коммунально-бытовых предприятий и т.д.) и элементов системы электроснабжения (распределительных линий, ТП, РП, центров питания и т.д.)
Расчётную нагрузку грепповых сетей освещения общедомовых помещений жилых зданий (лестничных клеток, вестибюлей, технических этажей) следует определять по светотехническому расчёту с коэффициентом спроса равным 1.
Расчеты электрических нагрузок будем производить на примере трансформаторной подстанци №1 (ТП – 1), остальные расчеты аналогичны, результаты расчетов сводим в таблицу 1.9.
Расчетная, активная и реактивная нагрузки питающих линий, вводов и на шинах РУ-0,4 кВ ТП от электроприемников квартир Pкв. , кВт; Qкв. , кВар; определяются по формулам:
Pкв. = Pкв. уд. * n (1.1.)
Qкв. = Pкв. * Cos φкв. (1.2.)
Где Pкв. уд. – удельная нагрузка электроприемников квартир, принимаемая по таблице 2.1.1. [ 6 ] в зависимости от числа квартир, присоединенных к линии (ТП), типа кухонных плит и наличия бытовых кондеционеров воздуха, кВт/квартиру; Pкв. уд. – удельные расчетные нагрузки квартир включают в себя нагрузку освещения общедомовых помещений (лестничных клеток, подполий, технических этажей, чердаков и т. д.)
n – количество квартир, присоединенных к линии (ТП).
Pкв. = 1,23*467 = 593,1 кВт
Qкв. = 593,1 * 0,95 = 563,4 кВар
Расчетная, активная и реактивная нагрузки линий питания лифтовых установок Pр. лиф. , кВт; Qр. лиф. , кВар; определяются по формулам:
Pр. лиф. = ∑ Pn . i . * Kс. лиф. (1.3.)
Qр. лиф. = Pр. лиф. * Cos φлиф. (1.4.)
Где Kс. лиф. – коэффициент спроса, определяемый по таблице 2.1.2. [6] в зависимости от количества лифтовых установок и этажности зданий;
Pn . i . – установленная мощность i-го лифта, кВт
Pр. лиф. = 9 * 5 * 0,5 = 22,5 кВт
Qр. лиф. = 22,5 * 0,85 = 19,1 кВар
Расчетная, активная и реактивная электрические нагрузки жилых домов (квартир и силовых электроприемников) Pр.ж.д, кВт; Qр.ж.д, кВар, определяется по формулам;
Pр.ж.д = Pкв + kу Pр. лиф. (1.5.)
Qр.ж.д = Qкв + kу Qр. лиф. (1.6.)
где Pкв – расчетная электрическая нагрузка квартир, кВт;
Pр. лиф. – расчетная активная нагрузка силовых электроприемников жилого дома, (лифтов) кВт;
Qр. лиф. – расчетная реактивная нагрузка силовых электроприемников жилого дома, (лифтов) кВт;
kу – коэффициент участия в максимуме нагрузки силовых электроприемников (равен 0,9).
Pр.ж.д = 593,1 + 0,9 * 22,5 = 613,4 кВт
Qр.ж.д. = 563,4 + 0,9 * 19,1 = 580,6 кВар
Расчетная активная и реактивная электрические нагрузки на вводе подстанции до 1 кВ при смешанном питании потребителей жилых домов и общественных зданий (помещений), Рп/с. , кВт; Qп/с. , кВар, определяются по формулам:
Рп/с. = Рр.ж.з. + ∑ ΔР (1.7.)
Qп/с. = Qр. ж. з. + ∑ ΔР * Cos φоб. зд. (1.8.)
Где ΔР = Ро.з. * kу – мщность общественных зданий умноженная на коэффициент участия в максимуме нагрузок общественных зданий по таблице 42.7 [ 7 ].
Рп/с. = 613,4 + 57,9 = 671,3 кВт
Qп/с. = 740,1 + 46,3 * 0,9 = 622,3 кВар
Полная мощность на вводе подстанции, Sп/с. , кВА, определяется по формуле:
Sп/с.
= √ Рп/с.
² + Qп/с.
² (1.9.)
Sп/с. = √ 671,3² + 622,3² = 915,4 кВА
Таблица 1.9.
Расчет электрических нагрузок
| № п/п |
Наименование |
P п/с, кВт |
Q п/с, кВар |
S п/с, кВА |
| 1 |
ТП – 1 |
671,3 |
622,3 |
915,4 |
| 2 |
ТП – 2 |
554,2 |
469,7 |
726,5 |
| 3 |
ТП – 3 |
215 |
169,3 |
273,6 |
| 4 |
ТП – 4 |
791,5 |
672,2 |
1038,4 |
| 5 |
ТП – 5 |
656,3 |
492,7 |
820,6 |
| 6 |
ТП – 6 |
410,3 |
309,2 |
513,8 |
| 7 |
ТП – 7 |
119,9 |
85,6 |
147,3 |
| 8 |
ТП – 8 |
96,3 |
66,4 |
116,9 |
1.3 РАСЧЕТ ЭЛЕКТРИЧЕСКОЙ СЕТИ
1.3.1 ВЫБОР ЧИСЛА И МОЩНОСТИ ТРАНСФОРМАТОРОВ
Основным критерием выбора оптимальной мощности трансформаторов являются: экономические соображения, обеспечивающие минимум приведённых затрат, условия нагрева, зависящие от температуры, коэффициента начальной загрузки, длительности максимума.
От правильного размещения подстанций на территории массовой жилой застройки города, а также числа подстанций и мощности трансформаторов, установленных в каждой подстанции, зависят экономические показатели и надежность системы электроснабжения потребителей. Трансформаторные подстанции следует приблизить к центру питаемых ими групп потребителей, так как при этом сокращается протяжонность низковольтных сетей, снижаются сечения проводов и жил кабелей, а это приводит к значительной экономии цветных металлов и снижению потерь энергии. Снижаются также капитальные затраты на сооружение сетей. Поэтому система с мелкими подстанциями (мощность отдельных трансформаторов обычно не превышает 1000 кВА при вторичном напряжении сети 0,4/0,23 кВ) оказывается выгодной и применяется повсеместно [ 5 ].
Количество силовых трансформаторов на трансформаторной подстанции зависит от категории нагрузки по степени бесперебойности электроснабжения. Основная часть потребителей электроэнергии относится к 2-й категории по надёжности электроснабжения. Часть потребителей электроэнергии относятся к потребителям 3-й категории.
Принимается двухтрансформаторная КТП с использованием масляных трансформаторов.
Мощность каждого трансформатора должна быть такой, чтобы при отключении одного из трансформаторов оставшейся в работе обеспечивал электроэнергией потребителей 1 и 2 категорий. За основу выбора берётся перегрузочная способность трансформаторов. Обычно в практике проектирования пользуются перегрузочной способностью для потребителей, работающих по двухсменному режиму раборы, а жилые районы можно отнести к таким режимам работы, так как днем загруженность заключается в работающих магазинах, школах, детских садах и т. д., а вечером в жилых домах. Перегрузочная способность заключается в следующем: при выходе из строя одного из трансформаторов второй трансформатор может нести перегрузку величиной 40% в течении 6-и часов в сутки 5 рабочих дней недели.
Выбор трансформаторов будем производить на примере трансформаторной подстанци № 1 (ТП–1), остальные расчеты аналогичны, результаты расчетов сводим в таблицу 1.11.
Мощность трансформатора определяется по формуле:
Sнагр.
Sтр.
= (1.10.)
Кз. * n
где, Sнагр. – расчетная мощность нагрузки ТП.
n – количество трансформаторов на подстанции. n = 2
Кз. – коэффициент загрузки трансформатора. Кз. = 0.7
606.99
Sтр.
= = 433.56кВА
0,7*2
Выбираем ближайшый больший по мощности трансформатор:
ТМ-630/10
Sном =630кВА
ΔРхх=1.3кВт.
ΔРкз=7.8 кВт.
Uкз = 5.5%
Iхх =2%
Проверяем перегрузочную способность трансформаторов в аварийном режиме: 1,4 * Sномт ≥ Sp
1,4 * 630 = 882 > 606
Условие выполняется.
Таблица 1.10.
Выбор трансформаторов
| № п/п |
Т.П. |
Трансформатор |
Sном. , кВА |
ΔPх.х , кВт |
ΔPк.з. , кВт |
Uк.з. , % |
Iх.х. , % |
| 1 |
ТП – 1 |
Т1.1. TM- 630/10 |
630 |
1.3 |
7.6 |
5,5 |
2 |
| 2 |
ТП – 1 |
Т1.2.TM- 630/10 |
630 |
1.3 |
7.6 |
5,5 |
2 |
| 3 |
ТП – 2 |
Т2.1. ТМ-630/10 |
630 |
1.3 |
7.6 |
5,5 |
2 |
| 4 |
ТП – 2 |
Т2.2. ТМ-630/10 |
630 |
1.3 |
7,6 |
5,5 |
2 |
| 5 |
ТП – 3 |
Т3.1. ТМ-400/10 |
400 |
0.95 |
5.5 |
4.5 |
2.1 |
| 6 |
ТП – 3 |
Т3.2. ТМ-400/10 |
400 |
0.95 |
5.5 |
4.5 |
2.1 |
| 7 |
ТП – 4 |
Т4.1. ТМ-630/10 |
630 |
1.3 |
7.6 |
5,5 |
2 |
| 8 |
ТП – 4 |
Т4.2. ТМ-630/10 |
630 |
1.3 |
7.6 |
5,5 |
2 |
| 9 |
ТП – 5 |
Т5.1. ТМ-400/10 |
400 |
0.95 |
5.5 |
4.5 |
2.1 |
| 10 |
ТП – 5 |
Т5.2. ТМ-400/10 |
400 |
0.95 |
5.5 |
4.5 |
2.1 |
| 11 |
ТП – 6 |
Т6.1. ТМ-400/10 |
400 |
0.95 |
5.5 |
4.5 |
2.1 |
| 12 |
ТП – 6 |
Т6.2. ТМ-400/10 |
400 |
0.95 |
5.5 |
4.5 |
2.1 |
| 13 |
ТП – 7 |
Т7.1. ТМ-630/10 |
630 |
1.3 |
7.6 |
5,5 |
2 |
| 14 |
ТП – 7 |
Т7.2. ТМ-630/10 |
630 |
1.3 |
7.6 |
5,5 |
2 |
| 15 |
ТП – 8 |
Т8.1. ТМ-630/10 |
630 |
1.3 |
7.6 |
5,5 |
2 |
| 16 |
ТП – 8 |
Т8.2. ТМ-630/10 |
630 |
1.3 |
7.6 |
5,5 |
2 |
1.3.2 РАСЧЕТ СЕЧЕНИЯ ЛЭП
Критерием расчета сечения линий электропередачи является:
1. длительно допустимый ток Iдоп ;
2 экономическая плотность тока Iэк ;
3. допустимая потеря напряжения.
В сетях выше 1000 В расчёт сечений ведётся по первым двум условиям, а в сетях до 1000 В расчётным условием является – длительно допустимый ток и допустимая потеря напряжения.
Рассчитываем значение тока:
Sрасч. * Ко
![]()
Iрасч.
= (1.11.)
√3 *Uв. н.
Где: Sрасч. – мощность всех подстанций кольца.
Ко – коэффициент одновременности для электрических нагрузок в сетях 6 – 20 кВ учитывающий количество ТП [8].
3361.1
Iрасч.
L1.
= = 194.3А
√ 3 * 10
Все проводники электрической сети проверяют по допустимому нагреву током нагрузки Для выбора сечений и проверки проводов и кабелей пользуются таблицами приведёнными в ПУЭ. Для этого сопоставляют расчетные токи элементов сети с длительно допустимыми токами, приведёнными в таблицах для проводов и кабелей. Необходимо выдержать соотношение
Iрасч. ≤ Iдоп.
где: Iрасч. – расчетный ток нагрузки, А;
Iдоп. – предельно допустимый ток для данного сечения проводника, А.
По данным справочной литературы выбираем бронированный трехжильный кабель с алюминиевыми жилами и бумажной изоляцией, пропитанной маслоканифольной и не стекающей массами, в свинцовой или алюминиевой оболочке. ААБл (3 *95) Sкаб. = 95 мм2 Iдл. =205А
194,3≤ 205
Условие выполняется.
При проектировании электрических сетей важно обеспечить наименьшую стоимость электроэнергии. Это зависит от выбранных сечений проводов. Если их занизить, то потери энергии возрастут, а если увеличить – уменьшится стоимость потерянной энергии, однако это приводит к росту капитальных первоначальных затрат на сооружение сети. Сечение, соответствующее минимуму стоимости передачи электроэнергии, называют экономическим
Sэ. ≤ Sкаб., мм²
Экономическая плотность тока является функцией двух переменных: числа часов использования максимальной нагрузки Тм и материала проводника. По справочной литературе для Тм = 5000 часов и материала проводника – алюминий, определим экономическую плотность тока jэк. = 2,5А/мм2 , тогда расчётное значение экономического сечения линий равно:
Iрасч.
Sэ.
= (1.12.)
Jэк.
где: Iрасч. – расчетный ток линии.
Jэ. – экономическая плотность тока.
Это условие определено для работы схемы на одной линии и двух трансформаторах находящихся в работе.
194,3
Sэ.
= = 77,8мм²
2,5
Bыбираем сечение кабеля исходя из условия экономической плотности тока ближайшее к расчетному. Кабель ААБл (3*70), Sкаб. = 70 мм², Iдлит. = 165 А.
165А < 250А
Тaк как длительно допустимый ток выбранного кабеля по экономической плотности меньше расчетного тока при выборе кабеля по длительно допустимрму току то принемаем к прокладке в земле ранее выбранный кабель, ААБл (3*95).
Таблица 1.11.
| № линии |
Марка кабеля |
Sр. , кВА |
Iр. , А |
Sэ. , мм² |
Iр. , А |
Sк. , мм² |
Iдоп.к. , А |
Rуд. , Ом/км |
Xуд. , Ом/км |
Lлин , км |
| 1.1. |
ААБл-10 (3*95) |
3361,3 |
194,3 |
77,8 |
165 |
95 |
205 |
0,329 |
0,083 |
0,3 |
| 1.2. |
ААБл-10 (3*95) |
3026,06 |
174,9 |
69,9 |
140 |
95 |
205 |
0,329 |
0,083 |
0,2 |
| 1.3. |
ААБл-10 (3*70) |
2526,3 |
146 |
58,4 |
140 |
70 |
165 |
0,447 |
0,086 |
0,15 |
| 1.4. |
ААБл-10 (3*50) |
2122,8 |
122,7 |
49,08 |
115 |
50 |
140 |
0,625 |
0,09 |
0,2 |
| 1.5. |
ААБл-10 (3*50) |
1678,3 |
97 |
38,8 |
90 |
50 |
140 |
0,625 |
0,09 |
0,15 |
| 1,6. |
ААБ (3*35) |
1317,36 |
76 |
30,4 |
90 |
35 |
115 |
0,894 |
0,095 |
0,1 |
| 1,7 |
ААБ (3*25) |
970,16 |
56 |
22,4 |
75 |
25 |
90 |
1,25 |
0,099 |
0,15 |
| 1,8 |
ААБ (3*16) |
388,1 |
22,4 |
8,96 |
16 |
75 |
1,95 |
0,113 |
0,2 |
|
| 1,9 |
ААБл-10 (3*95) |
3361,3 |
194,3 |
77,8 |
165 |
95 |
205 |
0,329 |
0,083 |
0,3 |
1.3.3 ВЫБОР ЭЛЕКТРИЧЕСКИХ АППАРАТОВ
Трансформаторные подстанции подключаются к сборным шинам 10 кВ РП с вакуумными выключателями, установленными в ячейках серии КРУ.
Все апараты выбираются по следующим условиям:
· по напряжению – Uном. ³ Uсети.
· по номинальному току – Iном. > Iрасч. ;
Где Uсети = 10 кВ.
Sр.
Iр.
= —————
√ 3 * Uсети.
Выбираем оборудование РП 10 кВ.
Выбираем к установке вакуумные выключатели. Основные достоинства вакуумных выключателей, определяющие их широкое применение:
1 Высокая износостойкость при коммутации номинальных токов и номинальных токов отключения. Число отключений номинальных токов вакуумным выключателем (ВВ) без замены ВДК составляет 10-20 тыс., число отключений номинального тока отключения – 20-200, что в 10-20 раз превышает соответствующие параметры маломасляных выключателей.
2 Резкое снижение эксплуатационных затрат по сравнению с маломасляными выключателями. Обслуживание ВВ сводится к смазке механизма привода, проверке износа контактов по меткам один раз в пять лет или через 5-10 тысяч циклов «включений – отключений».
3 Полная взрыво- и пожаробезопасность и возможность работать в агрессивных средах.
4 Широкий диапазон температур окружающей среды, в котором возможна работа ВДК.
5 Повышенная устойчивость к ударным и вибрационным нагрузкам в следствие малой массы и компактной конструкцией аппарата.
6 Произвольное рабочее положение и малые габариты, что позволяет создавать различные компоновки распределительных устройств, в том числе и шкафы с несколькими выключателями при двух-трехярусном их расположении.
7 Бесшумность, чистота, удобство обслуживания, обусловленные малым выделением энергии в дуге и отсутствием выброса масла, газов при отключении токов КЗ.
9 Отсутствие загрязнения окружающей среды.
10 Высокая надежность и безопасность эксплуатации, сокращение времени на монтаж.
К недостаткам ВВ следует отнести повышенный уровень коммутационных перенапряжений, что в ряде случаев вызывает необходимость принятия специальных мер по защите оборудования [ 10 ].
Основные технические характеристики ваккуумных выключателей сводим в таблицу 1.12.
Таблица 1.12.
Выбор ваккуумных выключателей
| № Выкл |
Тип выкл. |
Iрасч. , А |
Uном. , кВ |
Uнаиб. раб. , кВ |
Iном. , А |
Iтер. стой. , А |
tдоп. (Iтер. стой ), А |
Iдин. стой. , А |
| Q1.1. |
ВВЭ-10-20/630У3 |
194,3 |
10 |
12 |
630 |
20 |
3 |
52 |
| Q1.2. |
ВВЭ-10-20/630У3 |
194,3 |
10 |
12 |
630 |
20 |
3 |
52 |
Выбираем оборудование трансформаторных подстанций ТП 10/0,4 кВ на стороне высокого напряжения.
· Выбор выключателей нагрузки.(QW)
Выключатель нагрузки является промежуточным аппаратом между выключателем и разъеденителем. Он не расчитан на отключение тока КЗ, но может включать и отключать рабочие токи линий, трансформаторов и других электроприёмников. Основные технические характеристики сводим в таблицу 1.13.
Таблица 1.13.
Выбор выключателей нагрузки. (QW)
| № Выкл. по сх. |
Тип выключателя. |
Iрасч. , А |
Uном. , кВ |
Iном. , А |
Iтер. стой. , кА |
tдоп. (Iтер. стой ), с |
Iдин. стой. , А |
| 1.1. |
ВНПу-10/400-10зУ3 |
194,3 |
10 |
400 |
10 |
1 |
25 |
| 1.2 |
ВНПу-10/400-10зУ3 |
174 |
10 |
400 |
10 |
1 |
25 |
| 2.1. |
ВНПу-10/400-10зУ3 |
174 |
10 |
400 |
10 |
1 |
25 |
| 2.2. |
ВНПу-10/400-10зУ3 |
146 |
10 |
400 |
10 |
1 |
25 |
| 3.1. |
ВНПу-10/400-10зУ3 |
146 |
10 |
400 |
10 |
1 |
25 |
| 3.2 |
ВНПу-10/400-10зУ3 |
122,7 |
10 |
400 |
10 |
1 |
25 |
| 4.1. |
ВНПу-10/400-10зУ3 |
122,7 |
10 |
400 |
10 |
1 |
25 |
| 4.2 |
ВНПу-10/400-10зУ3 |
97 |
10 |
400 |
10 |
1 |
25 |
| 5.1. |
ВНПу-10/400-10зУ3 |
97 |
10 |
400 |
10 |
1 |
25 |
| 5.2 |
ВНПу-10/400-10зУ3 |
76 |
10 |
400 |
10 |
1 |
25 |
| 6.1. |
ВНПу-10/400-10зУ3 |
76 |
10 |
400 |
10 |
1 |
25 |
| 6.2. |
ВНПу-10/400-10зУ3 |
56 |
10 |
400 |
10 |
1 |
25 |
| 7,1 |
ВНПу-10/400-10зУ3 |
56 |
10 |
400 |
10 |
1 |
25 |
| 7,2 |
ВНПу-10/400-10зУ3 |
22,4 |
10 |
400 |
10 |
1 |
25 |
| 8.1 |
ВНПу-10/400-10зУ3 |
22,4 |
10 |
400 |
10 |
1 |
25 |
| 8.2 |
ВНПу-10/400-10зУ3 |
194,3 |
10 |
400 |
10 |
1 |
25 |
· Выбирам разъеденители (QS):
В данной схеме разъеденители используются для переключений присоединений РУ с одной системы сборных шин на другую без перерыва тока и для отключения и включения ненагруженных трансформаторов. Разъеденители выбирают по мощности ТП; данные сводим в таблицу 1.9.
Таблица 1.14.
Выбор разъеденителей (QS)
| № ТП. |
№ Разъед. по сх. |
Тип разъеденителя. |
Iрасч. , А |
Uном. , кВ |
Iном. , А |
Iтер. стой. , кА |
tдоп. (Iтер. стой ), с |
Iдин. стой. , А |
| ТП – 1 |
QS1 |
РВЗ – 10/400 У3 |
194,3 |
10 |
400 |
16 |
4 |
41 |
| ТП – 2 |
QS2 |
РВЗ – 10/400 У3 |
174 |
10 |
400 |
16 |
4 |
41 |
| ТП – 3 |
QS3 |
РВЗ – 10/400 У3 |
146 |
10 |
400 |
16 |
4 |
41 |
| ТП – 4 |
QS4 |
РВЗ – 10/400 У3 |
122,7 |
10 |
400 |
16 |
4 |
41 |
| ТП – 5 |
QS5 |
РВЗ – 10/400 У3 |
97 |
10 |
400 |
16 |
4 |
41 |
| ТП – 6 |
QS6 |
РВЗ – 10/400 У3 |
76 |
10 |
400 |
16 |
4 |
41 |
| ТП – 7 |
QS7 |
РВЗ – 10/400 У3 |
56 |
10 |
400 |
16 |
4 |
41 |
| ТП – 8 |
QS8 |
РВЗ – 10/400 У3 |
22,4 |
10 |
400 |
16 |
4 |
41 |
· Предохранители:
Плавкий предохранитель представляет собой однополюсный коммутационный аппарат, предназначенный для защиты электрических цепей от сверхтоков; действие его основанно на плавлении током металлической вставки небольшого сечения и гашении образовавшейся дуги. Ценными свойствами плавких предохранителей являются:
1. простота устройства и, следовательно, низкая себестоимость;
2. исключительно быстрое отключение цепи при К.З.;
3. способность предохранителей некоторых типов ограничивать ток К.З. [9 ].
Предохранители ПК, заполненные чистым кварцевым паском, применяются на закрытых подстанциях напряжением 6 – 10 кВ малой и средней мощностей и на маломощных ответвлениях на крупных подстанциях. Предохранители ПК являются токоограничивающими, так как при больших токах КЗ отключаются до достижения амплитудного значения тока К.З. [10].
Основные технические характеристики предохранителей сводим в таблицу 1.15.
Таблица 1.15.
Выбор предохранителей (FU)
| № ТП. |
№ Предохранит. |
Марка предохранителя |
Uном. , кВ |
Uнаиб. раб. , кВ |
Iрасч. , А |
Iном. , А |
Iном. откл, кА |
| ТП – 1 |
1.1.; 1.2. |
ПКТ 103-10-80-20У3 |
10 |
12 |
35 |
80 |
20 |
| ТП – 2 |
2.1.; 2.2. |
ПКТ 103-10-80-20У3 |
10 |
12 |
37 |
80 |
20 |
| ТП – 3 |
3.1.; 3.2. |
ПКТ 103-10-80-20У3 |
10 |
12 |
29,5 |
80 |
20 |
| ТП – 4 |
4.1.; 4.2. |
ПКТ 103-10-80-20У3 |
10 |
12 |
34,15 |
80 |
20 |
| ТП – 5 |
5.1.; 5.2. |
ПКТ 103-10-80-20У3 |
10 |
12 |
26,98 |
80 |
20 |
| ТП – 6 |
6.1.; 6.2. |
ПКТ 103-10-80-20У3 |
10 |
12 |
27,14 |
80 |
20 |
| ТП – 7 |
7.1.; 7.2. |
ПКТ 103-10-80-20У3 |
10 |
12 |
43,9 |
80 |
20 |
| ТП – 8 |
8.1.; 8.2. |
ПКТ 103-10-80-20У3 |
10 |
12 |
37,4 |
80 |
20 |
1.4 ПРОВЕРКА ОБОРУДОВАНИЯ НА ДЕЙСТВИЕ ТОКОВ К.З.
В качестве исходной информации задано установившееся значение 3-х фазного К.З. на шинах 10,5 кВ РП.
Iк.з. = 10 кА.
В рассматриваемой схеме на действие токов К.З. должны быть проверены :
· вакуумные выключатели, выключатели нагрузки, разъеденители;
· кабель (на термическое действие).
1. Условием проверки аппаратов на электродинамическую устойчивость токам К.З. является:
iуд.
£ iдин.
= Iскв.
Iуд. = √2 * Ку. * Iк.з. (1.14.)
где: iуд. – ударный ток К.З.;
Ку. – ударный коэффициент. Ку. =1,8;
2. Условием проверки на термическую стойкость токам К.З. является :
Iк.з. ² * tпр. < Iтер. стой. ² * tтер. стой. (1.15.)
где: tтер. стой. – время термической стойкости по справочнику, кА²*с.
Iтер. стой. – ток термической стойкости по справочнику, А,
Iк.з. – ток короткого замыкания, Iк.з. = 10 кА,
tпр - приведённое время действия 3-х фазного К.З., оно определяется временем срабатывания защиты и собственным временем отключения аппарата. tпр. = tс.з. + tоткл. ,
где: tс.з. – время действия основной защиты от К.З. (0,02…..0,05 с.)
tоткл. – время отключения выключателя (интервал времени от момента подачи релейной защитой импульса на катушку отключения до полного расхождения контактов), равно = 0,055 с.
tпр. = 0,02 + 0,055 = 0,075 с
Проверка вакуумных выключателей.
Проверка вакуумных выключателей на электродинамическую устойчивость токам К.З.
Iк.з. = 6 кА
iуд.
= √2 * 1,8 * 10 = 25,45кА
Ток динамической стойкости равен 52 кА для выключателя (амплитудное значение предельного сквозного тока). Следовательно, выбранные ваккумные выключатели обладают динамической стойкостью.
Проверка вакуумных выключателей на термическую устойчивость токам К.З.
Iк.з. ² * tпр. = 102 * 0,075 = 7,5кА
Заводом изготовителем на данный выключатель задан предельный ток термической стойкости 20 кА и допустимое время его действия 3 с.
Iтерм. стой. ² * tтерм. стой. = 202 * 3 = 1200 кА
7,5< 1200
Следовательно, выключатель обладает термической стойкостью.
Проверка выбранных аппаратов на подстанциях.
Проверку выбрaнных аппаратов на трансформаторных подстанциях будем производить на примере ТП – 1. Проверка аппаратов на других подстанциях аналогична, результаты проверок занесём в таблицу 1.16. Переходными сопротивлениями контактов аппаратов пренебрегаем, а сопротивление системы и сопротивления кабелей учитываем.
Находим сопротивление системы (Xс ).
Uc .
![]()
Xс.
= (1.16.)
√ 3 * Iк.з.
10
Xс.
= = 1,73Ом.
√ 3 * 10
Определим активное и индуктивное сопротивление кабеля линии 1.1.
Rкаб. = Rуд. к. * Lкаб. (1.17.)
Rкаб. = 0,329* 0,3 = 0,0987Ом
Xкаб. = Xуд. к. * Lкаб. (1.18.)
Xкаб. = 0,083* 0,3 = 0,0249 Ом
Определяем полное сопротивление участка сети.
Xуч. = Xс. + Xкаб. (1.19.)
Xуч. = 1,73+ 0,0249 = 1,7549 Ом
![]()
Zуч.
= √ Rуч.
² + Xуч.
² (1.20.)
Zуч. = √ 0,0987² + 1,7549 ² = 1,7576Ом
Определяем ток К.З. на подстанции № 1.
Uс.
Iк.з.П/С №1.
= (1.21.)
√ 3 * Z
10
Iк.з.П/С №1.
= = 3,28кА
√ 3 * 1,7576
Проверяем на электродинамическую устойчивость, определяем ударный ток на подстанции №1.
iуд. = √2 * 1,8* 3,28= 8,35кА
У всех выбранных aппаратов на ТП – 1 ток динамической стойкости выше расчетного тока, значит все аппараты удовлетворяют требованиям проверки на электродинамическую устойчивость.
Проверяем аппараты ТП - 1 на термическую устойчивость токам К.З.
Iк.з. ² * tпр. = 3,28² * 0,075 = 3,28кА
Заводом изготовителем на выключатель нагрузки задан предельный ток термической стойкости 10 кА и допустимое время его действия 1 с.
Iтерм. стой. ² * tтерм. стой. = 10² * 1 = 100 кА
3,28< 100
Следовательно, выключатель нагрузки обладает термической стойкостью.
Заводом изготовителем на разъеденитель задан предельный ток термической стойкости 16 кА и допустимое время его действия 4 с.
Iтерм. стой. ² * tтерм. стой. = 10² * 4 = 400 кА
3,28 < 400
Следовательно, разъеденитель обладает термической стойкостью.
Таблица 1.16.
Проверка аппаратов на действие токов К.З.
| ТП. |
Наимен. аппарата |
Тип аппарата |
Примечания |
| ТП – 1 |
Выключ. нагрузки |
ВНПу-10/400-10зУ3 |
Все аппараты удовл. требованиям проверки |
| ТП – 1 |
Разъеденитель |
РВЗ – 10/400 У3 |
Уд. треб. проверки |
| ТП – 2 |
Выключ. нагрузки |
ВНПу-10/400-10зУ3 |
Все аппараты удовл. требованиям проверки |
| ТП – 2 |
Разъеденитель |
РВЗ – 10/400 У3 |
Уд. треб. проверки |
| ТП – 3 |
Выключ. нагрузки |
ВНПу-10/400-10зУ3 |
Все аппараты удовл. требованиям проверки |
| ТП – 3 |
Разъеденитель |
РВЗ – 10/400 У3 |
Уд. треб. проверки |
| ТП – 4 |
Выключ. нагрузки |
ВНПу-10/400-10зУ3 |
Все аппараты удовл. требованиям проверки |
| ТП – 4 |
Разъеденитель |
РВЗ – 10/400 У3 |
Уд. треб. проверки |
| ТП – 5 |
Выключ. нагрузки |
ВНПу-10/400-10зУ3 |
Все аппараты удовл. требованиям проверки |
| ТП – 5 |
Разъеденитель |
РВЗ – 10/400 У3 |
Уд. треб. проверки |
| ТП – 6 |
Выключ. нагрузки |
ВНПу-10/400-10зУ3 |
Все аппараты удовл. требованиям проверки |
| ТП – 6 |
Разъеденитель |
РВЗ – 10/400 У3 |
Уд. треб. проверки |
| ТП – 7 |
Выключ. нагрузки |
ВНПу-10/400-10зУ3 |
Все аппараты удовл. требованиям проверки |
| ТП – 7 |
Разъеденитель |
РВЗ – 10/400 У3 |
Уд. треб. проверки |
| ТП – 8 |
Выключ. нагрузки |
ВНПу-10/400-10зУ3 |
Все аппараты удовл. требованиям проверки |
| ТП – 8 |
Разъеденитель |
РВЗ – 10/400 У3 |
Уд. треб. проверки |
Проверка кабеля на термическую стойкость.
Проверку кабелей на термическую стойкость будем производить на примере линии 1.2., остальные расчеты аналогичны. Результаты проверки занесём в таблицу 1.17.
Для проверки кабеля рассчитывается термически стойкое сечение,
Sт. стой. , мм²
Sт. стой. = α * Iк.з. * √ tпр. (1.22.)
Где: α – расчетный коэффициент, определяемый ограничением допустимой температуры нагрева жилы кабеля: α = 7 для медных жил, α = 12 для алюминиевых жил;
Iк.з. – установивщийся ток К.З. на ТП-1;
tпр. – приведённое время срабатывания защиты, tпр. = 0,075 с.
Sт. стой. = 12 * 3,28* √ 0,075 = 10,78мм²
Сечение выбранного кабеля проходит по уcловию термической стойкости, принимаем к прокладке выбранный кабель ААБ (3 * 16).
Sкаб. = 16 мм² > Sт. стой. = 10,78 мм²
Таблица 1.17.
Проверка кабеля на действие токов к.з.
| № линии |
Марка кабеля |
Примечания |
| 1.1. |
ААБ (3 * 95) |
Удовл. треб. проверки |
| 1.2. |
ААБ (3*95) |
Удовл. треб. проверки |
| 1.3. |
ААБ (3*70) |
Удовл. треб. проверки |
| 1.4. |
ААБ (3*50) |
Удовл. треб. проверки |
| 1.5. |
ААБ (3*50) |
Удовл. треб. проверки |
| 1,6. |
ААБ (3*35) |
Удовл. треб. проверки |
| 1,7. |
ААБ (3*25) |
Удовл. треб. проверки |
| 1,8. |
ААБ (3*16) |
Удовл. треб. проверки |
| 1,9. |
ААБ (3*95) |
Удовл. треб. проверки |
1.5 КОНСТРУКТИВНОЕ ИСПОЛНЕНИЕ
По расположению подстанции различают: внутрицеховые, расположенные в здании цеха; встроенные, т. е. вписанные в контур основного здания (но при этом выкатка трансформаторов и выключателей производится из здания); пристроенные, т. е. примыкающие к основному зданию (с выкаткой трансформаторов и выключателей наружу здания); отдельно стоящие.
По принципу обслуживания подстанции могут быть сетевые и абонентские. Сетевые подстанции обслуживаются персоналом энергосистемы, а абонентские – персоналом потребителя.
Для городских условий наиболее приемлемым является применение закрытых подстанций наружной установки оборудованные одним или двумя трансформаторами мощностью 100 – 1000 кВА каждый с первичным напряжением 10 кВ и вторичным напряжением 0,4/0,23 кВ, с воздушными или кабельными вводами.
Многие строительные и монтажные организации городов выпускают комплектные трансформаторные подстанции (КТП) из объемных железобетонных элементов (блок–коробок), изготовленныых на железобетонном заводе. Подстанция доставляется на место строительства отдельными блоками и устанавливается на заранее подготовленную площадку. Устанавливаем комплектную трансформаторную подстанцию (КТП).
Трансформаторная подстанция (ТП) предназначена для приема электрической энергии на напряжении 10 кВ, понижения напряжения до 0,4 кВ и распределения электроэнергии ЭП. В зависимости от степени защиты от воздействия окружающей среды применяем ТП для наружной установки. РП наружной установки комплектуются автоматическими вакуумными выключателями, установленными на выкатных тележках. В ТП используются силовые трансформаторы типа ТМ (трансформаторы масляные с естественной циркуляцией воздуха и масла для комплектных трансформаторных подстанций).
Варианты возможной компоновки ТП:
· с двумя трансформаторами и линейным размещением шкафов;
· с двумя трансформаторами и П-образным размещением шкафов.
· с одним трансформатором и линейным размещением шкафов;
Принимается компоновка ТП с двумя трансформаторами и линейным размещением шкафов.
Принимается двухтрансформаторная ТП с использованием масляных трансформаторов. Масляные трансформаторы наиболее массовые. Основная особенность, ограничивающая их применение в производственных зданиях - наличие масла, что обуславливает их пожароопасность. По нормам и правилам, регламентирующих с этой точки зрения разрешается устанавливать в объекте проектирования ТП с применением масляных трансформаторов с суммарной мощностью до 3200 кВА. Так как используются масляные трансформаторы, то под каждым трансформатором будет маслоприемник. Расстояние по горизонтали от дверного проёма трансформаторной камеры до проёма ближайшего окна или двери другого помещения должно быть не менее 1м при количестве масла в трансформаторе 60 кг.
Вентиляционная система ТП и камер трансформаторов должна обеспечивать отвод выделяемого трансформатором тепла, быть самостоятельной и не связанной с другими вентиляционными системами.
Будем использовать трансформаторы ТМ – 630/10. ΔРхх = 1,3 кВт, ΔРкз=7,6 кВт, Uкз = 5,5 %, Iхх =2 %.
По условиям работы - предназначенные для работы в нормальных условиях.
По виду изолирующей среды и охлаждающей среды – масляные.
Схема соединения обмоток - треугольник/ звезда;
2. РАСЧЕТ СИСТЕМЫ ЭЛЕКТРОСНАБЖЕНИЯ 0,4 кВ
2.1 ОБОСНОВАНИЕ СХЕМЫ
Схемы электрических сетей должны быть просты, экономичны и строиться, исходя из требований, предъявляемых к надежности электроснабжения электроприемников зданий.
В здании должно, как правило, устанавливаться одно общее вводно-распределительное устройство или главный распределительный щит (ВРУ, ГРЩ), предназначенные для приема электроэнергии от городской сети и распределения ее по потребителям здания. Увеличение количества ВРУ (ГРЩ) допускается при питании от отдельно стоящей ТП и нагрузке на каждом из вводов в нормальном и аварийном режимах св. 400-630 А (в зависимости от номинального тока коммутационных и защитных аппаратов, отходящих от ТП линий). В других случаях увеличение количества ВРУ или ГРЩ допускается при технико-экономическом обосновании.
В жилых домах ВРУ рекомендуется размещать в средних секциях. В общественных зданиях ГРЩ или ВРУ должны располагаться у основного абонента независимо от числа предприятий, учреждений и организаций, расположенных в здании.
В типовых проектах блок-секций жилых домов следует предусматривать планировочные решения, позволяющие изменять местоположение ВРУ при привязке проектов к конкретным условиям застройки.
В жилых домах число горизонтальных питающих линий квартир должно быть минимальным. Нагрузка каждой питающей линии, отходящей от ВРУ, не должна превышать 250 А.
2.2. РАСЧЕТ ЭЛЕКТРИЧЕСКИХ НАГРУЗОК
Задачей расчета электрических нагррузок является оценка расчетной мощности для каждого элемента электрической сети, по которой будут определены мощности элементов сети. Расчет электрических нагрузок в сетях 0,38 кВ проводится суммированием нагрузки на вводе в жилой дом или на вводе в общественное здание с учетом коэффициентов одновременности максимумов нагрузки.
Расчеты электрических нагрузок будем производить на примере трансформаторной подстанци №1 (ТП-1), остальные расчеты аналогичны, результаты расчетов сводим в таблицу 2.1. К подстанции №1 подключены: 2 жилых дома, 2 магазина, киноклуб и т. д., подземные гаражи с овощехранилищем и хоккейная коробка с футбольным полем. Подробная информация по нагрузкам подстанции приведена в таблице 1.1.
Расчетная, активная и реактивная нагрузки питающих линий от электроприемников квартир Pкв. , кВт; Qкв. , кВар; определяются по формулам:
Pкв. = Pкв. уд. * n (2.1.)
Qкв. = Pкв. * Cos φкв. (2.2.)
Pкв. 1. = 1,1 * 144 = 158,4 кВт
Pкв. 2 = 1,4* 45 = 63 кВт
Ркв.4 = 1,1*144 = 158,4 кВт
Qкв. 1. = 158,4 * 0,95 = 150,48 кВар
Qкв. 2. = 63 * 0,95 = 150,48 кВар
Qкв 4 =158,4*0,95=150,48кВар
Расчетная, активная и реактивная нагрузки линий питания лифтовых установок Pр. лиф. , кВт; Qр. лиф. , кВар; определяются по формулам:
Pр. лиф. = ∑ Pn . i . * Kс. лиф. (2.3.)
Qр. лиф. = Pр. лиф. * Cos φлиф. (2.4.)
Pр. лиф. 1. = 4 * 5 * 0,65 = 13 кВт
Pр. лиф. 4. = 4 * 5 * 0,65 = 13 кВт
Qр. лиф. 1. = 13 * 0,85 = 11,05 кВар
Qр. лиф. 3. = 13 * 0,85 = 11,05 кВар
Расчетная, активная и реактивная электрические нагрузки жилых домов (квартир и силовых электроприемников) Pр.ж.д, кВт; Qр.ж.д, кВар, определяется по формулам;
Pр.ж.д = Pкв + kу Pр. лиф. (2.5.)
Qр.ж.д = Qкв + kу Qр. лиф. (2.6.)
где kу – коэффициент участия в максимуме нагрузки силовых электроприемников (равен 0,9).
Pр.ж.д. 1. = 158,4 + 0,9 * 13= 170,1 кВт
Pр.ж.д. 2. = 63 + 0,9 = 63,9 кВт
Рр.ж.д. 4 = 158,4+0,9*13=170,1 кВт
Qр.ж.д. 1. = 150,48 + 0,9 * 11,05 = 160,43 кВар
Qр.ж.д. 2. = 59,85 + 0,9 = 60,75 кВар
Qр.ж.д. 4 =150,48+0,9*11,05 =160,43
Расчетная активная и реактивная электрические нагрузки на ВРУ до 1 кВ при смешанном питании потребителей жилых домов и общественных предприятий (помещений), Рвру.р.ж.д.. , кВт; Qвру.р.ж.д.. , кВар, определяются по формулам:
Рвру.р.ж.д.. = Рр.ж.з. + ∑ ΔР (2.7.)
Qвру.р.ж.д.. = Qр. ж. з. + ∑ ΔQ (2.8.)
Где ΔР = Ро.п. * kэл.н. – мщность общественных предприятий умноженная на коэффициент учитывающий долю электрических нагрузок общественных предприятий по таблице 42.7 [ 7 ].
Рвру.р.ж.д.6. = 50,4 + 20,9 = 71,3 кВт
Рвру.р.ж.д.7. = 50,4 + 15,9 = 56,7 кВт
Qвру.р.ж.д.6. = 47.88+ 16.9 = 64.78 кВар
Qвру.ж.д.7 = 38,76+12,9 = 51,66кВар
Расчетная, реактивная электрическая нагрузка общественных зданий Qр.о.з., кВар, определяется по формуле;
Qр. С. о . . = P с.о. * Cos φ с.о. (2.9.)
Q р.с.о.3. = 40* 0,8 = 32 кВар
Полная мощность на вводе ВРУ 0,4 кВ подстанции, Sр. , кВА, определяется по формуле:
![]()
Sр.
= √ Рр.
² + Qр.
² (2.10.)
Sр.ж.д.1.
= √ 170,1² + 160,43² = 233,8 кВА
Sр.ж.д.2. = √ 63,9² + 60,75² = 88,17 кВА
![]()
Sр.ж.д.3.
= √ 40² + 32² = 51,22 кВА
Sр.ж.д.4 = √ 170,1² + 160,43² = 233,8 кВА
Таблица 2.1.
| № ТП. |
№ ис. дан |
Наименование потребителя. |
Квартиры. |
Лифты. |
Общая нагрузка. |
||||
| P, кВт |
Q, кВар |
P, кВт |
Q, кВар |
P, кВт |
Q, кВар |
S, кВА |
|||
| ТП – 1 |
1 |
Жилой дом |
158,4 |
150,48 |
13 |
11,05 |
170,1 |
160,43 |
233,8 |
| ТП – 1 |
2 |
Жилой дом |
63 |
59,85 |
63,9 |
60,75 |
51,22 |
||
| ТП – 1 |
3 |
МВД |
40 |
32 |
51,22 |
||||
| ТП – 1 |
4 |
Жилой дом |
158,4 |
150,48 |
13 |
11,05 |
170,1 |
160,43 |
233,8 |
| Итого: |
404,1 |
381,61 |
606,99 |
||||||
| ТП-2 |
5 |
Жилой дом |
158,4 |
150,48 |
13 |
11,05 |
170,1 |
160,43 |
233,8 |
| ТП-2 |
6 |
Жилой дом |
50,4 |
47,88 |
71,3 |
64,78 |
96,3 |
||
| ТП-2 |
6 |
Магазин, парикмахерская |
20 |
16 |
|||||
| ТП-2 |
7 |
Жилой дом |
40,8 |
38,76 |
56,7 |
51,66 |
76,7 |
||
| ТП-2 |
7 |
Юр. Консультация. |
15 |
12 |
|||||
| ТП-2 |
8 |
Жилой дом |
158,4 |
150,48 |
13 |
11,05 |
170,1 |
160,43 |
233,8 |
| Итого: |
468,2 |
437,3 |
640,6 |
||||||
| ТП – 3 |
9 |
Банк |
50 |
40 |
64,03 |
||||
| ТП – 3 |
10 |
Жилой дом |
63 |
59,85 |
63,9 |
60,75 |
88,17 |
||
| ТП – 3 |
11 |
Жилой дом |
158,4 |
150,48 |
13 |
11,05 |
170,1 |
160,43 |
233,8 |
| ТП – 3 |
12 |
Жилой дом |
90 |
85,5 |
90,9 |
86,4 |
125,4 |
||
| Итого: |
324,9 |
307,58 |
511,4 |
||||||
Продолжение таблицы 2.1.
| № ТП. |
№ ис. дан |
Наименование потребителя. |
Квартиры. |
Лифты. |
Общая нагрузка. |
||||
| P, кВт |
Q, кВар |
P, кВт |
Q, кВар |
P, кВт |
Q, кВар |
S, кВА |
|||
| ТП – 4 |
13 |
Магазин |
30 |
24 |
38,4 |
||||
| ТП – 4 |
14 |
Жилой дом |
90 |
85,5 |
90,9 |
86,4 |
125,4 |
||
| ТП – 4 |
15 |
Жилой дом |
63 |
59,85 |
63,9 |
60,75 |
88,17 |
||
| ТП – 4 |
16 |
Жилой дом |
158,4 |
150,48 |
13 |
11,05 |
170,1 |
160,42 |
233,8 |
| ТП – 4 |
17 |
Жилой дом |
50,4 |
47,88 |
63,9 |
60,78 |
88,17 |
||
| Итого: |
388,8 |
368,32 |
590,77 |
||||||
| ТП-5 |
18 |
Жилой дом |
63 |
59,85 |
63,9 |
60,75 |
88,17 |
||
| ТП-5 |
19 |
Жилой дом |
72 |
68,4 |
9,5 |
8,1 |
80,55 |
75,69 |
110,5 |
| ТП-5 |
20 |
Дет.сад. |
25 |
20 |
32 |
||||
| ТП-5 |
21 |
Жилой дом |
158,4 |
150,48 |
15 |
12,75 |
171,9 |
161,9 |
236,1 |
| Итого: |
316,35 |
298,34 |
466,77 |
||||||
| ТП-6 |
22 |
Жилой дом |
50,4 |
48 |
71,3 |
64,78 |
96,3 |
||
| ТП - 6 |
22 |
Аптека |
20 |
16 |
|||||
| ТП – 6 |
23 |
Жилой дом |
63 |
59,85 |
63,9 |
60,75 |
88,17 |
||
| ТП – 6 |
24 |
Жилой дом |
158,4 |
150,48 |
13 |
11,05 |
170,1 |
160,43 |
233,8 |
| ТП – 6 |
25 |
Школа. |
40 |
32 |
51,23 |
||||
| Итого; |
305,3 |
285,96 |
469,5 |
||||||
| ТП-7 |
26 |
Жилой дом |
158,4 |
150,48 |
13 |
11,05 |
170,1 |
160,43 |
233,8 |
| ТП-7 |
27 |
Жилой дом |
158,4 |
150,48 |
13 |
11,05 |
170,1 |
160,43 |
233,8 |
| ТП-7 |
28 |
Жилой дом |
158,4 |
150,48 |
13 |
11,05 |
170,1 |
160,43 |
233,8 |
| ТП-7 |
29 |
Дет. Сад. |
25 |
20 |
32 |
||||
| ТП-7 |
30 |
Детская.поликлиника. |
20 |
16 |
25,6 |
||||
| Итого; |
510,3 |
481,29 |
759 |
||||||
| ТП-8 |
31 |
Прокуратура.Юстиция. |
50 |
40 |
64,03 |
||||
| ТП-8 |
32 |
Сбер.банк. |
40 |
32 |
51,2 |
||||
| ТП-8 |
33 |
Газета « Ва банк » |
50 |
40 |
64,03 |
||||
| ТП – 8 |
34 |
Жилой дом |
158,4 |
150,48 |
13 |
11,05 |
170,1 |
160,43 |
233,8 |
| ТП – 8 |
35 |
Жилой дом |
158,4 |
150,48 |
13 |
11,05 |
170,1 |
160,43 |
233,8 |
| Итого; |
340,2 |
320,86 |
646,86 |
||||||
2.3 РАСЧЕТ ЭЛЕКТРИЧЕСКОЙ СЕТИ
2.3.1 РАСЧЕТ СЕЧЕНИЯ ЛЭП
Выбираем марку, и сечение кабелей от РУ 0,4 кВ подстанции до ВРУ электроприемника. Выбор и проверка сечений проводов и кабелей напряжением до 1000В производится по длительно-допустимому току и допустимой потере напряжения в линии. Выбор и проверку ЛЭП будем производить на примере жилого дома по адресу ул. Пролетарская 1-4 (№ исходных данных 1). Результаты расчетов сведем в таблицу 2.2.
Рассчитаем сечения по длительно-допустимому току:
Sр
![]()
Iр
= (2.11.)
√ 3 * Uн
где: Sр – полная мощность электроприёмника подключённого на данный кабель.
Uн – номинальное напряжение на шинах ТП.
233,8
![]()
Iр.
= = 337,5А
√ 3 * 0,4
Необходимо выдержать условие:
Iр. ≤ Iдоп.
Выбираем кабель ААБ (4 * 185), Sк =185мм², Iдоп. = 345 А, Rуд. = 0,17 Ом, Xуд. = 0,059 Ом, Lл.1.1. = 0,15 км.
337,5< 345
Выбранный кабель удовлетворяет условию выбора по длительно допустимому току.
Проверяем выбранный кабель по допустимой потере напряжения.
Условием проверки является потеря напряжения, при передаче электроэнергии, в линии не более 4 – 6 % т.е.
∆U ≤ (4 – 6) %
Расчитываем потерю напряжения в линии 6 в %.
P * R + Q * X
∆U = (2.12.)
U² * 10
Где: P – активная мощность потребителя подключённого к кабелю, кВт
Q – реактивная мощность потребителя подключённого к кабелю, кВар
U – напряжение сети, кВ
R – активное сопротивление кабеля, Ом
X – индуктивное сопротивление кабеля, Ом
Rкаб.6. = Rуд.к. * Lл
Хкаб.б.= Худ.к.* Lл
Rкаб.6. = 0,17 * 0,15 = 0,025 Ом (2.13.)
Xкаб.6. = 0,059 * 0,15 = 0,0088Ом (2.14.)
170,1* 0,025+ 160,43 * 0,0088
∆Uкаб.1.1.
= = 3,92 %
0,38² * 10
3,92 % < 6 %
Так как ∆Uкаб.6. меньше ∆U допустимого то выбрaнный кабель удовлетворяет условию проверки по допустимой потере напряжения.
Таблица 2.2.
| № ТП. |
№ дан |
Наименование потребителя. |
Sр , кВА. |
Iр , А |
Марка кабеля |
Sкаб. , кВА |
Iдоп. , А |
∆Uлин. , % |
Rуд. , Ом |
Xуд. , Ом |
L, км. |
| ТП–1 |
1 |
Жилой дом |
233,8 |
337,5 |
ААБл (4*185) |
185 |
345 |
3,92 |
0,17 |
0,059 |
0,15 |
| ТП–1 |
2 |
Жилой дом |
88,17 |
127,8 |
ААБл (4*35) |
35 |
135 |
4,34 |
0,92 |
0,064 |
0,1 |
| ТП–1 |
3 |
. МВД |
51,22 |
73,9 |
ААБл (4*16) |
16 |
90 |
5,55 |
1,95 |
0,068 |
0,1 |
| ТП–1 |
4 |
Жилой дом |
233,8 |
337,5 |
ААБл (4*185) |
185 |
345 |
3,92 |
0,17 |
0,059 |
0,15 |
| ТП–2 |
5 |
Жилой дом |
233,8 |
337,5 |
ААБл (4*185) |
185 |
345 |
5,32 |
0,17 |
0,059 |
0,2 |
| ТП–2 |
6 |
Жилой дом. Магазин. |
96,3 |
138,9 |
ААБл (4*50) |
50 |
165 |
5,16 |
0,64 |
0,063 |
0,15 |
| ТП–2 |
7 |
Жилой дом. Юр.консульт. |
76,7 |
110,6 |
ААБл (4*35) |
35 |
135 |
5,76 |
0,92 |
0,064 |
0,15 |
| ТП–2 |
8 |
Жилой дом |
233,8 |
337,5 |
ААБл (4*185) |
185 |
345 |
4,2 |
0,17 |
0,059 |
0,16 |
| ТП–3 |
9 |
Банк |
64,03 |
92,4 |
ААБл (4*35) |
35 |
135 |
5 |
0,92 |
0,064 |
0,15 |
| ТП–3 |
10 |
Жилой дом |
88,16 |
127,8 |
ААБл (4*35) |
35 |
135 |
4,3 |
0,92 |
0,064 |
0,1 |
| ТП–3 |
11 |
Жилой дом |
233,8 |
337,5 |
ААБл (4*185) |
185 |
345 |
4,2 |
0,17 |
0,059 |
0,16 |
| ТП–3 |
12 |
Жилой дом |
125,4 |
180,9 |
ААБл (4*70) |
70 |
200 |
5,54 |
0,46 |
0,061 |
0,17 |
| ТП–4 |
13 |
. Магазин. |
38,4 |
60 |
ААБл (4*25) |
25 |
90 |
5,53 |
1,28 |
0,066 |
0,2 |
| ТП–4 |
14 |
Жилой дом |
125,4 |
180,9 |
ААБл (4*70) |
70 |
200 |
3,2 |
0,46 |
0,061 |
0,1 |
| ТП– 4 |
15 |
Жилой дом |
88,17 |
127,8 |
ААБл (4*35) |
35 |
135 |
4,3 |
0,92 |
0,064 |
0,1 |
| ТП–4 |
16 |
Жилой дом |
88,17 |
337,5 |
ААБл (4*185) |
185 |
345 |
5,2 |
0,17 |
0,059 |
0,2 |
| ТП–4 |
17 |
Жилой дом.Магазин. |
88,17 |
127,8 |
ААБл (4*35) |
35 |
135 |
5,2 |
0,92 |
0,064 |
0,12 |
| ТП– 5 |
18 |
Жилой дом |
88,17 |
127,8 |
ААБл (4*35) |
35 |
135 |
5,2 |
0,92 |
0,064 |
0,12 |
| ТП– 5 |
19 |
Жилой дом |
110,5 |
172,9 |
ААБл (4*70) |
70 |
200 |
5,77 |
0,46 |
0,061 |
0,2 |
| ТП–5 |
20 |
Детский сад. |
32 |
50 |
ААБл (4*16) |
16 |
90 |
5,2 |
1,95 |
0,068 |
0,15 |
| ТП–5 |
21 |
Жилой дом |
236,1 |
340,7 |
ААБл (4*185) |
185 |
345 |
5,4 |
0,17 |
0,059 |
0,2 |
| ТП–6 |
22 |
Жилой дом. Аптека. |
96,3 |
138,9 |
ААБл (4*50) |
50 |
165 |
4,7 |
0,64 |
0,063 |
0,15 |
| ТП–6 |
23 |
Жилой дом |
88,17 |
127,8 |
ААБл (4*35) |
35 |
135 |
5,2 |
0,92 |
0,064 |
0,12 |
| ТП–6 |
24 |
Жилой дом |
233,8 |
337,5 |
ААБл (4*185) |
185 |
345 |
4,2 |
0,17 |
0,059 |
0,16 |
| ТП–6 |
25 |
Школа. |
51,23 |
73,9 |
ААБл (4*25) |
25 |
90 |
5,54 |
1,28 |
0,066 |
0,15 |
| ТП–7 |
26 |
Жилой дом |
233,8 |
337,5 |
ААБл (4*185) |
185 |
345 |
5,3 |
0,17 |
0,059 |
0,2 |
| ТП–7 |
27 |
Жилой дом |
233,8 |
337,5 |
ААБл (4*185) |
185 |
345 |
4,2 |
0,17 |
0,059 |
0,16 |
| ТП–7 |
28 |
Жилой дом |
233,8 |
337,5 |
ААБл (4*185) |
185 |
345 |
5,85 |
0,17 |
0,059 |
0,22 |
| ТП–7 |
29 |
Детский сад. |
32 |
46,2 |
ААБл (4*16) |
16 |
90 |
5,2 |
1,95 |
0,068 |
0,15 |
| ТП–7 |
30 |
Д. поликлиника. |
25,6 |
36,9 |
ААБл (4*16) |
16 |
90 |
5,55 |
1,95 |
0,068 |
0,2 |
| ТП–8 |
31 |
Прокуратура |
64,03 |
92,4 |
ААБл (4*25) |
25 |
115 |
4,61 |
1,28 |
0,066 |
0,1 |
| ТП– 8 |
32 |
Сбербанк. |
51,2 |
73,9 |
ААБл (4*25) |
25 |
115 |
5,54 |
1,28 |
0,066 |
0,15 |
| ТП– 8 |
33 |
Газета « ва банк » |
64,03 |
92,4 |
ААБл (4*25) |
25 |
115 |
5,04 |
1,28 |
0,066 |
0,15 |
| ТП– 8 |
34 |
Жилой дом |
233,8 |
337,5 |
ААБл (4*185) |
185 |
185 |
5,31 |
0,17 |
0,059 |
0,2 |
| ТП– 8 |
35 |
Жилой дом |
233,8 |
337,5 |
ААБл (4*185) |
185 |
185 |
5,31 |
0,17 |
0,059 |
0,2 |
2.3.2 ВЫБОР ЭЛЕКТРИЧЕСКИХ АППАРАТОВ
Для сетей, требующих обязательной защиты от перегрузки, рекомендуется использовать автоматические выключатели с комбинированными расцепителями, т.к. они ненадежно защищают сеть от перегрузок. Условиями выбора выключателей являются:
1.Номинальное напряжение.
2.Номинальный ток. Iн >Iр
Выбираем автоматические выключатели, устанавливаемые в распределительном устройстве 0,4 кВ подстанции: вводные и секционные.
Выбор аппаратов будем производить на примере ТП – 1. Остальные расчеты аналогичны, результаты расчетов сводим в таблицу 2.3.
Для вводных аппаратов QF1.1. и QF1.2. расчетной нагрузкой является нагрузка всей подстанции. Для секционного автомата QF1.3. – половина мощности подстанции.
Расчитываем ток на ТП – 1:
Sт.п.1.
Iтп.1.
=
√ 3 * Uн
606,99
Iтп.1.
= = 875,9А
√ 3 * 0,4
В качестве QF1.1. и QF1.2. выбираем ВА74 – 43: Iном = 1600 А. Iрас. = 1600 А.
В качестве QF1.3. выбираем ВА74 – 40: Iном. = 800А. Iрас. = 800 А.
Таблица 2.3.
| № ТП. |
№ Выключателя |
Sтп. , кВА |
Iтп. , А |
Тип выключателя |
Iном. , А |
Iрас. , А |
| ТП – 1 |
QF1.1.; QF1.2. |
875,9 |
ВА74 – 43 |
1600 |
160 |
|
| ТП – 1 |
QF1.3. |
437,95 |
ВА74 – 40 |
800 |
800 |
|
| ТП – 2 |
QF2.1.; QF2.2. |
|||||
| ТП – 2 |
QF2.3. |
|||||
| ТП – 3 |
QF3.1.; QF3.2. |
|||||
| ТП – 3 |
QF3.3. |
|||||
| ТП – 4 |
QF4.1.; QF4.2. |
|||||
| ТП – 4 |
QF4.3. |
|||||
| ТП – 5 |
QF5.1.; QF5.2. |
|||||
| ТП – 5 |
QF5.3. |
|||||
| ТП – 6 |
QF6.1.; QF6.2. |
|||||
| ТП – 6 |
QF6.3. |
|||||
| ТП – 7 |
QF7.1.; QF7.2. |
|||||
| ТП – 7 |
QF7.3. |
|||||
| ТП – 8 |
QF8.1.; QF8.2. |
|||||
| ТП – 8 |
QF8.3. |
Выбор автоматических выключателей на отходящих линиях
Для сетей, требующих обязательной защиты от перегрузки, рекомендуется использовать автоматические выключатели с комбинированными расцепителями, т.к. они ненадежно защищают сеть от перегрузок. Условиями выбора выключателей являются:
1.Номинальное напряжение.
2.Номинальный ток. Iном. ≥ 1,25*Iр.
Результаты выбора сводим в таблицу 2.4.
Таблица 2.4
| № ТП. |
№ ис. дан |
Наименование потребителя. |
Sр , кВА. |
1,25*Iр , А |
Тип выключателя |
Iном. , А |
Iрас. , А |
| ТП–1 |
1 |
Жилой дом |
362,5 |
655,8 |
ВА74 – 40 |
800 |
800 |
| ТП–1 |
2 |
Магаз. в жилом доме (1) |
|||||
| ТП–1 |
3 |
Жилой дом Щ1 |
523,3 |
948,5 |
ВА85 – 41 |
1000 |
1000 |
| ТП–1 |
4 |
Киноклуб, игровой клуб, аптека, магазин, тренаж. зал, тепловой узел. в жилом доме (3) Щ2 |
|||||
| ТП–1 |
5 |
Подземный гараж, овощехранилище. |
19,2 |
33,8 |
ВА57 – 35 |
250 |
50 |
| ТП–1 |
6 |
Хоккейная коробка, футбольное поле |
12,8 |
23,2 |
ВА74 – 40 |
800 |
500 |
| ТП–2 |
7 |
Жилой дом |
351,4 |
636,5 |
ВА74 – 40 |
800 |
735 |
| ТП–2 |
8 |
Жилой дом |
326,4 |
853,8 |
ВА85 – 41 |
1000 |
950 |
| ТП–2 |
9 |
Подземный гараж, овощехранилище. |
15,5 |
28 |
ВА57 – 35 |
250 |
50 |
| ТП–2 |
10 |
Жилой дом |
146,9 |
265,5 |
ВА74 – 40 |
800 |
400 |
| ТП–2 |
11 |
Больница в жил. доме (10) |
|||||
| ТП–3 |
12 |
Ц.Т.П. |
166,4 |
301,4 |
ВА74 – 40 |
800 |
475 |
| ТП- 3 |
13 |
Жилой дом |
130,2 |
235,7 |
ВА74 – 40 |
800 |
130 |
| ТП– 3 |
14 |
Жилой дом |
166,9 |
302,3 |
ВА74 – 40 |
800 |
400 |
| ТП– 3 |
15 |
Подземный гараж, овощехранилище. |
19,2 |
34,7 |
ВА57 – 35 |
250 |
50 |
| ТП– 4 |
16 |
Жилой дом |
478,7 |
117,2 |
ВА57 – 35 |
250 |
250 |
| ТП– 4 |
17 |
Аптека в жилом доме (16) |
|||||
| ТП– 4 |
18 |
Жилой дом |
320,4 |
579,7 |
ВА74 – 40 |
800 |
800 |
| ТП– 4 |
19 |
Жилой дом Щ1. |
486,4 |
881,2 |
ВА85 – 41 |
1000 |
1000 |
| ТП– 4 |
20 |
Маг. “Бытовая химия.”, супермаркет,турфирма, быт. электромастерская, маг. “Мебель.”, аптека., в жилом доме (19). Щ2 |
242,2 |
438,9 |
ВА74 - 40 |
800 |
500 |
| ТП– 4 |
21 |
Жилой дом |
183,2 |
331,9 |
ВА74 – 40 |
800 |
375 |
| ТП– 4 |
22 |
Маг. “Аккумуляторы.”, аптека, магазин “Автозапчасти.” В жилом доме (21). |
|||||
| ТП– 5 |
23 |
Жилой дом |
261,8 |
474,3 |
ВА74 – 40 |
800 |
500 |
| ТП –5 |
24 |
Банк, парикмахерская, маг. “Стройматериалы.”, маг. “Мебель.”, маг. “Продукты.” В жилом доме (23). |
|||||
| ТП– 5 |
25 |
Подземный гараж. |
19,2 |
34,8 |
ВА57 – 35 |
250 |
60 |
| ТП– 5 |
26 |
Жилой дом |
301,9 |
546,8 |
ВА74 – 40 |
800 |
650 |
| ТП– 5 |
27 |
Жилой дом |
299,5 |
542,7 |
ВА74 – 40 |
800 |
600 |
| ТП– 5 |
28 |
Жилой дом |
301,9 |
546,9 |
ВА74 – 40 |
800 |
525 |
| ТП– 6 |
29 |
Жилой дом |
192,9 |
349,4 |
ВА74 – 40 |
800 |
600 |
| ТП– 6 |
30 |
Стоматология, в жилом доме (29). |
|||||
| ТП– 6 |
31 |
Магазин |
12,8 |
23,2 |
ВА57 – 35 |
250 |
25 |
| ТП– 6 |
32 |
Жилой дом Щ1 |
463,5 |
839,7 |
ВА85 – 41 |
1000 |
900 |
| ТП- 6 |
32 |
Жилой дом Щ2 |
|||||
| ТП– 6 |
33 |
Подземный гараж т/к Мир |
25,6 |
45,3 |
ВА57 – 35 |
250 |
100 |
| ТП– 7 |
34 |
Жилой дом |
82,7 |
157,9 |
ВА57 – 35 |
250 |
250 |
| ТП– 7 |
35 |
Школа |
38,4 |
69,5 |
ВА57 – 35 |
250 |
70 |
| ТП– 7 |
36 |
Жилой дом |
55,3 |
100,3 |
ВА74 – 35 |
250 |
175 |
| ТП– 7 |
37 |
Т/к Мир |
51,2 |
92,8 |
ВА74 – 35 |
250 |
120 |
| ТП– 8 |
38 |
Детский сад |
32,1 |
58,2 |
ВА74 – 35 |
250 |
60 |
| ТП– 8 |
39 |
Магазин |
32,1 |
58,2 |
ВА74 – 35 |
250 |
60 |
| ТП– 8 |
40 |
Эл. связь: Сибирьтелеком |
32,1 |
58,2 |
ВА74 – 35 |
250 |
60 |
| ТП– 8 |
41 |
Жилой дом |
193,2 |
350 |
ВА74 – 40 |
800 |
600 |
| ТП– 8 |
42 |
Фирма “Адвокаты.”, МВД “Отдел по эконом. Преступлениям.”, в жилом доме (41) |
2.4 ПРОВЕРКА ОБОРУДОВАНИЯ НА ДЕЙСТВИЕ ТОКОВ К.З.
Для проверки оборудования ТП на действие токов К.З. на стороне 0,4 кВ требуется:
1. расчитать активное, индуктивное и полное сопротивление трансформатора.
2. расчитать полное сопротивление за трансформатором.
3. привести ток К.З. к стороне 0,4 кВ.
4. расчитать ударный ток и по нему проверить выбранные выключатели, сравнив его с током предельной коммутационной способности выключателя.
Проверку будем производить на примере ТП – 1, остальные расчеты аналогичны, результаты расчётов сводим в таблицу 2.5.
Активное сопротивление трансформатора:
∆ Рк.з. * Uн. ² * 103
Rт.1.
= (2.15.)
Sн. ²
11 * 10² * 103
Rт.1.
= = 1,1 Ом.
1000²
Индуктивное сопротивление трансформатора:
10 * Uк. * Uн ²
Xт.1.
= (2.16.)
Sн.
10*5,5 * 102
Xт.1.
= = 5,5 Ом
1000
Полное сопротивление трансформатора:
Zт.1. = √ Rт.1. ² + Xт.1. ² (2.17.)
Zт.1.
= √ 1,1² + 5,5² = 5,61 Ом
Суммарное сопротивление:
Zсум. = Zуч. + Zт.1. (2.18.)
Zсум. = 0,984 + 5,61 = 6,6 Ом
Рассчитаем ток короткого замыкания в точке КЗ за трансформатором на стороне 0,4 кВ:
Uв.н. ²
![]()
Iк.з.
= (2.19.)
√3 * Zсум. * Uн.н.
100
Iк.з.
= = 21,9 кА
√ 3 * 6,6 * 0,4
По этому току будем проверять все автоматы на подстанции.
Проверка автоматических выключателей на действие токов К.З.
Необходимо выдержать условие:
iуд. ≤ iдин. = Iп.к.с.
Расчитываем ударный ток на стороне 0,4 кВ:
iуд. = √2 Ку. * Iк.з.
где: Iк.з. – ток короткого замыкания на стороне 0,4 кВ,
Ку. – ударный коэффициент. Ку. = 1
i уд = √2 *1 * 21,9 = 30,9 кА
Так как для всех выбранных автоматических выключателей на ТП – 1 значение предельной коммутационной способности больше 30,9 кА, значит они обладают динамической стойкостью.
Таблица 2.5.
| № ТП. |
iуд. , кА. |
Тип автомата. |
Iп.к.с. , кА. |
Примечания. |
| ТП – 1 |
30,9 |
ВА74 - 40 |
80 |
Удовлетв. условию проверки. |
| ТП – 1 |
30,9 |
ВА85 – 41 |
60 |
Удовлетв. условию проверки. |
| ТП – 1 |
30,8 |
ВА57 – 35 |
80 |
Удовлетв. условию проверки. |
| ТП – 2 |
30,8 |
ВА74 – 40 |
65 |
Удовлетв. условию проверки. |
| ТП – 2 |
30,8 |
ВА74 – 40 |
60 |
Удовлетв. условию проверки. |
| ТП – 2 |
30,8 |
ВА85 – 41 |
80 |
Удовлетв. условию проверки. |
| ТП – 2 |
30,9 |
ВА57 – 35 |
80 |
Удовлетв. условию проверки. |
| ТП – 3 |
30,9 |
ВА74 – 40 |
65 |
Удовлетв. условию проверки. |
| ТП – 3 |
31 |
ВА57 – 35 |
80 |
Удовлетв. условию проверки. |
| ТП – 4 |
31 |
ВА74 – 40 |
65 |
Удовлетв. условию проверки. |
| ТП – 4 |
30,9 |
ВА85 – 41 |
80 |
Удовлетв. условию проверки. |
| ТП – 5 |
30,9 |
ВА74 – 40 |
65 |
Удовлетв. условию проверки. |
| ТП – 5 |
30,9 |
ВА57 – 35 |
60 |
Удовлетв. условию проверки. |
| ТП – 6 |
30,7 |
ВА74 – 40 |
80 |
Удовлетв. условию проверки. |
| ТП – 7 |
30,7 |
ВА57 – 35 |
65 |
Удовлетв. условию проверки. |
| ТП – 7 |
30,7 |
ВА85 – 41 |
60 |
Удовлетв. условию проверки. |
| ТП – 7 |
30,8 |
ВА74 – 40 |
80 |
Удовлетв. условию проверки. |
| ТП – 8 |
31 |
ВА57 – 35 |
80 |
Удовлетв. условию проверки. |
| ТП – 8 |
31 |
ВА74 – 35 |
60 |
Удовлетв. условию проверки. |
| ТП – 8 |
30,7 |
ВА74 – 40 |
80 |
Удовлетв. условию проверки. |
Проверка кабеля на термическую стойкость.
Проверку ЛЭП будем производить на примере жилого дома по адресу Соммера 1-4 (№ исходных данных 1), остальные расчеты аналогичны. Результаты расчетов сведем в таблицу 2.6.
Проверка кабеля на термическую стойкость к токам К.З. производится по формуле:
Sт. стой. = α * Iк.з. * √ tпр. (2.20.)
Где: α – расчетный коэффициент, определяемый ограничением допустимой температуры нагрева жилы кабеля: α = 7 для медных жил, α = 12 для алюминиевых жил;
Iк.з. – установивщийся ток К.З. на стороне 0,4 кВ, кА;
tпр. – приведённое время срабатывания защиты, tпр. = 0,098 с.
Sт. стой. = 12 * 21,9 * √ 0,098 = 82,3 мм²
Сечение выбранного кабеля проходит по уcловию термической стойкости, принимаем к прокладке выбранный кабель 2ААБл (4 * 185).
Если сечение выбранного кабеля меньше минимально – допустимого сечения по условию термической стойкости, то корректируем выбор сечение кабеля до ближайшего большего к сечению по условию проверки.
Таблица 2.6.
| № ТП. |
№ ис. дан |
Наименование потребителя. |
Iк.з. , кА |
Sт. стой. , мм². |
Марка кабеля. |
Примечания. |
| ТП–1 |
1 |
Жилой дом |
21,87 |
82,3 |
2ААБл (4*185) |
Удовл. требованию проверки. |
| ТП–1 |
2 |
Магаз. в жилом доме (1) |
||||
| ТП–1 |
3 |
Жилой дом Щ1 |
21,87 |
82,3 |
2ААБл (4*240) |
Удовл. требованию проверки. |
| ТП–1 |
4 |
Киноклуб, игровой клуб, аптека, магазин, тренаж. зал, тепловой узел. в жилом доме (3) Щ2 |
21,87 |
82,3 |
ААБл (4*240) |
Удовл. требованию проверки. |
| ТП–1 |
5 |
Подземный гараж, овощехранилище. |
21,87 |
82,3 |
ААБл (4*10) |
Удовл. требованию проверки. |
| ТП–1 |
6 |
Хоккейная коробка, футбольное поле |
21,87 |
82,3 |
ААБл (4*10) |
Удовл. требованию проверки. |
| ТП–2 |
7 |
Жилой дом |
21,85 |
82,1 |
2ААБл (4*185) |
Удовл. требованию проверки. |
| ТП–2 |
8 |
Жилой дом |
21,85 |
82,1 |
2ААБл (4*240) |
Удовл. требованию проверки. |
| ТП–2 |
9 |
Подземный гараж, овощехранилище. |
21,85 |
82,1 |
ААБл (4*10) |
Удовл. требованию проверки. |
| ТП–2 |
10 |
Жилой дом |
21,85 |
82,1 |
ААБл (4*185) |
Удовл. требованию проверки. |
| ТП–2 |
11 |
Больница в жил. доме (10) |
||||
| ТП–3 |
12 |
Ц.Т.П. |
21,85 |
82,1 |
ААБл (4*185) |
Удовл. требованию проверки. |
| ТП- 3 |
13 |
Жилой дом |
21,83 |
82 |
ААБл (4*185) |
Удовл. требованию проверки. |
| ТП– 3 |
14 |
Жилой дом |
21,83 |
82 |
ААБл (4*185) |
Удовл. требованию проверки. |
| ТП– 3 |
15 |
Подземный гараж, овощехранилище. |
21,83 |
82 |
2ААБл (4*10) |
Удовл. требованию проверки. |
| ТП– 4 |
16 |
Жилой дом |
21,83 |
82 |
2ААБл (4*240) |
Удовл. требованию проверки. |
| ТП– 4 |
17 |
Аптека в жилом доме (16) |
||||
| ТП– 4 |
18 |
Жилой дом |
21,87 |
82,3 |
2ААБл (4*95) |
Удовл. требованию проверки. |
| ТП– 4 |
19 |
Жилой дом Щ1. |
21,87 |
82,3 |
2ААБл (4*240) |
Удовл. требованию проверки. |
| ТП– 4 |
20 |
Маг. “Бытовая химия.”, супермаркет,турфирма, быт. электромастерская, маг. “Мебель.”, аптека., в жилом доме (19). Щ2 |
21,87 |
82,3 |
ААБл (4*240) |
Удовл. требованию проверки. |
| ТП– 4 |
21 |
Жилой дом |
21,87 |
82,3 |
ААБл (4*150) |
Удовл. требованию проверки. |
| ТП– 4 |
22 |
Маг. “Аккумуляторы.”, аптека, магазин “Автозапчасти.” В жилом доме (21). |
||||
| ТП– 5 |
23 |
Жилой дом |
21,96 |
82,5 |
ААБл (4*240) |
Удовл. требованию проверки. |
| ТП –5 |
24 |
Банк, парикмахерская, маг. “Стройматериалы.”, маг. “Мебель.”, маг. “Продукты.” В жилом доме (23). |
||||
| ТП– 5 |
25 |
Подземный гараж. |
21,96 |
82,5 |
ААБл (4*10) |
Удовл. требованию проверки. |
| ТП– 5 |
26 |
Жилой дом |
21,96 |
82,5 |
2ААБл (4*95) |
Удовл. требованию проверки. |
| ТП– 5 |
27 |
Жилой дом |
21,91 |
82,3 |
2ААБл (4*95) |
Удовл. требованию проверки. |
| ТП– 5 |
28 |
Жилой дом |
21,91 |
82,3 |
2ААБл (4*95) |
Удовл. требованию проверки. |
| ТП– 6 |
29 |
Жилой дом |
21,91 |
82,3 |
ААБл (4*150) |
Удовл. требованию проверки. |
| ТП– 6 |
30 |
Стоматология, в жилом доме (29). |
||||
| ТП– 6 |
31 |
Магазин |
21,79 |
81,8 |
ААБл (4*10) |
Удовл. требованию проверки. |
| ТП– 6 |
32 |
Жилой дом Щ1 |
21,79 |
81,8 |
2ААБл (4*185) |
Удовл. требованию проверки. |
| ТП- 6 |
32 |
Жилой дом Щ2 |
21,979 |
81,8 |
2ААБл (4*120) |
Удовл. требованию проверки. |
| ТП– 6 |
33 |
Подземный гараж т/к Мир |
21,79 |
81,8 |
ААБл (4*10) |
Удовл. требованию проверки. |
| ТП– 7 |
34 |
Жилой дом |
21,86 |
82,1 |
ААБл (4*35) |
Удовл. требованию проверки. |
| ТП– 7 |
35 |
Школа |
21,86 |
82,1 |
ААБл (4*10) |
Удовл. требованию проверки. |
| ТП– 7 |
36 |
Жилой дом |
21,86 |
82,1 |
ААБл (4*35) |
Удовл. требованию проверки. |
| ТП– 7 |
37 |
Т/к Мир |
21,86 |
82,1 |
ААБл (4*35) |
Удовл. требованию проверки. |
| ТП– 8 |
38 |
Детский сад |
21,86 |
82,1 |
ААБл (4*10) |
Удовл. требованию проверки. |
| ТП– 8 |
39 |
Магазин |
21,86 |
82,1 |
ААБл (4*10) |
Удовл. требованию проверки. |
| ТП– 8 |
40 |
Эл. связь: Сибирьтелеком |
22 |
82,7 |
ААБл (4*10) |
Удовл. требованию проверки. |
| ТП– 8 |
41 |
Жилой дом |
22 |
82,7 |
ААБл (4*150) |
Удовл. требованию проверки. |
| ТП– 8 |
42 |
Фирма “Адвокаты.”, МВД “Отдел по эконом. Преступлениям.”, в жилом доме (41) |
2.5 КОНСТРУКТИВНОЕ ИСПОЛНЕНИЕ
Выбор мощности силовых трансформаторов ТП должен производиться с учетом нагрузочной и перегрузочной способности трансформаторов
Компоновка и размещение ТП должны предусматривать возможность круглосуточного беспрепятственного доступа в нее персонала энергоснабжающей организации. При этом схема ТП должна обеспечивать возможность эксплуатации энергоснабжающей организацией оборудования напряжением свыше 1000 В и силовых трансформаторов, а абонентам - оборудования напряжением ниже 1000 В. Допускается размещение в одном помещении оборудования, эксплуатируемого энергоснабжающей организацией и абонентом при условии, что РУ напряжением свыше 1000 В и силовые трансформаторы защищены от доступа к ним персонала абонента (например, сетчатыми ограждениями и устройствами). В ТП, как правило, следует устанавливать силовые трансформаторы с глухозаземленной нейтралью.
3. РЕЛЕЙНАЯ ЗАЩИТА
3.1 ПОСТАНОВКА ЗАДАЧИ
В электрических системах на электрооборудовании электростанций, в электрических сетях и на электроустановках потребителей электроэнергии могут возникать повреждения и ненормальные режимы работы.
Повреждения в большинстве случаев сопровождаются значительным увеличением тока и глубоким понижением напряжения в элементах энергосистемы.
Повышенный ток выделяет большое количевтво тепла, вызывающее разрушение в месте повреждения и опастный нагрев неповреждённых линий и оборудования, по которым этот ток проходит.
Понижение напряжения нарушает нормальную работу потребителей электроэнергии и устойчивость параллельной работы генераторов и энергосистемы в целом.
Ненормальные режимы обычно приводят к отклонению величин напряжения, тока и частоты от допустимых значений. При понижении частоты и напряжения создаётся опастность нарушения нормальной работы потребителей и устойчивости энергосистемы, а повышение напряжения и тока угрожает повреждением оборудования и линий электропередачи.
Таким образом, повреждения нарушают работу энергосистемы и потребителей электроэнергии, а ненормальные режимы создают возможность возникновения повреждений или растройства работы энергосистемы.
Для обеспечения нормальной работы энергетической системы и потребителей электроэнергии необходимо как можно быстрее выявлять и отделять место повреждения от неповрежденной сети, восстанавливая таким путем нормальные условия работы энергосистемы и потребителей.
Опастные последствия ненормальных режимов также можно предотвратить, если своевременно обнаружить отклонение от нормального режима и принять меры к его устранению (например: снизить ток при его возрастании, повысить напряжение при его снижении и т.д.).
В связи с этим возникает необходимость в создании и применении автоматических устройств, выполняющих указанные операции и защищающих систему и ее элементы от опастных последствий повреждений и ненормальных режимов.
Первоначально в качестве защитных устройств применялись плавкие предохранители. Однако по мере роста мощности и напряжения электрических установок и усложнения их систем коммутации такой способ защиты стал недостаточным, в силу чего были созданы защитные устройства, выполняемые при помощи специальных автоматов-реле, получивших название релейной защиты.
Релейная защита элементов распределительных сетей должна отвечать требованиям ПУЭ, которые предъявляются ко всем устройствам релейной защиты: быстродействия, селективности, надёжности и чувствительности.
Быстродействие релейной защиты должно обеспечивать наименьшее возможное время отключения коротких замыканий. Быстрое отключение к. з. Не только ограничивает область и степень повреждения защищаемого элемента, но и обеспечивает сохранение бесперебойной работы неповреждённой части энергосистемы, электростанции или подстанции.
Селективным (избирательным) действием защиты называется такое действие, при котором автоматически отключается только повреждённый элемент электроустановки (трансформатор,. Линия, электродвигатель и т. д.). Обеспечение селективной работы устройств защиты – одна из важнейших задач, решаемых при проектировании и обслуживании этих устройств. Приближённо считается, что защита должна действовать без замедления при всех к. з., обуславливающих остаточные напряжения ниже (0,6 … 0,7) Uном. на сборных шинах.Надёжность функционирования релейной защиты предпологает надёжное срабатывание устройства при проявлении условий на срабатывание и надёжное несрабатывание устройства при их отсутствии. Надёжность функционирования релейной защиты должна обеспечиваться устройствами, которые по своим параметрам и исполнению соответствуют назначению и условиям применения, а также надлежащим обслуживанием этих устройств.
Чувствительностью релейной защиты называют её способность реагировать на все виды повреждений и аварийных режимов, которые могут возникать в пределах основной защищаемой зоны и зоны резервирования. [14].
Релейная защита является основным видом электрической автоматики, без которой невозможна нормальная и надежная работа современных энергетических систем. Она осуществляет непрерывный контроль за состоянием и режимом работы всех элементов энергосистемы и реагирует на возникновение повреждений и ненормальных режимов работы.
При возникновении повреждений защита выявляет и отключает от системы поврежденный участок, воздействуя на специальные силовые выключатели, предназначенные для размыкания токов повреждения.
При возникновении ненормальных режимов защита выявляет их и, в зависимости от характера нарушения производит операции, необходимые для восстановления нормального режима и питания потребителей.
Согластно ПУЭ на трансформаторах мощностию менее 1 МВА (повышющих и понижающих) в качестве защиты от токов, обусловленных внешними многофазными КЗ, должна быть предусмотрена действующая на отключение максимальная токовая защита.
Для линий в сетях 3-10 кВ с изолированной нейтралью должны быть предусмотрены устройства релейной защиты от многофазных замыканий и от однофазнйх замыканий на землю.
На одиночных линиях с двухсторонним питанием при наличии или отсутствии обходных связей, а также на линиях, входящих в кольцевую сеть с одной точкох питания, рекомендуеися применять двухступенчатую токовую защиту. Первая ступень выполнена в виде токовой отсечки, а вторая – в виде максимальной токовой защиты с независимой или зависимой выдержкой времени.
Замыкание одной фазы на землю в сетях с изолированной нейтралью ещё не является аварией. Потребители, включенные на междуфазные напряжения продолжают нормально работать. Это обстоятельство дает возможность выполнять защиту от замыканий на землю, действующую на сигнал. Устройство сигнализации обычно включается к трансформаторам напряжения, установленным на шинах, и служит для подачи сигнала при замыкании на землю на любом участке электрически связанной сети. Место повпеждения в таких сетях, при возникновении сигнала отыскивается дежурным персоналом путем поочередного отключения линий. При этом допускается работа в течениии некоторого времени (не более двух часов) с неотключенным повреждением. Для повышения надежности на подстанциях устанавливают устройства автоматического включения резервного питания (АВР). Назначением устройства АВР является осуществление возможно быстрого автоматического переключения на резервное питание потребителей, обесточенных в результате повреждения или самопроизвольного отключения рабочего источника электроснабжения, что обеспечивает минимальное нарушение и потери в технологическом процессе. Схемы АВР должны:
1. обеспечивать возможно раннее выявление отказа рабочего источника питания;
2. действовать согласованно с другими устройствами автоматики (АПЧ, ВЧП) в интересах возможно полного сохранения технологического процесса;
3. не допускать включение резервного источника на КЗ;
4. не допускать подключение потребителей к ркзервному источнику, напряжение на котором понижено.
3.2 ЗАЩИТА ЛИНИЙ 10 кВ
Наиболее простым и дешёвым видом релейной защиты кабельных и воздушных линий с односторонним питанием от всех видов коротких замыканий и перегрузок являются максимальные токовые защиты. Принцип действия такой защиты основан на том, что при возникновении к. з. или перегрузки ток на защищаемом участке линии становится больше тока, имевшегося при нормальном режиме. Под действием увеличенного тока защита срабатывает и отключает повреждённый участок [ 5 ].
В данной работе защита линий 10 кВ будет реализованна токовой отсечкой без выдержки времени и МТЗ.
Двухступенчатая токовая защита выполняется с помощью электромагнитных реле тока РТ-40.
МТЗ содержит два органа: пусковой и выдержки времени, а токовая отсечка имеет только пусковой орган. Функции пускового органа выполняет реле тока, которое входит в измерительную часть схемы. Оно реагирует на повреждения или нарушения нормального режима работы и вводит в действие другие органы защиты. В качестве органа выдержки времени используется отдельное реле времени. В схемах токовых защит имеются еще вспомогательные реле, например, промежуточное и указательное. Вместе с реле времени они образуют логическую часть схемы. Промежуточное реле облегчает работу контактов основных органов защиты, и вводя некоторое замедление, предотвращает действие токовой отсечки при работе трубчатых разрядников. Указательное реле позволяет контролировать срабатывание защиты.
МТЗ с независимой выдержкой времени, выполняется по схеме неполной звезды на постоянном оперативном токе. Для выполнения защиты использованы два трансформатора тока (ТТ), установленные в фазах А и С за выключателем. Исходя из требований техники безопастности, вторичные обмотки трансформаторов тока заземляются.
Схема релейной защиты
При возникновении повреждения срабатывают пусковые органы защиты реле 1Т и 2Т. При этом их контакты замыкают цепь обмотки реле времени В, приводя его в действие. По истечении установленной выдержки времени, реле времени В замыкает контакт в цепи обмотки промежуточного реле П, которое срабатывая, отключает выключатель. При этом указательное реле У фиксирует действие защиты на отключение.
Токовая отсечка работает почти также, отличие заключается в том, что у неё нет выдержки времени, а значит отсутствует реле времени.
Селективное действие токовой отсечки достигается тем, что её ток срабатывания принимается большим максимального тока короткого замыкания, проходящего через защиту при повреждении вне защищаемого элемента.
3.3 ВЫБОР ТРАНСФОРМАТОРОВ ТОКА
Для правильного действия релейной защиты требуется точная работа трансформаторов тока при протекании в защищаемой цепи токов перегрузки и токов короткого замыкания, которые во много раз могут превышать их номинальные первичные токи.
Трансформаторы тока предназначены:
1. В установках напряжением до 1000 В снизить измеряемый ток до значения, допускающего подключение последовательных катушек измерительных приборов или аппаратов защиты (реле);
2. В установках напряжением более 1000 В отделить цепи высокого напряжения от цепей измерительной и защитной аппаратуры, обеспечивая безопастность их обслуживания, и выполнять те же функции, что и в установках до 1000 В.
Трансформаторы тока имеют класс точности 0,2; 0,5; 1; 3; 10, что соответствует значениям токовых погрешностей, выраженным в процентах. Класс точности трансформаторов тока должен быть: для счётчиков 0,5; для щитовых измерительных приборов и реле – 1 и 3.
Учитывая необходимость подключения трансформаторов тока для питания измерительных приборов и реле с различными классами точности, высоковольтные трансформаторы тока выполняют с двумя вторичными обмотками. Например, 0,5/Р – для счётчиков и реле; 0,5/Д – для счётчиков и реле дифференциальной защиты с различными номинальными нагрузками [ 12 ].
Выбираем рансформаторы тока в РП.
Условие выбора трансформаторов тока
Iном. тт. ≥ Iраб. max .
Iраб. max .1. = 136,6 А
Iраб. max .2. = 76,6 А
Выбираем трансформатор тока типа ТПМ – 30 150/5 и ТПМ – 30 100/5 (таб.2-79 стр.182 [4])
Коэффициент трансформации ТТ Кт.1. = 30.; Кт.2. = 20.
3.3.1 ВЫБОР МТЗ
Расчитываем ток срабатывания защиты
Кзап. * Кс.з.
Ic
.з.
= *Iраб.
max
.
(3.1.)
Кв
Где: Iраб. max . – ток кольца в нормальном режиме работы;
Кзап. – коэффициент запаса, учитывает погрешность реле, неточности расчета и принимается = 1,1 – 1,2;
Кс.з. – коэффициент самозапуска, в городских электросетях принимается = 1;
Кв. – коэффициент возврата токового реле, равный = 0,8 – 0,85.
1,1 * 1
Ic
.з.1.
= * 136,6 = 187 А
0,8
1,1 * 1
Ic
.з.2.
= * 76,6 = 105 А
0,8
Расчитываем ток срабатывания реле
Iс.з.
Iср.р.
= (3.2.)
Кт. * Ксх.
Где: Кт. – коэффициент трансформации трансформатора тока
Ксх. – коэффициент схемы, зависит от способов соединения трансформаторов тока и имеет значение = 1, при соединении в полную и неполную звезду;
187
Iср.р.1.
= = 6,24 А
30 * 1
105
Iср.р.1.
= = 5,25 А
20 * 1
Выбранная защита должна быть проверена по чувствительности:
Кч. =Iк. min . / Iс.з. (3.3.)
Где: Ik . min . – минимальный ток КЗ в конце защищаемого участка.
Чувствительность защиты считается достаточной, если при КЗ в конце защищаемого участка Кч. ≥ 1,5.
Кч.1. = 5600 / 187 = 30 > 1,5, следовательно защита чувствительна
Кч.2. = 4800 / 105 = 45,7 > 1,5, следовательно защита чувствительна
Время срабатывания МТЗ выбирается равным 0,5 с.
3.3.2 ВЫБОР ТОКОВОЙ ОТСЕЧКИ
Ток срабатывания токовой отсечки выбирают по формуле:
Iс.о. = Котс. * Iк.з. (3.4.)
Где: Котс. – коэффициент отстройки принимается равным 1,1
Iс.о. = 1,1 * 6 = 6,6 кА
3.4 ЗАЩИТА ТРАНСФОРМАТОРОВ
Защита силовых трансформаторов, в том числе понижающих трнсформаторов распределительных сетей должны выполняться по „ Правилам устройства электроустановок” и директивным материалам. В распределительных сетях устройства релейной защиты трансформаторов выполняются, как правило, на переменном оперативном токе. Широко применяются для защиты трансформаторов распределительных сетей, особенно 3 – 10 кВ, плавкие предохранители.[ 14 ].
Резервной защитой трансформатора является максимальная токовая защита, установленная на РП.
Произведем расчет плавких вставок по формуле:
Iном.п.в. ≥ Iрасч.п.в. (3.5.)
Iрасч.п.в. = Кз. *Iр. max . (3.6.)
где: Кз. – коэффициент запаса равный 1,2
Для FU 1.1.
Iрасч.п.в. = 1,2 * 12 = 14,4
Выбираем номинальный ток плавкой вставки (табл.2-74 стр.178 [4]).
Iном.п.в. = 20 А
Аналогочным образом выбираем ток плавкой вставки для остальных предохранителей. Результаты заносим в таблицу (3.1.).
Таблица 3.1.
Выбор плавких вставок
| № ТП |
№ предохранителя |
Тип предохранителя |
Iр. max. А |
Iном.п.в. А |
| ТП - 1 |
FU 1.1; FU 1.2 |
ПКТ103-10-80-20У3 |
12 |
20 |
| ТП - 2 |
FU 2.1; FU 2.2 |
ПКТ103-10-80-20У3 |
12 |
20 |
| ТП – 3 |
FU 3.1; FU 3.2 |
ПКТ103-10-80-20У3 |
12 |
20 |
| ТП - 4 |
FU 4.1; FU 4.2 |
ПКТ103-10-80-20У3 |
12 |
20 |
| ТП - 5 |
FU 5.1; FU 5.2 |
ПКТ103-10-80-20У3 |
12 |
20 |
| ТП - 6 |
FU 6.1; FU 6.2 |
ПКТ103-10-80-20У3 |
12 |
20 |
| ТП - 7 |
FU 7.1; FU 7.2 |
ПКТ103-10-80-20У3 |
12 |
20 |
| ТП - 8 |
FU 8.1; FU 8.2 |
ПКТ103-10-80-20У3 |
12 |
20 |
3.5 ЗАЩИТА СЕТЕЙ 0,38 кВ
Защита сетей 0,38 кВ от подстанций до ВРУ выполнена на автоматических воздушных выключателях типа ВА с комбинированными расцепителями.
Автоматические выключатели выпускаются в одно-, двух- и трёхполюсном исполнении постоянного и переменного тока. Ихснабжают специальными устройствами токовой релейной защиты, которые в зависимости от типа выключателя выполняют в виде токовой отсечки, максимальной токовой защиты с зависимой и независимой выдержкой времени или в виде двухступенчатой и трёхступенчатой токовой защиты. Для этого используют электромагнитные, тепловые и полупроводниковые реле. Устройства защиты автоматических выключателей называют расцепителями.
Для выполнения защитных функций автоматы снабжаются либо только теплвыми или электромагнитными расцепителями, либо комбинированными (тепловые и электромагнитные). Тепловые осуществляют защиту от токов перегрузки, а электромагнитные – от токов короткого замыкания.
Сети от ВРУ до этажных щитков защищаются предохранителями установленными в распределительном шкафу ВРУ. От квартирных щитков до квартир защита строится на однофазных автоматических выключателях.
3.6 АВТОМАТИЧЕСКОЕ ВКЛЮЧЕНИЕ РЕЗЕРВА
3.6.1 ТРЕБОВАНИЯ К УСТРОЙСТВАМ АВР И РАСЧЕТ ПАРАМЕТРОВ
В системах электроснабжения при наличии двух (и более) источников питания часто целесообразно работать по разомкнутой схеме. При этом все источники включены, но не связаны между собой, каждый из них обеспечивает питание выделенных потребителей. Такой режим работы сети объясняется необходимостью уменьшить ток КЗ, упростить релейную защиту, создать необходимый режим по напряжению, уменьшить потери электроэнергии и т.д. Однако при этом надежность электроснабжения в разомкнутых сетях оказывается более низкой, чем в замкнутых, так как отключение единственного источника приводит к прекращению питания всех его потребителей. Электроснабжение потребителей, потерявших питание, можно восстановить автоматическим поключением к другому источнику питания с помощью устройства автоматического включения резервного источника питания (У АВР) На РП применяются местные АВР.
Местным АВР называют устройство, все элементы которого установлены на одном РП и действие которого не выходят за пределы этого РП. Характерной особенностью построения схемы местного АВР является подача команды на включение выключателя резервного источника питания только с помощью специальных вспомогательных контактов (блок-контактов)выключателя рабочего питания, которые замыкаются при его отключении.
Схемы и уставки местных АВР должны отвечать следующим основным требованиям:
1. Схема АВР должна приходить в действие при исчезновении напряжения на шинах подстанции по любой из двух причин
1.1. при аварийном, ошибочном или самопроизвольном отключении выключателя рабочего питания, находящегося на данной подстанции; в этом случае немедленно должен автоматически включиться резервный источник питания; продолжительность перерыва питания в этих случаях определяется в основном собственным временем включения резервного выключателя, которое составляет 0,4 - 0,8 с.
1.2. при исчезновении напряжения на шинах или на линии, откуда питается рабочий источник; для выполнения этого требования в схеме АВР должен предусматриваться специальный пусковой орган, состоящий из реле, реагирующих на снижение напряжения рабочего источника питания, и реле, контролирующего наличие напряжения на резервном источнике питания.
Контроль наличия напряжения на резервном источнике особо важен для подстанций, у которых могут одновременно отключаться оба источника питания. В таких случаях пусковые органы АВР будут ждать появления напряжения на одном из источников питания без ограничения времени.
Напряжение срабатывания (замыкания) размыкающих контактов реле, реагирующих на снижение напряжения (минимальных реле), следовало бы выбирать таким образом, чтобы пусковой орган срабатывал только при полном исчезновении напряжения. Однако по условиям термической стойкости стандартных реле их напряжение срабатывания не должно быть ниже 15 В. Поэтому рекомендуется принимать напряжение срабатывания минимальных реле напряжения:
Uср.р = (0,25-0,4) * Uном. (3.7.)
Uср.р. = 0,3 * Uном. = 0,3 * 10 = 3 кВ
Напряжение срабатывания максимального реле напряжения, контролирующего наличие напряжения на резервном источнике питания, определяются из условия отстройки минимального рабочего напряжения:
Uср.р = (0,6-0,65) * Uном. (3.8.)
Uср.р. = 0,6 * Uном. = 0,6 * 10 = 6 кВ
Пуск схемы местного АВР при снижении напряжения на шинах ниже принятого по формуле (3.7.) должен производиться с выдержкой времени для предотвращения излишних действий АВР при к.з. в питающей сети или на отходящих элементах, а также для создания, при необходимости, определенной последовательности действий устройств противоаварийной автоматики в рвссматриваемом узле. Время срабатывания реле времени пускового органа напряжения местного АВР (tс.з.АВР. ) должно выбираться по следующему условию:
По условиям отстройки по времени срабатывания тех защит, в зоне действия которых к.з. могут вызвать снижение напряжения ниже принятого по формуле (3.7.):
tс.з.АВР ≥ tс.з. ma . + ∆t (3.9.)
tс.з.АВР ≥ 0,8 + 0,5 = 1,3 с
Действие АВР должно быть однократным. В схеме АВР на постоянном оперативном токе однократность обеспечивется применением промежуточного реле однократости включения, имеющего небольшое замедление на возврат после снятия напряжения с его катушки.
4. ОХРАНА ТРУДА
4.1 НАЗНАЧЕНИЕ, ПРИНЦИП ДЕЙСТВИЯ, ОБЛАСТЬ ПРИМЕНЕНИЯ ЗАНУЛЕНИЯ
В сетях до 1000 В с заземленной нейтралью правилами предусмотрено выполнять не заземление, а зануление.
Зануление – преднамеренное электрическое соединение металлических нетоковедущих частей электроустановки, могущих оказаться под напряжением, с глухозаземленной нейтральной точкой обмотки источника тока в трехфазных сетях, с глухозаземленным выводом обмотки источника тока в однофазных сетях и с глухозаземленной средней точкой обмотки источника энергии в сетях постоянного тока.
Проводник, обеспечивающий указанные соединения зануляемых частей с глухозаземленными; нейтральной точкой, выводом и средней точкой обмоток источников тока, называется нулевым защитным проводником.
Назначение зануления – устранение опастности поражения током в случае прикосновения к корпусу электроустановки и другим металлическим нетоковедущим частям, оказавшимся под напряжением относительно земли вследствие замыкания на корпус и по другим причинам.
Принцип действия зануления – превращение замыкания на корпус в однофазное короткоу замыкание (т.е. замыкание между фазным и нулевым защитным проводником) с целью вызватьбольшой ток, способный обеспечить срабатывание защиты и тем самым автоматически отключить поврежденную электроустановку от питающей сети. Такойзащитой являются: плавкие предохранители или автоматы максимального тока, устанавливаемые для защиты от токов короткого замыкания; магнитные пускатели со встроенной тепловой защитой; контакторы в сочетании с тепловым реле, осуществляющие защиту от перегрузки; автоматы с комбинированными расцепителями, осуществляющие защиту одновременно от токов короткого замыкания и от перегрузки.
Таким образом зануление осуществляет два защитных действия – быстрое автоматическое отключение поврежденной электроустановки от питающей сети и снижение напряжения зануленных металлических нетоковедущих частей, оказавшихся под напряжением, относительно земли.
Область применения – трехфазные четырехпроводные сети до 1000 В с глухозаземленной нейтралью, в том числе разделением PEN проводника на вводном зажиме ВРУ, наиболее распространенных сетей напряжением 380/220 В, а также сети 220/127 В и 660/380 В.Зануление применяется и в трехпроводных сетях постоянного тока с глухозаземленной среднеы точкой источника энергии, а также в однофазных двухпроводных сетях переменного тока с глухозаземленным выводом обмотки источника тока.
4.2 ТИПЫ СЕТЕЙ
В соответствии с международной классификацией существуют пять видов трехфазных сетей переменного тока: IT, TT, TN-C, TN-S, TN-C-S. В обозначениях типов систем заземления буквы имют следующий смысл:
Первая буква в обозначении типа системы зануления устанавливает характер зануления источника питания:
T – одна точка токоведущих частей источника питания имеет непосредственное присоединение к земле;
I – все токоведущие части источника питания изолированны от земли или одна точка токоведущих частей имеет присоединение к земле через сопротивление.
Вторая буква определяет характер зануления открытых проводящих частей электроустановки здания:
T – открытые проводящие части имеют непосредственное присоединение к земле, независимо от характера связи источника питания с землей;
N – открытые проводящие части имеют непосредственное соединение с заземленной точкой источника питания.
Последующие (за N) буквы, если таковые имеются, определяют особенности устройства нулевого защитного и нулевого рабочего проводников:
C – функции нулевого защитного (PE) и нулевого рабочего (N) проводников обеспечиваются одним общим проводником (PEN);
S – функции нулевого защитного (PE) и нулевого рабочего (N) проводников обеспечиваются разными проводниками.
При типе системы заземления IT токоведущая часть источника питания не имеет непосредственной связи с землей или заземляется через сопротивление.Открытые части электроустановки здания заземлены.
а) IT – нейтраль сети изолирована (ISOLE), корпусы электрооборудования соединены с заземляющимконтуром (TERRE) (рис 4.1.)

Рис 4.1. Трехпроводная сеть с изолированной нейтралью:
PE – защитный проводник (PROTECTION ELECTRIC).
При типе системы зануления TT источник питания имеет одну точку, непосредственно связанную с землей. Открытые проводящие части электроустановки здания соединены с заземлителем, который должен быть электрически независимым от заземлителя источника питания.
б) TT – нейтраль сети и корпусы электрооборудования соединены с заземляющим контуром (рис 4.2.)
Рис 4. Сеть TT.
В системах TN источник питания имеет непосредственно присоединенную к земле точку. Открытые проводящие части электроустановки здания присоединяются к этой точке посредством защитных проводников. В зависимости от особенностей устройства нулевого защитного и нулевого рабчего проводников различают три типа системы TN.
в) TN-C – нейтраль сети заземлена, корпусы электрооборудования заземлены через нейтральный проводник N, совмещены (COMBINE) рабочий и защитный нейтральные проводники (рис 4.3.)

Рис 4.3. Четырехпроводная сеть с глухозаземленной нейтралью и использованием нейтрального проводника N для зануления корпусов электрооборудования.
г) TN-S – нейтраль сети заземлена, отдельно (SEPARETE) существуют рабочий N, и защитный PE проводники (рис 4.4.)

Рис 4.4. Пятипроводная сеть с глухозаземленной нейтралью и раздельно существующими рабочим и защитным нейтральными проводниками.
д) TN-C-S – нейтраль сети заземлена, совместно существуют рабочий изащитный нейтральные проводники (рис 4.5.)

Рис 4.5. Четырех-пятипроводная сеть c глухозаземленной нейтралью и защитными проводниками.
Электрические сети типа IT и TT применяют в тех случаях, когда отсутствуют однофазные электроприемники. Сети типа ТТ более эффективны чем IT по условиям обеспечения защиты (защитное заземление и защитное отключение по току утечки). Сети TN-C имеют ограниченное применение в связи с их малой надежностью обеспечения защитных мероприятий. Наиболее широко применяются сети типа TN-S и TN-C-S.
В жилых и общественных зданиях питание электроприёмников должно выполняться от сети 380/220 В с системой заземления TN –S или TN – S – C.
При реконструкции жилых и общественных зданий, имеющих напряжение сети 220/127 В следует предусматривать перевод сети на напряжение 380/220 В с системой заземления TN – S или TN – C – S.
Питание силовых и осветительных электроприёмников рекомендуется выполнять от одних и тех же трансформаторов.
Расположение и компановка трансформаторных подстанций должны предусматривать возможность круглосуточного беспрепятственного доступа в них персонала энергоснабжающей организации.
При питании однофазных потребителей зданий от многофазной распределительной сети допускается для разных групп однофазных потребителей иметь общие N и PE проводники (пятипроводная сеть), проложенные непосредственно от ВРУ, объединение N и PE проводников (четырёхпроводная сеть с PEN проводником) не допускается.
При выборе аппаратов и приборов, устанавливаемых на вводе, предпочтение, при прочих равных условиях, должно отдаваться аппаратам и приборам, сохраняющим работоспособность при превышении напряжения выше допустимого, возникающего из-занесиметрии нагрузки при обрыве PEN или N проводника, при этом их коммутационные и другие рабочие характеристики могут не выполняться.
Рассмотрим более подробно тип системы заземления TN-C-S. В системе TN-C-S источник питания имеет непосредственную связь токоведущей части с землей. Открытые проводящие части электроустановки здания имеют непосредственную связь с заземленной токоведущей частью источника питания. Для обеспечения этой связи в питающей электрической сети и на головном, по току электроэнергии, участке электроустановки здания приминяются совмещенные нулевые защитные и рабочие проводники, в электрических цепях остальной части электроустановки здания используются отдельно нулевые защитные проводники.
При типе системы зануления TN-C-S, в отличие от системы TN-C, функции нулевого защитного и нулевого рабочего проводников объеденены в одном проводнике не во всей электроустановке здания, а только в ее части. В какой либо точке электроустановки здания PEN-проводник всегда должен разделиться на два – нулевой защитный и нулевой рабочий проводники, например, на вводе эдания - на вводном зажиме или на нулевой защитной шине ВРУ. PEN – проводникможет разделиться также в другой точке электроустановки здания, например, на вводном зажиме распределительного устройства, подключенного к ВРУ. В первом случае во всей электроустановке здания применяются два различных проводника – нулевой защитный и нулевой рабочий. Во втором случае в голомвной (по току электороэнергии) части электроустановки эдания используется PEN – проводник, а после точки его разделения – два нулевых проводника – защитный и рабочий. Открытые проводящие части соответственно присоединяются к нулевымпроводникам во всей электроустановке здания или в головной части электроустановки здания они присоединяются к PEN – проводнику, в оставшейся части – к нулевому защитному проводнику.
Питающая электрическая сеть имеет тыкое же построение как при типе системы TN-C. Хотя теоретически и возможно разделение PEN – проводника на нулевой защитный и нулевой рабочий проводники в любой точке питающей электрической сети, практически целесообразно и более надежно производить разделение PEN – проводника в электроустановке эдания, например, на вводных зажимах ВРУ.
Тип системы TN-C-S должен стать основным для электроустановок жилых здений. Обоснованность этого утверждения можно подкрепить рядом аргументов. Во первых, для реализации этой системы возможно использование существующих питающих электрических сетей. Во вторых эта система как бы яявляется логическим продолжением системы TN-C и соответствующим ей электроустановкам до 1000 В с глухозаземленной нейтралью, представленным в ПУЭ и получившим повсеместное распространениена территории страны. В третьих, при ошибках в коммутации нулевых защитных и нулевых рабочих проводников в электрических цепях, защищаемых устройств защитного отключения, последнее сразу сигнализирует об этом, отключая защищаемые электрические цепи. В четвертых, в отличие от системы TT для защиты от косвенного прикосновения возможно использование автоматических выключателей, а не только УЗО. В целом, при наличии защитного заземления в электроустановке жилого здания, система TN-C-S позволяет обеспечить надлежащий уровень электро – и пожарной безопастности при более низких затратах на строительство линий электропередач по сравнению с системой TN-S.
Реализовать систему TN-C-S для электроустановки индивидуального жилого дома достаточно просто. Разделение PEN – проводника целесообразно произвести на вводных зажимах ВРУ. Далее во всей электроустановке принимаются два проводника, нулевой защитный и нулевой рабочий проводники.
В электроустановках многоквартирных жилых домов реализация системы TN-C-S может быть проведена двумя способами. При первом способе PEN – проводник разделяется на вводном зажиме ВРУ, как это показано на (рис 4.8.), на котором электроустановки квартир условно представленны в виде однофазных электроприемников. Стояк в такой электроустановке многоквартирного жилого дома должн быть пятипроводным и включать в себя три фазных проводника, нулевой защитный и нулевой рабочий проводники. При втором способе (рис 4.9.) PEN-проводник разделяется на зажимах этажных щитков, которые подключаются к стояку. Стояк, в свою очередь, должен выполняться из четырех проводников – трех фазных проводников и PEN – проводника.
Предпочтительнее первый вариант построения электрических цепей защитных проводников, при котором во всей электроустановке жилого здания используется нулевой защитный проводник. Однако несовершенная система обслуживания электроустановки здания, открывающая жильцам доступ к стоякам и этажным щиткам, а также низкая квалификация эксплуотационного парсоналанакладывают некоторые ограничения на повсеместное применение первого варианта. Велика вероятность подключения к нулевому защитному проводнику стояка нулевых рабочих проводников какого-либо электрооборудования. Во время проведения ремонтно-эксплуотационных работ также возможно ошибочное поключение нулевых защитных зажимов этажных щитков к нулевому рабочему проводнику стояка, а нулевых рабочих зажимов к нулевому защитному проводнику. По нулевому защитному проводнику стояка будут протекать рабочие токи снижая уровень электробезопастности во всех квартирах.
4.3 РАСЧЕТ ЗАНУЛЕНИЯ ЛИФТОВОГО ЭЛ. ДВИГАТЕЛЯ
Расчет зануления имеет целью определить условия, при которых оно надежно выполняет возложенные на него задачи, – быстро отключает поврежденную установку от сети и в то же время обеспечивает безопастность прикосновения человека к зануленому корпусу в аварийный период. В соостветствии с этим зануление расчитывают на отключающую способность, а также на безопастность прикосновения к корпусу при замыкании фазы на землю (расчет заземления нейтрали) и на корпус (расчет повторного заземления нулевого защитного проводника).
Задача:
Проверить, обеспечина ли отключающая способность занулния в сети, при нулевом защитном проводнике – стальной полосе сечением S = 40*4 мм. Линия 380/220 В с аллюминиевыми проводоми 3*25 мм² питается от трансформатора 630 кВА, 10/0,4 кВ, со схемой соединения обмоток треугольник / звезда. Двигатель защищен предохранителем Iном. = 125 А.
Решение данной задачи сводится к соблюдению условия срабатывания защиты:
Iк.дейст. > Iк. доп.
Где: Iк.дейст. – действующий ток к.з.; А;
Iк.доп.. – допустимый ток к.з.; А;
1. Находим допустимый ток к.з.
Iк.доп ≥ к*Iном. (4.1.)
Где: к – коэффициент кратности плавкой вставки предохранителя, к=3
Iном. – номинальный ток плавкой вставки, Iном. = 125 А
Iк.доп ≥ к*Iном. = 3*125 = 375 А
2. Из табличного значения находим полное сопротивление трансформатора Zт. = 0,056 Ом
3. Определяем сопротивление фазного и нулевого защитного провода; Rф. , xф. , Rн.з. , xн.з. , xп. на участке линии L = 200 м по следующим формулам:
Rф. = ρ * (L / S) (4.2.)
где Rф. – фазное сопротивление проводника, Ом;
ρ – удельное сопротивление проводника, равное для аллюминия ρ=0,028 Ом*мм² / м
L – длина проводника. м;
Rф. = 0,028 * (200 / 25) = 0,224 Ом
Принимаем xф. = 0,0156 Ом / км
Находим плотность тока в стальной полосе для определения внутренних, активных rω и индуктивных xω сопротивлений по формуле
j = Iк.доп. / S (4.3.)
j = 375 / (40*4) = 2 А / мм²
По справочной литературе находим rω = 1,54, xω = 0,92 Ом / мм²
Rн.з. = rω *L (4.4.)
Rн.з. = 1,54 * 0,2 = 0,308 Ом
xн.з. = xω * L (4.5.)
xн.з. = 0,95 * 0,2 = 0,184 Ом
xп. = 0,6 * L (4.6.)
xп. = 0,6 * 0,2 = 0,12 Ом
Находим действительное значение токов однофазного к.з., проходящих по петле фаза-нуль при замыкании фазы на корпус двигателя.
Uф.
![]()
Iк.дейст.
= (4.7.)
Zт. /3 + √ (Rф. + Rн.з. )² + (xф + xн.з. + xп. )²
220
![]()
Iк.дейст.
= = 440 А
0,056/3+√(0,224+0,308)²+(0,0156+0,184+0,12)²
Определяем величину напряжения прикосновения на корпус фазного проводника, т.к. напряжение прикосновения равно падению напряжения на этом участке цепи.
Uпр. = Iк.дейст. * Zт.в. (4.8.)
Где Zт.в. – внутреннее сопротивление трансформатора, Zт.в. = 0,24 Ом
Uпр. = 440 * 0,24 = 105,6 В
Находим кратность тока к.з. по отношению к номинальному току плавкой вставки предохранителя
к = Iк.дейст. / Iн.п. (4.9.)
к = 440 / 125 = 3,5
По защитной характеристики предохранителя ПН2–250 (по заводскому каталогу) находим, что при кратности тока в 3,5 плавкий элемент сгорает за 1,25 с. В течение этого времени электроустановка и человек, прикоснувшийся к ней оказываются под воздействием напряжения прикосновения.
Находим предельно-допустимое напряжение прикосновения при времени его действия 1,5 с. Данные ГОСТ 12.1.038-92 в пределах до 3 с (данные табличные) подчиняются зависимости Uпр. * t ≤ 200, находим:
Uпр.доп. = 200 / 1,5 = 133 В
Таким образом, Uпр.доп. > Uпр. (133 > 105), следовательно установка удовлетворяет требованию.
Вывод: 1) поскольку действительные значения токов однофазного к.з. (Iк.дейст. = 440 А) превышают наименьшие допустимые по условию срабатывания защиты (Iк.доп. = 375 А), нулевой защитный проводник выбран правильно.
2) Предохранитель по защитной характеристики из условия указанного выше удовлетворяет требованию.
3) Согластно ПУЭ, 7-е издание, в сетях до 1000 В с заземленной нейтралью предусмотренно выполнять преднамеренное соединение корпусов и других металлических нетоковедущих частей электроустановки с заземленной нейтралью источника питания, для этого соединения используется нулевой рабочий провод сети, что приводит к уравниванию потенциалов сети.
5. ЭКОНОМИЧЕСКАЯ ЧАСТЬ
5.1 СОСТАВЛЕНИЕ ЛОКАЛЬНОЙ СМЕТЫ НА СТРОИТЕЛЬСТВО ТРАНСФОРМАТОРНОЙ ПОДСТАНЦИИ 10/0,4 кВ.
Составление локальной сметы производилось на основе изучения методики определения стоимости строительной продукции на территории Российской Федерации, (МДС 81-35.2004) (Госстрой России) Москва, 2004. Эта инструкция разработана в соответствии с действующим законодательством Российской Федерации на основе методических и нормативных документов, предусмотренных сметно-нормативной базой ценообразования в строительстве 2001 года взамен: «Свода правил по определению стоимости строительства в составе предпроектной и проектно-сметной документации» СП 81-01-94, введенного письмом Минстроя России от 29.12.94 № ВБ-12-276, «Методических указаний по определению стоимости строительной продукции на территории Российской Федерации» МДС 81-1.99, введенных в действие постановлением Госстроя России от 26.04.99 № 31, «Указаний по применению ГЭСНм-2001 на строительные и специальные строительные работы» МДС 81-28.2001, «Указаний по применению ГЭСНп-2001 на монтаж оборудования» МДС 81-29.2001, «Указаний по применению ГЭСНм-2001 на пусконаладочные работы» МДС 81-27.2001, Общих указаний по применению ГЭСНр-2001 на ремонтно-строительные работы, а также «Временных методических указаний по определению стоимости работ при строительстве и ремонте автомобильных дорог» МДС 81-30.2002.
Локальная смета составлялась на примере ТП – 1.
Сметные нормативы подразделяются на следующие виды:
· государственные сметные нормативы - ГСН;
· отраслевые сметные нормативы - ОСН;
· территориальные сметные нормативы - ТСН;
· фирменные сметные нормативы - ФСН;
· индивидуальные сметные нормативы - ИСН.
Сметные нормативы подразделяются на элементные и укрупненные.
К элементным сметным нормативам относятся государственные элементные сметные нормы (ГЭСН-2001) и индивидуальные элементные сметные нормы, а также нормы по видам работ.
К укрупненным сметным нормативам относятся:
· сметные нормативы, выраженные в процентах;
· укрупненные сметные нормативы и показатели;
· показатели по объектам аналогам и другие нормативы.
Сметная стоимость – сумма денежных средств, необходимых для осуществления строительства в соответствии с проектными материалами.
Для определения сметной стоимости строительства проектируемых предприятий, зданий, сооружений или их очередей составляется сметная документация, состоящая из локальных смет, локальных сметных расчетов, объектных смет, объектных сметных расчетов, сметных расчетов на отдельные виды затрат, сводных сметных расчетов стоимости строительства (ремонта), сводок затрат и др.
Локальные сметы относятся к первичным сметным документам и составляются на отдельные виды работ и затрат по зданиям и сооружениям или по общеплощадочным работам на основе объемов, определившихся при разработке рабочей документации (РД).
Локальные сметные расчеты составляются в случаях, когда объемы работ и размеры затрат окончательно не определены и подлежат уточнению на основании РД, или в случаях, когда объемы работ, характер и методы их выполнения не могут быть достаточно точно определены при проектировании и уточняются в процессе строительства.
Локальные сметные расчеты (сметы) на отдельные виды строительных и монтажных работ, а также на стоимость оборудования составляются исходя из следующих данных:
· параметров зданий, сооружений, их частей и конструктивных элементов, принятых в проектных решениях;
· объемов работ, принятых из ведомостей строительных и монтажных работ и определяемых по проектным материалам;
· номенклатуры и количества оборудования, мебели и инвентаря, принятых из заказных спецификаций, ведомостей и других проектных материалов;
· действующих сметных нормативов и показателей на виды работ, конструктивные элементы, а также рыночных цен и тарифов на продукцию производственно-технического назначения и услуги.
Локальные сметные расчеты (сметы) составляются:
а) по зданиям и сооружениям:
· на строительные работы, специальные строительные работы, внутренние санитарно-технические работы, внутреннее электроосвещение, электросиловые установки, на монтаж и приобретение технологического и других видов оборудования, контрольно-измерительных приборов (КИП) и автоматики, слаботочных устройств (связь, сигнализация и т.п.), приобретение приспособлений, мебели, инвентаря и др.;
б) по общеплощадочным работам:
· на вертикальную планировку, устройство инженерных сетей, путей и дорог, благоустройство территории, малые архитектурные формы и др.
При проектировании сложных зданий и сооружений, осуществляемых несколькими проектными организациями, а также при формировании сметной стоимости по пусковым комплексам допускается составление на один и тот же вид работ двух и более локальных сметных расчетов (смет).
В локальных сметных расчетах (сметах) производится группировка данных в разделы по отдельным конструктивным элементам здания (сооружения), видам работ и устройств в соответствии с технологической последовательности работ и учетом специфических особенностей отдельных видов строительства. По зданиям и сооружениям может быть допущено разделение на подземную часть (работы «нулевого цикла») и надземную часть.
Локальный сметный расчет (смета) может иметь разделы:
по строительным работам - земляные работы; фундаменты и стены подземной части; стены; каркас; перекрытия, перегородки; полы и основания; покрытия и кровли; заполнение проемов; лестницы и площадки; отделочные работы; разные работы (крыльца, отмостки и прочее) и т.п.;
по специальным строительным работам - фундаменты под оборудование; специальные основания; каналы и приямки; обмуровка, футеровка и изоляция; химические защитные покрытия и т.п.;
по внутренним санитарно-техническим работам - водопровод, канализация, отопление, вентиляция и кондиционирование воздуха и т.п.;
по установке оборудования - приобретение и монтаж технологического оборудования;
технологические трубопроводы; металлические конструкции (связанные с установкой оборудования) и т.п.
Стоимость работ в локальных сметных расчетах (сметах) в составе сметной документации может приводиться в двух уровнях цен:
в базисном уровне, определяемом на основе действующих сметных норм и цен 2001 года;
в текущем (прогнозном) уровне, определяемом на основе цен, сложившихся ко времени составления смет или прогнозируемых к периоду осуществления строительства.
При составлении локальных сметных расчетов (смет) используются расценки из соответствующих сборников, при этом в каждой позиции локального сметного расчета (сметы) указывается шифр нормы, состоящий из номера сборника (два знака), номера раздела (два знака), порядкового номера таблицы в данном разделе (три знака) и порядкового номера нормы в данной таблице (один два знака). Параметры отдельных характеристик (длина, высота, площадь, масса и т.д.), приведенные со словом «до», следует понимать включительно, а со словом «от» - исключая указанную величину, т.е. свыше.
При составлении локальных сметных расчетов (смет) учитываются условия производства работ и усложняющие факторы.
При ведении земляных работ на территории, отведенной под строительство в местах, относимых в установленном порядке к районам бывших военных действий, к расценкам на разработку грунта на глубину до 2-х метров экскаваторами или бульдозерами, а также на корчевку пней рекомендуется применять коэффициент 1,4.
Стоимость, определяемая локальными сметными расчетами (сметами), может включать в себя прямые затраты, накладные расходы и сметную прибыль.
Прямые затраты учитывают стоимость ресурсов, необходимых для выполнения работ:
· материальных (материалов, изделий, конструкций, оборудования, мебели, инвентаря);
· технических (эксплуатации строительных машин и механизмов);
· трудовых (средства на оплату труда рабочих, а также машинистов, учитываемые в стоимости эксплуатации строительных машин и механизмов).
Накладные расходы учитывают затраты строительно-монтажных организаций, связанные с созданием общих условий производства, его обслуживанием, организацией и управлением.
Сметная прибыль включает в себя сумму средств, необходимых для покрытия отдельных (общих) расходов строительно-монтажных организаций на развитие производства, социальной сферы и материальное стимулирование.
Начисление накладных расходов и сметной прибыли при составлении локальных сметных расчетов (смет) без деления на разделы производится в конце сметного расчета (сметы), за итогом прямых затрат, а при формировании по разделам - в конце каждого раздела и в целом по сметному расчету (смете).
В случаях, когда в соответствии с проектными решениями осуществляются разборка конструкций или снос зданий и сооружений по конструкциям, материалам и изделиям, пригодным для повторного применения, за итогом локальных сметных расчетов (смет) на разборку, снос (перенос) зданий и сооружений справочно приводятся возвратные суммы (суммы, уменьшающие размеры выделяемых заказчиком капитальных вложений). Эти суммы не исключаются из итога локального сметного расчета (сметы) и из объема выполненных работ. Они показываются отдельной строкой под названием «В том числе возвратные суммы» и определяются на основе приводимых также за итогом расчета (сметы) номенклатуры и количества получаемых для последующего использования конструкций, материалов и изделий. Стоимость таких конструкций, материалов и изделий в составе возвратных сумм определяется по цене возможной реализации за вычетом из этих сумм расходов по приведению их в пригодное для использования состояние и доставке в места складирования.
Стоимость материалов, получаемых в порядке попутной добычи (камень, щебень, песок, лес и др.), при наличии возможности их реализации рекомендуется учитывать по сложившимся в регионе ценам.
В случае невозможности использования или реализации материалов от разборки или попутной добычи их стоимость в возвратных суммах не учитывается. Конструкции, материалы и изделия, учитываемые в возвратных суммах, рекомендуется отличать от так называемых оборачиваемых материалов (опалубка, крепление и т.п.), применяемых в соответствии с технологией строительного производства по нескольку раз при выполнении отдельных видов работ.
При выполнении отдельных видов работ в соответствии с технологией строительного производства отдельные материалы (опалубка, крепление и т.п.) используются несколько раз, т.е. оборачиваются. Неоднократная их оборачиваемость учитывается в сметных нормах и составляемых на их основе расценках на соответствующие конструкции и виды работ. В случаях, когда на объекте невозможно достичь нормативного числа оборота индустриальной опалубки, креплений и т.д., что должно быть обосновано ПОС, норма корректируется. Стоимость оборудования, мебели и инвентаря включается в локальные сметные расчеты (сметы).
В составе локальных сметных расчетов (смет) затраты на эксплуатацию строительных машин определяются исходя из данных о времени использования (нормативная потребность) необходимых машин (маш.-ч) и соответствующей цены 1 маш.-ч эксплуатации машин.
В составе локальных сметных расчетов (смет) стоимость материальных ресурсов определяется исходя из данных о нормативной потребности материалов, изделий (деталей) и конструкций (в физических единицах измерения: м3, м2, т и пр.) и соответствующей цены на вид материального ресурса. Стоимость материальных ресурсов включается в состав сметной документации, независимо от того, кто их приобретал.
Стоимость материальных ресурсов может определяться:
· в базисном уровне цен - по сборникам (каталогам) сметных цен на материалы, изделия и конструкции - федеральным, территориальным (региональным) и отраслевым;
· в текущем уровне цен - по фактической стоимости материалов, изделий и конструкций с учетом транспортных и заготовительно-складских расходов, наценок (надбавок), комиссионных вознаграждений, уплаченных снабженческим внешнеэкономическим организациям, оплаты услуг товарных бирж, включая брокерские услуги, таможенных пошлин.
Определение текущих цен на материальные ресурсы по конкретной стройке осуществляется на основе исходных данных, получаемых от подрядной организации, а также поставщиков и организаций-производителей продукции. Калькуляция стоимости (ведомость) текущих сметных цен на материалы, изделия и конструкции составляется по элементам затрат.
Отпускные цены на изделия, материалы и полуфабрикаты (бетон, раствор, битум, асфальтобетонные и черные щебеночные смеси, дорожные битумные эмульсии, деревья и кустарники-саженцы, дерн и земля растительная и др.), изготавливаемые в построечных условиях, определяются по калькуляциям. В калькуляциях, кроме затрат на приготовление материалов и полуфабрикатов, учитываются прочие расходы, связанные с их приготовлением (накладные расходы), необходимая прибыль, налоги и сборы, начисляемые в соответствии с действующим законодательством. В калькуляциях прочие (накладные) расходы и прибыль исчисляются от средств оплаты труда рабочих.
Накладные расходы в локальной смете определяются от фонда оплаты труда (ФОТ) на основе:
укрупненных нормативов по основным видам строительства, применяемых при составлении инвесторских сметных расчетов;
нормативов накладных расходов по видам строительных, ремонтно-строительных, монтажных и пусконаладочных работ, применяемых при составлении локальных смет;
индивидуальной нормы для конкретной подрядной организации.
Размер сметной прибыли определяется от фонда оплаты труда (ФОТ) рабочих на основе:
общеотраслевых нормативов, устанавливаемых для всех исполнителей работ, применяемых при составлении инвесторских сметных расчетов;
нормативов по видам строительных и монтажных работ, применяемых при составлении локальных сметных расчетов (смет);
индивидуальной нормы для конкретной подрядной организации (за исключением строек, финансируемых за счет средств федерального бюджета).
(наименование стройки)
ЛОКАЛЬНАЯ СМЕТА №1
На ПРЕОБРЕТЕНИЕ И МОНТАЖ ОБОРУДОВАНИЯ ДЛЯ ТП 10/0,4 кВ
Основание:ОБЪЁМ РАБОТ
Сметная стоимость руб.
Средства на оплату труда руб.
Составлена в прогнозных ценах по состоянию на 2005 г.
| № п/п |
Обоснование |
Наименование |
Ед. изм. |
Кол. |
Стоимость еденицы |
Общая стоимость |
Т/з осн. раб. на. ед. |
Т/з осн. раб. всего |
||||||||
| Всего |
В том числе |
Ст-ть обор-я |
Всего |
В том числе |
||||||||||||
| Осн з/п |
Эк. Маш. |
З/п. Мех |
Осн з/п |
Эк. Маш. |
З/п. Мех |
|||||||||||
| 1 |
2 |
3 |
4 |
5 |
6 |
7 |
8 |
9 |
10 |
11 |
12 |
13 |
14 |
15 |
16 |
|
| Раздел 1. ОБОРУДОВАНИЕ |
||||||||||||||||
| 0,2 |
ЦЕНА ЗАВОДА |
Тр-р ТМ-1000 Ква 10/0,4 кВ |
шт |
2 |
12776 |
25552 |
||||||||||
| 0,1 |
ЦЕНА ЗАВОДА |
Шкаф вводной РУНН |
шт |
2 |
19176 |
38325 |
||||||||||
| 0,4 |
ЦЕНА ЗАВОДА |
Шкаф линейный РУНН |
шт |
6 |
90460 |
542760 |
||||||||||
| 0,5 |
ЦЕНА ЗАВОДА |
Шкаф секционный РУНН |
шт |
1 |
120634 |
120634 |
||||||||||
| Итого прямые затраты по разделу 1 |
727271 |
|||||||||||||||
| ИТОГО |
727271 |
|||||||||||||||
| Итого материалы |
727271 |
|||||||||||||||
| Итого машины и механизмы |
||||||||||||||||
| Итого ФОТ |
||||||||||||||||
| Накладные расходы 0,00 % (от 0,00) |
||||||||||||||||
| Сметная прибыль 0,00 % (от 0,00) |
||||||||||||||||
| ИТОГО |
727271 |
|||||||||||||||
| Итого материалы |
727271 |
|||||||||||||||
| Итого машины и механизмы |
||||||||||||||||
| Итого ФОТ |
||||||||||||||||
| Накладные расходы 0,00 % (от 0,00) |
||||||||||||||||
| Сметная прибыль 0,00 % (от 0,00) |
||||||||||||||||
| 1 |
2 |
3 |
4 |
5 |
6 |
7 |
8 |
9 |
10 |
11 |
12 |
13 |
14 |
15 |
16 |
|
| ИТОГО ПО РАЗДЕЛУ 1 |
727271 |
|||||||||||||||
| Раздел 2 МАТЕРИАЛЫ |
||||||||||||||||
| 1 |
ЦЕНА ”ЭКС” |
Каб. силововой на напряжение 10 кВ |
М |
365 |
503 |
183595 |
||||||||||
| 2 |
ЦЕНА ЗАВОДА |
Шина мед. толщ. до 25 мм, шир до 30 мм |
Т |
0,4 |
21900 |
8760 |
||||||||||
| Итого прямые затраты по разделу 2 |
192355 |
|||||||||||||||
| ИТОГО |
192355 |
|||||||||||||||
| Итого материалы |
192355 |
|||||||||||||||
| Итого машины и механизмы |
||||||||||||||||
| Итого ФОТ |
||||||||||||||||
| Накладные расходы 0,00 % (от 0,00) |
||||||||||||||||
| Сметная прибыль 0,00 % (от 0,00) |
||||||||||||||||
| ИТОГО |
192355 |
|||||||||||||||
| Итого материалы |
192355 |
|||||||||||||||
| Итого машины и механизмы |
||||||||||||||||
| Итого ФОТ |
||||||||||||||||
| Накладные расходы 0,00 % (от 0,00) |
||||||||||||||||
| Сметная прибыль 0,00 % (от 0,00) |
||||||||||||||||
| ИТОГО ПО РАЗДЕЛУ 2 |
192355 |
|||||||||||||||
| Раздел 3 МОНТАЖНЫЕ РАБОТЫ |
||||||||||||||||
| 2,1 |
ТЕРм 8-01-054-2 |
Тр-р напряжения трёхфаз. до 10 кВ |
Шт |
2 |
63,2 |
19,7 |
39,5 |
1,9 |
126,4 |
39,3 |
79,0 |
3,7 |
1,7 |
3,5 |
||
| 2,2 |
ТЕРм 8-01-068-1 |
Шины сбор.-одна полоса в фазе. Шина мед или алюм сеч. от2мм до250мм |
100м |
2,5 |
889,4 |
596,4 |
181,1 |
68,7 |
2223,6 |
1491,0 |
452,6 |
171,8 |
52,5 |
131,3 |
||
| 2,3 |
ТЕРм 8-01-068-1 |
Шкаф КРУ выключ. напряж 6-10 кВ на ток до 3200 А |
Шт |
11 |
4005,4 |
372,6 |
349,0 |
270,9 |
44059,7 |
4098,7 |
38401,1 |
2979,5 |
32,8 |
360,8 |
||
| 2,4 |
ТЕРм 8-01-054-2 |
Каб. до 35 кВ с креплением наклад. скобами |
100 м каб. |
4,97 |
1961,1 |
189,71 |
1518,7 |
134,6 |
9746,7 |
942,9 |
7547,9 |
669,1 |
16,7 |
83,0 |
||
| 2,5 |
ТЕРм 8-02-471-3 |
Заземлитель вертик. из круг. стали диаметр 14 мм |
10 |
2,4 |
426,8 |
92,0 |
44,7 |
1,1 |
1024,3 |
220,9 |
107,3 |
2,7 |
8,3 |
19,9 |
||
| 1 |
2 |
3 |
4 |
5 |
6 |
7 |
8 |
9 |
10 |
11 |
12 |
13 |
14 |
15 |
16 |
|
| 1 |
2 |
3 |
4 |
5 |
6 |
7 |
8 |
9 |
10 |
11 |
12 |
13 |
14 |
15 |
16 |
|
| 2,6 |
ТЕРм 8-01-054-2 |
Зазем. Гориз. Из полосовой стали сечением 250 мм² |
100 |
4,2 |
1185,3 |
184,3 |
91,7 |
3,1 |
4978,3 |
773,9 |
385,1 |
13,1 |
16,6 |
69,7 |
||
| Итого прямые затраты по разделу 3 |
62159,1 |
7566,6 |
46973,0 |
3839,8 |
668,1 |
|||||||||||
| Монтажные работы |
62159,1 |
7566,6 |
46973,0 |
3839,8 |
668,1 |
|||||||||||
| ИТОГО |
62159,1 |
7566,6 |
46973,0 |
3839,8 |
668,1 |
|||||||||||
| Итого материалы |
7619,5 |
|||||||||||||||
| Итого машины и механизмы |
46973,0 |
46973,0 |
||||||||||||||
| Итого ФОТ |
11406,4 |
7566,6 |
3839,8 |
|||||||||||||
| Накладные расходы 95 % ФОТ (от 11406,4) |
10836,1 |
|||||||||||||||
| Сметная прибыль 65 % ФОТ(от 11406,4) |
7414,2 |
|||||||||||||||
| ИТОГО Монтажные работы |
80409,4 |
|||||||||||||||
| ИТОГО |
62159,1 |
7566,6 |
46973,0 |
3839,8 |
668,1 |
|||||||||||
| Итого материалы |
7619,5 |
|||||||||||||||
| Итого машины и механизмы |
46973,0 |
46973,0 |
||||||||||||||
| Итого ФОТ |
11406,4 |
7566,6 |
3839,8 |
|||||||||||||
| Накладные расходы 95 % ФОТ (от 11406,4) |
10836,1 |
|||||||||||||||
| Сметная прибыль 65 % ФОТ (от 11406,4) |
7414,2 |
|||||||||||||||
| ИТОГО ПО РАЗДЕЛУ 3 |
80409,4 |
|||||||||||||||
| Раздел 4 СТРОИТЕЛЬНЫЕ РАБОТЫ. |
||||||||||||||||
| 2,7 |
ТЕР 1-02-059-2 |
Рытьё ям вручную под электрод зазем с засыпкой. |
1 эл. заз. |
14 |
2560,2 |
102,3 |
35842,8 |
1432,2 |
6,6 |
158,6 |
||||||
| 2,8 |
ТЕР 1-02-057-2 |
Разработка грунта вручную в траншеях без креплений с откосами |
100 м3 грун. |
1,2 |
1817,1 |
1817,1 |
2180,5 |
2180,5 |
154,0 |
194,0 |
||||||
| 2,9 |
ТЕР 1-02-061-2 |
Засыпка вручную траншей, пазухов котлованов и ям |
100 м3 грун. |
1,2 |
1011,2 |
1011,2 |
1213,4 |
1213,4 |
97,2 |
122,5 |
||||||
| Итого прямые затраты по разделу 4 |
39236,7 |
4826,1 |
475,1 |
|||||||||||||
| Общественные работы |
39236,7 |
4826,1 |
475,1 |
|||||||||||||
| ИТОГО |
39236,7 |
4826,1 |
475,1 |
|||||||||||||
| Итого материалы |
34410,6 |
|||||||||||||||
| Итого машины и механизмы |
||||||||||||||||
| Итого ФОТ |
4826,1 |
4826,1 |
||||||||||||||
| Накладные расходы 80 % ОЗП (от 4826,1) |
3860,9 |
|||||||||||||||
| 1 |
2 |
3 |
4 |
5 |
6 |
7 |
8 |
9 |
10 |
11 |
12 |
13 |
14 |
15 |
16 |
|
| Сметная прибыль 50 % ОЗП (от 4826,1) |
2413,1 |
|||||||||||||||
| ИТОГО Общественные работы |
45510,7 |
|||||||||||||||
| ИТОГО |
39236,7 |
4826,1 |
475,1 |
|||||||||||||
| Итого материалы |
34410,6 |
|||||||||||||||
| Итого машины и механизмы |
||||||||||||||||
| Итого ФОТ |
4826,1 |
4826,1 |
||||||||||||||
| Накладные расходы 80 % ОЗП (от 4826,1) |
3860,9 |
|||||||||||||||
| Сметная прибыль 50 % ОЗП (от 4826,1) |
2413,1 |
|||||||||||||||
| ИТОГО ПО РАЗДЕЛУ 4 |
45510,7 |
|||||||||||||||
| ИТОГО ПО СМЕТЕ. |
||||||||||||||||
| Итого прямые затраты по смете |
1021021,8 |
12392,7 |
46973,0 |
3839,8 |
1143, |
|||||||||||
| Монтажные работы |
981785,1 |
7566,6 |
46973,0 |
3839,8 |
668,1 |
|||||||||||
| ИТОГО |
981785,1 |
7566,6 |
46973,0 |
3839,8 |
668,1 |
|||||||||||
| Итого материалы |
927245,5 |
|||||||||||||||
| Итого машины и механизмы |
46973,0 |
46973,0 |
||||||||||||||
| Итого ФОТ |
11406,4 |
7566,6 |
3839,8 |
|||||||||||||
| Накладные расходы 95 % ФОТ (от 11406,4) |
10836,1 |
|||||||||||||||
| Сметная прибыль 65 % ФОТ (от 11406,4) |
7414,2 |
|||||||||||||||
| ИТОГО Монтажные работы |
1000035,4 |
|||||||||||||||
| Общественные работы |
39236,7 |
4826,1 |
475,1 |
|||||||||||||
| ИТОГО |
39236,7 |
4826,1 |
475,1 |
|||||||||||||
| Итого материалы |
34410,6 |
|||||||||||||||
| Итого машины и механизмы |
||||||||||||||||
| Итого ФОТ |
4826,1 |
4826,1 |
||||||||||||||
| Накладные расходы 80 % ОЗП (от 4826,1) |
3860,9 |
|||||||||||||||
| Сметная прибыль 50 % ОЗП (от 4826,1) |
2413,1 |
|||||||||||||||
| ИТОГО Общественные работы |
45510,7 |
|||||||||||||||
| ИТОГО |
1021021,8 |
12392,7 |
46973,0 |
3839,8 |
1143, |
|||||||||||
| Итого материалы |
961656,1 |
|||||||||||||||
| Итого машины и механизмы |
46973,0 |
46973,0 |
||||||||||||||
| Итого ФОТ |
16232,5 |
12392,7 |
3839,8 |
|||||||||||||
| Наклабные расходы |
14697,0 |
|||||||||||||||
| Сметная прибыль |
9827,3 |
|||||||||||||||
| ИТОГО ПО СМЕТЕ |
1045546,1 |
|||||||||||||||
| НДС 18 % |
188198,3 |
|||||||||||||||
| ВСЕГО ПО СМЕТЕ |
1233744,4 |
|||||||||||||||
ЗАКЛЮЧЕНИЕ
В данном дипломном проекте произведено проектирование сети электроснабжения жилого массива „ Ленинградский” города Калининграда.
Расчёт электрических нагрузок производился методом коэффициента одновременности и коэффициента спроса (для лифтов).
Произведён расчёт электрической сети, который заключался: в выборе трансформаторов с учётом их перегрузочной способности; расчёте сечения кабельных линий электропередач и выборе кабелей с учётом длительно-допустимого тока, экономической плотности тока и допустимой потере напряжения; выборе электрических аппаратов по номинальному току и номинальному напряжению.
Расчитаны токи короткого замыкания с целью: проверки, а в случае необходимости и корректировки, правильности выбора кабелей и электрических аппаратов, и расчёта релейной защиты.
Рассмотрены на экономическую пригодность, и надежность типы зануления. Выполнен расчет зануляющегося, наиболее применяемого, устройства системы TN-C-S.
Произведен расчет локальной сметы на строительство подстанции.
В ходе проектирования использована техническая документация и литература список которой прилагается. Проект выполнен с учетом последних достижений в области электроснабжения и в соответствии с требованиями ПУЭ.
СПИСОК ИСПОЛЬЗОВАННЫХ ИСТОЧНИКОВ
1. ПУЭ (правила устройства электроустановок) – 6-е издание переработанное и дополненное – М.: Энергоатомиздат, 1986г
2. Ведомственные строительные нормы, электрооборудование жилых и общественных зданий. – ВСН № 59-88. – М.: Государственный комитет по архитектуре и градостроительству при госстрое России, 1990 г.
3. Справочник по проектированию электроснабжения городов / В.А.Козлов, Н.И. Билик, Д.Л .Файбисович. – 2-е издание, переработанное и дополненное – Л.: Энергоатомиздат. Ленинградское отделение, 1986 г.
4. И.Е. Цигельман. Электроснабжение гражданских зданий и коммунальных предприятий: Учебник для техникумов. – 2-е издание, испревленное и дополненное – М.: Высшая школа, 1982 г.
5. И.Е. Цигельман. Электроснабжение гражданских зданий и коммунальных предприятий: Учебник для электромех. спец. техникумов. – 3-е издание, испревленное и дополненное – М.: Высшая школа, 1988 г.
6. Инструкция по проектированию городских электрических сетей. – РД 34.20.185-94. – Гипрокоммунэнерго, РАО „ЕЭС России”, Энергосетьпроект., 1994 г.
7. Спавочник по электроснабжению и электрооборудованию: в 2 т. / Под общ. ред. А. А. Фёдорова. Т 2. Электрооборудование. – М.: Энергоатомиздат, 1987г.
8. Б.Н. Неклепаев, И.П. Крючков. Электрическая часть станций и подстанций: Справочные материалы для курсового и дипломного проектирования: Учебное пособие для ВУЗов – 4-е издание переработанное и дополненное – М.: Энергоатомиздат, 1989 г.
9. Электрическая часть станций и подстанций: Учебник для ВУЗов / А.А. Васильев, И.П. Крючков, Е.Ф. Наяшкова и др.; Под редакцией А.А. Васильева. – 2-е издание переработанное и дополненное – М.: Энергоатомиздат, 1990 г.
10. Справочник по проектированию электроснабжения. / Под редакцией Ю. Г. Барыбина и др. – М.: Энергоатомиздат, 1990 г.
11. Долин П.А. Основы техники безопасности в электроустановках: Учеб. пособие для вузов. – 2-е изд., перераб. и доп. – М.: Энергоатомиздат, 1984 г.
12. Князевский Б.А., Липкин Б.Ю. Электроснабжение промышленных предприятий: Учеб. для студ. вузов по спец. „Электропривод и автоматизация промышленных установок” – 3-е изд., перераб. и доп. – М.: Высшая школа, 1986 г.
13. Фёдоров А.А, Каменова В.В. Основы электроснабжения промышленных предприятий: Учебник для вузов. – 4-е изд., перераб. и доп. – М.: Энергоатомиздат, 1984 г.
14. Шабад М.А. Расчёты релейной защиты и автоматики распределительных сетей. – 3-е изд.
15. , перераб. и доп. – Л.: Энергоатомиздат, 1985 г.
16. Методика определения стоимости строительной продукции на территории Российской Федерации. – МДС 81-35.2004. – М.: Госстрой России, 2004 г.
17. Гофман Г.Д. Справочник сметчика по электрическим сетям. – М.: Энергоатомиздат, 1985 г.