| Скачать .docx |
Дипломная работа: Электроснабжение завода по производству огнеупоров
Содержание
1. Основная часть. Проектирование электроснабжения завода
1.1 Технологический процесс производства
1.2 Исходные данные на проектирование
1.3 Проектирование электроснабжения механического цеха
1.3.1 Расчет электрических нагрузок механического цеха
1.4 Расчет силовой и осветительных нагрузок завода
1.4.1 Картограмма электрических нагрузок завода
1.5 Компенсация реактивной мощности и выбор числа цеховых трансформаторов
1.6 Определение потерь в цеховых трансформаторах
1.7 Расчет нагрузки синхронных двигателей
1.8 Выбор высоковольтной батареи конденсаторов
1.9 Технико-экономический расчет вариантов внешнего электроснабжения
1.10 Выбор оборудования и расчет токов короткого замыкания U>1кВ
1.10.1 Расчет суммарного тока КЗ
1.10.3 Выбор трансформаторов тока
1.10.4 Выбор трансформаторов напряжения
1.10.5 Выбор выключателей нагрузки
1.10.6 Выбор силовых кабелей отходящих линий
1.11 Выбор оборудования для электроприемников цеха
1.11.1 Расчет токов короткого замыкания на U<1 кВ
1.12 Релейная защита и автоматика
1.13 Заземление и молниезащита ГПП
1.13.2 Расчет молниезащиты ГПП
2. Специальная часть. Автоматическое регулирование мощности конденсаторов
2.1 Общие сведения о компенсации реактивной мощности
2.2 Определение мощности батарей конденсаторов
2.3 Размещение конденсаторов и автоматизации их работы
3. Расчет для низковольтной батареи конденсаторов
4. Безопасность жизнедеятельности
4.1 Анализ условий труда в механическом цехе
4.2 Акустический расчет механического цеха
4.2.1 Определение допустимых уровней звукового давления Lдоп для расчетных точек
4.3 Обеспечение пожаробезопасности рабочего процесса
4.3.1 Расчет количества огнетушителей
4.3.2 Разработка вопросов пожарной безопасности в цехах
Введение
Основой рационального решения комплекса технико-экономических вопросов при проектировании электроснабжения современного промышленного предприятия является правильное определение ожидаемых электрических нагрузок. Определение электрических нагрузок является первым этапом проектирования любой системы электроснабжения. Значения электрических нагрузок определяют выбор всех элементов и технико-экономические показатели проектируемой системы электроснабжения. От правильной оценки ожидаемых нагрузок зависят капитальные затраты в системе электроснабжения, расход цветного металла, потери электроэнергии и эксплуатационные расходы. Ошибка при определении электрических нагрузок приводит к увеличению экономических и ухудшению технических показателей промышленного предприятия.
Также необходимо рассчитывать экономически и технически целесообразный объем реактивной мощности, потребляемый из энергосистемы и сделать правильный выбор средств компенсации, их мощности и места размещения. От этого также будет зависеть эффективность использования энергетических ресурсов и оборудования.
Для определения оптимального варианта схемы внешнего электроснабжения, параметров электросети и ее элементов, необходимо проведение технико-экономических расчетов. При этом необходимо произвести всесторонний анализ технических и экономических показателей. Только сопоставление и анализ всех технико-экономических показателей, характеризующих возможные варианты, позволяет провести выбор наилучшего решения. Следующим этапом расчетов является окончательное определение схемы электроснабжения и ее параметров, выбор необходимого электрооборудования, проводов и кабелей.
Большое внимание следует также уделять вопросам охраны труда и оценки экономической эффективности принимаемых решений.
1. Основная часть. Проектирование электроснабжения завода
1.1 Технологический процесс производства
Предприятие специализируется на изготовлении керамической плитки, санитарно-технической керамики, кислотоупоров и другой огнеупорной продукции. Технологический процесс производства включает следующие стадии: карьерные работы, подготовка глиняной массы, формирование изделий, сушку отформованных изделий, обжиг изделий и упаковку.
Добыча глины осуществляется в карьерах. Метод добычи должен быть увязан с мощностью пласта и характером залегания глин.
Транспортирование глины из карьера на завод осуществляется по-разному. Экономически выгодным и обеспечивающим бесперебойную подачу глины на завод считается рельсовый транспорт. Безрельсовый транспорт используется с учетом местных условий.
В зависимости от свойств исходного сырья и вида изготовляемой продукции подготовку глиняной массы осуществляют полусухим, пластическим и шликерным (мокрым) способами.
По первому способу сырьевые материалы после дробления на вальцах выдерживают в сушильном барабане (до остаточной влажности 6-8%), затем измельчают в дезинтеграторе, просеивают, увлажняют (до влажности 8-12%) и перемешивают. Полусухой способ подготовки глиняной массы используется при производстве плиток для облицовки стен, полов и др.
При пластическом способе подготовки глиняной массы исходное сырье дробят, тонко измельчают и увлажняют до получения однородной пластичной массы влажностью 8-22%. Этот способ применяется при производстве глиняного кирпича, керамических камней, черепицы, труб.
По шликерному способу подготовки глиняной массы высушенные сырьевые материалы измельчают в порошок и смешивают с водой до получения однородной массы - шликера, который используют для получения изделий способом литья (санитарно-технические изделия, декоративная керамика и др.) или после его сушки в распылительных башенных сушилках. Технология получения пресс-порошка в распылительных сушилках заключается в совмещении процессов обезвоживания, дробления и сепарации керамической массы. Обезвоживание ее в распылительных сушилках позволяет в 3,5 раза повысить производительность труда и в 1,5 раза сократить капитальные затраты на производство готовой продукции.
Формирование изделий осуществляется на прессах: при первом способе подготовки глиняной массы - гидравлических и механических, при втором - ленточных вакуумных или безвакуумных. Вакуумирование глины способствует повышению плотности изделий на 6-8% (прочность увеличивается на 30-40%) и снижению их водопоглощения.
Основными способами производства керамических стеновых материалов являются пластические для подготовки глиномассы и формирования изделий (рисунок 1).

Рисунок 1 - Схема технологического процесса производства керамических кирпича и камней по пластическому способу: 1 - приготовление глиняной массы; 2 - формование изделий; 3 - сушка отформованных изделий; 4 - обжиг высушенных изделий
При пластическом способе производства керамических изделий технологический процесс усложняется, однако создается возможность получать высокопустотные, укрупненные керамические стеновые материалы, при этом повышается качество изделий, их морозостойкость.
Сушка изделий - обязательная промежуточная стадия технологического процесса производства керамических изделий. Ускорение процесса сушки изделий достигается в сушилах периодического (камерных) и непрерывного (туннельных) действия.
Туннельный способ сушки является более прогрессивным по сравнению с камерным. Сушило представляет собой туннель длиной от 20 до 45 м, внутри которого уложены рельсы.
Продолжительность процесса сушки составляет от 24 часов до 3 суток. Изделия необходимо высушить, чтобы содержание влаги в них не превышало 5%, во избежание неравномерной усадки и растрескивания при обжиге.
Обжиг изделий производят в кольцевых и туннельных печах непрерывного действия. Туннельные печи экономичнее кольцевых в силу более высокого уровня механизации производства, а также лучшего использования тепловой энергии.
Туннельная печь - это туннель длиной от 60 до 230 м в зависимости от размеров обжигаемых изделий, шириной 3-5 м, высотой около 2 м. Условно печь делят на три зоны - подогрева, обжига и охлаждения, которые последовательно в течении 18-36 ч проходят вагонетки с кирпичом-сырцом.
При достижении максимальной температуры обжига изделия подвергаются изотермической выдержке для выравнивания температуры по всей их толще. Охлаждение их ведут очень медленно, постепенно снижая температуру до 500-600С. Производительность туннельных печей - до 500 млн шт. кирпича в год.
Обжиг является завершающей и ответственной стадией производства керамических изделий. Режим обжига определяет качество продукции, технико-экономические показатели производства (расход топлива, электроэнергии и др.). Например, суммарные затраты на обжиг достигают 35-40%, а потери от брака - почти 10% от себестоимости товарной продукции.
1.2 Исходные данные на проектирование
1. Схема генерального плана завода (лист 1)
2. Сведения об электрических нагрузках по цехам завода (таблица 1.1)
3. Питание может быть осуществлено от подстанции энергосистемы, на которой установлены два параллельно работающих трансформатора мощностью по 40 МВА, напряжением 115/37/10,5 кВ. Мощность системы 650 МВА, мощность короткого замыкания на шинах 115 кВ равна 880 МВА.
4. Расстояние от подстанции энергосистемы до завода 5,5 км.
5. Завод работает в две смены.
Таблица 1.1 - Электрические нагрузки по цехам завода
| № П/П | Наименование | Количество ЭП, n , шт | Установленная мощность, кВТ | |
| одного ЭП, Pн | Рн | |||
| 1 | Шамотный цех №1 | 50 | 1-30 | 970 |
| 2 | Шамотный цех №2 | 60 | 1-40 | 1520 |
| 3 | Динасовый цех | 70 | 1-50 | 1800 |
| 4 | Смесительно-формовочный цех | 70 | 1-50 | 2100 |
| 5 | Цех вращающихся печей | 10 | 10-100 | 650 |
| 6 | Компрессорная: а) 0,4кВ |
10 |
10-20 |
120 |
| б) 10кВ | 10 | 630 | 1260 | |
| 7 | Цех пылеулавливания, газоочистки | 25 | 1-20 | 360 |
| 8 | Цех подготовки глины | 40 | 1-28 | 680 |
| 9 | Цех помола шамота | 50 | 20-50 | 1500 |
| 10 | Склад сырья | 15 | 5-20 | 120 |
| 11 | Механический цех | 40 | 1-25 | 570 |
| 12 | Заготовительно-штамповочный цех | 35 | 5-70 | 400 |
| 13 | Лаборатория | 20 | 1-20 | 250 |
| 14 | Стекольный цех | 40 | 1-40 | 850 |
| 15 | Склад готовой продукций | 10 | 1-10 | 60 |
| 16 | Заводоуправление, столовая | 50 | 1,1-40 | 560 |
| 17 | Цех туннельных печей | 40 | 10-50 | 1480 |
1.3 Проектирование электроснабжения механического цеха
Таблица 1.2 - Электрические нагрузки механического цеха
| №№ по плану | Наименование оборудования | Групп. | Установлен. Мощность, КВт |
Коэффиц. | |
| КИ | Cosφ | ||||
| 1 | 2 | 3 | 4 | 5 | 6 |
| 3,26 | Краны с ПВ-25% | А | 36,5 | 0,1 | 0,5 |
| 1,2,4,6 | Пресс | А | 5,5 | 0,25 | 0,65 |
| 5 | Ковочный пресс | А | 55 | 0,25 | 0,65 |
| 7,16,17,24,30 | Камерная электропечь | Б | 50 | 0,8 | 0,9 |
| 8 | Конвейерная закалочная электропечь | Б | 90 | 0,8 | 0,9 |
| 10,11, 19, 20 | Электродная соляная ванна | Б | 22 | 0,65 | 0,8 |
| 9 | Пресс | Б | 15 | 0,65 | 0,8 |
| 12,13,14 | Электродная селитровая ванна | Б | 12 | 0,65 | 0,8 |
| 15,22,38 | Вентилятор | Б | 37 | 0,65 | 0,8 |
| 18,21 | Колпаковая электропечь | Б | 45 | 0,8 | 0,9 |
| 25,27,35 | Пресс горячештамповочный | А | 11 | 0,25 | 0,65 |
| 28,31,33 | Пресс кривошипный | А | 11 | 0,25 | 0,65 |
| 29,32 | Гильотинные ножницы | А | 22 | 0,25 | 0,65 |
| 34,36 | Ковочный пресс | А | 22 | 0,25 | 0,65 |
| 37 | Высокочастотная установка | А | 100 | 0,35 | 0,7 |
| 39 | Плазматрон | А | 28 | 0,35 | 0,7 |
| 40 | Насос | А | 11 | 0,25 | 0,65 |
1.3.1 Расчет электрических нагрузок механического цеха
Расчет электрических нагрузок производится в таблице 1.3 "Расчет нагрузок по механическому цеху". Эта таблица является сводной как для подсчета силовых нагрузок по отдельным узлам питания, так и для шин ТП.
В рассматриваемом механическом цехе имеется два мостовых крана с ПВ=25%.
Необходимо привести установленную мощность кранов к ПВ=100%:
Pн
=Pуст
×
,(1.1)
для крана с ПВ-25%:
Рн
= Pн
×
=36,5×
= 18,3 кВт.
Все электроприемники, присоединенные к определенному узлу питания, разбиваются на характерные группы, имеющие одинаковый режим работы (это ЭП с одинаковыми Ки
и cos
).
Для каждой характерной группы указывается количество и мощность входящих в нее электроприемников, а для многодвигательного агрегата указывается количество и мощность входящих в него двигателей.
Наметим узлы питания: ШРА 1, ШРА 2, ШР.
Необходимо для каждой отдельной линии сделать выборку ЭП по группам А и Б.
К группе А относятся ЭП с переменным графиком работы.
К группе Б относятся ЭП длительного режима работы с постоянным графиком нагрузок.
Производим расчет электрических нагрузок и занесем результаты в таблицу 1.3
Основные используемые формулы:
Число m , которое используется для определения способа нахождения эффективного числа ЭП n э , определяется по формуле
,(1.2)
где Pнмакс ; Рнмин - номинальные активные мощности наибольшего и наименьшего ЭП в группе А.
Точное значение не требуется, достаточно определить m >3 или m £ 3.
Средняя активная нагрузка за наиболее загруженную смену для каждой характерной подгруппы ЭП определяется по формуле
Рсм =Ки ·Рн , кВт (1.3)
где Ки - коэффициент использования;
Рн - номинальная мощность электроприемников.
Средняя реактивная нагрузка на наиболее загруженную смену для каждой характерной группы ЭП определяется по формуле
Qсм = Рсм ·tg j , кВар (1.4)
где Рсм - средняя реактивная нагрузка на наиболее загруженную смену.
По полученным данным определяется средневзвешенное значение коэффициента использования по данному расчетному узлу
(1.5)
где SРсм - суммарное значение средней реактивной нагрузки за наиболее загруженную смену по данному расчетному узлу.
Далее необходимо подсчитать эффективное число ЭП n э , для данного расчетного узла питания.
При m £3 эффективное число электроприемников принимается равным их фактическому числу n , т.е. n=nэ .
При m >3 и групповом коэффициенте Ки >0,2 эффективное число электроприемников определяется по формуле
(1.6)
Если средневзвешенный групповой коэффициент использования Ки <0,2 эффективное число ЭП определяется по справочникам, тогда расчет nэ производится в следующей последовательности.
Значение Р , рассчитано по формуле
, кВт(1.7)
Значение n , определяется по формуле
(1.8)
Значение
, определяется по таблицам в зависимости от Р
и n
.
Искомое значение эффективного числа электроприемников определяется
nэ =nэ ·n . (1.9)
Коэффициент максимума Км определяется по таблицам в зависимости от nэ и Ки . Максимальная активная получасовая нагрузка от силовых электроприемников узла равна:
Рм =Км ·Рсм , кВт(1.10)
Максимальная реактивная получасовая нагрузка от силовых ЭП узла принимается равной при
nэ £10 Qм =1,1×Qсм ;
nэ >10 Qм = Qсм .
Для ЭП группы Б с практическим постоянным графиком нагрузки Км принимается равным единице и максимальная электрическая нагрузка равна средней в наиболее загруженную смену: Рсм =Рм и Qм =Qсм .
Максимальная полная нагрузка расчетного узла питания определяется по формуле
, кВА(1.11)
Таблица 1.3 - Расчет нагрузок по механическому цеху
| №№ по плану | Наименование узлов питания и групп ЭП | n | Установленная мощность, кВт | m | Ки | Cosφ/ tgφ | Средние мощности | Определение | nэ | Км | Максимальная расчетная нагрузка | Iр , А | ||||||||
| одного ЭП | Суммарная | Рсм , кВт | Qсм . квар | n1 | Рn1 | Р* | n* | nэ* | Рм , кВт | Qм , квар | Sм , кВА | |||||||||
| 1 | 2 | 3 | 4 | 5 | 6 | 7 | 8 | 9 | 10 | 11 | 12 | 13 | 14 | 15 | 16 | 17 | 18 | 19 | 20 | 21 |
| 1,2,4,5,6 | ШРА-1 группа А Прессы (4´5,5+55) |
5 |
5,5¸55 |
77 |
0,25 | 0,65/1,16 | 19,3 |
22,3 |
||||||||||||
| 39 | Плазматрон (28) | 1 | 28 | 28 | 0,35 | 0,7/1,02 | 9,8 | 9,9 | ||||||||||||
| 3 | Кран с ПВ-25% (18,3) | 1 | 18,3 | 18,3 | 0,1 | 0,5/1,73 | 1,8 | 3,1 | ||||||||||||
| ИТОГО ПО ШРА-1 | 7 | 5,5¸55 | 123,3 | > 3 | 0,25 | 30,9 | 35,3 | 5 | 2,3 | 71,1 | 38,8 | 81 | 123,2 | |||||||
| 25,27-29,31-36,40 | ШРА-2 группа А Прессы (6´11+2´22), ножницы (2´22), насос (11) |
11 |
11¸22 |
165 |
0,25 |
0,65/1,16 |
41,3 |
47,9 |
||||||||||||
| 26 | Кран с ПВ-25% (18,3) | 1 | 18,3 | 18,3 | 0,1 | 0,5/1,73 | 1,8 | 3,1 | ||||||||||||
| Итого по группе А | 12 | 11¸22 | 183,3 | < 3 | 0,23 | 43,1 | 51 | 12 | 1,6 | 68,9 | 51 | |||||||||
22,38 |
ШРА-2 группа Б Вентилятор (2´37) |
2 |
37 |
74 |
0,65 | 0,8/0,75 |
48,1 |
36,1 |
||||||||||||
| 24,30 | Электропечи (2´50) | 2 | 50 | 100 | 0,8 | 0,9/0,48 | 80 | 38,4 | ||||||||||||
| Итого по группе Б | 4 | 37¸50 | 174 | 128,1 | 74,5 | 1 | 128,1 | 74,5 | ||||||||||||
| ИТОГО ПО ШРА-2 | 16 | 357,3 | 171,2 | 125,5 | 197 | 125,5 | 233,5 | 355,3 | ||||||||||||
| 10,11,12,13,14, 19, 20,15,9 | ШР-1 группа Б Электродная ванна, вентилятор (4´22+3´12+15+37) |
9 |
12¸37 |
176 |
0,65 |
0,8/0,75 |
114,4 |
85,8 |
||||||||||||
| 7,16,17,18,21 | Электропечи (3´50+2´45) |
5 |
45¸50 |
240 |
0,8 |
0,9/0,48 |
192 |
92,1 |
||||||||||||
| ИТОГО ПО ШР-1 | 14 | 12 ¸50 | 416 | 306,4 | 177,9 | 1 | 306,4 | 177,9 | 354,3 | 538,9 | ||||||||||
ИТОГО по цеху: группа А группа Б |
19 18 |
5,5¸55 12¸50 |
306,6 590 |
0,24 |
74 434,5 |
86,3 166,6 |
11 |
1,65 1 |
122,1 434,5 |
86,3 166,6 |
||||||||||
| ЭП, присоединенные к ТП | ||||||||||||||||||||
| 8 | Конвейерная электропечь (90) | 1 | 90 | 90 | 0,8 | 0,9/0,48 | 72 | 34,5 | 72 | 34,5 | ||||||||||
| 37 | Высокочастотная установка (100) | 1 | 100 | 100 | 0,35 | 0,7/1,02 | 35 | 35,7 | 35 | 35,7 | ||||||||||
| ВСЕГО ПО ЦЕХУ | 39 | 1185,8 | 615,5 | 323,1 | 663,6 | 323,1 | 738 | 1122,7 | ||||||||||||
1.4 Расчет силовой и осветительных нагрузок завода
Расчет осветительной нагрузки при определении нагрузки предприятия производим упрощенным методом по удельной плотности осветительной нагрузки на квадратный метр производственных площадей и коэффициенту спроса.
По этому методу расчетная осветительная нагрузка принимается равной средней мощности освещения за наиболее загруженную смену и определяется по формуле:
Рpo =Кco ×Руо , кВт(1.12)
Qpo =tg j о ×Рро , квар, (1.13)
где К co - коэффициент спроса по активной мощности осветительной нагрузки;
tg j о - коэффициент реактивной мощности, определяется по cos j ;
Руо
- установленная мощность приемников освещения
по цеху, определяется по удельной осветительной нагрузке на 1 м2
поверхности пола известной производственной площади:
Руо = r о ×F , кВт(1.14)
где F - площадь производственного помещения, которая определяется по генеральному плану завода, м2 ;
r удельная расчетная мощность кВт/м2 .
Все расчетные данные заносятся в таблицу 1.4 "Расчет осветительной нагрузки".
Расчет электрических нагрузок напряжением до 1 кВ по цехам завода производим методом упорядоченных диаграмм. Отдельной строкой по каждому цеху определяем силовые и осветительные нагрузки, затем суммированием находим полную мощность цеха. Результаты расчета силовых и осветительных нагрузок по цехам сведены в таблицу 1.6 "Расчет силовой нагрузки завода по производству огнеупоров напряжением 0,4 кВ".
Таблица 1.4 - Расчет осветительной нагрузки
| № по плану | Наименование цеха | Размеры помещения, длина (м) ´ширина (м) | Площадь помещения, м2 | Удельная осветительная нагрузка r о , кВт/м2 | Коэф. спроса, К с |
Установленная мощность освещения, Р yо, кВт |
Расчетная мощность осветительной нагрузки | cos j / tg j | |
| Р ро, кВт | Q ро, квар | ||||||||
| 1 | 2 | 3 | 4 | 5 | 6 | 7 | 8 | 9 | 10 |
| 1 | Шамотный цех №1 | 63х54 | 3402 | 0,015 | 0,8 | 51,03 | 40,824 | 20,412 | 0,9/0,5 |
| 2 | Шамотный цех №2 | 135х27 | 3645 | 0,015 | 0,8 | 54,675 | 43,74 | 21,87 | 0,9/0,5 |
| 3 | Динасовый цех | 126х45 | 5670 | 0,013 | 0,8 | 73,71 | 58,968 | 29,484 | 0,9/0,5 |
| 4 | Смесительно-формовочный цех | 90х45+36х32 | 5202 | 0,02 | 0,8 | 104,04 | 83,232 | 41,616 | 0,9/0,5 |
| 5 | Цех вращающихся печей | 48,6х16,2 | 787,3 | 0,015 | 0,8 | 11,8095 | 9,4476 | 4,7238 | 0,9/0,5 |
| 6 | Компрессорная: | 45х9 | 405 | 0,01 | 0,8 | 4,05 | 3,24 | 1,62 | 0,9/0,5 |
| 7 | Цех пылеулавливания, газоочистки | 27х14,4 | 388,8 | 0,013 | 0,8 | 5,0544 | 4,04352 | 2,02176 | 0,9/0,5 |
| 8 | Цех подготовки глины | 36х16,2 | 583,2 | 0,013 | 0,8 | 7,5816 | 6,06528 | 3,03264 | 0,9/0,5 |
| 9 | Цех помола шамота | 81х30,6 | 2478,6 | 0,015 | 0,8 | 37,179 | 29,7432 | 14,8716 | 0,9/0,5 |
| 10 | Склад сырья | 45х16,2 | 729 | 0,01 | 0,65 | 7,29 | 4,7385 | 2,36925 | 0,9/0,5 |
| 11 | Механический цех | 77,4х23,4 | 1811,2 | 0,015 | 0,8 | 27,168 | 21,7344 | 10,8672 | 0,9/0,5 |
| 12 | Заготовительно-штамповочный цех | 36х18 | 648 | 0,016 | 0,8 | 10,368 | 8,2944 | 4,1472 | 0,9/0,5 |
| 13 | Лаборатория | 54х14,4 | 777,6 | 0,02 | 0,9 | 15,552 | 13,9968 | 6,9984 | 0,9/0,5 |
| 14 | Стекольный цех | 27х54 | 1458 | 0,02 | 0,85 | 29,16 | 24,786 | 12,393 | 0,9/0,5 |
| 15 | Склад готовой продукции | 34,2х21,6 | 738,7 | 0,01 | 0,7 | 7,387 | 5,1709 | 2,58545 | 0,9/0,5 |
| 16 | Заводоуправление, столовая | 126х32,4 | 4082,4 | 0,02 | 0,9 | 81,648 | 73,4832 | 36,7416 | 0,9/0,5 |
| 17 | Цех туннельных печей | 144х32,4 | 4665,6 | 0,015 | 0,8 | 69,984 | 55,9872 | 27,9936 | 0,9/0,5 |
| 18 | Территория | 57928 | 0,002 | 1 | 115,856 | 115,856 | 57,928 | 0,9/0,5 | |
| Итого | 603,351 | 301,6755 | |||||||
1.4.1 Картограмма электрических нагрузок завода
Картограмма электрических нагрузок представляет собой графическое измерение электрических нагрузок по цехам. Она отображается на генплане в виде кругов в масштабе отображенных электрических нагрузок. В центре этих окружностей совпадают с центрами электрических нагрузок цехов.
В зависимости от структуры энергопотребления, картограмма может быть нанесена на генплан отдельно для активной и реактивной мощности, и отдельно для низковольтной и высоковольтной нагрузки.
Низковольтная нагрузка должна наглядно показывать долю осветительной нагрузки цеха, в котором изображается в виде сектора круга соответствующего цеха.
Площадь окружности в выбранном масштабе
P см = π r 2 ×m; (1.15)
r
=
/π
×m
; (1.16)
m = P см /π × r 2 ( 1.17)
где m - это масштаб для определения площади круга, который выбирается проектировщиками в зависимости от масштаба генплана и величины нагрузок предприятия.
Для изображения электрических нагрузок каждого цеха на картограмме в виде сектора круга необходимо определить угол сектора
α = P Р осв / P см ×360(1.18)
Таблица 1.5 - Картограмма электрических нагрузок завода
| № п/п | Наименование здания, сооружения | Рр сумм. | Рр осв. |
Угол | Масш. | Радиус |
| 1 | Шамотный цех №1 | 438,4 | 40,8 | 33,50365 | 8,64 | 4,019885 |
| 2 | Шамотный цех №2 | 680 | 43,7 | 23,13529 | 8,64 | 5,006483 |
| 3 | Динасовый цех | 990 | 58,97 | 21,44364 | 8,64 | 6,04082 |
| 4 | Смесительно-формовочный цех | 924 | 83,2 | 32,41558 | 8,64 | 5,835987 |
| 5 | Цех вращающихся печей | 390 | 9,45 | 8,723077 | 8,64 | 3,791496 |
| 6 | Компрессорная | 120 | 3,2 | 9,6 | 8,64 | 2,103144 |
| 7 | Цех пылеулавливания, газоочис. | 165 | 4,04 | 8,814545 | 8,64 | 2,466154 |
| 8 | Цех подготовки глины | 312,8 | 6,1 | 7,02046 | 8,64 | 3,395562 |
| 9 | Цех помола шамота | 924 | 29,7 | 11,57143 | 8,64 | 5,835987 |
| 10 | Склад сырья | 48 | 4,74 | 35,55 | 8,64 | 1,330145 |
| 11 | Механичекий цех | 135,42 | 21,73 | 57,76695 | 8,64 | 2,234188 |
| 12 | Заготовительно-штам. цех | 146,6 | 8,3 | 20,38199 | 8,64 | 2,324584 |
| 13 | Лаборатория | 132,75 | 13,995 | 37,95254 | 8,64 | 2,212053 |
| 14 | Стекольный цех | 484,5 | 24,8 | 18,42724 | 8,64 | 4,225958 |
| 15 | Склад готовой продукции | 21,6 | 5,173 | 86,21667 | 8,64 | 0,892288 |
| 16 | Заводоуправление | 297,36 | 73,485 | 88,96489 | 8,64 | 3,310698 |
| 17 | Цех туннельных печей | 888 | 55,984 | 22,69622 | 8,64 | 5,721169 |
Таблица 1.6 - Расчет силовых нагрузок завода напряжением U = 0,4кВ
| № цехов | Наименование цехов | Кол-во ЭП, n |
Установленная мощность, кВт | m | K и | cos j /tg j | Средние нагрузки | n э | K м | Расчетные нагрузки | ||||
| Р нmin ¸Р н max | P н | P см , кВт | Q см , квар | Pp , кВт | Q p , квар | |||||||||
| 1 | 2 | 3 | 4 | 5 | 6 | 7 | 8 | 9 | 10 | 11 | 12 | 13 | 14 | |
| 1 | Шамотный цех №1 | |||||||||||||
| а) силовая | 50 | 1-30 | 970 | >3 | 0,4 | 0,7/1 | 388 | 388 | 50 | 1,13 | 438,4 | 388 | ||
| б) осветительная | 40,8 | 20,4 | 1 | 40,8 | 20,4 | |||||||||
| Итого | 583,2 | 500,4 | ||||||||||||
| 2 | Шамотный цех №2 | |||||||||||||
| а) силовая | 60 | 1-40 | 1520 | >3 | 0,4 | 0,7/1 | 608 | 608 | 60 | 1,12 | 680 | 608 | ||
| б) осветительная | 43,7 | 21,85 | 1 | 43,7 | 21,85 | |||||||||
| Итого | 723,7 | 629,85 | ||||||||||||
| 3 | Динасовый цех | |||||||||||||
| а) силовая | 70 | 1-50 | 1800 | >3 | 0,5 | 0,75/0,88 | 900 | 792 | 70 | 1,1 | 990 | 792 | ||
| б) осветительная | 58,97 | 29,49 | 1 | 58,97 | 29,49 | |||||||||
| Итого | 1048,97 | 821,49 | ||||||||||||
| 4 | Смесительно-формовочный цех | |||||||||||||
| а) силовая | 70 | 1-50 | 2100 | >3 | 0,4 | 0,7/1 | 840 | 840 | 70 | 1,06 | 924 | 840 | ||
| б) осветительная | 83,2 | 41,6 | 1 | 83,2 | 41,6 | |||||||||
| Итого | 1007,2 | 881,6 | ||||||||||||
| 5 | Цех вращающихся печей | |||||||||||||
| а) силовая | 10 | 10-100 | 650 | >3 | 0,6 | 0,88/0,54 | 390 | 210,6 | 10 | 1,2 | 390 | 210,6 | ||
| б) осветительная | 9,45 | 4,73 | 1 | 9,45 | 4,73 | |||||||||
| Итого | 399,45 | 215,33 | ||||||||||||
| 6 | Компрессорная: | |||||||||||||
| а) силовая | 10 | 10-20 | 120 | <3 | 0,6 | 0,85/0,6 | 72 | 43,2 | 10 | 1,2 | 120 | 90 | ||
| б) осветительная | 3,2 | 1,6 | 1 | 3,2 | 1,6 | |||||||||
| Итого | 123,2 | 91,6 | ||||||||||||
| 7 | Цех пылеулавливания газоочистки |
|||||||||||||
| а) силовая | 25 | 1-20 | 360 | >3 | 0,46 | 0,7/1 | 165 | 165 | 25 | 1 | 165 | 165 | ||
| б) осветительная | 4,04 | 2,02 | 1 | 4,04 | 2,02 | |||||||||
| Итого | 169,04 | 167,02 | ||||||||||||
| 8 | Цех подготовки глины | |||||||||||||
| а) силовая | 40 | 1-28 | 680 | >3 | 0,4 | 0,75/0,88 | 272 | 239,36 | 40 | 1,15 | 312,8 | 239,6 | ||
| б) осветительная | 6,1 | 3,03 | 1 | 6,1 | 3,03 | |||||||||
| Итого | 318,9 | 242,63 | ||||||||||||
| 9 | Цех помола шамота | |||||||||||||
| а) силовая | 50 | 20-50 | 1500 | <3 | 0,55 | 0,8/0,75 | 825 | 618,75 | 50 | 1,12 | 924 | 618 | ||
| б) осветительная | 29,7 | 14,85 | 1 | 29,7 | 14,85 | |||||||||
| Итого | 953,7 | 633,6 | ||||||||||||
| 10 | Склад сырья | |||||||||||||
| а) силовая | 15 | 5-20 | 120 | >3 | 0,25 | 0,6/1,3 | 30 | 39 | 12 | 1,6 | 48 | 39 | ||
| б) осветительная | 4,74 | 2,37 | 1 | 4,74 | 2,37 | |||||||||
| Итого | 52,74 | 41,37 | ||||||||||||
| 11 | Механический цех | |||||||||||||
| а) силовая | 40 | 1-25 | 570 | >3 | 0,2 | 0,65/1,2 | 111 | 133,2 | 32 | 1,22 | 135,42 | 133,2 | ||
| б) осветительная | 21,736 | 10,868 | 1 | 21,736 | 10,868 | |||||||||
| Итого | 157,156 | 144,068 | ||||||||||||
| 12 | Заготовительно-штамповочный цех | |||||||||||||
| а) силовая | 35 | 5-70 | 400 | >3 | 0,2 | 0,6/1,3 | 80 | 104 | 11 | 1,82 | 146,6 | 104 | ||
| б) осветительная | 8,296 | 4,148 | 1 | 8,296 | 4,148 | |||||||||
| Итого | 153,896 | 108,148 | ||||||||||||
| 13 | Лаборатория | |||||||||||||
| а) силовая | 20 | 1-20 | 250 | >3 | 0,45 | 0,75/0,88 | 112,5 | 99 | 20 | 1,18 | 132,75 | 99 | ||
| б) осветительная | 13,995 | 6,998 | 1 | 13,995 | 6,998 | |||||||||
| Итого | 146,745 | 105,998 | ||||||||||||
| 14 | Стекольный цех | |||||||||||||
| а) силовая | 40 | 1-40 | 850 | >3 | 0,5 | 0,75/0,88 | 425 | 374 | 40 | 1,14 | 484,5 | 374 | ||
| б) осветительная | 24,8 | 12,4 | 1 | 24,8 | 12,4 | |||||||||
| Итого | 509,3 | 396,4 | ||||||||||||
| 15 | Склад готовой продукции | |||||||||||||
| а) силовая | 10 | 1-10 | 60 | >3 | 0,2 | 0,5/1,73 | 12 | 20,76 | 10 | 1,8 | 21,6 | 20,76 | ||
| б) осветительная | 5,173 | 2,587 | 1 | 5,173 | 2,587 | |||||||||
| Итого | 26,773 | 23,347 | ||||||||||||
| 16 | Заводоуправление, столовая | |||||||||||||
| а) силовая | 50 | 1,1-40 | 560 | >3 | 0,45 | 0,75/0,88 | 252 | 221,76 | 28 | 1,18 | 297,36 | 221,76 | ||
| б) осветительная | 73,485 | 36,74 | 1 | 73,485 | 36,74 | |||||||||
| Итого | 370,845 | 258,5 | ||||||||||||
| 17 | Цех туннельных печей | |||||||||||||
| а) силовая | 40 | 10-50 | 1480 | >3 | 0,6 | 0,9/0,48 | 888 | 426,24 | 45 | 1 | 888 | 426,24 | ||
| б) осветительная | 55,984 | 27,93 | 1 | 55,984 | 27,93 | |||||||||
| Итого | 943,984 | 454,2 | ||||||||||||
| 18 | Освещение территории | 115,86 | 57,93 | 1 | 115,86 | 57,93 | ||||||||
| Итого на шинах U=0.4kB | 7805,659 | 5801,411 | ||||||||||||
1.5 Компенсация реактивной мощности и выбор числа цеховых трансформаторов
Правильное определение числа и мощности цеховых трансформаторов, возможно только путем технико-экономических расчетов, с учетом следующих факторов: категории надежности электроснабжения потребителей, компенсации реактивных нагрузок на напряжении до 1кВ, перегрузочной способности трансформаторов в нормальном и аварийном режимах; шага стандартных мощностей; экономичных режимов работы трансформаторов в зависимости от графика нагрузки.
Данные для расчета:
Рp0,4 = 7805кВт;
Qp0,4 = 5801 кВар;
Sp0,4 = 9725 кВА.
Завод по производству огнеупоров относится ко II категории потребителей, завод работает в две смены, следовательно, коэффициент загрузки трансформаторов Кзтр =0,8. Принимаем трансформатор мощностью Sнт =1000 кВА.
Для каждой технологически концентрированной группы цеховых трансформаторов одинаковой мощности минимальное их число, необходимое для питания наибольшей расчетной активной нагрузки, рассчитывается по формуле
(1.19)
где Р р 0,4 - суммарная расчетная активная нагрузка;
Кз - коэффициент загрузки трансформатора;
Sнт - принятая номинальная мощность трансформатора;
DN - добавка до ближайшего целого числа.
Экономически целесообразное число трансформаторов определяется по формуле
N т. э = N min + m , (1.20)
где m - дополнительное число трансформаторов;
N т. э - определяется удельными затратами на передачу реактивной мощности с учетом постоянных составляющих капитальных затрат З * п/ст .
З * п/ст = 0,5; Кз = 0,8; N min = 11; DN = 0,24. (1.21)
Тогда из справочника по кривым определяем m , для нашего случая m =1, значит N т. э = 10+1=11 трансформаторов.
По выбранному числу трансформаторов определяют наибольшую реактивную мощность Q 1 , которую целесообразно передать через трансформаторы в сеть напряжением до 1 кВ, по формуле:
(1.22)

Рисунок 1.1
Из условия баланса реактивной мощности на шинах 0,4 кВ определим величину Qнбк 1
Qнбк 1 +Q1 =Qр 0,4, (1.23)
то
Qнбк 1 = Qр 0,4 - Q1 =5801 - 4064,7= 1736 кВар (1.24)
Дополнительная мощность Qнбк2 НБК для данной группы трансформаторов определяется по формуле
Qнбк 2 =Qр 0,4 - Qнбк 1 - ×Nт э ×Sнт
Принимаем Qнбк2 =0.
Определим мощность одной батареи конденсаторов, приходящуюся на каждый трансформатор
(1.25)
Выбираем конденсатор УКЛН-0,38-200-50УЗ.
На основании расчетов, составляется таблица 1.7 - Распределение нагрузок цехов по ТП, в которой показано распределение низковольтной нагрузки по цеховым ТП.
Таблица 1.7 - Распределение низковольтной нагрузки по цеховым ТП
№ТП, Sн тп , Qнбк тп |
№ цеха | Рр0,4 , кВт | Qр0,4 , кВар | Sр0,4 , кВА | Кз ' |
| 1 | 2 | 3 | 4 | 5 | 6 |
ТП 1 (2х1000) ТП 2 (2х1000) ΣSн = 4 х1000=4000 кВА Qнбк = 4 х 200=800 кВар итого |
1 2 3 5 |
583,2 724,7 1048,97 399,45 |
500,4 629,85 821,45 215,5 |
||
| 2756,3 | 2167,2 800 |
||||
| 2756,3 | 1367,2 | 3077 | 0,77 | ||
ТП 3 (2х1000) ТП 4 (2х1000) ΣSн =4х1000=4000 кВА Qнбк = 4х200=800 кВар итого |
4 6 7 8 9 10 11 |
1007 123,2 169,04 318,3 953,3 52,74 157,156 |
881,6 91,6 167,02 242,6 633,6 41,37 144,068 |
||
| 2780,9 | 2197,1 800 |
||||
| 2780,9 | 1397,1 | 3112 | 0,78 | ||
ТП 5 (1х1000) ТП 6 (2х1000) ΣSн =3х1000=3000 кВА Qнбк =3х200=600 кВар итого |
12 13 14 15 16 17 осв. тер |
153,89 146,74 509,8 26,773 370,8445 943,984 115,86 |
108,15 105,99 396,4 23,347 258,5 454,2 57,93 |
||
| 2377,5 | 1474,4 600 |
||||
| 2377,5 | 874,4 | 2533 | 0,8 |
1.6 Определение потерь в цеховых трансформаторах
Выбираем трансформаторы ТМЗ-1000-10/0,4
Uв =10 кB, Uн =0,4 кB, DPхх =2,1 кВт, DPкз =11,6кВт, I хх =1,4%, Uкз =5,5%(1.26)
1) для ТП1, ТП2: (Кз =0,77; N =4)
DРт = DРхх +Кз 2 ×DРкз , кВт(1.27)
DРт = (2,1+11,6×0,772 ) ×4 = 35,9 кВт
DQт = 0,01× (DIхх ×Sн +Кз 2 ×Uкз ×Sн ), кВар
DQт = 0,01× (1,4×1000+5,5×1000×0,772 ) ×4 = 186,4 кВар
2) для ТП3, ТП4: (Кз =0,78; N =4)
DРт = (2,1+11,6×0,782 ) ×4 = 36,6 кВт
DQт = 0,01× (1,4×1000+5,5×1000×0,782 ) ×4 = 189,8 кВар
3) для ТП5, ТП6: Кз=0,8; N=3
DРт = (2,1+11,6×0,82 ) ×3 = 28,6 кВт
DQт = 0,01× (1,4×1000+5,5×1000×0,82 ) ×3 = 147,6 кВар
Суммарные потери в трансформаторах:
ΣР 1-11 =35,9 +36,6 +28,6 = 101,1 кВт
ΣQ 1-11 =186,4 +189,8 + 147,6 = 523,9 кВар
Результаты сведем в таблицу 1.8
Таблица 1.8
| № ТП | D Р, кВт | D Q, кВар |
| ТП1, ТП2 | 35,9 | 186,4 |
| ТП3, ТП4 | 36,6 | 189,8 |
| ТП5, ТП6 | 28,6 | 147,6 |
| Итого S | 101,1 | 523,9 |
1.7 Расчет нагрузки синхронных двигателей
Исходные данные:
Рн СД =630 кВт; cos j = 0,9 tg j = 0,48;
NСД = 10; к з = = 0,85.(1.28)
Определим расчетные активные и реактивные мощности для СД:
Р р СД = Р н СД ×NСД ×к з , кВт;(1.29)
Р р СД =630 × 10 × 0,85 = 5355 кВт;
Q р СД = Р р СД ×tg j , кВар;
Q р СД = 5355× 0,48 = 2570,4 кВар
1.8 Выбор высоковольтной батареи конденсаторов

Рисунок 1.2
Составим схему замещения, показанную на рисунке 1.2
Определим неизвестные компоненты.
Резервная мощность Qрез необходима для послеаварийного режима (10-15% берется из энергосистемы).
Она не используется постоянно, только в критических случаях.
Qрез =0,1 ×ΣQрасч , кВар; (1.30)
Qрез =0,1× (Qр0,4 +ΔQт ) =0,1×6324,9=632,4 кВар. (1.31)
Мощность, поступающая от энергосистемы:
Qэ =0,23 ×ΣPр =0,23 × (Pр0,4 +ΔPт +Pсд )
Qэ =0,23 × (7805+101,1+5355) =3050 кВар. (1.32)
Теперь, зная величины всех реактивных мощностей можем составить баланс реактивной мощности:
QВБК =Qр0,4 +ΔQт +Qрез -Qэ - Qсд = 5801+523,9-632,4-3050-2570,4= 72,1 кВар
Так как QВБК < 200, то ВБК не выбираем.
Уточненный расчет электрических нагрузок по заводу приведен в таблице 1.9
Таблица 1.9 - Уточненный расчет нагрузок по заводу
| №РП, Sнт , QНБК | № цеха | n | Pn min - Pn max | SPн | Ки | Ср. мощность | nэ | Kм | Расчетные мощности | Kз | |||||||
| Рсм , кВт | Qcм , квар | Рр , кВт | Qр , квар | Sp , кВА | |||||||||||||
| 1 | 2 | 3 | 4 | 5 | 6 | 7 | 8 | 9 | 10 | 11 | 12 | 13 | 14 | ||||
ТП 1 (2х1000) ТП 2 (2х1000) Силовая Освещение Qнбк Итого |
1 2 3 5 |
50 60 70 10 |
1-30 1-40 1-50 10-100 |
970 1520 1800 650 |
388 608 900 390 |
388 608 792 210,6 |
|||||||||||
| 190 | 1-100 | 4940 | 0,48 | 2286 | 1998,6 | 99 | 1,1 | 2514 152,92 |
2198,4 229,39 800 |
||||||||
| 2666,92 | 1627,79 | 3124 | 0,78 | ||||||||||||||
ТП 3 (2х1000) ТП 4 (2х1000) Силовая Освещение Qнбк Итого |
4 6 7 8 9 10 11 |
70 10 25 40 50 15 40 |
1-50 10-20 1-20 1-28 20-50 5-20 1-25 |
2100 120 360 680 1500 120 370 |
840 72 165 272 825 30 111 |
840 43,2 165 239,6 618,75 39 133,2 |
|||||||||||
| 250 | 1-50 | 5250 | 0,58 | 2315 | 2078,7 | 210 | 1,1 | 2546,5 152,7 |
2286,6 76,33 800 |
||||||||
| 2699,2 | 1562,93 | 3119 | 0,77 | ||||||||||||||
ТП 5 (1х1000) ТП 6 (2х1000) Силовая Освещение Осв. тер Qнбк Итого |
12 13 14 15 16 17 |
35 20 40 10 50 40 |
5-70 1-20 1-40 1-10 1,1-40 10-50 |
400 250 850 60 560 1480 |
80 112,5 425 12 252 888 |
104 99 374 20,76 221,76 426,24 |
|||||||||||
| 195 | 1-70 | 3600 | 0,37 | 1769,5 | 1245,8 | 103 | 1,1 | 1946,45 181,733 115,86 |
1370,4 90,803 57,93 600 |
||||||||
| 2244 | 919,1 | 2424,9 | 0,8 | ||||||||||||||
| Итого на шинах 0,4кВ | 7610,1 | 4109,8 | 8648,9 | ||||||||||||||
| Потери в трансф. - х | 101,1 | 523,9 | |||||||||||||||
| Итого нагр.0,4кВ привед. к шинам 10кВ | 7711,22 | 4633,7 | |||||||||||||||
Синхронные двигатели: СД1 |
6 | 10 | 630 | 1260 | 5355 | -2570 | |||||||||||
| Всего по заводу | 13066,2 | 7203,7 | 14920,4 | ||||||||||||||
![]() |
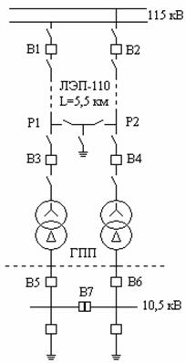
1.9 Технико-экономический расчет вариантов внешнего электроснабжения
Рисунок 1.3 - Схема подстанции энергосистемы
Питание может быть осуществлено от подстанции энергосистемы, на которой установлены два параллельно работающих трансформатора мощностью по 40 МВА, напряжением 115/37/10,5 кВ. Мощность системы 650 МВА, мощность короткого замыкания на шинах 115 кВ равна 880 МВА. Расстояние от подстанции энергосистемы до завода 5,5 км. Завод работает в две смены. Стоимость электроэнергии С = 6,4 тг/кВтч.
Для технико-экономического сравнения вариантов электроснабжения завода рассмотрим три варианта представленных на рисунке 1.3:

Рисунок 1.4 - Первый вариант схемы внешнего электроснабжения
Выбираем электрооборудование по первому варианту.
1. Выбираем трансформаторы ГПП:
От энергосистемы идет полностью активная мощность Р и часть реактивной мощности Qэ :
(1.33)
Примем два трансформатора мощностью 10000 кВА.
Коэффициент загрузки:
(1.34)
Коэффициент загрузки 2-х трансформаторной подстанции II категории должен быть не более Кз = 0,85, следовательно примем трансформаторы типа ТДН-10000/110.
Паспортные данные трансформатора: тип трансформатора ТДН-10000/110, Sн =10000 кВА, Uвн =115кВ, Uнн =11 кВ, DРхх =14кВт, DРкз =58кВт, uкз =10,5%, Iхх =0,9%
Потери мощности в трансформаторах:
активной:
кВт(1.35)
реактивной:
DQТГПП =0,02× (Iхх ×Sн +Uкз ×Sн ×Кз 2 ) (1.36)
DQТГПП = 0,02× (0,9 × 10000 + 10,5 × 10000 × 0,672 ) = 1123 кВт.
Потери энергии в трансформаторах.При двухсменном режиме работы:
Твкл =4000ч. Тмакс =4000ч.,(1.37)
тогда время максимальных потерь:
(1.38)
Потери электроэнергии в трансформаторах ГПП:
ΔW =2× (ΔPхх ×Tвкл +ΔPкз ×τ ×Kз 2 )
ΔW =2 × (14 × 4000 + 58 × 2405 × 0,672 ) =237541 кВт·ч
2. ЛЭП-110 кВ
Полная мощность, проходящая по ЛЭП:
(1.39)
Расчетный ток, проходящий по одной линии
(1.40)
Ток аварийного режима:
Iа =2×Iр =2×33,9=67,8 А(1.41)
Выбор сечения ЛЭП:
1) по экономической плотности тока
(1.42)
где Iр =33,9 А расчетный ток линии;
j =1,1 А/мм2 экономическая плотность тока для Казахстана;
2) по условию потерь на "корону" для напряжения 110кВ минимальное сечение провода F =70 мм2 и допустимый ток для провода АС -70, Iдоп =265А;
3) проверим выбранные провода по допустимому нагреву, при расчетном токе Iдоп =265А>Iр =33,9 А;
4) проверяем выбранные провода режиме перегрузки: коэффициент перегрузки Кп =1,3; следовательно допустимый аварийный ток равен:
I доп ав =1,3×I доп =1,3×265=344,5 A>I ав =67,8 A(1.43)
(1.44)
Определим потери электроэнергии в ЛЭП:
,(1.45)
где R =r0 ×L =5,5×0,46=2,53 Ом,
r0 =0,46 Ом/км - удельное сопротивление сталеалюминевого провода сечением 70 мм2 , L =5,5 км - длина линии.
Выбор коммутационной аппаратуры на напряжение U =110 кВ.
Перед выбором аппаратов составим схему замещения (рисунок 1.5) и рассчитаем ток короткого замыкания в относительных единицах.

Рисунок 1.5
Расчет Iкз ( в о. е).
Sб =1000 МВА; Sкз =880МВА; Uб =115кВ. (1.46)
хс = Sб / Sкз = 1000/880=1,14 о. е., (1.47)
(
1.48)
(1.50)
(1.49)
1) Выключатели В1, В2, В3, В4.
Выбираем выключатель МКП-110Б-630-20У1
| Каталожные данные выключателя | Расчетные данные | |
| В1, В2 | В3, В4 | |
Iном =630 А Iоткл =20 кА Iпред = 64 кА Iтерм = 25 кА
Цена= 20,130 тыс. у. е |
>Iав =67,8 А >Ik1 =4,4кА >iy =11,2кА; >Ik1 =4,4 кА >Sкз1 =875,4 кА |
>Iав =67,8 А >Ik2 =3,93кА >iy =9,97кА; >Ik2 =3,93 кА >Sкз2 =781,9 кА |
2) Разъединитель
Принимаем разъединитель РНДЗ-110/1000У1
Iном =1000А >Iав =67,8 А; Iпред = 80 кА> iy = 9,97кА;
Iтерм = 31,5кА> Ik =3,93 кА;
Цена= 7,435 тыс. у. е
3) Ограничители перенапряжения ОПН
Выбираем ОПНн-110-420-77-10 УХЛ1.
Расчет затрат по первому варианту схемы электроснабжения. Затраты на выключатели В1, В2, В3, В4:
КВ1, В2, В3, В4 = N·КВ , (1.51)
где N - количество выключателей; КВ - стоимость выключателя.
КВ1, В2, В3, В4 = 4×20,130= 80,520 тыс. у.е.
Затраты на ЛЭП на двухцепной железобетонной опоре:
КЛЭП = L ×Куд ,.(1.52)
где L - длина линии;
Куд = 25,500 у. е. /км, стоимость 1 км ЛЭП.
КЛЭП =5,5×25,500=140,250 тыс. у. е.
Затраты на тр ГПП:
Ктр ГПП = N ·Ктр , (1.53)
где N - число трансформаторов;
Ктр - стоимость трансформатора.
Ктр ГПП =2×48=96 тыс. у. е.
Затраты на разъединители:
Краз = N ·Краз , (1.54)
где N - количество разъединителей; Краз - стоимость разъединителя.
Краз =11×7,435= 81,875 тыс. у. е.(1.55)
Затраты на ОПН:
Копн = N ·Копн ,
где N - количество ОПН; Копн - стоимость ОПН.
Копн =2×1,8= 3,6 тыс. у. е.(1.56)
Суммарные затраты на оборудование первого варианта:
К Σ1 =КВЫК +КЛЭП +Кразъед +Копн +Кт гпп
К Σ1 =80,52+140,25+81,78+3,6+96 = 402,15 тыс. у. е. .
Определим издержки. Издержки на эксплуатацию ЛЭП:
Иэкс ЛЭП =0,028×КЛЭП =0,028×140,25=3,93 тыс. у. е. (1.57)
Издержки на эксплуатацию оборудования:
Иэкс об =0,03×Коб =0,03×261,9=7,86 тыс. у.е. (1.58)
где Коб -суммарные затраты без стоимости ЛЭП.
Амортизационные издержки на ЛЭП:
Иа ЛЭП =0,028×КЛЭП =0,028×140,25=3,93 тыс. у. е. (1.59)
Амортизационные издержки на оборудование:
Иа об =0,063×Коб =0,063×261,9=16,5 тыс. у. е. (1.60)
Стоимость потерь электроэнергии
Ипот =Сo × (Wтргпп + Wлэп ) =0,05× (237541 +41955) =13,974 тыс. у. е., (1.61)
где Сo
=
= 0,05 y. e. /кВт×ч(1.62)
Суммарные издержки:
И Σ1 =Иа +Ипот +Иэ ,
И Σ1 =3,93+16,5+13,97+3,93+7,86=46,2 тыс. у. е.(1.63)
Приведенные суммарные затраты:
ЗI =0,12×К Σ1 + И Σ1 =0,12×402,15+46,2= 94,5 тыс. у. е.
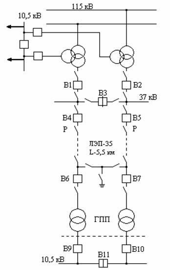
Второй вариант

Рисунок 1.6 - Второй вариант схемы внешнего электроснабжения.
Выбираем электрооборудование по II варианту
1. Выберем трансформаторы ГПП.
Выбираем два трансформатора мощностью 10000 кВА.
Коэффициент загрузки Кз = 0,67.
Паспортные данные трансформатора: тип трансформаторара ТДНС-10000/35, номинальная мощность Sн =10000 кВА, Uвн =35кВ, Uнн =10,5 кВ,
DРхх =12кВт, DРкз =60кВт, uкз =8%, Iхх =0,75%
Потери мощности в трансформаторах:
Активной
![]()
Реактивной
ΔQ
т
=![]()
![]()
Потери энергии в трансформаторах. При двухсменном режиме работы Твкл =4000 ч. Тмакс =4000 ч., тогда время максимальных потерь: τ =2405 ч. Потери электроэнергии в трансформаторах:
ΔW =2 × (ΔP х х ×T вкл +τ ×ΔP кз × (Кз ) 2 = 2× (12×4000+60×2405×0,67 2 ) =225870 кВт×ч.
2. ЛЭП-35кВ. Полная мощность, проходящая по ЛЭП
=![]()
![]()
Расчетный ток, проходящий по одной линии
Iр
=![]()
Ток аварийного режима
Iав =2×Iр =2×106,1=212,2 А
Выбор сечения ЛЭП
1) по экономической плотности тока
мм2,
где Iр =106,1 А расчетный ток линии,
j - экономическая плотность тока;
j =1,1 А/мм2 при Тм =3000-5000 ч и алюминиевых проводах.
Принимаем по экономической плотности тока провод АС -70, Iдоп =265А.
2) проверим выбранные провода по допустимому нагреву:
при расчетном токе
Iдоп =265А>Iр =106,1 А
3) коэффициент перегрузки Кп =1,3 при аварийном токе
I доп ав =1,3×I доп =1,3×265=345 A>I ав =212,2 A
Определим потери электроэнергии в ЛЭП-35:
ΔWЛЭП
=
=
,
где R = r 0 ×l , где r 0 =0,46 Ом/км удельное сопротивление сталеалюминевого провода сечением 70 мм2 ; l =5,5 - км длина линии.
Трансформатор энергосистемы. На подстанции энергосистемы расположены два трехобмоточных трансформатора ТДТН - 40000/110/37/10,5.
Паспортные данные: тип трансформатора ТДТН-40000/110, номинальная мощность
Sн =40000 кВА, Uвн =115кВ, Uсн =38,5кВ, Uнн =11 кВ,
DРхх =39кВт, DРкз =200кВт, uкз =10,5%, Iхх =0,6%(1.64)
Коэффициент долевого участия завода мощности трансформатора системы
γ
=![]()
Долевым участием в потерях D Р и D Q пренебрегаем. Потери электроэнергии в трансформаторах энергосистемы
ΔW =2× (ΔP хх ×T вкл +τ ×ΔP кз × (Кз ) 2 = 2× (39×4000+200×2405×0,17 2 ) =339802 кВт×ч
Выбор коммутационной аппаратуры на напряжение U = 35 кВ.
Расчет токов КЗ проведем в относительных единицах. Схема замещения представлена на рисунке 1.7. В качестве базисных величин принимаем мощность Sб =1000 МВА и напряжение Uб =37 кВ, Sкз =880 MBA, тогда базисный ток будет:
![]()
Сопротивление системы
![]()
Сопротивление трансформатора
=
о. е.
Сопротивление ЛЭП
о. е.
![]()
SК-1
=
Uб
IК-1
=
×
37
×
6,4=409,7 кВА;
iУ1
=
×
КУ
×
IК-1
=
×
1,8
×
6,4=16,3 кА
![]()
SК-2
=
Uб
IК-1
=
×37
×4,2 = 268,8 кВА;
iУ2
=
×КУ
×IК-1
=
×1,8
×4,2 = 10,7Ка

Рисунок 1.7
1) Выключатели В1, В2
Выключатели выбираем по аварийному току трансформаторов системы.
Принимаем, что мощность передаваемая через трансформатор по двум вторичным обмоткам трансформаторов распределена поровну (по 50%), поэтому:
Sав тр сист =2×20=40 МВА
Iав =Sав /1,73×U н=40×1000/1,73×37=624,9 А,
Ip =Iав /2=312,45 А
Выбираем выключатели типа МКП-35-630-20У1.
Проверка выбранных выключателей:
| Паспортные данные | Расчетные данные |
U н =35 кВ I н =630 А I отк =10 кА Sкз =640,9 МВА Цена=12150 у. е |
U р =35 кВ I АВ =624,9 А I кз = 6,4 кА SК -1 =410 МВА |
Коэффициент долевого участия завода в стоимости выключателей В1 и В2:
2=![]()
2) Секционный выключатель В3:
IВ3 = IАВ /2 =312,45 кА
Принимаем выключатель МКП-35-630-20У1.
Проверка выбранного выключателя:
| Паспортные данные | Расчетные данные |
U н =35 кВ I н =630 А I отк =10 кА Sкз = 640,9 МВА Цена=12150 у. е |
U р =35 кВ I АВ =312,45 А I кз = 6,4 кА SК -1 = 410 МВА |
Коэффициент долевого участия завода в стоимости выключателя В3:
3=![]()
3) Выключатели В4, В5, В6, В7: I ав ЛЭП =212,2 А
Принимаем выключатель МКП-35-630-20У1.
Проверка выбранного выключателя:
| Паспортные данные | Расчетные данные |
U н =35 кВ I н =630 А I отк =10 кА Sкз = 640,9 МВА Цена=12150 у. е |
U р =35 кВ I АВ = 212,2 А I кз = 4,2 кА SК -1 = 268 МВА |
4) Разъединитель
Принимаем разъединитель типа РНДЗ.1-35/1000 У1.
| Паспортные данные | Расчетные данные |
Uн =35 кВ Iн =1000 А Iпред сквозн дин =63 кА Iпред. терм. стойк . =25 кA Цена=3500 у. е |
Uр = 35 кВ IАВ =212,2 А I У = 10,7 кА Iк. = 4,2 кA |
5) Ограничители перенапряжения. Выбираем ОПНп-35/400/40,5-10 УХЛ1
Расчет затрат по второму варианту схемы электроснабжения. Суммарные затраты на оборудование второго варианта:
К Σ2 = γ КВ1, В2 + γ КВ3 +КВ4, В5, В6, В7 +КЛЭП +Копн +Краз + γ Ктр-ра +Кт гпп , тыс. у. е.
Затраты на выключатели В1 и В2:
КВ1, В2 =2×γ ×Кв =2×0,33×12,15=8,02 тыс у. е.
Затраты на выключатель В3:
КВ3 =γ ×Кв =0,16×12,15=1,94 тыс у. е.
Затраты на выключатели В4, В5:
КВ4, В5, В6, В7 =4×Кв =4×12,15=48,6 тыс у. е.
Затраты на ЛЭП:
Куд = 27,3 тыс. у. е. /км, КЛЭП = l×Куд = 5,5×27,3 = 150,2 тыс у. е.
Затраты на трансформаторы подстанции энергосистемы:
Кат = 2×γ ×Ктр = 2×0,16×94,4=30,2 тыс у. е.
Затраты на трансформаторы ГПП:
Кт гпп = 2×43 = 86 тыс у. е.
Затраты на ОПН:
Копн = 2×0,5 = 1 тыс у. е.
Затраты на разъединители:
Краз 1-4 = 4×γ × Краз = 4×0,21×3,5 = 2,94 тыс у. е.
Краз 5-6 = 2×γ × Краз = 2×0,11×3,5 = 0,77 тыс у. е.
Краз = 11×3,5= 38,5 тыс у. е.
S Краз = 2,94+0,77+38,5 = 42,2 тыс у. е.
Суммарные затраты:
К Σ2 =8,02+1,94+48,6+150,2+1+42,2+30,2+86 = 368,2 тыс. у. е.
Суммарные издержки на оборудований второго варианта
SИ 2 =Иа +Ипотери +Иэ , тыс. у. е.
Издержки на эксплуатацию ЛЭП:
Иэкс ЛЭП =0,028×КЛЭП =0,028×150,2 = 4,2 тыс у. е.
Амортизация ЛЭП:
Иа ЛЭП =0,028×КЛЭП =0,028×150,2 = 4,2 тыс у. е.
Издержки на эксплуатацию оборудования:
Иэкс об =0,03×Коб =0,03×235,3= 7,06 тыс у. е.,
где Коб -суммарные затраты без стоимости ЛЭП.
Амортизация оборудования:
Иа об =0,063×Коб =0,063×235,3=14,8 тыс у. е.
Стоимость потерь:
Ипот =Сo × (Wтргпп+ Wлэп + Wтр. эн. системы ) = = 0,05× (225870+339802+410977) =48,832 тыс. у. е.
Суммарные издержки:
И Σ2 =4,2+14,8+4,2+7,06+48,8 =79,1 тыс у. е.
Приведенные суммарные затраты:
З =0,12×К Σ2 + И Σ2 =0,12×368,2+79,1= 123,3 тыс у. е. /год.
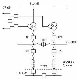
Третий вариант

Рисунок 1.8 - Третий вариант схемы внешнего электроснабжения
Выбираем электрооборудование по III варианту.
1. ЛЭП -10 кВ
Полная мощность, проходящая по ЛЭП:
![]()
Расчетный ток, проходящий по одной линии:
Iр
=![]()
Ток аварийного режима:
Iав =2×Iр =2×369,2=738,4А
Выбор сечения ЛЭП:
1) по экономической плотности тока
мм2,
где Iр =369,2 А расчетный ток линии
j - экономическая плотность тока;
j =1,1 А/мм2 .
Для ЛЭП 6-10 кВ максимальное сечение воздушных линий по ПУЭ F =120мм2 . Примем два провода АС-120 с Iдоп =380А в каждой.
2) проверим выбранные провода по допустимому нагреву:
при расчетном токе
Iдоп =N· Iдоп =2×380=760 A;
Iдоп Iр 760А335А.
3) проверим выбранные провода по аварийному режиму:
коэффициент перегрузки Кп =1,3, следовательно допустимый аварийный ток равен:
Iдоп ав =1,3×Iдоп =1,3×760=988 A, Iдоп ав Iав 988А738,4А.
Определим потери электроэнергии в ЛЭП:
WЛЭП
=
=
,
где R
=
×l
,
где r 0 =0,27 Ом/км удельное сопротивление сталеалюминевого провода сечением 120 мм2 ;
l =5,5 - км длина линии.
Трансформатор энергосистемы.
На подстанции энергосистемы расположены два трехобмоточных трансформатора ТДТН - 40000/110/37/10,5, со следующими паспортными данными: номинальная мощность Sн =40000 кВА, Uвн =115 кВ, Uсн =38,5 кВ, Uнн =11 кВ, DРхх =39 кВт, DРкз =200 кВт, uкз =10,5%, Iхх =0,6%
Коэффициент долевого участия завода мощности трансформатора системы:
γ
=![]()
Потери энергии в трансформаторах:
ΔW =2× (ΔP хх ×T вкл +τ ×ΔP кз × (γ ) 2 = 2× (39×4000+200×2405×0,17 2 ) =339802 кВт×ч.
Стоимость потерь:
Ипот =Сo × (Wтр + Wлэп ) = 0,05× (1455531+339802) =897667 тыс. у.е.
Так как стоимость потерь электроэнергии сопоставима с суммарными затратами, то дальнейший расчет не целесообразен.
Составим сводную таблицу по всем вариантам.
Таблица 1.10 - Результаты ТЭР по трем вариантам электроснабжения
| Вариант | Uн кВ | ∑К тыс. у. е. | ∑И тыс. у. е. | З тыс. у. е. |
| I | 110 | 402,2 | 46,2 | 94,5 |
| II | 35 | 368,2 | 79,1 | 123,3 |
| III | 10 | - | 89,8 | - |
Вывод: для дальнейшего расчета принимаем первый вариант схемы внешнего электроснабжения.
1.10 Выбор оборудования и расчет токов короткого замыкания U>1кВ
1.10.1 Расчет суммарного тока КЗ
Для выбора оборудования произведем расчет токов КЗ на шинах ГПП завода и составим схему замещения (рисунок 1.9).

Рисунок 1.9
Расчёт токов КЗ проведём в относительных единицах. В качестве базисных величин принимаем мощность
и напряжение
тогда базисный ток будет:

![]()



![]()
![]()
В компрессорной установлено десять синхронных двигателя со следующими характеристиками:
(1.65)
(1.66)

Выберем кабель к СД: Расчетный ток СД
(1.67)
1) по экономической плотности тока:
,
где Iр =33 А расчетный ток СД;
j =1,2 А/мм2 экономическая плотность тока.
Выбираем кабель марки ААШв-10- (3х70) с Iдоп =165 А.
2) Проверяем выбранное сечение по термическому действию тока КЗ
(1.68)
Окончательно выбираем кабель ААШв-10- (3х70) с Iдоп =165А
Для выбранного кабеля Худ =0,086 Ом/км, r 0 =0,443 Ом/км;

Ток КЗ от СД:
(1.69)
(1.70)
Суммарный ток КЗ в точке К-2:
(1.71)
Суммарный ударный ток в точке К-2:
(1.72)
Мощность КЗ в точке К-2:
![]()
1.10.2 Выбор выключателей
Выбираем вводные выключатели:
Полная мощность:
Sр
=
кВА;
Расчетный ток:
Iр
=![]()
Принимаем выключатель ВМПЭ-10-1000-20УЗ.
Проверим выбранный выключатель:
| Паспортные данные | Расчётные данные |
UH = 10 кВ IH = 1000 A Iоткл = 20 кА Iпред скв = 52 кА
|
UP = 10 кВ IP = 770 A IКЗ = 5,07 кА I У = 12,9 кА
|
| Привод встроенный электромагнитный | |
Выбор секционного выключателя. Через секционный выключатель проходит половина мощности, проходящей через вводные выключатели. Следовательно, расчетный ток, проходящий через выключатель:
Iр
=![]()
Принимаем выключатель ВМПЭ-10-630-20УЗ.
Проверим выбранный выключатель:
| Паспортные данные | Расчетные данные |
Uн = 10 кВ Iн = 630 A Iоткл = 20 кА Iпред скв = 52 кА
|
U = 10 кВ Iр = 549,5 А Iкз = 5,07 кА I У = 12,4 кА
|
| Привод встроенный электромагнитный | |
Выбор выключателей отходящих линий:
Магистраль ГПП-ТП1-ТП2:
Расчетная мощность ТП1, ТП2
![]()
![]()
Расчетный ток ТП1, ТП2:

Принимаем выключатель ВММ-10-400-10У2
Проверим выбранный выключатель:
| Паспортные данные | Расчётные данные |
UH = 10 кВ IH = 400 A IОТК = 10 кА IСКВ = 25,5 кА
|
UP = 10 кВ IP = 179,2 A IКЗ = 5,07 кА I У = 12,9 кА
|
Магистраль ГПП-ТП3-ТП4:
Расчетная мощность ТП3, ТП4:
![]()
кВА
Расчетный ток ТП3, ТП4:

Принимаем выключатель ВММ-10А-400-10У2
Проверим выбранный выключатель:
| Паспортные данные | Расчётные данные |
UH = 10 кВ IH = 400 A IОТК = 10 кА IСКВ = 25,5 кА
|
UP = 10 кВ IP = 178,9 A IКЗ = 5,07 кА I У = 12,9 кА
|
Магистраль ГПП-ТП5-ТП6: расчетная мощность ТП5, ТП6:
= 2509 кВА
Расчетный ток ТП5, ТП6:

Принимаем выключатель ВММ-10А-400-10У2
Проверим выбранный выключатель:
| Паспортные данные | Расчётные данные |
UH = 10 кВ IH = 400 A IОТК = 10 кА IСКВ = 25,5 кА
|
UP = 10 кВ IP = 138 A IКЗ = 5,07 кА I У = 12,9 кА
|
Магистраль ГПП-СД:
Расчетный ток СД:

Принимаем выключатель ВММ-10А-400-10У2
Проверим выбранный выключатель:
| Паспортные данные | Расчётные данные |
UH = 10 кВ IH = 400 A IОТК = 10 кА IСКВ = 25,5 кА
|
UP = 10 кВ IP = 33 A IКЗ = 5,07 кА I У = 12,9кА
|
1.10.3 Выбор трансформаторов тока
Трансформаторы тока выбирают по номинальному току I ном. тт , номинальному напряжению U ном. тт , нагрузке вторичной цепи S 2ном , обеспечивающей погрешность в пределах паспортного класса точности.
Трансформаторы тока проверяют на внутреннюю и внешнюю электродинамическую К дин и термическую стойкость К тс к токам КЗ.
Выбор и проверка трансформаторов показаны в таблице 1.11.
Таблица 1.11
| Параметр | Формула |
| Iном. т. т., кВ; | Iном. т. т . Iном. у. |
| Uном. т. т., А; | Uном. т. т . Uном. у. |
| S2ном , кВА; | S 2ном S 2р |
| Кдин , кА2 ·с; | Кдин ·Ö2·Iном. т. т iуд |
| Кт. с., кА2 ·с; | (Кт. с ·Iном. т. т ) 2 ·tном. тс Iкз 2 ·tп |
Трансформаторы тока ввода
На вводах к шинам первой и второй секции и на секционном выключателе примем трансформатор тока ТШЛП-10-У3: Iном. тт = 600 А; Sном. тт =20 ВА.
Таблица 1.12 - Нагрузка трансформатора тока
| Прибор | Тип | Фаза А, ВА | Фаза В, ВА | Фаза С, ВА |
| A | Э-350 | 0,5 | 0,5 | 0,5 |
| W | Д-365 | 0,5 | - | 0,5 |
| Var | И-395 | 0,5 | - | 0,5 |
| Wh | САЗ-И681 | 2,5 | 2,5 | 2,5 |
| Varh | СРУ-И689 | 2,5 | 2,5 | 2,5 |
| Итого | 6,5 | 5,5 | 6,5 | |
Рассчитаем вторичную нагрузку трансформаторов тока.
Сопротивление вторичной нагрузки состоит из сопротивления приборов, соединительных проводов и переходного сопротивления контактов:
R 2 = Rприб + Rпров + Rк-тов (1.73)
Сопротивление приборов определяется по формуле:
(1.74)

где Sприб - мощность, потребляемая приборами;
I 2 - вторичный номинальный ток прибора.
Допустимое сопротивление проводов:
(1.75)
(1.76)
Принимаем провод АКР ТВ F =2,5 мм2 ;
(1.77)
R 2 = Rприб + Rпров + Rк-тов = 0,26 + 0,056 + 0,1 = 0,416 Ом(1.78)
S 2 = R 2 ×I 2 = 0,416 × 52 = 10,4 ВА; (1.79)
Вк =Iкз 2 × (tотк+Та ) =4,872 × (0,095+0,04) =3,2 кА2 с(1.80)
| Условия проверки ТТ ТШЛП-10У3 | |
| Расчетные величины | По каталогу |
| Uн =10 кВ | Uн =10 кВ |
| Iр =369,2 А | Iн =600 А |
| Вк =3,2 кА2 с | Iт 2 tт =33075 кА2 с |
| iуд =12,4 кА | Iдин = 81 кА |
| S2 р =10,4 ВА | S 2 н =20 ВА |
| Z2P =0.416Ом | Z 2Н =0,8 Ом |
Трансформатор тока на линии ГПП -ТП1-ТП2
Примем трансформатор тока ТПЛК-10-У3: Iном. тт = 400 А; Sном. тт = 12 ВА.
Таблица 1.13 - Нагрузка трансформатора тока
| Прибор | Тип | А, ВА | В, ВА | С, ВА |
| A | Э-350 | 0,5 | 0,5 | 0,5 |
| Wh | САЗ-И681 | 2,5 | 2,5 | 2,5 |
| Varh | СР4-И689 | 2,5 | 2,5 | 2,5 |
| W | Д-355 | 0,5 | - | 0,5 |
| Var | Д-345 | 0,5 | - | 0,5 |
| Итого | 6,5 | 5,5 | 6,5 |
Сопротивление приборов:


Допустимое сопротивление проводов:
![]()

Принимаем провод АКР ТВ F=2,5 мм2 ;

R 2 = Rприб + Rпров + Rк-тов = 0,26 + 0,056 + 0,1 = 0,416 Ом
S
2
= R
2
×
= 0,416 × 52
= 10,4 ВА;
Вк =Iкз 2 × (tотк+Та ) =4,872 × (0,095+0,04) =3,2 кА2 с.
| Условия проверки ТТ ТПЛК-10У3 | |
| Расчетные величины | По каталогу |
| Uн =10 кВ | Uн =10 кВ |
| Iр =179,2 А | Iн =400 А |
| Вк =3,2 кА2 с | Iт 2 tт =33075 кА2 с |
| iуд =12,4 кА | Iдин = 74,5 кА |
| S 2 р =10,4 ВА | S 2 н =12 ВА |
| Z 2P =0.416Ом | Z 2Н =0,8 Ом |
Выбираем трансформатор тока на линии ГПП -СД1-2
Примем трансформатор тока ТПЛК-10-У3: Iном. тт = 50 А; Sном. тт = 12 ВА
Таблица 1.14 - Нагрузка трансформатора тока
| Прибор | Тип | А, ВА | В, ВА | С, ВА |
| A | Э-350 | 0,5 | 0,5 | 0,5 |
| A | Э-350 | 0,5 | 0,5 | 0,5 |
| A | Э-350 | 0,5 | 0,5 | 0,5 |
| Wh | САЗ-И681 | 2,5 | 2,5 | 2,5 |
| Varh | СР4-И689 | 2,5 | 2,5 | 2,5 |
| W | Д-355 | 0,5 | - | 0,5 |
| Var | Д-345 | 0,5 | - | 0,5 |
| Итого | 7.5 | 6,5 | 7,5 |
Сопротивление приборов:


Допустимое сопротивление проводов:
0,48-0,3-0,1=0,08 Ом;

принимаем провод АКР ТВ; F=2,5 мм2 ;

S
2
=R
2
×
=0,456×52
=11,4 ВА;
R 2 =Rприб +Rпров +Rк-тов =0,3+0,056+0,1=0,456 Ом.
| Условия проверки ТТ ТПЛК-10У3: | |
Расчетные величины |
По каталогу |
| Uн =10 кВ | Uн =10 кВ |
| Iр =33 А | Iн =100 А |
| iуд =12,4 кА | Iдин =51 кА |
| S2 р =11,4 ВА | S2 н =12 ВА |
Трансформаторы на остальные элементы СЭС.
Ввод к ГПП: ТШЛ-10-У3
На линии к ТП1-2: ТПЛК-10-У3
На линии к ТП3-4: ТПЛК-10-У3
На линии к ТП5-6: ТПЛК-10-У3
1.10.4 Выбор трансформаторов напряжения
Трансформаторы напряжения выбираются по номинальному напряжению первичной цепи, классу точности и схеме соединения обмоток.
Соответствие классу точности следует проверить сопоставлением номинальной нагрузки вторичной цепи с фактической нагрузкой от подключенных приборов.
Нагрузка на каждую фазу определяется суммированием нагрузки всех параллельных катушек приборов (реле).
, ВА
Расчет для выбора трансформатора напряжения приведен в таблице 1.15.
Таблица 1.15
| Прибор | Тип | Sоб-ки, ВА | Число об-к |
cosj | sinj | Число приборов | SРприб, Вт | SQприб, вар |
| V | Э-335 | 2 | 2 | 1 | 0 | 2 | 4 | - |
| W | Д-335 | 1,5 | 2 | 1 | 0 | 1 | 3 | - |
| Var | И-335 | 1,5 | 2 | 1 | 0 | 1 | 3 | - |
| Wh | СА3-И681 | 3 Вт | 2 | 0,38 | 0,925 | 9 | 36 | 87,63 |
| Varh | СР4-И689 | 3 вар | 2 | 0,38 | 0,925 | 9 | 36 | 87,63 |
| Итого | 82 | 175,26 |
Расчетная вторичная нагрузка:
![]()
Принимаем трансформатор напряжения типа НТМИ-10-66У3 и занесем условия выбора в таблицу 1.16.
Таблица 1.16
| Паспортные данные | Расчетные значения |
| Uн т =10 кВ | Uн т =10 кВ |
| Sн 2 =300 кВА | Sр 2 =193,5 ВА |
| Схема соединения обмоток U-0/Y-0/D-0 | |
1.10.5 Выбор выключателей нагрузки
Расчёт токов, проходящих по кабелям, приведён ниже.
Токи, проходящие по линиям к цеховым подстанциям:
ТП1: Ip = 89,6 А
ТП2: Ip = 44,8 А
ТП3: Ip = 89,4 А
ТП4: Ip = 44,7 А
ТП5: Ip = 137,8 А
ТП6: Ip = 34,5 А
Для всех трансформаторов принимаем выключатель нагрузки типа ВНПу-10/40010У3
| Паспортные данные | Расчётные данные |
UH = 10 кВ IH = 400 A Iскв = 25 кА
|
UP = 10 кВ IP = 27,8 А - 109 A iуд =12,98 кА
|
На ТП1-ТП4, ТП6 устанавливаем предохранители типа ПК3-10-100/100-31,5УЗ
На ТП5 устанавливаем предохранители типа ПК4-10-200/160-31,5УЗ
1.10.6 Выбор силовых кабелей отходящих линий
Выбор кабелей производится по следующим условиям:
по экономической плотности тока: ![]()
по минимальному сечению Fmi n =a ´Iкз ´Ötп ;
по условию нагрева рабочим током I
доп
каб
Iр
;
по аварийному режиму Iдоп ав
I
ав
;
по потере напряжения DUдоп
DUрас
Все расчетные данные выбора кабелей занесены в таблицу 1.17 "Кабельный журнал"
Таблица 1.17 - Кабельный журнал
Наименов. участка |
Sр , кВА | Кол-во каб. в траншее | Нагрузка | По экономич. плот. тока | По току короткого замыкания | По условию нагрева рабочим током | По аварийному режиму | По доп. нагр. | Выбранный кабель | Iдоп , А | |||||
| Iр , А | Iав, А | jэ | Fэ , мм2 | Iк , кА | S, мм2 | Iдл. доп , А | Iр , А | 1,3Iдоп | Iав , А | Кп | |||||
| ГПП-ТП1 | 3255 | 6 | 89,6 | 179 | 1,4 | 64 | 4,67 | 39,23 | 234 | 89,6 | 312 | 179 | 0,75 | ААШв -10- (3х120) | 240 |
| ТП1-ТП2 | 1627 | 4 | 44,8 | 89,6 | 1,4 | 32 | 4,67 | 39,23 | 145,6 | 44,8 | 182 | 89,6 | 0,8 | ААШв -10- (3х50) | 140 |
| ГПП-ТП3 | 3249 | 6 | 89,4 | 178,8 | 1,4 | 63,8 | 4,67 | 39,23 | 234 | 89,4 | 312 | 178,8 | 0,75 | ААШв -10- (3х120) | 240 |
| ТП3-ТП4 | 1624 | 2 | 44,7 | 89,4 | 1,4 | 31,9 | 4,67 | 39,23 | 163,8 | 44,7 | 182 | 89,4 | 0,9 | ААШв -10- (3х50) | 140 |
| ГПП-ТП5 | 2509 | 6 | 69,1 | 138,2 | 1,4 | 49,4 | 4,67 | 39,23 | 199,9 | 69,1 | 266,5 | 138,2 | 0,75 | ААШв -10- (3х95) | 205 |
| ТП5-ТП6 | 1254 | 5 | 34,5 | 69 | 1,4 | 24,6 | 4,67 | 39,23 | 141,9 | 34,5 | 182 | 69 | 0,78 | ААШв -10- (3х50) | 140 |
| ГПП-СД | 700 | 4 | 38,5 | 77 | 1,4 | 27,5 | 5,07 | 39,23 | 145,6 | 38,5 | 182 | 77 | 0,8 | ААШв -10- (3х50) | 140 |
1.11 Выбор оборудования для электроприемников цеха
Составим однолинейную схему электроснабжения отдела механического цеха (рисунок 1.2), а технические данные электроприемников питающихся от ШРА1, ШРА2, ШР1 представлены в таблице 1.18
Рисунок 1.10 - Схема электроснабжения механического цеха
Таблица 1.18 - Технические данные ЭП ШРА1, ШРА2, ШР1
| №№ п/п | Наименование узлов питания и ЭП |
Pн , кВт | cos j | Iн , А | Кпуск | Iпуск , А |
Режим работы |
a | Iп/ a | Вид аппа-рата |
| ШРА-1 | ||||||||||
| 1,2,4,6 | Пресс | 5,5 | 0,65 | 12,9 | 3,5 | 45,0 | Тяжелый | 1,6 | 28,2 | предохр |
| 5 | Ковочный пресс | 55 | 0,65 | 128,7 | 3,5 | 450,5 | Тяжелый | 1,6 | 281,6 | автомат |
| 39 | Плазматрон | 28 | 0,7 | 60,8 | 2 | 121,7 | Тяжелый | 1,6 | 76,1 | предохр |
| 3 | Кран | 18,3 | 0,5 | 55,7 | 4,5 | 250,5 | Тяжелый | 1,6 | 156,6 | автомат |
| ШРА-2 | ||||||||||
| 24,30 | Камерная электропечь | 50 | 0,9 | 84,5 | 1 | 84,5 | Тяжелый | 1,6 | 52,8 | предохр |
| 25,27,28,31,33,35 | Пресс горячештамповочный | 11 | 0,65 | 25,7 | 3,5 | 90,1 | Тяжелый | 1,6 | 56,3 | предохр |
| 29,32,34,36 | Гильотинные ножницы, пресс | 22 | 0,65 | 51,5 | 3,5 | 180,2 | Тяжелый | 1,6 | 112,6 | автомат |
| 40 | Насос | 11 | 0,65 | 25,7 | 5 | 128,7 | Тяжелый | 1,6 | 80,4 | предохр |
| 22,38 | Вентилятор | 37 | 0,8 | 70,4 | 4,5 | 316,6 | Тяжелый | 1,6 | 197,9 | автомат |
| 26 | Кран | 18,5 | 0,5 | 56,3 | 4,5 | 253,3 | Тяжелый | 1,6 | 158,3 | автомат |
| ШР-1 | ||||||||||
| 7,16,17 | Камерная электропечь | 50 | 0,9 | 84,5 | 1 | 84,5 | Тяжелый | 1,6 | 52,8 | предохр |
| 9 | Пресс | 15 | 0,8 | 28,5 | 3,5 | 99,8 | Тяжелый | 1,6 | 62,4 | предохр |
| 10,11, 19, 20 | Электродная соляная ванна | 22 | 0,8 | 41,8 | 1 | 41,8 | Средний | 2 | 20,9 | предохр |
| 12,13,14 | Электродная селитровая ванна | 12 | 0,8 | 22,8 | 1 | 22,8 | Средний | 2 | 11,4 | предохр |
| 15 | Вентилятор | 37 | 0,8 | 70,4 | 4,5 | 316,6 | Тяжелый | 1,6 | 197,9 | автомат |
| 18,21 | Колпаковая электропечь |
45 | 0,9 | 76,1 | 1 | 76,1 | Тяжелый | 1,6 | 47,5 | предохр |
Выбор защитной и коммутационной аппаратуры, марки и сечения проводов и кабелей, тип ШРА.
Выбор вводного автомата
Всего по цеху Iр = 1157,5 А
Найдём кратковременный ток
Iкр =1,3×Iр =1,3 × 1157,5 = 1504,8 А(1.81)
Выбираем автомат марки АВМ-15Н:
1) Iном ав = 1500 А (> 1157,5 А);
2) Iном расц = 1200 А (> 1157,5 А);
Iотс = 2000 А;
Iпред ком = 150кА;
3) Iсраб эл расц >1,25 ×Iкрат =1,25 × 1504,8 = 1528,5 А; 2000 А >1881,1 А
условия выполняются.
Выбор автомата А2 , кабельной линии и типа шинопровода ШРА-1
Sр ШРА-1 =81 кВА; Iр ШРА-1 =123,2 А; (1.82)
Iкрат =Iпуск =Iпускнаиб +SIном = 450,5 + (123,2-128,7) =445 А
Выбираем шинопровод распределительный типа ШРА4 Iн =250 А>123,2 А;
Iэл дин ст =15кА
Выбираем автомат марки А3710Б
1) Iном ав = 160 А (>123,2 А);
2) Iном расц = 125 А (>123,2 А);
Iотс = 630 А;
Iпред ком = 75 кА;
3) Iсраб эл расц >1,25×Iкрат = 1,25×445 = 556,3 А; 630 А > 556,3 А
условия выполняются.
Выбираем кабель к ШРА-1:
ААШв-1- (3´95+ (1´70); Iдоп =205 А (>123,2 А).(1.83)
Проверим выбранное сечение по коэффициенту защиты (Кз ) автомата, в одной траншее от ТП до цеха уложены 6 кабеля, поэтому поправочный коэффициент Кп =0,75, кз =1 - коэффициент защиты для автомата с нерегулируемой характеристикой.
1)
условие выполняется.
Выбор автомата А3 , кабельной линии и типа шинопровода ШРА-2
Sр ШРА-2 =233,5 кВА; Iр ШРА-2 =355,3А;
Iкрат =Iпуск =Iпускнаиб +SIном =316,6+ (355,2-70,4) =601,4 А
Выбираем шинопровод распределительный типа ШРА4 сIн =400 А > 355,3 А; Iэл дин ст =25 кА
Выбираем автомат марки А3730Б
1) Iном ав =400 А (>355,3А);
2) Iном расц =400 А (>355,3 А);
Iотс =2500 А;
Iпред ком = 100кА;
3) Iсраб эл расц >1,25 ×Iкрат =1,25×601,4 = 751,7 А; 2500 А > 751,7А
условия выполняются.
Выбираем кабель к ШРА-2: 2ААШв-1- (3´150+ (1´95); Iдоп =600 А (>355,3А);
проверим выбранное сечение:
условие выполняется.
Выбор автомата А5 , кабельной линии и типа шинопровода ШР-1.
Sр ШР-1 =354,3 кВА; Iр ШР-1 =538,9 А;
Iкрат =Iпуск =Iпускнаиб +SIном =316,6+ (538,9-70,4) =785,1 А
Выбираем автомат марки А3740Б
1) Iном ав =630 А (> 538,9 А);
2) Iном расц =630 А (>538,9 А);
Iотс =4000 А;
Iпред ком = 150кА;
3) Iсраб эл расц >1,25 ×Iкрат =1,25×785,1 = 981,3 А; 4000 А > 981,3 А
условия выполняются.
Выбираем кабель к ШРА-3: 3ААШв-1- (3´150+ (1´95); Iдоп =900 А (>538,9 А);
проверим выбранное сечение:
условие выполняется.
Выбор автомата А4 ,, кабельной линии и тип ЩО
Выбор А4 к ЩО:
(1.84)
А3710Б: Iн А =40 А >34,85 А; Iу расц = 40 А >34,85 А;
Примем ОП6УХЛ4 - на шесть отходящих линий, Iн. расц . = 40 А.
Выбираем кабель к ЩО: ААШв-1- (3´10) + (1´6); Iдоп
=65 А (>34,85А), проверим выбранное сечение:
условие выполняется.
Выбираем автомат А6 , кабельную линию к ЭП №8
Рн
= 90 кВт;
;(1.85)
Iпуск = Kпус ×Iном = 1×152,1 = 152,1 А.
Выбираем автомат марки А3710Б:
1) Iном ав = 160 А (> 152,1 А);
2) Iном расц = 160 А (> 152,1 А);
Iотс =400 А;
Iпред ком = 75 кА;
3) Iсраб эл расц >1,25 ×Iкрат =1,25 × 152,1 = 190,1 А; 400 А >190,1 А
условия выполняются.
Выбираем кабель к ЭП № 29: ААШв-1- (3´120) + (1´70); Iдоп =265 А (>152,1А), проверим выбранное сечение:
условия выполняются.
Выбираем автомат А7 , кабельную линию к ЭП №37
Рн
= 100 кВт;
;(1.86)
Iпуск = Kпус ×Iном = 4,5 ×217,3 = 977,3 А.
Выбираем автомат марки А3720Б:
1) Iном ав = 250 А (> 217,3 А);
2) Iном расц = 250 А (> 217,3 А);
Iотс =1600 А;
Iпред ком = 100 кА;
3) Iсраб эл расц >1,25 ×Iкрат =1,25 × 977,3 = 1222,3 А; 1600 А >1222,3 А
условия выполняются.
Выбираем кабель к ЭП № 29: ААШв-1- (3´185) + (1´70); Iдоп =345 А (>217,3А), проверим выбранное сечение:
условия выполняются.
Выбор автомата к ЭП
Условия выбора автоматов к ЭП:
1)
;
2)
;
3) ![]()
Выбор предохранителей к ЭП
Условия выбора предохранителей к ЭП:
1)
; 2) ![]()
Расчеты сводим в таблицу 1.19.
Таблица 1.19 - Расчет защитных аппаратов и проводов к ЭП
| №№ ЭП | Расчетный ток | Автоматический выключатель | Предохранитель | Тип аппарата защиты |
Кз | Токовая нагрузка провода | Марка и сечение провода | ||||||||
Iдлит ( Iном ) |
Iкр (Iпуск ) |
Iном. ав. | Ток рас-цепителя, А | Уставка мгновенного срабатывания | Ток плавкой вставки, А | Iном. пред . | Кз *Iз | Iдоп пров | |||||||
| Iрасц расч | Iрасц ном | Iср расч | Iном ср | I расч пл вст | I ном пл вст | ||||||||||
| 1 | 2 | 3 | 4 | 5 | 6 | 7 | 8 | 9 | 10 | 11 | 12 | 13 | 14 | 15 | 16 |
| ШРА-1 | |||||||||||||||
| 1,2,4,6 | 12,9 | 45,0 | - | - | - | - | - | 28,2 | 30 | 100 | ПН2 100/30 | 0,33 | 9,9 | 19 | АПВ-4 (1´4) |
| 5 | 128,7 | 450,5 | 160 | 128,7 | 160 | 563,1 | 630 | - | - | - | А3710Б | 1 | 160 | 200 | АПВ-3 (1´95) + (1´70) |
| 39 | 60,8 | 121,7 | - | - | - | - | - | 76,1 | 80 | 100 | ПН2 100/80 | 0,33 | 26,4 | 80 | АПВ-3 (1´25) + (1´16) |
| 3 | 55,7 | 250,5 | 80 | 55,7 | 63 | 313,1 | 400 | - | - | - | А3710Б | 1 | 63 | 80 | АПВ-3 (1´25) + (1´16) |
| ШРА-2 | |||||||||||||||
| 24,30 | 84,5 | 84,5 | - | - | - | - | - | 52,8 | 60 | 100 | ПН2 100/60 | 0,33 | 19,8 | 110 | АПВ-3 (1´35) + (1´25) |
| 25,27,28,31,33,35 | 25,7 | 90,1 | - | - | - | - | - | 56,3 | 60 | 100 | ПН2 100/60 | 0,33 | 19,8 | 39 | АПВ-4 (1´10) |
| 29,32,34,36 | 51,5 | 180,2 | 80 | 51,5 | 63 | 225,2 | 400 | - | - | - | А3710Б | 1 | 63 | 80 | АПВ-3 (1´25) + (1´16) |
| 40 | 25,7 | 128,7 | - | - | - | - | - | 80,4 | 100 | 100 | ПН2 100/100 | 0,33 | 33 | 39 | АПВ-4 (1´10) |
| 22,38 | 70,4 | 316,6 | 80 | 41,8 | 50 | 235,2 | 400 | - | - | - | А3710Б | 1 | 50 | 60 | АПВ-3 (1´16) + (1´10) |
| 26 | 56,3 | 253,3 | 80 | 56,3 | 63 | 316,6 | 400 | - | - | - | А3710Б | 1 | 63 | 80 | АПВ-3 (1´25) + (1´16) |
| ШР-1 | |||||||||||||||
| 7,8,16,17 | 84,5 | 84,5 | - | - | - | - | - | 52,8 | 60 | 100 | ПН2 100/60 | 0,33 | 19,8 | 110 | АПВ-3 (1´35) + (1´25) |
| 9 | 28,5 | 99,8 | - | - | - | - | - | 62,4 | 80 | 100 | ПН2 100/80 | 0,33 | 26,4 | 39 | АПВ-4 (1´10) |
| 10,11, 19, 20 | 41,8 | 41,8 | - | - | - | - | - | 20,9 | 30 | 100 | ПН2 100/30 | 0,33 | 9,9 | 60 | АПВ-3 (1´16) + (1´10) |
| 12,13,14 | 22,8 | 22,8 | - | - | - | - | - | 11,4 | 20 | 100 | ПН2 100/20 | 0,33 | 6,6 | 39 | АПВ-4 (1´10) |
| 15 | 70,4 | 316,6 | 80 | 70,4 | 80 | 395,7 | 400 | - | - | - | А3710Б | 1 | 50 | 80 | АПВ-3 (1´25) + (1´16) |
| 18,21 | 76,1 | 76,1 | - | - | - | - | - | 47,5 | 50 | 100 | ПН2 100/50 | 0,33 | 16,5 | 80 | АПВ-3 (1´25) + (1´16) |
1.11.1 Расчет токов короткого замыкания на U<1 кВ
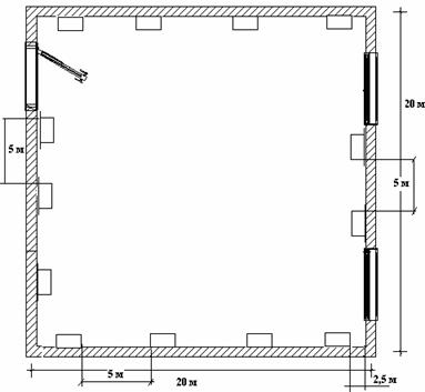
Для расчета токов короткого замыкания составим схему питания наиболее удаленного электроприемника механического цеха (рисунок 1.11, а) для проверки его аппарата защиты на отключающую способность и схему замещения (рисунок 1.11, б)

а) б)
Рисунок 1.11
Определим сопротивления:
Rт =2 мОм; Хт =8,5мОм; RА1 +Rконт1 + Rпер1 =0,25 мОм; ХА1 =0,08 мОм;
RА3 +Rконт3 + Rпер2 =0,43 мОм; ХА3 =0,13 мОм;
Rкаб = r 0 × l =0,28×30=8,4 мОм; Хкаб = r 0 × l =0,06×30=1,8 мОм;
Rш = r 0 × l =0,13×48=6,24 мОм; Хш = r 0 × l =0,1×48=4,8 мОм;
Rпров = r 0 × l =0,28×5=1,4 мОм; Хпров = r 0 × l =0,06×5=0,3 мОм;
RА =0,36 мОм; ХА =0,28 мОм;
где
активное и реактивное сопротивление трансформатора;
активное и реактивное сопротивление катушек и контактов автоматических выключателей;
переходное сопротивление контактных соединений (шинопровод-кабель, кабель-кабель и т.д.);
активное и реактивное сопротивление шинопровода;
активное и реактивное сопротивление кабеля;
активное и реактивное сопротивление проводов.
Определим значения тока трех и двухфазного КЗ в точке К-3
R3 =Rт +RА1 =2+0,25=2,25 мОм, Х3 =Хт +ХА1 =8,5+0,08=8,58 мОм
Трехфазный ток КЗ в точке К-3
(1.87)
(1.88)
постоянная времени; Ударный ток в точке К-3:
(1.89)
Двухфазный ток КЗ в точке К-3
(1.90)
Определим значения тока трех и двухфазного КЗ в точке К-2
R2 =R3 +RА3 +Rконт3 +Rкаб =2,25+0,43+8,4=11,08 мОм
Х2 =Х3 +ХА3 +Хкаб =8,58+0,13+1,8=10,51 мОм
Трехфазный ток КЗ в точке К-2


Ударный ток в точке К-2
![]()
Двухфазный ток КЗ в точке К-2
![]()
Определим значения тока трех и двухфазного КЗ в точке К-1
R1 =R2 +Rш +Rпров +RА = 11,08+6,24+1,4+0,36=19,08 мОм
Х1 =Х2 +Хш +Хпров +ХА = 10,51+4,8+0,3+0,28=15,89 мОм
Трехфазный ток КЗ в точке К-1


Ударный ток в точке К-1
кА
Двухфазный ток КЗ в точке К-1
![]()
Расчёт однофазного короткого замыкания.
Вместо RТ
, ХТ
, Rш
, Хш
, Rкаб
, Хкаб
, Rпров
, Хпров
принимаем полное сопротивление цепи фаза-нуль; Zп. ф. - 0. к.
- полное сопротивление цепи фаза-нуль кабельной линии; Zп. ф. - 0. п
- полное сопротивление цепи фаза-нуль провода; Zп. ф. - 0. ш.
- полное сопротивление цепи фаза-нуль шинопровода,
полное сопротивление фазы трансформатора
;
;
![]()
(при соединении обмоток трансформатора Δ/yە - 11)
(при соединении обмоток трансформатора y/yﻩ - 12)
При однофазном к. з. в точке К3 и соединении обмоток трансформатора Δ/yە-11
(1.91)
(1.92)
При однофазном к. з. в точке К2 и соединении обмоток трансформатора Δ/yە-11
![]()
(1.93)
При однофазном к. з. в точке К1 и соединении обмоток трансформатора Δ/yە-11

При однофазном к. з. в точке К3 и соединении обмоток трансформатора y/yﻩ-12
![]()

При однофазном к. з. в точке К2 и соединении обмоток трансформатора y/yﻩ-12
![]()

При однофазном к. з. в точке К1 и соединении обмоток трансформатора y/yﻩ-12

Составим сводную таблицу 1.20 результатов расчетов.
Таблица 1.20
| КЗ | К-1 | К-2 | К-3 |
| Трехфазное КЗ | Iкз =9,3 кА; iуд =13,6 кА |
Iкз =15,1 кА; iуд =22,1 кА |
Iкз =26,1 кА; iуд =47,1 кА |
| Двухфазное КЗ | Iкз =8 кА | Iкз =13 кА | Iкз =22,5 кА |
| Однофазное КЗ D/Uо | Iкз =2,9 кА | Iкз =7,5 кА | Iкз =25,2 кА |
| Однофазное КЗ U/Uо | Iкз =2,3 кА | Iкз =4,7 кА | Iкз =8,4 кА |
Проверим выбранное оборудование по отключающей способности:
Предельный отключающий ток автомата АВМ-15Н, 250кА>22,5кА.
Предельно отключающий ток автоматического выключателя А3730Б с расцепителем на Iном =320А (100кА>15,1кА).
Предельный сквозной ток шинопровода ШРА-73 на Iном = 400А (25кА>9,3кА).
Выбранные автоматы и предохранители по отключающей способности и чувствительности соответствует требованиям.
1.12 Релейная защита и автоматика
Релейная защита трансформатора ГПП.
В процессе эксплуатации системы электроснабжения возникают повреждения отдельных ее элементов. Наиболее опасными и частыми видами повреждений являются КЗ между фазами электрооборудования и однофазные КЗ на землю в сетях с большими токами замыкания на землю. В электрических машинах и трансформаторах наряду с междуфазными КЗ и замыканиями на землю имеют место витковые замыкания. Вследствие возникновения КЗ нарушается нормальная работа системы электроснабжения, что создает ущерб для промышленного предприятия.
При протекании тока КЗ элементы системы электроснабжения подвергаются термическому и динамическому воздействию. Для уменьшения размеров повреждения и предотвращения развития аварии устанавливают совокупность автоматических устройств, называемых релейной защитой и обеспечивающих с заданной степенью быстродействия отключение поврежденного элемента или сети.
Основные требования, предъявляемые к релейной защите, следующие: надежное отключение всех видов повреждений, чувствительность защиты, избирательность (селективность) действия - отключение только поврежденных участков, простота схем, быстродействие, наличие сигнализации о повреждениях.
Устройства релейной защиты для силовых трансформаторов предусматривают от следующих видов повреждений и ненормальных режимов работы: многофазных замыканий в обмотках и на выводах, присоединенных к сети с глухозаземленной нейтралью; витковых замыканий в обмотках; токов в обмотках, обусловленных перегрузкой; понижения уровня масла.
1) Дифференциальная защита
Данная защита выполняется на реле РНТ-565 и защищает трансформатор от однофазных КЗ в обмотке и ошиновке трансформатора в зоне ограничения трансформаторами тока. При повреждении в трансформаторе дифференциальная защита дает импульс на отключение выключателей 10 кВ, 110 кВ ввода трансформатора.
2) Максимальная токовая защита (МТЗ)
Эта защита применяется в качестве защиты от внешних коротких замыканий и является резервной по отношению к дифференциальной защите. МТЗ выполняется на переменном оперативном токе в двухфазном исполнении на базе реле РТ-40. Защита выполнена в виде трех комплектов МТЗ с комбинированным пуском по напряжению.
3) Газовая защита
Газовая защита является чувствительной реагирующей на повреждение внутри трансформатора, особенно при витковых замыканиях в обмотках, на которые газовая защита реагирует при замыкании большого числа витков.
Газовая защита также реагирует на повреждения изоляции стянутых болтов и возникновение местных очагов нагрева стали сердечника. Газовая защита срабатывает при достижении скорости движения масла от бака к расширителю от 0,6-0,8 л/с. Защита реагирует на появление газа в кожухе трансформатора и снижение уровня масла. Защита выполняется на базе реле РТЗ-261, которое поставляется с трансформатором. При всех видах повреждений газы, образовавшиеся в результате разложения масла и изоляции проводов, направляются через реле, установленное на трубопроводе, соединяющем бак трансформатора с расширителем и вытесняют масло из камеры реле в расширитель. В результате этого уровень масла в газовом реле понижается, установленные в реле поплавки опускаются, а прикрепленные к ним колбочки с ртутными контактами поворачиваются. При этом действует предупреждающий сигнал.
При бурном газообразовании, сопровождающемся течением струи масла под давлением, поворачиваются поплавок и колбочка с контактами. Последние, замыкаясь, действует на отключение выключателя 10 кВ трансформатора, а отключение выключателя 110 кВ короткозамыкателя.
4) Защита от перегрузок
На трансформаторах номинальной мощностью 400 кВА и более, подверженных перегрузкам, предусматривается максимальная токовая защита от токов перегрузки с действием на сигнал с выдержкой времени.
Защита выполняется на базе реле РТ-40 (КА5, КА6) с действием на сигнал, реле включается в цепь трансформатора тока со стороны низшего напряжения.
Исходные данные:
Трансформатор ТДН-10 МВА; 11516%/10,5 кВ; ток трехфазного короткого замыкания Iкз =4,67 кА.
Расчет дифференциальной токовой защиты для трансформаторов ГПП.
а) Определение первичных номинальных токов на сторонах силового трансформатора (Iном 1 и Iном 2 ):
, А, (1.94)
А,
А
и коэффициенты трансформации трансформаторов тока:
, А, (1.95)
А,
, А(1.96)
А
Принимаем стандартные коэффициенты трансформации:
nТ 1 =100/5=20, ТВТ-110 (опорные в фарфоровой покрышке);
nТ 2 =600/5=120, ТЛМ-10 (с литой изоляцией).
б) Определим вторичные номинальные токи в плечах дифференциальной защиты:
, А, (1.97),
А,
А
Так как основная сторона дифференциальной защиты принимается по большему значению (iн 1 и iн 2 ), то в данном случае iн 2 >iн 1 .
Сторону напряжением 10 кВ принимаем за основную и все расчеты приводим к основной стороне.
в) Выбирается ток срабатывания защиты из условия отстройки:
1) от броска намагничивания
Iсз = Котс ×Iнт 2 , А, (1.98)
где Котс =1,3-1,4 - коэффициент отсечки для РТН-565
Iсз = 1,3×550,5=716 А;
2) от максимального тока небаланса
Iсз
= Котс
×Iнб
= Котс
× (
), А, (1.99)
где Котс =1,3 - коэффициент отсечки для РНТ-565.
Составляющая тока небаланса, обусловленная погрешностью (ток намагничивания) трансформаторов тока, питающих дифференциальную защиту определяется по формуле:
= Ка
·Кодн
·
e
·Iкмакс
, А, (1.100)
= 1×1×0,1×4,67=467 А
где Кодн - коэффициент, учитывающий однотипность трансформаторов тока (Кодн =1);
e - коэффициент, учитывающий 10% погрешность трансформаторов тока (e =0,1);
Ка - коэффициент, учитывающий переходной режим (апериодическая составляющая), (Ка =1 для реле с БНТ);
Iкмакс - максимальное значение тока КЗ за трансформатором, приведенная к основной стороне трансформатора.
Составляющая тока небаланса, обусловленная регулированием напряжения защищаемого трансформатора:
А, (1.101)
где ±DN = ±16 - полный диапазон регулирования напряжения.
А
Составляющая тока небаланса, обусловленная неточностью установки на коммутаторе реле РНТ расчетного целого числа витков обмоток:
,(1.102)
где W 1расч ., W 1 - соответственное расчетное и установленное число витков обмоток реле РНТ для не основной стороны.
На первом этапе установки дифференциальной защиты I // / нб не учитывается, т.е.
Iсз
= Котс
×
Iнб
= Котс
· (
),
А, Iсз
= 1,3× (467+747,2) =1578,5 А.
За расчетную величину тока срабатывания защиты принимаем большее значение между: Iсз (от намагничивания) = 747,2 А, Iсз (от небаланса) = 1578,5 А.
г) Производится предварительная проверка чувствительности защиты при повреждениях в зоне ее действия.
Кч
=
>2, (1.103)
где Iкмин - минимальное значение тока КЗ (обычно двухфазное в зоне защиты)
Кч
=
=
=2,57>2(1.104)
Iк. мин =0,87×Iкз , А,
Iк. мин =0,87×4670=4063 А.
Так как коэффициент чувствительности больше двух, то расчет можно продолжать.
д) Определяется ток срабатывания реле, отнесенный к стороне с большим током в плече (основной стороне)
Iср
=
, А, (1.105)
где nТ , Kсх - берется для основной стороны.
Iср
=
= 13,15 А(1.106)
е) Определяется расчетное число витков обмотки реле основной стороны Wосн. расч.
=
,
витков, Wосн. расч
.
=
= 7,6 витка.
Полученное число витков обмотки округляем до ближайшего меньшего числа витков, которое можно установить на реле РНТ-565, т.е. Wосн. расч = 7 витков.
ж) Определяется число витков обмотки неосновной стороны
W неосн. расч
=
× Wосн. расч
, витков, (1.107)
где iн 1 - вторичный номинальный ток основной стороны;
iн 2 - вторичный номинальный ток другого плеча защиты.
W неосн. расч
=
=6,6 витков.
3) Определяется ток небаланса с учетом I
.
I
=
×
, А,
I
=
×4670=424,5 А
е) Повторно определяется первичный ток срабатывания защиты и вторичный ток срабатывания реле:
Iсз =1,3 × (467+747,2+424,5) =2130,3 А
Iср
=
×Ксх
,
А,
Iср
=
×1= 17,7 А.
Полученные значения удовлетворяют требованиям, предъявляемые к дифференциальной защите.
Дифференциальная защита трансформаторов выполняется на реле РНТ-565, имеющий быстронасыщающийся трансформатор и уравнительные обмотки с регулирующими резисторами, с помощью которых можно отстраивать действия защиты. Таким образом, обеспечивается повышенная чувствительность защиты.
Расчет максимальной токовой защиты.
Расчет максимальной токовой защиты для трансформатора ГПП МТЗ устанавливается с высшей стороны трансформатора и действует с выдержкой времени при КЗ.
Ток срабатывания МТЗ выбирается исходя из условия отстройки (несрабатывания) от перегрузки. Ток перегрузки обычно определяется из рассмотрения 2-х режимов:
1. отключение параллельно работающего трансформатора
Iнагр. макс =0,8×Iном. тр , (1.108)
Iнагр. макс =0,8×50,3=40,2 А. (1.109)
2. автоматическое подключение нагрузки при действии АВР
Iнагр. макс = I1 + I2 =0,8· (Iном. тр1 + Iном. тр2 ),
Iнагр. макс =0,8× (100,6+100,6) =161 А.
Ток срабатывания защиты выбирается по формуле:
Iсз
=
×Iраб. макс
, А, (1.110)
где Котс = 1,1-1,2 для реле РТ-40;
Квоз =0,85 - коэффициент возврата реле;
Кзап =2,5 - коэффициент самозапуска обобщенной нагрузки;
Iсз
=
× 161=520,9 А.
Коэффициент чувствительности при двухфазном КЗ:
К
>1,5,
где Iк. мин - минимальный ток двухфазного КЗ до трансформатора ГПП.
К
=6,6>1,5(1.111)
Выдержка времени выбирается из условия селективности на ступень выше наибольшей выдержки времени tп защит присоединений, питающихся от трансформатора
tт =tп + D t, с ,
где tп =0,8 с - выдержка времени защиты, установленной на присоединениях питающихся от данного трансформатора,
Dt =0,5 с - ступень выдержки времени.
tт =0,8+0,5=1,3 с .
Расчет защиты от перегрузки.
Защиту от перегрузки осуществляют одним реле РТ-80 с ограниченно зависимой характеристикой. Защита действует на сигнал с выдержкой времени. Ток срабатывания выбирают из условия возврата реле при номинальном токе трансформатора:
Iсз
=
×Iном. тр
, А, (1.112)
Iсз
=
× 50,3= 66 А.(1.113)
Время действия защиты от перегрузки выбирается на ступень больше МТЗ:
tпер =tмтз +Dt, с
tпер =1,3+0,5=1,8 с .
Автоматика и сигнализация.
На подстанциях предусматривается следующая автоматика:
1) Автоматическое включение резерва (АВР). АВР питания или оборудования предусматривают во всех случаях, когда электроснабжение вызывает убытки, значительно превышающие стоимость установки устройства АВР. В случае повреждения одного из трансформаторов, происходит его отключение и автоматическое включение секционного выключателя, чем обеспечивается бесперебойное электроснабжение потребителей.
2) Автоматическое повторное включение (АВР) трансформаторов предусматривается для автоматического восстановления их нормальной работы после аварийных отключений, не связанных с внутренними повреждениями трансформатора. АПВ трансформаторов является обязательным на однотрансформаторных подстанциях с односторонним питанием. На двухтрансформаторных подстанциях с односторонним питанием АПВ целесообразно устанавливать в том случае, если отключение одного трансформатора вызывает перегрузку другого и в связи с этим часть потребителей должна отключиться. АПВ позволяет без вмешательства обслуживающего персонала восстановить питание линии после кратковременных КЗ.
1.13 Заземление и молниезащита ГПП
1.13.1 Расчет заземления ГПП
Исходные данные для расчета:
а) понижающая подстанция, на которой установлены два трансформатора 110/10 кВ с заземленной нейтралью; б) заземлитель предполагается выполнить из горизонтальных полосовых электродов (40х4) мм2 т горизонтальных стержней длиной Lз =5 м, диаметром d =16 мм, глубина заглубления электродов в землю tз =0,7 м. в) расчетное удельное сопротивление верхнего и нижнего слоя земли: r 1 =130 Ом×м, r 2 =40 Ом×м. г) в качестве естественного заземлителя используем систему трос-опора двух подходящих и п/ст ВЛ-110 кВ. Длина пролета 30 м, сечение троса q =50 мм2 , расчетное сопротивление заземлителя одной опоры rоп =14 Ом, число опор с тросом на каждой линии 9.
Сопротивление естественного заземлителя для двух ЛЭП:
Re
=
Ом(1.114)
Требуемое сопротивление рассекания заземлителя: Rз = 0,5 Ом
Требуемое сопротивление искусственного заземлителя:
Rн
=
, Ом(1.115)
Rн
=
=0,83 Ом.
Выбираем контурный заземлитель размещенный по периметру подстанции.
Составляем расчетную модель заземления с площадью S=1015 м2 (рисунок 1.12).
Рисунок 1.12
Lr = 44 Ом - длина горизонтальных электродов; n = 18 шт.;
Количество ячеек по одной стороне модели:
m
=
(1.116)
m
=
= 4,01 » 4.
Уточняем суммарную длину горизонтальных электродов:
Lг
= 2× (m
+1) ×
(1.117)
Lг = 2× (4+1) ×43,9 = 439 м.
Расстояние между вертикальными электродами:
а
=
(1.118)
а
=
= 9,76(1.119)
Суммарная длина вертикальных электродов:
Lв = nlв
Lв = 18×5 = 90 м.
Относительная глубина погружения в землю электродов:
tотн
=
;(1.120)
tотн
=
= 0,13 м.
Относительная длина:
lотн
=
;(1.121)
lотн
=
= 0,26 м.
Расчетное эквивалентное удельное сопротивление грунта:
r
э
= r
2
×
,(1.122)
где
=
= 3,25 1£
£10(1.123)
к
= 0,43×
к
= 0,43×
= 0,23
r э =40× (3,25) 0,23 =52,4 Ом×м.
Определение расчетного сопротивления искусственного заземлителя. Предварительно найдем значение коэффициента А.
Из условия 0,1 £tотн £ 0,5
А = 0,385 - 0,25 × tотн
А = 0,385 - 0,25×0,13 = 0,35
отсюда:
R
= А
×
, Ом(1.124)
R
= 0,35 ×
=0,52 Ом
Полученное значение практически совпадает с требуемым (0,72 Ом).
Общее сопротивление заземлителя подстанции с учетом Re :
Rз
=
=
= 0,37 Ом(1.125)
Потенциал заземляющего устройства в аварийный период:
j зу = Iз × Rз , (1.126)
j зу = 25×0,37 = 9,25 кВ < 10 кВ.
Таким образом искусственные заземлители подстанции должны быть выполнены из горизонтальных пересекающихся полосовых электродов сечением (40х4) мм2 , общей длиной не менее 440 м и вертикальных стержневых в количестве 18 штук, диаметром 16 мм, длиной по 5 м, размещенных по периметру заземлителя. Погруженных в землю на 0,7 м. При этих условиях сопротивление искусственного заземлителя Rн в самое неблагоприятное время года не будет превышать 0,52 Ом, а Rн не более 0,5 Ом.
1.13.2 Расчет молниезащиты ГПП
Для установки молниеотводов используем высокие сооружения на подстанции.

Рисунок 1.13
Высота молниеотвода из условия:
D £ 8 (h-hх ),
где h - высота молниеотвода; hх - габарит подстанции.
Наивысшая точка - высота подвеса проводов ЛЭП-110 кВ.
hх
= 7,6 м; D
= 24 м.(1.127), h
=
= 10,6 м(1.128)
Принимаем h = 13 м. Выберем зону защиты типа А , степень надежности 99,5%.
hо = 0,85×h ;
hо = 0,85×13 = 11,05 м.(1.129)
Радиус зоны защиты на земле:
rо = (1,1 - 0,002h ) ×h ; rо = (1,1 - 0,002×13) ×13 = 13,96 » 14 м.
Радиус зоны защиты на высоте защищаемого сооружения hх = 7,6 м:
rо
= (1,1 - 0,002h
) ×
;(1.130)
rо
= (1,1 - 0,002×13) ×
= 4,4 м.(1.131)
Высота зоны защиты в середине пролета между двумя молниеотводами:
hо
= 4h
-
;
hо
12
= 4×13 -
= 11,8 м;
hо
24
= 4×13 -
= 11,5 м;
hо
34
= 4×13 -
= 12 м;
hо
13
= 4×13 -
= 11,5 м.
Ширины зоны защиты в середине пролета между молниеотводами на высоте hх : для условия
£hх
£hо
2×rох = 1,5× (hо - hх );
rох 12 = 0,75× (11,8- 7,6) = 3,2 м;
rох 13 = rох24 = 0,75× (11,5- 7,6) = 2,9 м;
rох 34 = 0,75× (12- 7,6) = 3,5 м

Рисунок 1.14 - Зона защиты молниеотводов
Рассчитанные и установленные молниеотводы на главной понизительной подстанции обеспечивают полную защиту от прямых ударов молнии. Выбранная зона защиты обладает степенью защиты 99,5%.
2. Специальная часть. Автоматическое регулирование мощности конденсаторов
2.1 Общие сведения о компенсации реактивной мощности
Под номинальной реактивной мощностью электроприемника понимается реактивная мощность, потребляемая им из сети или отдаваемая в сеть при номинальной активной мощности и номинальном напряжении.
Групповая номинальная реактивная мощность - это алгебраическая сумма номинальных реактивных мощностей отдельно работающих электроприемников:
Qномг
=

Потребителями реактивной мощности являются все электроприемники, у которых кривая синусоидального тока отстает от кривой синусоидального напряжения на фазовый угол j . Для большинства потребителей реактивной мощности значение фазового угла j зависит от реактивного сопротивления злектроприемников и определяется полным сопротивлением фазы. Ктаким злектроприемникам относятся асинхронные двигатели, трансформаторы, линии электропередачи, осветительные сети с газоразрядными лампами и др. Для других потребителей реактивной мощности значение фазового угла не зависит от реактивного сопротивления и определяется степенью регулирования преобразовательного сопротивления и коэффициентом искажения, определяющим гармонический состав кривой тока, это относится к тиристорным преобразовательным установкам.
Основными потребителями реактивной мощности на промышленных предприятиях являются:
а) Асинхронные двигатели (60-65% от общего потребления).
б) Трансформаторы (20-25%).
в) Вентильные преобразователи, реакторы, воздушные и кабельные линии и прочие потребители (10%).
Основным источником реактивной мощности является синхронный генератор электростанций (Q3), но он не в полном объеме снабжает реактивной мощностью потребителей, так как это невыгодно, потому что при передаче в элементах системы электроснабжения возникают потери мощности и электроэнергии. Очевидно, что все параметры режима сети зависят от активной и реактивной мощности. Однако если для изменения активной мощности требуется изменять технологический режим работы потребителей электроэнергии, то изменение реактивной мощности достается более просто - с помощью компенсирующих устройств, самые распространенные из которых, используемые на промышленных предприятиях:
а) Синхронных компенсатор - это специальные машины, служащие для компенсации реактивной мощности в большом количестве РудСК =11¸30 кВт/Мвар
б) Синхронные двигатели (РудСД = 9кВт/Мвар);
в) Батареи конденсаторов - специальное устройство для компенсации реактивной мощности, батареи конденсаторов могут быть высоковольтные и низковольтные. (РудБК = 4,5кВт/Мвар),
В данном проекте для компенсации реактивной мощности используются низковольтные конденсаторные батареи. Это наиболее распространенный способ компенсации активной мощности в промышленных электросетях, для таких конденсаторов принят термин "конденсаторы для повышения коэффициента мощности" или просто "конденсатор". Широкое применение конденсаторов для компенсации реактивной мощности объясняется значительными преимуществами по сравнению с другими существующими в промышленности способами компенсации реактивной мощности, а именно: более высоким к. п. д., иначе говоря малыми удельными потерями активной мощности, не превышающими 0,5% на 1 квар компенсирующего устройства (в синхронных компенсаторах эта величина составляет 10% номинальной мощности компенсатора, а в синхронных двигателях 7%), отсутствием вращающихся частей, простотой монтажа и эксплуатации, сравнительно невысокими капиталовложениями, широкой возможностью установки в любых точках электросети, отсутствием шума во время их работы, отсутствием необходимости в уходе и наблюдения за их работой и др.
2.2 Определение мощности батарей конденсаторов
В настоящем проекте производится расчет автоматического регулирования мощности конденсаторных установок на стороне низкого напряжения ТП6. Расчет выбора мощности батарей конденсаторов ведутся согласно "Указаний по проектированию компенсации реактивной мощности в электрических сетях промышленных предприятий.
Из условия баланса реактивной мощности на шинах 0,4 кВ определим величину Qнбк 1 :
Qнбк 1 +Q 1 =Qp 0,4 , кВар, отсюда
Qнбк 1 =Qp 0,4 -Q 1 , кВар,
Qнбк 1 =5801-4064,7=1736 кВар,
где Q 1 - мощность, которую целесообразно передать через трансформаторы в сеть напряжением до 1 кВ; Qp 0,4 - суммарная расчетная реактивная нагрузка. Дополнительная мощность Qнбк 2 для данной группы трансформаторов определяется по формуле:
Qнбк 2 =Qp 0,4 - Qнбк 1 - · NTЭ - SHT = 5801-1736-0,9×11×1000= - 5835 кВар;
где =0,90 - расчетный коэффициент;
= f (K 1 ,K 2 , сx. питания ТП).
K 1 =14; K 2 =2 - для трансформаторов мощностью SHT =1000 кВА.
Так как Q нбк 2 <0, тo принимаю Qнбк 2 =0, отсюда следует, что
Qнбк =Qнбк 1 +Qнбк 2 =1736+0=1736 кВар.
Определим мощность одной батареи конденсаторов, приходящуюся
на каждый трансформатор:
![]()

Выбираем конденсатор УКБН-0,38-200-50 УЗ.
Распределим Qнбк по ТП пропорционально их мощностям.
Для ТП1,2
QрТП1,2 =2167,2 кВар Qрнбк =х,
тогда
,
то фактическая реактивная мощность
QфТП 1,2 = (4×150) + (4×20) =680 кВар,
а не скомпенсированная мощность равна
Qнеск = QрТП 1,2 - QфТП 1,2 =2167,2-680=1487,2 кВар.
Для ТП3,4
QрТП 3,4 =2197,2 кВар Qрнбк =х ,
тогда
,
то фактическая реактивная мощность равна
QфТП 3,4 = (4×150) + (4×20) =680 кВар,
а не скомпенсированная мощность равна
Qнеск = QрТП 3,4 - QфТП 3,4 =2197,2-680=1517,2 кВар.
Для ТП5,6
QрТП 5,6 =1474,4 кВар Qрнбк =х,
тогда
,
то фактическая реактивная мощность равна
QфТП 5,6 = (4×150) =450 кВар,
а не скомпенсированная мощность равна
Qнеск = QрТП 5,6 - QфТП 5,6 =1474,4-450=474,4 кВар.
Уточненное распределение Qнбк по ТП сведем в таблицу 2.1
Таблица 2.1
| №ТП | QрТП , кВар | Qрнбк , кВар | QфТП , кВар | Qнеск , кВар |
| ТП1, ТП2 | 2167,2 | 648,6 | 680 | 1487,2 |
| ТП3, ТП4 | 2197,2 | 657,5 | 680 | 1517,2 |
| ТП5, ТП6 | 1474,4 | 441,2 | 450 | 1024,4 |
| Итого | 5838,7 | 1747,3 | 1810 | 4028,7 |
2.3 Размещение конденсаторов и автоматизации их работы
После выбора мощности компенсирующих устройств необходимо рассмотреть вопрос о размещении их в пределах цехов. Расчет ведем для ТП № 6, питающая цеха № 12,14, и для ГПП.
Потери активной мощности в конденсаторах определяются по формуле
DP =tg 8Q , кВт(2.2)
где Q - мощность конденсаторной установки, кВар;
tg d - удельные потери, для конденсаторов.
Рассчитаем потери активной мощности в низковольтной батарее конденсаторов
DРнбк =0,004×5400=1,8 кВт.
Зная, что график нагрузок неравномерный при двухсменной работе завода необходимо установить на стороне 0,4 кВ конденсаторные установки со ступенчатым автоматическим регулированием их мощности.
Количество ступеней регулирования следует выбирать не более трех-пяти с одинаковой или различной мощностью, а мощность ступеней должна соответствовать изменению по графику. Также необходимо определить последовательность коммутационных операций, которая может быть выполнена по одному из следующих исполнений:
1) Применение одинаковых по мощности конденсаторных установок, например: 100: 100: 100 кВар и т.д.;
2) По мощности, отличающейся в арифметической прогрессии, например 100: 200: 300: 400 кВар и т.д.;
3) По мощности, отличающейся в геометрической прогрессии, Например 100: 200: 400: 800 кВар и т.д.;
4) Смешанные комбинации из различных мощностей.
В первом исполнении - это простая схема автоматики, так как включение и отключение конденсаторной установки происходит последовательно. Но при определенной мощности регулирования количество выключателей равно количеству одинаковых конденсаторных установок и соответственно числу ступеней. Во втором и третьем исполнениях количество выключателей и конденсаторных установок меньше, а число ступеней Iнамного больше.
Наиболее экономична и целесообразна схема регулирования при применении мощности конденсаторных установок, отличающихся по геометрической прогрессии. В этом случае при меньшем количестве выключателей Iчисло ступеней регулирования увеличивается.
3. Расчет для низковольтной батареи конденсаторов
Так как мощность низковольтной батареи конденсаторов равна 200 кВар, количество ступеней две. Последовательность коммутационных операций - применение одинаковых по мощности конденсаторных установок 100: 100 кВар. Составим схему последовательности коммутационных операций при автоматическом регулировании рисунок 3.1, соответственно графику нагрузки отделения механического цеха рисунок 3.2, нанесем на нем линию Qнбк и результирующую реактивную мощность на шинах 0,4 кВ которую найдем по формуле (3.4)
Qрез = Qх - Qнбк . (3.3)
Отклонение напряжения от номинальных значений происходят из-за суточных, сезонных и технологических изменений электрической нагрузки потребителей, изменения мощности источников реактивной энергии, регулирования напряжения на генераторах электростанций и в узлах сети, изменения схемы и параметров электрических сетей.
Поэтому при включении конденсаторов в сеть нужно учесть регулирующий эффект. Включение одной ступени конденсаторной установки дает "добавку" напряжения равной, в %:
DUнбк = QХс /0,4U 2, (3.4)
где Q - реактивная мощность секции конденсаторной установки, кВар;
U - линейное напряжение сети, кВ;
Хс - реактивное сопротивление элементов сети, ближайших к установке, Ом.
Потери напряжения, в процентах, на отдельных участках цепи:
DUл = (PR +QХ ) /0,4U 2, (3.5)
где Р и Q - активная и реактивная мощность, кВт и кВар;
R и Х - активное и реактивное сопротивление участка, Ом;
U - номинальное напряжение участка цепи.
Значения X, R, P, Q рассчитаны выше в разделе 1.
Отклонение напряжения в точке Х сети в момент времени t после подключения НБК определяем по формуле
DUх = DUнбк -DUл . (3.6)
Решение занесем в таблицу 3.2
Составим график DU рисунок 3.3
Автоматическое регулирование производится по времени суток с коррекцией по напряжению. Принципиальная схема показана на рисунке 2.4
В данной схеме используются электровторичные сигнальные часы типа ЭВЧС и реле минимального напряжения. Эта схема предусматривает сочетание схем автоматического регулирования по времени суток и напряжению и работает следующим образом. Если после включения ЭВЧС конденсаторной установки в заданное время суток окажется, что напряжение будет повышенное, то реле напряжения 1Н отключит конденсаторную установку.
Если по заданному времени суток ЭВЧС отключит конденсаторную установку, а напряжение в сети очень низкое, то реле 1Н снова включит ее. Если до отключения по заданному времени суток напряжение в сети почему-либо повысится, то реле 1Н отключит конденсаторную установку. Таким образом, ЭВЧС включает или отключает конденсаторную установку по программе, заданной по времени суток, а реле напряжения 1Н вводит коррективы в зависимости от величины напряжения в данный промежуток времени.
Из выражений (3.3-3.6) очевидно, что отклонение напряжения зависит от реактивной мощности, оттуда следует и от наличия компенсирующего устройства, это также можно отследить на графике AV.
Очевидно, что практически все средства повышения качества электроэнергии в том числе и батареи конденсаторов содержат реактивные элементы емкостного характера, а следовательно, влияют не только на баланс реактивной мощности в сети, в чем мы убедились в выше изложенных расчетах, по и на значения показателей качества электроэнергии.
Таблица 3.2 - Расчет автоматизации работы НБК по ступеням
| t, с | Pp , кВг | Qр , квар | Qнбк , квар |
Qpeз , квар |
d Uл ,% | d Uнбк ,% | d Uх ,% |
| 0--6 | 421,875 | 182 | 100 | 82 | 1,663902 | 0,54625 | 1,11765156 |
| 6--7 | 431,25 | 195 | 100 | 95 | 1,749797 | 0,54625 | 1, 20354688 |
| 7--8 | 510,2 | 364 | 100 | 264 | 2,798291 | 0,54625 | 2,2520425 |
| 8--9 | 630 | 559 | 200 | 359 | 4,053663 | 1,0925 | 2,9611625 |
| 9--10 | 668,45 | 638,46 | 200 | 438,46 | 4,548752 | 1,0925 | 3,45625213 |
| 10--11 | 590 | 635,5556 | 200 | 435,55556 | 4,408347 | 1,0925 | 3,31584722 |
| 11--12 | 530 | 494 | 200 | 294 | 3,53985 | 1,0925 | 2,44735 |
| 12--13 | 544 | 520 | 200 | 320 | 3,7041 | 1,0925 | 2,6116 |
| 13--14 | 580 | 598 | 200 | 398 | 4,187325 | 1,0925 | 3,094825 |
| 14--15 | 555 | 577,7778 | 200 | 377,77778 | 4,037174 | 1,0925 | 2,94467561 |
| 15--17 | 543 | 507 | 200 | 307 | 3,6315 | 1,0925 | 2,539 |
| 17--18 | 550 | 498,3333 | 200 | 298,33333 | 3,595271 | 1,0925 | 2,50277083 |
| 18--19 | 510 | 468 | 200 | 268 | 3,366075 | 1,0925 | 2,273575 |
| 19--20 | 502 | 390 | 200 | 190 | 2,9273 | 1,0925 | 1,8348 |
| 20--22 | 510 | 455 | 200 | 255 | 3,295063 | 1,0925 | 2, 2025625 |
| 22--23 | 480 | 364 | 200 | 164 | 2,75035 | 1,0925 | 1,65785 |
| 23--24 | 425 | 267,2222 | 200 | 67,222222 | 2,134389 | 1,0925 | 1,04188889 |

Рисунок 3.1 - Ступени регулирования для НБК

Рисунок 3.2 График нагрузок для НБК

График отклонения напряжения для НБК
4. Безопасность жизнедеятельности
4.1 Анализ условий труда в механическом цехе
Типичные схемы производства огнеупоров включают предварительную подготовку исходных материалов (огнеупорных глин, каолинов, магнезита, кварцита и др.), их обжиг (кроме кварцитов) для получения спекшегося полуфабриката, его измельчение, добавление связующего компонента (глины в шамотных огнеупорах, известкового молока в динасовых и т.д.), смешивание, формование (на прессах или иными способами) изделий массой обычно 3-25 кг, обжиг при 1300-1750 °С в туннельных и других печах. Изготовляют безобжиговые огнеупорные изделия, в том числе крупноблочные, а также плавленые огнеупоры. В производстве неформованных огнеупоров процесс заканчивается измельчением и смешением компонентов.
Огнеупоры применяют при сооружении тепловых агрегатов, печей для получения и плавки металлов, нагрева полуфабрикатов в металлургических и машиностроительных производствах, получения кокса, обжига цемента, установок высокотемпературных химических процессов, энергетических и других установок. Основное назначение огнеупоров - защита неогнеупорных элементов конструкции, а также внешней среды от воздействия высоких температур, расплавов, горячих газов и т.п. Большую часть огнеупоров (около 60%) потребляет чёрная и цветная металлургия.
При производстве огнеупоров существуют технологические установки, являющиеся шумовыми загрязнителями окружающей среды. К таким установкам можно отнести:
а) цех вращающихся печей;
б) цех подготовки глины;
в) цех помола шамота;
г) механический цех, компрессорная.
В механическом цехе при работе технологического оборудования наблюдаются выделения металлической стружки, пыли, то есть возникает опасность поражения электрическим током.
Рассмотрим некоторые вредные факторы, возникающие при работе в цехе.
На промышленных предприятиях при выполнении разнообразных технологических процессов происходит поступление в воздух рабочих помещений, вредные вещества, а также все возможные шумы. В одних случаях источником их является само технологическое оборудование, в других - вредные выделения образуются при выполнении технологических процессов.
Шум в окружающей человека среде создается многочисленными и разнообразными источниками, к главным из которых можно отнести техническое оборудование промышленных предприятий, вентиляционные, компрессорные установки. Шум, создаваемый промышленными предприятиями, технологическими установками не должен превышать предельно допустимых спектров.
При разработке проектов новых промышленных предприятий производится расчет ожидаемых шумовых полей в местах длительного пребывания людей (акустический расчет).
Таблица 4.1 - Данные по электрическим нагрузкам механического цеха
| № | Наименование оборудования | Установленная мощность, кВт |
| 1 | Краны с ПВ-25% | 36,5 |
| 2 | Пресс | 5,5 |
| 3 | Ковочный пресс | 55 |
| 4 | Камерная электропечь | 50 |
| 5 | Конвейерная закалочная электропечь | 90 |
| 6 | Электродная соляная ванна | 22 |
| 7 | Пресс | 15 |
| 8 | Электродная селитровая ванна | 12 |
| 9 | Вентилятор | 37 |
| 10 | Колпаковая электропечь | 45 |
| 11 | Пресс горячештамповочный | 11 |
| 12 | Пресс кривошипный | 11 |
| 13 | Гильотинные ножницы | 22 |
| 14 | Ковочный пресс | 22 |
| 15 | Высокочастотная установка | 100 |
| 16 | Плазмотрон | 28 |
| 17 | Насос | 11 |
Причинами шума служат механические станки: токарные станки и автоматы, шлифовальные и сверлильные станки, пресса, прокатные станы.
В механическом цехе при работе технологического оборудования наблюдаются выделения металлической стружки, то есть возникают опасность поражения электрическим током.
Основной мерой защиты от поражения электрическим током в сетях напряжением до 1000 В является зануление.
В электроустановках до 1 кВ с глухозаземленной нейтралью с целью обеспечения автоматического отключения аварийного участка проводимость фазных и нулевых защитных проводников должна быть выбрана такой, чтобы при замыкании на корпус или на нулевой защитный проводник возникал ток короткого замыкания превышающий не менее чем в три раза номинальный ток плавкого элемента ближайшего предохранителя, а для автоматического выключателя с номинальным током более 100А - не менее 1,25.
Также необходимо рассмотреть задачу по обеспечениюпожаробезопасности рабочего процесса.
Пожарная профилактика на предприятии имеет большое значение, т.к возникновение пожара повлечет за собой потерю больших материальных ценностей. Рассматривая административный корпус отметим, что его особенностью является небольшая площадь помещений. Как известно, пожар может возникнуть при взаимодействии горючих веществ, окислении и источников зажигания. Горючими компонентами на предприятиях являются: строительные материалы акустической и эстетической отделки помещений, перегородки, двери, полы, перфокарты и перфоленты, изоляция силовых, сигнальных кабелей, обмотки радиотехнических деталей и т.д. Особенностью корпусов завода является очень высокая плотность расположения элементов электротехники. При прохождении электрического тока по проводам и деталям выделяется тепло, что в условиях их высокой плотности может привести к перегреву, а, следовательно, и к возгоранию.
При проектировании новых или реконструкции старых зданий необходимо соблюдать мероприятия пожарной профилактики, руководствуясь при этом СН 512-78 "Инструкции по проектированию административных зданий и помещений" и СНиП 11-2-80 "Противопожарные нормы проектирования зданий и сооружений", в которых изложены основные требования к огнеопасности зданий и сооружений, противопожарным преградам, эвакуации людей из зданий и помещений.
Согласно СНиП 11-90-81 "Производственные здания промышленных предприятий" все производства подразделяются на 6 категорий. Для большинства технологических процессов в помещениях установлена категория пожарной опасности 13 (в производстве обращаются твердые сгораемые вещества и материалы), и относятся к "Д" категории. В зданиях 1 и 2 степеней огнеопасности при категории пожарной безопасности производства в СНиП 11-90-81 установлены обязательные размеры эвакуационных путей и выходов из помещений, размеры коридоров и выходов из коридора наружу или на лестничную площадку.
К первичным средствам тушения пожаров, предназначенным для локализации небольших загораний, относятся пожарные стволы, внутренние пожарные водопроводы, огнетушители, сухой песок, асбестовые одеяла и т.п.
Для того чтобы быстро локализовать и ликвидировать пожар на предприятии, сохранить при этом по возможности больше дорогостоящего оборудования целесообразнее воспользоваться порошковой системой пожаротушения.
4.2 Акустический расчет механического цеха
Цех имеет большое количество электроприемников, но для расчета принимаем два вида источников шума, остальными источниками можно пренебречь, так как их уровень звукового давления ниже на 10 дБ более шумных.
На рисунке 4.1 показан план цеха с нанесением на него электроприемников, имеющих высокий уровень звукового давления.
![]()
Рисунок 4.1 - План механического цеха
Где точка А является расчетной точкой, которая находится в середине помещения между станками на высоте 1,5 м от пола; r 1 - r 10 - расстояние от акустических центров до расчетной точки.
4.2.1 Определение допустимых уровней звукового давления Lдоп для расчетных точек
В производственном помещении объемом 14400 м3 размещено 10 источников шума двух типов: 6 - источников одного типа (пресса), обозначаемых ИШI (Lр 1 ) и 4 - другого (вертикально-сверлильные станки), обозначаемых ИШII (Lр 2 ). Уровни звуковой мощности, излучаемой каждым источником приведены в таблице 4.2 Расстояние от акустических центров до расчетной точки: r 1 =10 м; r 2 =17,5 м; r 3 =23 м; r 4 =9,5 м; r 5 =11,2 м; r 6 =13 м; r 7 =16 м; r 8 =17,8 м; r 9 =18 м; r 10 =20 м.
Таблица 4.2 - Уровни звуковой мощности источников шума.
| Величина, дБ | Среднегеометрическая частота октавной полосы, Гц. | |||||||
| 63 | 125 | 250 | 500 | 1000 | 2000 | 4000 | 8000 | |
| Lр1 | 83 | 83 | 89 | 89 | 90 | 91 | 90 | 89 |
| Lр2 | 81 | 82 | 83 | 86 | 85 | 84 | 90 | 84 |
Октавные уровни звукового давления L, дБ в расчетных точках помещений, в которых несколько источников шума, следует определять в зоне прямого и отраженного звука по формуле:
(4.1)
где Di =10 0,1 L рi
Lрi - октавный уровень звуковой мощности, создаваемый i-тым источником шума;
m - количество источников шума, ближайших к расчетной точке (т.е. источников, для которых ri <5 rmin - расстояние от расчетной точки до акустического центра источника);
n - общее количество источников шума в помещении.
Минимальное расстояние от расчетной точки до акустического центра и ближайшего к ней источника rmin =9,5 м, 5rmin =47,5 м. Общее количество источников шума остается таким же, т.е.10 электроприемников. Наибольший габаритный размер рассматриваемых источников lmax =2,3 м. Следовательно, для всех источников выполняется условие 2 lmax < rmin , поэтому можно принять Si =2p r 2 . Величина ri /lmax =2, поэтому кi =1. По формуле определяем суммарные уровни звукового давления Lобщ в расчетной точке от всех источников шума.
Постоянная помещения определяется по формуле:
B = B 1000 ´m ,(4.2)
где B 1000 - постоянная помещения на среднегеометрической частоте 1000 Гц, определяемая по таблице в зависимости от объема и типа помещения.
Для данного цеха объемом V =14400 м3 и небольшим количеством людей.
B 1000 = V /20 = 14400/20 = 720 м3 . (4.3)
m - частотный множителей, зависящий от объема помещения. Для данного цеха значения m приведены в таблице 4.3
Таблица 4.3 - Значение частотного множителя m
| Объем помещения, м3 | Частотный множитель | |||||||
| 63 | 125 | 250 | 500 | 1000 | 2000 | 4000 | 8000 | |
| V >1000 | 0,5 | 0,5 | 0,55 | 0,7 | 1,0 | 1,6 | 3,0 | 6,0 |
Затем по формуле определяется требуемое снижение шума:
DLтр =Lобщ -Lдоп , (4.4)
где Lобщ - октавный уровень звукового давления в расчетной точке от всех источников;
Lдоп - допустимый уровень звукового давления для рабочего места, для данного цеха этот уровень приведен в таблице 4.4
Таблица 4.4 - Допустимые уровни звукового давления
| F , Гц | 63 | 125 | 250 | 500 | 1000 | 2000 | 4000 | 8000 |
| Lдоп | 99 | 92 | 86 | 83 | 80 | 78 | 76 | 74 |
Результаты расчетов по отделению механического цеха сведем в таблицу 4.5
Таблица 4.5 - Расчет шума по отделению механического цеха
| № | Величина | Ед. изм. | Среднегеометрическая частота октавной полосы, Гц. | |||||||||
| 63 | 125 | 250 | 500 | 1000 | 2000 | 4000 | 8000 | |||||
| 1 | 2 | 3 | 4 | 5 | 6 | 7 | 8 | 9 | 10 | 11 | ||
| 1 | Lр1 | дБ | 83 | 83 | 89 | 89 | 90 | 91 | 90 | 89 | ||
| 2 | Lр2 | дБ | 81 | 82 | 83 | 86 | 85 | 84 | 90 | 84 | ||
| 3 | D1 | - | 1,9´108 | 1,9´108 | 8´108 | 8´108 | 109 | 12,5´108 | 109 | 8´108 | ||
| 4 | D2 | - | 1,6´108 | 1,6´108 | 1,9´108 | 4´108 | 3,2´108 | 2,5´108 | 109 | 2,5´108 | ||
| 5 | S1 =2pr2 1 | м2 | 628 | |||||||||
| 6 | S2 =2pr2 2 | м2 | 1923 | |||||||||
| 7 | S3 =2pr2 3 | м2 | 3322 | |||||||||
| 8 | S4 =2pr2 4 | м2 | 566 | |||||||||
| 9 | S5 =2pr2 5 | м2 | 787 | |||||||||
| 10 | S6 =2pr2 6 | м2 | 1061 | |||||||||
| 11 | S7 =2pr2 7 | м2 | 1607 | |||||||||
| 12 | S8 =2pr2 8 | м2 | 1989 | |||||||||
| 13 | S9 =2pr2 9 | м2 | 2034 | |||||||||
| 14 | S10 =2pr2 10 | м2 | 2512 | |||||||||
| 15 | 100,1Lр1 /S1 | 3´105 | 3´106 | 1,3´106 | 1,3´106 | 1,5´106 | 1,9´106 | 1,6´106 | 1,3´106 | |||
| 16 | 100,1Lр1 /S2 | 9,8´104 | 9,8´104 | 4,2´105 | 4,2´105 | 5,2´105 | 6,5´105 | 5,2´105 | 4,2´105 | |||
| 17 | 100,1Lр1 /S3 | 5,7´104 | 5,7´104 | 2,4´105 | 2,4´105 | 3´105 | 3,7´105 | 3´105 | 2,4´105 | |||
| 18 | 100,1Lр1 /S4 | 3,3´105 | 3,3´105 | 1,4´106 | 1,4´106 | 1,7´106 | 2,2´106 | 1,7´106 | 1,4´106 | |||
| 19 | 100,1Lр1 /S5 | 2,4´105 | 2,4´105 | 106 | 106 | 1,2´106 | 1,5´106 | 1,2´106 | 106 | |||
| 20 | 100,1Lр1 /S6 | 1,7´105 | 1,7´105 | 7,5´105 | 7,5´105 | 9,4´105 | 1,2´106 | 9,4´105 | 7,5´105 | |||
| 21 | 100,1Lр1 /S7 | 8´103 | 9,9´104 | 1,2´105 | 2,4´105 | 1,9´105 | 1,5´105 | 6,2´105 | 1,5´105 | |||
| 22 | 100,1Lр1 /S8 | 6,5´103 | 8´104 | 9,5´104 | 2´105 | 1,6´105 | 1,2´105 | 5´105 | 1,2´105 | |||
| 23 | 100,1Lр1 /S9 | 6,3´103 | 7,8´104 | 9,3´104 | 1,9´105 | 1,5´105 | 1,2´105 | 4,9´158 | 1,2´105 | |||
| 24 | 100,1Lр1 /S10 | 5,1´103 | 6,3´104 | 7,5´104 | 1,5´105 | 1,2´105 | 9,9´104 | 3,9´158 | 9,9´104 | |||
| 25 | Sпп. (15¸24) | 1,2´106 | 1,5´106 | 5,4´106 | 5,8´106 | 2,1´107 | 8,2´106 | 2,2´178 | 5,5´106 | |||
| 26 | Bш 1000 | 720 | ||||||||||
| 27 | m | 0,5 | 0,5 | 0,55 | 0,7 | 1,0 | 1,6 | 3,0 | 6,0 | |||
| 28 | Bш =Bш1000 ´m | 360 | 360 | 396 | 504 | 720 | 1152 | 2160 | 4320 | |||
| 29 | 4/Bш | 1,1´10-2 | 1,1´10-2 | 10-2 | 7,9´10-3 | 5,5´10-3 | 3,4´10-3 | 1,8´10-3 | 0,9´103 | |||
| 30 | S100,1Lр1 =6´100,1Lр1 | 11,4´108 | 11,4´108 | 4,8´109 | 4,8´109 | 6´109 | 7,5´109 | 6´109 | 4,8´109 | |||
| 31 | S100,1Lр1 =4´100,1Lр2 | 5,2´107 | 6,4´108 | 7,6´108 | 1,6´109 | 1,2´109 | 109 | 4´10 | 109 | |||
| 32 | Sпп. (30+31) | 11,9´108 | 17,8´108 | 5,6´109 | 6,7´109 | 7,2´109 | 8,5´109 | 1010 | 5,8´109 | |||
| 33 | Sпп. (29´32) | 1,3´107 | 1,9´107 | 5,6´107 | 5,2´107 | 3,9´107 | 2,8´107 | 1,8´107 | 5,2´106 | |||
| 34 | Sпп. (25+33) | 1,4´107 | 2,1´107 | 6,1´107 | 5,7´107 | 6´107 | 3,6´107 | 4´107 | 1,1´107 | |||
| 35 | Lобщ =10lg (п.34) | 71,4 | 73,2 | 77,8 | 77,5 | 77,7 | 75,5 | 76 | 70,4 | |||
| 36 | Lдоп | 99 | 92 | 86 | 83 | 80 | 78 | 76 | 74 | |||
Так как величина требуемого снижения шума DLтр для механического цеха получилась отрицательной, то не требуются мероприятия по снижение шума.
4.2.2 Расчет зануления
Принципиальная схема зануления приведена на рисунке 4.3 На схеме видно, что ток короткого замыкания Iкз в фазном проводе зависит от фазного напряжения сети Uф и полное сопротивление цепи, складывающегося из полных сопротивлений обмотки трансформатора Zт /3 , фазного проводника Zф , нулевого защитного проводника Zн , внешнего индуктивного сопротивления петли фаза - ноль Xп , и заземления нейтрали трансформатора R0 .
Рисунок 4.2 - Принципиальная схема сети переменного тока с занулением. А - аппарат защиты (предохранитель или автоматический выключатель); Rо - заземление нейтрали.

Рисунок 4.3 - Полная расчетная схема соединения зануления
Поскольку R0 и Rп , как правило, велики по сравнению с другими элементами цепи, параллельная ветвь образованная ими создает незначительное увеличение тока короткого замыкания, что позволяет пренебречь им. В то же время такое допущение ужесточает требования к занулению и значительно упрощает расчетную схему, представленную на рисунке 4.4

Рисунок 4.4 - Упрощенная схема зануления
В этом случае выражение короткого замыкания Iкз ( А) в комплексной форме будет:
Iкз = Uф / ( Zм / 3 + Zф + Zн +jХn ), ( 4.5)
где Uф - фазное напряжение сети, В
Zт - комплекс полного сопротивления обмоток трехфазного источника тока (трансформатора), Ом
Zф
= Rф
+ jХn
-комплекс полного сопротивления фазного провода, Ом![]()
Zн = Rн + jХn - комплекс полного сопротивления нулевого защитного проводника, Ом
Rф и Rн - активное сопротивление фазного и нулевого защитного проводников, Ом
Xф и Хн - внутренние индуктивные сопротивления фазного и нулевого защитного проводников, Ом
Хп - внешнее индуктивное сопротивление контура (петли) фазный проводник - нулевой защитный проводник (петля - фаза - нуль), Ом
Zп =Zф +Zн + jХn - комплекс полного сопротивления петли фаза - нуль, Ом.
С учетом последнего:
Iкз = Uф / (Zм / 3 + Zn) (4.6)
При расчете зануления принято применять допущения, при котором для вычисления действительного значения (модуля) тока короткого замыкания Iкз модули сопротивления обмоток трансформатора и петли фаза - нуль Zт / 3 и Zп складываются арифметически. Это допущение также ужесточает требования безопасности и поэтому считается допустимым, хотя и вносит некоторую неточность (5%).
Полное сопротивление петли фаза - нуль в действительной форме определяется из выражения:
Zn = Ö (Rф + Rн ) 2 + (Xф +Хн + Хп ) 2 , Ом(4.7)
Формула для проверочного расчета определяется из и с учетом коэффициента кратности К тока короткого замыкания определяемого требованиями к занулению:
К × Iн £ Uф / (Zт /3 + Ö (Rф + Rн ) 2 + (Хф + Хн + Хп ) 2)
Значение коэффициента К принимается равным К3 в случае если электроустановка защищается предохранителями и автоматическими выключателями имеющими обратнозависимую характеристику от тока. В случае если электроустановка защищается автоматическим выключателем имеющим только электромагнитный расцепитель (отсечку), то для автоматов с Iн до 100 А, К=1,4, а для автоматов с Iн >100 А, К=1,25.
Значение полного сопротивления масляного трансформатора во многом определяется его мощностью, напряжением первичной обмотки, конструкцией трансформатора.
Расчет зануления производится для электрооборудования механического цеха.
Исходные данные:
напряжение сети - 0,38 кВ;
мощность трансформатора - 1000 кВА;
мощность наиболее удаленного электроприемника (станок) Р=11,6 кВт;
длина кабеля от ТП до ШРА-1, L1 =55 м;
длина провода от ШРА-1 до станка, L2 =8 м.
Схема замещения приведена на рисунке 4.5

Рисунок 4.5
Определим токи нагрузки и выбор аппаратов защиты:
(4.8)
(4.9)
Iнпв =80 А; Iна =100 А.
Определим полные сопротивления элементов цепи:
а) сопротивление трансформатора для группы соединения D/У0 - 11 Zт =0,027 Ом.
б) сопротивление кабеля, при сечении фазной жилы 70 мм2 и нулевой 50 мм2 Zпфо =1,8 Ом/км.
Zп = Zпфо × L1 =1,8×0,055 = 0,099 Ом; (4.10)
в) сопротивление провода при сечении фазной жилы 35 мм2 и нулевой 25 мм2 Zпфо =2,54 Ом/км
Zп = Zпфо × L2 = 2,54× 0,008 = 0,02 Ом
Определим токи КЗ:

(4.11)
Определим кратность тока
кА(4.12),
кА
условие Iкз Iн ×К , где Ка =1,25; Кпв =3,то 2030 А >100×3=300 А и 850 А>3×80=240 А
Определение времени срабатывания аппарата защиты: плавкой вставки определяется по защитной характеристике плавкой вставки, а для автомата принимается из справочника.
Время отключения автоматического выключателя - 0,2 секунды.
Потенциал корпуса поврежденного оборудования:
Uк1 =Iкз ×Zн1 =2,03×0,044=89,3В,
где Zн1 - сопротивление нулевой жилы кабеля, Zн1 =Rн1 , так как величина внутреннего индуктивного сопротивления Хн1 алюминиевого проводника сравнительно мала (около 0,0156 Ом/км).
![]()
где r - удельное сопротивление алюминиевой жилы принимается равной 0,028 Ом×мм2 /м; S - сечение жилы, мм2 ; L - длина проводника, м.
Uк2 = Iкз × Zн2 = 1,71 ×0,008 = 13,6 В
где, где Zн2 - сопротивление нулевого провода, Zн2 = Rн2
![]()
Ток, проходящий через тело человека, равен:
(4.13)
![]()
Согласно ПУЭ такие величины тока являются допустимыми при времени воздействия 0,2 секунды, т.е. время срабатывания автоматического выключателя не превышает допустимых величин.
4.3 Обеспечение пожаробезопасности рабочего процесса
4.3.1 Расчет количества огнетушителей
Для обеспечения тушения пожара в дисплейном зале применена автоматическая стационарная установка порошкового пожаротушения УСП-500. Установка порошкового тушения состоит из сосуда для хранения, баллонов со сжатым газом, редуктора, запорной арматуры, трубопровод и порошковых оросителей. Проведем расчет требуемых количества порошка, диаметров труб, количества баллонов со сжатым газом.
В установке применен порошок ПСБ - бикарбонат натрия с 1-2% кремнеземистого высокодисперсного наполнителя АМ-1-300 и 10% талька. Для выбора порошка применяют дефекторные распылители с диаметрами выходных отверстий 10,12,15, и 25 мм. Определяют массовые расходы порошка
;(4.14)
кг/с,
где
кг/м2
× с - требуемый удельный массовый расход порошка;
F - площадь защищаемого помещения = 400 м2. Запас порошка определяют по наибольшему расходу.
;(4.15)
кг.
где
время тушения, с.
В применяемой установке УСП-500 объем сосуда для порошка
л.
По номограмме определяем диаметры трубопроводов:
мм.
На основании данных проектирования установок порошкового пожаротушения принимаем суммарную площадь сечения выпускных насадок:
Fмас = (0,6¸0,8) ×d , (4.16)
Fма с =0,7×30=21 мм,
Таким образом, применяем две насадки диаметром по 10 мм.
Определяем число баллонов и узлов транспортирующего газа:
N=Gп ×Pатм /Pб ×ро ×Vв , (4.17)
N =1200×105 /125×106 ×123×0,3=13,0356.
Таким образом для тушения пожара в данном помещении хватит 13 баллонов со сжатым газом.

Рисунок 3.5 - Схема расположения огнетушителей
В соответствии с "Типовыми правилами пожарной безопасности для промышленных предприятий", залы (или подобные им помещения) необходимо оборудовать дымовыми пожарными извещателями.
В случае возникновения очага пожара следует немедленно сообщить об этом в городскую пожарную часть, руководству предприятия.
4.3.2 Разработка вопросов пожарной безопасности в цехах
Для тушения пожара в цехах принимаем углекислотное тушение. Расчёт установок состоит в определении необходимого для тушения пожара количества огнетушащего средства и диаметров магистральных и распределительных трубопроводов.
Определение массы огнетушащего средства:
(4.18)
где qрасч =К × qн ×Wпом - расчетная масса огнетушащего средства (кг);
К- коэффициент не учитываемых потерь принимаемый по СН 75-76 1,07¸1,25 в зависимости от категорий пожарной опасности производства в защищаемом помещении и степени его герметичности;
qн - массовая огнетушащая концентрация огнетушащего средства (0,637-0,768 кг/м3 для СО2 );
Wпом - объём защищаемого помещения м3 ;
К 2 - коэффициент, учитывающий остаток огнетушащего средства в системе, по СН 75-76 принимается 0,1¸0,4 в зависимости от вида огнетушащего средства диаметра и длины трубопроводов.
qрасч =К × qн ×Wпом = 1,25 × 0,768 × 100 = 96
(4.19)
Определение числа баллонов:
(4.20)
где 2- коэффициент, учитывающий 100% - запас огнетушащего средства (по СН 75-76);
qбал - масса огнетушащего средства в баллоне
Определение диаметров трубопроводов (мм)
магистрального:
dм
=dс
×
=12
=37,947, (4.21)
распределительного:
dр
=dс
×Öqр
/qм
=37,947
=53125,
где dс - диаметр сифонной трубки в рабочем баллоне
nодн - число баллонов разряжаемых в данном направлений
qр ,qм - количества огнетушащего средства, подаваемого соответственно по распределительному и магистральному трубопроводам.
Определение требуемого числа выпускных насадок.
,(4.22)
где dн -диаметр насадка (мм).
Определение расчётного времени выпуска огнетушащего средства в защищаемое помещение (с)
,(4.23)
где qтр - массовый расход огнетушащего средства через трубопровод данного направления (кг/с), принимаемый по СН 75-76 в зависимости от расчётной длины трубопровода tн - нормативное время тушения -120с.
Углекислый газ, поступая в зону горения, производит охлаждающее и изолирующее действие. При испарении в воздухе 1 кг жидкой углекислоты образуется 500 л углекислого газа.
К аппаратам газового пожаротушения относится подвижной углекислотный огнетушитель типа УП-2М, который предназначен для тушения горящих твердых материалов, нефтепродуктов и электрических установок, где нежелательно применение воды. Огнетушитель оборудован двумя стальными баллонами, установленными на ручной тележке. Их емкость по 40 л, они заполняются углекислотой (под давлением 6 мПа, масса углекислоты в каждом баллоне 25 кг). Эффект тушения пожара достигается за счет охлаждения горючего вещества и за счет разбавления воздуха углекислым газом. Время действия одного баллона 120 с, дальность струи 3-3,5 м.
Возможно применение стационарной установки газового пожаротушения типа К431.
Кроме того, тушение небольших загорании производится ручными углекислотными огнетушителями типа ОУ-2,5,8, дающими струю снегообразной углекислоты 30-40 секунд на расстояние до 2 м, или углекислотно-бромэтиловыми огнетушителями типа ОУБ-7, дающими туманообразное облако, дальность его действия 4-5 м, время действия 40 с.
Согласно классификаций производств, механический цех с металлорежущим оборудованием, в данном случае сверлильно - фрезерно-расточныйстанок690МФ4, относится к категорий Д (наличие только несгораемых веществ я материалов в холодном виде)
4.3.3 Пожарная сигнализация
В механических цехах применимы приемные станции типа ТЛО-30/2М на 30 лучей, укомплектованные датчиками типа 1ЖИЛ-7 и ДПС-038 и совмещены с охранной сигнализацией,
Ручные извещатели типа ПКИЛ - 7 кнопочного действия. Расположены на заметных местах - в проходах, на колоннах и т.д. Для вызова пожарной команды следует разбить стекло на корпусе извещателя и нажать кнопку, чем и будет подан сигнал о пожаре.
Тепловые извещатели дифференциального действия типа ДПС-038 работают на принципе разного нарастания термоэлектродвижущей силы в зачерненных и посеребренных спаях термопар. Они срабатывают при быстром повышении температуры. Эти извещатели имеют расчетную площадь обслуживания 30 м.
Количество автоматических извещателей рассчитывается по формуле
(4.24)
где Sоб - площадь обслуживаемых помещений; а 30 - площадь, обслуживаемая одним датчиком.
Для механического цеха общей площадью 8940 м2 площадь обслуживаемых помещений составит 5100 м2 . Число автоматических извещателей, установленных в цехе, принимаются 270. Число ручных извещателей определяется удобством доступа, планировкой помещений и размерами цеха.
Вывод
Произведенный анализ условий труда позволил выявить ряд опасных и вредных факторов, выделяемых в результате технологической деятельности завода. Расчеты показали, что уровень шума механического цех не нуждается в применении мероприятий по снижению шума. Для создания схемы зануления применяется аппарат защиты, при данных условиях труда он срабатывает за 0,2с. Расчеты по пожаробезопасности показали, что для тушения пожара в данном помещении хватит 13 баллонов со сжатым газом и 170 автоматических извещателей.
Заключение
Тема дипломного проекта "Электроснабжение завода по производству огнеупоров". При проектировании была определена полная потребляемая мощность в размере 13417 кВА, а для снабжения такой мощностью необходимо установить два трансформатора ГПП типа ТДН-10000/110.
Было принято 15 цеховых трансформаторов, которые были установлены ы 6 ТП (5 двухтарнсформаторных подстанций и 1 однотрансформаторная подстанция).
Далее в дипломном проекте был произведен расчет токов к. з., выбор оборудования и кабельной продукции на напряжение выше 1000 В. Были выбраны: выключатели 10 кВ, трансформаторы напряжения, питающие кабели от ГПП до цеховых ТП.
В качестве примера расчета релейной защиты был произведен расчет релейной защиты трансформаторов ГПП. Были рассмотрены дифференциальная защита, максимальная токовая защита, газовая защита и защита от перегрузки. В качестве примера расчета низковольтной сети был произведен расчет низковольтной сети механического цеха.
Далее в разделе БЖД были рассмотрены: анализ условий труда в механическом цехе, акустический расчет, расчет зануления, обеспечение пожаробезопасности рабочего процесса.
В разделе "Экономическая часть" произведен расчет технико-экономических показателей подстанции, анализ влияния внешних факторов на показатели финансово-экономической эффективности инвестиций в объект.
В специальной части дипломного проекта было предложено рассмотреть: автоматическое регулирование мощности конденсаторных установок, были выбраны параметры регулируемых конденсаторных установок, рассмотрены законы регулирования и определения целесообразных областей их использования и определено, что для компенсации реактивной мощности завода необходимо установить две регулируемые секции по 450 кВар каждая, регулирование мощности производить по времени суток, а для компенсации реактивной мощности цеха необходимо установить также две регулируемые секции по 100 кВар каждая, регулирование мощности производить по времени с коррекцией по напряжению.
Список литературы
1. Справочник по проектированию электроснабжения. Под ред. Ю.Г. Барыбина и др. - М.: Энергоатамиздат, 1990. - 576 с.
2. Справочник по проектированию электрических сетей и электрооборудования. Под ред. Ю.Г. Барыбина и др. - М.: Энергоатамиздат, 1991. - 464 с.
3. Электрическая часть электростанций и подстанций: Справочные материалы для курсового и дипломного проектирования: Учебное пособие для вузов. - 4-е изд., перераб. и доп. - М.: Энергоатомиздат, 1989.
4. Лунина Л.Г., Шафирович Я.В. Правила техники безопасности при эксплуатации электроустановок, 2-е изд., - М.: Энергоатомиздат, 1989. - 144 с.
5. Федоров А.А. Справочник по электроснабжению и электрооборудованию. В 2-х томах. - М.: Энергоатомиздат, 1986.
6. Санатова Т.С. Методические указания и задания к расчетно-графическим работам по курсу "Экология" для студентов, обучающихся по специальностям электроэнергетического направления. - Алматы: АИЭС, 2002. - 25 с.
7. Санатова Т.С., Кошулько Л.Д. Защита персонала от поражения электрическим током (часть 1). Методические указания к дипломному проекту. - Алматы: АЭИ, 1996. - 28 с.
8. СНиП РК 2.04-05.2002 г. Естественное и искусственное освещение. Государственные нормативы в области архитектуры, градостроительства и строительства.
9. Замыслов П.А., Белоус А.Ф. и др. Правила пожарной безопасности для энергетических предприятий. - М.: Энергоатомиздат, 1988. - 144 с.
10. Долин П.А. Основы техники безопасности в электроустановках, 2-е изд. - М.: Энергоатомиздат, 1984. - 448 с.
11. Долин П.А. Справочник по технике безопасности, 6-е изд., - М.: Энергоатомиздат, 1985. - 834 с.
12. Кнорринг Г.М. Осветительные установки. - Ленинград, 1981.
13. Справочная книга по светотехнике. Под ред. Ю.Б. Айзенберга. - М.: Энергоатомиздат, 1983.
14. Тищенко Г.А. Осветительные установки. - М.: Энергоатомиздат, 1989.
15. Князевский Б.А. Охрана труда, 2-е изд., - М.: Высш. школа, 1982. - 311 с.
