| Скачать .docx |
Реферат: Компоненты электронной техники
Введение
Радиоэлектронное устройство — это изделие, состоящее из отдельных электронных функциональных узлов, каждый из которых выполняет определенную операцию. Функциональный узел состоит из пассивных и активных элементов, соединение которых образует электрическую схему. Эффективность электронной аппаратуры обусловлена высоким быстродействием, точностью и чувствительностью входящих в нее элементов, важнейшими из которых являются электронные приборы.
Исторически в развитии технической электроники можно выделить три основных этапа: ламповая электроника, полупроводниковая электроника, микроэлектроника.
Ламповая электроника, как раздел технической электроники, берет начало с XIX века, когда русский электротехник Ладыгин создал первую лампочку накаливания, далее работы Эдиссона и Столетова послужили началом изучения электронных явлений (термоионная и фотоэлектронная эмиссия). Следующим этапом послужило изобретение радиоприемника Поповым, лампового детектора Флемингом, введения в детектор управляющего электрода Де Форестом Ли. Совершенствование электронных ламп привело к появлению, в настоящее время, вакуумных интегральных схем и миниатюрных ламп различного назначения.
Наряду с этими приборами разрабатывались и развивались другие электронные приборы: электроннолучевые, ионные, фотоэлектронные, полупроводниковые.
Применение полупроводниковых приборов позволило в несколько раз уменьшить габаритные размеры многоэлементных установок, повысить надежность работы, снизить потребляемую мощность.
Современный этап развития электронной техники характеризуется значительным усложнением электронной аппаратуры. Габаритные размеры обычных дискретных приборов не удовлетворяют требованиям размеров и надежности современной электронных устройств. Все большее развитие получает микроэлектроника – отрасль электроники, охватывающая исследования и разработку интегральных микросхем и принципов их применения. Интегральная микросхема – это законченный функциональный узел, выполненный на единой несущей конструкции – подложке, в едином технологическом процессе и выполняющий определенную функцию преобразования информации.
Современные технические средства электроники широко используются во всех отраслях народного хозяйства, в том числе и в медицинской аппаратуре. В связи с повышенным требованием к качеству изготовления, точности параметров, достоверности измерений этой аппаратуры, выделяется отдельное направление – медицинская электроника.
Компоненты электронной техники делятся на активные и пассивные.
Активные элементы способны усиливать, обрабатывать и преобразовывать сигналы. Пассивные — накапливать или расходовать энергию сигнала.
Элемент электрической схемы, имеющий определенное функциональное назначение и имеющий выводы для соединения с другими элементами, называется деталью радиоэлектронного устройства, или радиодеталью.
С помощью этих приборов можно сравнительно просто и во многих случаях с высоким к.п.д., преобразовать электрическую энергию по форме, величине и частоте тока или напряжения. Кроме того, с помощью электронных приборов, удается преобразовать неэлектрическую энергию в электрическую и наоборот (фотоэлементы, терморезисторы, пьезоэлементы и т.д.). Разнообразные электронные датчики и измерительные приборы позволяют с высокой точностью измерять, регистрировать и регулировать изменение всевозможных неэлектрических величин – температуры, давления, деформации, прозрачности и т.д.
Основными компонентами электронной техники являются: резисторы, конденсаторы, катушки индуктивности и дроссели, трансформаторы, коммутационные устройства, электровакуумные приборы, приборы отображения информации, полупроводниковые приборы, акустические приборы, антенны, пьезоэлектрические приборы, линии задержки, источники тока, предохранители и разрядники, электродвигатели, лампы накаливания, элементы цифровой техники, элементы аналоговой техники, провода, кабели, волноводы.
1. Резисторы
Резисторы — пассивные элементы, в которых происходит необратимый процесс поглощения электрической энергии и превращения ее в тепловую. Основное функциональное назначение резисторов — оказывать известное (номинальное) сопротивление электрическому току с целью регулирования тока и напряжения.
Используются в качестве нагрузочных и токоограничительных элементов, делителей напряжения, добавочных сопротивлений и шунтов в измерительных цепях и т.д.
Различают постоянные, переменные и подстроечные резисторы. Резисторы, сопротивление которых нельзя изменять в процессе эксплуатации, называют постоянными. Резисторы, изменением сопротивлений которых осуществляются различные регулировки в процессе работы аппаратуры, называют переменными. Резисторы, сопротивление которых изменяют только в процессе налаживания аппаратуры, называют подстроечными.
По виду вольтамперной характеристики различают резисторы линейные и нелинейные (постоянного и переменного сопротивления). В нелинейных резисторах в качестве токопроводящего элемента применяются разные полупроводниковые материалы.
По конструкции резисторы подразделяются на пленочные, объемные и проволочные, а по материалу токопроводящего (резистивного) элемента – на пленочные, углеродистые, металлопленочные, металоокисные, металлодиэлектрические, композиционные и полупроводниковые. В проволочных резисторах токопроводящим слоем служит проволока с высоким удельным сопротивлением, намотанная на цилиндрические или плоские диэлектрические каркасы. В непроволочных резисторах токопроводящим слоем является слой углерода или металла, нанесенный на керамический стержень.
По способу защиты резистивного элемента различают резисторы неизолированные, изолированные (лакированные), компаундированные, опрессованные пластмассой, герметизированные и вакуумированные.
К основным параметрам резисторов относятся: номинальное значение сопротивления, допустимое отклонение от номинального значения, номинальная мощность рассеивания, температурный коэффициент сопротивления, уровень шумов, собственная индуктивность и емкость.
Сопротивление резисторов – характеризует его способность препятствовать протеканию электрического тока. Его измеряют в Омах (Ом), килоОмах (0м), мегаОмах (МОм) и т.д.
Номинальное значение сопротивления резистора – значение сопротивления, которое должен иметь резистор в соответствии с нормативной технической документацией (ГОСТ, ТУ). Определяет силу проходящего через резистор тока при заданной разности потенциалов на его выводах. Резисторы широкого применения выпускаются с номинальным значением сопротивления от долей Ома до сотен мегаОм, согласно стандартной шкале сопротивлений. Номинальное значение сопротивления указывается на корпусе резистора.
Фактическое сопротивление каждого резистора может отличаться от номинального на допустимое отклонение. Допустимое отклонение от номинального значения зависит от класса точности. Различают три основных класса точности:
I класс точности с отклонением от номинального значения сопротивления ±5%;
II класс ±10%;
III класс ±20%.
В табл. 1.1 приведены ряды номинальных сопротивлений трех основных классов точности.
Номинальная величина сопротивления имеет шесть рядов: Е6, Е12, Е24, Е48, Е96, Е192. Цифра после буквы Е указывает число номинальных величин в данном ряду.
Ряды Е представляют собой геометрическую прогрессию со знаменателем qn
, равным: для ряда Е6
; для Е12
; для Е24
; для Е48
; для Е96
; для Е192
.
Таблица 1.1. Ряды номинальных величин сопротивлений резисторов и емкостей конденсаторов общего применения
| Индекс ряда |
Номинальные значения (единицы, десятки, сотни Ом, килоОм, килоОм, мегаОм, гигаОм, пикофарад, микрофарад, фарад) |
Допустимое отклонение от номинальных значений, % |
|||||
Е6Е12Е24 |
1,0 1,0 1,2 1,0 1,1 1,2 1,3 |
1,5 1,5 1,8 1,5 1,6 1,8 2,0 |
2,2 2,2 2,7 2,2 2,4 2,7 3,0 |
3.3 3,3 3,9 3,3 3,6 3,9 4.3 |
4.7 4,7 5,6 4,7 5,1 5,6 6,2 |
6,8 6,8 8.2 6,8 7.5 8,2 9,1 |
± 20 ± 10 ± 10 ± 5 ± 5 ± 5 ± 5 |
Фактически величины сопротивлений отличаются от номинальных в пределах допусков, указываемых в процентах. Постоянные резисторы, обычно используемые в измерительной аппаратуре, имеют допуски ±0,01%; ±0,02%; ±0,05%;±0,1%; ±0,2%; ±0,5%; ±1%; ±2%, ±5%, ±10%, ±20%, ±30%. Номинальные величины сопротивлений с допусками ±5%, ±10% и ±20% должны соответствовать значениям приведенным в таблице 1.1 и полученным путем умножения этих чисел на 10n , где n – целое положительное или отрицательное число.
В табл. 1.2 приведены кодированные обозначения допускаемых отклонений от номинального значения.
Номинальная мощность резистора Рном — это максимально допустимая мощность, рассеиваемая на сопротивлении резистора в течение длительного времени при непрерывной нагрузке и определенной температуре окружающей среды, при которой параметры резистора сохраняются в установленных пределах.
Таблица 1.2. – Кодированные обозначения допустимых отклонений емкости и сопротивления от номинальных значений
| Допустимое отклонение, % |
Кодированное обозначение |
Допустимое отклонение, % |
Кодированное обозначение |
| ±0,1 |
Ж |
±30 |
Ф |
| ±0,2 |
У |
От +50 до -10 |
Э |
| ±0,5 |
Д |
От +50 до -20 |
Б |
| ±1 |
Р |
От +80 до -20 |
А |
| ±2 |
Л |
+100 |
Я |
| ±5 |
И |
От +100 до -10 |
Ю |
| ±10 |
С |
±0,4* |
Х |
| ±20 |
В |
Значения номинальной мощности рассеивания, в ваттах, регламентируются и равны 0,01; 0,025; 0,05; 0,125; 0,25; 0,5; 1; 2: 3; 5 Вт для непроволочных резисторов и 0,125; 0,25; 0,5; 1; 2; 3; 5; 8; 10; 16; 25; 40; 80 Вт для проволочных.
Исходя из номинальной мощности, максимально допустимые для резисторов значения силы тока и напряжения равны
При этом Uмакс не должно превышать регламентированного значения напряжения пробоя для данного резистора.
Относительное изменение сопротивления резистора при изменении температуры на 1°С называется температурным коэффициентом сопротивления (ТКС).
,
где R — сопротивление резистора при номинальной температуре; ΔR алгебраическая разность между сопротивлением, измеренным при заданной температуре, и сопротивлением, измеренным при нормальной температуре; Δt° — алгебраическая разность между заданной и нормальной температурами.
Для резисторов обычно приводится ТКС для определенного интервала рабочих температур. В зависимости от типа резистора ТКС может быть положительным и отрицательным. Для непроволочных резисторов ТКС составляет ± (100¸2000)´10-6 1/°С и для проволочных ± (50¸1000) • 10-6 1/°С.
Разнообразие конструктивных решений, применяемых при изготовлении резисторов, обуславливает многообразный характер зависимости сопротивления от температуры.
У чистых металлов повышение температуры приводит к уменьшению подвижности электронов вследствие взаимодействия их с ионами решетки. При этом сопротивление материала возрастает примерно пропорционально абсолютной температуре. При введении примесей в металлы величина их сопротивления возрастает, а температурный коэффициент удельного сопротивления уменьшается (рис. 1.1).
Композиционные материалы имеют сложную зависимость сопротивления от температуры (рис. 1.1). Одной из причин является влияние контактов между проводящими частицами, преодоление которых носителями зарядов и зависит от температуры. Изменение проводимости материала резистора при изменении температуры определяется также температурными коэффициентами расширения проводящего материала основания.
Температурные коэффициенты сопротивления проводящих материалов представлены в таблице 1.3.
Таблица 1.3. - Температурные коэффициенты сопротивления проводящих материалов
Материал |
ТКР × 104 , град -1 |
| Вольфрам Кадмий Медь МолибденСеребро Тантал Титан Сплавы высокого сопротивления Пиролитический углерод Ферросилициевые сплавы Композиции (на основе сажи и графита) |
46 42 43 46 40 38 44 0,05 ¸ 2 - (2 ¸ 20) ± (5 ¸ 10) ± (1 ¸ 20) |
Электрическая прочность резистора характеризуется предельным напряжением, при котором резистор может работать в течение срока службы без электрического пробоя. Предельное рабочее напряжение резистора зависит от атмосферного давления, температуры и влажности воздуха. Напряжение на резисторе не должно превышать напряжения, определяющего электрическую прочность.
Уровень собственных шумов резистора – отношение электрического напряжения помех резистора, возникающих при прохождении по нему постоянного электрического тока, к приложенному напряжению. По уровню шумов некоторые стандартные непроволочные резисторы делят на группы. Например: А – группа резисторов, уровень собственных шумов которых не более 1 мкВ/В в полосе частот 60 Гц ¸ 6 кГц.
Уровень собственных шумов характеризуется отношением среднеквадратичного значения э.д.с. шумов резистора Еш к постоянному напряжению U0 приложенному к резистору (измеряется в мкВ на 1В приложенного напряжения).

Для непроволочных резисторов, к которым не приложено напряжение, а также проволочных резисторов при температуре 20°С, уровень собственных шумов определяется по формуле:
мкВ,
где DF — полоса рабочих частот, кГц; R. — номинальное значение сопротивления резистора, кОм.
Частотные свойства резисторов определяются номинальным сопротивлением и распределенными реактивными (паразитными) параметрами (индуктивностью и емкостью). Активное сопротивление резистора на переменном токе зависит от его номинального сопротивления, его емкости и индуктивности. В свою очередь, собственная распределенная емкость и индуктивность резистора зависят от его формы и числа витков спиральной нарезки резистивного элемента.
Стабильность резистора характеризуется изменением параметров под влиянием окружающей среды, электрической нагрузки, а также с течением времени при эксплуатации и хранении.
Специфическими параметрами переменных резисторов являются функциональная характеристика и разрешающая способность.
Функциональная характеристика — зависимость сопротивления от перемещения (угла поворота) подвижной системы. По характеру функциональной зависимости переменные резисторы разделяются на линейные (тип А) и нелинейные: с логарифмической (тип Б) и обратно логарифмической (тип В) зависимостями. Выпускаются резисторы и с другими зависимостями.
Для переменных резисторов общего назначения допуск отклонения от заданной кривой составляет 5...20%, для прецизионных – 0,05...1%.
Разрешающая способность показывает, какие наименьшие изменения угла поворота или перемещения подвижной системы резистора могут быть различимы. Она характеризуется минимально возможным изменением сопротивления при минимально возможном перемещении подвижного контакта. Для переменных резисторов общего назначения разрешающая способность составляет 0,1...3%, для прецизионных - тысячные доли процента.
Обозначение резисторов широкого применения состоит из начальных букв — краткой характеристики резистора (например, резистор ВС — высокой стабильности, МЛТ — металлопленочный лакированный теплостойкий) — с дальнейшим указанием мощности, номинала и допускаемого отклонения, разделяемых дефисом. Например, резистор МЛТ-0,125-5,1 кОм ±5%.
В новых типах резисторов введена новая система обозначений. Буква С обозначает резистор постоянного сопротивления, СП — резистор переменного сопротивления. Далее следует цифра, указывающая на специфическую особенность резистора в зависимости от материала токопроводящего слоя:
1 — непроволочные тонкослойные углеродистые и бороуглеродистые; 2 — непроволочные тонкослойные металлодиэлектрические и металлоокисные; 3 — непроволочные композиционные пленочные; 4 — непроволочные композиционные объемные; 5 — проволочные; 6 — непроволочные тонкослойные металлизированные. После первой цифры через дефис ставится вторая цифра, обозначающая регистрационный номер данного типа резистора; далее следуют цифры, указывающие мощность, номинальное значение, допускаемое отклонение. В обозначении переменных резисторов после цифр регистрационного обозначения может стоять буква, указывающая на конструктивные особенности и вид исполнения. Например: резистор С4-1-0,5-30 ± 10%; резистор С2-7Е-0,5 Вт-8,2 Ом ± 5%; резистор СП-39А-0,5Вт-4,7кОм ± 10%В.
При выпуске резисторов для их маркировки применяется кодированное обозначение. Оно состоит из кодированных обозначений номинала и допуска сопротивления. Буква кода обозначает множитель, составляющий значение сопротивления, и определяет положение запятой десятичной дроби. Буквами R, K, M, G, T (Е, К, М, Г, Т) обозначаются множители: 1, 103 , 106 , 109 , 1012 , для сопротивления выраженного в Омах.
Пример: 1К5В — резистор 1,5 кОм, допуск ± 20%; 2М2Ф — резистор 2,2 МОм, допуск ±30%.
1.1 Резисторы постоянного сопротивления
Углеродистые резисторы. Резистивный элемент этих резисторов представляет собой тонкую пленку углерода, осажденную на основание из керамики. В качестве основания обычно используются стержни или трубки. Углеродистые резисторы характеризуются высокой стабильностью сопротивления, низким уровнем собственных шумов, небольшим отрицательным ТКС, слабой зависимостью сопротивления от частоты и приложенного напряжения. Бороуглеродистые резисторы типа БЛП по стабильности сопротивления могут не уступать проволочным резисторам. ТКС этих резисторов равен – (0,012…0,025) %/0 С.
Композиционные резисторы. Резистивный элемент этих резисторов изготовляют на основе композиций, состоящих из смеси порошкообразного проводника (сажа, графит и др.) и органического или неорганического диэлектрика. Композиционные резисторы выпускают пленочного и объемного видов. Пленочные композиционные резисторы по конструкции подобны углеродистым, но отличаются большей толщиной пленки. Объемные резистивные элементы изготовляют в виде стержня путем прессования композиционной смеси, пленочные – путем нанесения композиционной смеси на изоляционное основание.
Пленочные композиционные резисторы характеризуются сильной зависимостью сопротивления от напряжения, низкой стабильностью параметров и очень высокой надежностью. Объемные композиционные резисторы с органическими связующими материалами отличаются высокой стабильностью параметров, сравнительно низкой надежностью и пониженным уровнем собственных шумов, а с неорганическими связующими материалами – очень высокой надежностью, низкой стабильностью сопротивления от частоты до 50 кГц. Сопротивление этих резисторов практически не зависит от напряжения.
Металлопленочные резисторы содержат резистивный элемент в виде очень тонкой (десятые доли микрометра) металлической пленки, осажденной на основание из керамики, стекла, слоистого пластика, ситалла или другого изоляционного материала. Металлопленочные резисторы характеризуются высокой стабильностью параметров, слабой зависимостью сопротивления от частоты и напряжения и высокой надежностью. Недостатком некоторых металлопленочных резисторов является пониженная надежность при повышенной номинальной мощности, особенно при импульсной нагрузке. ТКС резисторов типов ОМЛТ не превышает 0,02. Уровень шумов резисторов группы А не более 1 мкВ/В, группы Б - не более 5 мкВ/В.
Металлоокисные резисторы изготовляются нам основе окислов металлов, чаще всего двуокиси олова. По конструкции они не отличаются от металлопленочных, характеризуются средней стабильностью параметров, слабой зависимостью сопротивления от частоты и напряжения, высокой надежностью.
Проволочные резисторы постоянного сопротивления обычно выполняют на цилиндрическом изоляционном основании с одно- или многослойной обмоткой. Провод и контактные узлы защищают, как правило, эмалевыми покрытиями. Проволочные резисторы характеризуются высокой стабильностью сопротивления, низким уровнем собственных шумов, большой допустимой мощностью рассеяния, высокой точностью сопротивления. Эти резисторы обладают сравнительно большими паразитными реактивными параметрами и поэтому применяются лишь на сравнительно низких частотах. В качестве обмоточных проводов используются провода высокого сопротивления. Для уменьшения паразитных параметров проволочных резисторов применяют намотки специальных видов.
1.2 Обозначения резисторов на электрических схемах
Резистор обозначают на электрических схемах в виде:

Номинальную мощность рассеяния резистора (от 0,05 до 5 Вт) обозначают специальными знаками внутри символа:

Постоянные резисторы могут иметь один или несколько выводов:
Сопротивление постоянного резистора изменить невозможно. Если в цепи необходимо установить определенный ток или напряжение, возле символа резистора ставят звездочку и резистор подбирают.
1.3 Конструкция дискретных резисторов
Сопротивление резистора — это один из основных параметров, который учитывают при конструировании резистора, а также при выборе его для применения в конкретной схеме. Схемы конструкций наиболее распространенных проводящих элементов резисторов показаны на рис. 1.1.

Сопротивление резистора определяется геометрическими размерами и свойствами материала проводящего участка элемента:
,
где l — длина проводящего участка элемента; S —площадь поперечного сечении; r - удельное объемное сопротивление материала.
Удельным объемным сопротивлением называют сопротивление образца данного материала, длина которого, выраженная в метрах, равна площади поперечного сечения (в м2 ):
(Ом×м),
где l — длина проводящего участка элемента.
Удельные объемные сопротивления материалов, используемых для производства резисторов приведены в таблице 1.4.
Таблица 1.4. Удельное объемное сопротивление материалов, используемых для производства резисторов
Материал |
Удельное объемное сопротивление, r × 106 (Ом × м) |
Материал |
Удельное объемное сопротивление, r × 106 (ом × м) |
| Алюминий Вольфрам Железо Золото Кадмий Медь |
0,028 0,055 0,098 0,024 0,076 0,017 |
Молибден Никель Платина Серебро Тантал Титан |
0,057 0,073 0,105 0,016 0,135 0,420 |
Удельной проводимостью называют величину, обратную удельному объемному сопротивлению:
(Ом×м)-1
Сопротивление резистора объемной конструкции (рис. 1.1а):
![]()
где D - диаметр проводящего элемента, где l — длина проводящего участка элемента.
Для резисторов цилиндрической формы с проводящей пленкой, нанесенной на поверхность изоляционного основания, когда толщина пленки мала по сравнению с диаметром основания, сопротивление определяется выражением:
,
где h — толщина пленки; l - длина проводящего участка пленки.




Рис. 1.1. Схемы конструкций проводящих элементов резисторов: а — объемная (цилиндрическая); б, в — пленочная; г — пленочная со спиральной нарезкой; д — пленочная с прорезями; е — с проволочным проводящим элементом; ж — подковообразная; з — шайбовая; и — дисковая; к — бусинковая
Сопротивление участка пленки, имеющего равную длину и ширину, т.е. сопротивление квадрата пленки:
кв
=r/h Ом
Для непроволочных резисторов характерным является отношение:
,
которое называют коэффициентом формы. Значение коэффициента Кф в конструкциях постоянных резисторов обычно близко к единице (0,6-1,5).
У резисторов с малой длиной проводящего элемента неэффективно используется общий объем, поскольку длина контактной арматуры становится сравнимой с рабочей длиной проводящего элемента. Конструкция с большим значением Кф (длинные и тонкие) неудобны в монтаже и в ряде случаев имеют малую механическую прочность. Коэффициент Кф определяет также частотные свойства резистора.
Сопротивление резистора поверхностного типа можно увеличить на несколько порядков путем последовательного снятия слоев проводящего элемента спиральной нарезкой или прорезанном изолирующих канавок. Нарезка проводящего элемента дает возможность использовать в конструкциях высокоомных резисторов пленки большей толщины, имеющие достаточно высокую стабильность характеристик.
Наиболее распространенным является способ спиральной нарезки, который позволяет получить резисторы с широким диапазоном сопротивлений и в то же время является простым в производственных условиях и легко управляемым. Благодаря спиральной нарезке сводится к минимуму влияние переходного сопротивления в контактном узле па полное сопротивление резистора. Полагая, что сопротивления контактных узлов малы, структура проводящего элемента однородна и шаг спирали значительно меньше диаметра основания, сопротивление резистора со спиральной нарезкой (рис. 1.1 г) можно рассчитать так:
,
где N — число витков нарезки; t — шаг спирали; а — расстояние между смежными витками.
Коэффициент нарезки, характеризующий изменение сопротивления в результате нарезки:
,
где R` — сопротивление после нарезки; R - сопротивление до нарезки.
Прорези на проводящем слое с целью увеличения сопротивления резистора делают также вдоль основания (рис. 1.1, д). В этом случае коэффициент нарезки:
,
где N — число прорезей; а — расстояние между смежными проводящими полосками.
Сопротивление проволочных резисторов (рис. 1.1, е) определяется длиной проволоки, ее удельным сопротивлением ρ и площадью поперечного сечения S:
.
В конструкциях переменных резисторов обычно применяют подковообразные проводящие элементы (рис. 1.1, ж).
Сопротивление проводящего участка пленки длиной d у элемента, показанного на рис. 1.1 ж:
,
,
,
где r1 , r2 - внутренний и внешний радиусы проводящего элемента; φ – угол соответствующий проводящему участку дуги; h - толщина токопроводящего слоя.
Сопротивление проводящего элемента переменного резистора:

Сопротивление проводящего элемента резистора шайбовой конструкции (рис. 1.1з):

1.2 Резисторы переменного сопротивления
Основные параметры резисторов переменного сопротивления приведены в таблице 11.20, а габаритные чертежи некоторых типов - на рисунке 11.12.
Резисторы переменного сопротивления применяются для регулирования силы тока и напряжения. По конструктивному исполнению они делятся на одинарные и сдвоенные, одно- и многооборотные, с выключателем и без него; по назначению - на построечные для разовой или периодической подстройки аппаратуры и регулировочные для многократной регулировки в процессе эксплуатации аппаратуры; по материалу резистивного элемента - на проволочные и непроволочные; по характеру изменения сопротивления (функциональной зависимости) - на резисторы с линейной (группа А), обратно логарифмической (группа Б), логарифмической (группа В) и другими функциональными зависимостями (группы Е, И).
Проволочные резисторы переменного сопротивления отличаются повышенной термостойкостью, нагрузочной способностью, высокой износостойкостью, стабильностью параметров при различных внешних воздействиях, сравнительно низким уровнем собственных шумов и малым ТКС. Недостатки этих резисторов - ограниченный диапазон номинальных сопротивлений, значительные паразитные емкость и индуктивность, сравнительно высокая стоимость.
1.3 Терморезисторы
Терморезистор это линейный и нелинейный резистор, сопротивление (проводимость) которого значительно зависит от температуры. Таким свойством обладают и металлы, и полупроводники.
Терморезисторы из платины, меди и других металлов изготавливают в форме проволоки диаметром 0,04…0,08 мм, бифилярно намотанной на изоляционный каркас и помещенной в герметический корпус. Такие терморезисторы имеют небольшой температурный коэффициент сопротивления (0,4…0,5%°С) и значительные габаритные размеры.
Терморезисторы на основе полупроводников имеют достаточно большое сопротивление, по сравнению с металлическими, меньшие габаритные размеры (десятые доли миллиметра) и в 10-20 раз больший ТКС. Они проще по конструкции и надежнее в эксплуатации. Поэтому полупроводниковые терморезисторы имеют более широкое применение.
С ростом температуры сопротивление металла увеличивается, что объясняется увеличением рассеяния свободных электронов на различных дефектах кристалла. Поэтому температурный коэффициент сопротивления металлических терморезисторов положительный.
Большинство полупроводниковых терморезисторов имеют отрицательный температурный коэффициент сопротивления (термисторы), что проще объяснить на примере температурной зависимости проводимости (рис. 2.1). На участке I проводимость увеличивается, (сопротивление уменьшается) за счет ионизации примеси и соответствующего увеличения концентрации свободных носителей заряда (дырок или электронов). На участке 2 проводимость может оставаться постоянной за счет того, что вся примесь ионизирована, а ионизация собственных атомов еще не наступила. На участке 3 проводимость увеличивается за счет ионизации собственных атомов и образования свободных дырок и электронов.

Рисунок 2.1. – Температурная зависимость проводимости
Для изготовления терморезисторов применяют оксидные полупроводники Mn3 O4 , Co3 O4 , CoO, CuO, кобальтово-марганцевые, медно-марганцевые и др. Терморезисторы применяются для измерения и регулирования температуры, температурной компенсации различных элементов электрических цепей, в схемах стабилизации напряжения, уровня сигнала на выходе усилителя и других целей. В зависимости от этого они делятся на следующие группы:
· терморезисторы для измерения и регулировки температуры;
· термокомпенсаторы;
· терморезисторы для теплового контроля;
· терморезисторы для стабилизации напряжения;
· измерительные терморезисторы (термисторы), в частности, болометры (для индикации и измерения теплового излучения).
Конструктивно рабочий элемент терморезистора делается в виде пластин, стержней, трубок, шариков или проволоки для металлических терморезисторов. Рабочий элемент защищается влагостойким покрытием, стеклянным, металлическим или металлостеклянным герметичным корпусом. Терморезисторы могут быть с прямым подогревом (за счет протекающих через них токов) или с косвенным подогревом (за счет специального подогревающего элемента).
Маркировка терморезисторов определяется материалом рабочего тела, параметрами, особенностями конструкции, например:
· КМТ – кобальтовомарганцевый терморезистор;
· ММТ – медно-марганцевый терморезистор;
· СТ1-21 – сопротивление термоуправляемое (1-кобальтомарганцевое, 3–медно-кобальтомарганцевое; 21 – номер разработки);
· ТКП – терморезистор с косвенным подогревом;
· ТКПМ – то же, но малогабаритный; материалом служат окислы титана, ванадия и железа.
Цепь с терморезистором изображена на рис. 1.2. При разработке практических схем с использованием терморезисторов учитываются не только зависимости ВАХ, сопротивления и других параметров от температуры самих терморезисторов, но и подобные зависимости добавочных сопротивлений, шунтов, регулируемых элементов.

Рисунок 1.2. – Цепь с терморезистором
E = UT + UR = UT + IR
UT = f (I)
Теоретическая ВАХ терморезистора приведена на рис. 1.3.


Рисунок 2.3. – ВАХ терморезистора
Помимо ВАХ важнейшей характеристикой терморезистора является зависимость его сопротивления от температуры (рис. 2.4).
|
|
|
Рисунок 2.4. Температурная зависимость сопротивления терморезистора с отрицательным ТКС
Позистором называется терморезистор с положительным ТКС. Позисторы, как и термисторы, можно использовать для температурной стабилизации режима транзисторов. Температурной зависимостью сопротивления можно управлять, используя последовательное или параллельное соединение позистора и термистора или позистора и линейного резистора. При сочетании позистора и термистора температурная зависимость сопротивления имеет максимум или минимум в зависимости от способа их соединения.
1.3 Варисторы
Варистор – это нелинейный полупроводниковый резистор, сопротивление которого зависит от приложенного напряжения. Зависимость сопротивления от напряжения наблюдается у ряда окислов и сульфидов металлов, диборита титана, карбида кремния и у многих материалов сложного состава. Для изготовления варисторов чаще применяют технический карбид кремния (SiC) различных аллотропических модификаций в виде порошка, смешанного со специальным связующим диэлектрическим веществом (связкой). В качестве связки применяют керамику, жидкое стекло, кремнийорганические лаки и другие материалы. Карбид кремния, связанный керамикой, называют тиритом. Материал со стеклянной связкой называют вилитом, а с ультрофарфоровой – лэтином.
Стехиометрическому составу карбида кремния соответствуют: 70,045% Si и 29.955% C. Кристаллы с составом бесцветны, обладают собственной электропроводностью и шириной запрещённой зоны, равной 2,8…3,1 эВ. При нарушении этого состава изменяется тип проводимости: при избытке атомов кремния преобладает электронная проводимость, а при избытке атомов углерода – дырочная.
Тип проводимости и окраска зависят также от вида примеси. Электронная проводимость и зелёная окраска получаются от примеси элементов пятой группы: N, P, As, Sb, Bi. Дырочную проводимость дают примеси второй - Ca, Mg и третьей – Al, B, Ga, In группы, окрашивая основной материал в голубой или фиолетовый цвет. Изготавливают варисторы по керамической технологии: карбид кремния измельчают в порошок, просеивают на фракции, смешивают со связкой (до 10% связки) и из этой массы прессовкой получают образцы в виде цилиндров, дисков или пластин; затем следует термическая обработка, нанесение электродов и остальные операции, типичные для производства полупроводниковых приборов.
Маркировка варисторов расшифровывается следующим образом:
· СН – сопротивление нелинейное;
· первая цифра обозначает материал (1 – карбид кремния, 2 – селен);
· вторая цифра – тип конструкции (1, 8 – стержневой, 2, 6, 7, 10 – дисковый, 3 – микромодульный);
· третья – порядковый номер разработки;
· далее указывается классификационное напряжение в вольтах и его допустимый разброс в процентах.
Например: СН1-1-1-820
10%. Расшифровка: сопротивление нелинейное из карбида кремния стержневого типа первой разработки, рассчитанное на работу при классификационном напряжении 820 В с разбросом
10%.

Рисунок 1. – Структура рабочего тела варистора: 1-электроды; 2-зёрна карбида кремния, 3-связующий материал
Рабочая область варистора (рис. 1) состоит из поликристаллов карбида кремния или другого полупроводника, разделённых диэлектрической связкой. Под действием приложенного напряжения в локальных местах соприкосновения отдельных зёрен карбида кремния или в оксидных плёнках на поверхности зёрен развиваются тепловые эффекты или эффекты сильного поля (лавинный или туннельный пробой). При увеличении плотности тока и выделяемой мощности возможен переход эффектов сильного поля в тепловые. Из–за нерегулярности площадей и сопротивлений контактов зерен, варистор обладает нелинейной и, практически, симметричной ВАХ (рис. 2).

Рисунок 2. – Вольт - амперные характеристики варисторов: 1 - СН1-2-1-56
20; 2 - …82
20%; 3 - …120
10%; 4 - …180
10%; 5 - …270
10%
Основное назначение варисторов – защита элементов электрических цепей постоянного, переменного и импульсного токов от перенапряжений; защита контактов реле разрушения и обмоток от пробоя. Варисторы применяют также для регулировки и стабилизации различных цепей и блоков РЭА, для улучшения их помехоустойчивости и ряда других важных функций.
Рассмотрим некоторые простые примеры практического применения варисторов. На рисунке 3 показана схема стабилизатора выходного напряжения и его выходная характеристика. Известно, что коэффициент стабилизации прямо пропорционален коэффициенту нелинейности ВАХ варистора. В частности, при
:

а при
:
![]()
где RСТ - статическое сопротивление варистора, β - коэффициент ВАХ нелинейности варистора.

Рисунок 3. – а) схема стабилизации напряжения; б) его внешняя характеристика: R – линейный резистор, В1 – варистор, RН – сопротивление нагрузки
Таким образом, для получения лучшей стабилизации нужно выбрать варистор с максимальным коэффициентом нелинейности в рабочей точке ВАХ.
Выходное напряжение может изменяться при изменении сопротивления нагрузки. При этом коэффициент стабилизации:

где ∆RН , ∆UВЫХ - приращения сопротивления соответственно нагрузки и выходного напряжения. Если, ∆RН / RН =0,3, R / RСТ =2, то КСТ =5,8 при. b=4.
Если вместо линейного резистора R включить второй варистор с коэффициентом нелинейности b2 = b1 = 4, то при ∆RН / RН =0,3 и RС2 / RС1 = 2 коэффициент КСТ = 7,4. При этом внешняя характеристика стабилизатора будет такой, как показано на рис. 1.4.
Специальным выбором режима работы стабилизатора можно получить и большие значения КСТ .
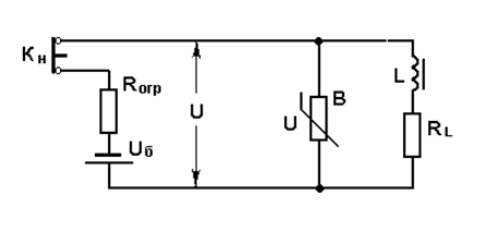
Здесь через RС обозначено статическое сопротивление варистора. Другой пример – включение варистора в схему с индуктивными элементами (рис. 5).

Рисунок 4. – Внешняя характеристика при замене линейного сопротивления варистором
Специальным выбором режима работы стабилизатора можно получить и большие значения КСТ .
Здесь через RС обозначено статическое сопротивление варистора. Другой пример – включение варистора в схему с индуктивными элементами (рис. 5).

Рисунок 5. – Схема включения варистора для искрогашения
Здесь варистор играет роль нелинейного шунта, имеющего большое сопротивление при низком напряжении и малое при всплесках. При включённой кнопке ККН напряжение на варисторе равно U, его сопротивление больше активного сопротивления RL катушки индуктивности и ток через варистор очень мал. В момент размыкания цепи возникает ЭДС самоиндукции и всплеск напряжения, сопротивление варистора резко уменьшается и ток самоиндукции замыкается на варистор. В противном случае в разрыве контактов возникла бы искра, и при многократных разрывах контакты подгорали бы.
Кроме варисторов, в качестве резисторов, управляемых электрическим полем, применяются полупроводниковые приборы с p – n переходом и МДП-структуры.
1.1 Параметры и характеристики варисторов
Статическое и динамическое сопротивление.
На линейном участке ВАХ или в заданной рабочей точке С (см. рис. 2) сопротивление варистора определяется как статическое:
.
На линейном участке сопротивление изменяется при различных напряжениях и определяется как динамическое (дифференциальное):
.
Практически при известной ВАХ величина RД определяется по углу φ касательной, проведённой через соответствующую точку:
,
где к – масштабный коэффициент пересчёта единиц измерений, В/А
Коэффициент нелинейности ВАХ.
Нелинейность ВАХ в заданной точке С (рис 4) определяется отношением статического и динамического сопротивлений:
,
или графически
.
На линейном участке коэффициент нелинейности β=1. В расчётах используется также обратная величина – показатель нелинейности:
.
Коэффициент нелинейности может быть рассчитан также по двум измеренным значениям тока I1 , I2.
При соответствующих напряжениях:
.
Коэффициент нелинейности большинства промышленных варисторов в пределах ВАХ имеет значения 1…5.
Вольт – амперная характеристика.
ВАХ варисторов в параметрической форме для расчетов, как правило, не пригодна из – за многих неизвестных величин. Поэтому на практике пользуются узким диапазоном напряжений, в котором коэффициент нелинейности β≈const. В этом случае ВАХ соответствует уравнению:
,
где коэффициент А – зависит от температуры и особенностей структуры варистора (количества зёрен карбида кремния, площади контактов зёрен), а статическое сопротивление выражается как функция тока или напряжения:
,
![]()
.
Асимметрия токов.
Это отношение
![]()
где I1 и I2 – токи через варистор при различной полярности приложенного напряжения. Желательно, чтобы асимметрия была минимальной.
Температурный коэффициент тока – это отношение:
,
при постоянном приложенном напряжении. Здесь: I1 – ток при температуре T1 = 20 ±20 С; I2 - при T2 - 100 ±20 С. Наряду с TKI пользуются также температурным коэффициентом напряжения и статического сопротивления. Чем более нелинейная ВАХ, тем больше ТК.
Классификационное напряжение и допуск на него
Классификационное напряжение (UКЛ ) – это напряжение, определяемое при установленном классификационном токе IКЛ . Допуск на классификационное напряжение (ΔUКЛ ) – это допустимое отклонение от классификационного напряжения, %:
,
где U – измеренное напряжение. Классификационное напряжение, как правило, отличается от рабочего, которое выбирается с учётом допустимой мощности рассеяния.
Номинальная мощность рассеяния РРАС – это наибольшая допустимая мощность, которую варистор может рассеивать при непрерывной нагрузке, заданной температуре и нормальном атмосферном давлении при условии, что напряжение на варисторе не превышает допустимого.
Собственная ёмкость варистора С0 – это наибольшая начальная его ёмкость. Она определяет частотные свойства варистора.
Некоторые основные параметры варисторов представлены в таблице 1.
Таблица 1. – Основные параметры варисторов

В заводских условиях варисторы подвергаются всем испытаниям, что и другие дискретные полупроводниковые приборы, а в учебной лаборатории проводятся лишь частичные испытания.
2. Конденсаторы
Конденсатор – один из самых широко используемых компонентов радиоустройств и представляет собой две металлические пластины - обкладки, разделенные между собой диэлектриком. Обкладки имеют внешние выводы, с помощью которых конденсатор соединяется с другими элементами. Одним из важных свойств конденсатора является то, что для переменного тока он представляет собой сопротивление, величина которого уменьшается с ростом частоты.
Чем больший заряд способен накопить конденсатор при определенном напряжении, тем больше величина электрической емкости конденсатора. Емкость конденсаторов измеряют в фарадах (Ф). Это очень большая величина, которую на практике не применяют. В радиотехнике применяют конденсаторы от нескольких долей пикофарад (пФ) до сотен миллифарад (мФ).
Конденсатор — пассивный элемент, обладающий способностью запасать электрическую энергию. Количество электричества, накопленного в конденсаторе, прямо пропорционально его емкости С и приложенному напряжению U:
Q = C · U,
где Q – электрический заряд в кулонах, Кл; С – емкость в фарадах, Ф; U – напряжение в вольтах, В.
В цепи переменного тока реактивное сопротивление Хс конденсатора (в Омах) равно

где Хс – емкостное сопротивление конденсатора; f - частота, Гц; С - емкость, Ф.
По характеру изменения емкости различают постоянные, переменные, подстроечные конденсаторы. Конденсаторы, емкость которых постоянна и не изменяется в процессе эксплуатации, называют постоянными (постоянной емкости). Если емкость конденсаторов изменяется в процессе эксплуатации (например, настройка радиоприемников), то конденсаторы называют переменными (переменной емкости). Конденсаторы, емкость которых изменяют периодически в процессе эксплуатации (например, первоначальная настройка контуров при их сопряжении), называют подстроечными.
2.1 Условные обозначения конденсаторов
Сокращенное условное обозначение (в соответствии с ГОСТ 11076-69 и ОСТ 11.074.008-78 состоит из следующих элементов
Первый элемент - буква или сочетание букв, определяющих тип конденсатора: (К - постоянной емкости; КТ - подстроечный; КП - переменной емкости; КС - конденсаторные сборки);
Второй элемент - число, обозначающее используемый вид диэлектрика. Для конденсаторов постоянной емкости (10 - керамические, на номинальное напряжение ниже 1600 В; 15 - керамические. На номинальное напряжение 1600 В и выше; 20 - кварцевые; 21 - стеклянные; 22 - стеклокерамические; 23 - стеклоэмалевые; 26 - тонкопленочные с неорганическим диэлектриком; 31 - слюдяные малой мощности; 32 - слюдяные большой мощности; 40 - бумажные и фольговые на номинальное напряжение ниже 2 кВ; 41 - бумажные и фольговые на номинальное напряжение 2 кВ и выше, 42 - бумажные металлизированные; 50 - оксидные (электролитические) алюминиевые; 51 - оксидные (электролитические) танталовые, ниобиевые; 52 - оксидные танталовые объемопористые; 53 - оксиднополупроводниковые; 58 - с двойным электрическим слоем (ионисторы); 60 - воздушные; 61 - вакуумные; 70 - полистирольные с фольговыми обкладками, 71 - полистирольные с метал-лизированными обкладками; 72 - фторопластовые; 73 – полиэтилентерефталатные с металлизированными обкладками; 74 - полиэтилентерефталатные с фольговыми. Для конденсаторов переменной емкости и подстроенных (1 - вакуумные; 2 - воздушные; 3 - с газообразным диэлектриком; 4 - с твердым диэлектриком). Для нелинейных конденсаторов (1 - вариконды; 2 -термоконденсаторы);
Третий элемент - порядковый номер разработки конкретного типа, в состав которого может входить и буквенное обозначение (П - для работы в цепях постоянного и переменного токов; Ч - для работы в цепях переменного тока; У - для работы в цепях постоянного тока и в импульсных режимах; И - для работы в импульсных режимах).
Полное условное обозначение состоит из сокращенного обозначения и значения основных параметров и характеристик, необходимых для заказа и записи в конструкторской документации: (К75-10-250В-0,1мкФ±5%-В-ОЖО.484.865 ТУ).
В пользовании также встречаются конденсаторы старых типов, в основу классификации которых брались различные признаки: конструктивные разновидности, технологические особенности, области применения, эксплуатационные характеристики и т.д. (КД - конденсаторы дисковые; КМ - керамические монолитные; КЛС - керамические литые секционные; КСО - конденсаторы слюдяные спрессованные; СГМ - слюдяные герметизированные малогабаритные; КБГИ - конденсаторы бумажные герметизированные изолированные; МБГЧ - металлобумажные герметизированные частотные; КЭГ - конденсаторы электролитические герметизированные; ЭТО - электролитические танталовые объемно-пористые; КПК - конденсаторы подстроечные керамические).
2.2 Кодированное обозначение параметров конденсаторов
В зависимости от того, в какой цепи может использоваться конденсатор, к нему предъявляются разные требования. К основным электрическим параметрам, характеризующим конденсатор, относят номинальное значение емкости, допускаемое отклонение от номинального значения, номинальное рабочее напряжение, сопротивление изоляции (ток утечки), тангенс угла потерь, температурный коэффициент емкости.
Маркировка конденсатора в зависимости от габаритных размеров может быть полной или сокращенной (кодированной).
Номинальная емкость конденсатора – значение емкости, которое должен иметь конденсатор в соответствии с нормативной технической документацией (ГОСТ, ТУ). Емкость конденсатора, выбирается из числового ряда значений (ЕЗ, Е6, Е12 и Е24). Величину емкости указывают на корпусе конденсатора числом и буквой. Буквами F, m, m, n, p (м, н, п) обозначаются множители 1, 10-3 , 10-6 , 10-9 , 10-12 (для значений емкости выраженной в фарадах).
Например: 1,5 пф = 1p5; 200 пф = 200р = n20; 2,2 мкф = 2m2.
Полное обозначение включает тип конденсатора, номинальное значение емкости и допустимое отклонение от номинального значения, значение номинального напряжения, товарный знак предприятия, дату выпуска (месяц, год).
Допустимое отклонение от номинальной емкости - максимальное отклонение (разность значений) между измеренной и номинальной емкостями, при оговоренных в НТД частоте и температуре.
Номинальное рабочее напряжение и ток — наибольшее напряжение и ток, при которых конденсатор может надежно работать в течение всего срока службы. Для большинства видов конденсаторов указывается только напряжение постоянного тока. Переменное рабочее (действующее) напряжение должно быть в полтора — два раза меньше указанного постоянного напряжения. При работе конденсатора в цепи пульсирующего тока сумма максимального значения напряжения постоянного тока и амплитуды импульса не должна превышать максимально допустимого значения по постоянному напряжению.
Рабочее напряжение (табл. 2.2) – значение напряжения, при котором конденсатор эксплуатируется в РЭА (обычно ниже номинального).
Пробивное напряжение – значение напряжения, при котором наступает электрический пробой изоляции конденсатора во время постепенного увеличения напряжения на его обкладках. Близкое к пробивному – испытательное напряжение определяет электрическую прочность.
Электрическая прочность уменьшается с увеличением емкости конденсатора, повышением температуры, давления, влажности и зависит от условий теплоотдачи и однородности материала.
Сопротивление изоляции Rиз конденсатора характеризует качество его диэлектрика.
.
Обычно измеряется в мегаомах (МОм) при напряжении 100 В. При емкости конденсатора более 0,1...0,25 мкФ указывают постоянную времени конденсатора
t = Rиз • С
Потери энергии конденсатора, Вт – определяются потерями в диэлектрике и обкладках. В цепи переменного тока:
,
где U – напряжение, приложенное к конденсатору, В; f – частота синусоидального тока, Гц; С – емкость конденсатора; tgd - тангенс угла диэлектрических потерь.
Тангенс угла потерь tgd характеризует потери в конденсаторе, вызванные рассеиванием энергии в диэлектрике и на активном сопротивлении обкладок. Чем больше потери, тем больше tgd. У керамических, стеклоэмалевых и пленочных конденсаторов tgd = 0,001 ¸ 0,0015; у слюдяных конденсаторов tgd = 0,01; у бумажных и металлобумажных tgd = 0,015; в сегнетокерамических tgd = 0,04; электролитических tgd = 0,15¸0,35.
Величина, обратная тангенсу угла потерь, называется добротностью конденсатора.
Температурный коэффициент емкости (ТКЕ) определяется относительным изменением значения емкости конденсатора при изменении температуры окружающей среды на 1°С.
Знак ТКЕ может быть отрицательным (обозначается буквой "М"), положительным (П), близким к нулю (МП). Буква "Н" в условном обозначении группы обозначает, что для этих конденсаторов ТКЕ не нормируется. Следующие за буквой "Н" цифры, указывают на предельно допустимые изменения емкости в интервале рабочих температур.
У слюдяных конденсаторов группа ТКЕ обозначается первой буквой на корпусе, у керамических конденсаторов каждой группе соответствует определенный цвет корпуса или цветная метка. Размер первого маркировочного знака вдвое больше размера второго маркировочного знака. Если цвет корпуса совпадает с цветом первого маркировочного знака, то первый маркировочный знак не ставят.
Температурную стабильность емкости (для сегнетокерамических конденсаторов с нелинейной зависимостью емкости от температуры) характеризуют относительным изменением емкости в интервале рабочих температур от -60 до +85 °С.
В зависимости от значения ТКЕ конденсаторы постоянной емкости делятся на группы (табл. 2.3). Для ряда конденсаторов указывают изменения емкости при граничных значениях рабочего диапазона температур по сравнению с емкостью при нормальной температуре, ТКЕ при этом не нормируется.
Керамические НЧ конденсаторы (группы "Я" по ТКЕ) применяют в качестве шунтирующих, блокировочных, фильтровых, а также для связи между каскадами на низкой частоте. Для сохранения настройки колебательных контуров при работе в широком интервале температур необходимо использовать последовательное и параллельное соединение конденсаторов, у которых ТКЕ имеют разные знаки. Благодаря чему при изменении температуры частота настройки такого термокомпенсированного контура останется практически неизменной. Как и любые проводники, конденсаторы обладают некоторой индуктивностью. Она тем больше, чем больше размеры обкладок конденсатора и внутренних соединительных проводников, чем длиннее и тоньше его выводы. На практике для обеспечения работы блокировочных конденсаторов, у которых обкладки выполнены в виде длинных лент из фольги, свернутых вместе с диэлектриком в рулон круглой или иной формы, в широком диапазоне частот, параллельно бумажному (оксидному) подключают керамический или слюдяной конденсатор небольшой емкости.
Обозначение номинального значения емкости до 10000 пф указывается числом без указания единиц, от 10 000 пФ и выше - выражается числом с указанием единицы - мкФ.
Обозначение допускаемого отклонения емкости от номинального значения производится числом, соответствующим отклонению в процентах. Если конденсаторы какого-либо типа выпускаются с одним допускаемым отклонением или их емкость измеряется только в микрофарадах, то соответствующая этим данным маркировка не указывается (например, для электролитических конденсаторов).
2.3 Электролитические конденсаторы
Электролитические и оксидно-полупроводниковые конденсаторы в качестве диэлектрика содержат оксидный слой в материале являющемся одной из обкладок (анодом). Вторая обкладка (катод) - электролит (в электролитических конденсаторах) или слой полупроводника (в оксидно-полупроводниковых), нанесенный непосредственно на оксидный слой. Аноды изготовляются из алюминиевой /танталовой или ниобиевой фольги.
Электролитические и оксидно-полупроводниковые конденсаторы отличаются малыми размерами, большими точками утечки и большими потерями. При одинаковых номинальных напряжениях и номинальных емкостях объем танталовых конденсаторов меньше объема конденсаторов с алюминиевыми анодами.
Танталовые конденсаторы могут работать при более высоких температурах, их емкость меньше изменяется при изменении температуры, токи утечки у них меньше. Оксидно-полупроводниковые могут работать при более низких температурах, чем электролитические.
Проводимость широко распространенных электролитических и оксидно-полупроводниковых конденсаторов сильно зависит от полярности приложенного напряжения, поэтому они используются лишь в цепях постоянного и пульсирующего токов. Изготовляются также неполярные электролитические конденсаторы, в которых обе обкладки содержат оксидный слой. Значение переменной составляющей пульсирующего напряжения не должно превышать допустимого для данного конденсатора. Сумма амплитуды составляющей и постоянного напряжения не должна превышать номинального напряжения данного конденсатора.
Электролитические и оксидно-полупроводниковые конденсаторы используются в фильтрах выпрямителей, в качестве блокирующих и развязывающих в цепях звуковых частот, а также в качестве переходных в полупроводниковых усилителях звуковых частот.
Конденсаторы типов К52-2 и К52-3 с номинальными емкостями от 10 до 80 мкФ выпускаются в корпусах диаметром 13,5±0,5 мм и длиной 8±0,5 мм, а с номинальными емкостями от 100 до 1000 мкФ - в корпусах диаметром 24±0,5 мм. Внешний вид конденсаторов типа ЭМ и некоторых конденсаторов типа К50-6 показан на рисунке 11.6, а габаритные чертежи различных типов - на рисунке 11.7 и 11.8.
Основные параметры оксидно-полупроводниковых конденсаторов приведены в таблице 11.16, габаритные чертежи - на рисунке 11.9. Конденсаторы типа К53-7 выпускаются в корпусах с номинальными размерами (диаметр и длина): 3,2x18; 4x20; 4x25; 4x30; 7x20; 7x27; 7x30 и 7,8хЗОмм; типов К53-1, К53-4 и К53-12 - в корпусах с номинальными размерами 3,2x7,5; 4x10; 4x13; 7x12 и 7x16 мм; типа К53-6А- в корпусах с номинальным диаметром 9 мм, длиной 13,5 и 17,5 мм; типа КОПП – в корпусах с номинальным диаметром 10,5 мм, длиной 14 и 18 мм; типа К53-16- в прямоугольных корпусах с номинальными размерами 1,9x3,4x1,2, 2,3x3,7x1,6 и 2,3x5,0x1,6 мм.
2.4 Конденсаторы построечные и переменной емкости
Подстроечные конденсаторы применяются в колебательных контурах для точной подгонки емкости в процессе накладки радиоаппаратуры. Наиболее высокими электрическими показателями характеризуются построечные конденсаторы с воздушным диэлектриком, представляющие собой миниатюрные прямоемкостные конденсаторы переменной емкости. Керамические построечные конденсаторы отличаются более простой конструкцией, меньшими размерами и стоимостью, поэтому применяются наиболее широко.
Конденсаторы переменной емкости применяются в качестве элементов перестройки колебательных контуров, в частности в радиоприемных устройствах. Конденсаторы с воздушным диэлектриком отличаются большей точностью установки емкости, меньшими потерями и более высокой стабильностью. Конденсаторы с твердым диэлектриком характеризуются меньшими размерами. Важной характеристикой конденсатора переменной емкости является зависимость от угла поворота подвижных обкладок (ротора), которая определяет закон изменения частоты настройки колебательного контура.
В радиоприемниках применяются прямоволновые и прямочастотные конденсаторы переменной емкости. Прямоволновые конденсаторы характеризуются квадратичной зависимостью емкости от угла поворота ротора, а прямочастотные - обратно квадратичной зависимостью. В первом случае будет равномерной шкала приемника, выраженная в единицах длины волны, во втором- шкала настройки, выраженная в единицах частоты.
Из твердых диэлектриков в конденсаторах переменной емкости используются органические пленки и высокочастотная керамика. Конденсаторы с керамическим диэлектриком отличаются меньшими размерами. Конденсаторы с пленочным диэлектриком являются источниками электрического шума, обусловленного изменением емкости при вибрации и разрядами статического электричества, которое возникает в результате электризации органических пленок при вращении пластин конденсатора.
Выпускаются одно- и двухсекционные конденсаторы переменной емкости с твердым диэлектриком, а также одно- и многосекционные конденсаторы переменной емкости с воздушным диэлектриком. В таблице 11.18 приведены пределы изменения емкости двухсекционных малогабаритных конденсаторов переменной емкости для радиоприемников. Односекционные керамические конденсаторы типа КП4-ЗА имеют емкость 6...200 пФ, двухсекционные типа КП-ЗБ - 4... 200 пФ, типа КП-ЗВ - 5...150 пФ, типаКП4-ЗГ - 8...220 пФ. Номинальное рабочее напряжение этих конденсаторов составляет 10В.
3. Катушки индуктивности
Высокочастотными называются катушки индуктивности, сопротивление которых имеет индуктивный характер в диапазоне частот с верхней границей 100 кГц...400 МГц. Высокочастотные катушки индуктивности применяются в качестве элементов колебательных контуров для получения магнитной связи между определенными участками электрических цепей РЭА или создания на отдельных участках электрической цепи заданных реактивных сопротивлении индуктивного характера.
В зависимости от назначения высокочастотные катушки индуктивности разделяют на четыре группы:
а) катушки контуров, не определяющих частоту;
б) катушки контуров, определяющих частоту (например, гетеродинов);
в) катушки связи контуров с другими цепями;
г) дроссели высокой частоты.
По конструктивным признакам катушки делят на цилиндрические, плоские (спиральные) и тороидальные, одно- и многослойные, с сердечниками и без сердечников, экранированные и неэкранированные. Однослойные катушки выполняются намоткой с принудительным шагом или сплошной, плоские катушки наматывают из провода или изготовляют из фольги на печатной плате.
Высокочастотные катушки с переменной индуктивностью, используются для перестройки контуров в процессе эксплуатации аппаратуры, а подстраиваемые катушки — для регулировки аппаратуры в процессе изготовления.
3.1 Основные параметры катушек индуктивности
Индуктивность характеризует количество энергии, запасаемой катушкой, при протекании по ней электрического тока. Чем больше индуктивность катушки, тем больше энергия магнитного поля при заданном значении тока. Индуктивность зависит от формы, размеров, числа витков катушки, а также от размеров, формы и материала ее сердечника.
Добротность — отношение реактивного сопротивления катушки к ее активному сопротивлению потерь. Добротность катушки в большинстве случаев определяет резонансные свойства и КПД контура.
Собственная емкость является паразитным параметром. Наличие собственной емкости катушки обусловливает увеличение потерь энергии и уменьшение, стабильности настройки колебательных контуров. В диапазонных контурах собственная емкость катушки уменьшает коэффициент перекрытия диапазона частот.
Стабильность параметров при изменении температуры и влажности, а также во времени имеет особое значение для катушек контуров гетеродинов, узкополосных фильтров и др. Стабильность индуктивности при изменении температуры характеризуется температурным коэффициентом индуктивности (ТКИ), равным относительному изменению индуктивности при изменении температуры на I0 С.
3.2 Катушки индуктивности для колебательных контуров
Однослойные цилиндрические катушки выполняются на диэлектрических каркасах или без них. Катушки без каркасов применяются, когда необходима большая добротность при невысоких требованиях к стабильности индуктивности, например для контуров входных устройств приемников диапазона метровых волн. Диаметр провода для таких катушек выбирают в основном из соображений жесткости конструкции (1...1,5 мм и более), а количество витков ограничивают (5...8). Для однослойных катушек, выполняемых сплошной намоткой, изготовляют гладкие каркасы; для катушек, наматываемых с принудительным шагом,— каркасы с канавкой, расположенной по винтовой линии, или с ребрами вдоль образующей цилиндра.
Катушки, намотанные с принудительным шагом, отличаются меньшей собственной емкостью и большей добротностью. Повышение их добротности обусловлено снижением потерь в диэлектрике вследствие уменьшения собственной емкости. Указанные достоинства катушек, намотанных с принудительным шагом, проявляются сильнее при намотке на каркасы с ребрами, а также при изготовлении каркаса из материала с меньшим значением произведения диэлектрической проницаемости на тангенс угла потерь.
Для однослойных катушек с индуктивностью выше 15...20 мкГ обычно применяют сплошную намотку. Целесообразность перехода на сплошную намотку определяется диаметром катушки. Приведем ориентировочные значения индуктивности, при которых целесообразен переход на сплошную намотку:
Диаметр каркаса, мм в 0 10 15 20 25
Предельная индуктивность, мкГ 2 4 10 20 30
Катушки с индуктивностью более сотен микрогенри выполняют многослойными. При диаметре каркаса 10 мм однослойная намотка целесообразна при индуктивности не более 30 мкГ.
Однослойные катушки индуктивности наматывают медным посеребренным проводом (с принудительным шагом) или медным проводом в эмалевой изоляции. Катушки для колебательных контуров гетеродинов коротких и метровых волн, к которым предъявляются требования высокой добротности и стабильности индуктивности, наматывают на каркасы из высокочастотной керамики, характеризующейся малым температурным коэффициентом линейного расширения, малым значением тангенса угла потерь и достаточной механической прочностью. Намотку выполняют проводом со значительным натяжением (50;..60% разрывного усилия) или нагретым до 80...1200 С проводом при незначительном натяжении. Более высокой стабильностью характеризуются катушки, в которых обмотка образована слоем меди, нанесенной на керамический каркас методом вжигания с последующим серебрением.
Индуктивность однослойной катушки, выполненной сплошной намоткой, определяется по формуле
, (3.1)
где L - индуктивность, мкГ; D - диаметр катушки, см; l - длина намотки, см; w - число витков;
При намотке с принудительным шагом по формуле:
, (3.2)
где L¢ - индуктивность катушки, мкГ; L - индуктивность, вычисленная по формуле (3.1), мкГ; k - поправочный коэффициент.
Для точной подгонки индуктивности однослойных катушек, выполненных сплошной намоткой, перемещают подстроечный сердечник, крайние витки или короткозамкнутый виток, соосный с катушкой. Индуктивность катушек, намотанных с принудительным шагом, можно изменять также, перемещая место подсоединения одного из выводов.
Симметричные катушки индуктивности применяются в симметричных колебательных контурах (контуры частотных детекторов и др.). Бифилярная намотка выполняется двумя проводами, сложенными вместе. Начало одного провода соединяют с концом другого. Место соединения является средним выводом катушки. При такой намотке допускается подстройка индуктивности сердечником при несущественном нарушении симметрии. Перекрестная намотка позволяет достичь более точной симметрии, которая не нарушается при подстройке сердечником.
Многослойные цилиндрические катушки индуктивности применяют, когда требуется индуктивность более 30...50 мкГ.
Несекционированные многослойные катушки с рядовой обмоткой характеризуются пониженными добротностью и стабильностью, большой собственной емкостью Значительно лучшими показателями обладают многослойные катушки, выполненные намоткой «внавал», когда витки располагаются хаотично. Катушки, выполненные намоткой «универсаль» (перекрестной), также могут иметь сравнительно высокую добротность (до 100) и пониженную собственную емкость, однако для их изготовления требуется более сложное оборудование. В настоящее время катушки, выполненные намоткой «универсаль», изготовляются редко, поскольку равноценные параметры можно получить при намотке «внавал», если использовать типовые ферромагнитные сердечники. Обычно многослойные катушки наматывают на каркасы из полистирола. Для намотки используются провода с эмалевой изоляцией, эмалевой и дополнительной, шелковой, изоляцией. При использовании проводов с дополнительной, шелковой, изоляцией уменьшается собственная емкость катушек, а, при использовании литцендрата, повышается добротность (на частотах, не превышающих 1....1,5 МГц). Существенный недостаток катушек, намотанных литцендратом,— резкое возрастание собственной емкости при обрыве или плохом контакте хотя бы одной из жилок провода.
Индуктивность многослойной катушки без сердечника определяется по формуле:
, (3.3)
где L — индуктивность, мкГ; Dcp —средний диаметр катушки, см;
l — длина катушки, см; t — толщина катушки, см; w — число витков.
Секционированные катушки характеризуются, сравнительно высокой добротностью, пониженной собственной емкостью и меньшим наружным диаметром. Наиболее часто секционированные катушки наматывают на специальные каркасы внавал. Каждая секция представляет собой многослойную катушку с небольшим числом витков. Число секций выбирают обычно от двух до шести.
Индуктивность секционированной катушки, состоящей из n секции, определяется по формуле:
L=Lc (n+2kc в (n-1)), (3.4)
где Lc — индуктивность секции; kсв — коэффициент связи между смежными секциями, зависящий от размеров секций и расстояния b между ними. Отношение b/Dср выбирают так, чтобы значение коэффициента связи находилось в пределах 0,25…0,4. Это достигается при b = 2l . Каждая секция рассчитывается как обычная катушка (см. выше).
Плоские катушки представляют собой спирали, изготовленные намоткой из медных обмоточных проводов или методом печатного монтажа из фольгированного гетинакса или стеклотекстолита. Они могут иметь круглую, квадратную или другую форму. Плоские проволочные катушки характеризуются удовлетворительной механической прочностью, сравнительно небольшой собственной емкостью, простотой изготовления и могут применяться на частотах до 10 МГц. Для их изготовления целесообразно использовать провода с дополнительной шелковой изоляцией, поскольку при этом достигается повышенная прочность клеевого соединения витков.
Печатные плоские катушки на стеклотекстолите отличаются повышенной механической прочностью и применяются на частотах до 100 МГц. Для более высоких частот печатные катушки изготовляют из фольгированного фторопласта. Обычно индуктивность печатных катушек не превышает 10 мкГ. Чтобы получить приемлемое значение добротности катушки, ширину проводников выбирают в пределах 0,4...1 мм. При этом на площади 1 см2 размещается катушка с индуктивностью до 10 мкГ. Для увеличения индуктивности можно использовать последовательное включение двух и более катушек, расположенных на одной или двух сторонах печатной платы. Для повышения добротности катушки следует выбирать диаметр внутреннего витка не менее 10 мм. Современные печатные катушки имеют добротность 100...130 на частотах 10...30 МГц.
Индуктивность и добротность плоской катушки существенно увеличивается, если с одной или обеих сторон на нее наложить ферритовые пластинки. Изменяя расстояние между катушкой и пластинками, можно регулировать индуктивность катушки.
Экранированные катушки применяют, когда необходимо устранить паразитные связи, обусловленные внешним электромагнитным полем катушки, или влияние на катушку полей других источников Эффективность экранирования повышается при увеличении частоты переменного поля, толщины экрана и уменьшении удельного сопротивления материала экрана. Экраны высокочастотных катушек индуктивности изготовляют из меди или алюминия толщиной не менее 0,4...0,5 мм. Такая толщина экрана при частоте переменного поля более 1 МГц превышает расстояние, на котором плотность наводимого тока падает в 100 раз по сравнению с плотностью тока на поверхности экрана, что достаточно для эффективного экранирования.
Под влиянием экрана изменяются параметры катушки: уменьшаются индуктивность и добротность, увеличивается собственная емкость. Изменение параметров катушки тем больше, чем ближе к ее виткам расположен экран.
Часто экраны высокочастотных катушек снабжены отверстиями для вращения сердечников или изменения положения одной из катушек, связанных индуктивно. В этих случаях отверстия должны быть минимальными. Прорези следует располагать перпендикулярно к образующей цилиндрического экрана, если катушка расположена соосно с экраном.
Катушки с сердечниками из немагнитных металлов, характеризующиеся высокой стабильностью, применяются в контурах гетеродинов, широкополосных УПЧ в приемниках КВ и УКВ, Материал сердечников — медь, латунь, алюминий и его сплавы. Медные сердечники используются преимущественно для подстройки индуктивности (до 20%), когда вносимые сердечником потери должны быть минимальными. При введении в катушку металлического сердечника индуктивность и добротность уменьшаются, причем индуктивность уменьшается тем больше, чем.больший объем металла вводится и чем больше его проводимость. Добротность уменьшается еще в большей степени, чем индуктивность. Например, введение в катушку медного сердечника, уменьшающего индуктивность на 15%, вызывает снижение добротности на 45%. При введении алюминиевого сердечника, уменьшающего индуктивность на 15%, добротность уменьшается в 3...4 раза. Поэтому алюминиевые сердечники используются в катушках широкополосных контуров для специальных приемников.
При расчете катушек с сердечниками из немагнитных металлов определяют расчетное значение индуктивности катушки без сердечника:
L=Lтр (1+ΔL/L), (3.5)
где Lтр — требуемое значение индуктивности; ΔL/L —относительное изменение индуктивности катушки при введении сердечника.
Катушки с ферромагнитными сердечниками содержат меньшее число витков при заданной индуктивности и отличаются более высокой добротностью и меньшими размерами. Применение ферромагнитных сердечников позволяет уменьшить размеры экранов и упростить подгонку индуктивности. Указанные преимущества полностью реализуются в диапазонах ДВ, СВ и КВ при соответствующем выборе вида сердечника и его материала и малых напряжениях на катушке, например в радиоприемниках. При использовании ферромагнитных сердечников снижается стабильность параметров катушек, кроме того, индуктивность и добротность катушек зависят от амплитуды переменного напряжения на катушке и значения постоянного тока, протекающего через обмотку.
Ферромагнитные сердечники для катушек изготовляются из магнитодиэлектриков и ферритов. При Заданных габаритных размерах катушки следует применять материал сердечника, обладающий наименьшим значением отношения тангенса угла потерь к начальной магнитной проницаемости в диапазоне рабочих частот. Сердечники из ферритов обеспечивают большую добротность катушек, чем сердечники из магнитодиэлектриков. Для стабильных высокочастотных катушек индуктивности рекомендуется применять сердечники из карбонильного железа.
Основные параметры ферромагнитных сердечников. Эффективная магнитная проницаемость μс - отношение индуктивности катушки с сердечником к индуктивности этой катушки без сердечника. Чем больше магнитная проницаемость материала сердечника (измеряется на сердечниках кольцевой формы), ниже частота переменного напряжения на катушке и меньше расстояние между сердечником и обмоткой катушки, тем выше эффективная магнитная проницаемость сердечника.
Добротность характеризует потери, вносимые сердечником в катушку, и равна отношению реактивного сопротивления катушки к вносимому сопротивлению потерь. Измеряется на стандартной катушке.
Относительная добротность сердечника Qотн — отношение добротности катушки с сердечником к добротности этой же катушки без сердечника — характеризует потери, вносимые сердечником в катушку, и может служить мерой определения диапазона рабочих частот. Верхней границей диапазона рабочих частот является частота, при которой относительная добротность уменьшается до единицы. За пределами диапазона рабочих частот применение сердечника целесообразно только для регулировки индуктивности.
Стабильность параметров сердечника характеризуется изменением эффективной магнитной проницаемости и потерь при изменении температуры окружающей среды, влажности воздуха, а также со временем. При изменении температуры изменяется главным образом магнитная проницаемость. Это изменение характеризуется температурным коэффициентом магнитной проницаемости ТКμс равным относительному изменению μс при изменении температуры на 1° С. Изменение μс с течением времени вызывается старением материала и проявляется особенно резко в начальный период после изготовления сердечника.
3.3 Катушки с цилиндрическими сердечниками
Промышленностью выпускаются цилиндрические сердечники из карбонильного железа и ферритов (рис. 3.1). Резьбовые сердечники используются в цилиндрических одно и многослойных катушках, когда требуется подгонка индуктивности в процессе регулировки аппаратуры, и в качестве элемента подстройки (подстроечника) броневых сердечников. Для этих же целей используются гладкие (стержневые) и трубчатые сердечники с напрессованной резьбовой втулкой из пластмассы. Стержневые сердечники применяются также в дросселях высокой частоты, а трубчатые — в ферровариометрах.
Для тонких катушек, намотанных непосредственно на сердечник, длина которого превышает длину катушки, эффективную магнитную проницаемость сердечника определяют по приближенной эмпирической формуле:
μс =μн /(1+0,84(Dc /l c )1,7 (μн -1)), (3.6)
где μн — начальная магнитная проницаемость материала сердечника; Dc — диаметр цилиндрического сердечника; 1с — длина сердечника.
Катушки с тороидальными (кольцевыми) сердечниками характеризуются минимальными размерами, практически полным отсутствием внешнего магнитного поля, что позволяет использовать их без экранов, и сравнительно высокой добротностью (при выборе соответствующих материалов). Недостатки этих катушек сложность намотки, невозможность регулировки индуктивности и пониженная стабильность индуктивности. Катушки с кольцевыми сердечниками применяются в контурах промежуточной частоты малогабаритных приемников, в контурах, перестраиваемых подмагничиванием, в качестве дросселей и т.п.
Выбор материала и типоразмера сердечника для тороидальных катушек определяется требованиями к катушке. При высоких требованиях к стабильности параметров катушки следует применять кольца из альсиферов с компенсированным ТКμн . Размеры кольца выбирают с учетом требований к индуктивности и добротности катушки. Чем больше индуктивность и добротность катушки, тем большими должны быть размеры кольца.
Для намотки катушек с кольцевыми сердечниками следует применять обмоточные провода с повышенной механической прочностью изоляции (с дополнительной, шелковой, изоляцией или изолированных высокопрочными эмалями). Намотку выполняют при помощи шпули, на которую предварительно наматывают провод. Перед намоткой кольцо следует обмотать лентой из лакоткани.
Индуктивно связанные катушки используются для магнитной связи между колебательными контурами, между антенной (или антенным фидером) и входным контуром приемника, в межкаскадных связях, в качестве широкополосных трансформаторов, и т.п. Для обеспечения магнитной связи между катушками их наматывают на общий каркас (или сердечник) либо располагают рядом так, чтобы их оси были параллельны. Отклонение от этого условия приводит к уменьшению связи.
Степень магнитной связи между катушками характеризуется взаимной индуктивностью, которая зависит от числа витков катушек, их формы и размеров.
Ферровариометры (вариометры с ферромагнитными сердечниками) применяются в качестве элементов настройки колебательных контуров, например, в автомобильных приемниках. Ферровариометр (рис. 3.2) состоит из цилиндрической катушки, внутрь которой вдвигается сердечник из материала с высокой магнитной проницаемостью, например из феррита. Катушка размещается внутри цилиндра из ферромагнитного материала.
Коэффициент перекрытия ферровариометра тем больше, чем больше магнитная проницаемость материала сердечника и чем ближе он расположен к виткам катушки. Если использовать ферритовый сердечник, можно получить коэффициент перекрытия 25...30 и больше. Следует выбирать сердечники, у которых длина в 5...10 раз больше диаметра, а диаметр сердечника меньше наружного диаметра каркаса катушки на 0,5....! мм.
Ферровариометры могут использоваться для одновременной перестройки нескольких колебательных контуров. При этом сопряжение настроек контуров преселектора приемника и гетеродина обычно достигается включением дополнительных сопрягающих катушек индуктивности. В этом случае ферровариометры преселектора и гетеродина идентичны. Сопряжение может также достигаться применением сердечников различных форм и размеров или катушек с разным расположением витков.
3.4 Дроссели высокой частоты
Дросселем высокой частоты называют катушку индуктивности, включаемую в цепь для увеличения сопротивления токам высокой частоты. Основные параметры дросселя: полное сопротивление, сопротивление постоянному току и собственная емкость. Сопротивление дросселя постоянному току должно быть минимальным, полное сопротивление — достаточно большим и иметь индуктивный характер. Собственная емкость С0 дросселя определяет его критическую частоту
fкр =0,5π(LC0 )0,5 , (3.7)
где L—индуктивность дросселя.
На частотах ниже критической полное сопротивление дросселя имеет индуктивный характер. Критическая частота дросселя должна быть возможно большей (по крайней мере больше максимальной рабочей частоты аппаратуры, в которой используется дроссель). Поэтому его собственная емкость должна быть минимальной. Точность индуктивности не имеет значения.
Конструктивно дроссели высокой частоты выполняются в виде одно- или многослойных катушек с ферромагнитными сердечниками или без них. Многослойные используют в диапазонах ДВ и СВ, однослойные — на более коротких волнах. Для уменьшения собственной емкости многослойные катушки секционируют, а однослойные наматывают с принудительным шагом. Еще лучшие результаты можно получить при намотке с прогрессивным шагом, при этом дроссель должен быть подключен так, чтобы меньший потенциал высокой частоты был со стороны малого шага намотки.
Если добротность дросселя не имеет значения, то с целью уменьшения собственной емкости дросселя выбирают диаметр каркаса от 3 до 6 мм и наматывают провод малого диаметра (0,02... 0,06 мм). Однако плотность тока не должна превышать 4...5 А/мм2 .
Дроссели с ферромагнитными сердечниками отличаются меньшими размерами, меньшим количеством витков при заданной индуктивности и, следовательно, меньшей собственной емкостью. Поэтому они могут работать в более широком диапазоне частот. Если через дроссель протекает небольшой ток и требуется большая индуктивность, то целесообразно использовать тонкие стержни (диаметром 1,5...2 мм) из ферритов с большой магнитной проницаемостью. Если использовать феррит марки 600НН, у которого с увеличением частоты уменьшается диэлектрическая проницаемость, а при частоте выше граничной — и магнитная проницаемость, то индуктивность и собственная емкость дросселя будут уменьшаться с повышением частоты, что исключит резонансные явления в широком диапазоне частот.
Добротность дросселя важна в случаях, когда он подключается параллельно колебательному контуру (по переменному току). При этом целесообразно изготовление дросселя с ферромагнитным сердечником.
Число витков дросселя определяют так же, как число витков контурных катушек индуктивности. Диаметр провода выбирают так, чтобы получить приемлемую плотность тока и падение напряжения на дросселе не более 10% напряжения источника питания.
При изготовлении дросселей высокой частоты с ферромагнитными сердечниками цилиндрической формы на сердечник накладывают слой конденсаторной бумаги или диэлектрической пленки и сверху наматывают обмотку. Если используется броневой сердечник, обмотку располагают на секционированном каркасе из пластмассы. На тороидальном сердечнике обмотку наматывают секциями.
3.5 Общие сведения о трансформаторах и дросселях низкой частоты
Трансформатор - электромагнитное устройство переменного тока, предназначенное для изменения напряжения, согласования сопротивлений электрических цепей, разделения цепей источника и нагрузки по постоянному току, а также для изменения состояния цепи относительно корпуса. Основной частью трансформатора является магнитопровод из магнитно-мягкого материала с размещенными на нем обмотками.
Трансформаторы, используемые в приемно-усилительной аппаратуре, можно разделить на трансформаторы питания (силовые) и согласующие (сигнальные). Трансформаторы питания применяются в выпрямительных устройствах для получения различных напряжений. Согласующие трансформаторы используют для согласования входа усилителя и источника сигнала (входные), выхода усилителя с нагрузкой (выходные), в качестве элемента межкаскадной связи (межкаскадные).
Дроссель низкой частоты - катушка индуктивности с магнитопроводом, предназначенная для использования в электрических цепях в качестве индуктивного сопротивления.
В приемно-усилительной аппаратуре дроссели низкой частоты используются в фильтрах питания, различных низкочастотных фильтрах и цепях коррекции АЧХ.
Наиболее важными электрическими параметрами трансформаторов питания являются выходное напряжение, номинальная мощность, КПД, падение напряжения.
Номинальной мощностью трансформатора питания называют сумму номинальных мощностей вторичных обмоток (ГОСТ 80938—75), Номинальная мощность вторичной обмотки определяется как произведение тока при номинальной нагрузке на номинальное напряжение. Ряд номинальных напряжений вторичных обмоток установлен ГОСТ 10763—64. Допустимые отклонения напряжений от номинальных ±0,15 В при номинальных напряжениях не более 7,5 В и ±2%, при номинальных напряжениях более 7,5 В (ГОСТ 14233-74).
Номинальная мощность трансформатора пропорциональна частоте напряжения сети, индукции в магнитопроводе, плотности тока обмоток, площади сечения стали в магнитопроводе и площади сечения меди, заполняющей окно магнитопровода.
КПД трансформатора:
ή=Рном /(Рном +Рмп +Роб )
где Рном — номинальная мощность трансформатора; Рмп — мощность потерь в магнитопроводе; Роб — мощность потерь в обмотках.
Падение напряжения ΔU, выраженное в относительных единицах, показывает степень изменения выходного напряжения при полном изменении тока нагрузки от нуля до номинального значения: ΔU=Роб /Рном . Следовательно, для повышения стабильности выходного напряжения необходимо уменьшать потери в обмотках путем снижения сопротивления обмоток.
Масса и габаритные размеры трансформатора зависят от номинальной мощности, напряжения, КПД и допустимой температуры перегрева трансформатора.
3.6 Согласующие трансформаторы
Согласующие трансформаторы применяются чаще всего в выходных каскадах УНЧ для согласования сопротивления нагрузки с выходным сопротивлением выходного каскада. Для междукаскадной связи согласующие трансформаторы применяют, когда требуется большая амплитуда тока на выходе усилителя. В этом случае использование согласующего трансформатора на входе оконечного каскада позволяет значительно повысить усиление мощности сигнала и снизить расход энергии питания. Кроме того, в предоконечном каскаде может быть применен транзистор меньшей мощности. Междукаскадный трансформатор необходим также при очень низком входном сопротивлении следующего каскада. На входе усилителя согласующие трансформаторы применяются, когда источник сигнала имеет малое выходное сопротивление и развивает малую ЭДС или при необходимости симметрирования входной цепи.
Основные параметры согласующих трансформаторов: индуктивность первичной обмотки L1 индуктивность рассеяния Ls , активное сопротивление обмоток r, собственная емкость Cтр ,. коэффициент трансформации п, постоянная времени трансформатора τтр , критическая мощность Ркр , КПД и уровень нелинейных искажений, вносимых трансформатором.
Величины Ls ,L1 , Стр и r вместе с сопротивлением нагрузки определяют частотные искажения трансформаторного каскада. Индуктивность L1 зависит от постоянной и переменной составляющих токов в обмотках, которые влияют и на уровень нелинейных искажений. Чтобы частотные искажения не превышали допустимых, значение L1 должно быть достаточно большим, а Стр . и Ls — достаточно малыми.
Коэффициент трансформации — отношение числа витков вторичной и первичной обмоток. Значение n выбирается из условия согласования сопротивлений источника сигнала и нагрузки.
Постоянная времени трансформатора, работающего в режиме класса А, определяется по формуле:
τтр =2L1 /r1 (3),
а работающего в режиме класса В—по формуле:
τтр =3,4L1 /r1 (4)
где L1 — индуктивность, Г; r1 — активное сопротивление, Ом, первичной обмотки.
Постоянная времени трансформатора зависит только от геометрических размеров магнитопровода и обмоток, а также от свойств материалов магнитопровода и проводов.
Критическая мощность трансформатора — мощность, при которой, вносимые трансформатором, нелинейные искажения равны максимально допустимым.
Нелинейные искажения, вносимые трансформатором, обусловлены нелинейностью характеристики намагничивания магнитопровода и в ряде случаев нестационарными процессами при отсечке тока в обмотках. Для того чтобы искажения не превышали допустимого уровня, амплитуда магнитной индукции в магнитопроводе при наибольшей амплитуде сигнала на трансформаторе и наинизшей частоте должна быть не больше допустимого значения, которое зависит от свойств материала магнитопровода.
Нелинейные искажения, обусловленные отсечкой тока в обмотках, например, при работе усилителя в режиме класса В, проявляются в основном на высших рабочих частотах. Для уменьшения этих искажений необходимо уменьшить индуктивность Ls .
3.7 Дроссели сглаживающих фильтров питания
Основными параметрами дросселей сглаживающих фильтров питания являются индуктивность, номинальный ток подмагничивания, сопротивление постоянному току, допустимое переменное напряжение. Во многих случаях стремятся при заданных габаритных размерах и массе получить возможно большую (или заданную) индуктивность при минимальном сопротивлении постоянному току. Поскольку индуктивность дросселя зависит от тока подмагничивания и амплитуды переменного напряжения, ее измеряют при номинальном токе подмагничивания и заданном переменном напряжении.
4. Кварцевые резонаторы
4.1 Описание кристалла кварца
Кристаллический кварц SiO (кремнезем) – безводная двуокись кремния. В природе существует четыре разновидности кварца в зависимости от температуры его образования. Главное значение в технике имеет в-кварц, обладающий пьезоэффектом. При нагревании выше 573 С в результате полиморфного превращения в-кварц переходит в а-кварц, который не обладает свойством пьезоэффекта. Поэтому в процессе производства, когда кварцевые резонаторы проходят различные стадии технологической обработки при высоких температурах, следует остерегаться повышения температуры.
Чаще всего встречается в-кварц следующих цветов:
· Бесцветный – горный хрусталь;
· Дымчатый – раухтопаз;
· Черный – морион;
· Золотистый – желтый – цитрин;
· Сиреневый – аметист.
Нагревание кристалла кварца имеет до температуры 350 С приводит к обесцвечиванию его за счет обесцвечивания примесей, кристалл приобретает прозрачность.
Кристалл кварца имеет вид шестигранной призмы с двумя шестигранными пирамидами на концах. В таком виде кристаллы кварца встречаются редко. Форма кристалла кварца образована гранями пяти видов. Этих граней в кристалле кварца по шесть (всего в кристалле может быть до 30 граней). По их положению кристалл кварца определяется на левый и правый. В природе встречаются левые и правые кристаллы, являющиеся зеркальным отображением друг друга.
Элементарная ячейка кристаллической решетки кварца имеет форму параллелепипеда – это кристаллические оси кристалла.
Направление z называется оптической осью, потому, что когда в этом направлении через кристалл проходит поляризованный свет, плоскость поляризации поворачивается. Электрическая проводимость кварца в направлении оптической оси значительно выше, чем в других направлениях.
Кристалл кварца является анизотропным веществом и обладает следующими физическими свойствами:
Плотность…………………………………………………….2.65г/см3
Твердость (по шкале твердости Мооса)………………………7г/см3
Температура плавления……………………………………….1710о С
Удельное электрическое сопротивление при температуре 20о С, измененное параллельно оси z………………………………0,1*1015 Ом/см3
Перпендикулярно оси z……………………………20*1015 Ом/см3
Сопротивление раздавливанию……………………………..3-4 Гпа
Сопротивление разрыву………………………………………100 Мпа
Коэффициент теплового объемного расширения ……………30*10-6
Коэффициент линейного расширения параллельно оси z……9*10-6
Перпендикулярно оси z………………………………14.8*10-6
Диэлектрическая проницаемость в направлении, параллельном оси z….4.6 перпендикулярном оси z…………………………………………4.5
В шкале твердости минералов Мооса в числе 10 минералов, расположенных в порядке возрастания их относительной твердости, каждый последующий минерал может нанести царапину на предыдущем. В таблице 1.1 эти минералы отмечены звездочкой.
Кварц химически устойчив, он не растворяется в кислотах, за исключением плавиковой кислоты.
Таблица 1.1. Относительная твердость минералов

4.2 Типы кварцевых резонаторов
Кварцевые резонаторы различают не только по виду колебаний пьезоэлементов, но и по форме последних, числу электродов наружных выводов. Каждой форме пьезоэлементов кварцевых резонаторов соответствует один или несколько колебаний:
1) пьезоэлементам прямоугольной формы – продольные и поперечные колебания, колебания сдвига по контуру и толщине, колебания изгиба;
2) пьезоэлементам круглой формы и линзам – продольные и поперечные колебания, колебания сдвига по толщине;
3) брускам (стержням) квадратного или близкого к квадратному поперечного сечения – колебания изгиба и кручения.
По числу электродов кварцевые резонаторы делятся на двух-, трех- и четырехполюсные, а по числу наружных выводов из баллона – на двух-, четырех-, семи-, восьми- и девятивыводные.
По ГОСТ 6503-67 «Резонаторы кварцевые герметизированные на частоты колебаний от 0,75 до 100МГц» резонаторы разделились на два типа:
М – миниатюрные для диапазона частот от 5 до 100 МГц и Б – малогабаритные для диапазона частот от 0,75 до 100 МГц;
по конструкции выводов: М1 и Б1 – с жесткими выводами для вставки в панель;
М2 и Б2 – с легкими выводами для припайки;
М3 и Б3 – с жесткими выводами для припайки к ним гибких монтажных проводов.
На рис. 1.1. приведена конструкция и габаритные размеры кварцевого резонатора (У) на низкие частоты.
4.3 Эквивалентные параметры кварцевого резонатора
Кварцевый резонатор – пьезоэлектрический резонатор, основным элементом которого является кварцевый кристаллический элемент – электромеханическая колебательная система, всегда состоящая из держателя и смонтированного в нем вибратора.
Кварцевый резонатор при расчете внешних электрических цепей может быть заменен эквивалентным электрическим колебательным контуром с соответствующими параметрами.
Электрическая схема (рис. 1.2) имеет такое же полное сопротивление, как и пьезоэлектрический кварцевый резонатор на частотах, близких к резонансной. Эта схема состоит из последовательно соединенных динамической индуктивности Lк, динамической емкости Сх , динамического сопротивления Rк , параллельно соединенных статической емкости кварцевого резонатора С0 и статической емкости кварцедержателя С1 . Эквивалентные параметры этого контура, т.е. динамические эквивалентные индуктивность Lк, емкость С и активное сопротивление Rк , обусловленные механическими колебаниями пьезоэлемента (пьезоэффектом) имеют численные значения параметров кварцевого резонатора.

Рис. 1.2. Эквивалентная Рис. 1.3. Зависимость сопротивления кварцевого схема пьезоэлектрического резонатора от частоты кварцевого резонатора
Таблица 1.2. Параметры кварцевых резонаторов
| Частота резонатора, кГц |
Эквивалентные параметры резонаторов |
||
| L, Гн |
R, кОм |
С, пФ |
|
| 4 5 6 9 14 20 25 30 40 60 150 300 500 800 1500 2000 3000 |
25000-120000 15000-60000 10000-45000 4000-25000 1000-15000 800-10000 500-5000 400-4000 200-2000 20-1000 10-300 6-100 5-90 1-45 0,3-6 0,09-2,5 0,02-1 |
3-100 2-80 2-60 1,5-40 1,5-20 1-10 0,8-8 0,5-7 0,4-5 0,3-5 0,05-2 0,07-2 0,04-1,5 0,02-3 0,01-0,4 0,007-0,3 0,005-0,1 |
25 25 25 25 25 20 17 17 15 25 120 80 50 30 12 15 10 |
Таблица 1.3. Диапазон частот резонатора
| Диапазон частот резонатора, МГц |
Эквивалентные параметры резонаторы |
|
| L, Гн |
R, кОм |
|
| 0,75-1 1-1,5 1,5-2 2-3 3-5 5-10 10-15 15-20 20-100 |
1-45 1-45 0,3-6 0,09-2,5 0,02-1 0,003-0,35 0,02-0,04 0,002-0,04 0,001-0,35 |
1,3 0,6 0,4 0,3 0,1 0,08 0,05 0,2 0,2 |
4.4 Резонансные частоты эквивалентной схемы пьезоэлектрического кварцевого резонатора
На рис. 1.3. показана зависимость сопротивления эквивалентной схемы пьезоэлектрического кварцевого резонатора от частоты. Параметры эквивалентного кварцевому резонатору контура дают возможность определить эти частоты. Частота f1 соответствует последовательному резонансу в ветви Lк , Ск , Rк и равна:
f1
= 1/2p![]()
При этой частоте электрическая эквивалентная схема кварцевого резонатора состоит из емкости С0 и сопротивления Rк (рис.1.4).

Рис. 1.4. Эквивалентная схема пьезоэлектрического кварцевого резонатора при последовательном и параллельном резонансе
Частота f2 соответствует параллельному резонансу всего контура и равна:
=

При этой частоте электрическая эквивалентная схема кварцевого резонатора состоит из ветви Lк , Rк , Ск и параллельной емкости С0 . Сопротивление ветви Lк, Rк, Ск имеет индивидуальный характер и представляет собой индуктивность L (рис. 1.6), равную:
L = 1/Wa (Wa Lk – 1/Wa Ck ).