| Скачать .docx |
Курсовая работа: Курсовая работа: Теплоснабжение районов г Казани
Филиал Томского коммунально-строительного техникума
Курсовой проект
по теплоснабжению районов г. Казани
Выполнил: Конкин Л.Г.
Студент группы ТТ51зу
Проверил: преподаватель по курсу
“Теплоснабжение” Поправкина Н.И.
г. Шарыпово 2010 г.
Содержание.
1. Введение
2. Общая часть
3. Определение расчетных тепловых нагрузок района:
4. Построение графиков часовых и годовых расходов теплоты
5. Выбор системы регулирования отпуска теплоты
6. Построение графика для отпуска теплоты
7. Построение часовых графиков расходов сетевой воды
8. Определение расчетных расходов сетевой воды
9. Гидравлический расчёт тепловых сетей:
10. Подбор компенсаторов
11. Расчет тепловой изоляции
12. Построение пьезометрического графика тепловой сети
13. Подбор сетевых и подпиточных насосов
14. Тепловой расчет подогревателей ГВС ЦТП
15. Библиографический список
16. Приложение №1. Графики годового и часового расходов тепла
17. Приложение №2. График температур теплоносителя при центральном, качественном «регулировании» закрытой тепловой сети по отопительной нагрузке и повышенный график температур теплоносителя
18. Приложение №3. График часовых расходов сетевой воды
19. Ген. план районов г. Казани. (Формат А1. Лист 1.3)
20. Монтажная схема трубопроводов. (Формат А1. Лист 2.3)
21. Пьезометрический график и продольный профиль тепловой сети. (Формат А1. Лист 3.3).
1. Введение
Наша страна занимает первое место в мире по масштабам развития теплофикации и центрального теплоснабжения. Основной толчок получило после VIII Всероссийского съезда Советов, на котором был утвержден план ГОЭЛРО, предусматривающий комбинированную выработку тепловой и электрической энергии на ТЭЦ.
В настоящее время централизованное теплоснабжение развивается на базе ТЭЦ и производственных, районных или квартальных котельных.
С каждым годом к этому виду теплоснабжения предъявляются все более высокие требования. Система должна быть надежной, экономичной, индустриальной и гибкой в эксплуатации. Для повышения надежности тепловых сетей необходимы внедрение более совершенных схем, разработка нового оборудования и конструкций тепловых сетей, замена чугунной арматуры на современные виды запорной и регулирующей аппаратуры. Совершенствуются также способы прокладки тепловых сетей. Проходят проверку экспериментальные виды бесканальной прокладки – при теплоизоляции из асфальтоизола, гидрофобного мела и др. Применение для тепловых сетей неметаллических труб и более совершенных схем позволит увеличить удельный вес централизованного теплоснабжения в сельской местности.
Важную роль при выполнении требований надежности и экономичности играет качество проекта, что способствует экономному расходованию материальных и топливных ресурсов, обеспечению бесперебойности теплоснабжения.
2. Общая часть:
Характеристика объекта теплоснабжения и климатические данные.
Настоящий проект предусматривает разработку систем теплоснабжения жилого района в состав, которого входят (39 жилых кварталов). Жилые кварталы расположены в городе Казани.
Параметры наружного воздуха для проектирования систем теплоснабжения приняты в соответствии со СНиП 23-01-99 строительные климотологии.
Исходные данные.
Методические указания к курсовому проекту по курсу «Теплоснабжение»
Томского государственного архитектурно-строительного университета:
Вариант 00 стр.56
г. Казань
Генплан вариант «А» стр. 52
Источник теплоснабжения №1 стр. 52
Этажность застройки 3
Плотность жилого фонда 2500 м2/га
Приложение №5 (407ватт) стр. 59
Климатологические данные.
Приложение №6 стр. 60
1. Населённый пункт: г. Казань.
2. Расчётная температура для проектирования: tно (-30 °С).
3. Расчётная температура вентиляционная: tнв (-18 °С).
4. Средняя годовая температура: tср (-5,7 °С).
5. Отопительный период: 218 суток
· Источник теплоснабжения: районная котельная
· Теплоноситель вода с параметрами: прямая (150 °С), обратка (70 °С).
· ГВС центральное tгвс после ЦТП = 60˚С. Схема закрытая.
3. Определение тепловых нагрузок района
Определение жилой площади квартала (м2 )
[3.1]
Fж.
i
– общая жилая площадь квартала, м2
Fкв. i – площадь квартала по генплану, га
fi - площадь жилого фонда, м2 /га
Определение числа жителей в квартале.
[3.2]
Fж. i – общая жилая площадь квартала, м2
18 - норма жилой площади на человека, м2 /чел
Площадь и число жителей кварталов города Таблица № 3.1 |
|||||
| № района | Площадь одного квартала Fкв. i , га |
Этажность зданий |
Плотность жилого фонда fi м2/га |
Жилая площадь квартала Fж. i м2 |
Число жителей в квартале Ni чел . |
| 1 | 2 | 3 | 4 | 5 | 6 |
| 4 | 0,420 | 3 | 2500 | 1050 | 59 |
| 5 | 0,720 | 3 | 2500 | 1800 | 100 |
| 6 | 0,840 | 3 | 2500 | 2100 | 117 |
| 7 | 0,720 | 3 | 2500 | 1800 | 100 |
| 8 | 0,720 | 3 | 2500 | 1800 | 100 |
| 9 | 1,830 | 3 | 2500 | 4575 | 255 |
| 10 | 1,710 | 3 | 2500 | 4275 | 238 |
| 11 | 1,550 | 3 | 2500 | 3875 | 216 |
| 12 | 1,500 | 3 | 2500 | 3750 | 209 |
| 13 | 1,425 | 3 | 2500 | 3562,5 | 198 |
| 14 | 1,400 | 3 | 2500 | 3500 | 195 |
| 15 | 2,325 | 3 | 2500 | 5812,5 | 323 |
| 16 | 1,425 | 3 | 2500 | 3562,5 | 198 |
| 17 | 1,600 | 3 | 2500 | 4000 | 223 |
| 18 | 1,260 | 3 | 2500 | 3150 | 175 |
| 19 | 2,450 | 3 | 2500 | 6125 | 341 |
| 20 | 2,550 | 3 | 2500 | 6375 | 355 |
| 21 | 1,600 | 3 | 2500 | 4000 | 223 |
| 22 | 0,780 | 3 | 2500 | 1950 | 109 |
| 23 | 1,800 | 3 | 2500 | 4500 | 250 |
| 24 | 1,725 | 3 | 2500 | 4312,5 | 240 |
| 25 | 1,725 | 3 | 2500 | 4312,5 | 240 |
| 26 | 1,260 | 3 | 2500 | 3150 | 175 |
| 27 | 1,920 | 3 | 2500 | 4800 | 267 |
| 28 | 1,800 | 3 | 2500 | 4500 | 250 |
| 29 | 1,740 | 3 | 2500 | 4350 | 242 |
| 30 | 0,715 | 3 | 2500 | 1787,5 | 100 |
| 31 | 0,860 | 3 | 2500 | 2150 | 120 |
| 32 | 1,650 | 3 | 2500 | 4125 | 230 |
| 33 | 1,675 | 3 | 2500 | 4187,5 | 233 |
| 34 | 1,125 | 3 | 2500 | 2812,5 | 157 |
| 35 | 1,800 | 3 | 2500 | 4500 | 250 |
| 36 | 1,725 | 3 | 2500 | 4312,5 | 240 |
| 37 | 1,125 | 3 | 2500 | 2812,5 | 157 |
| 38 | 1,800 | 3 | 2500 | 4500 | 250 |
| 39 | 1,725 | 3 | 2500 | 4312,5 | 240 |
| итого | 52,995 | 132487,5 | 7375 | ||
Расчетные тепловые нагрузки для жилых районов города, Вт, определяются по формулам:
- наотопление жилых и общественных зданий
Qо ' max =qo ·A(1+K1 ) [3.3]
- на вентиляцию общественных зданий
Q' в =K1 ·K2 ·qo ·A[3.4]
- средняя на горячее водоснабжение в отопительный период
[3.5]
- максимальное на горячее водоснабжение в отопительный период
[3.6]
- средняя на горячее водоснабжение в неотопительный период
[3.7]
- максимальная на горячее водоснабжение в неотопительный период
[3.8]
qo – укрупнённый показатель расхода теплоты на отопление 1 м2 общей площади жилых и общественных зданий (101 Вт) .
A = F ж. i – общая площадь здания (м2 ).
К1 – коэффициент учитывающий расход теплоты на отопление общественных зданий (0,25 ).
К2 – коэффициент учитывающий расход теплоты на вентиляцию общественных зданий (0,6).
qn – укрупненныйпоказатель среднего расхода теплоты на ГВС на одного человека, (407 Вт)
m – число потребителей
tх.л , tх.з – температура холодной (водопроводной) воды в неотопительный и отопительный период, принимается соответственно 15 и 5о С
–коэффициент, учитывающий изменение среднего расхода воды на ГВС в неотопительный период по отношению к отопительному периоду (0,8)
Средний и максимальный суммарный расход теплоты определяется по формулам с учетом тепловых потерь в сетях и оборудовании в размере 5%
[3.9]
![]()
[3.10]
Тепловая нагрузка квартала Таблица № 3.2 |
||||||||
| № квартала | ||||||||
| кВт | кВт | кВт | кВт | кВт | кВт | кВт | кВт | |
| 1 | 2 | 3 | 4 | 5 | 6 | 7 | 8 | 9 |
| 4 | 132,6 | 15,9 | 24 | 57,6 | 181,2 | 216,4 | 15,4 | 37 |
| 5 | 227,3 | 27,3 | 40,7 | 97,7 | 310,1 | 370 | 26,1 | 62,7 |
| 6 | 265,2 | 31,9 | 47,7 | 114,5 | 362,1 | 432,2 | 30,6 | 73,5 |
| 7 | 227,3 | 27,3 | 40,7 | 97,7 | 310,1 | 370 | 26,1 | 62,7 |
| 8 | 227,3 | 27,3 | 40,7 | 97,7 | 310,1 | 370 | 26,1 | 62,7 |
| 9 | 577,6 | 69,3 | 103,8 | 249,2 | 767,3 | 940,9 | 66,4 | 159,4 |
| 10 | 539,7 | 64,8 | 96,9 | 232,6 | 736,5 | 878 | 62 | 148,8 |
| 11 | 489,3 | 58,7 | 87,9 | 211 | 667,7 | 797 | 56,3 | 135,2 |
| 12 | 473,5 | 56,8 | 85,1 | 204,3 | 646,2 | 771 | 54,5 | 130,8 |
| 13 | 449,8 | 54 | 80,6 | 193,5 | 613,7 | 732,2 | 51,6 | 123,9 |
| 14 | 441,9 | 53 | 79,4 | 190,6 | 603,1 | 720 | 50,9 | 122,2 |
| 15 | 733,9 | 88 | 131,5 | 315,6 | 1001,1 | 1194,4 | 84,2 | 202,1 |
| 16 | 449,8 | 54 | 80,6 | 193,5 | 613,7 | 732,2 | 51,6 | 123,9 |
| 17 | 505 | 60,6 | 90,8 | 218 | 689,3 | 822,8 | 58,2 | 139,7 |
| 18 | 397,7 | 47,8 | 71,3 | 171,2 | 542,7 | 647,5 | 45,7 | 109,7 |
| 19 | 773,3 | 92,8 | 138,8 | 333,2 | 1055,2 | 1259,3 | 88,9 | 213,4 |
| 20 | 804,9 | 96,6 | 144,5 | 346,8 | 1098,3 | 1310,7 | 92,5 | 222 |
| 21 | 505 | 60,6 | 90,8 | 218 | 689,3 | 822,8 | 58,2 | 139,7 |
| 22 | 246,2 | 29,6 | 44,4 | 106,6 | 336,2 | 401,5 | 28,5 | 68,4 |
| 23 | 568,2 | 68,2 | 101,8 | 244,4 | 775,2 | 925 | 65,2 | 156,5 |
| 24 | 544,5 | 65,4 | 97,7 | 234,5 | 743 | 886,6 | 62,6 | 150,3 |
| 25 | 544,5 | 65,4 | 97,7 | 234,5 | 743 | 886,6 | 62,6 | 150,3 |
| 26 | 397,7 | 47,8 | 71,3 | 171,2 | 542,7 | 647,5 | 45,7 | 109,7 |
| 27 | 606 | 72,8 | 108,7 | 260,9 | 826,9 | 986,7 | 69,6 | 167,1 |
| 28 | 568,2 | 68,2 | 101,8 | 244,4 | 775,2 | 925 | 65,2 | 156,5 |
| 29 | 549,2 | 65,9 | 98,5 | 236,4 | 749,3 | 894 | 63,1 | 151,5 |
| 30 | 227,3 | 27,3 | 40,7 | 97,7 | 310,1 | 370 | 26,1 | 62,7 |
| 31 | 271,5 | 32,6 | 48,9 | 117,4 | 363,6 | 442,6 | 31,3 | 75,2 |
| 32 | 520,8 | 62,5 | 93,6 | 224,7 | 710,8 | 848,4 | 59,9 | 143,8 |
| 33 | 528,7 | 63,5 | 94,9 | 227,8 | 721,5 | 861 | 60,8 | 146 |
| 34 | 355,1 | 42,6 | 63,9 | 153,4 | 484,7 | 578,7 | 40,9 | 98,2 |
| 35 | 568,2 | 68,2 | 101,8 | 244,4 | 775,2 | 925 | 65,2 | 156,5 |
| 36 | 544,5 | 65,4 | 97,7 | 234,5 | 743 | 886,6 | 62,6 | 150,3 |
| 37 | 355,1 | 42,6 | 63,9 | 153,4 | 484,7 | 578,7 | 40,9 | 98,2 |
| 38 | 568,2 | 68,2 | 101,8 | 244,4 | 775,2 | 925 | 65,2 | 156,5 |
| 39 | 544,5 | 65,4 | 97,7 | 234,5 | 743 | 886,6 | 62,6 | 150,3 |
| 16729,5 | 2008,3 | 3002,6 | 7207,8 | 22801 | 27242,9 | 1923,3 | 4617,4 | |
4. Построение графиков часовых расходов теплоты и годового расхода теплоты по продолжительности
; [4.11]
; [4.12]
[4.13]
t'в – средняя температура внутреннего воздуха в отапливаемых зданиях 18˚С
tн – текущее значение наружного воздуха, ˚С
tн.о , tн.в – расчетная температура наружного воздуха, соответственно для проектирования отопления и вентиляции, ˚С
Суммарный расход тепла Таблица № 4.1 |
||||
| tн˚С | ||||
| Вт | Вт | Вт | Вт | |
| 1 | 2 | 3 | 4 | 5 |
| (+8) | 3485,3 | 557,9 | 7397 | 3002,6 |
| 0 | 6273,6 | 1004,2 | 10794 | 3002,6 |
| (-5) | 8016,2 | 1283,1 | 12916 | 3002,6 |
| (-10) | 9758,8 | 1562 | 15039 | 3002,6 |
| (-18) | 12547,1 | 2008,3 | 18435 | 3002,6 |
| (-25) | 14986,8 | 2398,8 | 21407 | 3002,6 |
| (-30) | 16729,5 | 2677,8 | 23530 | 3002,6 |
Длительность стояния температур наружного воздуха г. Казань Таблица № 4.2 |
|||
| Температура наружного воздуха | Число часов стояния температур | Температура наружного воздуха | Число часов стояния температур |
| 1 | 2 | 1 | 2 |
| (-30) - (-25) | 21 | (-10) - (-5) | 1520 |
| (-25) - (-18) | 117 | (-5) - (0) | 2480 |
| (-18) - (-10) | 328 | (0) - (+8) | 7470 |
Построение графика годового расхода теплоты по продолжительности тепловой нагрузки производится по суммарной часовой нагрузке с использованием данных по продолжительности стояния наружных температур. Приложение №1
5. Выбор системы регулирования отпуска теплоты
В системе теплоснабжении 3 вида регулирования
1. Центральное (Ц)
2. Групповое (Г)
3. Индивидуальное (И)
- (Ц) осуществляется у источника теплоты (ТЭЦ,ГРЭС)
- (Г) или местное осуществляется в (ЦТП или ЭТП)
- (И) регулирование перед нагревательными приборами у абонентов
В ЦТС к одним и тем же наружным тепловым сетям присоединяют систему отопления, вентиляцию и ГВС. Указанные потребители работают по разным режимам:
- отопление постоянно
- ГВС в дневные часы
- вентиляция и кондиционирование несколько часов
В силу сказанного, принимаем, для основной тепловой нагрузки в жилых зданиях является отопление и вентиляция, а для других видов нагрузки ГВС и технологию используем (Г и И) регулирования. Все количество, теплоты, полученное от источника тепла расходуется потребителями, Q = C·G·
если мы в этом уравнении изменим температуру теплоносителя, то регулирование будет качественным, если изменить расход теплоносителя то будет количественное.
Принципиальная схема системы теплоснабжения. Выбор системы центрального регулирования отпуска теплоты. Источником тепла является районная котельная, от которой предусмотрена двух трубная система отопления до ЦТП, при этом предполагаем, что один ЦТП на микрорайон и расход количества теплоты для одного ЦТП от 12 до 35 МВт по средней суммарной тепловой нагрузке.
[5.14]
ЦТП располагается непосредственно в жилом микрорайоне, где происходит дальнейшая обработка воды для нужд потребителей. В ЦТП происходит приготовление горячей воды для ГВС при помощи ВВП не ниже 60˚С.
Отопление отдельных зданий присоединенных к тепловой сети происходит через элеватор. Система регулирования выбирается от соотношения сред ГВС и расчетных параметров отопления.
[5.15]
Принимается центральное качественное регулирование ЦКР по совместной нагрузке отопления и ГВС, т.е. повышенный температурный график.
Выбор схемы присоединения подогревателя ГВС с закрытой системой теплоснабжения, выбираем в зависимости от соотношения максимального нагрева на ГВС и расчетного нагрева отопления.
При 0,2<
[5.16]
Принимается последовательная двухступенчатая схема подогревателей ГВС
6. Построение графика регулирования отпуска теплоты
График температуры предназначен для определения температуры теплоносителя в прямой и обратке при различных tнв,
для построения необходимо определить
- tтеплоносителя.
Определить
- через каждые 5˚С tнв
используя следующие формулы:
=
[6.17]
- относительный расход тепла на отопление при tн
tв – (+18˚C) постоянная
Температура теплоносителя в подающем трубопроводе тепловой сети.
![]()
˚С [6.18]
- это средняя t теплоносителя в нагревательном приборе
=
= 82,5˚С [6.19]
= 95˚С
= 70˚С
= 150˚С это t теплоносителя в подающем трубопроводе теплосети
При tн = tно
- это t теплоносителя в обратном трубопроводе теплосети
[6.20]
Полученные результаты расчетов сводим в таблицу
Относительного расхода тепла на отопление и температуры теплоносителя
Таблица № 6.1
| tн | -30 | -25 | -18 | -10 | -5 | 0 | +8 |
| Q0 | 1 | 0,896 | 0,75 | 0,583 | 0,479 | 0,375 | 0,208 |
| 150 | 137,5 | 119,8 | 99,3 | 86,1 | 72,7 | 50,4 | |
| 70 | 65,8 | 59,8 | 52,7 | 47,8 | 42,7 | 33,7 |
Используя значения
и
из таблицы №5, строим нормативный температурный график центрального качественного регулирования по отопительной нагрузке.
Для того чтобы нагреть воду до 60˚С для горячего водоснабжения в подающем трубопроводе закрытой тепловой сети, температура теплоносителя должна быть не ниже 70˚С поэтому при температуре наружного воздуха выше tн , уменьшать температуру теплоносителя нельзя.
Для построения повышенного графика вычисляем перепад температур сетевой воды в 1-й и 2-й ступенях подогревателей и определяем значение
и ![]()
Суммарный перепад температур сетевой воды в обеих ступенях подогревателя.
,˚С; [6.21]
; ![]()
Перепад температур в 1-й ступени.
[6.22]
![]()
- температура в обратном трубопроводе при
=1˚С
Перепад температур во 2-й ступени.
[6.23]
Находим температуру сетевой воды в подающем трубопроводе тепловой сети при
=1˚С
[6.24]
В обратном трубопроводе
[6.25]
Аналогично вычисляем температуру теплоносителя при других параметрах наружного воздуха. Данные заносим в таблицу №6
Повышенного графика температур в подающем и обратном трубопроводах
Таблица № 6.2
| tн | -30 | -25 | -18 | -10 | -5 | 0 | +1 |
| 149.7 | 138.3 | 122.2 | 103.6 | 91.7 | 79.7 | 77.3 | |
| 52.5 | 49.4 | 45 | 39.8 | 36.2 | 32.5 | 31.8 |
На основании отопительного графика, используя данные таблицы №6, строим повышенный график регулирования отпуска тепла. Приложение №2
7. Построение часовых графиков расходов сетевой воды
Расход теплоносителя на отопление.
[7.26]
Qo – мощность систем отопления при tн от 8 до tн.о. = -30о С (таблица №3)
и
- температуры теплоносителя при текущем значении tн
(повышенный график).
с – теплоемкость = 4,187 Дж. т/ч о С
Расход теплоносителя на вентиляцию.
[7.27]
Qв – мощность систем вентиляции при tн от 8 до tн.о. = -30о С (таблица №3)
и
- температуры теплоносителя при текущем значении tн
(повышенный график).
с – теплоемкость = 4,187 Дж. т/ч о С
Расход теплоносителя на горячее водоснабжение.
[7.28]
– среднечасовой расход тепла на горячее водоснабжение (таблица №3)
- температуры теплоносителя в прямой, в точке изменения температурного графика (повышенный график)
= 30о
С это температура теплоносителя после теплообменника.
с – теплоемкость = 4,187 Дж. т/ч о С
Результаты вычислений сводим в таблицу №7
Часовых расходов сетевой воды
Таблица № 7.1
| Температура наружного воздуха | Расход теплоносителя на отопление | Расход теплоносителя на вентиляцию | Расход теплоносителя на ГВС |
| tн ºС | G0 , т/ч | Gв, т/ч | Gгв ср , т/ч |
| +8 | 105,5 | 16,9 | 64,5 |
| +1 | 179,4 | 28,7 | - |
| 0 | - | - | - |
| -5 | - | - | - |
| -10 | - | - | - |
| -18 | - | 28,7 | - |
| -25 | - | - | - |
| -30 | - | 28,8 | 21,5 |
На основании таблицы №7, строим график часовых расходов сетевой воды. Приложение №3
8. Определение расчетных расходов сетевой воды
Расчетный расход сетевой воды для определения диаметров труб в водяных тепловых сетях при качественном регулировании отпуска теплоты следует определять отдельно для отопления, вентиляции и ГВС.
Расчетный расход сетевой воды на отопление, т/ч:
[8.29]
Расчетный расход сетевой воды на вентиляцию, т/ч:
[8.30]
Расчетный расход сетевой воды на ГВС в закрытых системах, т/ч:
- средний, при 2-ступенчатой схеме присоединения подогревателей (и смешанной и последовательной):
[8.31]
- максимальный, при 2-ступенчатой схеме присоединения подогревателей (и смешанной и последовательной):
[8.32]
- температуры теплоносителя при температуре наружного воздуха для отопления tн.о,
˚С
- температуры теплоносителя при температуре наружного воздуха для точке вентиляции tн.в,
˚С
- температуры теплоносителя при температуре наружного воздуха в точке излома температурного графика tн.и,
˚С
- расчетная тепловая нагрузка на отопление рассматриваемого квартала, кВт.
- расчетная тепловая нагрузка на вентиляцию рассматриваемого квартала, кВт.
Суммарный расчетный расход сетевой воды при качественном регулировании следует определять по формуле, т/ч
[8.33]
kз – коэффициент, учитывающий долю среднего расхода воды на ГВС.
В закрытых системах при
< 1000 МВт при регулировании по отопительной нагрузке kз
=1,2; при регулировании по совмещенной нагрузке отопления и ГВС kз
= 0.
Расчетный расход воды в неотопительный период на горячее водоснабжение, т/ч
[8.34]
= 0,8 смотри в разделе 1
При этом максимальный расход воды ГВС, в кг/ч, определяется для закрытых систем при всех схемах присоединения подогревателей ГВС по вышеприведенной формуле.
Результаты расчета заносим в таблицу № 8.1
| Тепловая нагрузка квартала для ЦТП-1 Таблица № 8.1 | ||||||
| № квартала |
![]() |
![]() |
![]() |
![]() |
||
| т/ч | т/ч | т/ч | т/ч | т/ч | т/ч | |
| 1 | 2 | 3 | 4 | 5 | 6 | 7 |
| 4 | 1,2 | 0,16 | 0,4 | 0,58 | 0,46 | 1,36 |
| 5 | 2 | 0,27 | 0,7 | 0,98 | 0,78 | 2,27 |
| 6 | 2,4 | 0,32 | 0,8 | 1,15 | 0,92 | 2,72 |
| 7 | 2 | 0,27 | 0,7 | 0,98 | 0,78 | 2,27 |
| 8 | 2 | 0,27 | 0,7 | 0,98 | 0,78 | 2,27 |
| 9 | 5,2 | 0,69 | 1,8 | 2,49 | 1,99 | 5,89 |
| 10 | 4,9 | 0,65 | 1,6 | 2,33 | 1,86 | 5,55 |
| 11 | 4,4 | 0,59 | 1,5 | 2,11 | 1,69 | 4,99 |
| 12 | 4,3 | 0,57 | 1,4 | 2,04 | 1,63 | 4,87 |
| 13 | 4 | 0,54 | 1,4 | 1,94 | 1,55 | 4,54 |
| 14 | 4 | 0,53 | 1,3 | 1,9 | 1,52 | 4,53 |
| 15 | 6,6 | 0,88 | 2,2 | 3,16 | 2,53 | 7,48 |
| 22 | 2,2 | 0,3 | 0,8 | 1,07 | 0,86 | 2,5 |
| 23 | 5,1 | 0,68 | 1,7 | 2,44 | 1,95 | 5,78 |
| 27 | 5,5 | 0,73 | 1,8 | 2,61 | 2,09 | 6,23 |
| 31 | 2,4 | 0,33 | 0,8 | 1,17 | 0,94 | 2,73 |
| 58,2 | 7,78 | 19,6 | 27,93 | 22,33 | 65,98 | |
| Тепловая нагрузка квартала для ЦТП-2 | ||||||
№ квартала |
![]() |
![]() |
![]() |
![]() |
||
| т/ч | т/ч | т/ч | т/ч | т/ч | т/ч | |
| 1 | 2 | 3 | 4 | 5 | 6 | 7 |
| 16 | 4 | 0,54 | 1,4 | 1,94 | 1,55 | 4,54 |
| 17 | 4,5 | 0,61 | 1,5 | 2,18 | 1,74 | 5,11 |
| 18 | 3,6 | 0,48 | 1,2 | 1,71 | 1,37 | 4,08 |
| 19 | 7 | 0,93 | 2,4 | 3,33 | 2,66 | 7,93 |
| 20 | 7,2 | 0,97 | 2,5 | 3,47 | 2,78 | 8,17 |
| 21 | 4,5 | 0,61 | 1,5 | 2,18 | 1,74 | 5,11 |
| 24 | 4,9 | 0,65 | 1,7 | 2,35 | 1,88 | 5,55 |
| 25 | 4,9 | 0,65 | 1,7 | 2,35 | 1,88 | 5,55 |
| 26 | 3,6 | 0,48 | 1,2 | 1,71 | 1,37 | 4,08 |
| 28 | 5,1 | 0,68 | 1,7 | 2,44 | 1,95 | 5,78 |
| 29 | 4,9 | 0,66 | 1,7 | 2,36 | 1,89 | 5,56 |
| 30 | 2 | 0,27 | 0,7 | 0,98 | 0,78 | 2,27 |
| 32 | 4,7 | 0,63 | 1,6 | 2,25 | 1,8 | 5,33 |
| 33 | 4,8 | 0,64 | 1,6 | 2,28 | 1,82 | 5,44 |
| 34 | 3,2 | 0,43 | 1,1 | 1,53 | 1,22 | 3,63 |
| 35 | 5,1 | 0,68 | 1,7 | 2,44 | 1,95 | 5,78 |
| 36 | 4,9 | 0,66 | 1,7 | 2,35 | 1,88 | 5,56 |
| 37 | 3,2 | 0,43 | 1,1 | 1,53 | 1,22 | 3,63 |
| 38 | 5,1 | 0,68 | 1,7 | 2,44 | 1,95 | 5,78 |
| 39 | 4,9 | 0,65 | 1,7 | 2,35 | 1,88 | 5,55 |
| 92,1 | 12,33 | 31,4 | 44,17 | 35,31 | 104,43 | |
| итого | 150,3 | 20,11 | 51 | 72,1 | 57,64 | 170,41 |
9. Гидравлический расчет трубопроводов тепловой сети
В задачу гидравлических расчетов входит определение диаметров участков тепловой сети и потерь напора на них и в целом по магистрали.
Гидравлический расчет проводится по известным значениям расчеты расходов теплоносителя на участках и нормированной величине удельного линейного падения давления Rл , которая принимается для главной магистрали равной 80 Па/м.
Расчет выполняется в 2 этапа:
I . Предварительный расчет:
1. Вычерчивается расчетная схема магистральной тепловой сети без масштаба. Указываются номера расчетных участков, их длины, расчетные расходы теплоносителя.
2. Выбирается главная магистраль как наиболее протяженная. Расчет производится последовательно, начиная с головного участка (это 1-й участок) главной магистрали, после чего переходят к расчету ответвлений.
3. По номограмме (прил. 8) для Rл = 80 Па/м и расчетному расходу теплоносителя на каждом участке определяется предварительное значение диаметров тепловой сети (dн х S).
4. По предварительному расчетному значению диаметра трубопровода на участке уточняется стандартное значение диаметра (dу ) и удельное линейное падение давления (уточненное), Rл у используя ту же номограмму (прил. 8). При этом заполняем таблицу 4 (предварительный расчет).
5. Далее на расчетной схеме расставляется запорная арматура, неподвижные опоры, компенсаторы. Расстояния на участках между неподвижными опорами определяются в зависимости от типа компенсаторов, способа прокладки и диаметра трубопроводов по прил.9. По этому расстоянию определяется количество тепловых камер ТК и компенсаторов К. Тип компенсаторов выбирается в зависимости от диаметра трубопровода и способа прокладки согласно прил.(8, 9) П-образные компенсаторы целесообразно устанавливать на участках открытой прокладки трубопровода; сальниковые компенсаторы требуют для ремонта и обслуживания смотровых камер, поэтому их размещают попарно. Тепловые камеры ТК размещаются на поворотах к ответвлениям.
II . Окончательный расчет:
1. По типу и количеству местных сопротивлений на каждом участке определяется их суммарная эквивалентная длина, м:
[9.35]
- определяется по приложению 10, м:
n – число местных сопротивлений на расчетном участке
2. Определение падение давления на каждом участке, Па:
[9.36]
3. Вычисляется величина падения напора на участке, м:
[9.37]
- плотность воды 935,4 кг/м3
g = 9.81 м/c2
4. Далее определяется величина суммарных потерь напора на каждом расчетном участке
.
После расчета главной магистрали переходим к расчету ответвлений (и предварительного и окончательного). Расчет проводится в следующей последовательности.
1. Предварительно по результатам расчета главной магистрали определяются потери давления на ответвлениях
(располагаемый напор) как разность потерь напора в главной магистрали и потерь напора на участках до ответвлений, м:
[9.38]
2. Находим долю местных потерь давления в магистральной сети
![]()
Gр – расход теплоносителя на головном участке (1-й участок главной магистрали), т/ч:
3. Определяем удельное линейное падение давления на ответвлениях, Па/м:
; [9.39]
; [9.40]
- длина ответвления, м:
4. Зная Rл , определяется по номограмме (прил. 8) стандартное значение диаметров трубопроводов.
5. Уточняется ![]()
Далее окончательный расчет проводится аналогично, как и для главной магистрали. Результаты расчета заносятся в таблицу № 9.1
После расчета ответвлений переходим к гидравлическому расчету главной магистрали для неотопительного (летнего) периода, задача которого состоит в определении потерь напора, при расходах теплоносителя соответствующих неотопительному периоду и известных диаметрах трубопровода.
Предварительно определяются расходы воды по отдельным участкам главной магистрали для летнего периода.
Пересчет режимов работы производим по формуле.
[9.41]
из таблицы №8.1 для каждого ЦТП
из таблицы №8.1 для каждого ЦТП
Участок №1
0,37
Участок №2
0,35
Участок №3
0,12
Гидравлический расчет тепловой сети Таблица № 9.1 |
|||||||||||||||
| № участка |
т/ч |
м |
Предварительный расчет | Окончательный расчет | |||||||||||
|
Rл Па/м |
dн х S мм |
dу мм |
Па/м |
Тип местного сопротивления |
кол. мест сопр. |
Эквив. длина
|
|
м |
Па |
м |
м |
|||
| Главная магистраль | |||||||||||||||
| 1 | 170,4 | 680 | 80 | 273х7 | 250 | 36 | задвижка | 2 | 3,83 | 7,66 | |||||
Компенсатор Односторонний сальниковый |
1 | 3,39 | 3,39 | ||||||||||||
Компенсатор П-образный |
5 | 28 | 140 | ||||||||||||
| отвод крутоизогнутый | 1 | 5,55 | 5,55 | ||||||||||||
| 156,6 | 30117,6 | 3,28 | |||||||||||||
| 2 | 104,43 | 520 | 80 | 219х6 | 200 | 45 | Компенсатор П-образный |
4 | 23,4 | 93,6 | |||||
отвод крутоизогнутый |
1 | 4,2 | 4,2 | ||||||||||||
| 97,8 | 27801 | 3,03 | 6,31 | ||||||||||||
| сумма участков 1+2 = 6,31 | |||||||||||||||
| Ответвление | |||||||||||||||
| 3 | 65,98 | 220 | 3,03 | 21 | 194х6 | 175 | 35 | задвижка | 1 | 2,9 | 2,9 | ||||
Компенсатор Односторонний сальниковый |
1 | 2,17 | 2,17 | ||||||||||||
Компенсатор П-образный |
2 | 19 | 38 | ||||||||||||
тройник на деление потока на ответвление |
1 | 21 | 21 | ||||||||||||
| 64,07 | 9942,45 | 1,08 | 4,36 | ||||||||||||
| сумма участков 1+3 = 4,36 | |||||||||||||||
10. Подбор компенсаторов
Для компенсации температурных удлинений трубопроводов устанавливаются как сальниковые, так и П-образные компенсаторы.
Тепловые удлинения трубопроводов между опорами, обусловленное удлинением труб при нагревании, рассчитывается по формуле, мм:
[10.42]
L- длина трубопровода между неподвижными опорами, м.
α = 0,012 мм/(м·˚С) коэффициент линейного удлинения стальных труб.
τ = τ1 – темпер. сетевой воды в подающем трубопроводе тепловой сети при tн.о , ˚С
Расчетная компенсирующая способность компенсатора, мм.
[10.43]
- компенсирующая способность компенсатора, мм. (прил. 13)
z = 50 мм неиспользуемая компенсирующая способность компенсатора.
Установочная длина компенсатора, мм.
[10.44]
А – длина компенсатора с полностью выдвинутым стаканом, мм (прил. 13)
Монтажная длина компенсатора, мм.
[10.45]
Для трубопровода Dн - 273 мм, ℓмонт = 1181,6 мм
Для трубопровода Dн - 219 мм, ℓмонт = 1121,6 мм
tн = 10˚C. температура воздуха для монтажа компенсатора.
11. Расчет тепловой изоляции
Прокладка в непроходных каналах. Определяем норму потерь тепла для подающего и обратного трубопроводов.
При Dн = 273 мм, qпод = 105 Вт/м; qобр = 70 Вт/м
При Dн = 219 мм, qпод = 92 Вт/м; qобр = 59 Вт/м
τ = 90˚С ; tо = 5˚С
Общее сопротивление для подающего трубопровода
; м·˚С/Вт [11.46]
При прокладке в непроходном одноячейковом канале
[11.47]
Сопротивление изоляции
[11.48]
Для определения Rп.сл и Rн предварительно примем конструкцию теплоизоляции. Основной изоляционный слой – маты минералватные прошивные в обкладке из металлической сетки δиз = 50 мм; λп.сл = 0,38 Вт/(м˚С); λгр = 1,7 Вт/(м˚С);
Среднегодовая темп. грунта на глубине заложения оси трубопр. (h=1.2 м) при +5
Определение наружного диаметра трубы с изоляцией
Dиз = Dн +2δиз
Dк = Dиз +2δп.сл
Подбираем канал типа КС и определяем его эквивалентный диаметр
; м [11.49]
F – поперечная площадь канала, м2
П – длина поперечного периметра канала, м
Сопротивление покровного слоя
; м·˚С/Вт [11.50]
Сопротивление переходу тепла от поверхности конструкции к воздуху канала
; м·˚С/Вт [11.51]
Сопротивление перехода тепла от воздуха к поверхности канала
; м·˚С/Вт [11.52]
В непроходных каналах αкан = αн = 8,14
Сопротивление грунта
; м·˚С/Вт [11.53]
Сопротивление влияние обратного трубопровода на подающий
; м·˚С/Вт [11.54]
; Вт/м [11.55]
Определяем толщину изоляции трубопроводов
; мм [11.56]
λиз = 0,076 коэффициент теплопроводности изоляции
е = 2,72
Для трубопровода Dн - 273 мм, δиз = 22,8 принимаем 30мм
Для трубопровода Dн - 219 мм, δиз = 15,3 принимаем 20мм
12. Построение пьезометрического графика тепловой сети
График строится при двух режимах работ систем теплоснабжения: статическом и динамическом.
Статический режим характеризуется давлениями в сети при неработающих сетевых (циркуляционных), но включенных подпиточных насосах.
Динамический режим характеризуется давлением, возникающим в сети и в системе теплопотребителей при работающей системе теплоснабжения, работающих сетевых насосах.
Построение пьезометрического графика на основании данных гидравлического расчета для зимних и летних условий выполняется в следующей последовательности:
1. Вычерчивается профиль местности (по геодезическим отметкам на
генплане) и наносятся отметки высот характерных зданий на профиль в принятом масштабе (1 этане - 3 м).
2. Проводится линия статического напора (Нст ), обеспечивающего заполнение системы водой (на 3-5 м выше самого высокого абонента (здания)).
3. Устанавливаем предельное положение пьезометрического графика об- . ратного трубопровода в динамическом режиме, исходя из того, что:
- максимальный пьезометрический напор не должен превышать 60 м в радиаторах нижних этажей зданий;
- для защиты системы отопления от опорожнения пьезометрическая линия должна быть не менее чем на 3-5 м выше самого высокого абонента.
4. Из точки А проводим линию падения давления по напору, обратную линии тепловой сети от ТЭЦ до конечного абонента, где действительный уклон пьезометрической линии обратного трубопровода определяется по данным гидравлического расчета (получаем точку В). Падение давления в главной магистрали тепловой сети равномерное, поэтому точку А соединяем с точкой В прямой. В действительности на ответвлениях от главной магистрали наблюдается некоторое незначительное падение давления на преодоление дополнительного I сопротивления (поворот), но мы его учитываем в гидравлическом расчете глав- % ной магистрали.
5. Строится линия потерь напора у концевого абонента. Располагаемый напор на ЦТП принимается не менее 25-30 м.
6. Строится, пьезометр для подающего трубопровода (зеркальное отображение обратного) и линию потерь напора в теплоподготовительной установке (на ТЭЦ), которые принимаются 25-30 м.
7. Проводится линия невскипания на расстоянии 40 м от каждой точки рельефа местности.
8. Строится пьезометр летнего режима (аналогично зимнему, только потерей в ТПУ принимаем 10 - 12 м).
13. Подбор сетевых и подпиточных насосов
1. Производительность рабочих сетевых насосов по суммарному расчетному расходу воды на головном участке тепловой сети для отопительного периода (∑Gиз табл. 8.1=170,41 т/ч), т/ч:
- в отопительный период Gз сет.нас =∑G ;
Напор сетевых насосов, м:
- в отопительный период
Нз сет.нас = ∆Нз тпу + ∆Нз под + ∆Нз об + ∆Нз цтп = 67,32 м, [13.57]
Нз сет.нас = 30 + 6,31 + 6,31 + 25 = 67,32 м,
2. Производительность рабочих подпиточных насосов в закрытых системах теплоснабжения.
Объем воды в системе теплоснабжения, м3 :
- в отопительный период
V3 = Q3 - (VC +VM ) = 1404,75 м3 , [13.58]
где Q3
=
- тепловая нагрузка системы теплоснабжения, МВт (таблица 3.2).
Vc , VM - удельные объемы сетевой воды соответственно в ТПУ, наружных сетях и в местных системах соответственно, м3 /МВт.
Для жилых районов рекомендуется принимать:
Vc = 40 - 43 м3 /МВт; VM = 30 - 32 м3 /МВт.
Производительность подпиточных насосов, м3 /ч:
- в отопительный период
Gз под.нас = 0,5·Vз / 100% = 7,02 м3 /ч, [13.59]
Рекомендуется также предусматривать аварийную подпитку в количестве 2 % от объема воды, м3 /ч:
- в отопительный период
Gз под.нас авар = 2%·Vз / 100% = 28,1 м3 /ч, [13.60]
Напор подпиточных насосов берется с пьезометрического графика.
Число насосов следует принимать:
- не менее двух сетевых, из которых один является резервным;
- в закрытых системах не менее двух подпиточных.
Основные технические характеристики насосов
Таблица 13.1
| Марка насоса | Производи-тельность, м3 /ч | Полный напор, м | Частота вращения, об/мин | Мощность электродви-гателя, кВт | диаметр рабочего колеса, мм |
Сетевой насос 4НДВ |
180 | 84 | 2950 | 55 | 265 |
Подпиточный насос 11/2К-6 |
30 |
24 | 2900 | 4,5 | 162 |
14. Тепловой расчет подогревателей ГВС ЦТП
Целью теплового расчета подогревателей является расчет поверхности нагрева, выбора типоразмера и количества секций. Подогреватели должны обеспечивать заданную теплопроизводительность при любых температурных режимах сетевой воды. Наиболее не благоприятный режим соответствует точке излома температурного графика регулирования. Поэтому расчет подогревателя ГВС ЦТП при всех системах подключения их к тепловым сетям производится по параметрам сетевой воды при температуре наружного воздуха.
Расчет последовательной двухступенчатой схемы присоединения подогревателей ГВС.
Дано: из таблицы № 3.2
| Q |
Q |
||
| ЦТП-1 | 2781,3 | 1162,9 | 6477,3 |
| ЦТП-2 | 4426,5 | 1839,7 | 10252,2 |
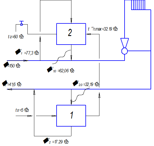
τ´1 = 150 0 С; τ´2 = 41,6 0 С; τ´3 = 95 0 С;
τ˝´1 = 77,3 0 С; τ˝´2 = 31,7 0 С; τ˝´3 = 50 0 С;
t˝´н = +1 °С (точка излома температурного графика);
tх = 5 °С; tг = 60 °С; tв = 18 °С.
1. Балансовый (расчетный) расход тепла:
Q
= 1,2·Q
= 1,2· Q
/Rг
, кВт; [14.61]
где Q
, Q
- средняя и максимальная тепловая нагрузка на ГВС
Rг – коэффициент часовой неравномерности, принимается Rг =2.
2. Балансовая тепловая производительность подогревателя I ступени:
Qб.1
= Q
·(t˝´п
- tх
)/ tх
- tг
, кВт; [14.61]
где t˝´п = τ˝´2 – (5…10) = 24,7 0 С – температура водопроводной воды на выходе из подогревателя I ступени;
(5…10) – величина недогрева водопроводной воды;
tх - температура холодной водопроводной воды (зимой);
tг =температура горячей воды;
с = 4,187 кДж/кг· 0 С – теплоемкость воды.
3. Балансовый расход сетевой и водопроводной воды:
Gб.мт
= G`о
+G
=
; [14.62]
где Q`о - тепловая нагрузка на отопление (таблица 2 для своего ЦТП).
Gб.тр
=
,кг/ч; [14.63]
4. Максимальный расход сетевой и водопроводной воды:
G
=1,1· Gб.мт
, кг/ч [14.64]
G
=
, кг/ч; [14.65]
5. Температура сетевой воды после подогревателя I ступени при Q![]()
=
-
0
С. [14.66]
6. Среднелогарифмическая разность температура в подогревателе I ступени при Q![]()
∆tб,
I
=
,0
С. [14.67]
7. Безразмерный параметр ФI для I ступени
ФI
=
. [14.68]
8. Безразмерная удельная тепловая производительность ε1
I ступени при Q
:
ε1
=
; [14.69]
где Gмен
и Gбол
– выбираются из величин G
, G
.
9. Коэффициент смешения насосно-смесительной установки (элеватор)
U = 1,15·
; [14.70]
U* = 1+U/φб ,
где φб =Gб.мт / G`о = 1,39 – расчетный коэффициент смешения.
10.Безразмерная характеристика отопительной системы при
и Q![]()
εо
=
[14.71]
где
= 0,5·
= 40,85 0
С – средняя температура нагревательных приборов в точке излома температурного графика;
φм
= G
/ G`о
= 1,54 – отношение суммарного расхода воды к расчетному расходу воды на отопление при максимальном часовом расходе тепла на ГВС.
11. Суммарный перепад температур сетевой воды в I и II ступенях при Q
:
δ
= 3600 Q
/с·G
, 0
С [14.72]
12. Температура сетевой воды после отопительной системы при максимальном водозаборе:
=
, 0
С [14.73]
13. Тепловая производительность I и II ступени при Q
:
Q
= Q
·(
- tх
/ tг
- tх
)·ε1
,кВт [14.74]
Q
= Q
- Q
, кВт [14.75]
14. Температура сетевой воды перед элеватором:
=
- 3600·Q
/с·G
, 0
С [14.76]
15. Температура сетевой воды после I ступени подогревателя:
=
- 3600·Q
/с·G
, 0
С [14.77]
16. Температура водопроводной воды после I ступени подогревателя при максимальном водоразборе:
= tх
+ 3600·Q
/с·G
, 0
С; [14.78]
17. Среднелогарифмическая разность температур теплоносителей в I ступени:
∆tср
I
=
, 0
С; [14.79]
где ∆tб
= (
- tх
) = 12,29 0
С;
∆tм
= (
-
) = 0 0
С.
18. Задав скорость воды в трубках и межтрубном пространстве ω = 1 м, определим предварительное значение площади трубок и межтрубного пространства:
fтр
= G
/3600·ω·ρ = 0,01207 м2
– ЦТП-1; [14.80]
fмт
= G
/3600·ω·ρ = 0,02204 м2
- ЦТП-1; [14.81]
где ρ – 1000 кг/м3 – плотность воды.
Для ЦТП2: fтр = 0,01922 м2 ; fмт = 0,03494 м2 .
Подбираем водяные подогреватели из (приложения 12).
Технические характеристики водяных подогревателей
Таблица № 14.1
| Внутренний диаметр корпуса Dвн, мм | Поверхность нагрева, м2 | Площадь проходного сечения, м2 | Эквивалентный диаметр межтрубного пространства, мм | ||
| секций Fc , длиной | трубок | межтр. прост-ва | |||
| 4 м | fтр | fмт | |||
| ЦТП-1 273 | 20,3 | 0,01679 | 0,03077 | 0,0196 | |
| ЦТП-2 325 | 28,49 | 0,02325 | 0,04464 | 0,0208 | |
19. Действительные скорости воды:
ωтр
= G
/3600·fтр
·ρ = 1,0 м2
[14.82]
ωмт
= G
/3600·fмт
·ρ = 1,0 м2
. [14.83]
Для ЦТП-1,2
20. Коэффициенты теплоотдачи:
- от греющей воды к стенкам трубок:
αмт
= (1630+21·tср
- 0,041·t2
ср
) ·ω0,8
мт
/
= 4414,12 Вт/(м2
·0
С), [14.84]
где tср
= 0,5·(tх
-
) = 18,6 0
С – ЦТП-1.
- от трубок к нагреваемой среде:
αтр
= (1630+21·τср
- 0,041·τ2
ср
) ·ω0,8
мт
/
= 4992,46 Вт/(м2
·0
С), [14.85]
где τср
= 0,5·(
- τ2
мах
) = 24,74 0
С – ЦТП-1.
Для ЦТП-2: αмт = 4353,93 Вт/(м2 ·0 С);
αтр = 4992,46 Вт/(м2 ·0 С);
21. Коэффициент теплопередачи водоподогревателя в I ступени:
k = β /
= 2078,24 Вт/(м2
·0
С) [14.86]
где β = 0,85 – коэффициент загрязнения поверхности нагрева (трубок);
- толщина стенки трубки, м (
= 0,001 м);
- теплопроводность стенки, Вт/(м2
·0
С) (
= 110 Вт/(м2
·0
С).
22. Необходимая площадь нагрева подогревателя I ступени:
FI
= Q
/ k·∆tср
I
·µ = 67,29 м2
– ЦТП-1; [14.87]
FI = 107,1 м2 – ЦТП-2
где µ - коэффициент, учитывающий накипь и загрязнение трубок, µ = 0,8.
23. Количество секций:
n = FI / Fc = 2.36 ≈ 3 шт – ЦТП-1; [14.88]
n = 3.76 ≈ 4 шт – ЦТП-2.
24. Для подогревателя II ступени, составленной из секций того же типоразмера, число секций находится аналогичным образом:
∆tср
II
=
= 22,85 0
С; [14.89]
где ∆tб
= (
-
) = 29.87 0
С;
∆tм
= (
-
г
) = 17,3 0
С.
τср
II
= 0,5·(
+
) = 69,68 0
С [14.90]
tср
II
= 0,5·(
г
+
) = 46,1 0
С [14.91]
ωтр и ωмт – остается такой же, как и для первой ступени.
ЦТП-1 αмт
= (1630+21·tср
II
- 0,041·tср
II
2
) ·ω0,8
мт
/
= 5524.2 Вт/(м2
·0
С), [14.92]
ЦТП-2 αмт
= (1630+21·tср
II
- 0,041·tср
II
2
) ·ω0,8
мт
/
= 5448,9 Вт/(м2
·0
С), [14.93]
αтр
= (1630+21·τср
II
- 0,041·τ2
ср
II
) ·ω0,8
мт
/
= 6801.39 Вт/(м2
·0
С), [14.94]
k = β /
= 2507.37 Вт/(м2
·0
С) [14.95]
ЦТП-1 FII
= Q
/ k· ∆tср
II
·µ = 30.68 м2
[14.96]
n = FII / Fc = 1.51 ≈ 2 шт [14.97]
ЦТП-2 FII
= Q
/ k · ∆tср
II
·µ = 48.83 м2
[14.98]
n = FII / Fc = 1.71 ≈ 2 шт [14.99]
Последовательная двухступенчатая схема присоединения подогревателей ГВС
Схема № 14.2

Библиографический список
1. Теплоснабжение района города «Методические указания к курсовому проекту по курсу Теплоснабжение». Томского государственного архтектурно-строительного университета, 2001 г.
2. Расчёт и проектирование тепловых сетей. / А.Ю. Строй, В.Л. Скальский . –Киев.: Будивельник, 1981 г.



