| Скачать .docx |
Реферат: Лабораторная работа: Регулирование напряжения и исследование цепи переменного и трехфазного тока Испытание однофазного
Министерство образования Российской Федерации
КГТУ
Кафедра ЭТиЭТ
Лабораторная работа №2
Регулирование напряжения и электрических цепей
Выполнил: Колосов М.В.
ст-т. гр. Т81-1
Проверил: Первухин М.В.
Красноярск, 2003 г.
Цель работы:
1. Исследовать два способа регулирования напряжения в электрических цепях с применением регулировочного процесса;
2. Экспериментально определить диапазоны регулирования при включении регулировочного реостата последовательно с нагрузкой и использовании его в качестве делителя;
3. На основе анализа результатов опытов делают вывод о способе регулирования напряжения в зависимости от пределов регулирования.
Рабочее задание.
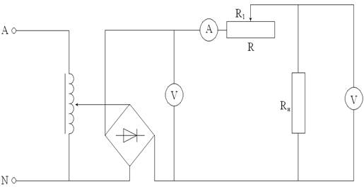
1. Собрать цепь согласно схеме рис. 1.

Рис. 1.
2. Изменяя сопротивление введенной части реостата от R1 =R до R1 =0 выполнить 5-7 замеров тока и напряжения.
3. Рассчитать полное сопротивление цепи Rц , Сопротивление нагрузки Rн , мощность, потребляемую нагрузкой и цепью, коэффициент полезного действия. Результат измерений занести в таблицу 1.
Таблица 1.
| Результаты измерений |
Результаты вычислений |
|||||||
| U, В |
I, А |
Uн, Ом |
Rц, Ом |
Rн, Ом |
R1, Ом |
Р, Вт |
Рн, Вт |
h, % |
| 150 |
0,5 |
50 |
300 |
100 |
200 |
75 |
25 |
33 |
| 150 |
0,6 |
60 |
250 |
100 |
150 |
90 |
36 |
40 |
| 150 |
0,7 |
70 |
214,2 |
100 |
114,2 |
105 |
49 |
46 |
| 150 |
0,75 |
80 |
200 |
106,6 |
93,3 |
112,5 |
60 |
53 |
| 150 |
0,8 |
90 |
187,5 |
112,5 |
75 |
120 |
72 |
60 |
| 150 |
0,9 |
100 |
166,6 |
111,1 |
55,5 |
135 |
90 |
66 |
4. Построить графики Uн = f(R1 ) и h = f(R1 ), провести их анализ.

Uн = f(R1 )

h = f(R1 )
5. Собрать цепь согласно схеме рис. 2.

Рис. 2.
6. Перемещая движок регулировочного реостата, изменяя сопротивление R2 , от 0 до R. Выполнить 5-7 замеров тока и напряжения.
7. Вычислить полное сопротивление регулировочного реостата R, сопротивление нагрузки Rн , мощность, потребляемую нагрузкой и цепью, коэффициент полезного действия. Результат измерений занести в таблицу 2.
Таблица 1.
| Результаты измерений |
Результаты вычислений |
||||||||
| U, В |
I, А |
Uн,Ом |
Iн, А |
Rц,Ом |
R2,Ом |
Rн,Ом |
Р, Вт |
Рн, Вт |
h, % |
| 150 |
0,5 |
40 |
0,4 |
75 |
300 |
100 |
91 |
16 |
17,5 |
| 150 |
0,6 |
50 |
0,5 |
71,4 |
250 |
100 |
115 |
25 |
21,7 |
| 150 |
0,7 |
60 |
0,6 |
68,1 |
214,2 |
100 |
141 |
36 |
25,5 |
| 150 |
0,8 |
70 |
0,7 |
65,2 |
187,5 |
100 |
169 |
49 |
28,9 |
| 150 |
0,9 |
80 |
0,8 |
62,5 |
166,6 |
100 |
199 |
64 |
32,1 |
8. графики Uн = f(R2 ) и h = f(R2 ), провести их анализ.

Uн = f(R2 )

h = f(R2 )
9. Построить вольт Амперную характеристику Iн = f(Uн ) по опытным данным.

Iн = f(Uн )
Решение задач
2. Pн = I2 R – формула мощности, потребляемой нагрузкой;
- формула коэффициента полезного действия;
- формула сопротивления введенной части регулировочного реостата.
3.
| Дано: U = 120 В Umin = 20 В Rн = 100 Ом |
Решение
Ответ: R1 = 600 Ом. |
| R1 - ? |
4.
| Дано: U = 120 В Rн = 100 Ом 1) R1 = 300 Ом 2) R1 = 50 Ом |
Решение
1)
2)
Ответ: 1) Uн = 40 В; 2) Uн = 240 В. |
| Uн - ? |
5.
| Дано: U = 100 В Rн = 100 Ом 1) R = 50 Ом 2) R = 100 Ом 3) R = 200 Ом |
Решение
1)
2)
3)
Ответ: 1) Uн = 200 В; 2) Uн = 100 В; 3) Uн = 50 В. |
| Uн - ? |
7.
![]()
Министерство образования Российской Федерации
КГТУ
Кафедра ЭТиЭТ
Лабораторная работа №4
Исследование цепи переменного тока с последовательным соединением приемников
Выполнил: Колосов М.В.
ст-т. гр. Т81-1
Проверил: Первухин М.В.
Красноярск, 2003 г.
Цель работы:
1. Исследовать амплитудно-фазовые соотношения в цепи с последовательным соединением резистора и конденсатора.
2. Исследовать резонансный режим в цепи с последовательным соединением индуктивной катушки и конденсатора переменной емкости.
3. Научится экспериментально определять параметры приемника.
Рабочее задание.
1. Собрать цепь согласно схеме рис. 1.

Рис.1.
2. Изменяя емкость батареи конденсаторов, выполнить пять-семь замеров тока и напряжений на участках цепи. Напряжения питания Uист определить по показаниям вольтметра V2 при выключенных конденсаторах. Результаты измерений занести в таблицу 1.
3. Рассчитать полное, активное , емкостное сопротивления цепи, емкость конденсаторов, cosj и угол j по показаниям приборов. Результаты расчета вписать в таблицу 1.
Расчетные формулы:
![]()
![]()
Таблица 1
| Результаты измерений |
Результаты вычислений |
||||||||
| Uист, В |
UR, В |
Uc, В |
I, А |
Z, Ом |
R, Ом |
Xс, Ом |
С, мкФ |
cosj |
j, рад |
| 220 |
20 |
219 |
0,2 |
1099 |
100 |
1095 |
2,9 |
0,0909 |
1,479 |
| 220 |
50 |
210 |
0,5 |
431 |
100 |
420 |
7,5 |
0,2316 |
1,337 |
| 220 |
70 |
205 |
0,7 |
309 |
100 |
292 |
10,8 |
0,3231 |
1,241 |
| 220 |
85 |
200 |
0,85 |
255 |
100 |
235 |
13,5 |
0,3911 |
1,168 |
| 220 |
95 |
195 |
0,95 |
228 |
100 |
205 |
15,5 |
0,4379 |
1,117 |
4. По результатам эксперимента начертить:
а) Векторные диаграммы для двух значений емкости;
б) Треугольник сопротивлений для одного значения емкости.
C = 2.9 мкФ С = 10,8 мкФ


5. Собрать цепь согласно схеме рис. 2.

Рис. 2.
6. Показания приборов занести в таблицу 2.
Таблицу 2
| Результаты измерений |
Результаты вычислений |
||||||||
| Uист, В |
Uс, В |
UR, В |
I, А |
Z, Ом |
R, Ом |
XL, Ом |
Xc, Ом |
С, мкФ |
cosj |
| 30 |
50 |
20 |
0,160 |
190,3 |
100 |
150,5 |
312,5 |
10,19 |
0,525 |
| 30 |
65 |
40 |
0,240 |
156,4 |
100 |
150,5 |
270,8 |
11,75 |
0,639 |
| 30 |
70 |
48 |
0,465 |
100 |
100 |
150,5 |
150,5 |
21,15 |
1 |
| 30 |
75 |
50 |
0,420 |
103,8 |
100 |
150,5 |
178,5 |
17,83 |
0,962 |
| 30 |
85 |
65 |
0,415 |
113,8 |
100 |
150,5 |
204,8 |
15,54 |
0,878 |
7. Вычислить полное, активное, емкостное, индуктивное сопротивления цепи, емкость батареи конденсаторов, значение cosj.
8. Построить графики зависимостей I = f(C); Z = f(C); cosj = f(C).



Решение задач
1.
| Дано:
|
Решение: При последовательном соединении |
|
|
|
|
|
| UдC - ? IдС - ? UдR - ? IдR - ? |
||
| Ответ: |
||
2.
|
|
|
|
|
|
3.
| Дано: Uист = 150 В Uс = 100 В |
Решение: При последовательном соединении Uист = UR + Uс => UR = Uист - Uс = 150 – 100 = 50 В Ответ: UR = 50 В. |
| UR - ? |
4.
Полное сопротивление:
;
Активное сопротивление:
;
Емкостное сопротивление:
;
Реактивное сопротивление:
;
Емкость конденсатора:
;
Косинус угла между напряжениями:
.
5.

6.
| Дано:
|
Решение: Соединение последовательное, значит токи, протекающие по всем элементам равны.
так, как при резонансе
Ответ: С = 20 мкФ, Iр = 1 А. |
| Iрез - ? C - ? |
7.
|
|
|
|
|
|
|
|
Сибирский Федеральный Университет
Политехнический институт
Лабораторная работа №6
Исследование цепи трехфазного тока с однофазными приемниками, соединенными звездой
Выполнил: студент ТЭ08-07
Ковалевская Э.
Проверил: преподаватель
Боякова Т.А.
Цель работы:
1. Исследование влияния величины сопротивления одного из трех однофазных приемников, соединенных звездой и включенных в четырех проводную сеть, на ток в нулевом проводе.
2. Исследовать влияние величины сопротивления одного из трех однофазных приемников, соединенных звездой и включенных в трехпроходную сеть, на напряжение между нейтралами.
Рабочее задание.
1. Собрать цепь согласно схеме рис. 1.

Рис. 1.
2. Увеличивая сопротивление одного из ламповых реостатов до бесконечности, записать значения в таблицу.
3. Отсоединить нулевой провод. Настроить цепь на симметричный режим. Увеличивая сопротивление одного из ламповых реостатов до бесконечности, записать значения в таблицу.
Характерис-тика сети |
Характеристика нагрузки |
UА, В |
UB, В |
UC, В |
UАB, В |
UBC, В |
UАC, В |
UnN, В |
IA, А |
IB, А |
IC, А |
IN, А |
RA, Ом |
RB, Ом |
RC, Ом |
| Симметричная |
|||||||||||||||
| Несиммет-ричная |
|||||||||||||||
| Трехпроводная |
Симметричная |
||||||||||||||
| Несиммет-ричная |
|||||||||||||||
4. Построить график изменения тока в нулевом проводе, в зависимости от сопротивления фазы, у которой его увеличивали.
Решение задач
3.
| а) |
|
| б) |
|
| в) |
|
4.
| Дано:
|
Решение: |
|
|
|
||
Министерство образования Российской Федерации
КГТУ
Кафедра ЭТиЭТ
Лабораторная работа №9
Испытание однофазного трансформатора
Выполнил: Колосов М.В.
ст-т. гр. Т81-1
Проверил: Первухин М.В.
Красноярск, 2003 г.
Цель работы:
1. Ознакомится с устройством однофазного трансформатора.
2. Произвести испытание трансформатора в режимах холостого хода и короткого замыкания.
3. Исследовать работу нагруженного трансформатора.
Расчетные формулы:
холостой ход:
;
;
;
;
;
.
короткое замыкание:
;
;
;
.
Рабочее задание:
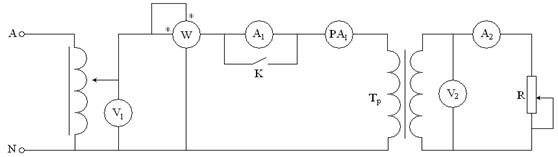
1. Собрать цепь согласно рис.1.

Рис.1.
2. Разомкнув ключ К и отсоединив провод от амперметра А2 , перевести трансформатор в режим холостого хода. Плавно повышая входное напряжение от U1 x = 0 В до U1 x = 250 В, записать показания вольтметра и амперметра в таблице 1.
Табл. 1.
| U1х, В |
0 |
100 |
130 |
150 |
170 |
200 |
225 |
250 |
| I1x, А |
0 |
10 |
20 |
31 |
35 |
43 |
50 |
60 |
3. При номинальном напряжении на входе (U1н = 220 В) записать показания всех приборов в таблице 2.
Табл. 2.
| Результаты измерений |
Результаты вычислений |
||||||||
| U1н, В |
I1x, мА |
Px, Вт |
U2н, В |
К |
Zx, Ом |
Rx, Ом |
Xx, Ом |
Lx, Г |
cosj10 |
| 220 |
48 |
3 |
6,5 |
33,8 |
4583 |
1302 |
4394 |
14 |
0,284 |
4. Рассчитать параметры намагничивания ветви Г – образной схемы замещения трансформатора, коэффициент трансформации, коэффициент мощности cosj10 . результаты расчетов занести в таблицу 2.
5. Понизить напряжение на входе трансформатора до нуля, зашунтировать амперметр А1 в цепи первичной обмотки, коротким проводником замкнуть выводы вторичной обмотки. Плавно повышая напряжения на первичной обмотке установить ток I1н = 0,28 А. Показания приборов записать в таблицу 3.
Табл. 3.
| Результаты измерений |
Результаты вычислений |
||||||
| U1к, В |
I1н, мА |
Pк, Вт |
Zк, Ом |
Rк, Ом |
Xx, Ом |
Lк, Г |
cosj1к |
| 50 |
0,15 |
7 |
333 |
310 |
120 |
0,38 |
0,933 |
6. Рассчитать параметры, определяемые в опыте короткого замыкания трансформатора, коэффициент мощности cosj1к и результаты занести в таблицу 3.
7. Снять коротко замыкающий проводник с зажимов вторичной обмотки трансформатора в первоначальном варианте по схеме рис.1.
8. Подать на вход трансформатора номинальное напряжение U1н = 220В и поддерживать его постоянным.
Произвести пять – семь замеров напряжений, токов, мощностей при уменьшении сопротивления нагрузочного реостата до достижения тока I2 = 5 А.
9. Результаты измерений и вычислений занести в таблицу 4.
Табл. 4.
| Результаты измерений |
Результаты вычислений |
||||
| U1, В |
I1, мА |
P1, Вт |
U2, В |
I2, мА |
h, % |
| 220 |
54 |
5 |
6,6 |
1 |
55 |
| 220 |
95 |
17 |
6,3 |
2 |
60 |
| 220 |
100 |
20 |
6,2 |
2,3 |
65 |
| 220 |
120 |
25 |
6,2 |
3 |
70 |
| 220 |
140 |
30 |
6,2 |
4 |
80 |
10. По полученным данным построить характеристику холостого хода (I1 x = f(U1 x )) и внешнюю (U2 = f(I2 )).
|
|
|
Решение задач
1.
| a) Схема замещения трансформатора при опыте холостого хода. |
|
| б) Схема замещения трансформатора при опыте короткого замыкания. |
|
| в) Упрощенная схема замещения трансформатора. |
|
2.
| Дано:
|
Решение:
Ответ: Rx = 800 Ом, Xx = 774 Ом, Хк = 293 Ом, |
3.
| Дано:
|
Решение:
Ответ: n = 8. |
| n - ? |
Министерство образования Российской Федерации
КГТУ
Кафедра ЭТиЭТ
Лабораторная работа №10
Фазировка и пуск трехфазного асинхронного двигателя с коротко замкнутым ротором
Выполнил: Колосов М.В.
ст-т. гр. Т81-1
Проверил: Первухин М.В.
Красноярск, 2003 г.
Цель работы:
1. Ознакомится с конструктивным устройством трехфазного асинхронного двигателя.
2. Научится определять начала и концы фаз обмотки статора.
3. Ознакомится со схемой переключения обмотки статора с треугольника на звезду в первом этапе пуска.
4. Установить опытным путем соотношение величин линейных токов при соединении обмотки статора звездой и треугольником.
Рабочее задание:
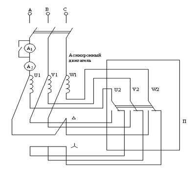
1. Собрать цепь согласно рис.1.

Рис.1.
2. С помощью переключателя П произвести пуск двигателя при соединении фаз обмоток обмотки статора звездой. Записать величины пускового и установившегося токов в таблицу 1.
Табл. 1.
| InY, A |
IyY, A |
In, A |
IyD, A |
Iперекл., А |
|
| 7 |
0,5 |
20 |
1,85 |
7,5 |
2,85 |
3. Произвести пуск двигателя при соединении фаз обмотки статора треугольником. Записать величины пускового и установившегося токов в таблицу 1.
4. Произвести пуск двигателя при соединении фаз обмотки статора звездой. После разгона двигателя быстро перевести переключатель П в положение «треугольник». Записать значения тока переключения.
5. Составить заключение по результатам выполнения работы.
Переключение фаз обмотки статора с положения «звезда» в положение «треугольник» можно осуществить при условии, что при нормальной работе двигателя фазы его статорной обмотки соединены треугольником. На период пуска обмотка соединяется звездой. При этом фазные напряжения и токи уменьшаются в
раз, а пусковой момент и линейный ток в 3 раза, что и показал результат нашего эксперимента.
Решение задач
2.
| Дано: f1 = 50 Гц n0 = 300 об/мин |
Решение:
Ответ: Р = 10. |
| Р - ? |
3.
| Дано: f1 = 500 Гц Р = 3 |
Решение:
Ответ: W0 = 1047 рад/с. |
| W0 - ? |
4.
| Дано: n0 = 3000 об/мин n = 2840 об/мин |
Решение:
Ответ: S = 0,053. |
| S - ? |
Сибирский Федеральный университет
Политехнический институт
Лабораторная работа №11
Испытание трехфазного асинхронного двигателя
Выполнил: студент ТЭ08-07
Ковалевская Эвелина
Проверил: преподаватель
Боякова Т.А.
Цель работы:
1. Ознакомится с конструкцией трехфазного асинхронного двигателя;
2. Научится экспериментально определять рабочие характеристики асинхронного двигателя.
Рабочее задание:
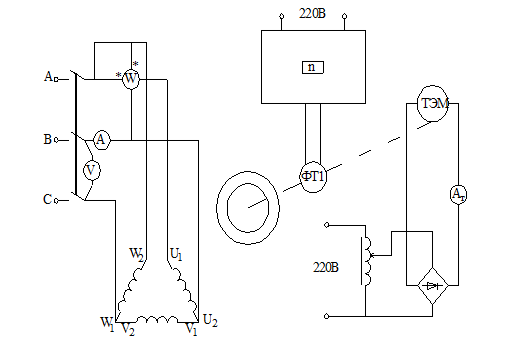
1. Собрать схему согласно рис 1.

Рис 1.
2. Установить максимальное значение тока электромагнитного тормоза, равное 16 А на стендах, где амперметр панели тормоза имеет предел 20 А. На стендах, где амперметр тормоза имеет меньший предел измерения, установить максимальное значение тока, равное пределу измерения. Произвести отсчеты по всем приборам (кроме амперметра тормоза) и записать их в табл. 1, после чего уменьшить ток тормоза до нуля.
Табл. 1.
| Результаты измерений |
Результаты вычислений |
||||||
| Uл, В |
Iл, А |
P1, кВт |
n2, об/мин |
М2, Н×м |
Pмех, кВт |
cosj |
h, % |
3. После работы двигателя в режиме холостого хода 2…3 мин., создать момент сопротивления при меньшем токе тормоза, Записать отсчеты, снова перевести двигатель в режим холостого хода. Работа двигателя с нагрузкой меньше номинальной может быть получена, например, при токах тормоза 12, 10, 8, 6, 4, 2 А. Результаты измерений занести в табл. 1.
4. Построить механическую характеристику n2 = f(M) и рабочие характеристики I = f(M), cosj = f(M), h = f(M) трехфазного асинхронного двигателя.


А
Ом
А
А






























.