| Скачать .docx |
Реферат: Радиоволны
Открытие радиоволн дало человечеству массу возможностей. Среди них: радио, телевидение, радары, радиотелескопы и беспроводные средства связи. Всё это облегчало нам жизнь. С помощью радио люди всегда могут попросить помощи у спасателей, корабли и самолёты подать сигнал бедствия, и можно узнать происходящие события в мире.
Создание электромагнитных волн опытным путём принадлежит физику Герцу. Для этого Герц использовал высокочастотный искровой разрядник (Вибратор). Произвёл этот опыт Герц в 1888 г. Состоял вибратор из двух стержней, разделённых искровым промежутком. Экспериментировал Герц с волнами частотой 100000000 Гц. Вычислив собственную частоту электромагнитных колебаний вибратора, Герц смог определить скорость электромагнитной волны по формуле υ=λν.Она оказалась приближенно равна скорости света: с=300000 км/с.
Радиоволны
– это электромагнитные колебания, распространяющиеся в пространстве со скоростью света (300 000 км/сек). Кстати свет также относится к электромагнитным волнам, что и определяет их весьма схожие свойства (отражение, преломление, затухание и т.п.).
Радиоволны переносят через пространство энергию, излучаемую генератором электромагнитных колебаний. А рождаются они при изменении электрического поля, например, когда через проводник проходит переменный электрический ток или когда через пространство проскакивают искры, т.е. ряд быстро следующих друг за другом импульсов тока.
Электромагнитное излучение характеризуется частотой, длиной волны и мощностью переносимой энергии. Частота электромагнитных волн показывает, сколько раз в секунду изменяется в излучателе направление электрического тока и, следовательно, сколько раз в секунду изменяется в каждой точке пространства величина электрического и магнитного полей. Измеряется частота в герцах (Гц) – единицах названных именем великого немецкого ученого Генриха Рудольфа Герца. 1 Гц – это одно колебание в секунду, 1 мегагерц (МГц) – миллион колебаний в секунду. Зная, что скорость движения электромагнитных волн равна скорости света, можно определить расстояние между точками пространства, где электрическое (или магнитное) поле находится в одинаковой фазе. Это расстояние называется длиной волны. Длина волны (в метрах) рассчитывается по формуле: или примерно где ¦ – частота электромагнитного излучения в МГц.
Самый простой случай — это распространение радиоволны в свободном пространстве. Уже на небольшом расстоянии от радиопередатчика его можно считать точкой. А если так, то фронт радиоволны можно считать сферическим. Если мы проведем мысленно несколько сфер, окружающих радиопередатчик, то ясно, что при отсутствии поглощения энергия, проходящая через сферы, будет оставаться неизменной. Ну, а поверхность сферы пропорциональна квадрату радиуса. Значит, интенсивность волны, т. е. энергия, приходящаяся на единицу площади в единицу времени, будет падать по мере удаления от источника обратно пропорционально квадрату расстояния.
Как распространяются радиоволны
Радиоволны излучаются через антенну в пространство и распространяются в виде энергии электромагнитного поля. И хотя природа радиоволн одинакова, их способность к распространению сильно зависит от длины волны.
Земля для радиоволн представляет проводник электричества (хотя и не очень хороший). Проходя над поверхностью земли, радиоволны постепенно ослабевают. Это связано с тем, что электромагнитные волны возбуждают в поверхности земли электротоки, на что и тратится часть энергии. Т.е. энергия поглощается землей, причем тем больше, чем короче длина волна (выше частота). Кроме того, энергия волны ослабевает еще и потому, что излучение распространяется во все стороны пространства и, следовательно, чем дальше от передатчика находится приемник, тем меньшее количество энергии приходится на единицу площади и тем меньше ее попадает в антенну.
Передачи длинноволновых вещательных станций можно принимать на расстоянии до нескольких тысяч километров, причем уровень сигнала уменьшается плавно, без скачков. Средневолновые станции слышны в пределах тысячи километров. Что же касается коротких волн, то их энергия резко убывает по мере удаления от передатчика. Этим объясняется тот факт, что на заре развития радио для связи в основном применялись волны от 1 до 30 км. Волны короче 100 метров вообще считались непригодными для дальней связи.
Однако дальнейшие исследования коротких и ультракоротких волн показали, что они быстро затухают, когда идут у поверхности Земли. При направлении излучения вверх, короткие волны возвращаются обратно.
Диапазон
С учётом особенностей распространения, генерации и (отчасти) излучения весь диапазон радиоволн принято делить на ряд меньших диапазонов: сверхдлинные волны, длинные волны, средние волны, короткие волны, метровые волны, дециметровые волны, сантиметровые волны, миллиметровые волны и субмиллиметровые волны (табл. 1). Деление радиочастот на диапазоны в радиосвязи установлено международным регламентом радиосвязи (табл. 2). Все это официальные, четко отграниченные участки спектра.
В то же время термин "диапазон" в зависимости от контекста может применяться для обозначения какого-то произвольного участка радиоволн/радиочастот (например - "любительский диапазон", "диапазон подвижной связи", "диапазон low band", "диапазон 2,4 ГГц" и т.п.)
Табл. 1.
— Деление всего диапазона радиоволн на меньшие диапазоны.
| Название поддиапазона | Длина волны, м | Частота колебаний, гц |
| Сверхдлинные волны | более 104 м | менее 3x104 |
| Длинные волны | 104 —103 м | 3x104 —3x105 |
| Средние волны | 103 —102 м | 3x105 —3x106 |
| Короткие волны | 102 —10 м | 3x106 —3x107 |
| Метровые волны | 10—1 м | 3x107 —3x108 |
| Дециметровые волны | 1—0,1 м | 3x108 —3x1010 |
| Сантиметровые волны | 0,1—0,01 м | 3x1010 —3x1011 |
| Миллиметровые волны | 0,01—0,001 | 3x1011 —6x1012 |
| Субмиллиметровые волны | 10+3 —5x10+5 | - - - - - - - - - - - - - - |
Табл. 2.1. — Диапазон радиочастот
| Наименование диапазона | Границы диапазонов | |
| основной термин | параллельный термин | |
| 1-й диапазон частот 2-й диапазон частот 3-й диапазон частот 4-й диапазон частот 5-й диапазон частот 6-й диапазон частот 7-й диапазон частот 8-й диапазон частот 9-й диапазон частот 10-й диапазон частот 11-й диапазон частот 12-й диапазон частот |
Крайне низкие КНЧ Сверхнизкие СНЧ Инфранизкие ИНЧ Очень низкие ОНЧ Низкие частоты НЧ Средние частоты СЧ Высокие частоты ВЧ Очень высокие ОВЧ Ультравысокие УВЧ Сверхвысокие СВЧ Крайне высокие КВЧ Гипервысокие ГВЧ |
3—30 гц 30—300 гц 0,3—3 кгц 3—30 кгц 30—300 кгц 0,3—3 Мгц 3—30 Мгц 30—300 Мгц 0,3—3 Ггц 3—30 Ггц 30—300 Ггц 0,3—3 Тгц |
Табл. 2.2 . — Диапазон радиоволн
| Наименование диапазона | Границы диапазонов | |
| основной термин | параллельный термин | |
| 1-й диапазон частот 2-й диапазон частот 3-й диапазон частот 4-й диапазон частот 5-й диапазон частот 6-й диапазон частот 7-й диапазон частот 8-й диапазон частот 9-й диапазон частот 10-й диапазон частот 11-й диапазон частот 12-й диапазон частот |
Декамегаметровые Мегаметровые Гектокилометровые Мириаметровые Километровые Гектометровые Декаметровые Метровые Дециметровые Сантиметровые Миллиметровые Децимиллиметровые |
100—10 мм 10—1 мм 1000—100 км 100—10 км 10—1 км 1—0,1 км 100—10 м 10—1 м 1—0,1 м 10—1 см 10—1 мм 1—0,1 мм |
Динамический диапазон
Динамический диапазон радиоприемного устройства - это отношение максимально допустимого уровня принимаемого сигнала (нормируется уровнем нелинейных искажений) к минимально возможному уровню принимаемого сигнала (определяется чувствительностью устройства) выраженное в децибелах. Другими словами - это разность между максимальным и минимальным значениями уровней сигналов, при которых еще не наблюдается искажений. Причиной этих искажений является нелинейность усилительного тракта рассматриваемого устройства. Чем шире ДД, тем более сильные сигналы способно принимать устройство без искажений. Динамический диапазон шире у дорогих приемников, хотя сравнивать их по этому параметру практически невозможно, т.к. он очень редко указывается в характеристиках.
Распределение спектра
Радиоволны (радиочастоты), используемые в радиотехнике, занимают область, или более научно – спектр от 10 000 м (30 кГц) до 0.1 мм (3 000 ГГц). Это только часть обширного спектра электромагнитных волн. За радиоволнами (по убывающей длине) следуют тепловые или инфракрасные лучи. После них идет узкий участок волн видимого света, далее – спектр ультрафиолетовых, рентгеновских и гамма лучей – все это электромагнитные колебания одной природы, отличающиеся только длиной волны и, следовательно, частотой. Хотя весь спектр разбит на области, границы между ними намечены условно. Области следуют непрерывно одна за другой, переходят одна в другую, а в некоторых случаях перекрываются. Международными соглашениями весь спектр радиоволн, применяемых в радиосвязи, разбит на диапазоны:

Источники
Радиоизлучение Солнца. Зарегистрировано радиоизлучение Солнца с длиной волны от нескольких миллиметров до 30 м. Особенно сильно излучение в метровом диапазоне; оно рождается в верхних слоях атмосферы Солнца, в его короне, где температура порядка 1 млн. К. Коротковолновое излучение Солнца относительно слабо; оно выходит из хромосферы, расположенной над видимой поверхностью Солнца – фотосферой.
Галактические радиоисточники. Уже первые наблюдения Г.Ребера показали, что радиоизлучение Млечного Пути неоднородно – оно сильнее в направлении центра Галактики. Дальнейшие исследования подтвердили, что основные источники радиоволн относительно компактны; их называют точечными или дискретными. Зарегистрированы уже десятки тысяч таких источников.
Отождествление источников. Звезды – слабые источники радиоволн. Долгое время единственной звездой на «радионебе» было Солнце, и то лишь благодаря его близости. Но в 1970-х годах Р.Хелминг и К. Уэйд из Национальной радиоастрономической обсерватории США открыли радиоизлучение от газовых оболочек, сброшенных Новой Дельфина 1967 и Новой Змеи 1970. Затем они обнаружили радиоизлучение красного с
Фоновое излучение. Кроме отождествленных и неотождествленных дискретных источников, наблюдается суммарный фон от миллионов далеких галактик и облаков межзвездного газа нашей Галактики. С повышением чувствительности и разрешающей способности радиотелескопов из этого фона удается выделить все больше дискретных источников.
Радиоизлучение планет. В 1956 К.Мейер из Военно-морской лаборатории США открыл излучение Венеры на волне 3 см. В 1955 Б.Бурке и К.Франклин из института Карнеги в Вашингтоне обнаружили короткие всплески радиоизлучения от Юпитера на волне 13,5 м. Дальнейшие исследования в Австралии показали, что всплески излучения от Юпитера приходят в те моменты, когда определенные зоны его поверхности обращены к Земле. В дециметровом диапазоне кроме теплового излучения наблюдалось и синхротронное, что указывало на наличие у Юпитера мощного магнитного поля, которое позже было действительно обнаружено космическими зондами. верхгиганта Антареса и рентгеновского источника в Скорпионе.
Излучение водорода. Нейтральный атомарный водород – возможно, самый распространенный элемент в межзвездном пространстве. Он способен излучать радиолинию с длиной волны 21 см, которая была предсказана в 1944 нидерландским теоретиком Х. ван де Хюлстом и обнаружена в 1951 Х.Юэном и Э.Парселом из Гарвардского университета (США). Существование узкой линии в радиодиапазоне оказалось очень полезным: измеряя ее доплеровское смещение, можно очень точно определять лучевую скорость наблюдаемого облака газа. При этом приемная аппаратура радиотелескопа сканирует некоторый диапазон длин волн в районе линии 21 см и отмечает пики излучения. Каждый такой пик – это линия излучения водорода, смещенная по частоте из-за движения одного из облаков, попавших в поле зрения антенны телескопа.
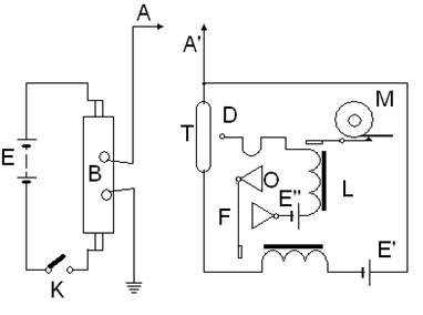
Первым кто применил радиоволны для беспроводной связи, был русский физик А. Попов. 7 мая 1895 г. Попов с помощью электромагнитных волн передал на расстояние 250 м сообщение (были переданы слова «Генрих Герц»). Для приёма сообщений Попов использовал способность металлических порошков слипаться под влиянием высокочастотных электрических колебаний и тем самым повышать свою электропроводность. Передатчиком служила заземлённая антенна А. В схеме передатчика В – источник высокого переменного напряжения, питаемый батареей Е. При замыкании ключа К в искровом промежутке образуется искра, представляющая собой колебательный процесс, вследствие чего антенна Передатчик и приёмник.
.
А начинает излучать радиоволны. Эти волны, достигая антенны А’ приёмной станции, возбуждают электромагнитные колебания цепи, содержащей заземлённую антенну и когерер Т. Сопротивление когерера резко уменьшается, вследствие чего замыкается цепь батареи Е’, в которой находится электромагнитное реле, притягивающее молоточек F. При этом в точке О замыкается цепь более мощной батареи Е”, действующей на пишущий аппарат LM. В тоже время молоточек D ударяет по когереру Т и размыкает цепь батареи Е’ (для приёма следующего сигнала).
Это радио стало прародителем не только для современного радио, но и для телевизоров, радиотелескопов, мобильных телефонов и для многих других вещей без которых люди не могут представить сегодняшнюю свою жизнь.
Современные радиоприёмники совсем непохожи на своего прародителя, но принцип действия остался тот же, что и в приёмники Попова. Современный приёмник так - же имеет антенну, в которой приходящая волна вызывает очень слабые магнитные колебания. Как и в приёмнике Попова, энергия этих колебаний не используется непосредственно для приёма. Слабые сигналы лишь управляют источниками энергии, питающими последующие цепи. Сейчас такое управление осуществляется с помощью полупроводниковых приборов.
В1899 году была обнаружена возможность приёма сигналов с помощью телефона. В начале 1900 года радиосвязь была успешно использована во время спасательных работ в Финском заливе. При участии Попова началось внедрение радиосвязи на флоте и в армии России.
За границей усовершенствованием подобных приборов занималась фирма, организованная итальянским учёным Маркони. Опыты, поставленные в широком масштабе, позволили осуществить радиотелеграфную передачу через атлантический океан.
Важнейшим этапом развития радиосвязи было создание в 1913 году генератора незатухающих электромагнитных колебаний.
Кроме передачи телеграфных сигналов, состоящих из коротких и более продолжительных импульсов электромагнитных волн, стала возможной надёжная и высококачественная радиотелефонная связь – передача речи и музыки с помощью электромагнитных волн.
При радиотелефонной связи колебания давления воздуха в звуковой волне превращаются с помощью микрофона в электрические колебания той же формы. Казалось бы, если эти колебания усилить и подать в антенну, то можно будет передавать на расстояния речь и музыку с помощью электромагнитных волн. Однако в действительности такой способ передачи неосуществим.
Для усиления электрических колебаний высокой и низкой частот могут быть использованы схемы с электронными лампами или транзисторами.
Благодаря радиоволнам познается, и наша вселенная, и открываются элементарные частицы материи. Даже живые существа испускают радиоволны, а животные такие животные, как рыба молот используют их для охоты.
Литература
1. Гаевой А. И., Калабухов Н. П., Левашова Л. Е., Чепуренко В. Г. «Справочник по физике для поступающих в вузы». Киев, «Наукова Думка», 1986.
2. И. В. Савельев «Курс общей физики» том 2. Москва, «Наука», 1973.
3. Михайличенко Ю.П. «Двойное лучепреломление сантиметровых электромагнитных волн. Методические указания». Томск, 1986.
4. Першинзон Е.М., Малов Н.Н., Эткин В.С. «Курс общей физики. Оптика и атомная физика». Москва, Просвещение, 1981.
5. Физика 11 Г. Я. Мякишев Б. Б. Буховцев.
ФГОУ СПО
«Курский Монтажный Техникум»
Доклад
На тему: «Радиоволны»
По дисциплине: физика
Выполнили: студенты группы I-2
Шайдиева Е.Е.
Чаплыгин Д.А.
Преподаватель : Казачкова
Мария Сергеевна
«2010»