| Скачать .docx |
Реферат: Лабораторная работа 1
Лабораторная работа № 1
Тема : Последовательное и параллельное соединение потребителей электрической энергии.
Цель работы : проверить законы параллельного и последовательного соединения
потребителей электрической энергии.
Теоретической обоснование работы :
1. Соединение, при котором через все потребители проходит один и тот же ток, называется последовательным.
Законы последовательного соединения:
1.1.
I=I1
=I2
=…=In
1.2. U=U1 +U2 +…+Un
1.3. R=R1 +R2 +…+Rn (второй закон Кирхгофа)
1.4. U1 :U2 :…:Un = R1 :R2 :…:Rn
Напряжение на участках последовательной цепи прямопропорционально сопротивлению этих участков.
2. Законы параллельного соединения.
2.1
U=U1
=U2
=…=Un
2.2 I=I1 +I2 +…+In
2.3
или q=q1
+q2
+…+qn
; ![]()
2.4 I1
:I2
+:…:In
=![]()
Ток на параллельно соединенных участках обратнопропорционален сопротивлению этих участков.
Оборудование :
1. Лабораторные стенды К-4826
2. Сопротивление: R1 =1000 Ом
R2 =680 Ом
R3 =470 Ом
3. Электроизмерительные приборы: амперметры (3 штуки)
вольтметры (3 штуки)
4. Соединительные провода.
Порядок выполнения работы :
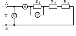
I. Последовательное соединение
1.1. Собрать цепь по схеме:

1.2. Измерить: I; U1 ; U2 ; U3 ; UАВ
1.3. Вычислить: R1 ; R2 ; R3 ; P;P1 ;P2 ;P3
| № | U АВ | U 1 | U 2 | U 3 | I | R | R 1 | R 2 | R 3 | R 1 + R 2 + R3 | U1 +U2 +U3 | P | P1 | P2 | P3 | P1 +P2 +P3 |
| В | В | В | В | А | Ом | Ом | Ом | Ом | Ом | В | Вт | Вт | Вт | Вт | Вт | |
| 1 | 20 | 9,25 | 6,5 | 4,5 | 9,5*10-3 | 2132 | 973,68 | 684,2 | 473,68 | 2131,56 | 20,25 | 0,19 | 0,087 | 0,062 | 0,043 | 0,192 |
| 2 | 15 | 7 | 4,9 | 3,25 | 7*10-3 | 1842,05 | 1000 | 700 | 142,85 | 1842,85 | 15,15 | 0,105 | 0,049 | 0,343 | 0,007 | 0,399 |
1.4. Сравнить:
| UАВ и U1 +U2 +U3 | 1)UАВ < U1 +U2 +U3 2) UАВ < U1 +U2 +U3 |
| R и R1 +R2 +R3 | 1) R <R1 +R2 +R3 2) R >R1 +R2 +R3 |
| P и P1 +P2 +P3 | 1) P <P1 +P2 +P3 2) P <P1 +P2 +P3 |
1.5. Сделать выводы
При последовательном соединении приемников общее сопротивление равно сумме сопротивлений отдельных приемников
II. Параллельное соединение
2.1. Собрать цепь по схеме:
2.2. Измерить: U; I; I1 ; I2
2.3. Вычислить: R; R1 ; R2 ; g; g1 ; g2
| № | U | I | I 1 | I 2 | R | R 1 | R 2 | g | g 1 | g2 | I1 +I2 | g1 +g2 |
| В | А | А | А | Ом | Ом | Ом | См | См | См | А | См | |
| 1 | 15 | 37*10-3 | 14,5*10-3 | 21,25*10-3 | 405,4 | 1034,5 | 705,9 | 2,4*10-3 | 9,6*10-4 | 1,4*10-3 | 0,0357 | 0,0023 |
| 2 | 10 | 23,5*10-3 | 9,75*10-3 | 14,5*10-3 | 425,5 | 1025,64 | 689,6 | 2,35*10-3 | 9,75*10- 4 | 14,5*10- 4 | 0,0242 | 0,0024 |
2.4. Сравнить:
| I и I1 +I2 | 1) I> I1 +I2 2) I< I1 +I2 |
| g и g1 +g2 | 1) g >g1 +g2 2) g <g1 +g2 |
2.5. Сделать выводы
При параллельном соединении приемников общая проводимость электрической цепи равна сумме проводимостей отдельных ветвей.