| Скачать .docx |
Курсовая работа: Электрооборудование электрических станций сетей и систем
![]()
Федеральное агентство по образованию
Государственное образовательное учреждение
среднего профессионального образования
Челябинский энергетический колледж имени С.М. Кирова
Защищено__________________________
руководитель проекта ___________В.В.Николаева
ЭЛЕКТРИЧЕСКАЯ ЧАСТЬ ТЭЦ – 180 МВТ
Пояснительная записка к курсовому проекту
По дисциплине: «Электрооборудование электрических станций сетей и систем
КП. 140206. 5-05 . 180 . ПЗ
Руководитель проекта _______________ В.В.Николаева
Разработал студент _______________ А.А.Курьин
Нормоконтролер _______________ С.В. Сединкина
2008
СОДЕРЖАНИЕ
Введение
1 Выбор основного оборудования на станции 4
2 Выбор главной схемы станции 6
3 Выбор трансформаторов 7
4 Выбор электрических принципиальных схем РУ разных напряжений 10
5 Технико-экономическое сравнение вариантов схем ТЭЦ 11
6 Выбор схемы и трансформаторов собственных нужд электростанции
7 Расчёт токов короткого замыкания 15
8 Выбор реакторов 23
9 Выбор аппаратов и токоведущих частей для заданных цепей 24
10 Выбор электрооборудования в цепи генератора 29
11 Выбор электрооборудования по номинальным параметрам для остальных цепей 32
12 Выбор РУ 10 кВ. 33
Список литературы 34
Приложение 35
Введение
Перспективы развития электроэнергии России.
Стратегическими целями развития отечественной электроэнергетики в перспективе до 2020 года является:
1. надежное энергоснабжение населения и экономики страны;
2. Сохранение целостности и развития Единой энергосистемы России интеграция ЕЭС с другими энергетическими объединениями на Евразийском континенте ;
3. Уменьшение вредного воздействия отрасли на окружающую среду.
Прирост потребности в генерирующей мощности и обновление оборудования намечается осуществлять введением следующих мероприятий:
1) продолжение эксплуатации следующих действующих ГЭС, АЭС и значит ТЭЦ и заменой только основных узлов и деталей оборудования станций.
2) Достройка энергообменников находящихся в высокой степени готовности .
3) Сооружение новых объектов.
4) Техническое перевооружение ТЭЦ с заменой оборудования.
Район проектируемой нами станции характеризуется по скорости ветра, относится ко 2 зоне, где ветер достигает 25 м/сек, толщина стенки льда на проводах достигает 10 мм.
Район имеет среднюю газоактивность 40- 60 часов.
1 ВЫБОР ОСНОВНОГО ОБОРУДОВАНИЯ НА СТАНЦИИ
1. 1 Выбор генераторов
Согласно заданию на курсовой проект выбираю:
3 генератора типа ТВФ - 60-2
технические характеристики сносим в таблицу 1.1
Таблица 1.1-Технические характеристики генератора
Тип генератора |
Sн, МВА |
Uн, кВ |
Iн, кА |
cosφ | Х//d | Возбуждение | Охлаждение | n% | |
| Статора | Ротора | ||||||||
ТВФ-60-2 |
75 | 6,3 | 6,88 | 0,8 | 0,195 |
М | КВР |
НВР |
98,5 |
1.2 Выбор турбин
Для привода генераторов выбираем две турбины типа ПТ-60/75-130/18 и технические характеристики сносим в таблицу 1.2.
Таблица 1.2-Технические характеристики турбин
Тип турбины |
Мощность турбины, МВт |
Температура свежего пара, С0 |
Максимальный расход пара, Т/ч |
Удельный расход теплоты, ккал/кВт*ч |
| ПТ-60/75-130/18 | 60/75 | 565 | 350 | 140 |
1.3 Выбор парогенераторов
Выбор парогенераторов производится:
- по типу тепловой схемы – блочная схема

Рисунок 1.1- блочная тепловая схема станции
- по производительности пара т/час исходя из условия Д![]()
Д
.
Выбираем три парогенератора типа Е-420-140
и технические характеристики сносим в таблицу 1.3.
Таблица 1.3.-Технические характеристики парогенератора
Тип котла |
Кол-во котлов на одну турбину | Паропроизводительность т/ч |
Топливо | Схема технологических связей |
| Е-420-140 | 1 | 420 | Газ | Блочная |
2 ВЫБОР ДВУХ ВАРИАНТОВ СТРУКТУРНЫХ СХЕМ
2.1 Вариант 1
Рисунок 2.1- Структурная схема станции, вариант 1
2.2 Вариант 2

Рисунок 2.2 – структурная схема станции, вариант 2
3 ВЫБОР ТРАНСФОРМАТОРОВ
Выбор трансформаторов для первого варианта
3.1 Выбор трансформаторов связи Т1-Т2
Согласно НТП трансформаторы связи выбирают по четырём режимам
- если с шин РУ-10 кВ потребляется максимальная мощность:
(3.3)
где: ΣSг – суммарная мощность генераторов, подключённых к шинам РУ-10кВ
ΣSс.н. – мощность собственных нужд данных генераторов
(3.4)
![]()
![]()
- если с шин РУ-10 кВ потребляется минимальная мощность
(3.5)
![]()
![]()
![]()
- ремонтный режим – вывод в ремонт генератора G3
(3.6)
![]()
(3.7)
![]()
- аварийный режим – выход из строя одного из трансформаторов связи
![]()
где:
-наибольшая мощность из четырёх расчётных режимов
кп=1,4 - коэффициент аварийной перегрузки
![]()
Выбираем два трансформатора типа ТРДН-63000-220/10
3.2. Выбор автотрансформаторов связи Т2, Т3
Согласно НТП трансформаторы связи выбирают по четырём режимам
- если с шин РУ-10 кВ потребляется максимальная мощность:
(3.3)
где: ΣSг – суммарная мощность генераторов, подключённых к шинам РУ-10кВ
ΣSс.н. – мощность собственных нужд данных генераторов
(3.4)
![]()
![]()
- если с шин РУ-10 кВ потребляется минимальная мощность
(3.5)
![]()
![]()
![]()
- ремонтный режим – вывод в ремонт генератора G2
(3.6)
![]()
(3.7)
![]()
- аварийный режим – выход из строя одного из трансформаторов связи
![]()
где:
-наибольшая мощность из четырёх расчётных режимов
кп=1,4 - коэффициент аварийной перегрузки
![]()
Выбираем два трансформатора типа ТРДН-63000-220/10 [7]
3.3. Выбор блочного трансформатора Т1:
![]()
Выбираю блочный трансформатор типа: ТДЦ-80000/220/10
4 ВЫБОР ПРИНЦИПИАЛЬНЫХ СХЕМ РУ РАЗНЫХ НАПРЯЖЕНИЙ
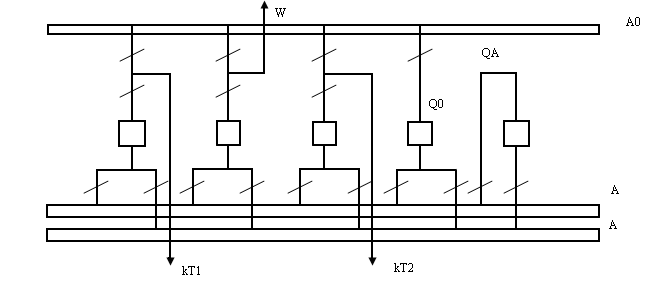
На напряжении 220 кВ выбираем схему с двумя рабочими и одной обходной системами шин. Схема применяется для РУ с большим числом присоединений. Как правило обе системы шин находятся под напряжением при фиксированном распределении всех присоединений. Такое распределение присоединений увеличивает надежность схемы, так как при К.З. на шинах отключаются шиносоединительный выключатель QА и только половина присоединений. Если повреждение устойчивое, то отключившиеся присоединения переводят на исправную систему шин.
Данная схема в достаточной степени надежна.
Недостатками этой схемы являются:
- большое количество операций разъединителями при выводе в ревизию и ремонт выключателей усложняет эксплуатацию РУ;
- повреждение шиносоединительного выключателя равноценно к.з. на обеих системах шин, т.е. приводит к отключению всех присоединений;
- необходимость установки ШСВ, обходного выключателя и большого количества разъединителей увеличивает затраты на сооружение РУ.
Схема приведена на рисунке 4.1
На напряжении 10 кВ выбираем схему с одной системой сборных шин, секционированной выключателем и токоограничивающим реактором, которые служат для ограничения тока к.з. на шинах.
Схема приведена на рисунке 4.2

Рисунок 4.1- схема с двумя рабочими и одной обходной системами шин
5 ТЕХНИКО-ЭКОНОМИЧЕСКИЙ РАСЧЁТ ГЛАВНОЙ СХЕМЫ
Одинаковые элементы схемы в сравниваемых вариантах из расчёта можно исключить, так как у них будут одинаковые затраты
Определим капитальные затраты вариантов
Таблица 5.1 – капитальные затраты
| № | Оборудование | Стоимость ед. Эл. обоудования . |
I Вариант | II Вариант | ||
Кол-во штук |
Общая стоимость тыс. руб. |
Кол-во штук |
Общая стоимость тыс. руб. |
|||
| 1 | ТРДН-63000 | 35350 | 2 | 70700 | 2 | 70700 |
| 2 | Ячейка реактора | 588 | 1 | 588 | - | - |
| 3 | ТДЦ-80000 | 2755,2 | - | - | 1 | 2755,2 |
| 4 | Ячейка ОРУ 220 | 42000 | - | - | 1 | 42000 |
| ИТОГО | 71288 | 115455 | ||||
5.1. Определяем приведённые затраты для первого варианта
Расчётные приведённые затраты определяются по выражению:
(5.1)
![]()
где: И1 - стоимость потерянной электроэнергии за год.
5.2. Определить стоимость потерянной электроэнергии за год.
(5.2)
![]()
β=1,5руб./кВт*ч – стоимость 1кВт*ч потерянной электроэнергии для Сибири
Определение потерь мощности в двухобмоточном трансформаторе

![]()
где: Рхх – потери холостого хода трансформатора, кВт;
Т=Тгод.*Трем. – число работы трансформатора в год;
Тгод=8760час.;
Трем.=600час.; - время ремонта;
Рк - потери короткого замыкания трансформатора, 265 кВт;
![]()
где: Sн.т. – номинальная мощность трансформатора, 63000 кВА;
τмах – условное время максимальных потерь, определяется по
кривым τмах=f(Тмах)= 3500
(5.3)
Определить затраты на амортизацию и обслуживание станции.
(5.4)
где: РА% и РО% - нормы отчисления на амортизацию и на обслуживание;
К – стоимость трансформаторов и ячеек электрооборудования;
![]()
5.3 Определяем приведённые затраты для второго варианта
![]()
![]()
5.4 Сравниваем затраты первой и второй схемы
(5.6)
![]()
Выбираем схему первого варианта, так как разница между ЗПР.1 и ЗПР.2 <5% и с экономической точки зрения вариант схемы №2 не целесообразен.
6 ВЫБОР СХЕМЫ И ТРАНСФОРМАТОРОВ СОБСТВЕННЫХ НУЖД НА ЭЛЕКТРОСТАНЦИИ
6.1 Выбираем рабочие ТСН по условию:
(6.1)
где: kс=0,8 – коэффициент спроса для ТЭЦ;
Sс.н. – мощность собственных нужд генератора;
![]()
Выбираем три ТСН типа ТМНС-40000/10/6,3, [7]
ТМН- 4000/10/6,3
Включая к Т1 со стороны обмотки НН,
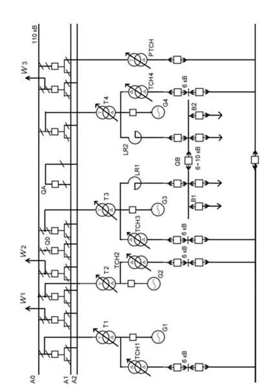
Схема собственных нужд станции приведена на рисунке 6.1

Рисунок 6.1- главная схема станций
7 РАСЧЁТ ТОКОВ КОРОТКОГО ЗАМЫКАНИЯ
7.1 Определить параметры расчетной схемы.
Определить базисные значения.
Sc= 7000 мВА; l=160 км; X*C= 0.98

Рисунок 7.1 – расчётная схема
7.2 Составить схему замещения

Рисунок 7.2- схема замещения
7.3 Определить параметры схемы замещения.
Определить базисный ток: ![]()
![]()
За базисные условия принять: Sб=1000 МВА; Uб=Uср.=115В.
Определить сопротивление системы
(7.1)
![]()
Определить сопротивление линий по условию:
(7.2)
где: Худ.=0,4 Ом*км – для напряжения 220кВ
![]()
Для трансформаторов с расщепленной обмоткой
(7.3)
![]()
Определить сопротивление для генератора
![]()
Определить сопротивление реактора
![]()
(7.5)
7.4 Расчёт токов короткого замыкания в точке К–1
Преобразуем схему от источника к точке короткого замыкания

![]()
![]()
![]()
![]()
![]()
![]()
![]()
![]()
7.5 Определить токи к.з. в точке К-1 в начальный момент времени
От энергосистемы:
![]()
![]()
где: Е//=1 – сверхпереходная ЭДС источников для системы [7]
(7.9)
![]()
(7.10)
![]()
где: iа.о. – апериодическая составляющая тока короткого замыкания, кА;
iу – ударный ток, кА;
kу – ударный коэффициент [7]
От генераторов G1- G3:
![]()
![]()
Е//=1,08 – сверхпереходная ЭДС генераторов ;
![]()
![]()
7.6 Определить токи к.з. в точке К-1 в момент отключения
- Предварительно выбираем выключатель по напряжению: выбираю элегазовый выключатель типа ВГУ-220
Определяем полное время отключения короткого замыкания
(7.11)
где: tв – полное время отключения выключателя;
tр.з.=0,01сек. – время срабатывания релейной защиты;
![]()
Определить значение токов по ветвям
От системы:
(7.12)
(7.13)
где: значение
определяется по кривым [7]
![]()
От генераторов G1-G3
Определяем приведённый ток генераторов к той ступени напряжения, на которой рассматривается короткое замыкание.
(7.14)
где: ΣРном. – суммарная мощность генераторов;
COSφ – коэффициент мощности генераторов;
![]()
Определяем отключение периодической составляющей тока короткого замыкания к приведённому току генераторов
(7.15)
Найти по кривым значение отношения: [7]
(7.16)
Определяем периодическую составляющую короткого замыкания в момент отключения
(7.17)
![]()
![]()
7.7 Выполнить расчёт токов короткого замыкания в точке К-2
аналогично расчету К.З. в точке К-1.
![]()
![]()
![]()
7.8 Определить токи К.З. в точке К-2 в начальный момент времени К.З.

От энергосистемы
![]()
![]()
![]()
![]()
![]()
![]()
От генераторов G1;G3
![]()
![]()
![]()
От генератора G2
![]()
![]()
![]()
Выбор выключателя.
7.9 Выбираем выключатель типа МГГ-10-63
Определяем полное время отключения короткого замыкания
![]()
Определяем значение токов по ветвям
От системы:

От генераторов G1;G3
Определяем приведённый ток генераторов к той ступени напряжения, на которой рассматривается короткое замыкание
![]()
Определяем отношение периодической составляющей тока короткого замыкания к приведённому току генераторов
![]()
Определяем апериодическую составляющую короткого замыкания в момент отключения
![]()
![]()
От генератора G2
![]()
![]()
![]()
![]()

Полученные значения токов сносим в таблицу 7.1
Таблица 7.1 – Значения токов короткого замыкания
| Точки | Токи к. з. Источники |
Iп.о., кА |
iа.о., кА |
iу, кА |
iа.t., кА |
|
| К-1 | Система | 5,7 | 8,06 | 14,8 | 5,7 | 1,6 |
| G1 и G3 | 1,04 | 1,47 | 2,5 | 1,04 | 40,3 | |
| Суммарный | 6,74 | 9,53 | 17,3 | 6,74 | 1,9 | |
| К-2 | Система | 13 | 18,4 | 35,8 | 13 | 3,6 |
| G1;G3 | 19,2 | 27,15 | 53 | 10,78 | 8,3 | |
| G2 | 23 | 32,5 | 63,5 | 14,95 | 19,5 | |
| Суммарный | 32,2 | 45,6 | 88,8 | 23,78 | 11,9 |
8 ВЫБОР РЕАКТОРОВ НА НАПРЯЖЕНИЕ 6-10 кВ
8.1 Выбор секционных реакторов
- производится по току:
![]()

- по напряжению:
Uуст= UР
- по току:
Imax < Iуст 2,8868< 4,125
- по роду установки: внутренней.
Выбираем реактор типа РБДГ-10-4000-0,18
9ВЫБОР АППАРАТОВ И ТОКОВЕДУЩИХ ЧАСТЕЙ ДЛЯ ЗАДАННЫХ ЦЕПЕЙ
9.1 Выбор сборных шин и ошиновки на стороне 220 кВ.
- Провести выбор сечения сборных шин по допустимому току при максимальной нагрузки на шинах.
![]()
- Выбираем провод АС 240/32
- Проверить выбранный провод по условию коронирования
![]()
- Определить начальную критическую напряженность:
![]()
- Напряженностьэлектрического поля вокруг нерасщепленных проводов:

АС 240/32 по условию коронирования подходит.
- Выбранный провод на термическую прочность не проверяется, т.к. расположен на открытом воздухе и в нормальных условиях охлаждения.
- Провода на схлестывания фаз не проверяются, т.к.
![]()
9.2 Выбор выключателей и разъединителей
По напряжению: UУСТ≤UНОМ UУСТ=220кВ
По току: ![]()
По отключающей способности:
Выбрать по каталогу выключатель и разъединитель.
Выбираю выключатель: ВГУ-220/3150
Выбираю разъединитель: РДЗ-220/1000
- Проверить выключатель и разъединитель на электродинамическую
стойкость
In.o ≤ Iдин ; iу≤iдин
In.o=6,74кА≤ Iдин=50 кА
iу=17,3 кА≤iдин=127 кА
- Проверить выключатель и разъединитель на термическую стойкость по тепловому импульсу.
![]()
Для выключателя:
![]()
Для разъединителя:
![]()
Таблица 9.1 – технические характеристики выключателя и разъединителя
| Расчётные данные | Каталожные данные | |
| Вык–ль ВГУ-220/3150 | Разъединитель РДЗ-220/1000 | |
| - | ||
| - | ||
| - | ||
9.3 Выбор трансформаторов тока и напряжения
По роду установки наружный (ОРУ)
По напряжению установки: UУСТ≤UНОМ
UУСТ=220кВ
По току IMAX≤IНОМ
![]()
![]()
Выбираем предварительно трансформатор тока типа ТФЗМ 220-У1
Расчётные и каталожные данные сводим в таблицу
| Расчётные данные | Каталожные данные |
Uуст.=220кВ Iмах=165,5А iу=17,3кА В r2=0,77Ом |
Uном.=220кВ Iном.=300А iдин.=25кА В r2НОМ=1.2Ом |
Выбрать перечень приборов согласно ПУЭ для заданной цепи.
| Прибор | Тип | Нагрузка на фазы | ||
| A | B | C | ||
| Амперметр | Н-344 | 0,5 | - | 0,5 |
| ИТОГО: | 0,5 | - | 0,5 | |
- проверить трансформатора тока по вторичной нагрузке
![]()
где: Z2 – вторичная нагрузка трансформатора тока;
Z2ном. – номинальная допустимая нагрузка трансформатора
тока в выбранном классе точности;
Определить вторичную нагрузку трансформатора тока
Индуктивное сопротивление токовых цепей невелико, поэтому:
z2≈r2
![]()
Определить сопротивление приборов
![]()
где: Sпр. – мощность потребляемая приборами
I2 – вторичный номинальный ток приборов;
Принимаем сопротивление контактов rк=0.1Ом
Определяем сопротивление проводов
rпров=![]()
4 Проверить ТА на электродинамическую стойкость
![]()
Тепловой импульс от действия тока короткого замыкания
![]()
Определить термическую стойкость гарантируемую заводом изготовителем.
![]()
![]()
Выбрать трансформатор напряжения (TU)
Выбираю трансформатор напряжения НКФ-220кл 0:5
| Прибор | Тип | S одной об-ки, В*А | Числ об-ок | СОSφ | Sinφ | Число приборов | Общая потребляемая S Р, Вт Q,В*А |
|
| Ваттметр | Д-335 | 1.5 | 2 | 1 | 0 | 5 | 15 | - |
| Варметр | Д-365 |
1.5 | 2 |
1 |
0 |
5 |
15 | |
| Фиксирующие приборы | ФИП | 3 | 2 | 1 | 0 | 5 | 30 | |
| Счетчик | ЧЭ-6812 | 2 | 2 | 0.38 | 0.925 | 5 | 20 | 48,5 |
| Синхроскоп | Э-327 | 1 | 2 | 1 | 0 | 1 | 2 | - |
| Вольтметр | Э-335 | 2 | 1 | 1 | 0 | 2 | 4 | |
| Регистрирующий вольтметр | H-344 | 10 | 1 | 1 | 0 | 2 | 2 | |
| Частометр | Э-372 | 3 | 1 | 1 | 0 | 2 | 6 | |
| Частометр | Э-362 | 2 | 1 | 1 | 0 | 1 | 2 | |
| ИТОГО: | 28 | 96 | 48,5 | |||||
![]()
Три трансформатора соединены по схеме звезда/звезда/разомкнутый треугольник и имеют мощность 107,5ВА, что больше расчётной мощности.
Трансформатор напряжения будет работать в выбранном классе точности 0,5.
Принимаю к установке трансформатор напряжения типа: НКФ-220.
Для соединения трансформатора напряжения с приборами принимаем контрольный кабель КРВГ с сечением жил 2,5 мм.
10.Выбор оборудования в цепи генератора.
10.1Выбор трансформаторов тока.
Так как участок от выводов генератора до фасадной стены турбинного отделения выполнен комплектным токопроводом типа: ГРТЕ -20-10000-300,то выбираем трансформатор тока, встроенный в токопровод, типа ТШВ-15Б-8000/5/5 и технические характеристики сносим в таблицу.
Технические характеристики трансформатора тока.
| Тип тр-ра | IНОМ пер А | IНОМ втор А | Исполнение втор обмотки | UНОМ, кВ | UНОМ раб, кВ | tтер, с | iдин, кА |
| ТШВ-15Б | 8000 | 5 | 0,2/108 | 15 | - | 3 | - |
Перечень приборов
| Прибор | Тип | Нагрузка на фазы | ||
| A | B | C | ||
| Ваттметр | Д-335 | 0,5 | - | 0,5 |
| Варметр | Д-335 | 0,5 | - | 0,5 |
| Счётчик активной энергии | ЦЭ-6812 | 2,0 | - | 2,0 |
| Датчик активной мощности | Е-849 | 1,0 | - | 1,0 |
| Амперметр регистр | Н-344 | - | 10 | - |
| Ваттметр | Р-348 | 10 | - | 10 |
| Ваттметр | Д-335 | 0,5 | - | 0,5 |
| Датчик реактивной мощности | Е-830 | 1,0 | - | 1,0 |
| ИТОГО: | 15,5 | 10 | 15,5 | |
Определяем общее сопротивление проводов:
![]()
Определить допустимое сопротивление проводов:
![]()
Для генератора ТВФ-60МВт применяется кабель с медными шинами, ориентированная длина – 40 м
![]()
Принимаем контрольный кабель КРВГ-2.5мм2
В цепи комплектного пофазного экранированного токопровода установлен трансформатор напряжения ЗНОМ-15-63 итехнические данные сносим в таблицу
Технические характеристики трансформатора напряжения (класс точности 0,5)
| Тип трансформатора | Uном.пер, кВ | Uном.втор,кВ | Uном.доп, кВ | Sном, В*А | Smax,В*А |
| ЗНОМ-15-63 У2 | 100/3 | 50 | 400 |
Вторичная нагрузка трансформатора
| Прибор | Тип | S одной об-ки, В*А | Числ об-ок | СОSφ | Sinφ | Число приборов | Общая потребляемая S Р, Вт Q,В*А |
| вольтметр | Э-335 | 2 | 1 | 1 | 0 | 1 | 2 - |
| Ваттметр | Д-335 | 1.5 | 2 | 1 | 0 | 2 | 6 |
| Варметр | Д-335 | 1.5 | 2 | 1 | 0 | 1 | 3 - |
| Датчик активной мощности | Е-829 | 10 | - | 1 | 0 | 1 | 10 |
| Датчик реактивной мощности | Е-830 | 10 | - | 1 | 0 | 1 | 10 |
| Счетчик активной энергии | ЦЭ-6812 | 2 | 2 | 0.38 |
0,925 |
1 | 4 9.7 |
| Ватметр регистрирующий | Н-344 | 10 | 2 | 1 | 0 | 1 | 20 |
| Вольтметр регистрирующий | Э-379 | 10 | 1 | 1 | 0 | 1 | 10 |
| Частотометр | Э-373 | 3 | 1 | 1 | 0 | 2 | 6 |
| Синхроскоп | Е-327 | 10 | 1 | 1 | 0 | 1 | 10 |
| ИТОГО: | 81 9.7 |
Выбранный трансформатор ЗНОМ-15 имеет номинальную мощность 75В*А в классе точности 0.5
![]()
71.7<75 – трансформатор напряжения будет работать в выбранном классе точности 0,5.
![]()
11 ВЫБОР ЭЛЕКТРООБОРУДОВАНИЯ ПО НОМИНАЛЬНЫМ ПАРАМЕТРАМ ДЛЯ ОСТАЛЬНЫХ ЦЕПЕЙ.
11.1 Выбор оборудования и токоведущих частей от генератора до распределительного устройства 10кВ.
![]()
Выбор электрооборудования производим по наибольшему из токов
Выбираем выключатели типа: МГГ-10-5000 и разъединители типа:РВР-20/6300 и их характеристики сносим в таблицу 10.1
Таблица 10.1. – технические характеристики выключателя и разъединителя.
| Расчётные данные | Каталожные данные Выключатель МГГ-10-5000 |
Каталожные данные Разъединитель РВР-20/6300 |
Uном=10кВ Iмах=4565А |
Uном.=10кВ Iном.=5000А |
Uном.=20кВ Iном.=6300А |
12.Выбор комплектного РУ-10 кВ
Для РУ-6-10 кВ в системе собственных нужд электрической станции для системы с одной системой шин выбираю КРУ для внутренней установки с маломасленным выключателем МГГ серии К-ХХ VI.
Шкаф КРУ состоит из шестого металлического корпуса, внутри которого расположена вся аппаратура.
Для безопасности обслуживания локализации аварии корпус разделен на отсеки металлическими перегородками и автоматически закрывающимися шторками.
Выключатель с приводом установлен на выкатной тележке.
В верхней и нижней частях тележки расположены подвижные разъединяющие контакты, которые при вкатывании тележки в шкаф замыкается с шинным и линейным неподвижным контактов. При выкатывании тележки с предварительно отключенным выключателем разъединенные контакты отключаются, и выключатель при этом будет отсоединен от сборных шин и кабельных вводов.
СПИСОК ЛИТЕРАТУРЫ
1. Дьяков В.Б. “Типовые расчёты по электрооборудованию”.-М.: Высшая школа, 1991г.
2. Неклепаев Б.Н. и др. “Электрическая часть электростанций и подстанций”.-М.: Энергоатомиздат, 1989г.
3. “Нормы технологического проектирования тепловых электрических станций и тепловых сетей”.-М.: Информэнерго, 1990г.
4. Основные направления развития энергетики. Непорожнев И.С. “Технический прогресс энергетики России”.-М.: Энергоаттомиздат, 1986г.
5. “Правила устройства электроустановок”.-М.: Энергоатомиздат, 1986г.
6. Смирнов А.Д. и др. “Справочная книжка энергетика”.-М.: Энергоатомиздат, 1984г.
7. Рожкова Л.Д. и др. “Электрооборудование станций и подстанций”.-М.: Энергоатомиздат, 1987г
