| Скачать .docx |
Дипломная работа: Проектирование электрической подстанции
Введение
Электрической подстанцией называются электроустановки, предназначенные для преобразования и распределения электроэнергии.
Главные схемы подстанции выбираются на основании схемы развития энергосистемы или схемы электроснабжения района.
На подстанциях 35 – 750 кВ обычно устанавливают один или два трансформатора (автотрансформатора). Выбор числа и мощности автотрансформатора производится с учетом требований к надежности электроснабжения, характера графиков нагрузки и допустимых систематических и аварийных перегрузок трансформаторов по ГОСТ.
При дипломном проектировании используют нормативные материалы, составленные на базе обобщения опыта проектирования, монтажа и эксплуатации электрических подстанций. Например, правила (ПУЭ), нормы (НТП), руководящие указания (по расчету токов короткого замыкания, выбору и проверки аппаратов и проводников по условию короткого замыкания).
Применяют типовые проектирования подстанций, принцип которого состоит в использовании при проектировании объекта ранее разработанных фрагментов проекта. Каждая проектируемая подстанция индивидуальна, поскольку индивидуальны исходные данные, условия и следовательно техническое задание на ее проектирование.
Данный дипломный проект посвящен расчету электрооборудования подстанции 500/220/10 кВ, ТЭЦ –3*300МВт.
Рост потребностей в электроэнергии в Республики Казахстан обеспечивает хорошие перспективы развития этой отрасли. При этом должна обеспечиваться экономичная эксплуатация энергетических объектов, а также высокое качество проектных и строительных работ. По этому расчет эффективности проектирования и расширения трансформаторной подстанции является весьма актуальным.
Объектом исследования в дипломной работе является подстанция 500/220/10 кВ. Оборудование подстанции предлагаемой заданием на данную дипломную работу включает два трансформатора АОТДЦТН 267000/500/220.
Целью дипломной работы является расчет показателей экономической эффективности проектирования и расширения подстанции.
Для достижения указанной цели необходимо выполнить следующие задачи:
– определение годового отпуска электроэнергии от подстанции;
– расчет капитальных вложений в строительство подстанции;
– расчет себестоимости трансформации электроэнергии;
– расчет окупаемости и рентабельности подстанции.
1 Построение графиков нагрузки для обмоток трансформаторов высокого, среднего, низкого напряжения
Согласно исходных данных максимальная мощность на 220 кВ составляет 400 МВт, и на 500 кВ 800 МВт. По этим значениям определяем процентное соотношение графика нагрузок для среднего и низкого напряжения трансформаторов.
Для данной подстанции 500/220/10 кВ график нагрузки трансформатора приведен для среднего напряжения 220 кВ.
Рассчитываем ступени графика в именованных единицах на низком напряжении по формуле [1, с. 40]
(1.1),
![]()
![]()
![]()
,
Для определения нагрузки высокого напряжения трансформатора, необходимо сложить нагрузки среднего и низкого обмоток напряжения. График нагрузки приведен ниже.
Рассчитываем ступени графика в именованных единицах на высоком напряжении трансформатора подстанции 500 кВ
![]()
![]()
![]()
![]()
Для расчета полной мощности, кроме активной составляющей необходимо определить реактивную мощность нагрузки, которую определяем следующим выражением
(1.2),
где
– активная мощность нагрузки, МВт;
– реактивная мощность нагрузки, Мвар;
– тангенс угла который определяет по заданному ![]()
Определяем
для нагрузки напряжением 220 кВ
![]()
![]()
,
Рассчитываем реактивные нагрузки.
График потребления реактивной мощности нагрузки напряжением 200 кВ
![]()
![]()
![]()
![]()
Определим полную мощность обмоток высшего напряжения трансформатора ПС
![]()
![]()
![]()
![]()
Составляем график полной мощности обмоток высокого напряжения трансформатора, согласно таблице 1.1
Таблица 1.1 – Результирующая таблица токов через обмотки трансформаторов
| Нагрузки | 0–8 | 8–12 | 12–20 | 20–24 |
| Рсн, МВт | 240 | 160 | 400 | 200 |
| Рвн, МВт | 510 | 340 | 850 | 425 |
| Qвн, Мвар | 115,2 | 76,8 | 192 | 96 |
| Sвн, МВ·А | 525 | 348 | 871 | 435 |
2. Выбор трансформаторов на подстанции
На подстанции предполагается установить три трехобмоточных трансформатора. Производим выбор трансформатора с учетом отключения одного трансформатора, чтобы второй пропустил всю мощность. Для этого производим проверку на перегрузку по условиям.
(2.1),
где Smax – максимальная мощность высшей обмотки трансформатора, которая равна 871 МВ·А;
1,4 – коэффициент перегрузки, в послеаварийном режиме.
Подставляя известные данные в (2.1), получаем
![]()
Принимаем трансформатор ближайший по мощности к расчетной
. Тип трансформатора ТДТН-267000/500/220/10, с номинальной полной мощностью 267 МВА. Произведем проверку этого трансформатора на перегрузку.
По полному графику мощности, рисунок 2.1 определяем ![]()
Таблица 2.1–Трехобмоточные трансформаторы 220 кВ
| Тип трансформат-ора | Наминальное напряжение, кВ | Потери, кВт | Напряжение КЗ, % | I хх, % | |||||||
| холостого хода | короткого замыкания | ||||||||||
| АОТДЦТН-267/500/220/10 | вн | сн | нн | вн-сн | вн-нн | сн-нн | вн-сн | вн-нн | сн-нн | ||
| 500 | 220 | 10 | 150 | 470 | 110 | 100 | 11,5 | 37 | 23 | 0,35 | |
3. Расчет токов короткого замыкания на проектируемой подстанции
Расчет токов короткого замыкания производится с целью проверки выбранного электрооборудования на термическое и электродинамическое действие.
Активная максимальная мощность, передаваемая в систему по линиям 500 кВ равна 800 МВ·А. Длина линий по заданию составляет 850 км.
Наибольшая передаваемая мощность составляет 800 МВт. Определим количество линий на 500 кВ по выражению
Составляем расчетную схему сети. Предварительно определим количество линий на 500 кВ по пропускной способности линии.
(3.1),
![]()

Рисунок 3.1 – Расчетная схема подстанции
Составляем схему замещения для расчетов токов короткого замыкания в точках К1, К2.

Рисунок 3.2 – Схема замещения подстанции
Расчет производим в относительных базисных единицах. За базисную мощность Sб принимаем 1000 МВ·А.
Сопротивление энергосистемы определяется по формуле при Sк=1000 МВ·А
(3.2),
Сопротивление линии электропередачи определяется по выражению
(3.3),
где Худ – индуктивное сопротивление линий, Ом/км;
Uв – высокое номинальное напряжение, кВ.
Подставляя известные значения в (9), получаем для Л1 и Л2
,
Сопротивления трансформатора определяются по формуле
(3.4),
![]()
Исходя из задания турбогенераторы типа ТГВ-300 имеют исходные параметры [1, с 610]
![]()
![]()
,
где Х"d – сверхпереходное индуктивное сопротивление по продольной оси генератора, о.н.е;
Sн – номинальная мощность генератора, МВ·А.
Сопротивление генератора определяется по формуле
![]()
Для блочного трансформатора по заданию следующего типа ТЦ – 4000000/500, Uк=11,5%.
Сопротивление трансформатора определяется по формуле (10)
.
Определяем базисный ток Iб на всех ступенях
![]()
![]()
Расчет тока короткого замыкания в точке К1
Сворачиваем схему замещения относительно точки К1
![]()
![]()
Преобразованная схема замещения относительно точки К1 имеет следующий вид

Рисунок 3.3 – Эквивалентная схема замещения относительно точки К1
Находим периодический ток в начальный момент отключения
![]()
![]()
![]()
Расчет тока короткого замыкания в точке К2
Сворачиваем схему замещения относительно точки К2 на стороне 220 кВ.
Так как два трансформатора одинаковой мощности, преобразуем следующим образом
![]()

Рисунок 3.4 – Эквивалентная схема замещения относительно точки К2
Преобразуем звезду сопротивлений Х1, Х2, Х3 в треугольник Х4, Х5, Х6

Рисунок 3.5 – Эквивалентная схема замещения
![]()
![]()
![]()

Рисунок 3.6 – Эквивалентная схема замещения
Определяем ток короткого замыкания от системы
![]()
Определяем ток короткого замыкания от генератора
![]()
Все рассчитанные величины приводятся на рисунке 3.2.
Определяем токи КЗ для указанных точек и выбираем выключатели
Выбираем выключатель ВГБ-500, установлены со стороны высокого напряжения трансформатора.
Собственное время отключения tc, в=0,035с [1, с 630]
Для точки К1 имеем
![]()
Определяем номинальный ток генераторов
![]()
Периодический ток для момента τ от источников системы равен начальному значению периодического тока
![]()
![]()
![]()
Определим
в точке К1
![]()
![]()
![]()
![]()
Рассчитываем апериодические токи для точки К1 для момента времени τ
![]()
где
– определяем по кривым при известных величинах τ и Та.
Рассчитываем ударные токи для точки К1 при значении ударного коэффициента Куд=1,717
![]()
Рассчитываем токи КЗ для точки К2
Выбираем выключатель ВГБ-220, установлены со стороны среднего напряжения трансформатора.
Собственное время отключения tс, в=0,05с [1, с 630]
Для точки К2 имеем
![]()
Определяем номинальный ток генераторов
![]()
Периодический ток для момента τ от системы равен начальному значению периодического тока
![]()
![]()
![]()
Определим
в точке К2
![]()
![]()
![]()
![]()
Рассчитываем апериодические токи для точки К2 для момента времени τ
![]()
где
– определяем по кривым при известных величинах τ и Та
Рассчитываем ударные токи для точки К2 при значении ударного коэффициента Куд=1,608.
![]()
Все расчетные токи короткого замыкания сведем в таблицу 3.1
Таблица 3.1 – Результирующая таблица точек К1, К2.
| Точки | Σ I по.кА | Σ I п τ. кА | Та, с | τ, с | К уд | I а τ | I уд |
| К1 | 2,6 | 2,6 | 0,35 | 0,03 | 1,75 | 3,5 | 2,1 |
| К2 | 2,7 | 2,7 | 0,6 | 0,55 | 1,85 | 1,15 | 3,89 |
Для точки КЗ приведены данные, соответствующие значениям в точке К3»
4. Выбор электрооборудования выключателей, разъединителей, трансформаторов тока, трансформаторов напряжения, шин
Выбор выключателей и разъединителей на ОРУ 220 кВ
Расчетные параметры, номинальные данные, условия выбора и проверки выключателей и разъединителей
Таблица 4.1 – Выбор и проверка выключателей и разъединителей ВН
| Расчетные параметры | Паспортные данные | |
| Выключатель ВГБ-500 | Разъединитель РДЗ-500 | |
| Uуст=500 кВ | Uном=500 кВ | Uном=500 кВ |
| Imax=1005 А | Iном=3150 А | Iном=2000 А |
| Iпτ=2,63 кА | Iноткл=40 кА | – |
| iаτ=3,5 кА | iаном=25,48 кА | – |
| Iпо=2,63 кА | Iдин=40 кА | – |
| iуд=2,1 кА | iдин=102 кА | iдин=100 кА |
| Вк=0,5 кА²·с | Iтер²*tтер=1200 кА²·с | Iтер²*tтер=1984 кА²·с |
Определяем максимальный рабочий ток на 220 кВ
![]()
Тепловой импульс тока КЗ определяется по формуле
![]()
Время отключения
[1. с 211]
![]()
![]()
![]()
![]()
![]()
Выбор выключателей и разъединителей на ОРУ 220 кВ
Таблица 4.2 – Выбор и проверка выключателей и разъединителей СН
| Расчетные параметры | Паспортные данные | |
| Выключатель ВГБ-220 | Разъединитель РДЗ-220 | |
| Uуст=220 кВ | Uном=220 кВ | Uном=220 кВ |
| Imax=1049 А | Iном=2000 А | Iном=2000 А |
| Iпτ=2,7 кА | Iноткл=50 кА | – |
| iаτ=1,15 кА | iаном=38,1 кА | – |
| Iпо=2,7 кА | Iдин=50 кА | – |
| iуд=3,89 кА | iдин=102 кА | iдин=102 кА |
| Вк=2,4 кА²·с | Iтер²*tтер=7500 кА²·с | Iтер²*tтер=7500 кА²·с |
Определяем максимальный рабочий ток на 220 кВ
![]()
Тепловой импульс тока КЗ определяется по формуле
![]()
Время отключения
[1. с 211]
![]()
![]()
![]()
![]()
Выбор выключателей на 10 кВ
Так как нагрузки на НН нет принимаем выключателей ВКЭ – 10
Таблица 4.3 – Выбор и проверка выключателей НН
| Каталожные данные |
| Выключатель ВКЭ-10 |
| Uном=10 кВ |
| Iном=2000 А |
| Iноткл=31,5 кА |
| iаном=8,8 кА |
| Iдин=31,5 кА |
| iдин=80 кА |
| Iтер²·tтер=2976 кА²·с |
Расчетные параметры, номинальные данные, условия выбора и проверки выключателей и разъединителей аналогичны и для других выключателей и разъединителей.
Выбор трансформаторов тока на 500 кВ
Марка трансформатора тока – ТФЗМ – 500 – У1 кВ для наружной установки
Таблица 4.4 – Расчетные и каталожные данные выбора трансформатора тока
| Расчетные данные | Каталожные данные |
| Uуст=500 кВ | Uном=500 кВ |
| Imax=1005 А | Iном=2000 А |
| Z2н=5,5 Ом | Z2=20 Ом |
![]()
![]()
![]()
![]()
![]()
![]()
![]()
![]()
![]()
Таблица 4.5 – Подсчет нагрузок вторичной обмотки
| Приборы | Тип | S1 | Нагрузка ВЛ | ||
| А | В | С | |||
| Амперметр | Э-335 | 0,5 | 0,5 | 0,5 | 0,5 |
| Ваттметр | Д-335 | 0,5 | 0,5 | – | 0,5 |
| Варметр | Д-304 | 0,5 | 0,5 | – | 0,5 |
| Счетчик | САЗ-И-670 | 2,5 | 2,5 | – | 2,5 |
| Итого | 4 | 4 | 0,5 | 4 | |
Выбор трансформаторов тока на 220 кВ
Марка трансформатора тока ТФЗМ – 220 – У1 кВ для наружной установки
Таблица 4.6 – Расчетные и каталожные данные выбора трансформатора тока
| Расчетные данные | Каталожные данные |
| Uуст=220 кВ | Uном=220 кВ |
| Imax=1049 А | Iном=2000 А |
| Z2н=4,8 Ом | Z2=20 Ом |
![]()
![]()
![]()
![]()
![]()
![]()
![]()
![]()
![]()
Таблица 4.7 – Подсчет нагрузок вторичной обмотки
| Приборы | Тип | S 1 | Нагрузка ВЛ | ||
| А | В | С | |||
| Амперметр | Э-335 | 0,5 | 0,5 | 0,5 | 0,5 |
| Счетчик ватт часов | Д-335 | 0,5 | 0,5 | – | 0,5 |
| Счетчик вар часов | СР4-И-670 | 2,5 | 2,5 | – | 2,5 |
| Итого | 4 | 4 | 0,5 | 4 | |
Выбор трансформатора напряжения 220 кВ
Имеем две вводных линии напряжением 220 кВ и два трансформатора подстанции.
Таблица 4.10 – Вторичная нагрузка трансформатора напряжения
| Приборы | Тип | S одной обм. ВА | Число обм. | Cos |
Sin |
Число прибо- ров |
Общая потребляемая P | |
| P , Вт | Q , ВАР | |||||||
| Сборные шины | ||||||||
| Вольтметр | Э-335 | 2 | 1 | 1 | 0 | 1 | 4 | – |
| Вольтметр регистрирующий | Н-393 | 10 | 2 | 1 | 0 | 2 | 40 | – |
| Частотомер | Э-362 | 7 | 2 | 1 | 0 | 2 | 28 | – |
| Линия 500 | ||||||||
| Фиксатор | ФИП | 3 | 2 | 1 | 0 | 2 | 4 | – |
| Ваттметр | Д-335 | 1,5 | 2 | 1 | 0 | 2 | 3 | – |
| Варметр | Д-304 | 2 | 2 | 1 | 0 | 2 | 4 | – |
| Сч. ватт часов | СА3-И-674 | 3 | 2 | 0,38 | 0,925 | 2 | 6 | 109 |
| Итого: | 90 | 28,8 | ||||||
НДЕ-500
Sн=300 В·А
Выбор трансформатора напряжения 220 кВ
Имеем три вводных линии напряжением 220 кВ и два трансформатора подстанции.
Таблица 4.11 – Вторичная нагрузка трансформатора напряжения
| Приборы | Тип | S одной обм. ВА | Число обм. | Cos |
Sin |
Число прибо-ров | Общая потребляемая P | |
| P , Вт | Q , ВАР | |||||||
| Сборные шины | ||||||||
| Вольтметр | Д-335 | 1,5 | 2 | 1 | 0 | 2 | 9 | – |
| Линия 220 кВ | ||||||||
| Сч. ватт часов | САЗ-И-674 | 3 | 2 | 0,38 | 0,925 | 3 | 18 | 43,8 |
| Сч. вар часов | И-673 | 3 | 2 | 0,38 | 0,925 | 3 | 18 | 43,8 |
| ТС | ||||||||
| Ваттметр | Д-335 | 1,5 | 2 | 1 | 0 | 2 | 9 | – |
| Варметр | Д-304 | 1,5 | 2 | 1 | 0 | 2 | 9 | – |
| Сч. ватт часов | СА3-И-674 | 3 | 2 | 0,38 | 0,925 | 3 | 18 | 43,8 |
| Сч. вар часов | СР4-И-673 | 3 | 2 | 0,38 | 0,925 | 3 | 18 | 43,8 |
| Итого: | 109 | 175,5 | ||||||
![]()
НКФ-220
Sн=400 В·А
Выбор гибких шин 500 кВ
Выбор гибких шин на 500 кВ
В РУ 500 кВ и выше применяются гибкие шины, выполненные проводами АС.
Імак = P3*Cos*U =800000*0,9*500=1005A,
АС-700/86 – марка провода
d – 36,2 mm – наружный диаметр провода
r0 -18,1,
Ідоп = 1180 А
Вк = Іпо² * (tоткл +Та)=1,31²*(0,1+0,35)=0,77 кА²*с,
Qмин =Вк /С=0,77 *106 /90 =85<600 мм 2
Іпо <20 кА проверка на схлёстывание не нужна
При проверке на термическую стойкость проводов линий, оборудованных устройствами быстродействующего АПВ, должно учитываться повышение нагрева из-за увеличения продолжительности прохождения токов КЗ.
Разряд в виде короны возникает при максимальном значении начальной критической напряженности электрического поля, кВ/см,
где m – коэффициент, учитывающий шероховатость поверхности провода (для многопроволочных проводов m=0.82);
где r0-радиус провода в сантиметрах
ε0 =30,3* m *(1+0,299/√r0 )=30,3*0,82*(1+0,299/1,81) =30,3,
где U-линейное напряжение (U=1.1*Uном) кВ
U=1,1+500=550,
где Дcp – среднегеометрическое расстояние между проводами фаз (единицы измерения сантиметры)
где Д-расстояние между соседними фазами, см.
Дср =1,25*Д,
Дср =1,25*600=756,
Делаем расщепление гибких шин
ε=k*0,354*Un*r*Logда = 0,354*5504*1,81*1,57=1,19*17,5=20,8,
K=1+3*2*r0 /a = 1+3*2*1,81/40=1,19,
Rэкв =42 *r*a3 = 42 *1,81*403 =20,
Провода не будут коронировать, если наибольшая напряженность поля у поверхности любого провода не более 0,9E0. Таким образом, условие образования короны можно записать в виде
1,07*ε 0≤ 0,9*ε,
1,07*20,8≤ 0,9*30,3,
22,5≤ 27,2,
Выбор гибких шин на 220 кВ
Імак = P 3* Cos * U =400000*0,9*220 =1049 A,
Где – АС-600/72 – марка провода
d – 33,2 mm – наружный диаметр провода
r0 -16,6 – радиус провода в сантиметрах
Ідоп – допустимый ток на шины выбранного сечения с учетом поправки при расположении шин плашмя или температуре воздуха
Qмин – минимальное сечение по термической стойкости
Ідоп = 1050 А
Вк = Іпо²* (tоткл +Та)=2,2²*(0,1+0,35)=2.17 кА²*с
Qмин =Вк /С=2,17 *106 /90 =16<600 мм 2
Іпо <20 кА проверка на схлёстывание не нужна
Проверка на коронирование
ε0 =30,3*м*(1+0,299/√r0 )=30,3*0,82*(1+0,299/1,66) =31
где м – коэффициент, учитывающий шероховатость поверхности провода (для многопроволочных проводов m=0.82)
где U-линейное напряжение (U=1.1*Uном) кВ
U=1,1+220=242
где Дcp – среднегеометрическое расстояние между проводами фаз (еденици измерения сантиметры)
Дср =1,25*400=504 см
Делаем расщепление гибких шин
ε=k*0,354*Un*r*Logда =1,16* 0,354*2204*1,81*1,9 =15,6
K=1+3*2*r0 /a = 1+3*2*1,81/20=1,16
Rэкв =r*a =1,16*20 =5,57
Провода не будут коронировать, если наибольшая напряженность поля у поверхности любого провода не более 0,9E0. Таким образом, условие образования короны можно записать в виде
1,07*ε 0≤ 0,9*ε
1,07*15,6≤ 0,9*31
16,6 ≤ 27,9
Выбор трансформаторов собственных нужд подстанции
Мощность потребителей собственных нужд подстанции определяем по [1.с. 639–640] и сводим данные в таблицу 8.1
на 500 кВ, ![]()
на 220 кВ, ![]()
Для выбора мощности трансформатора собственных нужд составляем таблицу для расчета мощности нагрузки собственных нужд подстанции
Таблица 5.1 – Нагрузка собственных нужд подстанции
| Вид потребителя | Установленная мощность | cosφ | tgφ | Нагрузка | ||
| единицы, кВт×кол. | всего, кВт | P уст , кВт | Q уст , кВАр | |||
| АОТДЦТН-267/500/220/10 | 5×3 | 10 | 0,85 | 0 | 15 | 6,2 |
| Подогрев ВГБ-220 | 2× 4 | 8 | 1 | 0 | 8 | – |
| Подогрев ВКЭ-10 | 2× 5 | 10 | 1 | 0 | 10 | – |
| Подогрев КРУ | 5 | 5 | 1 | 0 | 5 | – |
| Подогрев реле шкафа | – | 1 | 1 | 0 | 1 | – |
| Отопление и освещение ОПУ | – | 80 | 1 | 0 | 80 | – |
| Освещение и вентиляция ЗРУ | – | 7 | 1 | 0 | 7 | – |
| Освещение ОРУ-220 | – | 5 | 1 | 0 | 5 | – |
| Компрессорный эл. двигатель | 30 | 30 | 1 | 0 | 30 | – |
| Маслохозяйство | 100× 1 | 100 | 1 | 0 | 100 | – |
| Подзарядно-зарядный агрегат | 2× 23 | 46 | 1 | 0 | 46 | – |
| Итого | 292 | 6,2 | ||||
Мощность трансформаторов с.н. при двух трансформаторах выбирается по условию
(4.1),
где Sрасч – расчетная нагрузка по таблице (5.1);
Кп – коэффициент допустимой аварийной перегрузки, равный 1,4.
Расчетная нагрузка СН подстанции определяется по формуле
(4.2),
Расчетная нагрузка при Кс=0,8 по формуле (4.2)
![]()
По условию (10) имеем
![]()
Ближайший к этой мощности принимаем трансформатор ТМ-250/10 с номинальной полной мощностью 250 кВ·А.
5. Разработка схем РУ подстанции
Выбор вариантов схемы ОРУ с учетом надежности
При небольшом количестве присоединений на стороне 35 – 500 кВ применяют упрощенные схемы, в которых обычно отсутствуют сборные шины, число выключателей уменьшенное. Упрощенные схемы позволяют уменьшать расход электрооборудования, строительных материалов, снизить стоимость распределительного устройства, ускорить его монтаж. Такие схемы получили наибольшее распространение на подстанциях.
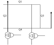
Рассмотрим две схемы ОРУ 220 кВ, схема квадрат и схему мостика. Определим затраты каждой схемы и наиболее экономичный вариант примем за основную схему при составлении главной электрической схемы.
Таблица 5.1 – Расчетные связи схемы квадрат
| Выключатели | Q 1 | Q 2 | Q 3 | Q 4 |
| Q1 | + | - | - | - |
| Q2 | - | + | - | - |
| Q3 | - | - | + | - |
| Q4 | - | - | - | + |
Определим вероятность совпадения
![]()

Рисунок 5.1 – Схема квадрат
Ущерб рассчитывается как произведение удельного ущерба и суммарного недоотпуска электроэнергии в систему, из-за всех отказов с потерей генерирующей мощности в проектируемой электроустановке.
Резисно техническое
Сельское хозяйство
Определим ущерб
![]()
![]()
где
– номинальная мощность нагрузки, кВт;
– удельный ущерб, тенге/кВт;
– вероятность совпадения, 1/год.
Определим капитальные затраты схемы выдачи мощности
.
Определим стоимость потерь энергии в схеме
![]()
Приведенные затраты определяем по формуле
![]()
Таблица 5.2 – Расчетные связи схемы полуторки
| Выключатели | Q1 | Q2 | Q3 | Q4 | Q5 | Q6 |
| Q1 | - | - | - | - | - | - |
| Q2 | - | - | - | - | + | - |
| Q3 | - | - | - | - | - | - |
| Q4 | - | - | - | - | - | - |
| Q5 | - | - | - | - | - | - |
| Q6 | - | - | - | - | - | - |

Рисунок 5.2 – Схема мостика
Определим вероятность совпадения
![]()
Определим ущерб
![]()
Определим стоимость потерь энергии в схеме
Кап.з. =4*3*106 =12*106
![]()
Приведенные затраты определяем по формуле
![]()
где
– нормативный коэффициент эффективности капиталовложений,
который для расчетов в электроэнергетике принимается равным 0,12;
– стоимость потерь энергии в трансформаторах, тыс. тенге;
– ожидаемый системный ущерб от ненадежности элементов схемы, тыс. тенге.
Приведем сравнение затрат первого и второго вариантов
![]()
Принимаем схему мостика, так как она экономически выгодная.
Распределительное устройство нагрузки 500 кВ выполняется открытого типа (ОРУ – 500). На ОРУ 500 кВ установлены 6 выключателей типа ВГБ-500(масляные). Ошиновка выполнена проводом АС 700/86. Ввод питания осуществляется со средней обмотки трансформатора подстанции. На ОРУ – 500 кВ применяется две системы шин секционированные выключателями.
Разработанная ОРУ – 500 приведена на листе 1 графической части а компоновка ОРУ – 500приведена на листе 2 графической части.
Распределительное устройство нагрузки 220 кВ выполняется закрытого типа (ЗРУ – 6). На ОРУ 220 кВ установлены 7 выключателей типа ВГБ-220. Принята одинарная секционированная система шин. В нормальном режиме работы секционный выключатель разомкнут. В ОРУ расположены также ячейки с трансформаторами собственных нужд и трансформаторы напряжения.
План и схема заполнения ячеек ОРУ – 220 кВ приведены на листе 3 графической части.
6. Расчет экономической эффективности проектирования подстанции 500 / 220 / 10
Расчет годового отпуска электроэнергии
Годовой отпуск электроэнергии от подстанции в первую очередь зависит от технологических характеристик применяемого оборудования. Для расчетов годового отпуска мы используем исходные данные по параметрам трансформаторов подстанции, в соответствии с данными курсовой работой по дисциплине «Электрооборудование электростанцией»
Согласно исходным данным к курсовой работе, установленная мощность подстанции равна
(6.1),
![]()
Основной для расчета годового отпуска электроэнергии с подстанции является диспетчерский график электрической нагрузки. На практике он составляется на основании заявок крупных потребителей, а также по отчетным данным за предшествующие периоды.
Определим суточный отпуск электроэнергии на основании заданного диспетчерского графика нагрузки, приведенного в таблице 1.
Таблица 6.1 – Суточный диспетчерский график электрической нагрузки подстанции
| Диспетчерский график электрической нагрузки для зимы, |
||||
| Часы суток | 0–7 | 7–12 | 12–20 | 20–24 |
| Нагрузка подстанции, в долях от установленной мощности подстанции | 0,7×Nуст | 0,4×Nуст | 1,0×Nуст | 0,5×Nуст |
| Нагрузка подстанции, МВт | 35 | 20 | 50 | 25 |
| Диспетчерский график электрической нагрузки для лета, |
||||
| Часы суток | 0–7 | 7–12 | 12–20 | 20–24 |
| Нагрузка подстанции, в долях от установленной мощности подстанции | 0,85 |
0,9 |
0,9 |
0,85 |
| Нагрузка подстанции, МВт | 29,7 | 18 | 45 | 21,2 |
Используя данные таблицы 1, определим суточный отпуск электроэнергии в зимний и летний дни соответственно по формулам
(6.2),
![]()
(6.3),
![]()
Данные суточного отпуска электроэнергии используются для расчета коэффициента использования установленной мощности за сутки. Произведем расчет коэффициентов по следующим формулам
(6.4),
![]()
(6.5),
![]()
Определим годовой отпуск электроэнергии подстанции с учетом коэффициента использования установленной мощности по формуле
(6.6),
![]()
где Мзима – количество дней в октябре-марте, принимается 183 дня;
Млето – количество дней в апреле-сентябре, принимается 182 дня.
Годовой отпуск электроэнергии от подстанции составит 284,7 млн. кВт/час.
Определим число часов использования установленной мощности подстанции по формуле
(6.7),
![]()
где Nуст – установленная мощность станции, кВт.
Используя значения числа часов использования установленной мощности, определим годовой отпуск электроэнергии отдельными трансформаторами по формуле
(6.8),
.
На трансформаторных подстанциях значительная часть электроэнергии учитывается как потери при холостом ходе трансформатора ∆Nх.х и нагрузочные потери ∆Nк.з. Годовые потери электроэнергии в трансформаторах рассчитываются по следующей формуле
(6.9),
.
Общий годовой расход электроэнергии на собственные нужды подстанции определяется по формуле
(6.10),
![]()
где Кс.н. – коэффициент годового расхода электроэнергии на собственные нужды подстанции.
Определение капитальных вложений на сооружение подстанции
Для создания новых основных фондов необходимы материальные, трудовые и денежные ресурсы. Совокупные затраты этих ресурсов на создание новых или расширение и реконструкцию действующих основных фондов называются капитальными вложениями.
Они расходуются на строительно-монтажные работы и приобретение технологического оборудования, транспортных средств, инвентаря и так далее.
Величина капиталовложений в энергетические установки и их структура зависят от многих факторов: типа оборудования и его мощности, числа и параметров устанавливаемых агрегатов, применяемых схем технологических связей, местных условий строительства и другое. С увеличением мощности установки снижается абсолютная и относительная величина удельных затрат на строительные работы, но возрастает доля затрат на оборудование и его монтаж.
В настоящей курсовой работе расчет стоимости сооружения подстанции (капитальные затраты) производится приближенно, по укрупненным показателям.
Составляется перечень оборудования, определяемый по заданию на курсовой проект по дисциплине «Электрооборудование электростанций». Расчет капитальных затрат может быть представлен в виде таблицы 2.
Таблица 6.2 – Перечень необходимого оборудования и затраты на его приобретение
| Наименование оборудования | Количество | Цена за единицу | Первоначальная стоимость, тыс. тенге | |
| усл. ед. | тыс. тенге | |||
| ТДТН-25000/220 | 2 | 165 | 59400 | 118800 |
| Ячейки на ВН 220 | 2 | 130 | 46800 | 93600 |
| Ячейки на СН 35 | 3 | 20 | 7200 | 21600 |
| Ячейки на НН 6 | 4 | 70 | 25200 | 100800 |
| ИТОГО: | – | – | – | 334800 |
Определение цен на оборудование производится по нормативной стоимости, приведенной в справочниках [1], [2], с учетом переводного коэффициента в цены текущего года. Переводной коэффициент учитывает влияние инфляции и принимается равным k = 150.
Общий размер капитальных затрат на строительство подстанции включает также постоянную часть затрат по подстанциям, к которой относят стоимость здания общестанционного пункта управления, установки постоянного тока, компрессорной, оборудования собственных нужд, трансформаторного и масляного хозяйства, водоснабжения, теплоснабжения, дорого, освоения, планировки и озеленения площадки и тому подобное. Постоянная часть затрат и ее структура определяется в соответствии с таблицей, приведенной на стр. 343 [1], и вносится в таблицу 6.3.
Таблица 6.3 – Общие капитальные затраты на строительство подстанции
| Наименование затрат | Цена за усл. ед. | Первоначальная стоимость, тыс. тенге |
| Электрооборудование | – | 334800 |
| Всего постоянная часть затрат | 350 | 126000 |
| Подготовка и благоустройство территории | 50 | 18000 |
| Общий подстанции пункт управления С.Н. | 70 | 25200 |
| Компрессорная | 20 | 7200 |
| Подъездные и внутри площадочные дороги | 25 | 9000 |
| Средства связи и телемеханики | 110 | 39600 |
| Внешние сети (водоснабжение, канализации) | 25 | 9000 |
| Прочие затраты | 60 | 21600 |
| ИТОГО: | – | 590400 |
После определения общих капиталовложений в строительство ТП, рассчитаем удельные капиталовложения по проектируемой ТП
(6.11),
![]()
Удельные капиталовложения характеризуют относительную капиталоемкость проектируемой подстанции. В целом удельные капиталовложения с ростом мощности подстанций и устанавливаемых на них агрегатов снижаются, так как общие капиталовложения возрастаю в меньшей мере, чем мощность установки.
Расчет расходов на содержание оборудования и амортизации
Амортизация – это денежное возмещение износа основных производственных фондов путем включения части их стоимости в затраты на выпуск продукции, то есть амортизации есть денежное выражение физического и морального износа основных производственных фондов.
Амортизационные отчисления – это собственный источник финансирования обновления основных производственных фондов, величина которого зависит от двух факторов: стоимости имеющихся основных производственных фондов и норм амортизационных отчислений.
Амортизация основных средств начисляется с учетом числа часов использования установленной мощности станции.
Нормы амортизации определяем по формуле
(6.12),
.
Согласно производственным расчетом, размер капитальных вложений составит. Определим величину годовых амортизационных отчислений по формуле
(6.13),
.
Расходы по текущему ремонту основных средств включают основную и дополнительную заработную плату (с начислениями) ремонтного персонала, стоимость ремонтных материалов и используемых запасных частей, стоимость услуг сторонних организаций и вспомогательных производств.
Размер расходов рассчитывается приближенно по следующей формуле
(6.14),
.
где
– коэффициент затрат на текущий ремонт в долях от амортизации; для подстанций с трансформаторами мощностью свыше 250 МВА –
= 0,3 для остальных –
= 0,4.
Расчет численности персонала и годового фонда зарплаты
Эффективное использование средств труда в общественном производстве зависит от состава и квалифицированного уровня кадров. Персонал энергопредприятия делится на промышленно-производственный и непромышленный общая численность персонала составляет штаты предприятия.
Персонал трансформаторной подстанции включает эксплуатационный и ремонтный персонал. Эксплуатационный персонал постоянно находится на подстанции и занимается оперативным и текущим обслуживанием. Ремонтный персонал обслуживает подстанцию только во время планово-предупредительных ремонтов, а также при аварийных ситуациях.
Численность эксплуатационного и ремонтного персонала определяется по нормативам численности работников электроэнергетических предприятий в зависимости от количества и сложности оборудования на подстанции.
Таблица – 6.4 Расчет ремонтосложности оборудования подстанции
| Наименование | Кол-во усл. ед. на единицу измерения |
| 220 кВ | |
| 1 Подстанция | 210 |
| 2 Силовой трансформатор ТДТН – 25000/220 | 28 |
| 3 Воздушный выключатель | 86 |
| ИТОГО: | 324 |
(6.15),
Численность персонала, приходящаяся на единицу производственной мощности предприятия, называется удельной численностью или штатным коэффициентом. Для подстанции штатный коэффициент рассчитывается как количество человек на 1 МВА установленной мощности.
После определения необходимой численности персонала рассчитывают штатный коэффициент по формуле
(6.16),

Заработная плата является основным источником дохода работников предприятия, поэтому в значительной мере обуславливает уровень их благосостояния.
При этом для предприятия заработная плата является расходами, которые относятся на себестоимость производимой продукции.
Оплата труда производится в повременной или сдельной форме. На энергетических предприятиях в основном используется повременная форма оплаты, что связано с особенностями технологического процесса. При этой форме оплаты труда мерой труда является отработанное время, а заработок начисляется в соответствии с окладом за фактически отработанное время.
Заработная плата эксплуатационному персоналу начисляется по повременно-премиальной системе, размер премии – 40% от оклада, оклад определяется по тарифной сетке с учетом разряда работника, отраслевой коэффициент – 1,3.
Таблица 6.5 – Расчет затрат на оплату труда
| Наименование профессии и разряд | Чсрчел | Тарифный коэф-ент | Оклад | Премия | Осн-ная зарплата | Доп. зарплата | ФОТгодтыс. тг |
| Электромонтер 5 разряд | 4 | 1,603 | 28584 | 11433 | 480204 | 43218 | 2093689 |
| Электрослесарь 5 разряд | 5 | 1,603 | 28584 | 11433 | 480204 | 43218 | 2617110 |
| Итого: | – | – | – | – | – | – | 4710799 |
Также должен быть рассчитан размер социального налога (11%), подлежащего уплате, в соответствии с законодательством Республики Казахстан.
(6.17),
Расчет годовых издержек производства и калькуляция себестоимости трансформации энергии
Себестоимость производства на подстанции – это выраженные в денежной форме затраты, прямо или косвенно связанные с трансформацией электроэнергии.
Для определения себестоимости трансформации энергии составим смету затрат на производство, в которую включим основные элементы затрат: зарплату с социальным налогом и отчислениями и другие. Расчет производится по статьям затрат. Перечень статей приведен в таблице 6.
Таблица 6.6 – Смета затрат на трансформацию электрической энергии
| Наименование статей затрат | Обоснование | Сумма, тыс. тг | Доля, % |
| 1 Расходы на оплату труда | Таблица 6.5 | 4710,799 | 6,9 |
| 2 Социальный налог с отчислениями | Расчет (6.17) | 518,1878 | 0,75 |
| 3 Амортизационные отчисления | Расчет (6.12) | 29520 | 43,2 |
| 4 Текущий ремонт и содержание оборудования | Расчет (6.13) | 11808 | 17,3 |
| 5 Издержки на потери энергии в трансформаторах и на собственные нужды | Расчет (6.18) | 9987,632 | 14,6 |
| 6 Прочие производственные расходы | Расчет (6.19) | 11639,2 | 17 |
| ИТОГО полная себестоимость | – | 68183,8 | 99,7% |
Издержки на потери энергии в трансформаторах и на собственные нужды рассчитываются на основании данные о величине потерь энергии и расхода энергии на собственные нужды, приведенном в подразделе 2.1, а также среднегодовой стоимости одного полезно отпущенного от энергоисточника кВт-часа (принимается 4 тенге)
(6.18),
![]()
На статью «Прочие расходы» относят расходы по управлению подстанциями, которые состоят из зарплаты административно-управленческого персонала, налогов, сборов, расходов по охране предприятия, расходов по содержанию офисных помещений, оплату услуг сторонних организаций; расходы по охране труда и технике безопасности; расходы по анализам и испытаниям оборудования, проводимыми сторонними организациями и так далее. Прочие расходы принимаем в размере 25% от суммы издержек на заработную плату, социальный налог, амортизацию и текущий ремонт оборудования по формуле
(6.19),
![]()
Результаты расчетов статей затрат оформляются в таблице 6, подсчитывается полная себестоимость годового объема производства и структура затрат.
После окончания расчетов полной себестоимости определить себестоимость трансформации единицы продукции.
Для ТП расчет производится по формуле
(6.20),
![]()
После определения себестоимости трансформации единицы электроэнергии в сумме, рассчитывается удельный вес каждого элемента затрат в себестоимости и величина каждого элемента, приходящаяся на 1 кВт-ч отпущенной потребителю электроэнергии. Все результаты расчетов представлены в таблице 6.7.
Таблица 6.7 – Структура себестоимости трансформации единицы электроэнергии
| Элементы затрат | Стоимость эл/энергии | |
| тг/кВт-ч | % | |
| 1 Расходы на оплату труда | 0,016 | 6,9 |
| 2 Социальный налог с отчислениями | 0,0018 | 0,75 |
| 3 Амортизационные отчисления | 0,103 | 43,2 |
| 4 Текущий ремонт и содержание оборудования | 0,041 | 17,3 |
| 5 Издержки на потери энергии в трансформаторах и на собственные нужды | 0,035 | 14,6 |
| 6 Прочие производственные расходы | 0,040 | 17 |
| ИТОГО | 0,12 | 99,7% |
Основными затратами в структуре себестоимости затрат на трансформацию электроэнергии является амортизация отчисления (43%) и издержки на потери энергии в трансформаторах (14,6%).
Расчет экономической эффективности
Для оценки конечных результатов деятельности энергопредприятий большое значение имеют показатели экономической эффективности производства.
Поскольку подстанции, как правило, не являются самостоятельными энергопредприятиями, а находятся на балансе у предприятий – энергоисточников, либо на балансе распределительных энергокомпаний, то эффективность инвестиций вложений в подстанцию может быть рассчитана условно, на основании нормативной рентабельности продукции.
Годовую выручку от реализации энергии, отпускаемой от проектируемой подстанции, определяем как произведение полезно отпущенной энергии на средний тариф на электрическую энергию
(6.21),
![]()
где
– годовая сумма выручки от трансформации электрической энергии;
– годовой отпуск электроэнергии от подстанции;
– средний тариф на электрическую энергию, принимается условно;
= 4 тг за 1 кВт/час.
При этом себестоимость электроэнергии складывается из себестоимости отпуска электроэнергии от энергоисточника (принимается условно
тенге/кВт/час) и себестоимости трансформации электроэнергии, рассчитанной в предыдущем подразделе
(6.22),
![]()
Прибыль – форма денежных накоплений, экономическая категория, характеризующая финансовый результат хозяйственной деятельности.
Валовая прибыль за год без учета налогов определяется по формуле
(6.23),
![]()
Основными показателями экономической эффективности капиталовложений являются срок окупаемости капиталовложений, а также уровень рентабельности производства.
Для расчета срока окупаемости необходимо определить величину чистой прибыли предприятия. Из рассчитанной прибыли вычитается подлежащий уплате подоходный налог по ставке 20%
(6.24),
![]()
(6.25),
![]()
Затем определяется срок окупаемости по следующей формуле
(6.26),
![]()
где –
чистая прибыль предприятия после выплаты налогов.
– общий размер капиталовложений в подстанцию.
Уровень рентабельности производства определяется по следующей формуле
(6.27),
где –
средний размер оборотных средств, определяется по следующей формуле
(6.28),
![]()
где 14 – коэффициент оборачиваемости оборотных средств в год.
(6.27),
Рентабельность производства 6,09% и срок окупаемости 16,3 лет соответствует среднеотраслевым показателям, что свидетельствует об эффективности проектируемой подстанции.
Расчет технико-экономических показателей проекта
К технико-экономических показателям станции относится годовая выработка электроэнергии, годовой отпуск тепла от станции, себестоимость единицы продукции, прибыль, рентабельность, фондоотдача, фондоемкость и другие показатели. Сравнивая расчетные показатели с показаниями действующего производства, можно судить об экономической эффективности работы.
Основные технико-экономические показатели проектируемой электростанции приведены в таблице 6.8.
Таблица 6.8 – Технико-экономические показатели электростанции
№ п/п |
Показатели | Обозначение | Формула расчета | Величина |
| 1 | Установленная мощность подстанции | Расчет (6.1) |
50000 | |
| 2 | Годовой объем трансформации электроэнергии по подстанции (валовая продукция), тыс. кВт/час | Расчет (6.6) |
284760000 | |
| 3 | Отпущенная электроэнергия в год от подстанции (товарная продукция), тыс. кВт/час | 282263,092 | ||
| 4 | Удельные капиталовложения на 1 кВт установленной мощности, тенге | Расчет (6.11) |
11,8 | |
| 5 | Штатный коэффициент, чел./МВт | Расчет (6.14) | 0,17 | |
| 6 | Численность персонала, чел. | Расчет (6.15) | 9 | |
| 7 | Себестоимость производства полная, тенге/год | Таблица 6.6 | 68183,8 | |
| 8 | Себестоимость трансформации 1 кВт/часа, тенге | Расчет (6.20) | 0,24 | |
| 9 | Выработка в натуральных измерителях по валовой продукции, кВт/час/чел. в год | 32731,03 | ||
| 10 | Прибыль валовая, тыс. тенге/год | Расчет (6.23) | 45162,16 | |
| 11 | Прибыль чистая, тыс. тенге/год | Расчет (6.24) | 36129,7 | |
| 12 | Срок окупаемости, лет | Расчет (6.26) | 16,3 | |
| 13 | Рентабельность производственных фондов | Расчет (6.27) | 6,09 | |
| 14 | Фондоотдача | 1,91 | ||
| 15 | Фондоемкость | 0,52 |
7. Охрана труда и техника безопасности
Виды и периодичность ремонта
Отечественные трансформаторы просты по конструкции и надежны в работе. Их удельная повреждаемость по сравнению с другими видами оборудования незначительна. Однако для устранения неполадок и предупреждения аварий трансформаторы периодически выводят в текущий и капитальный ремонты.
В объем текущего ремонта трансформатора входят наружный осмотр, чистка, устранение выявленных повреждений. При этом проверяется состояние уплотнений кранов, систем охлаждения, работа маслоуказателя, действие газовой защиты, действие автоматических устройств систем охлаждения и пожаротушения. Из отстойника расширителя спускаются влага и осадки, выпадающие из масла. Проверяется степень увлажненности силикагеля в воздухоочистителе, адсорбционных и термосифонных фильтрах. Сили-кагель заменяется, если в массе зерен индикаторного силикагеля лиловой окраски встречаются зерна розового цвета. Заменяется масло в масляном затворе воздухоосушителя; отбираются пробы масла из трансформатора и маслонапол-ненных вводов. Проверяется работа устройств регулирования напряжения. Осматривается система азотной защиты.
При текущем ремонте трансформаторов обычно измеряется сопротивление изоляции обмоток и определяется отношение /? бо» /#i5». Измерения выполняются при помощи ме-гаомметра на напряжение 2500 В.
Текущие ремонты главных трансформаторов станций и подстанций, основных и резервных трансформаторов собственных нужд выполняются не реже 1 раза в год, если указанные трансформаторы снабжены РПН, при отсутствии РПН – не реже 1 раза в 2 года.
При капитальном ремонте производятся вскрытие трансформатора, тщательная проверка и ремонт всех его узлов и испытания.
В условиях эксплуатации капитальный ремонт крупных трансформаторов производится на месте установки с применением инвентарных сборных конструкций, в трансформаторных башнях, сооружаемых вблизи распределительных устройств, на ремонтных площадках машинного зала электростанций, имеющих подъездные пути от мест установки трансформаторов. Трансформаторы небольшой мощности ремонтируют в мастерских электрических цехов электростанций.
Помещения для ремонта, а также временно сооружаемые укрытия должны надежно защищать трансформаторы от попадания пыли и атмосферных осадков. Выполнение такелажных работ требует от ремонтников особых знаний и навыков. Поэтому доставку трансформатора на ремонтную площадку, снятие вводов, подъем активной части и перемещение отдельных деталей и узлов поручают специалистам-такелажникам.
Капитальный ремонт главных трансформаторов электростанций и подстанций, основных трансформаторов собственных нужд электростанций проводят первый раз не позже чем через 8 лет после включения в эксплуатацию с учетом результатов профилактических испытаний, а в дальнейшем – по мере необходимости в зависимости от состояния
Выбор заземляющего устройства ОРУ 220 кВ
Все металлические части электроустановок, нормально не находящиеся под напряжением. Но могущие оказаться под напряжением из-за повреждения изоляции, должны надежно соединяться с землей. Такое заземление называется защитным, так как его целью является защита обслуживающего персонала от опасных напряжений прикосновения.
Для выбора заземляющего устройства, необходимо определить РУ, где будет устанавливаться заземлительное устройство.
Площадь РУ 220 кВ рассчитываем исходя от количества ячеек и площади заменяемой оборудованием, следовательно мы имеем
3W+2Т+ОВ+ШСВ=7 ячеек
Для 220 кВ ширина ячейки 7 метров.
Определим площадь ячейки
![]()
Определим ток заземляющего устройства
![]()
Исходные данные для расчета:
– А=9396 м² – расстояние между вертикальными заземлителями;
– L=1062 м – длина вертикального заземления;
– в=21 м – ширина полосы;
– N=16 – количество вертикальных заземлений;
– ρ
=300 Ом·м – удельное сопротивление слоев;
– ρ
=100 Ом·м – удельное сопротивление слоев;
– Н=0,5 м;
– R
=1000;
– I
=10,5 А – ток, стекающий с заземлителя проектируемого заземляющего устройства при однофазном КЗ;
– М=0,66 – параметр, зависящий от ρ
/ ρ
.
![]()
N=16
Рисунок 7.1 – План заземляющего устройства
Рассчитываем длину полос
![]()
Длина секции
(7.1),
![]()
.
(7.2),
.
Определим общее сопротивление заземления
(7.3),
где
– относительные удельные сопротивления;
– длина полосы, м;
– количество заземлений;
– площадь ячейки.
![]()
Определяем расстояние между вертикальными заземлителями
(7.4),
где
– функция которая зависит от отношения ρ
ρ
;
– расстояние между вертикальными заземлителями.
![]()
Определяем коэффициент, определяемый по сопротивлению тела человека и сопротивлению растекания тока
(7.5),
.
Определяем выполнение условия безопасности прикосновения человека
(7.6),
![]()
(7.7),
![]()
Выбор сопротивления заземления делается по двум нормам:
– первая норма – для сетей с изолированной нейтралью R заземления
должно быть не более 10 Ом, а U прикосновения не более 250 В, если это заземление выполняется выше 1000 В, если одновременно до 1000 В, тогда U прикосновения – 125 В,
не более 4 Ом. Для сетей с эффективно заземленной нейтралью для них
не должно быть не более 0,5 Ом;
– вторая норма – если U прикосновения для сетей с изолированной нейтралью не более 250 и 125 В, то
не нормируется в сетях с большими токами на землю по второй норме потенциал на заземлители не должен превышать 10000 В, тогда
не нормируется.
(7.8),
где
– потенциал на заземлители.
![]()
Принимаем, заземлитель в соответствии со второй нормой
Выбор молнии защиты ОРУ
Для защиты оборудования от повреждения ударом молнии применяется грозозащита с помощью разрядников, искровых промежутков, стержневых и тросовых молниеотводов, которые присоединяются к заземлителям. Такое заземление называется грозозащитным.
Число ячеек ОРУ 220 кВ: 3W+2Т+ОВ+ШСВ=7 ячеек

Рисунок 8.1 – Расположение молниезащиты
Расстояние от одной ячейки к другой составляет:
,
,
,
,
,
,
,
,
,
,
(7.9),
.
Высота молниезащиты
(7.10),
![]()
Определяем радиус защиты
(7.11),

(7.12),
(7.13),

Определим высоту первой и второй молниезащиты
(7.14),
,
.
Определим шаг ячейки
(7.15),
![]()
![]()
![]()
Определим высоту молниезащиты
(7.16),
![]()
Определим радиус
(7.17),

![]()
, (7.18),
![]()
8. Специальная часть проекта
Сушка трансформатора в собственном баке без вакуума
Перед сушкой удаляют масло из бака и вытирают его насухо. На выемной части трансформатора устанавливают термометры сопротивления или термопары для контроля температуры. Выемную часть опускают в бак и закрывают крышкой.
Бак трансформатора утепляют двумя слоями асбестовых листов толщиной 4–5 мм, закрепляемых шпагатом или лентой (применение проволоки не рекомендуется); утепление может производиться также листами стеклоткани. Кроме этого, для уменьшения потерь тепла рекомендуется поместить трансформаторы в утепленную камеру (рис. 1).
Поверх изоляции бака наматывают намагничивающую обмотку. При отсутствии утепления намагничивающую обмотку наматывают на деревянные рейки толщиной 3–5 см.
Если трансформатор снабжен съемными радиаторами, то их снимают. У трансформаторов с трубчатыми или ребристыми баками намагничивающую обмотку укладывают по боковой поверхности поверх труб или ребер, но можно укладывать ее через дно и крышку бака.
Чтобы получить более равномерное распределение температуры, намагничивающую обмотку наматывают на нижнюю часть бака, занимая 40–60% высоты бака; внизу бака витки располагают ближе друг к другу. Для намагничивающей обмотки используют провод с асбестовой изоляцией марки ПДА; возможно применение проводов и других марок (ПР, ПРТО), но в последнем случае нагрузку током уменьшают до 60–70% допустимой при нормальной прокладке.
Таблица 1 параметры трансформаторов
| Мощность транс-форма-тора, кВ-А |
Периметр, м | Температура окружающей среды, °С |
Напряжение намагничивающей обмотки, В | |||||
| 65 | 120 | 220 | ||||||
| Число витков | Ток, А | Число витков | Ток, А | Число витков | Ток, А | |||
| 100 | 2.4 | 0 15 30 | 47/30 52/36 53/39 | 37/91 31/74 26/64 | – | – | – | – |
| 180 | 2,54 | 0 15 30 | 45/33 49/34 50/37 | 42/103 35/88 29/72 |
– | – | – | – |
| 320 | 2,75 | 0 15 30 | 42/30 44/32 47/34 | 60/124 42/106 35/87 | – | – | – | – |
| 560 | 3,52 | 0 15 30 | 34/24 35/26 38/28 | 80/198 68/168 56/138 | 63/45 67/47 71/51 | 43/107 37/91 30/75 |
– | – |
| 750 | 3,94 | 0 15 30 | 29/21 31/22 33/24 | 105/264 89/224 74/184 | 54/39 57/42 61/145 | 54/143 48/121 40/100 | 100/71 105/76 112/82 | 32/66 28/56 23/46 |
| 1000 | 4,04 | 0 15 30 | 29/21 30/22 32/24 | 124/315 107/265 88/129 | 53/38 56/41 60/44 | 67/170 58/144 48/119 | 98/70 103/75 110/81 | 37/79 31/66 29/55 |
Примечание. Величина в числителе дроби действительна, если кожух утеплен, величина в знаменателе – если утепление отсутствует.
Ниже приводится ориентировочный расчет намагничивающей обмотки для сушки трансформаторов мощностью более 1000 кВ-А. Мощность, необходимая для сушки (в киловаттах),
Таблица 2 Мощность, необходимая для сушки (в киловаттах),
| АР | А | АР | А | АР | А | АР | А |
| 0.1 | 4.21 | 1.0 | 1,85 | 1,9 | 1.47 | 2,8 | 1.27 |
| 0.2 | 3,20 | 1,1 | 1.78 | 2.0 | 1,44 | 2,9 | 1.26 |
| 0,3 | 2.76 | 1,2 | 1,72 | 2,1 | 1.42 | 3,0 | 1,24 |
| 0.4 | 2,48 | 1,3 | 1,68 | 2,2 | 1,39 | 3,25 | 1,20 |
| 0,5 | 2,30 | 1.4 | 1,63 | 2,3 | 1,37 | 3.50 | 1.18 |
| 0,6 | 2.17 | 1.5 | 1.60 | 2,4 | 1,35 | 3,75 | 1.15 |
| 0.7 | 2,06 | 1.6 | 1,55 | 2,5 | 1,32 | 4,0 | 1,12 |
| 0.8 | 1,97 | 1,7 | 1,53 | 2,6 | 1,31 | – | – |
| 0.9 | 1.90 | 1.8 | 1,49 | 2,7 | 1,29 | – | – |
Число витков намагничивающей обмотки
w = UA/L.
где U – напряжение, подводимое к обмотке, В; L – длина одного витка, м; А – длина намагничивающей обмотки, приходящаяся на 1 В напряжения, подводимого к обмотке.

Рисунок. 1. Схема сушки трансформатора в собственном баке 1 – фланец маслосливного крана; 2 – трубка для вентиляции; 3 – утепленная камера; 4 – намагничивающая обмотка; 5 – электронагреватель закрытого типа
Величину А находят по табл. 2. Ток в намагничивающей обмотке
U cos ф
где cos ф=0,5…0,7.
Пример. Определим данные для намагничивающей обмотки трансформатора типа ТМ 1800/10.
В качестве источника питания намагничивающей обмотки может служить сварочный трансформатор, трансформатор для прогрева бетона или сеть напряжением 127/220 В.
В процессе сушки выемную часть трансформатора вентилируют для удаления влаги при помощи вентилятора, отсасывающего воздух через один из люков в крышке трансформатора или через отверстие для изолятора. Воздух поступает в бак через фланец маслосливного крана (рис. 1). Можно устроить и естественную вентиляцию путем установки на крышке бака вертикальной трубы высотой 2–2,5 м. Воздух в утепленную камеру поступает через отверстие в ее нижней части. Температура бака должна повышаться постепенно, рост температуры не должен превосходить 30–40 °С/ч. Температура горячего воздуха внутри бака должна поддерживаться на уровне 100 – 105 °С. Регулирование температуры производится либо изменением числа витков намагничивающей обмотки, либо ее периодическим отключением. В первом случае нужно сделать одну-две отпайки от намагничивающей обмотки.
Для более интенсивной сушки рекомендуется периодически снижать температуру до 50–60 °С и снова повышать ее до 100–105 °С.
Во время сушки ведется журнал, в который каждый час записывают показания всех термометров, силу тока, напряжение и число витков намагничивающей обмотки; каждые два часа – сопротивление изоляции между обмотками и по отношению к корпусу.
Об окончании сушки судят по форме кривой сопротивления изоляции (она аналогична форме кривой сопротивления изоляции при сушке электрических машин). Сушка считается законченной, если сопротивление изоляции обмоток при установившейся температуре 100–105 °С имеет устойчивое значение в течение 6–8 ч.
После сушки производят осмотр выемной части, удаляют термометры, проверяют и затягивают крепления; после этого выемную часть опускают в бак, который заполняют чистым, сухим трансформаторным маслом.
Заключение
В данном проекте рассматривается подстанция 220/35/6 кВ, где примерно оборудование: выключатели, разъединители, измерительные трансформаторы тока и напряжения, трехфазный трехобмоточный трансформатор, КРУ на 6 кВ.
На стороне высокого напряжения 220 кВ применена схема ОРУ с четырьмя присоединениями и тремя выключателями, на среднем напряжении 35 кВ применена схема ОРУ с двумя системами шин с обходной, на низком напряжении 6 кВ одна секционная шина. Выключатели на высокой стороне элегазовые ВГБ – 220, разъединители РДЗ – 220, трансформаторы тока ТВ – 220, трансформаторы напряжения НКФ – 220 – 58; на среднем напряжении выключатели С – 35, разъединители РДЗ – 35, трансформаторы тока ТФЗМ – 35 – У1, трансформаторы напряжения ЗНОЛ – 35; на низком напряжении выключатели ВВЭ – 10 – 31,5, трансформаторы тока ТШЛ – 6, трансформаторы напряжения НОЛ – 0,8/6. Трехфазный трехобмоточный трансформатор ТДТН – 25000/220.
В процессе выполнения курсовой работы был выполнен расчет экономической эффективности проектирования П/С 220/35/6.
В расчетной части дипломной работы был составлен график диспетчерской нагрузки на подстанции, годовой объем трансформации электроэнергии, размер капиталовложения на подстанцию, численность персонала и расходы на оплату труда на подстанции. Также была рассчитана себестоимость трансформации электроэнергии и технико – экономические показатели подстанции.
Рассчитанные показатели приближены к показателям действующего производства, что указывает на правность проведения всех экономических расчетов.
В охране труда и технике безопасности был ознакомлен с техникой безопасности при эксплуатации трансформаторов напряжения и их вторичных цепей.
В специальной части проекта был выбран вопрос наладка устройств АВР и АПВ.
Список использованной литературы
1 Рожкова Л.Д., Козулин В.С., Электрооборудование станций и подстанций: Учебник для техникумов. – 3-е изд., перераб. и доп. – М.: Энергоатомиздат, 1987 – 648 с.
2 Неклепаев Б.Н., Крючков К.П., Электрическая часть электростанций и подстанций: Справочные материалы для курсового и дипломного проектирования: Учебное пособие для вузов. – 4-е изд., перераб. и доп. – М.: Энергоатомиздат, 1989 – 605 с.
3 Справочник по электроснабжению и электрооборудованию: в 2 т. / Под общ. ред. А.А. Федорова. Т. 2. Электрооборудование. – М.: Энергоатомиздат, 1987 – 592 с.
4 Федоров А.А., Старкова Л.Е. Учебное пособие для курсового и дипломного проектирования по электроснабжению промышленных предприятий. – М.: Энергоатомиздат, 1987 – 367 с.
5 Справочник по проектированию электроэнергетических систем /Ершевич В.В., Зейлигер А.Н., Илларионов Г.А. и др.; под ред. Рокотяна С.С. и Шапиро И.М. – М.: Энергоатомиздат, 1985. – 352 с.
6 Электротехнический справочник: В 3 т. Т. 3. 2 кн. кн. 1. Производство и распределение электрической энергии (Под общ. Ред. Профессоров МЭИ: И.Н. Орлова (гл. ред.) и др.) 7 – е изд., испр. И доп. – М.: Энергоатомиздат, 1988.
7 Ю.Б. Гук и др. проектирование электрической части станций и подстанций: Учеб. Пособие для вузов / Ю.Б. ГУК, В.В. Кантан, С.С. Петрова. – Л.: Энергоатомиздат. Ленингр. Отделение, 1985.
8 М.Н. Околоввич. Проектирование электрических станций: Учебник для вузов. – М.: Энергоиздат, 1982.
9 правила устройства электроустановок / Минэнерго – 6 – е изд., с изменениями, исправлениями и дополнениями, принятыми Главгосэнерго – надзором РФ. С. – Петербург: Издательство ДЕАН, 2000.
10 Справочная книжка энергетика /Сост. А.Д. Смирнов. – М.: Энергия, 1978. – 336 с.
11 Экономика предприятия: учебник, под ред. проф. Сафронова Н.А. – М.: Юристъ, 1999. – 584 с.
12 Грузинлв В.П. Экономика предприятия предпринимательская: учебник для вузов. – 2-е изд., перераб. И доп. – М.: ЮНИТИ-ДАНА, 2002. – 795 с.
13 Прузнер С.Л. Экономика, организация и планирование энергетического производства: Учебник для техникумов. – М.: Энергия, 1976, – 320 с.
14 Чернухин А.А., Флаксерман Ю.Н. Экономика энергетики СССР: Учебник для вузов. – М.: Энергия, 1980. – 344 с.
15 Лапицкий В.И. Организация и планирование энергетики. Учебник. – М.: Высшая школа, 1984. – 424 с.