| Скачать .docx |
Реферат: Расчет вторичного источника питания
1. Данные для расчета
| № варианта |
Iн, мА |
Uн, В |
ΔUн+, В |
ΔUн-, В |
εвых |
Кст мин |
№ рисунка схемы |
| 36 |
270 |
11 |
0 |
0 |
103 |
60 |
3 |
ЗАДАНИЕ
Провести полный расчет вторичного источника питания, структурная схема которого изображена на рси.1, по следующим данным:
1. Первичная сеть 220 В, 50 Гц с возможными отклонениями напряжения +5% и -15%.
2. В соответствии с указанным вариантом взять из таблицы
· ток нагрузки Iн;
· напряжение на нагрузке Uн с пределами регулирования ΔUн+ и ΔUн- или без регулирования;
· допустимый коэффициент пульсации εвых;
· минимальный коэффициент стабилизации напряжения Кст мин;
· вариант схемы выпрямителя по номеру рисунка.

Рис.1. Структурная схема вторичного источника питания
1. ВЫБОР И РАСЧЕТ СТАБИЛИЗАТОРА НАПРЯЖЕНИЯ
Стабилизация среднего значения выходного напряжения вторичного источника питания производится c помощью стабилизатора напряжения. Выбор стабилизатора напряжения осуществляется исходя из следующих соображений. Если не нужно регулировать напряжение на нагрузке (не заданы ΔUн+ и ΔUн-) и ток в нагрузке не превышает 0,1А, то можно выбрать, как самый простой, параметрический стабилизатор напряжения, при условии, что он обеспечит заданный коэффициент стабилизации. В противном случае необходим компенсационный стабилизатор напряжения с обоснованием его выбора.
Так как ток нагрузки Iн больше 0,1А, необходим компенсационный стабилизатор напряжения.
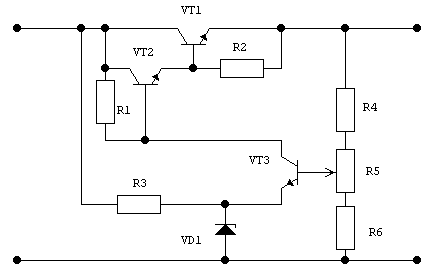
РАСЧЕТ КСН

Рис.2 Схема стабилизатора.
1) Определим максимальный ток коллектора транзистора VT1
![]()
2) Определим значения выходного напряжения на нагрузке
минимальное: ![]()
максимальное: ![]()
3) Определим напряжение на входе КСН
минимальное: ![]()
где ориентировочно принимаем
;
номинальное ![]()
максимальное ![]()
4) Максимальное значение напряжение коллектор-эммитер и рассеиваемой мощности на транзисторе VT1 будут равны
5)
![]()
![]()
6) В блоках питания применяются низкочастотные транзисторы. По найденным значениям
по справочнику выбираем транзистор n-p-n структуры и выписываем его параметры:
VT1: П701
|
|
|
|
|
|
|
| 40 |
500 |
10 |
20 |
7 |
0,1 |
7) Определяем максимальный ток базы транзистора VT1

8) Рассчитываем сопротивление резистора R2 и его мощность, где
В

Выбираем тип резистора и его параметры.
R2 = 4,7х106 Ом, Pr2 = 0,01 Вт.
9) Определяем максимальное значение напряжения коллектор-эммитер, тока коллектора и мощность транзистора VT2
,
,
,
.
10) По найденным значениям
по справочнику выбираем транзистор n-p-n структуры и выписываем его параметры:
VT2: П701А
|
|
|
|
|
|
|
| 60 |
500 |
10 |
20 |
7 |
0,1 |
Величину напряжения берем
.
11) Уточняем минимальное напряжение на РЭ
![]()
12) Определяем ток базы транзистора VT2

13) Принимаем ток коллектора транзистора VT3 равным
![]()
14) Определяем максимальное, минимальное и номинальное значения напряжения на коллектора VT3 относительно общего минуса
![]()
![]()
![]()
15) Рассчитываем сопротивление резистора R1 и его мощность
![]()
![]()
Выбираем резистор R1:
,
.
16) Вычисляем максимальный ток коллектора транзистора VT3
![]()
17) Напряжение стабилитрона VD1 выбираем в пределах 6…8 В, ноо при этом напряжение коллектор- эммитер транзистора VT3 должно быть не менее 3В, то есть
![]()
18) По найденному значению Uст и учитывая, что ток стабилизации VD1 не должен превышать максимально допустимый ток стабилитрона, то есть
![]()
Выбираем тип стабилитрона VD1 и выписываем его параметры
VD1: Д814А
|
|
|
|
|
|
|
| 8 |
40 |
3 |
6 |
7,5 |
8,5 |
![]()
19) Уточняем напряжение коллектор-эммитер транзистора VT3
![]()
![]()
20) Определяем мощность, рассеиваемую на коллекторе транзистора VT3
![]()
21) По найденным значениям
по справочнику выбираем транзистор n-p-n структуры и выписываем его параметры:
VT3: КТ306Г
|
|
|
|
|
|
|
| 10 |
30 |
0,15 |
110 |
0,3 |
3 |
22) Вычисляем сопротивление резистора R3 и его мощность


Выбираем резистор R3:
,
.
23) Проверяем максимальный ток стабилитрона VD1
![]()
![]()
24) Рассчитываем ток базы транзистора VT3
![]()
25) Находим сопротивления резисторов делителя и их мощность. Для этого принимаем ток делителя
. Тогда полное сопротивление делителя
, а сопротивления резисторов делителя и их мощности найдем по формулам, приняв
В
Выбираем R4, R5, R6:
26) Определяем достигаемый коэффициент стабилизации
![]()
где
- коэффициент передачи по напряжению делителя;
- коэффициент усиления по напряжению УПТ на VT3;
.
27) Входные параметры КСН
входной ток КСН

входное напряжение КСН ![]()
входное сопротивление КСН ![]()
28) Оценим коэффициент полезного действия КСН при нормальной нагрузке
![]()
Ориентировочный расчет стабилизатора напряжения закончен.
2. ВЫБОР И РАСЧЕТ СГЛАЖИВАЮЩЕГО ФИЛЬТРА
Исходные данные:
- коэффициент пульсации на выходе СФ
- коэффициент пульсации на входе СФ
- сопротивление нагрузки фильтра
- напряжение нагрузки СФ
– ток нагрузки СФ
Рис.3 Схема Г-образного LC-фильтра.
1) Определяем необходимый коэффициент сглаживающего фильтра
![]()
2) Находим величину емкости конденсатора С1 из условия согласования фильтра с нагрузкой
. Принимаем ![]()
![]()
где ![]()
.
Выбираем конденсатор С1 с рабочим напряжением
:
![]()
![]()
3) Определяем величину индуктивности дросселя L1 по формуле
![]()
4) Проверяем расчет
а)
- условия согласования фильтра с нагрузкой;
б)
- условие допустимых габаритов.
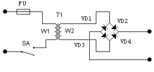
3. РАСЧЕТ ВЫПРЯМИТЕЛЯ

Рис.4. Схема выпрямителя.
1) Постоянная составляющая напряжения на выходе выпрямителя- входе фильтра
![]()
где
.
2) Определяем среднее напряжение на входе выпрямителя – на вторичной обмотке трансформатора:
![]()
где ![]()
3) Определяем напряжение на вторичной обмотке трансформатора
· амплитудное значение напряжения на вторичной обмотке трансформатора
![]()
· действующее значение напряжения на вторичной обмотке трансформатора

4) Определим токи во вторичной обмотке трансформатора
· постоянная составляющая тока на выходе выпрямителя Iв равна входному току СН
![]()
· среднее и действующее значения тока во вторичной обмотке
,
![]()
· амплитудное значение тока
![]()
5) максимальное обратно напряжение на диодах
и среднее значение тока через диоды ![]()
6) В соответствии со значениями
выбираем по справочнику тип выпрямительных диодов и выписываем их параметры:
2Д122АС:
|
|
|
|
|
| 400 |
0,3 |
|
1 |
4. РАСЧЕТ ТРАНСФОРМАТОРА
1) Требуемый коэффициент трансформации равен
![]()
2) Определяем число витков первичной обмотки
трансформатора исходя из намотки 6-8 витков на 1 В напряжения:
витков.
3) Определим число витков вторичной обмотки трансформатора
![]()
4) Находим действующее
и максимальное
значение тока в первичной цепи
![]()
![]()
Мощность тока в первичной цепи – мощность, потребляемую источником вторичного питания от сети переменного тока - ![]()
5. ВЫБОР ПРЕДОХРАНИТЕЛЯ И ВЫКЛЮЧАТЕЛЯ.
1) Определим расчетный ток срабатывания предохранителя
.
Выбираем предохранитель 0,1А.
2) Ток коммутации выключателя должен быть
.
Выбираем выключатель по току коммутации 0,1 А.
6. Графики напряжений на вторичной обмотке трансформатора, на выходе выпрямителя, на выходе сглаживающего фильтра и на нагрузке
|
|
7. Схема электрическая принципиальная вторичного источника питания

СПЕЦИФИКАЦИЯ Таблица1

Список использованной литературы
1. Полупроводниковые приборы: диоды, тиристоры, оптоэлектронные приборы. Справочник/ Под ред. Н.Н. Горюнова. -М.: Энегроиздат, 1983. – 744с.
2. Полупроводниковые приборы: транзисторы. Справочник/ Под ред. Н.Н. Горюнова. -М.: Энегроиздат, 1982. – 904с.
3. Ханзел Г.Е. Справочник по расчету фильтров. США, 1969. Пер. с англ., под ред. А.Е. Знаменского. М., «Сов. радио», 1974, 288с.
4. Полупроводниковые приборы. Диоды выпрямительные, стабилитроны, тиристоры: Справочник / Под ред. А.В. Голомедова. – М.:Радио и связь, 1988. – 528с.
