| Скачать .docx |
Реферат: Эскизный тепловой и электрический расчет камерной электропечи периодического действия Вариант №5
Федеральное агентство по образованию
Государственное образовательное учреждение
высшего профессионального образования
ВЛАДИМИРСКИЙ ГОСУДАРСТВЕННЫЙ УНИВЕРСИТЕТ
Кафедра «Электротехника и электроэнергетика»
Расчётно-графическая работа №1
Эскизный тепловой и электрический расчет камерной электропечи периодического действия
Вариант №5
Выполнил:
Ст. гр. ЭЛС-106
Девонина Е.В.
Проверил:
Колесник Г.П.
Владимир, 2009
Задание
| Материал садки |
Вес G, кг |
Насыпная плотность σ, кг/м3 |
Максимальная t0 печи tп, 0С |
t0 цеха t0, 0С |
Время нагрева садки τ, ч |
Вес приспособлений из жароупора G’, кг |
| Р18 |
60 |
2200 |
1050 |
20 |
1.6 |
10 |
1,6 ч. * 60 = 96 мин.
1 Геометрия рабочей камеры
Объём V, занимаемый садкой:
V=
, м3
где G—вес садки кг; σ — насыпная плотность, кг/м3.
![]()
Принимаем условные размеры рабочей камеры: ширина А'=0,29 м, длина В'=0,31 м, высота С'=0,31 м, объем V'=0,29x0,31x0,31=0,028м3.
Нагреватели размещены открыто на крючках на боковых и задней стенке камеры. Припуски к условным размерам на размещение нагревателей 40мм на сторону, зазоры между нагревателями и садкой, стенками, сводом и садкой по 30мм, зазоры между поддонами 35мм. С учетом всех зазоров предварительные размеры камеры:
А=480 мм, В=460 мм, С=360 мм.
Площади стенок: боковых FСТ=0,17m2, задней и передней F3= FФР =0,18 м2, свода и пода FCB=FС=0,22 м2.
Окончательные размеры рабочей камеры определяются при рабочем проектировании печи из условия размещения нагревателей
2 Расчет установленной мощности и тепловой расчет
Полезная мощность Рпол рассчитывается по формуле:
![]()
Средняя удельная теплоёмкость садки в интервале температур 50-10500С (табл. 5) с=699 Дж/кг0С.
Мощность, расходуемая на нагрев поддонов Рпр:
![]()
Средняя удельная теплоёмкость жароупора Х18Н9В в интервале температур 20-11000С (табл. 5) с=599 Дж/кг0С.
Тепловой расчёт футеровки.
Приводимая ниже конструкция футеровки выбрана по результатам нескольких предварительных расчётов. Далее приведён расчёт окончательного варианта.
Огнеупорный слой - Шамот легковес ШЛ-1,3. Допустимая температура 13000 (табл. 1), толщина слоя S1=230 мм.
Теплоизоляционный слой – пенодиатомитовый кирпич ПЭД-350, допустимая температура 900°С (табл. 1), толщина слоя S2=230мм.
Принимаем условную среднюю температуру слоев S1 и S2 tср=800°С. Коэффициенты теплопроводности материалов при этой температуре (табл. 1) шамота λ1=0,6 Вт/м2 °С, пенодиатомита λ2=0,22 Вт/м2 °С. Толщины слоев в условных единицах S’1=S’2=1. Тепловые сопротивления слоев в условных единицах R’1=1,
R’2=λ1/λ2=0,6/0,22=2,7.
Перепад температуры в слоях в условных единицах Δt1’=1.
Δt2’= R2’ S2 '=2,7 ∙1=2,7.
Перепад температуры в футеровке в условных единицах:
Δt’= Δt1’ + Δt2’=1+2,7=3,7.
Принимаем температуру на внешней поверхности боковых и задних стенок футеровки максимально допустимой tв=70°С. Перепад температуры в футеровке Δt=tn-tв= 1050-70=980°С.
Перепад температуры в шамоте:
Δt1= Δt∙ Δt1'/ Δt'=980∙1/3,7=265oC
Перепад температуры в пенодиатомите:
Δt1= Δt∙ Δt2'/ Δt' = 980∙2,7/3,7=715oC
Ориентировочно температура на границе шамот – пенодиатомит
tсл=tп- Δt1=1050-265=785оС
Проведём уточнённый расчёт температуры в слоях футеровки.
Средняя температура огнеупорного слоя (шамот):
tсрш =(tп+tсл)/2=(1050+785)/2=918оС
Средняя температура теплоизоляционного слоя (пенодиатомит):
tсрп =(tсл+tсв)/2=(785+70)/2=428оС
Коэффициенты теплопроводности материалов при этой температуре (табл. 1): шамот λ1=0,54 Вт/м2∙0С, пенодиатомит λ2=0,135 Вт/м2∙0С. Принимаем, что внешняя поверхность печи окрашена обычной краской и при tв=700С,
(табл. 6) тепловой поток через 1м2 боковых и задней стенок:
Температура на границе огнеупорного и теплоизоляционного слоёв:
![]()
Для пенодиатомита допустимая температура (табл. 1):
tд=9000С;
8500С<9000С.
Температура на внешней поверхности боковой и задней стенок:
![]()
tвст<tдоп; 560С<700C
Для свода:![]()
Тепловой поток через 1м2 свода:

Температура в своде на границе шамот – пенодиатомит:
![]()
Температура на внешней поверхности свода:
![]()
Для пода: ![]()
Тепловой поток через 1м2 пода:

Температура в поде на границе шамот – пенодиатомит:
![]()
Температура на внешней поверхности пода:
![]()
Мощность потерь через футеровку.
Боковые и задняя стенки:
![]()
Свод: ![]()
Под: ![]()
Суммарные потери через футеровку:
![]()
Тепловой расчёт загрузочной дверцы.
Принимаем, что загрузочная дверца на передней стенке печи занимает всю её площадь FДВ=FСР Р=0,243 м2. Теплоизоляцию дверцы выполняем набивкой муллитокремнистым волокном МКРР-130 с допустимой температурой 11500С (табл. 2), толщина набивки S=300мм. Средняя температура набивки
.
Средний коэффициент теплопроводности (табл. 2) λср=0,147 Вт/м2∙0С,
(табл. 6).
Тепловой поток 1м2 дверцы:

Температура на внешней поверхности дверцы:
С
Мощность потерь через дверцу:
![]()
Номинальная мощность печи:
![]()
Установленная мощность печи:
![]()
3 Электрический расчёт
Материал нагревателя выбран по результатам нескольких предварительных расчётов. Далее приведён расчёт окончательного варианта.
Принимаем в качестве материала нагревателя фехраль Х23Ю5Т, tн=13000С, ρ=1,45 мкОм∙м (табл. 9).При рабочей температуре ρ’=1,08∙1,45=1,566 мкОм∙м. Нагреватель выполняем из ленты a=1мм, d=10мм, ленточный зигзаг с шагом l=10мм (рис. 8):
из табл. 7 к=0,42.
Расчётная площадь поверхности нагревателя:

Принимаем печь трёхфазной, соединение нагревателей – звезда, мощность одной фазы:
![]()
Длина фазы нагревателя:
![]()
Площадь поверхности трёх фаз нагревателя:
![]()
Фактическая площадь нагревателя
, что существенно увеличивает быстродействие системы автоматического регулирования температуры печи и повышает равномерность температурного поля рабочей камеры.

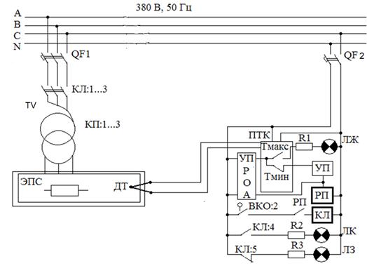
Принципиальная электрическая схема управления печью сопротивления
![]()
![]()
Выбираем автоматический трехполюсный выключатель фирмы LEGRAND LR tm на 32А (6048 38) с отключающей способностью Icu: 6 кA (400 B±).Соответствует ГОСТ Р 50345-99.
■ Техническая информация
● Номинальное напряжение: 240 В± / 415 В±
● Максимальное напряжение: 80 В = на полюс (см. таблицу ниже)
● Допустимое кратковременное напряжение: 500 В±
■ Механические характеристики
Стойкость: 20 000 механических циклов
10 000 циклов под нагрузкой = In x cos ϕ 0,9
Допустимые сечения проводников :
25 мм2 гибкие провода
35 мм2 жесткие провода