| Скачать .docx |
Курсовая работа: Типы понижающих трансформаторов для питания тяговых районных и нетяговых железнодорожных потребителей
Федеральное Агентство Железнодорожного Транспорта
Иркутский Государственный Университет Путей Сообщения
Курсовой проект
По дисциплине: Тяговые и трансформаторные подстанции
Выполнил: ст. группы ЭНС-07-2
Горшков В.К.
Проверил(а): Пузина Е.Ю.
г. Иркутск 2010 г.
Содержание
Введение
Исходные данные
Глава 1. Однолинейная схема главных электрических соединений
1.1 Структурная схема тяговой подстанции
1.2 Выбор типа силового оборудования
1.3 Разработка однолинейной схемы тяговой подстанции
1.4 Описание назначения основных элементов схемы тяговой подстанции
1.5 Выбор трансформатора собственных нужд
1.6 Схемы питания потребителей собственных нужд
Глава 2. Расчет токов короткого замыкания
2.1 Расчетная схема тяговой подстанции
2.2 Электрическая схема замещения
2.3 расчет сопротивления элементов схемы замещения
2.4 расчет токов КЗ на шинах РУ
2.5 Расчет токов КЗ в цепях собственных нужд
Глава 3. Выбор аппаратуры и токоведущих частей подстанции
3.1 Расчет максимальных рабочих токов основных присоединений подстанции
3.2 Расчет величины теплового импульса для всех РУ
3.3 Выбор сборных шин и токоведущих элементов. Выбор изоляторов
3.4 Выбор коммутационных аппаратов
3.4.1 Выключатели
3.4.2 Разъединители
3.4.3 Предохранители
3.5 Выбор измерительных трансформаторов
3.5.1 Выбор объема измерений
3.5.2 Разработка схем измерений
3.5.3 Выбор трансформаторов тока
3.5.4 Выбор трансформаторов напряжения
3.6 Выбор ограничителей перенапряжения
3.7 Выбор аккумуляторной батареи и зарядно-подзарядного агрегата
Глава 4. План тяговой подстанции
4.1 Разработка плана тяговой подстанции
4.2 Расчет площади открытой части тяговой подстанции
Глава 5. Расчет заземляющего устройства
Глава 6. Экономическая часть проекта
6.1 Определение стоимости тяговой подстанции
6.2 Основные технико-экономические показатели тяговой подстанции
Список используемой литературы
Введение
Энергию на тягу поездов получают от энергосистем через их высоковольтные линии и районные подстанции, непременно, через специальные тяговые подстанции, являющиеся элементами системы электроснабжения электрифицированных железных дорог. Каждая тяговая подстанция является ответственным электротехническим сооружением (электроустановкой), оснащенной мощной современной силовой (трансформаторы, автотрансформаторы, полупроводниковые преобразователи, батареи конденсаторов), коммутационной (выключатели переменного и постоянного тока, разъединители, короткозамыкатели) и вспомогательной аппаратурой, большая часть которой работает в режиме автотелеуправления. Насыщенность тяговых подстанций разнообразной по назначению аппаратурой существенно выше, чем равных по мощности и классу первичного питающего напряжения подстанций энергосистем. Это объясняется многофункциональностью тяговых подстанций - от них получают питание не только электрические поезда, но также районные и нетяговые потребители железных дорог.
К схемам и конструкциям тяговых подстанций предъявляют определенные технические требования. Так, установленная мощность их трансформаторов и преобразователей должна соответствовать спросу потребителей электроэнергии (электрических поездов, районных и нетяговых железнодорожных потребителей), коммутационная и вспомогательная аппаратура обеспечивать бесперебойное питание потребителей электроэнергии на требуемом уровне надежности. Очень важно также, чтобы качество электрической энергии соответствовало установленным нормам.
Основной задачей системы электроснабжения является обеспечение эксплуатационной работы железной дороги для этого необходимо, что бы мощность всех элементов системы электроснабжения была достаточной для обеспечения потребной каждому локомотиву мощности при самых разнообразных условиях работы железной дороги.
Эти задачи могут быть решены только при правильно выбранных параметрах системы электроснабжения, т.е. обеспечивающих работу оборудования в допустимых для него пределах по нагрузке и необходимое качество электроэнергии, а также при обеспечении необходимого резерва.
Известно, что недопустимое для данного элемента электрической установки увеличение нагрузки может привести к выходу его из строя. С другой стороны, увеличение номинальной мощности любого элемента и, следовательно, допустимой для него нагрузки связано с увеличением затрат. Поэтому необходимо уметь выбирать параметры всех устройств системы электроснабжения так, чтобы они бесперебойно работали в течение времени, определяемого их нормальным сроком службы, при минимальных затратах.
Проектирование тяговой подстанции выполняется с учетом действующих правил и норм на основании имеющегося опыта эксплуатации и имеющихся достижений науки и технике в области электрифицированного железнодорожного транспорта.
Целью курсового проекта являются обобщения и углубления студентами знаний по дисциплине, изучение современных проблем проектирования.
Грамотно эксплуатировать оборудование тяговой подстанции, уметь наблюдать и анализировать происходящие в нем процессы, при необходимости наметить пути усовершенствования отдельных узлов и иметь уверенность в том, что их осуществление возможно только после тщательного целенаправленного изучения принципа действия и устройства всего того единого целого, что объясняется названием тяговая подстанция.
Тяговые подстанции выполняются в соответствии с действующими нормами и правилами.
Исходные данные
1. Схема питания.

Двухцепная ЛЭП-110кВ
2. Тяговая подстанция: №2
3. Род тока: переменный (
кВ)
4. Характеристика источников питания.
ИП 1;
МВ×А;
МВ×А;
ИП 2:
МВ×А;
;
5. Данные по понизительным трансформаторам, фидерам районной нагрузки и количеству перерабатываемой электроэнергии.
| № варианта | ТП | SФ 10кВ / кол-во | WГОД , кВтч*106 | ||||
| SП , МВА | UВН , кВ | U СН , кВ | UНН , кВ | кол-во | |||
| 11 | 25 | 110 | 27,5 | 10 | 2 | 750/6 | 80 |
6. Длины ЛЭП:
l1 = 50 км;
l2 = 55 км;
l3 = 55 км;
l4 = 45 км;
7. Данные по цепям собственных нужд.
| Наименование потребителя | КИ | cos |
Мощность, кВт |
| Рабочее освещение | 0,7 | 1,0 | 25 |
| Аварийное освещение | 1,0 | 1,0 | 2,2 |
| Моторные нагрузки | 0,75 | 0,8 | 32 |
| Печи отопления и калориферы | 0,65 | 1,0 | 25 |
| Потребители СЦБ | 0,75 | 0,8 | 44 |
| Цепи управления, защиты и сигнализации | 0,7 | 1,0 | 2,5 |
| Зарядно-подзарядный агрегат | 0,7 | 1,0 | 9,5 |
8. Данные для расчёта заземляющих устройств.
Сопротивление верхнего слоя земли:
Ом×м;
Сопротивление нижнего слоя земли:
Ом×м;
Толщина верхнего слоя земли:
м;
Время протекания
- 0,4 с;
9. Выдержка времени релейной защиты.
Вводы 110 кВ – 2,5 с.
Вводы 27.5 кВ – 1,5 с.
Вводы 10 кВ – 1,0 с.
Фидер 27.5 кВ – 0,5 с.
Фидер 10 кВ – 0,5 с.
Глава 1. Однолинейная схема главных электрических подстанций
1.1 Структурная схема тяговой подстанции

1.2 Выбор типа силового трансформатора
| Тип силового трансформатора | Sн , кВА | Uн обмоток, кВ | Uкз , % | Ток ХХ, % | Потери ХХ, кВт | Потери КЗ,кВт | ||||
| ВН | СН | НН | ВН-СН | ВН-НН | СН-НН | |||||
| ТДТНЭ-25000/110-67 | 25000 | 115 | 27,5 | 11 | 10,5 | 17 | 6 | 1,00 | 45 | 145 |
1.3 Разработка однолинейной схемы тяговой подстанции
Согласно ПУЭ электрифицированные железных дороги относится к потребителям первой категории, для которых перерыв в электроснабжении не допускается, поэтому схемы электроснабжения выполняют таким образом, что при повреждении или ремонте любого элемента обеспечивалось непрерывное питание ЭПС.
Конфигурация и основные особенности схемы внешнего электроснабжения тяговых подстанций зависят от значения питающего напряжения и надежности элементов системы, в частности ЛЭП и коммутационных аппаратов.
Однолинейная схема определяет состав необходимого высоковольтного оборудования, а дальнейшие расчеты позволяют выбрать тип оборудования.
Проектируемая транзитная подстанция переменного тока имеет три распределительных устройства напряжением 110, 27,5 и 10 кВ.
ОРУ-110 кВ выполнено по схеме два ввода с двумя перемычками: рабочей перемычкой содержащей выключатель и ремонтной перемычкой без выключателя, а также имеется дополнительная перемычка для подключения дополнительного трансформатора.
ОРУ-27.5 кВ выполнено по схеме одна трёхфазная рабочая система сборных шин секционированная разъединителями и одна обходная система сборных шин. При этом в рабочей системе сборных шин две фазы выполняются воздушными проводами. Третья фаза выполняется в виде отрезка рельса заглубленного в землю.
РУ-10 кВ выполнено по схеме одна рабочая система сборных шин, секционированная выключателем.
1.4 Описание назначения основных элементов схемы тяговой подстанции
К основным элементам тяговой подстанции относятся:
Силовые трансформаторы предназначены для преобразования электрической энергии по уровню напряжения. Для компенсации колебания напряжения в питающей сети, трансформаторы оборудуют устройством для регулирования напряжения под нагрузкой.
Высоковольтные выключатели переменного тока – предназначены для включения и отключения высоковольтных цепей переменного тока в нормальном и аварийном режимах работы.
Разъединители – аппараты, применяемые в электроустановках выше 1000 В и предназначенные для коммутации предварительно обесточенных электрических цепей, а также для создания видимого разрыва цепи, обеспечивающего безопасность работы персонала.
Трансформаторы тока – предназначены для преобразования электрической энергии по уровню тока с целью уменьшения первичного тока до значений наиболее удобных для питания измерительных приборов и реле, а также для отделения цепей измерения и защиты от первичных цепей высокого напряжения.
Трансформаторы напряжения – предназначены для преобразования электрической энергии по уровню напряжения с целью понижения первичного напряжения до величины, удобной для питания приборов и реле, а также для изоляции цепей обмоток вольтметров, счётчиков, реле и других приборов от сети первичного напряжения.
Ограничители перенапряжений – предназначены для защиты изоляции электрических цепей, электрооборудования и аппаратуры от атмосферных и коммутационных перенапряжений.
Токоведущие части – неизолированные и изолированные проводники, предназначенные для соединения источников с приёмниками энергии через различные переключающие аппараты.
Изоляторы – электротехнические устройства предназначенные для электрической изоляции и механического крепления электроустановок или их отдельных частей, находящихся под разными электрическими потенциалами.
ТСН – предназначены для преобразования электрической энергии по уровню напряжения до значения 380/220 В и для питания собственных нужд тяговой подстанции.
1.5 Выбор трансформатора собственных нужд
На тяговой подстанции устанавливают два ТСН с вторичным напряжением 380/220 В, каждый из которых рассчитан на полную мощность собственных нужд.
Питание ТСН на тяговых подстанциях переменного тока осуществляем от шин 27,5 кВ.
Необходимая мощность для питания собственных нужд переменного тока может быть определена суммированием всех мощностей потребителей подстанции.
Расчётная мощность для питания собственных нужд (мощность ТСН) определяется:
Расчётную мощность ТСН определим по формуле:
![]()
где: Sу – установленная мощность ТСН:
![]()
где:
- суммарная активная мощность, кВт;
- суммарная реактивная мощность, кВАр.
![]()
![]()
где:
- коэффициент использования установленной мощности;
- заданная мощность собственных нужд;
- тангенс конкретного вида собственных нужд.
Мощность подогрева элегаза и приводов высоковольтных выключателей:
Таблица 1
| Тип выключателя | Рэлегаза, кВт | Рпривод, кВт | Кол-во выключателей | Робщ, кВт | ||
| ВЭБ-110 | 2,76 | 1,6 | 3 | 13,08 | ||
| ВГБЭ-35 | 0,8 | 0,8 | 11 | 17,6 | ||
| ВГП-10 | 0,8 | 0,8 | 2 | 3,2 | ||
| LF-2 | 0,8 | 0,8 | 1 | 1,6 | ||
| LF-1 | 0,8 | 0,8 | 6 | 9,6 | ||
Итого: Робщ = 45,08 кВт
Данные по цепям собственных нужд:
| Наименование потребителя | ки | cosf | tgf | P, кВт | Pу, кВт | Qу, кВАр |
| Рабочее освещение | 0.7 | 1 | 0 | 25 | 17,5 | 0 |
| Моторные нагрузки | 0.75 | 0.8 | 0,75 | 32 | 24 | 18 |
| Печи отопления и калориферы | 0.65 | 1 | 0 | 25 | 16,25 | 0 |
| Потребители СЦБ | 0.75 | 0.8 | 0,75 | 44 | 33 | 24,75 |
| Зарядно-подзарядный агрегат | 0.7 | 1 | 0 | 9,5 | 6,65 | 0 |
| Итого: | S=97.4 | S=42,75 |
![]()
![]()
кВАр;
![]()
![]()
По рассчитанной мощности выбираем ТСН типа: ТМ –160/27,5 – 74 У1.
| Тип трансформатора | Номинальное напряжение обмоток , кВ | Потери, кВт | uК, % | IХ,% | Схема и группа соединения обмоток | ||
| ВН | НН | РХ | РК | ||||
| ТМ –160/27,5 – 74 У1 | 27,5 | 0,23 | 0,89 | 2,65 | 6,5 | 3,85 | Y/Y0-0 |
1.6 Схемы питания потребителей собственных нужд
Питание потребителей собственных нужд переменного тока осуществляется от системы сборных шин 380/220 В. В качестве резервного источника электроэнергии собственных нужд переменного тока используют дизель – генератор.
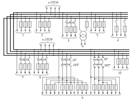
Собственные нужды постоянного тока 110(220) В питаются от аккумуляторной батареи (рис. 1, 2, 3).

Рис. 1 - Принципиальная схема питания СН переменного тока открытой части тяговой подстанции: 1 и 10 – шкафа СН в здании подстанции; 2 – обдува понижающих трансформаторов; 3 – ВЛ СЦБ; 4 – освещения камер 10 кВ и СЦБ; 5 – резервный; 6 – освещения открытой части подстанции; 7 – передвижного масляного хозяйства; 8 – питания дистанций контактной сети; 9 – подогрева масла и приводов высоковольтных выключателей

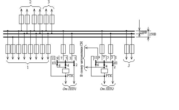
Рис. 2- Принципиальная схема питания СН переменного тока закрытой части тяговой подстанции. Фидеры: 1 – сверлильного и наждачного станков; 2 – электрических печей щитовой и подсобных помещений; 3 – насоса откачки воды из баков для слива масла; 6,7 и 8 – питания соответственно пульта дистанционного управления разъединителями контактной сети, стоек телемеханики и автоматики; 9 – питания подзарядных устройств; 10 – калориферов и вентиляторов помещения аккумуляторной батареи; 11 – освещения здания тяговой подстанции; 12 – электрических печей помещения дизель – генератора; 13 – вентиляторов помещения дизель – генератора. Вводы: I и III – фидеров СН от ТСН на открытой части тяговой подстанции; II – резервный от дизель – генератора

Рис. 3 - Принципиальная схема питания СН постоянного тока. Цепи питания: 1 – приводов высоковольтных выключателей; 2 – устройств управления и сигнализации; 3 – аварийного освещения; 4 – земляной защиты; 5 – унифицированного преобразователя напряжения устройств автоматики и телемеханики.
Глава 2. Расчет токов короткого замыкания
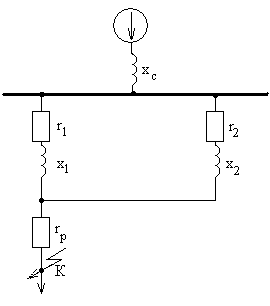
2.1 Расчетная схема тяговой подстанции

Рис. 4
2.1 Расчетная схема тяговой подстанции

Рис. 5
2.3 Расчёт сопротивлений элементов схемы замещения.
Для расчетов относительных сопротивлений примем
МВА
Относительные сопротивления энергосистемы :
![]()
![]()
Относительные сопротивления ЛЭП :
![]()
![]()
![]()
где:
- удельное сопротивление проводов 1 км линии,
=0,4 Ом/км;
l – длина линии, км.
Расчётные значения напряжения К.З.

Относительные сопротивления обмоток тягового трансформатора:
![]()
![]()
![]()
где:
- номинальная мощность трансформатора, МВА.
Преобразуем схему замещения до точки К1 (рис. 6).

Рис. 6
Преобразуем треугольник сопротивлений
в эквивалентную звезду (рис .7):
![]()
![]()
![]()

Рис. 7
![]()
![]()
в). Звезду сопротивлений
преобразуем в треугольник:

Рис. 8
![]()
![]()
Ветвь, содержащую сопротивление, убираем, так как точки источников питания равнопотенциальны, и ток через эту ветвь не потечёт, значит сопротивлением можно пренебречь.
Преобразуем схему замещения до точки К2 (рис. 9, 10, 11):

Рис. 9

Рис. 10
![]()
Преобразуем звезду сопротивлений
в треугольник (рис. 11):

Рис. 11
![]()
![]()
Ветвь, содержащую сопротивление, убираем, так как точки источников питания равнопотенциальны, и ток через эту ветвь не потечёт, значит сопротивлением можно пренебречь.
Преобразуем схему замещения до точки К3 (рис. 12, 13):

Рис. 12
![]()
![]()

Рис. 13
![]()
в).Преобразуем звезду сопротивлений
в треугольник (рис. 14):

Рис. 14
![]()
![]()
Ветвь, содержащую сопротивление, убираем, так как точки источников питания равнопотенциальны, и ток через эту ветвь не потечёт, значит сопротивлением можно пренебречь.
2.4 Расчёт токов короткого замыкания на шинах РУ
2.4.1 РУ-110 кВ
Проверяем на удалённость точку короткого замыкания К1:
следовательно, короткое замыкание по отношению к ИП1 - неудалённое.
следовательно, короткое замыкание по отношению к ИП2 - удалённое.
где:
- мощность источника, МВА
а).При расчёте токов короткого замыкания от первого источника используем метод типовых кривых, так как короткое замыкание неудалённое.
1. Определяем конкретное значение критерия удалённости, используя выражение:
, кА
кА;
кА;
Тогда
кА;
2. Время отключения тока короткого замыкания:
= 0.035+0.01=0.045 с.
где
- собственное время отключения выключателя; для выключателя ВЭБ-110-40/2000
=0.045 с.
- минимальное время срабатывания релейной защиты
=0.01 с;
3. По типовым кривым в соответствии с полученным значением времени отключения и выбранной кривой определяем относительное значение периодической составляющей: n * = 1,02;
4. Периодическая составляющая тока короткого замыкания:
кА;
5. Апериодической составляющая:
кА
где
- время затухания апериодической составляющей. Для ветви электрической системы, присоединённой к сборным шинам мощных электростанций воздушными линиями 150-110 кВ:
=0.02
6. Ударный ток.
=5,868 кА
где
- ударный коэффициент. ![]()
7. Полный ток короткого замыкания.
кА
б).При расчёте токов короткого замыкания от второго источника используем приближенный метод, так как короткое замыкание неудалённое.
1. Периодическая составляющая.
кА;
2. Время отключения тока короткого замыкания:
= 0.035+0.01=0.045 с.
Для выключателя ВЭБ-110-40/2000
=0.045 с.
=0.01 с;
3. Апериодическая составляющая:
кА,
4. Ударный ток:
=2,304 кА;
5. Полный ток короткого замыкания:
кА.
Суммарные токи к.з. от двух источников питания:
кА
кА
кА
кА
2.4.2 РУ-27,5 кВ
Проверяем на удалённость точку короткого замыкания К2:
следовательно, короткое замыкание по отношению к ИП1 - удалённое.
![]()
следовательно, короткое замыкание по отношению к ИП2 - удалённое.
где:
- мощность источника, МВА
При расчёте токов короткого замыкания от первого и второго источников используем приближенный метод, так как короткое замыкание неудалённое.
1. Периодическая составляющая.
кА;
кА
2. Время отключения тока короткого замыкания:
= 0.04+0.01=0.05 с.
Для выключателя ВГБЭ-35-12,5/600
=0.04 с.
=0.01 с;
3. Апериодическая составляющая:
кА,
кА,
Для ветви электрической системы, присоединённой к сборным шинам мощных электростанций воздушными линиями 35 кВ:
=0.02 с;
=1.6.
4.Ударный ток:
кА
=4,023 кА
5. Полный ток короткого замыкания:
кА.
кА.
Суммарные токи к.з. от двух источников питания:
кА
кА
кА
кА
Токи двухфазного короткого замыкания:
кА;
кА;
кА;
кА;
2.4.3. РУ-10 кВ
следовательно, короткое замыкание по отношению к ИП1 - удалённое.
![]()
следовательно, короткое замыкание по отношению к ИП2 - удалённое.
где:
- мощность источника, МВА
При расчёте токов короткого замыкания от первого и второго источников используем приближенный метод, так как короткое замыкание неудалённое.
1. Периодическая составляющая.
кА;
кА
2. Время отключения тока короткого замыкания:
= 0.048+0.01=0.058 с.
Для выключателя LF2
=0.048 с.
=0.01 с;
3. Апериодическая составляющая:
кА,
кА,
=0.03
![]()
4.Ударный ток:
кА
=7,587 кА
6. Полный ток короткого замыкания:
кА.
кА.
Суммарные токи к.з. от двух источников питания:
кА
кА
кА
кА
2.5 Расчет токов КЗ в цепях собственных нужд
Составляем схему замещения (рис. 15):

Рис. 15
Преобразуем схему замещения (рис. 16):


Рис. 16
Для определения сопротивлений элементов цепи короткого замыкания рассчитаем максимальный рабочий ток вторичной обмотки трансформатора:
А;
где: кпер – коэффициент перегрузки трансформатора, равный 1,5;
SнТСН – номинальная мощность трансформатора собственных нужд, кВА;
Uc р – среднее напряжение вторичной обмотки ТСН, равное 0,38 кВ.
Полное сопротивление ТСН определим по формуле:
Ом
где u к – напряжение короткого замыкания ТСН, %
- среднее напряжение СН, кВ;
= 0.4 кВ;
- номинальная мощность ТСН, кВА;
=100 кВА.
Ом = 65 мОм
Ом = 16,6 мОм.
мОм;
Найдём сопротивление трансформатора тока:
ТК – 20 – 400/5
rтт = 0,11 Ом
хтт = 0,17 Ом
Найдём сопротивление автоматического выключателя:
А3790С – 400
rАВ = 0,15 Ом
хАВ = 0,1 Ом
Найдём сопротивление материала кабеля:
![]()
где:
- удельное сопротивление материала кабеля;
;
- длина кабеля, равная 30м;
- сечение кабеля, мм2
.
ААГУ-3´185
= 185 мм2
В качестве четвёртой жилы используем алюминиевую оболочку кабеля
![]()
380 > 365 А
![]()
![]()
где: х0 – 0,0602 [2]
![]()
Найдём сопротивление рубильника:
РПЦ – 32 – 400
r р = 0,2 мОм
,
где
- среднее напряжение СН;
=0.4 кВ.
- базисная мощность,
кВА.
- результирующее сопротивление от всех условно объединенных источников до шин подстанции, к которым подключен ТСН.
![]()
0.571 мОм;
Определяем суммарное активное и реактивное сопротивления:
мОм;
мОм;
мОм;
мОм;
мОм;
мОм;
мОм;
мОм
Найдём периодическую составляющую:
![]()
где: z – полное сопротивление цепи короткого замыкания Ом;
– коэффициент, учитывающий возможность повышения напряжения на 5 %.
![]()
Для определения ударного тока и апериодической составляющей тока короткого замыкания определим постоянную времени затухания апериодической составляющей по формуле:
![]()
где:
результирующее реактивное и активное сопротивление цепи короткого замыкания;
рад/с.
![]()
Определим ударный коэффициент:
![]()
![]()
![]()
Апериодическую составляющую тока короткого замыкания определим по формуле:
![]()
кА.
Определим ударный ток короткого замыкания.
,
где:
- ударный коэффициент.
кА;
Определим полный ток короткого замыкания по формуле:
![]()
![]()
рад/с.
![]()
Определим ударный коэффициент
![]()
![]()
Апериодическую составляющую тока короткого замыкания определим по формуле:
![]()
кА
Определим ударный ток короткого замыкания.
,
где:
- ударный коэффициент.
кА;
Определим полный ток короткого замыкания по формуле:
![]()
кА
Глава 3. Выбор аппаратуры и токоведущих частей подстанции
3.1 Расчет максимальных рабочих токов основных присоединений подстанции
Максимальный рабочий ток вводов и перемычек тяговой подстанции :
![]()
где
коэффициент перспективы, равный 1.3;
- коэффициент транзита, равный 1.5;
- суммарная мощность силовых трансформаторов, В×А;
- номинальное входное напряжение тяговой подстанции, В;
![]()
Максимальный рабочий ток обмоток тягового трансформатора определим по формуле:

где:
- коэффициент перегрузки трансформатора, равный 1.4;
- номинальное напряжение стороны высокого (среднего, низкого) напряжения.
- Максимальный рабочий ток обмотки высокого напряжения:
![]()
- Максимальный рабочий ток обмотки среднего напряжения:
![]()
- Максимальный рабочий ток обмотки низкого напряжения:
![]()
- Сборные шины среднего напряжения (27,5 кВ):
![]()
![]()
где:
- коэффициент распределения нагрузки на шинах вторичного напряжения, равный 0,5.
![]()
- Сборные шины низкого напряжения (10 кВ):
![]()
![]()
- Максимальный рабочий ток фидера районных потребителей :
![]()
де
- коэффициент перспективы, равный 1.3;
- полная мощность районного потребителя, В×А;
- номинальное напряжение районного потребителя , В;
![]()
- Максимальный рабочий ток контактной сети :
А
.
3.2 Расчет величины теплового импульса для всех РУ
Для проверки аппаратуры и токоведущих частей выполняется расчёт величины теплового импульса для всех РУ по выражению:
кА2
×с (3.2.1.)
где
- начальное значение периодической составляющей тока короткого замыкания;
- постоянная времени затухания апериодической составляющей тока короткого замыкания,
. (3.2.2.)
где
- время срабатывания релейной защиты рассматриваемой цепи;
- полное время отключения выключателя до погасания дуги.
Определение величины теплового импульса в РУ – 110 кВ.
Используя выражение (3.2.1.) определим величину теплового импульса РУ – 110 кВ,
где
= 3.589 кА;
определим, используя выражение (3.2.2.),
где
= 2.0 с;
- полное время отключения выключателя; для выключателя ВЭБ–110–40 /2000 :
=0.055 с.
= 0.02 с;
Согласно выражению (3.2.2.) получим:
= 2.0 + 0.055 = 2.055 с;
Согласно выражению (3.2.1.) будем иметь:
кА2
×с.
Определение величины теплового импульса в РУ –27.5 кВ.
Согласно выражению (3.2.1.) определим величину теплового импульса вводов в РУ – 27.5 кВ,
где
= 6,174 кА;
определим, используя выражение (3.2.2.),
где
= 1.0 с;
- полное время отключения выключателя; для выключателя ВГБЭ-35-12,5/1000:
=0.065 с.
= 0.02 с;
Согласно выражению (3.2.2.) получим:
= 1.0 + 0.065 = 1.065 с;
Используя выражение (3.2.1.) получим:
кА2
×с.
Используя выражение (3.2.1.) определим величину теплового импульса фидеров контактной сети;
где
= 5,347 кА;
определим, используя выражение (3.2.2.),
где
= 0.5 с;
- полное время отключения выключателя; для выключателя ВГБЭ-35-12,5/600:
=0.065 с.
= 0.02 с;
Согласно выражению (3.2.2.) получим:
= 0.5 + 0.065 = 0.565 с;
Согласно выражению (3.2.1.) получим:
кА2
×с.
Используя выражение (3.2.1.) определим величину теплового импульса фидеров ДПР в РУ – 27.5 кВ,
где
= 6,174 кА;
определим, используя выражение (3.2.2.),
где
= 0.5 с;
- полное время отключения выключателя; для выключателя ВГБЭ-35-12,5/600:
=0.065 с.
= 0.02 с;
Согласно выражению (3.2.2.) получим:
= 0.5 + 0.065 = 0.565 с;
Согласно выражению (3.2.1.) будем иметь:
кА2
×с.
Определение величины теплового импульса в РУ – 10 кВ .
Величину теплового импульса вводов в РУ – 10 кВ определим по формуле (3.2.1.),
где
= 10,895 кА;
определим, используя выражение (3.2.2.),
где
= 1.0 с;
- полное время отключения выключателя; для выключателя LF-2:
= 0.07 с.
= 0.03 с;
Согласно выражению (3.2.2.) получим:
= 1.0 + 0.07 = 1.07 с;
Согласно выражению (3.2.1.) получим:
кА2
×с.
Используя выражение (3.2.1.) определим величину теплового импульса фидеров 10 кВ,
где
= 10,895 кА;
определим, используя выражение (3.2.2.),
где
= 0.5 с;
- полное время отключения выключателя; для выключателя LF-1:
= 0.07 с.
= 0.03 с;
Согласно выражению (3.2.2.) получим:
= 0.5 + 0.07 = 0.57 с;
Согласно выражению (3.2.1.) будем иметь:
кА2
×с.
Таблица 2
| U, кВ | tа, с | tпв, с | tрз, с | tотк, с | Iп, кА | |||
| вводы | 110 | 0,02 | 0,055 | 2 | 2,055 | 3,589 | 26,728 | |
| 27,5 | 0,02 | 0,065 | 1 | 1,065 | 6,174 | 41,358 | ||
| 10 | 0,03 | 0,07 | 1,0 | 1,07 | 10,895 | 130,571 | ||
| фидеры | 27,5 КС | 0,02 | 0,065 | 0,5 | 0,565 | 5,347 | 16,725 | |
| 27,5 ДПР | 0,02 | 0,065 | 0,5 | 0,565 | 6,174 | 22,299 | ||
| 10 | 0,03 | 0,07 | 0,5 | 0,57 | 10,895 | 71,221 | ||
3.3 Выбор сборных шин и токоведущих элементов. Выбор изоляторов
3.3.1 Токоведущие элементы. Изоляторы
РУ-110 кВ
Вводы ТП, перемычки:
![]()
Выбираем гибкие сталеалюминевые провода марки АС-240/32
(
, сечение – 240 мм2
).
Осуществим проверку на термическую устойчивость :
![]()
, мм2
где
- величина теплового импульса;
=26,728 кА2
× с;
С
– константа, значение которой для алюминиевых шин равно 90
.
мм2
Условие проверки выполняется
, 240 мм2
> 57.443 мм2
Осуществим, кроме того, проверку по условию коронирования :
![]()
где E 0 – максимальное значение начальной критической напряженности электрического поля, при котором возникает разряд в виде короны, кВ/см;
E – напряжённость электрического поля около поверхности нерасщепленного провода, кВ/см
![]()
где m – коэффициент, учитывающий шероховатость поверхности провода (для многопроволочных проводов m = 0.82);
r пр – радиус провода, см. Для АС-240/32 r пр = 1,08 см
кВ/см
, кВ/см
где U – номинальное линейное напряжение, кВ;
D – расстояние между проводами фаз, см;
кВ/см
кВ/см
кВ/см
![]()
![]()
Т.о. условие проверки выполняется.
Ввод высокого напряжения силового трансформатора:
![]()
Выбираем гибкие сталеалюминевые провода марки АС-70/11
(
, сечение – 70 мм2
).
Осуществим проверку на термическую устойчивость :
![]()
, мм2
мм2
Условие проверки выполняется
, 70 мм2
< 57.443 мм2
Осуществим, кроме того, проверку по условию коронирования :
![]()
![]()
кВ/см
, кВ/см
кВ/см
кВ/см
кВ/см
![]()
![]()
Т.о. условие проверки выполняется.
Изоляторы:
Для подвешивания проводов выбираем подвесные стеклянные изоляторы марки ПС-70.
Количество изоляторов в гирлянде – 9 шт.
Расстояние между проводами фаз – 300 см
РУ-27,5 кВ
Ввод среднего напряжения силового трансформатора:
![]()
Выбираем гибкие сталеалюминевые провода марки АС-400/22 (
, сечение – 400 мм2
).
Осуществим проверку на термическую устойчивость :
![]()
, мм2
=41,358 кА2
×с;
мм2
Условие проверки выполняется
, 400 мм2
> 71,456 мм2
Осуществим, кроме того, проверку по условию коронирования :
![]()
![]()
r пр – радиус провода, для АС-400/22 r пр = 2,66 см
кВ/см
, кВ/см
кВ/см
кВ/см
кВ/см
![]()
![]()
Т.о. условие проверки выполняется.
Сборные шины среднего напряжения:
![]()
Выбираем гибкие сталеалюминевые провода марки АС-240/32 (
, сечение – 240 мм2
).
Осуществим проверку на термическую устойчивость :
![]()
, мм2
=41,358 кА2
× с;
мм2
Условие проверки выполняется
, 240 мм2
> 71,456 мм2
Осуществим, кроме того, проверку по условию коронирования :
![]()
![]()
r пр – радиус провода, см. Для АС-240/32 r пр = 1,08 см
кВ/см
, кВ/см
кВ/см
кВ/см
кВ/см
![]()
![]()
Т.о. условие проверки выполняется.
Фидеры контактной сети:
![]()
Выбираем гибкие сталеалюминевые провода марки АС-185/29 (
, сечение – 185 мм2
).
Осуществим проверку на термическую устойчивость :
![]()
, мм2
=16,725 кА2
× с;
мм2
Условие проверки выполняется
, 185 мм2
> 45,44 мм2
Осуществим, кроме того, проверку по условию коронирования :
![]()
![]()
r пр – радиус провода, см. Для АС-400/22 r пр = 0,94 см
кВ/см
, кВ/см
кВ/см
кВ/см
кВ/см
![]()
![]()
Т.о. условие проверки выполняется.
Изоляторы:
Для подвешивания проводов выбираем подвесные стеклянные изоляторы марки ПС-70.
Количество изоляторов в гирлянде – 3 шт.
Расстояние между проводами фаз – 160 см
РУ-10 кВ
Ввод низкого напряжения силового трансформатора:
![]()
Выбираем жёсткие алюминиевые шины прямоугольного сечения А-120´10. Число полос на фазу – 1. (
, сечение – 1200 мм2
).
Осуществим проверку на термическую устойчивость :
![]()
, мм2
=130,571 кА2
× с;
мм2
Условие проверки выполняется
, 1200 мм2
> 57.443 мм2
Осуществим проверку на электродинамическую устойчивость :
Определим механическое напряжение, возникающее в них при к.з.:
, МПа (3.3.6.)
где l – расстояние между соседними опорными изоляторами, м ( РУ - 10 кВ: l = 1м);
а – расстояние между осями шин соседних фаз, м ( РУ - 10 кВ: а = 0.25 м );
i у – ударный ток трёхфазного короткого замыкания, кА;
W – момент сопротивления шины относительно оси, перпендикулярной действию усилия, м3 . При расположении шин на ребре:
, м3
где b и h –толщина и ширина шины, м
м3
Тогда
МПа
Шины механически устойчивы, т.к. для алюминиевого сплава АДО:
МПа
Условие проверки выполняется
2,06 МПа < 40 МПа
Сборные шины низкого напряжения:
![]()
Выбираем жёсткие алюминиевые шины прямоугольного сечения А-80´10. Число полос на фазу – 1. (
, сечение – 800 мм2
).
Осуществим проверку на термическую устойчивость :
![]()
, мм2
=130,571 кА2
с;
мм2
Условие проверки выполняется
, 240 мм2
> 57.443 мм2
Осуществим проверку на электродинамическую устойчивость :
Определим механическое напряжение, возникающее в них при к.з.:
, МПа (3.3.6.)
где l – расстояние между соседними опорными изоляторами, м ( РУ - 10 кВ: l = 1м);
а – расстояние между осями шин соседних фаз, м ( РУ - 10 кВ: а = 0.25 м );
i у – ударный ток трёхфазного короткого замыкания, кА;
W – момент сопротивления шины относительно оси, перпендикулярной действию усилия, м3 . При расположении шин на ребре:
, м3
где b и h –толщина и ширина шины, м
м3
Тогда
МПа
Шины механически устойчивы, т.к. для алюминиевого сплава АДО:
МПа
Условие проверки выполняется
4,634 МПа < 40 МПа
Фидеры районных потребителей:
![]()
Выбираем жёсткие алюминиевые шины прямоугольного сечения А-15´3. Число полос на фазу – 1. (
, сечение – 45 мм2
).
Осуществим проверку на термическую устойчивость :
![]()
, мм2
=71,221 кА2
× с;
мм2
Условие проверки не выполняется
, 45 мм2
> 93,769 мм2
Поэтому выбираем шины А-30´4.
Осуществим проверку на электродинамическую устойчивость :
Определим механическое напряжение, возникающее в них при к.з.:
, МПа (3.3.6.)
где l – расстояние между соседними опорными изоляторами, м ( РУ - 10 кВ: l = 1м);
а – расстояние между осями шин соседних фаз, м ( РУ - 10 кВ: а = 0.25 м );
i у – ударный ток трёхфазного короткого замыкания, кА;
W – момент сопротивления шины относительно оси, перпендикулярной действию усилия, м3 . При расположении шин на ребре:
, м3
где b и h –толщина и ширина шины, м
м3
Тогда
МПа
Шины механически устойчивы, т.к. для алюминиевого сплава АДЗ1Т1:
МПа
Условие проверки выполняется
82,41 МПа < 90 МПа
Изоляторы:
Жёсткие шины РУ- 10 кВ крепятся на опорных изоляторах ОНШ 10 – 5УХЛ1 ![]()
Осуществим проверку изоляторов по допускаемой нагрузке.
Проверка выполняется по условию:
(3.3.11.)
где
- сила, действующая на изолятор.
(3.3.12.)
где
, а
,l
– то же что и в формуле (3.3.6.);
- разрушающая нагрузка на изгиб изолятора. Для данного типа изоляторов
= 5 кН.
Согласно выражению (3.3.12) получим:
кН.
кН
Условие проверки выполняется:
, т.е. ![]()
В РУ – 10 кВ выбираем проходные изоляторы ИП –10 / 3150 – 3000 У
;
;
Осуществим проверку изоляторов по допускаемой нагрузке.
Проверка выполняется по условию:
![]()
где
- сила, действующая на изолятор.
(3.3.13.)
где
, а
,l
– то же что и в формуле (3.3.6.);
Согласно выражению (3.3.13) получим:
кН
.
Условие проверки выполняется:
.
3.4 Выбор коммутационных аппаратов
3.4.1 Выключатели
РУ-110 кВ
Вводы ТП, перемычки:
![]()
![]()
Выбираем выключатели ВЭБ –110 – 40/2000 УХЛ1.
Условия выбора:
1) ![]()
кВ; 110=110 - условие выполняется.
2)
2000>512 – условие выполняется.
1. Осуществим проверку на электродинамическую стойкость
Проверку на электродинамическую стойкость выполним по формуле:
, (3.4.1.)
где
- ударный ток короткого замыкания, кА.
=8.172 кА;
- амплитудное значение предельного сквозного тока, кА
= 102 кА.
Условие проверки выполняется:
.
2. Проверка на термическую стойкость
Проверку на термическую стойкость выполним по формуле:
, (3.4.2.)
где
- величина теплового импульса в РУ –110 кВ.
=26.728 кА2
×с;
, кА2
×c(3.4.3.)
где
- ток термической стойкости, кА по [4]
= 40 кА;
- время протекания тока термической стойкости, с по [4]
с.
Согласно выражению (3.4.3.) получим:
кА2
×с.
Согласно выражению (3.4.2.) получим:
Условие проверки выполняется
.
3. Проверка на отключающую способность.
а) Проверка на отключение периодической составляющей.
Проверку на отключение периодической составляющей выполним, используя выражение:
, кА (3.4.4.)
где
- периодическая составляющая тока короткого замыкания, кА;
3.589 кА;
- номинальный ток отключения выключателя, кА;
= 40 кА.
Условие проверки выполняется:
.
б) Проверка на отключающую способность апериодической составляющей.
Проверку выполним по формуле:
, кА (3.4.5.)
где
- апериодическая составляющая тока короткого замыкания, кА;
, кА (3.4.6.)
где
- время от начала короткого замыкания до расхождения контактов выключателя.
(3.4.7.)
= 0.01 с – минимальное время действия релейной защиты;
- собственное время отключения выключателя: от момента подачи импульса на электромагнит отключения привода выключателя до момента расхождения контактов, по [4]:
= 0.035 с.
Согласно выражению (3.4.7.) получим:
с.
Та =0.05 с постоянная времени апериодической составляющей тока короткого замыкания при t = 0.
Используя выражение (3.4.6.) получим:
кА;
-
номинальное нормируемое значение апериодической составляющей тока короткого замыкания.
,кА (3.4.8.)
где
- номинальное содержание апериодической составляющей;
(3.4.9.)
Согласно выражению (3.4.9.) получим:
0.368;
Используя выражение (3.4.8.) получим:
кА.
Условие проверки (3.4.5) выполняется:
.
в) Проверка на отключающую способность полного тока
Проверку выполним по формуле:
(3.4.10.)
где
- полный ток короткого замыкания, кА;
= 5,604 кА.
Условие проверки (3.4.10.) выполняется:
![]()
![]()
4. Проверка на включающую способность
Проверку на включающую способность выполним по формулам:
(3.4.11.)
где
-действующее значение номинального тока включения, кА; по [4]
=40 кА;
- действующее значение периодической составляющей тока короткого замыкания, кА;
=3.589 кА.
- ударный ток к.з. в цепи выключателя.
кА
- мгновенное значение номинального тока включения, кА; по [4]
= 102 кА
Условие проверки (3.4.11.) выполняется:

Ввод высокого напряжения силового трансформатора:
![]()
Выбираем выключатели ВЭБ –110 – 40/2000 УХЛ1.
Условия выбора:
1) ![]()
кВ; 110=110 - условие выполняется.
2)
2000>184 – условие выполняется.
Проверка для данного выключателя уже проведена.
РУ-27,5 кВ
Ввод среднего напряжения силового трансформатора:
![]()
Выбираем выключатели ВГБЭ –35 – 12,5/1000 УХЛ1.
Условия выбора:
1) ![]()
кВ; 35>27.5 - условие выполняется.
2)
1000>735 – условие выполняется.
Осуществим проверку на электродинамическую стойкость
Проверку на электродинамическую стойкость выполним по формуле:
, (3.4.1.)
=14.053 кА;
= 32 кА.
Условие проверки выполняется:
.
1. Проверка на термическую стойкость
Проверку на термическую стойкость выполним по формуле:
, (3.4.2.)
=41.358 кА2
×с;
, кА2
×c(3.4.3.)
= 12.5 кА;
б
с.
Согласно выражению (3.4.3.) получим:
кА2
×с.
Согласно выражению (3.4.2.) получим:
Условие проверки выполняется
.
2.Проверка на отключающую способность.
а) Проверка на отключение периодической составляющей.
, кА (3.4.4.)
где
- периодическая составляющая тока короткого замыкания, кА;
6.174 кА;
- номинальный ток отключения выключателя, кА;
= 12.5 кА.
Условие проверки выполняется:
.
б) Проверка на отключающую способность апериодической составляющей.
Проверку выполним по формуле:
, кА (3.4.5.)
где
- апериодическая составляющая тока короткого замыкания, кА;
, кА (3.4.6.)
где
- время от начала короткого замыкания до расхождения контактов выключателя.
(3.4.7.)
= 0.01 с – минимальное время действия релейной защиты;
- собственное время отключения выключателя: от момента подачи импульса на электромагнит отключения привода выключателя до момента расхождения контактов, по [4]:
= 0.04 с.
Согласно выражению (3.4.7.) получим:
с.
Та =0.05 с постоянная времени апериодической составляющей тока короткого замыкания при t = 0.
Используя выражение (3.4.6.) получим:
кА;
-
номинальное нормируемое значение апериодической составляющей тока короткого замыкания.
,кА (3.4.8.)
где
- номинальное содержание апериодической составляющей;
(3.4.9.)
Согласно выражению (3.4.9.) получим:
0.329;
Используя выражение (3.4.8.) получим:
кА.
Условие проверки (3.4.5) выполняется:
.
в) Проверка на отключающую способность полного тока
Проверку выполним по формуле:
(3.4.10.)
где
- полный ток короткого замыкания, кА;
= 9.448 кА.
Условие проверки (3.4.10.) выполняется:
![]()
![]()
3. Проверка на включающую способность
Проверку на включающую способность выполним по формулам:
(3.4.11.)
где
-действующее значение номинального тока включения, кА; по [4]
=12.5 кА;
- действующее значение периодической составляющей тока короткого замыкания, кА;
=6.174 кА.
- ударный ток к.з. в цепи выключателя.
кА
- мгновенное значение номинального тока включения, кА; по
= 32 кА
Условие проверки (3.4.11.) выполняется:

Фидеры контактной сети:
![]()
Выбираем выключатели ВГБЭ –35 – 12,5/600 УХЛ1.
Условия выбора:
1) ![]()
кВ; 35>27.5 - условие выполняется.
2)
600>500 – условие выполняется.
Осуществим проверку на электродинамическую стойкость
Проверку на электродинамическую стойкость выполним по формуле:
, (3.4.1.)
где
- ударный ток короткого замыкания, кА.
=12.17 кА;
- амплитудное значение предельного сквозного тока, кА
= 32 кА.
Условие проверки выполняется:
.
1.Проверка на термическую стойкость
Проверку на термическую стойкость выполним по формуле:
, (3.4.2.)
где
- величина теплового импульса в РУ –27.5 кВ.
=16.725 кА2
×с;
, кА2
×c(3.4.3.)
где
- ток термической стойкости, кА
= 12.5 кА;
- время протекания тока термической стойкости, с
с.
Согласно выражению (3.4.3.) получим:
кА2
×с.
Согласно выражению (3.4.2.) получим:
Условие проверки выполняется
.
2.Проверка на отключающую способность.
а) Проверка на отключение периодической составляющей.
Проверку на отключение периодической составляющей выполним, используя выражение:
, кА (3.4.4.)
где
- периодическая составляющая тока короткого замыкания, кА;
5.347 кА;
- номинальный ток отключения выключателя, кА;
= 12.5 кА.
Условие проверки выполняется:
.
б) Проверка на отключающую способность апериодической составляющей.
Проверку выполним по формуле:
, кА (3.4.5.)
где
- апериодическая составляющая тока короткого замыкания, кА;
, кА (3.4.6.)
где
- время от начала короткого замыкания до расхождения контактов выключателя.
(3.4.7.)
= 0.01 с – минимальное время действия релейной защиты;
- собственное время отключения выключателя: от момента подачи импульса на электромагнит отключения привода выключателя до момента расхождения контактов:
= 0.04 с.
Согласно выражению (3.4.7.) получим:
с.
Та =0.05 с постоянная времени апериодической составляющей тока короткого замыкания при t = 0.
Используя выражение (3.4.6.) получим:
кА;
-
номинальное нормируемое значение апериодической составляющей тока короткого замыкания.
,кА (3.4.8.)
где
- номинальное содержание апериодической составляющей;
(3.4.9.)
Согласно выражению (3.4.9.) получим:
0.329;
Используя выражение (3.4.8.) получим:
кА.
Условие проверки (3.4.5) выполняется:
.
в) Проверка на отключающую способность полного тока
Проверку выполним по формуле:
(3.4.10.)
где
- полный ток короткого замыкания, кА;
= 8.182 кА.
Условие проверки (3.4.10.) выполняется:
![]()
![]()
3.Проверка на включающую способность
Проверку на включающую способность выполним по формулам:
(3.4.11.)
где
-действующее значение номинального тока включения, кА; по [4]
=12.5 кА;
- действующее значение периодической составляющей тока короткого замыкания, кА;
=5.347 кА.
- ударный ток к.з. в цепи выключателя.
кА
- мгновенное значение номинального тока включения, кА; по
= 32 кА
Условие проверки (3.4.11.) выполняется:

Фидеры ДПР:
![]()
Выбираем выключатели ВГБЭ –35 – 12,5/600 УХЛ1.
Условия выбора:
1) ![]()
кВ; 35>27.5 - условие выполняется.
2)
600>526 – условие выполняется.
Осуществим проверку на электродинамическую стойкость
Проверку на электродинамическую стойкость выполним по формуле:
, (3.4.1.)
где
- ударный ток короткого замыкания, кА.
=14.053 кА;
- амплитудное значение предельного сквозного тока, кА
= 32 кА.
Условие проверки выполняется:
.
1.Проверка на термическую стойкость
Проверку на термическую стойкость выполним по формуле:
, (3.4.2.)
где
- величина теплового импульса в РУ –27.5 кВ.
=22,299 кА2
×с;
, кА2
×c(3.4.3.)
где
- ток термической стойкости, кА по [4]
= 12.5 кА;
- время протекания тока термической стойкости, с по [4]
с.
Согласно выражению (3.4.3.) получим:
кА2
×с.
Согласно выражению (3.4.2.) получим:
Условие проверки выполняется
.
2. Проверка на отключающую способность.
а) Проверка на отключение периодической составляющей.
Проверку на отключение периодической составляющей выполним, используя выражение:
, кА (3.4.4.)
где
- периодическая составляющая тока короткого замыкания, кА;
6.174 кА;
- номинальный ток отключения выключателя, кА;
= 12.5 кА.
Условие проверки выполняется:
.
б) Проверка на отключающую способность апериодической составляющей.
Проверку выполним по формуле:
, кА (3.4.5.)
где
- апериодическая составляющая тока короткого замыкания, кА;
, кА (3.4.6.)
где
- время от начала короткого замыкания до расхождения контактов выключателя.
(3.4.7.)
= 0.01 с – минимальное время действия релейной защиты;
- собственное время отключения выключателя: от момента подачи импульса на электромагнит отключения привода выключателя до момента расхождения контактов:
= 0.04 с.
Согласно выражению (3.4.7.) получим:
с.
Та =0.05 с постоянная времени апериодической составляющей тока короткого замыкания при t = 0.
Используя выражение (3.4.6.) получим:
кА;
-
номинальное нормируемое значение апериодической составляющей тока короткого замыкания.
,кА (3.4.8.)
где
- номинальное содержание апериодической составляющей;
(3.4.9.)
Согласно выражению (3.4.9.) получим:
0.329;
Используя выражение (3.4.8.) получим:
кА.
Условие проверки (3.4.5) выполняется:
.
в) Проверка на отключающую способность полного тока
Проверку выполним по формуле:
(3.4.10.)
где
- полный ток короткого замыкания, кА;
= 9.448 кА.
Условие проверки (3.4.10.) выполняется:
![]()
![]()
3.Проверка на включающую способность
Проверку на включающую способность выполним по формулам:
(3.4.11.)
где
-действующее значение номинального тока включения, кА; по [4]
=12.5 кА;
- действующее значение периодической составляющей тока короткого замыкания, кА;
=6.174 кА.
- ударный ток к.з. в цепи выключателя.
кА
- мгновенное значение номинального тока включения, кА; по
= 32 кА
Условие проверки (3.4.11.) выполняется:

РУ-10 кВ
Ввод низкого напряжения силового трансформатора:
![]()
Выбираем выключатели ВГП –10 – 40/3200 УХЛ1.
Условия выбора:
1) ![]()
кВ; 10=10 - условие выполняется.
2)
3200>2023,1 – условие выполняется.
Осуществим проверку на электродинамическую стойкость
Проверку на электродинамическую стойкость выполним по формуле:
, (3.4.1.)
где
- ударный ток короткого замыкания, кА.
=26,502 кА;
- амплитудное значение предельного сквозного тока, кА
= 128 кА.
Условие проверки выполняется:
.
1.Проверка на термическую стойкость
Проверку на термическую стойкость выполним по формуле:
, (3.4.2.)
где
- величина теплового импульса в РУ –27.5 кВ.
=130,571 кА2
×с;
, кА2
×c(3.4.3.)
где
- ток термической стойкости, кА
= 40 кА;
- время протекания тока термической стойкости, с
с.
Согласно выражению (3.4.3.) получим:
кА2
×с.
Согласно выражению (3.4.2.) получим:
Условие проверки выполняется
.
2.Проверка на отключающую способность.
а) Проверка на отключение периодической составляющей.
Проверку на отключение периодической составляющей выполним, используя выражение:
, кА (3.4.4.)
где
- периодическая составляющая тока короткого замыкания, кА;
10,895 кА;
- номинальный ток отключения выключателя, кА;
= 40 кА.
Условие проверки выполняется:
.
б) Проверка на отключающую способность апериодической составляющей.
Проверку выполним по формуле:
, кА (3.4.5.)
где
- апериодическая составляющая тока короткого замыкания, кА;
, кА (3.4.6.)
где
- время от начала короткого замыкания до расхождения контактов выключателя.
(3.4.7.)
= 0.01 с – минимальное время действия релейной защиты;
- собственное время отключения выключателя: от момента подачи импульса на электромагнит отключения привода выключателя до момента расхождения контактов:
= 0.035 с.
Согласно выражению (3.4.7.) получим:
с.
Та =0.05 с постоянная времени апериодической составляющей тока короткого замыкания при t = 0.
Используя выражение (3.4.6.) получим:
кА;
-
номинальное нормируемое значение апериодической составляющей тока короткого замыкания.
,кА (3.4.8.)
где
- номинальное содержание апериодической составляющей;
(3.4.9.)
Согласно выражению (3.4.9.) получим:
0.368;
Используя выражение (3.4.8.) получим:
кА.
Условие проверки (3.4.5) выполняется:
.
в) Проверка на отключающую способность полного тока
Проверку выполним по формуле:
(3.4.10.)
где
- полный ток короткого замыкания, кА;
= 17,637 кА.
Условие проверки (3.4.10.) выполняется:
![]()
![]()
3.Проверка на включающую способность
Проверку на включающую способность выполним по формулам:
(3.4.11.)
где
-действующее значение номинального тока включения, кА; по [4]
=40 кА;
- действующее значение периодической составляющей тока короткого замыкания, кА;
=10,895 кА.
- ударный ток к.з. в цепи выключателя.
кА
- мгновенное значение номинального тока включения, кА; по
= 128 кА
Условие проверки (3.4.11.) выполняется:
![]()
Сборные шины низкого напряжения:
![]()
Выбираем выключатель LF-2.
Условия выбора:
1) ![]()
кВ; 10=10 - условие выполняется.
2)
2000>1445 – условие выполняется.
Осуществим проверку на электродинамическую стойкость
Проверку на электродинамическую стойкость выполним по формуле:
, (3.4.1.)
где
- ударный ток короткого замыкания, кА.
=26,502 кА;
- амплитудное значение предельного сквозного тока, кА
= 81 кА.
Условие проверки выполняется:
.
1. Проверка на термическую стойкость.
Проверку на термическую стойкость выполним по формуле:
, (3.4.2.)
где
- величина теплового импульса в РУ –10 кВ.
=130,571 кА2
×с;
, кА2
×c(3.4.3.)
где
- ток термической стойкости, кА
= 31.5 кА;
- время протекания тока термической стойкости, с
с.
Согласно выражению (3.4.3.) получим:
кА2
×с.
Согласно выражению (3.4.2.) получим:
Условие проверки выполняется
.
2.Проверка на отключающую способность.
а) Проверка на отключение периодической составляющей.
Проверку на отключение периодической составляющей выполним, используя выражение:
, кА (3.4.4.)
где
- периодическая составляющая тока короткого замыкания, кА;
10,895 кА;
- номинальный ток отключения выключателя, кА;
= 31.5 кА.
Условие проверки выполняется:
.
б) Проверка на отключающую способность апериодической составляющей.
Проверку выполним по формуле:
, кА (3.4.5.)
где
- апериодическая составляющая тока короткого замыкания, кА;
, кА (3.4.6.)
где
- время от начала короткого замыкания до расхождения контактов выключателя.
(3.4.7.)
= 0.01 с – минимальное время действия релейной защиты;
- собственное время отключения выключателя: от момента подачи импульса на электромагнит отключения привода выключателя до момента расхождения контактов:
= 0.048 с.
Согласно выражению (3.4.7.) получим:
с.
Та =0.05 с постоянная времени апериодической составляющей тока короткого замыкания при t = 0.
Используя выражение (3.4.6.) получим:
кА;
-
номинальное нормируемое значение апериодической составляющей тока короткого замыкания.
,кА (3.4.8.)
где
- номинальное содержание апериодической составляющей;
(3.4.9.)
Согласно выражению (3.4.9.) получим:
0.276;
Используя выражение (3.4.8.) получим:
кА.
Условие проверки (3.4.5) выполняется:
.
в) Проверка на отключающую способность полного тока
Проверку выполним по формуле:
(3.4.10.)
где
- полный ток короткого замыкания, кА;
= 17,637 кА.
Условие проверки (3.4.10.) выполняется:
![]()
![]()
3.Проверка на включающую способность
Проверку на включающую способность выполним по формулам:
(3.4.11.)
где
-действующее значение номинального тока включения, кА; по [4]
=31.5 кА;
- действующее значение периодической составляющей тока короткого замыкания, кА;
=10,895 кА.
- ударный ток к.з. в цепи выключателя.
кА
- мгновенное значение номинального тока включения, кА; по
= 81 кА
Условие проверки (3.4.11.) выполняется:

Фидеры районных потребителей :
![]()
Выбираем выключатель LF-1.
Условия выбора:
1) ![]()
кВ; 10=10 - условие выполняется.
2)
630>57 – условие выполняется.
Осуществим проверку на электродинамическую стойкость
Проверку на электродинамическую стойкость выполним по формуле:
, (3.4.1.)
где
- ударный ток короткого замыкания, кА.
=26,502 кА;
- амплитудное значение предельного сквозного тока, кА
= 64 кА.
Условие проверки выполняется:
.
1.Проверка на термическую стойкость
Проверку на термическую стойкость выполним по формуле:
, (3.4.2.)
где
- величина теплового импульса в РУ –10 кВ.
=71.221 кА2
×с;
, кА2
×c(3.4.3.)
где
- ток термической стойкости, кА
= 25 кА;
- время протекания тока термической стойкости, с
с.
Согласно выражению (3.4.3.) получим:
кА2
×с.
Согласно выражению (3.4.2.) получим:
Условие проверки выполняется
.
2.Проверка на отключающую способность.
а) Проверка на отключение периодической составляющей.
Проверку на отключение периодической составляющей выполним, используя выражение:
, кА (3.4.4.)
где
- периодическая составляющая тока короткого замыкания, кА;
10,895 кА;
- номинальный ток отключения выключателя, кА;
= 25 кА.
Условие проверки выполняется:
.
б) Проверка на отключающую способность апериодической составляющей.
Проверку выполним по формуле:
, кА (3.4.5.)
где
- апериодическая составляющая тока короткого замыкания, кА;
, кА (3.4.6.)
где
- время от начала короткого замыкания до расхождения контактов выключателя.
(3.4.7.)
= 0.01 с – минимальное время действия релейной защиты;
- собственное время отключения выключателя: от момента подачи импульса на электромагнит отключения привода выключателя до момента расхождения контактов:
= 0.048 с.
Согласно выражению (3.4.7.) получим:
с.
Та =0.05 с постоянная времени апериодической составляющей тока короткого замыкания при t = 0.
Используя выражение (3.4.6.) получим:
кА;
-
номинальное нормируемое значение апериодической составляющей тока короткого замыкания.
,кА (3.4.8.)
где
- номинальное содержание апериодической составляющей;
(3.4.9.)
Согласно выражению (3.4.9.) получим:
0.276;
Используя выражение (3.4.8.) получим:
кА.
Условие проверки (3.4.5) выполняется:
.
в) Проверка на отключающую способность полного тока
Проверку выполним по формуле:
(3.4.10.)
где
- полный ток короткого замыкания, кА;
= 17,637 кА.
Условие проверки (3.4.10.) выполняется:
![]()
![]()
3.Проверка на включающую способность
Проверку на включающую способность выполним по формулам:
(3.4.11.)
где
-действующее значение номинального тока включения, кА; по [4]
=25 кА;
- действующее значение периодической составляющей тока короткого замыкания, кА;
=10,895 кА.
- ударный ток к.з. в цепи выключателя.
кА
- мгновенное значение номинального тока включения, кА; по
= 64 кА
Условие проверки (3.4.11.) выполняется:

3.4.2 Разъединители
РУ-110 кВ
Вводы ТП, перемычки:
![]()
![]()
Выбираем разъединители РГП-110.
Условия выбора:
1) ![]()
кВ; 110>110 - условие выполняется.
2)
1000>512 – условие выполняется.
1. Проверка на электродинамическую стойкость
Проверку на электродинамическую стойкость выполним по формуле
![]()
где
- ударный ток короткого замыкания, кА.
=8,172 кА;
- предельный сквозной ток, кА [4]
= 80 кА.
Условие проверки выполняется:
.
2. Проверка на термическую стойкость
Проверку на термическую стойкость выполним по формуле (3.4.2.)
где
- величина теплового импульса в РУ –110 кВ.
=26.728 кА2
×с;
Согласно выражению (3.4.3.) получим:
кА2
×с.
где
- ток термической стойкости, кА
= 31,5 кА;
- время протекания тока термической стойкости, с по [4]
с.
Согласно выражению (3.4.2.) получим:
Условие проверки выполняется
.
Ввод высокого напряжения силового трансформатора:
![]()
Выбираем разъединители РГП-110.
Условия выбора:
1) ![]()
кВ; 110>110 - условие выполняется.
2)
1000>184 – условие выполняется.
Проверка на электродинамическую стойкость
Проверку на электродинамическую стойкость выполним по формуле
![]()
где
- ударный ток короткого замыкания, кА.
=8,172 кА;
- предельный сквозной ток, кА [4]
= 80 кА.
Условие проверки выполняется:
.
Проверка на термическую стойкость
Проверку на термическую стойкость выполним по формуле (3.4.2.)
где
- величина теплового импульса в РУ –110 кВ.
=26.728 кА2
×с;
Согласно выражению (3.4.3.) получим:
кА2
×с.
где
- ток термической стойкости, кА
= 31,5 кА;
- время протекания тока термической стойкости, с по [4]
с.
Согласно выражению (3.4.2.) получим:
Условие проверки выполняется
.
РУ-27,5 кВ
Ввод среднего напряжения силового трансформатора:
![]()
Выбираем разъединители РГП-35.
Условия выбора:
1) ![]()
кВ; 35>27,5 - условие выполняется.
2)
1000>735 – условие выполняется.
1.Проверка на электродинамическую стойкость
Проверку на электродинамическую стойкость выполним по формуле
![]()
где
- ударный ток короткого замыкания, кА.
=14,053 кА;
- предельный сквозной ток, кА [4]
= 40 кА.
Условие проверки выполняется:
.
2.Проверка на термическую стойкость
Проверку на термическую стойкость выполним по формуле (3.4.2.)
где
- величина теплового импульса в РУ –27,5 кВ.
=41,358 кА2
×с;
Согласно выражению (3.4.3.) получим:
кА2
×с.
где
- ток термической стойкости, кА
= 16 кА;
- время протекания тока термической стойкости, с по [4]
с.
Согласно выражению (3.4.2.) получим:
Условие проверки выполняется
.
Сборные шины среднего напряжения:
![]()
Выбираем разъединители РГП-35.
Условия выбора:
1). ![]()
кВ; 35>27,5 - условие выполняется.
2).
1000>526 – условие выполняется.
1.Проверка на электродинамическую стойкость
Проверку на электродинамическую стойкость выполним по формуле
![]()
где
- ударный ток короткого замыкания, кА.
=14,053 кА;
- предельный сквозной ток, кА [4]
= 40 кА.
Условие проверки выполняется:
.
2.Проверка на термическую стойкость
Проверку на термическую стойкость выполним по формуле (3.4.2.)
где
- величина теплового импульса в РУ –27,5 кВ.
=41,358 кА2
×с;
Согласно выражению (3.4.3.) получим:
кА2
×с.
где
- ток термической стойкости, кА
= 16 кА;
- время протекания тока термической стойкости, с по [4]
с.
Согласно выражению (3.4.2.) получим:
Условие проверки выполняется
.
Фидеры контактной сети:
![]()
Выбираем разъединители РГП-35.
Условия выбора:
1) ![]()
кВ; 35>27,5 - условие выполняется.
2)
1000>500 – условие выполняется.
1.Проверка на электродинамическую стойкость
Проверку на электродинамическую стойкость выполним по формуле
![]()
где
- ударный ток короткого замыкания, кА.
=12,17 кА;
- предельный сквозной ток, кА [4]
= 40 кА.
Условие проверки выполняется:
.
2.Проверка на термическую стойкость
Проверку на термическую стойкость выполним по формуле (3.4.2.)
где
- величина теплового импульса в РУ –27,5 кВ.
=16,725 кА2
×с;
Согласно выражению (3.4.3.) получим:
кА2
×с.
где
- ток термической стойкости, кА
= 16 кА;
- время протекания тока термической стойкости, с по [4]
с.
Согласно выражению (3.4.2.) получим:
Условие проверки выполняется
.
Фидеры ДПР:
![]()
Выбираем разъединители РГП-35.
Условия выбора:
1) ![]()
кВ; 35>27,5 - условие выполняется.
2)
1000>526 – условие выполняется.
1.Проверка на электродинамическую стойкость
Проверку на электродинамическую стойкость выполним по формуле
![]()
где
- ударный ток короткого замыкания, кА.
=14,053 кА;
- предельный сквозной ток, кА [4]
= 40 кА.
Условие проверки выполняется:
.
2.Проверка на термическую стойкость
Проверку на термическую стойкость выполним по формуле (3.4.2.)
где
- величина теплового импульса в РУ –27,5 кВ.
=22,299 кА2
×с;
Согласно выражению (3.4.3.) получим:
кА2
×с.
где
- ток термической стойкости, кА
= 16 кА;
- время протекания тока термической стойкости, с по [4]
с.
Согласно выражению (3.4.2.) получим:
Условие проверки выполняется
.
РУ-10 кВ
Ввод низкого напряжения силового трансформатора:
![]()
Выбираем разъединители RUHRTAL.
Условия выбора:
1) ![]()
кВ; 36>10 - условие выполняется.
2)
4000>2023.1 – условие выполняется.
1.Проверка на электродинамическую стойкость
Проверку на электродинамическую стойкость выполним по формуле
![]()
где
- ударный ток короткого замыкания, кА.
=26.502 кА;
- предельный сквозной ток, кА [4]
= 100 кА.
Условие проверки выполняется:
.
2.Проверка на термическую стойкость
Проверку на термическую стойкость выполним по формуле (3.4.2.)
где
- величина теплового импульса в РУ –27,5 кВ.
=72.221 кА2
×с;
Согласно выражению (3.4.3.) получим:
кА2
×с.
где
- ток термической стойкости, кА
= 31.5 кА;
- время протекания тока термической стойкости, с по [4]
с.
Согласно выражению (3.4.2.) получим:
Условие проверки выполняется
.
3.4.3 Предохранители
Предохранители на напряжение свыше 1000 В используют для защиты трансформаторов напряжения в РУ – 6; 10 кВ, при этом применяют предохранители типа ПКН, ПК и ПКТ (трубчатые с кварцевым заполнителем).
Предохранители выбирают по номинальному току:
![]()
80 > 56,358 А
Проверяют по номинальному току отключения:
![]()
10,9 < 31,5 кА
Выбираем трубчатый предохранитель с кварцевым заполнителем, для ТН типа: ПКТ 101 – 10 –2-31,5 У3.
3.5 Выбор измерительных трансформаторов
3.5.1 Выбор объема измерений
Контрольно-измерительные приборы устанавливаются для контроля за электрическими параметрами в схеме подстанции и расчётов за электроэнергию, потребляемую и отпускаемую тяговой подстанцией.
1. Измерение тока выполняется на вводах силовых трансформаторов со стороны всех ступеней напряжения: на всех питающих и отходящих линиях, фидерах контактной сети, ТСН (с низкой стороны).
2. Измерение напряжения осуществляется на шинах всех РУ.
3. Учет активной и реактивной энергии с помощью счётчиков выполняется на вводах низшего напряжения понизительных, тяговых трансформаторов; фидерах потребителей, ТСН (счётчик активной энергии – устанавливается с низкой стороны).
3.5.2 Разработка схем измерений
Схемы измерений необходимы для определения расчетных длин проводов, зависящих от схемы подключения.
3.5.3 Выбор трансформаторов тока
Трансформаторы тока выбирают:
1. по номинальному напряжению установки:
![]()
2. по номинальному току:
3. ![]()
4. по роду установки
5. по классу точности
Выбранные трансформаторы тока проверяется:
1. На электродинамическую стойкость:
![]()
где:
- ударный ток короткого замыкания;
= предельный сквозной ток короткого замыкания;
2. Проверка на термическую стойкость:
![]()
где:
- тепловой импульс, кА2
с;
![]()
где:
ток термической стойкости, кА;
- время протекания тока термической стойкости, с.
3. Проверка на соответствие классу точности для номинальной нагрузки:
![]()
где:
- вторичная нагрузка наиболее нагруженной фазы ТТ, Ом;
- номинальная допустимая нагрузка проверяемой обмотки ТТ в выбранном классе точности, Ом.
Так как индуктивное сопротивление токовых цепей невелико, то:
![]()
![]()
где:
- сопротивление токовых обмоток измерительных приборов и реле, Ом;
- сопротивление контактов: 0,05 Ом – при двух и трёх приборах и 0,1 – при большом числе приборов;
- сопротивление соединительных проводов, Ом.
![]()
где:
-удельное сопротивление материала провода (с медными жилами – 1.75´10-8
Ом×м; с алюминиевыми жилами – 2,83´10-8
Ом×м);
qпр - сечение проводов, которое не должно быть меньше 4 ´10-6 м2 для алюминия и 2,5 ´10-6 м2 для меди, но не более 10 ´10-6 м2 ;
- расчётная длина соединительных проводов
Встроенные ТТ на электродинамическую и термическую стойкости не проверяем.
Рабочая перемычка транзитной тяговой подстанции 110 кВ :
Тип ТТ: ТВ – 110 – II-600/5
1. по номинальному напряжению установки:
![]()
110 = 100 кВ
2. по номинальному току:
![]()
600 > 512 А
3. на соответствие классу точности для номинальной нагрузки:
![]()
Класс точности: 0,5 ![]()
Амперметр Э8021:
В×А.
Счётчик активной энергии СА3У-И670:
В×А.
Счётчик реактивной энергии СР4-И673:
В×А.
Ом
=1.5+2.5+2.5=6.5 В×А.
![]()
![]()
![]()
![]()
1 > 0.83 Ом
Обмотка среднего напряжения тягового трансформатора 1 ´ 27,5 кВ:
Тип ТТ: ТВ – 35 – 750/5
1. по номинальному напряжению установки:
![]()
35 > 27,5 кВ
2. по номинальному току:
![]()
750 > 736 А
3. на соответствие классу точности для номинальной нагрузки:
![]()
Класс точности: 0,5 ![]()
Амперметр Э377: ![]()
Счётчик активной энергии СА3У-И670: ![]()
Счётчик реактивной энергии СР4-И673: ![]()
![]()
![]()
![]()
![]()
![]()
1,2 > 1,0 Ом
Сборные шины среднего напряжения 1 ´ 27,5 кВ.
Тип ТТ: ТВ – 35 – 600/5
1. по номинальному напряжению установки:
![]()
35 > 27,5 кВ
2. по номинальному току:
![]()
600 > 526 А
3. на соответствие классу точности для номинальной нагрузки:
![]()
Класс точности: 0,5 ![]()
Амперметр Э377: ![]()
![]()
![]()
![]()
![]()
![]()
1,2 > 0,80 Ом
Фидеры контактной сети 1 ´ 27,5 кВ.
Тип ТТ: ТВ – 35 – 600/5
1. по номинальному напряжению установки:
![]()
35 > 27,5 кВ
2. по номинальному току:
![]()
400 = 400 А
3. на соответствие классу точности для номинальной нагрузки:
![]()
Класс точности: 0,5 ![]()
Амперметр Э377: ![]()
![]()
![]()
![]()
![]()
![]()
1,2 > 0,8 Ом
Фидеры районного потребителя 10 кВ :
Тип ТТ: ТЛК – 10 – 75/5
1. по номинальному напряжению установки:
![]()
10 = 10 кВ
2. по номинальному току:
![]()
75 >57 А
3. на электродинамическую стойкость:
![]()
26,502 < 52 кА
4. проверка на термическую стойкость:
![]()
![]()
![]()
71,221 < 400 кА2 с
5. на соответствие классу точности для номинальной нагрузки:
![]()
Класс точности: 0,5 ![]()
Амперметр Э8021: ![]()
Счётчик активной энергии СА3У-И670: ![]()
Счётчик реактивной энергии СР4-И673: ![]()
![]()
![]()
![]()
![]()
![]()
0,4 > 0,35 Ом
Сборные шины 10 кВ :
Тип ТТ: ТЛМ – 10 – 1500/5
1. по номинальному напряжению установки:
![]()
10 = 10 кВ
2. по номинальному току:
![]()
1500 > 1445 А
3. на электродинамическую стойкость:
![]()
26,502 < 100 кА
4. проверка на термическую стойкость:
![]()
![]()
![]()
130,571 < 2028 кА2 с
5. на соответствие классу точности для номинальной нагрузки:
![]()
Класс точности: 0,5 ![]()
Амперметр Э8021: ![]()
Счётчик активной энергии СА3У-И670: ![]()
Счётчик реактивной энергии СР4-И673: ![]()
![]()
![]()
![]()
![]()
![]()
0,4 > 0,35 Ом
3.5.4 Выбор трансформаторов напряжения
Трансформаторы напряжения выбираются:
1. по номинальному напряжению установки:
![]()
2. по конструкции и схеме соединения обмоток;
3. по классу точности;
4. по нагрузке вторичных цепей:
![]()
где: S 2ном – номинальная мощность ТН в выбранном классе точности, ВА;
S 2 – суммарная мощность, потребляемая подключенными к ТН приборами, ВА.
![]()
где: S приб – мощность потребляемая всеми катушками одного прибора;
- коэффициент мощности прибора.
Выбор ТН в РУ – 110 кВ
Таблица 3
| Прибор | Тип прибора | Nкат | Nпр | Sн | Cos j пр | Sin j п | Pпр, Вт | Qпр, ВАр |
| Вольтметр | Э378 | 1 | 1 | 2 | 1 | 0 | 2.0 | - |
| Реле направления мощности | РБМ-171 | 1 | 1 | 35 | 1 | 0 | 35 | - |
| Счётчик активной энергии | СА3У-И670 | 2 | 1 | 4 | 0.38 | 0.93 | 3.04 | 7.44 |
| Счётчик реактивной энергии | СР4-И673 | 3 | 1 | 7.5 | 0.38 | 0.93 | 8.55 | 20.93 |
| Реле напряжения | РН - 54 | 1 | 3 | 1.0 | 1 | 0 | 3.0 | - |
| ИТОГО: | S51.6 | S28.4 | ||||||
![]()
Тип ТН: 3´ЗНОГ – 110 82У3
![]()
450 > 59 ВА
110 = 110 кВ
Выбор ТН в РУ – 27.5 кВ
Таблица 4
| Прибор | Тип прибора | Nкат | Nпр | Sн | Cos j пр | Sin j п | Pпр, Вт | Qпр, ВАр |
| Вольтметр | Э378 | 1 | 1 | 2 | 1 | 0 | 2.0 | - |
| Счётчик активной энергии | СА3У-И672 | 2 | 6 | 4 | 0.38 | 0.93 | 18,24 | 44,64 |
| Счётчик реактивной энергии | СР4-И673 | 3 | 4 | 7,5 | 0.38 | 0.93 | 34,2 | 83,7 |
| Электронная защита фидера | УЭЗФМ | 1 | 4 | 4 | 1 | 0 | 16 | - |
| Определитель места повреждения | ОМП | 1 | 2 | 1 | 1 | 0 | 2 | - |
| Реле напряжения | РН - 54 | 1 | 3 | 1 | 1 | 0 | 3 | - |
| ИТОГО: | S75,44 | S128,3 | ||||||
![]()
Тип ТН: 2´ЗНОЛ – 35
![]()
300 > 148,84 ВА
35 > 27,5 кВ
Выбор ТН в РУ – 10 кВ
Таблица 5
| Прибор | Тип прибора | Nкат | Nпр | Sн | Cosj пр | Sinj п | Pпр, Вт | Qпр, ВАр |
| Вольтметр | Э378 | 1 | 1 | 2 | 1 | 0 | 2.0 | - |
| Счётчик активной энергии | СА3У | 2 | 10 | 4 | 0.38 | 0.93 | 30,4 | 74,4 |
| Счётчик реактивной энергии | СР4-И673 | 3 | 10 | 7.5 | 0.38 | 0.93 | 85,5 | 209,3 |
| Реле напряжения | РН - 54 | 1 | 3 | 1.0 | 1 | 0 | 3.0 | - |
| ИТОГО: | S120,9 | S283,7 | ||||||
![]()
Тип ТН: 6´НОЛ – 10 (2´3´ НОЛ – 10)
![]()
450 > 308,8 ВА
10 = 10 кВ
Так как мощность нагрузки вторичной цепи осталась большой, то принимаем две группы по три однофазных ТН.
Всего три комплекта однофазных ТН (два в работе и один в резерве).
3.6 Выбор ограничителей перенапряжения
Для защиты изоляции токоведущих частей, аппаратуры и оборудования от коммутационных и атмосферных перенапряжений.
ОПН выбирают по условию:
![]()
ОРУ -110 кВ: ОПН – У/TEL – 110-УХЛ 1
110 = 110 кВ
ОРУ - 27.5 кВ: ОПН – У/TEL – 27,5-УХЛ 1
27,5 = 27,5 кВ
РУ-10 кВ: ОПН – PC/TEL – 10
10 = 10 кВ
3.7 Выбор аккумуляторной батареи и зарядно-подзарядного агрегата
Число элементов АБ, работающей в режиме постоянного подзаряда, определим по формуле:
, (3.7.1.)
где
- напряжение на шинах АБ, равное 258 В.
- напряжение подзаряда, равное 2.15 В.
Согласно выражения (3.7.1.) получим:
.
Номер аккумуляторной батареи определим, исходя из расчётной ёмкости
и наибольшего тока при разряде:
, А×ч (3.7.2.)
где
- расчётный ток длительного разряда;
- ток, потребляемый постоянно включенными потребителями;
- ток, потребляемый потребителями, подключенными к АБ в аварийном режиме;
- время аварийного режима, равное 2 ч.
А;
где
- мощность цепей управления, защиты и сигнализации;
=2.5 кВт.
В.
А;
где
- мощность аварийного освещения;
=2,2 кВт
Согласно выражению (3.7.2.) получим:
А×ч.
Номер АБ по условиям длительного режима:
,
где
- ёмкость двухчасового разряда аккумулятора СК – 1, равная 22 А×ч.
Наибольший ток при кратковременном режиме разряда АБ:
=21,364+40 = 61,364 А
где
-ток, потребляемый наиболее мощным приводом при включении выключателя; для ВГБЭ – 35
= 40 А.
Номер АБ по условиям кратковременного режима:
![]()
Выбираем аккумуляторы СК – 3.
Наибольший ток подзарядного агрегата
, А (3.7.3.)
А.
Согласно выражению (3.7.3.) получим:
А.
Мощность зарядного агрегата:
(3.7.4.)
где
В;
где
- число элементов АБ.
А.
Используя выражение (3.7.4.) получим:
Вт.
Мощность подзарядного преобразователя
![]()
Вт.
Выбираем зардно-подзарядный преобразователь типа ВАЗП – 380/260 – 40/80.
![]()
Sн = 20,8 кВт
Sн > Sзар
20,8 > 3,03264 кВт
Iн = 80 А
Iн > Iзар
80 > 21,864 А
Глава 4. План тяговой подстанции
4.1 Разработка плана тяговой подстанции
План тяговой подстанции (транзитной переменного тока) системы электроснабжения 1х27,5 кВ разрабатываем в соответствии с рекомендациями в [4].
Открытую часть подстанции монтируем на конструкциях, распластанного типа с соблюдением всех стандартов на минимальные расстояния между токоведущими частями элементами и землей.
4.2 Расчет площади открытой части тяговой подстанции
Площадь подстанции равна 10185 м2 .
Площадь контура заземления равна 9393 м2 .
Глава 5. Расчет заземляющего устройства
Расчёт заземляющего устройства в курсовом проекте выполняем графо-аналитическим методом, основанный на применении теории подобия, которая предусматривает:
1. Замену реального грунта с изменяющимся по глубине удельным сопротивлением эквивалентной двухслойной структурой с сопротивлением верхнего слоя r1 , толщиной h и сопротивлением нижнего слоя земли r2 , значение которых определяется методом вертикального электрического зондирования.
2. Замену реального сложного заземляющего контура, состоящего из системы вертикальных электродов, объединённых уравнительной сеткой с шагом 4 – 20 м, и любой конфигурации – эквивалентной квадратной расчётной моделью с одинаковыми ячейками, однослойной структуры земли (r3 ) при сохранении их площадей (S), общей длины вертикальных (LВ ), горизонтальных (Lр ) электродов, глубины их залегания (hг ), значения сопротивления растекания (Rэ ) и напряжения прикосновения (Uпр ).
Предварительно определяем следующие величины:
1) длина горизонтальных заземлителей
![]()
![]()
2) число вертикальных электродов
![]()
![]()
3) длина вертикального электрода
![]()
где: h – толщина верхнего слоя земли;
S – площадь контура заземления.
![]()
4) общая длина вертикальных электродов
![]()
![]()
5) расстояние между вертикальными электродами
![]()
![]()
6) глубину заложения горизонтальных электродов
примем равной 0,8 м
Площадь заземляющего контура S принимается по плану открытой части тяговой подстанции, сохраняя при этом расстояние от границы контура до ограждения не менее 2 м.
Сопротивление заземляющего контура:
![]()
где:
- эквивалентное сопротивление грунта, Ом×м

А
= (0.444 – 0.84×
, при ![]()
А
= (0.355 – 0.25×
, при ![]()
, при ![]()
, при ![]()
![]()
![]()
![]()
![]()
А
= (0.444 – 0.84×
3
![]()
Окончательным критерием безопасности электроустановки является величина напряжения прикосновения, определяемая по формуле:
![]()
где:
- ток однофазного К.З. на землю в РУ питающего напряжения, А;
кпр – коэффициент прикосновения.

где:
- функция отношения
.
, при
;
b – коэффициент, характеризующий условие контакта человека с землёй.
![]()
где: Rчел – расчётное сопротивление человека, равное 1000 Ом;
Rст
– сопротивление растекания тока со ступнёй человека, равное 1,5
.
![]()

![]()
![]()
![]()
Допустимое напряжение прикосновения определяем по нормативным таблицам в зависимости от времени протекания тока к.з.
Для t=0.4 c
В
![]()
123 В < 150 В
Т.о. условие выполняется.
Глава 6. Экономическая часть проекта
6.1 Определение стоимости тяговой подстанции
Определение стоимости проектируемой тяговой подстанции производится по укрупнённым показателям стоимости строительства объектов электрификации железнодорожного транспорта с учётом основных узлов и элементов подстанции.
В связи с изменением стоимости, монтажных работ и оборудования тяговой подстанции, значение стоимости, приведённых в указанной литературе [2] необходимо умножить на следующие коэффициенты:
Сстр *100
Смонт *100
Собор *100
Стоимость тяговой подстанции определяется по формуле:
СТП = Сстр + Смонт + Собор
Годовые эксплуатационные расходы:
Сэ = СW + Сa + Срем + СЗП
где: СW – стоимость потерь электроэнергии
![]()
где: b - стоимость 1 кВт*ч (0,64 руб/кВт*ч);
W – перерабатываемое за год количество электроэнергии;
Сa - стоимость амортизационных отчислений:
![]()
где: Срем - стоимость годового обслуживания и ремонта тяговой подстанции:
![]()
где: СЗП – годовой фонд заработной платы зависящий от метода обслуживания, штата должностных лиц и окладов, с учётом средств материального поощрения в размере 40 % от ФЗП.
При расчёте СЗП учитывается 13-ая зарплата, равная месячному ФЗП:
![]()
| Должность | Кол-во человек | Оклад, руб. | Сумма, руб. |
| Начальник | 1 | 15000 | 15000 |
| Ст. электромеханик | 1 | 12000 | 13000 |
| Электромеханик | 1 | 10000 | 10000 |
| Дежурный электромеханик | 4 | 10000 | 40000 |
| Электромонтёр | 2 | 8000 | 16000 |
| Уборщица | 1 | 6000 | 6000 |
| Итого: | 10 | 100000 |
![]()
Себестоимость перерабатываемой электроэнергии за год:
![]()
где: Сэ – годовые эксплуатационные расходы.
Стоимость 1 кВА установленной мощности рассчитываем:
![]()
где: Sу – установленная мощность всех силовых трансформаторов ТП, питающегося от входного РУ.
| Наименование | Строительные работы ,руб. | Монтажные работы, руб. | Оборудование руб. |
1.Верхнее строение пути 2.Здание ТП 3.Благоустройство территории 4.ОРУ – 110 кВ 5.РУ – 10 кВ 6.Тяговый блок 7.Питание автоблокировки 8.Шкафы СН 9.Прожекторное освещение 10.Заземление 11.Отдельно стоящие молниеотводы 12.Порталы шинных мостов и опоры 13.Подвеска шин к трансформаторам 220 кВ 14.Резервуар для слива масла V=30 м3 15. Кабельные каналы 16.Прокладка кабелей и др. |
1037000 3817000 940000 1374000 84000 1312000 46000 17000 94000 121000 114000 65000 20000 178000 171000 26000 |
- 1064000 - 871000 82000 969000 22000 3000 122000 154000 - - 18000 4000 - 2177000 |
- 3977000 - 5286000 1885000 24441000 825000 143000 - - - - - - - - |
| ИТОГО | 9416000 | 5486000 | 36557000 |
руб.
![]()
![]()
![]()
![]()
![]()
![]()
6.2 Основные технико-экономические показатели тяговой подстанции
| Наименование | Единица измерения | Расчётное значение |
| Площадь ТП | м2 | 10185 |
| Установленная мощность оборудования | кВА | 50000 |
| Обслуживающий штат | чел. | 10 |
| Стоимость ТП | тыс. руб. | |
| Стоимость строительных работ | тыс. руб. | 9416000 |
| Стоимость монтажных работ | тыс. руб. | 5486000 |
| Стоимость оборудования | тыс. руб. | 36557000 |
| Стоимость 1 кВА установленной мощности | руб./кВА | 416,745 |
| Себестоимость перерабатываемой электроэнергии | руб./кВтч | 0,26 |
Список используемой литературы
1. Бей Ю.М., Мамошин П.П. и др. Тяговые подстанции: учебник для вузов железнодорожного транспорта. – М.: Транспорт, 1986 – 319 с.
2. Гринберг – Басин М.М. Тяговые подстанции: Пособие по дипломному проектированию. – М: Транспорт, 1986 – 168 с.
3. Давыдов И.К., Попов Б.М., Эрлих В.М. Справочник по эксплуатации тяговых подстанций и постов секционирования. – М: Транспорт, 1987 – 416 с.
4. Неклепаев Б.Н., Крючков И.П. Электрическая часть электростанций и подстанций: Справочные материалы для курсового и дипломного проектирования; Учебное пособие для вузов. – М.: Энергоатомиздат,1989. – 608 с.
5. Прохорский А.А. Тяговые и трансформаторные подстанции. - М: Транспорт, 1983 – 496 с.
6. Справочник по электроснабжению железных дорог / Под ред. К.Г. Марквардта. –М.: Транспорт, 1982.Т2 – 392 с.
7. Пузина Е.Ю. Методические указания с заданием на курсовой проект для студентов 3-го курса специальности «Электроснабжение железнодорожного транспорта» Г. Иркутск 2003 г.
8. Н.И. Белорусов., А.Е. Саакян., А.И. Яковлева. Электрические кабели, провода и шнуры. – М.: Энергоатомиздат, 1988. – 536 с.