| Скачать .docx |
Дипломная работа: Наладка электрооборудования
1. Введение
Дипломный проект состоит из теоретической и практической части. Практическая часть включает в себя исследование работы электрических аппаратов напряжением до 1000 В в различных схемах включения и режимах работы. Также в практическую часть входит разработка методики проведения лабораторных работ по дисциплине «Наладка электрооборудования».
В учебном процессе средних специальных учебных заведений наряду с теоретическим обучением значительное место отводится выполнению лабораторных работ. Правильное сочетание теоретических знаний с практикой лабораторных работ обеспечивает высокое качествоподготовки специалистов.
Лабораторные работы по дисциплине «Наладка электрооборудования» знакомят учащихся с режимами работы электрических аппаратов и позволяют экспериментально проверить основные положения теории, приобрести навыки по сборке электрических схем, включающих в себя пускорегулирующую аппаратуру, измерительные устройства. Непосредственное участие в экспериментах вырабатывает у учащихся практические навыки по методике проведения опытов и обработки их результатов. По полученным результатам лабораторного исследования учащиеся должны научиться оценивать свойства электрических аппаратов различного типа.
Предварительная подготовка учащихся к каждой лабораторной работе и понимание ее целей и содержания - важнейшее условие. Поэтому, прежде чем приступить к выполнению лабораторной работы, учащийся должен: тщательно изучить содержание работы и порядок её выполнения; повторить теоретический материал, связанный с выполнением данной работы. По результатам лабораторной работы учащийся должен составить отчёт, который должен содержать необходимые схемы, таблицы и графики. Кроме того, учащийся должен знать назначение всех элементов схемы и уметь объяснить порядок действий при выполнении любого эксперимента в лабораторной работе.
трансформатор магнитный пускатель ток реле
2. Расчетно-конструкторская часть
2.1 Техническая характеристика объекта
Лабораторный комплекс «Электрические аппараты» (в дальнейшем изложении комплекс) предназначен для обучения студентов специальности 270116 «Монтаж, наладка и эксплуатация электрооборудования промышленных и гражданских зданий», изучающих дисциплину «Наладка электрооборудования»
Комплекс может быть также использован на семинарах и курсах повышения квалификации электротехнического персонала предприятий и организаций.
Аппаратная часть комплекса выполнена по блочному (модульному) принципу и содержит:
а) спроектированные с учебными целями натурные аналоги электрических аппаратов
б) однофазный и трехфазный источники питания
в) однофазные трансформатор и автотрансформатор
г) асинхронную двигательную и статическую активную нагрузки
д) выпрямитель
е) реостат
ж) кнопочный пост управления
з) блок световой сигнализации
и) измерительные приборы
к) лабораторные столы с рамами для установки необходимых в эксперименте функциональных блоков
Питание комплекса осуществляется от однофазной напряжением 220 В и трехфазной напряжением 380 В электрических сетей с нейтральным и защитным проводниками
Потребляемая мощность В·А, не более 200
Габариты (длина/ширина/высота), мм (2х910)х850х1600
Масса, кг, не более 150
Комплексу типового лабораторного оборудования «Электрические аппараты» присущи следующие качества:
а) универсальность, которая выражается в возможности воспроизведения не только базовых экспериментов, но и более широкого круга задач моделирования
б) гибкость, которая обеспечивается возможностью компоновки требуемой конфигурации комплекса сообразно с задачами каждого конкретного эксперимента
в) наглядность результатов моделирования, которая обеспечивается их отображением на измерительных приборах комплекса
г) надежность, достигаемая за счет малой мощности силовых элементов, защитой электрических цепей от эксплуатационных коротких замыканий и неумелого обращения
д) электробезопасность, которая обеспечена выполнением элементов классом защиты от поражения электрическим током 01 и I также применением устройств защитного отключения, защищенных гнезд и проводников
е) компактность, которая обеспечена малой установленной мощностью элементов и использованием только требуемых для данного эксперимента блоков и приборов
ж) современный дизайн комплекса с учетом требований эргономики, инженерной психологии и эстетики
Асинхронный двигатель АД2 предназначен для применения по прямому назначению
Трехфазный источник питания предназначен для питания трехфазным и однофазным переменным током промышленной частоты функциональных блоков учебных лабораторных комплексов
Однофазный источник питания предназначен для питания однофазным переменным током промышленной частоты функциональных блоков учебных лабораторных комплексов
Активная нагрузка АН5 предназначена для моделирования однофазных потребителей активной мощности с регулированием вручную
Регулируемый автотрансформатор РАТ4 предназначен для преобразования однофазного нерегулируемого напряжения промышленной частоты в однофазное регулируемое напряжение той же частоты
Выпрямитель ВП1 предназначен для преобразования трехфазного (однофазного) напряжения переменного тока промышленной частоты в напряжение постоянного тока
Реостат Р3 предназначен для ограничения и регулирования тока в электрических цепях учебных лабораторных комплексов
Кнопочный пост управления КПУ2 предназначен для коммутации электрических цепей управления
Блок световой сигнализации БСС1 предназначен для световой сигнализации
Автоматический однополюсный выключатель АОВ1 предназначен для коммутации электрических цепей
Автоматический трехполюсный выключатель АТВ1 предназначен для коммутации электрических цепей
Контактор КМ1 предназначен для коммутации электрических цепей.
Реле максимального тока РМТ1 предназначено для применения в схемах релейной защиты переменного тока
Реле времени РВ1 предназначено для применения в схемах релейной защиты переменного тока
Промежуточное реле ПР1 предназначено для применения в схемах релейной защиты переменного тока
Однофазный трансформатор ОТ1 предназначен для понижения напряжения однофазного тока промышленной частоты
Сдвоенный реактор СР1 предназначен для ограничения тока в электрических цепях
Трансформатор тока ТТ2 предназначен для преобразования тока синусоидальной формы промышленной частоты в пропорциональный ему гальванически изолированный от сети нормированный ток
Трансформатор напряжения ТН2 предназначен для преобразования напряжения синусоидальной формы промышленной частоты в пропорциональное ему гальванически изолированное от сети нормированное напряжение
Блок мультиметров БМ8 предназначен для измерения активного сопротивления элементов электрической цепи, токов и напряжений в этой цепи
Измеритель тока и времени ИТВ1 предназначен для измерения действующего значения синусоидального тока промышленной частоты и времени его протекания
Лабораторный стол ЛС4-1 предназначен для размещения электротехнической и электронной учебной лабораторной аппаратуры
Лабораторный стол ЛС4-3 предназначен для размещения электротехнической и электронной учебной лабораторной аппаратуры, принадлежностей, эксплутационной документации и методических материалов
Все аппараты комплекса допускают работу при температурах от +10 до +35ºС и относительной влажности воздуха до 80% при 25ºС
2.2 Общие теоретические сведения об аппаратах до 1000 В
Электроустановки и применяемое в них электрооборудование в процессе монтажа, после его окончания и в условиях эксплуатации подлежат специальной проверке, опробованию и наладке в соответствии с требованиями, которые вытекают из условий их эксплуатации и специфических особенностей каждого вида установленного электрооборудования.
Несоблюдение этого правила влечет за собой, отклонение от заданного режима работы или нарушение бесперебойного снабжения электроэнергией потребителей, повреждение или полное разрушение электрооборудования.
Все электрооборудование можно разделить на две группы первичное электрооборудование работающее на напряжение выше 1000 В и вторичное работающее на напряжение до 1000 В.
По сравнению с первичным оборудованием число вторичных аппаратов и приборов в большинстве электроустановок в десятки и даже сотни раз больше первых.
Вторичные аппараты и приборы, применяемые в электроустановках, отличаются большим разнообразием. К ним относят командные аппараты в виде кнопок, ключей и переключателей управления, сигнальные аппараты в виде электромагнитных сигнальноиндикаторных приборов ПСИ, сигнальных ламп, табло и приборов звуковой сигнализации, измерительные приборы и, наконец, многочисленные реле защиты и автоматики, различные по принципу действия, конструкции и области применения.
Целью наладки вторичных устройств является проверка и настройка аппаратуры управления, сигнализации, измерения, защит и автоматики, проверка правильности логического построения связей между всеми элементами устройства, правильного осуществления этих связей и обеспечения работоспособности и взаимодействия между различными элементами вторичных и первичных устройств.
Для правильной наладки необходимо знать устройство и принцип действия вторичных аппаратов.
2.3 Измерительные трансформаторы
Измерительные трансформаторы подразделяются на трансформаторы тока и напряжения и предназначаются соответственно для преобразования больших переменных токов и напряжений в относительно малые токи и напряжения. Благодарятрансформаторам можно применять приборы с небольшими стандартными номинальными значениями тока и напряжения (например, 5 А и 100 В) в высоковольтных цепях, по которым могут протекать большие токи.
Измерительные трансформаторы состоят из двух изолированных друг от друга обмоток, помещенных на магнитопроводе: первичной с числом витков w1 и вторичной с числом витков w2.
При измерениях в высоковольтных цепях трансформаторы обеспечивают безопасность обслуживания приборов, присоединенных к вторичным обмоткам. Это достигается за счет электрической изоляции (гальванического разделения) первичной и вторичной обмоток трансформаторов и заземления металлического корпуса и вторичной обмотки. При отсутствии заземления и повреждении изоляции между обмотками вторичная обмотка и подключенные к ней приборы окажутся под высоким потенциалом, что недопустимо.
Трансформатор тока работает в режиме, близком к короткому замыканию, так как в его вторичную обмотку включаются приборы с малым сопротивлением. Полное суммарное сопротивление Z=R+jX приборов и подводящих проводов является нагрузкой трансформатора тока.
В зависимости от области применения измерительные трансформаторы тока изготавливаются стационарными, предназначенными для установки на открытых площадках распределительных устройств, станций и подстанций и в закрытых помещениях, и переносными – для использования в лабораториях. Стационарные трансформаторы, как правило, имеют один предел измерения, а переносные – несколько пределов.
Измерительные трансформаторы напряжения работают в режиме, близком к холостому ходу, потому что ко вторичной обмотке трансформатора подключают приборы с относительно большим внутренним сопротивлением.
По внешнему виду и устройству трансформаторы напряжения мало отличаются от силовых трансформаторов на небольшие мощности. Лабораторные трансформаторы чаще всего бывают переносными на несколько пределов измерения.
Для трехфазных цепей изготовляются трехфазные трансформаторы напряжения.
2.4 Реле времени
Электромагнитное реле времени состоит из неподвижной части магнитопровода, на котором установлена катушка, и подвижной части магнитной системы с установленными на ней контактами. При отсутствии напряжения на катушке якорь под действием пружины находится в поднятом положении.
Особенностью конструкции реле времени является наличие на магнитопроводе массивной медной трубки (гильзы), которая и обеспечивает выдержку времени реле при отключении его катушки. Рассмотрим этот процесс подробнее. Включение реле происходит, как у обычного электромагнитного реле, подачей напряжения U на катушку после замыкания контакта. Якорь, притягиваясь к сердечнику, осуществляет без выдержки времени переключение контактов.
Выдержка времени обеспечивается за счет замедления возврата якоря в исходное положение. При снятии с катушки напряжения спадающий магнитный поток создает в гильзе вихревые токи, которые, по правилу Ленца, своим магнитным потоком поддерживают основной поток. Другими словами, наличие гильзы замедляет (демпфирует) спадание магнитного потока, а тем самым и перемещение якоря и контактной системы в исходное (отключенное) положение. В соответствии с таким принципом действия электромагнитное реле времени обеспечивает выдержку при размыкании замыкающего контакта и замыкании размыкающего контакта.
Выдержка времени реле регулируется ступенчато путем установки латунной немагнитной прокладки определенной толщины, закрепляемой на якоре (уменьшение толщины прокладки вызывает увеличение выдержки реле и наоборот), или плавно за счет изменения натяжения пружины с помощью гайки. Чем меньше будет затянута пружина, тем больше будет выдержка времени и наоборот.
Выдержка времени может быть получена у электромагнитного реле без установки гильзы путем закорачивания катушки после отключения ее от сети. В этом случае замкнутый контур, образованный катушкой и замыкающим ее контактом, играет роль электромагнитного демпфера. Однако выдержка времени в этом случае получается меньше, чем у реле с гильзой.
2.5 Реле максимального тока
Реле тока, иначе называемые реле максимального тока или максимальным реле, применяются для отключения электродвигателей при превышении их тока сверх допустимого, например, при заклинивании двигателя.
В данных реле использована одна из разновидностей электромагнитных систем, называемая системой с поперечным движением якоря.
Данная система состоит из сердечника с двумя полуобмотками расположенными на его полюсах. Перед полюсами помещен Г-образный стальной якорь, укрепленный на оси. На оси также укреплены возвратная пружина и изолированный от оси контактный мостик.
Начальное и конечное положение якоря ограничивается упорами левым и правым. В обесточенном состоянии реле контактный мостик замыкает правую пару неподвижных контактов, при появлении тока в обмотке реле якорь перемещается в сторону полюсов и мостик замыкает левую пару неподвижных замыкающих контактов.
Реле данного типа могут быть использованы как на переменном, так и на постоянном токе.
2.6 Контактор
Контактор представляет собой электромагнитный аппарат, предназначенный для частных дистанционных коммутаций силовых цепей двигателей. Контакторы различаются: по роду тока коммутируемой цепи (постоянного и переменного токов); по количеству главных контактов(одно-, двух- и многополюсные); по роду тока цепи катушки (с управлением от постоянного и переменного токов); по номинальным току и напряжению коммутируемых цепей; по конструктивному исполнению и другим признакам.
Магнитные системы контакторов постоянного и переменного токов отличаются: в контакторах постоянного тока сердечник цельный, а в контакторах переменного тока набран и листов электротехнической стали.
В контакторах переменного тока для предотвращения вибрации якоря под действием переменного магнитного потока в магнитной системе предусматривается короткозамкнутый виток из медного провода, надеваемый на одну из частей магнитопровода.
2.7 Автоматический выключатель
Это комплексные многоцелевые аппараты, которые могут обеспечивать как ручное включение и отключение двигателей, так и их защиту от сверхтоков и перегрузок. Для выполнения этих функций автомат, в общем случае, имеет контактную систему, замыкание и размыкание которой осуществляется вручную с помощью рукоятки или кнопки.
Контролируемый ток протекает через контакт автомата, нагреватель теплового реле, катушку реле максимального тока. При коротком замыкании в контролируемой цепи сердечник максимального реле втягивается в катушку и толкателем воздействует на рычаг. Последний поворачивается по часовой стрелке и приподнимает защелку. Освобождается рычаг и под действием пружины контакты автомата размыкаются.
Аналогичным образом происходит отключение автомата при перегрузке цепи, когда ток в ней больше номинального (расчетного), но меньше тока короткого замыкания. В этом случае ток, проходя по нагревателю теплового реле, вызывает нагрев биметаллической пластины. В результате этого свободный конец пластины поднимается вверх и через рычаг воздействует на расцепитель, вызывая этим отключение контактов автомата.
Часто в автоматах применяют тепловые расцепители без нагревателя, в этом случае контролируемый ток пропускается непосредственно через биметаллическую пластину. В маломощных автоматах такой расцепитель может выполнять функции и элемента максимальной токовой защиты.
2.8 Устройство защитного отключения
Как видно из названия, устройства защитного отключения (УЗО) отключают участок электрической сети, если на нем произойдет касание человеком токоведущих частей электроустановки или возникнет ток утечки через изоляцию, который может привести к развитию загорания.
По способу технической реализации УЗО разделяются на два типа:
электромеханические, функционально не зависящие от напряжения питания. Источником энергии, необходимой для срабатывания УЗО, является сигнал, на который реагируют устройства – ток утечки, иначе называемый дифференциальным током; электронные УЗО, функционально зависящие от напряжения питания. Механизм этих УЗО для срабатывания нуждается в энергии, получаемой от контролируемой сети или от внешнего источника.
В момент прикосновения человека к токоведущим частям или к корпусу электрооборудования, находящемуся под напряжением, по проводнику через УЗО, кроме тока нагрузки, протекает дополнительный ток – ток утечки, или дифференциальный (разностный) ток.
Неравенство токов в фазном проводнике и в нейтральном проводнике приводит к возникновению во вторичной обмотке трансформатора дифференциального тока.
При превышении этим током тока уставки порогового элемента последний срабатывает и воздействует на исполнительный механизм, который размыкает электрическую цепь, и защищаемая электроустановка обесточивается.
2.9 Электротепловое реле
Электротепловые реле надежно защищают двигатели от небольших, но устойчивых перегрузок. Основными частями реле являются нагревательный элемент и биметаллическая пластинка. Нагревательный элемент последовательно включается в силовую цепь двигателя. При протекании по нему тока, величина которого превышает величину номинального тока двигателя на 10-20%, выделяется тепло, которого оказывается достаточно для того, чтобы биметаллическая пластинка, разгибаясь, освободила рычаг. Это приводит к размыканию контактов цепи управления. В первоначальное положение рычаг возвращается после нажатия на кнопку возврата.
2.10 Асинхронный двигатель с короткозамкнутым ротором
Асинхронные электродвигатели являются основными электродвигателями для приведения в действие производственных машин и механизмов. В технике наиболее распространены асинхронные трехфазные электродвигатели.
Асинхронный трехфазный электродвигатель состоит из неподвижного статора и вращающегося ротора. Статор двигателя представляет собой полый цилиндр, собранный из отдельных тонких листов электротехнической стали, изолированных друг от друга с целью уменьшения потерь мощности в магнитопроводе на гистерезис и вихревые токи. В пазах сердечника статора уложена трехфазная обмотка, выполненная из изолированного провода и состоящая из трех отдельных обмоток фаз, оси которых сдвинуты в пространстве относительно друг друга на угол 120 градусов. Обмотки фаз соединяются между собой звездой или треугольником, в зависимости от значения подводимого напряжения.
Ротор асинхронного двигателя изготавливают в двух исполнениях: короткозамкнутым и с контактными кольцами. Наиболее распространен короткозамкнутый ротор.
Короткозамкнутый ротор представляет собой ферромагнитный сердечник в виде цилиндра с пазами, в которые уложена обмотка ротора, состоящая из медных или алюминиевых стержней. Эти стержни соединяются между собой торцовыми кольцами и образуют цилиндрическую клетку. В большинстве случаев клетка ротора отливается из алюминия или из сплава на его основе. Для уменьшения потерь мощности в магнитопроводе ротор, так же как и статор, собирают из отдельных изолированных друг от друга листов электротехнической стали.
2.11 Выпрямитель
В большинстве случаев электроприемники потребляют электрическую энергию в виде энергии переменного тока. Однако, существует целый ряд электрооборудования для которых требуется электроэнергия постоянного тока.
Для выпрямления переменного тока используются разнообразные выпрямительный устройства. В последнее время большое практическое применение получили полупроводниковые выпрямители. Эти выпрямительные устройства дают возможность изменять полярность тока и управление агрегатов вручную или автоматически.
Для выпрямления используются силовые полупроводниковые диоды и тиристоры в мощных выпрямительных устройствах, рассчитанных на токи от нескольких десятков до нескольких сот ампер.
2.12 Пусконаладочные испытания
2.12.1 Проверка сопротивления изоляции
Все электрические аппараты напряжением до 1000 В перед вводом в эксплуатацию должны пройти ревизию механической части, испытание электрической прочности изоляции и параметров срабатывания.
Проверка сопротивления изоляции производится на полностью подготовленном оборудовании. Как правило, испытывают изоляцию целого присоединения, т.е. группы электрически взаимосвязанных аппаратов с проводками.
Измерение сопротивления изоляции аппаратов на напряжение до 1000 В производится с помощью мегаомметра на напряжение 500-1000 В.
2.12.2 Измерение сопротивления катушек постоянному току
Измерение производится с целью проверки его соответствия напряжению питающей сети. При вводе в эксплуатацию новой аппаратуры измерение производится выборочно. Сравниваются результаты измерений сопротивления катушек одинаковых аппаратов. Отклонения от номинала обычно не должны превышать 10%.
Измерение сопротивления постоянному току катушек производится также во всех сомнительных случаях: при отсутствии на катушке маркировки, несоответствии обозначенного ее рабочего напряжения проектному и т.п.
2.12.3 Испытание электрической прочности изоляции
Электрическая прочность изоляции аппаратов проверяется повышенным напряжением 1000 В переменного тока промышленной частоты в течение 1 мин. Испытание производится совместно со схемами вторичных цепей. Перед испытанием необходимо отсоединить элементы схемы, не рассчитанные на приложение к ним испытательного напряжения. Отключенные аппараты при необходимости испытывают отдельно.
До приложения к схеме повышенного напряжения необходимо детально изучить испытательную схему, чтобы не подать повышенного напряжения на участки схемы, которые не должны испытываться.
Аппаратура и монтажные провода схемы считаются выдержавшими испытание, если не произошло пробоя изоляции, перекрытия поверхности, скользящих разрядов или резкого снижения показаний вольтметра.
2.12.4 Проверка контактной системы
Измерение геометрических размеров аппаратов производится для того, чтобы проконтролировать правильность сочленения аппарата и его привода Проверяемыми параметрамиявляются: раствор контактов, начальное и конечное нажатие, провал контактов.
Раствор контактов измеряют при разомкнутых контактах с помощью щупов, шаблонов, а также линейкой или штангенциркулем.
В случае расхождения значений раствора контактов с требуемыми техническими данными он должен быть отрегулирован.
2.12.5 Определение параметров срабатывания аппаратов
Значения величин срабатывания электромагнитных аппаратов должно определяться после их окончательной регулировки, замера нажатий, раствора и провала контактов, измерения сопротивления катушек постоянному току в холодном состоянии.
Напряжение срабатывания нормируется для нагретых катушек, а его измерение производится, как правило в холодном состоянии.
Для аппаратов постоянного тока напряжение (ток) срабатывания определяют дважды при различной полярности на катушке, если не предусмотрена работа аппарата только при одной полярности.
Значение напряжения (тока) срабатывания определяется как среднее арифметическое из результатов трех-четырех измерений.
Время срабатывания аппарата определяется с помощью электрических или электронных секундомеров.
При включении электромагнитных аппаратов переменного тока может возникнуть вибрация магнитопровода, которая выражается в сильном гудении и дополнительном нагреве шихтованного сердечника. В этом случае необходимо проверить наличие неповрежденного короткозамкнутого витка и плотность прилегания якоря к сердечнику магнитопровода. Последнее достигается обеспечением некоторой свободы якоря по отношению к подвижной части аппарата.
3. Организационно-технологическая часть
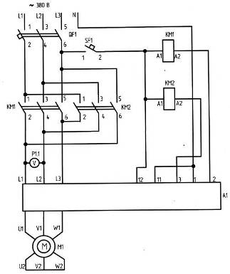
3.1 Работа магнитного пускателя в нереверсивной и реверсивной схемах управления асинхронным двигателем
Цель работы: Ознакомиться с аппаратами, входящими в состав магнитного пускателя, схемой их соединения. Научиться собирать схемы нереверсивного и реверсивного магнитного пускателя и проверить правильность их работы.
Программа работы:
а) убеждаемся, что устройства, используемые в эксперименте, отключены от сети электропитания, перечень устройств представлен в таблице 1
б) соединяем гнёзда защитного заземления устройств, используемых в эксперименте, с гнездом«РЕ» трёхфазного источника питания G1
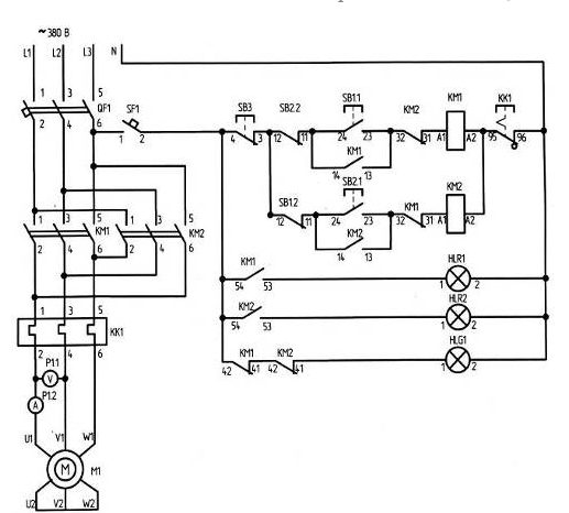
в) соединяем аппаратуру в соответствии со схемами электрических соединений представленных на рисунке 1, 3 и монтажных на рисунке 2, 4
Таблица 1 – Перечень устройств
| Обозначение | Наименование | Код | Параметры | |
| G1 | Однофазный источник питания | 218 | ~ 220 В/16 A | |
| G2 | Трёхфазный источник питания | 201.2 | ~ 400 В/16 А | |
| М1 | Асинхронный двигатель с короткозамкнутым ротором | 106 | 120 В /~380 В /1500 об/мин | |
| А2 | Контактор | 364 | ~ 380 В/10 А | |
| А5 | Электротепловое реле | 356 | ~ 660 B/10 A/ уставка 0,42…0,58 А | |
| А10 | Автоматический трёхполюсный выключатель | 360 | ~ 440 B/10 A | |
| А11 | Автоматический однополюсный выключатель | 359 | ~ 230 B/0,5 А | |
| А12 | Кнопочный пост управления | 354.1 | ~ 500 B/10 А / 3 кнопки | |
| А13 | Блок световой сигнализации | 355.1 | ~ 220 В/3 лампы | |
| Обозначение | Наименование | Код | Параметры | |
| Р1 | Блок мультиметров | 508.2 | 3 мультиметра ~ 0…1000 В / ~ 0…10 А / 0…20 МОм |
|
Рисунок 1 – Электрическая схема соединений

Рисунок 2 - Монтажная схема

Рисунок 3 – Электрическая схема соединений
Рисунок 4 – Монтажная схема
Указания по проведению эксперимента
а) включаем автоматический выключатель и устройство защитного отключения в однофазном источнике питания G1
б) включаем выключатель <<СЕТЬ>> блока мультиметров Р1
в) активируем используемые мультиметры Р1.1 и Р1.2
г) включаем источник G2. О наличии напряжений фаз на его выходе должны сигнализировать светящиеся лампочки
д) включаем выключатель А10
е) включаем выключатель А11. В результате загорится зеленая лампа блока А13, сигнализирующая о готовности двигателя М1 к пуску
ж) нажимаем верхнюю кнопку поста управления А12. В результате произойдёт прямой пуск двигателя М1, о чём будет сигнализировать загоревшаяся красная лампа в блоке А13. Вольтметр Р1.1 и амперметр Р1.2 покажут напряжение и ток двигателя М1. Зелёная лампа в блоке А13 погаснет
з) нажимаем нижнюю кнопку поста управления А12. В результате произойдёт отключение двигателя М1 от электрической сети и последующий его остановке. Двигатель М1 будет готов к очередному пуску, о чём будет сигнализировать загоревшаяся зелёная лампа в блоке А13. Красная лампа в блоке А13 погаснет
и) по завершении эксперимента отключаем нажатием на кнопку <<красный гриб>> трёхфазный источник питания G2 и автоматический выключатель в однофазном источнике питания G1
3.2 Снятие времятоковой характеристики электротеплового реле
Цель работы: Ознакомиться со схемой включения электротеплового реле и снять времятоковую характеристику
Программа работы:
а) убеждаемся, что устройства, используемые в эксперименте, отключены от сети электропитания, перечень устройств представлен в таблице 2
б) соединяем гнёзда защитного заземления устройств, используемых в эксперименте, с гнездом«РЕ» трёхфазного источника питания А1
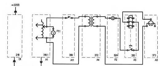
в) соединяем аппаратуру в соответствии с монтажной схемой представленной на рисунке 5
Таблица 2 – Перечень устройств
| Обозначение | Наименование | Код | Параметры |
| G1 | Однофазный источник питания | 218 | ~ 220 В/16 A |
| А1 | Регулируемый автотрансформатор | 318.1 | ~ 0...240 В/2 А |
| А4 | Однофазный трансформатор | 372 | 120 В/220В/ 24 В |
| А5 | Электротепловое реле | 356 | Главная цепь: ~ 3х220 В/10 А Уставка реле: 0,42...0,58 А |
| Обозначение | Наименование | Код | Параметры |
| А6 | Сдвоенный реактор | 373 | ~ 220 B/2х5 A /0,005 Гн |
| А11 | Автоматический однополюсный выключатель | 359 | ~ 230 B/0,5 А |
| Р1 | Блок мультиметров | 508.2 | 3 мультиметра ~ 0…1000 В/ ~ 0…10 А/ 0…20 МОм |
| Р2 | Измеритель тока и времени | 524 | 0...5 А/ 0,01...999 с |

Рисунок 5 – Монтажная схема
Указания по проведению эксперимента
а) отключаем выключатель А11
б) поворачиваем регулировочную рукоятку автотрансформатора А1 в крайнее против часовой стрелки положение
в) вращая регулировочный винт, устанавливаем желаемую уставку электротеплового реле А5
г) если выступает шток электротеплового реле А5, то нажимаем его
д) включаем автоматический выключатель и устройство защитного отключения в однофазном источнике питания G1
е) включаем выключатели <<СЕТЬ>> автотрансформатора А1, блока мультиметров Р1, измерителя тока и времени Р2
ж) активируем используемый мультиметр Р1.1
з) вращая регулировочную рукоятку автотрансформатора А1, устанавливаем по вольтметру Р1.1 напряжение, на выходе автотрансформатора А1 равное, например, 220 В
и) включаем выключатель А11
к) после срабатывания электротеплового реле А5 считаем показания тока I и времени t, высвечивающиеся на индикаторах измерителя тока и времени Р2, и заносим их в таблицу 3
Таблица 3
| I, А | 3,22 | 2,64 | 1,94 | 1,63 | 0,94 |
| t, с | 4,01 | 2,74 | 5,18 | 7,2 | 48,1 |
л) отключаем выключатель А11
м) нажимаем выступающий шток электротеплового реле А5
н) уменьшаем напряжение на выходе автотрансформатора А1, например, на 20 В
о) операции повторяем до тех пор, пока после включения выключателя А11 электротепловое реле А5 не перестанет отключаться
п) отключаем автоматический выключатель в однофазном источнике питания G1
р) отключаем выключатели <<СЕТЬ>>автотрансформатора А1, блока мультиметров Р1, измерителя тока и времени Р2
с) используя данные таблицы 3, построим искомую времятоковую характеристику t = f(I) электротеплового реле
Рисунок 6 - Времятоковая характеристика
3.3 Снятие времятоковой характеристики автоматического воздушного выключателя
Цель работы: Ознакомится с работой и характеристиками автоматического воздушного выключателя.
Программа работы:
а) убеждаемся, что устройства, используемые в эксперименте, отключены от сети электропитания, перечень устройств представлен в таблице 4
б) соединяем гнёзда защитного заземления устройств, используемых в эксперименте, с гнездом«РЕ» трёхфазного источника питания А1
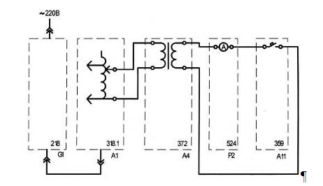
в) соединяем аппаратуру в соответствии с монтажной схемой представленной на рисунке 7
Таблица 4 – Перечень устройств
| Обозначение | Наименование | Тип | Параметры |
| G1 | Однофазный источник питания | 218 | ~ 220В/16А |
| A1 | Регулируемый автотрансформатор | 318.1 | ~ 0…240В/2А |
| A4 | Однофазный трансформатор | 372 | 120ВА/ 220/24В |
| A11 | Автоматический однополюсный выключатель. | 359 | ~ 230В/0,5А |
| P2 | Измеритель тока и напряжения | 524 | 0…5А/ 0,01…999с |

Рисунок 7 – Монтажная схема
Указания по проведению эксперимента
а) убеждаемся, что устройства, используемые в эксперименте, отключены от сети электропитания
б) соединяем гнезда защитного заземления устройств, используемых в эксперименте, с гнездом "РЕ" автотрансформатора А1
в) соединяем аппаратуру в соответствии со схемой электрической соединений
г) включаем автоматический выключатель и устройство защитного отключения в однофазном источнике питания G1
д) включаем выключатель «СЕТЬ» измерителя тока и времени Р2
е) поворачиваем регулировочную рукоятку автотрансформатора А1 в крайнее по часовой стрелке положение
ж) включаем выключатель А11
з) включаем выключатель «СЕТЬ» автотрансформатора А1
и) после отключения выключателя А11 считаем показания тока I и времени t, высвечивающиеся на индикаторах измерителя тока и времени Р2, и заносим их в таблицу 5
Таблица 5
| I, A | 1,33 | 1,25 | 1,21 | 1,16 | 0,87 | 0,75 |
| t, c | 11,9 | 12 | 12,1 | 18,4 | 26 | 33,4 |
к) отключаем выключатель «СЕТЬ» автотрансформатора А1
л) поворачиваем регулировочную рукоятку автотрансформатора А1 против часовой стрелки примерно на 45 градусов
м) спустя, например, 5 минут повторяем операции начиная с включения выключателя А11 и заканчивая поворотом регулировочной рукоятки автотрансформатора А1
н) операции повторяем до тех пор, пока после включения выключателя «СЕТЬ» автотрансформатора А1 выключатель А11 не перестанет отключаться
о) отключаем автоматический выключатель в однофазном источнике питания G1
п) отключаем выключатель «СЕТЬ»автотрансформатора А1, измерителя тока и времени Р2
р) используя данные таблицы 5, построим искомую времятоковую характеристику t=f(I) автоматического воздушного выключателя

Рисунок 8 – Времятоковая характеристика
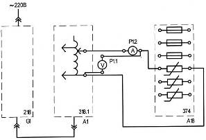
3.4 Определение коэффициента возврата электромагнитного контактора
Цель работы: Ознакомиться со схемой включения электромагнитного контактора и определить коэффициент возврата.
Программа работы:
а) убеждаемся, что устройства, используемые в эксперименте, отключены от сети электропитания, перечень устройств представлен в таблице 6
б) соединяем гнёзда защитного заземления устройств, используемых в эксперименте, с гнездом«РЕ» трёхфазного источника питания А1
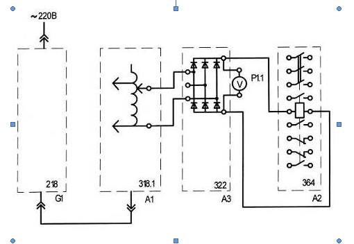
в) соединяем аппаратуру в соответствии с монтажными схемами 9 (питание обмотки контактора синусоидальным током промышленной частоты) или 10 (питание обмотки контактора выпрямленным током)
Таблица 6 – Перечень устройств
| Обозначение | Наименование | Код | Параметры |
| G1 | Однофазный источник питания | 218 | ~ 220 В/16 A |
| А1 | Регулируемый автотрансформатор | 318.1 | ~ 0...240 В/2 А |
| А2 | Контактор | 364 | ~ 380 В/10 А |
| А3 | Выпрямитель | 322 | 400 А/2 А |
| Р1 | Блок мультиметров | 508.2 | 3 мультиметра ~ 0...1000 В/ ~ 0...10 А/ 0...20 МОм |

Рисунок 9 – Монтажная схема

Рисунок 10 – Монтажная схема
Указания по проведению эксперимента
а) поворачиваем регулировочную рукоятку автотрансформатора А1 в крайнее против часовой стрелки положение
б) включаем автоматический выключатель и устройство защитного отключения в однофазном источнике питания G1
в) включаем выключатели <<СЕТЬ>> блока мультиметров Р1 и автотрансформатора А1
г) активируем используемый мультиметр Р1.1
д) медленно вращая регулировочную рукоятку автотрансформатора А1 по часовой стрелке, увеличиваем напряжение, прикладываемое к обмотке контактора А2
е) в момент срабатывания реле А8 зафиксируем с помощью вольтметра Р1.1 напряжение U1
ж) медленно вращая регулировочную рукоятку автотрансформатора А1 против часовой стрелки, уменьшаем напряжение, прикладываемое к обмотке контактора А2
з) в момент отключения контактора зафиксируем с помощью вольтметра Р1.1 напряжение U2
и) отключаем автоматический выключатель в однофазном источнике питания G1
к) отключаем выключатели <<СЕТЬ>> блока мультиметров Р1 и автотрансформатора А1
л) вычисляем коэффициент возврата k электромагнитного контактора напряжения по формуле
k = U2/U1(1)
где U1 – напряжение первичной обмотки, В
U2 – напряжение вторичной обмотки, В
k = 119/124 = 0,95
3.5 Снятие вольтамперной характеристики ограничителя перенапряжений
Цель работы: Ознакомится со схемой включения ограничителя перенапряжений и снять вольтамперную характеристику.
Программа работы:
а) убеждаемся, что устройства, используемые в эксперименте, отключены от сети электропитания, перечень устройств представлен в таблице 7
б) соединяем гнёзда защитного заземления устройств, используемых в эксперименте, с гнездом«РЕ» трёхфазного источника питания А1
в) соединяем аппаратуру в соответствии с монтажной схемой представленной на рисунке 11
Таблица 7 – Перечень устройств
| Обозначение | Наименование | Тип | Параметры |
| G1 | Однофазный источник питания | 218 | ~ 220 В/16 А |
| A1 | Регулируемый автотрансформатор | 318.1 | ~ 0…240 В/2 А |
| A18 | Блок предохранителей и ограничителей перенапряжений | 374 | 3 предохранителя 1А (длина 15, 20, 30мм) 3 варистора (Кл. напряжение 180, 220, 220В; диаметр 7, 7, 14мм) |
| Р1 | Блок мультиметров | 508.2 | 3 мультиметра ~ 0…1000В / ~ 0…10А / 0…20МОм |

Рисунок 11 – Монтажная схема
Указания по проведению эксперимента
а) убеждаемся, что устройства, используемые в эксперименте, отключены от сети электропитания
б) соединяем гнезда защитного заземления устройств, используемых в эксперименте, с гнездом "РЕ" автотрансформатора А1
в) соединяем аппаратуру в соответствии со схемой электрической соединений
г) поворачиваем регулировочную рукоятку автотрансформатора А1 в крайнее против часовой стрелки положение
д) включаем автоматический выключатель и устройство защитного отключения в однофазном источнике питания G1
е) включаем выключатель «СЕТЬ» автотрансформатора А1 и блока мультиметров Р1
ж) активизируем используемые мультиметры Р1.1 и Р1.2
з) вращая регулировочную рукоятку автотрансформатора А1, увеличиваем напряжение U, приложенное к ограничителю перенапряжений в блоке А18, и заносим показания вольтметра Р1.1 (напряжение U на ограничителе перенапряжений) в таблицу 8. Ток I при этом не должен превышать 1мА для ограничителей перенапряжений RU1, RU2 и 2мА для RU3
Таблица 8
| U, B | 47 | 73 | 100 | 137 | 172 | 240 | 263 |
| I, мA | 0,02 | 0,05 | 0,1 | 0,15 | 0,2 | 0,3 | 0,33 |
и) отключаем автоматический выключатель в однофазном источнике питания G1
к) отключаем выключатель «СЕТЬ» автотрансформатора А1 и блока мультиметров Р1
л) используя данные таблицы 8, построим искомую вольтамперную характеристику U=f(I) ограничителя перенапряжений

Рисунок 12 – Вольтамперная характеристика
3.6 Определение индуктивных сопротивлений сдвоенного реактора
Цель работы: Ознакомится со схемой включения сдвоенного реактора и определить его индуктивные сопротивления.
Программа работы
а) убеждаемся, что устройства, используемые в эксперименте, отключены от сети электропитания, перечень устройств представлен в таблице 9
б) соединяем гнёзда защитного заземления устройств, используемых в эксперименте, с гнездом «РЕ» трёхфазного источника питания А1
в) соединяем аппаратуру в соответствии с монтажными схемами представленными на рисунке 13, 14, 15
Таблица 9 - Перечень устройств
| Обозначение | Наименование | Тип | Параметры |
| G1 | Однофазный источник питания | 218 | ~ 220 В/16 А |
| A1 | Регулируемый автотрансформатор | 318.1 | ~ 0…240 В/2 А |
| A4 | Однофазный трансформатор | 372 | 120 ВА/ 220/24В |
| А6 | Сдвоенный реактор | 373 | ~ 220 В/2x5 А /0,005Гн |
| А20 | Реостат | 323.3 | 20О м/1,0 А |
| Р1 | Блок мультиметров | 508.2 | 3 мультиметра ~ 0…1000 В/ ~ 0…10 А/ 0…20МОм |
Рисунок 13 - Монтажная схема
Рисунок 14 - Монтажная схема
Рисунок 15 - Монтажная схема
Указания по проведению эксперимента
а) убеждаемся, что устройства, используемые в эксперименте, отключены от сети электропитания
б) соединяем гнезда защитного заземления устройств, используемых в эксперименте, с гнездом "РЕ" автотрансформатора А1
в) соединяем аппаратуру в соответствии с монтажной схемой представленной на рисунке 13(для определения индуктивного сопротивления реактора А6 без учета взаимной индуктивности) или 14 (для определения индуктивного сопротивления реактора А6 с учетом взаимной индуктивности) или 15 (для определения сквозного индуктивного сопротивления реактора А6)
г) поворачиваем регулировочную рукоятку автотрансформатора А1 в крайнее против часовой стрелки положение
д) устанавливаем сопротивление реостата А20 равным 20 Ом
е) включаем автоматический выключатель и устройство защитного отключения в однофазном источнике питания G1
ж) включаем выключатель «СЕТЬ» блока мультиметров Р1 и автотрансформатора А1
з) активизируем используемые мультиметры Р1.1 и Р1.2
и) вращая регулировочную рукоятку автотрансформатора А1 по часовой стрелке, устанавливаем и зафиксируем (с помощью амперметра Р1.2) ток I реактора, равным, например 0,5 А (но не более 1 А)
к) зафиксируем с помощью вольтметра Р1.1 напряжение U
л) отключаем выключатель «СЕТЬ» автотрансформатора А1
м) с помощью третьего мультиметра блока Р1 измеряем омическое сопротивление R реактора А6
н) отключаем автоматический выключатель в однофазном источнике питания G1
о) отключаем выключатель «СЕТЬ» блока мультиметров Р1
п) вычисляем полное сопротивление реактора Z, Ом, по формуле:
Z=U/I(2)
где U - напряжение реактора, В
I - ток реактора, А
Z=0.11/0.5=0.22 Ом
р) вычисляем индуктивное сопротивление реактора X, Ом, по формуле
X=(Z² - R²)½.(3)
где Z - полное сопротивление реактора, Ом
R - омическое сопротивление реактора, Ом
X=(0.22²-0.9²)½=0.381 Ом
3.7 Определение погрешности трансформатора тока
Цель работы: Ознакомится со схемой включения трансформатора тока и определить его погрешность.
Программа работы
а) убеждаемся, что устройства, используемые в эксперименте, отключены от сети электропитания перечень устройств представлен в таблице 10
б) соединяем гнёзда защитного заземления устройств, используемых в эксперименте, с гнездом«РЕ» трёхфазного источника питания А1
в) соединяем аппаратуру в соответствии с монтажной схемой представленной на рисунке 16
Таблица 10 - Перечень устройств
| Обозначение | Наименование | Тип | Параметры |
| G1 | Однофазный источник питания | 218 | ~ 220 В/16 А |
| A1 | Регулируемый автотрансформатор | 318.1 | ~ 0…240 В/2 А |
| A4 | Однофазный трансформатор | 372 | 120 ВА/ 220/24 В |
| А6 | Сдвоенный реактор | 373 | ~ 220 В/2x5 А /0,005 Гн |
| А19 | Трансформатор тока | 403.1 | 1,0/1,0 А Uраб = ~660 В/ Sн = 5 ВА |
| А20 | Реостат | 323.3 | 20О м/1,0 А |
| Р1 | Блок мультиметров | 508.2 | 3 мультиметра ~ 0…1000 В/ ~ 0…10 А/ 0…20 МОм |

Рисунок 16 - Монтажная схема
Указания по проведению эксперимента
а) убеждаемся, что устройства, используемые в эксперименте, отключены от сети электропитания
б) соединяем гнезда защитного заземления устройств, используемых в эксперименте, с гнездом "РЕ" автотрансформатора А1
в) соединяем аппаратуру в соответствии со схемой электрической соединений
г) поворачиваем регулировочную рукоятку автотрансформатора А1 в крайнее против часовой стрелки положение
д) устанавливаем сопротивление реостата А20 равным, например,10 Ом
е) включаем автоматический выключатель и устройство защитного отключения в однофазном источнике питания G1
ж) включаем выключатели «СЕТЬ» блока мультиметров Р1 и автотрансформатора А1
з) активизируем мультиметры блока Р1
и) вращая регулировочную рукоятку автотрансформатора А1 по часовой стрелке, устанавливаем и зафиксируем (с помощью амперметра Р1.2) первичный ток I1 трансформатора тока А19, равным 1,0А
к) зафиксируем с помощью вольтметра Р1.1 и амперметра Р1.3 соответственно напряжение U2 и ток I2 вторичной обмотки трансформатора тока А19
л) отключим автоматический выключатель в однофазном источнике питания G1
м) отключим выключатель «СЕТЬ» автотрансформатора А1 и блока мультиметров Р1
н) вычислим нагрузку S2 трансформатора тока А19 по формуле:
S2 = U2 · I2(4)
где U2 - напряжение вторичной обмотки трансформатора, В
I2 - ток вторичной обмотки трансформатора, А
S2= 8 · 1,02 = 8,16
о) вычисляем погрешность Δ I, % трансформатора тока А19 по формуле
Δ I = (I2/I1-1) · 100, %.(5)
где I1 - ток первичной обмотки трансформатора, А
Δ I = (1/1,02 – 1) · 100% = 1,96%
3.8 Определение погрешности трансформатора напряжения
Цель работы: Ознакомится со схемой включения трансформатора напряжения и определить его погрешность.
Программа работы:
а) убеждаемся, что устройства, используемые в эксперименте, отключены от сети электропитания, перечень устройств представлен в таблице 11
б) соединяем гнёзда защитного заземления устройств, используемых в эксперименте, с гнездом«РЕ» трёхфазного источника питания А1
в) соединяем аппаратуру в соответствии с монтажными схемами 17, 18
Таблица 11 – Перечень устройств
| Обозначение | Наименование | Тип | Параметры |
| G1 | Однофазный источник питания | 218 | ~ 220 В/16 А |
| G2 | Трехфазный источник питания | 201.2 | ~ 400 В/16 А |
| A1 | Регулируемый автотрансформатор | 318.1 | ~ 0…240 В/2 А |
| A21 | Трансформатор напряжения | 405.1 | 380 В/127 В/ Sн = 30 ВА |
| А22 | Активная нагрузка | 306.2 | 127 В/0…80 Вт |
| Р1 | Блок мультиметров | 508.2 | 3 мультиметра ~ 0…1000 В/ ~ 0…10 А/ 0…20МОм |
Рисунок 17 – Монтажная схема
Рисунок 18 – Монтажная схема
Указания по проведению эксперимента
а) убеждаемся, что устройства, используемые в эксперименте, отключены от сети электропитания
б) соединяем гнезда защитного заземления устройств, используемых в эксперименте, с гнездом "РЕ" автотрансформатора А1 или трехфазного источника питания G2
в) соединяем аппаратуру в соответствии со схемой электрической соединений 17 или 18
г) поворачиваем регулировочную рукоятку автотрансформатора А1 (для схемы 1) в крайнее против часовой стрелки положение
д) устанавливаем активную А22 равной, например, 50
е) включаем автоматический выключатель и устройство защитного отключения в однофазном источнике питания G1
ж) включаем выключатели «СЕТЬ» блока мультиметров Р1 и автотрансформатора А1
з) активизируем мультиметры блока Р1
и) включаем выключатель «СЕТЬ» автотрансформатора А1 (для схемы 13) или включите трехфазный источник питания G2 (для схемы 18)
к) зафиксируем (с помощью вольтметра Р1.1) первичное напряжение U1 трансформатора напряжения А21
л) зафиксируем с помощью вольтметра Р1.3 и амперметра Р1.2 соответственно напряжение U2 и ток I2 вторичной обмотки трансформатора напряжения А21
м) отключаем автоматический выключатель в однофазном источнике питания G1 (для схемы 13) или трехфазный источник питания G2 (для схемы 18)
н) отключаем выключатель «СЕТЬ» автотрансформатора А1 (для схемы 17) и блока мультиметров Р1
о) вычисляем нагрузку S2, кВт, трансформатора напряжения А21 по формуле
S2 = U2 · I2(6)
где U2 – напряжение вторичной обмотки, В
I2 – ток вторичной обмотки, А
S2 = 85 · 0,38 = 32,3 кВт
п) вычисляем погрешность Δ U, %, трансформатора напряжения А21 по формуле
Δ U = (U2/U1-1)100, %(7)
где U1 – напряжение первичной обмотки, В
Δ U = (85/266 – 1)100% =68%
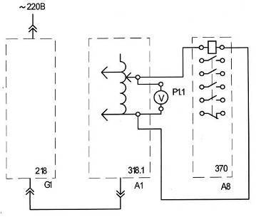
3.9 Определение коэффициента возврата электромагнитного реле переменного тока
Цель работы: Ознакомиться со схемой включения электромагнитного реле переменного тока и определить коэффициент возврата.
Программа работы:
а) убеждаемся, что устройства, используемые в эксперименте, отключены от сети электропитания, перечень устройств представлен в таблице 12
б) соединяем гнёзда защитного заземления устройств, используемых в эксперименте, с гнездом«РЕ» трёхфазного источника питания А1
в) соединяем аппаратуру в соответствии с монтажной схемой представленной на рисунке 19
Таблица 12 – Перечень устройств
| Обозначение | Наименование | Код | Параметры |
| G1 | Однофазный источник питания | 218 | ~ 220 В/16 A |
| А1 | Регулируемый автотрансформатор | 318.1 | ~ 0...240 В/2 А |
| А4 | Однофазный трансформатор | 372 | 120 ВА/ 220/24 В |
| А6 | Сдвоенный реактор | 373 | ~ 220 В/2х5 А / 0,005 Гн |
| А7 | Реле максимального тока | 366 | Номинальный ток ~ 6,3 А/ Уставка реле ~ 1,0...2,0 А/ Коммутируемое напряжение 25 В Контакты 1з+1р |
| Р1 | Блок мультиметров | 508.2 | 3 мультиметра ~ 0...1000 В/ ~ 0...10 А/ 0...20 МОм |
Рисунок 19 – Монтажная схема
Указания по проведению эксперимента:
а) поворачиваем регулировочную рукоятку автотрансформатора А1 в крайнее против часовой стрелки положение
б) устанавливаем желаемую уставку реле тока А7, например 1,5 А
в) включаем автоматический выключатель и устройство защитного отключения в однофазном источнике питания G1
г) включаем выключатели <<СЕТЬ>> блока мультиметров Р1 и автотрансформатора А1
д) активируем используемые мультиметры Р1.2 и Р1.3
е) медленно вращая регулировочную рукоятку автотрансформатора А1 по часовой стрелке, увеличиваем ток, протекающий по обмотке реле А7
ж) в момент срабатывания реле А7 (определяется по появлению звуковогосигнала, издаваемого включенным в режиме <<прозвонки>>мультиметром Р1.3) зафиксируем с помощью амперметра Р1.2 ток I1
з) медленно вращая регулировочную рукоятку автотрансформатора А1 против часовой стрелки, уменьшаем ток, протекающий по обмотке реле А7
и) в момент возврата реле А7 (определяется поисчезновению звукового сигнала, издаваемого включенным в режиме <<прозвонки>> мультиметром Р1.3) зафиксируем с помощью амперметра Р1.2 ток I2
к) отключаем автоматический выключатель в однофазном источнике питания G1
л) отключаем выключатели <<СЕТЬ>> блока мультиметров Р1 и автотрансформатора А1
м) вычисляем коэффициент возврата kэлектромагнитного реле переменного тока по формуле
k = I2/I1(8)
где I1 – ток срабатывания, А
I2 – ток отпускания, А k = 1,18/1,45 =0,8
3.10 Снятие зависимости выдержки времени от уставки электромеханического реле времени
Цель работы: Изучить порядок настройки электромеханического реле времени и снять зависимость выдержки времени от уставки реле.
Программа работы
а) убеждаемся, что устройства, используемые в эксперименте, отключены от сети электропитания, перечень устройств представлен в таблице 13
б) соединяем гнёзда защитного заземления устройств, используемых в эксперименте, с гнездом«РЕ» трёхфазного источника питания А1
в) соединяем аппаратуру в соответствии с монтажной схемой представленной на рисунке 20
Таблица 13 – перечень устройств
| Обозначение | Наименование | Код | Параметры |
| G1 | Однофазный источник питания | 218 | ~ 220 В/16 A |
| А1 | Регулируемый автотрансформатор | 318.1 | ~ 0...240 В/2 А |
| А4 | Однофазный трансформатор | 372 | 120 ВА/ 220/24 В |
| А5 | Электротепловое реле | 356 | Главная цепь: ~ 3 х 200 В/ 10 А Уставка реле: 0,42...0,58 А |
| А6 | Сдвоенный реактор | 373 | ~ 220 B/2х5 A / 0,005 Гн |
| А8 | Промежуточное реле | 370 | Номинальное напряжение ~ 220 В/Ток контакторов реле 5 А/ Коммутируемое напряжение 250 В / Контакты 1з+4р |
| А9 | Реле времени | 369 | Напряжение питания ~ 100...380 В/ Уставка реле 0,5...9,0 с / Коммутируемое напряжение 380 В / Контакты 1з+1р |
| А11 | Автоматический однополюсный выключатель | 359 | ~ 230 B / 0,5 А |
| Р1 | Блок мультиметров | 508.2 | 3 мультиметра ~ 0…1000 В / ~ 0…10 А / 0…20 МОм |
| Р2 | Измеритель тока и времени | 524 | 0...5 А / 0,01...999 с |
Рисунок 20 – Монтажная схема
Указания по проведению эксперимента
а) отключаем выключатель А11
б) поворачиваем регулировочную рукоятку автотрансформатора А1 в крайнее против часовой стрелки положение
в) устанавливаем желаемую уставку t1 реле времени А9, например 1 с, и занесите её в таблицу 14
г) включаем автоматический выключатель и устройство защитного отключения в однофазном источнике питания G1
д) включаем выключатели <<СЕТЬ>> автотрансформатора А1, блока мультиметров Р1, измерителя тока и времени Р2
е) активируем используемый мультиметр Р1.1
ж) вращая регулировочную рукоятку автотрансформатора А1, устанавливаем по вольтметру Р1.1 напряжение на выходе автотрансформатора А1, равное 220 В
з) включаем выключатель А11
и) после срабатывания реле времени А9 считаем время t2, высвечивающееся на индикаторе измерителя тока Р2, и заносим его в таблицу 14
Таблица 14
| t1, с | 1 | 2 | 3 | 4 | 5 | 6 | 7 | 8 | 9 |
| t2, с | 0,01 | 2,23 | 3,3 | 4,1 | 5,15 | 6,25 | 7 | 8,3 | 9,3 |
к) отключаем выключатель А11
л) увеличиваем уставку t1 реле времени А9, например, на 1 с
м) повторяем операции начиная с включения выключателя А11 и заканчивая увеличением уставки t1 реле времени А9
н) операции повторяем до достижения уставки t1 реле времени А9 значения, равного 9 с
о) отключаем автоматический выключатель в однофазном источнике питания G1
п) отключаем выключатели <<СЕТЬ>> автотрансформатора А1, блока мультиметров Р1, измерителя тока и времени Р2
р) используя данные таблицы 14, построим искомую зависимость выдержки времени от уставки электромеханического реле времени t2=f(t1)
Рисунок 21 – График зависимости выдержки времени от уставки
3.11 Определение коэффициента возврата электромагнитного реле переменного напряжения
Цель работы: Ознакомиться со схемой включения электромагнитного промежуточного реле переменного напряжения и определить коэффициент возврата. Программа работы:
а) убеждаемся, что устройства, используемые в эксперименте, отключены от сети электропитания, перечень устройств представлен в таблице 15
б) соединяем гнёзда защитного заземления устройств, используемых в эксперименте, с гнездом«РЕ» трёхфазного источника питания А1
в) соединяем аппаратуру в соответствии с монтажной схемой, представленной на рисунке 22
Таблица 15 – перечень устройств
| Обозначение | Наименование | Код | Параметры |
| G1 | Однофазный источник питания | 218 | ~ 220 В/16 A |
| А1 | Регулируемый автотрансформатор | 318.1 | ~ 0...240 В/2 А |
| А8 | Промежуточное реле | 370 | Номинальное напряжение ~ 220 В/Ток контактов реле 5 А / Коммутируемое напряжение 250 В / Контакты 1з+4р |
| Р1 | Блок мультиметров | 508.2 | 3 мультиметра ~ 0...1000 В / ~ 0...10 А / 0...20 МОм |

Рисунок 22 – монтажная схема
Указания по проведению эксперимента
а) поворачиваем регулировочную рукоятку автотрансформатора А1 в крайнее против часовой стрелки положение
б) включаем автоматический выключатель и устройство защитного отключения в однофазном источнике питания G1
в) включаем выключатели <<СЕТЬ>> блока мультиметров Р1 и автотрансформатора А1
г) активируем используемый мультиметр Р1.1
д) медленно вращая регулировочную рукоятку автотрансформатора А1 по часовой стрелке, увеличиваем напряжение, прикладываемое к обмотке реле А8
е) в момент срабатывания реле А8 зафиксируем с помощью вольтметра Р1.1 напряжение U1
ж) медленно вращая регулировочную рукоятку автотрансформатора А1 против часовой стрелки, уменьшаем напряжение, прикладываемое к обмотке реле А8
з) в момент возврата реле А8 зафиксируем с помощью вольтметра Р1.1 напряжение U2
и) отключаем автоматический выключатель в однофазном источнике питания G1
к) отключаем выключатели <<СЕТЬ>> блока мультиметров Р1 и автотрансформатора А1
л) вычисляем коэффициент возврата k электромагнитного промежуточного реле переменного напряжения по формуле
k = U2/U1(9)
где U1 – напряжение срабатывания, В
U2 – напряжение отпускания, В
k = 89/144 = 0,618
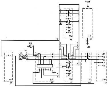
3.12 Программирование и работа микропроцессорного блока управления и защиты асинхронного двигателя
Цель работы: Ознакомится с работой и выполнить программирование микропроцессорного блока управления и защиты асинхронного двигателя.
Программа работы:
а) убеждаемся, что устройства, используемые в эксперименте, отключены от сети электропитания, перечень устройств представлен в таблице 16
б) соединяем гнёзда защитного заземления устройств, используемых в эксперименте, с гнездом«РЕ» трёхфазного источника питания А1
в) соединяем аппаратуру в соответствии со схемами электрической соединений представленной на рисунке 23 имонтажной схемой представленной на рисунке 24
Таблица 16 – перечень устройств
| Обозначение | Наименование | Тип | Параметры |
| G1 | Однофазный источник питания | 218 | ~ 220 В/16 А |
| G2 | Трехфазный источник питания | 201.2 | ~ 400 В/16 А |
| М1 | Асинхронный двигатель с короткозамкнутым ротором | 106 | 120 Вт/~ 380 В/ 1500 мин |
| A2, А15 | Контактор | 364 | ~ 380 В/10 А |
| А10 | Автоматический трехполюсный выключатель | 360 | ~ 440 В/10 А |
| А11 | Автоматический однополюсный выключатель | 359 | ~ 230 В/0,5 А |
| А17 | Блок управления и защиты асинхронного двигателя | 368 | Номинальное напряжение/ток двигателя: ~ 380 В/0,1…1 А; коммутируемое напряжение/ток: ~ 220 В/8 А |
| Р1 | Блок мультиметров | 508.2 | 3 мультиметра ~ 0…1000 В/ ~ 0…10 А/ 0…20 МОм |

Рисунок 23 – электрическая схема соединений

Рисунок 24 – монтажная схема
Указания по проведению эксперимента
а) убеждаемся, что устройства, используемые в эксперименте, отключены от сети электропитания
б) соединяем гнезда защитного заземления устройств, используемых в эксперименте, с гнездом "РЕ" трехфазного источника питания G2
в) соединяем аппаратуру в соответствии со схемой электрической соединений
г) включаем автоматический выключатель и устройство защитного отключения в однофазном источнике питания G1
д) включаем выключатели «СЕТЬ» блока мультиметров Р1
е) активизируем используемый мультиметр Р1.1
ж) включаем источник G2. О наличии напряжений фаз на его выходе должны сигнализировать светящиеся лампочки
з) включаем выключатель А10
и) включаем выключатель А11. На мониторе блока А33 высветится надпись «А.000», означающая увеличенное в 100 раз текущее (равное нулю) значение тока в фазе «А» двигателя М1, а также загорится светодиод около надписи «СТОП»
к) выполняем программирование блока управления и токовой защиты асинхронного двигателя. Для чего:
1) проворачиваем заданные (по умолчанию) номинальные фазные токи двигателя. Для этого нажимаем и удерживаем более 2 секунд кнопку «▲». На мониторе должна появиться надпись «А.042», означающая, что для фазы «А» двигателя задан номинальный ток I1=0,42А. Нажимаем и отпускаем кнопку «Р». На мониторе должна появиться надпись «В.042», означающая, что для фазы «В» двигателя задан номинальный ток I1=0,42А. Еще раз нажимаем и отпускаем кнопку «Р». На мониторе должна появиться надпись «С.042», означающая, что для фазы «С» двигателя задан номинальный ток I1=0,42А
2) при необходимости изменения номинального тока конкретной фазы, прежде всего, кнопкой «Р» выбераем эту фазу. Затем кнопкой «◄» вызовем мигание нужного разряда на мониторе и кнопкой «▲» устанавливаем в этом разряде требуемую цифру (от 0 до 9). Устанавливаемое трехразрядное число (от 1 до 250) должно быть равно увеличенному в 100 раз значению номинального тока фазы. Например, дляустановки номинального тока I1=1,25А следует установить число 125. После установки числа запишем его в память монитора. Для этого нажмем и отпустим кнопку « Р »
3) вернемся в основное меню. Для этого нажмем кнопку «□». На мониторе должна отобразится надпись «А.000»
4) введем параметры защиты двигателя
4.1) нажмем и удержим более 2 секунд кнопку « Р». На мониторе отобразится надпись «I250», означающая, что задан ток перегрузки I2 =50%. При превышении на 30% тока двигателя его заданного номинального тока I1 должно происходить аварийное отключение двигателя с появлением на мониторе сообщения «OL2». Например, при заданном номинальном токе I1=0,42А аварийное отключение двигателя должно происходить при превышении током двигателя уровня IOL2=0?42+(0,42·50)/100=0,63А. При необходимости изменения тока I2 кнопкой «◄» вызовем мигание нужного разряда на мониторе и кнопкой «▲» установим требуемую цифру (от 0 до 9). Установленное число (от 0 до 99) запишем в память монитора и перейдем к заданию следующего параметра. Для этого нажмем кнопку «Р»
4.2) на мониторе отобразится надпись «I370», означающая, что задан ток недогрузки I3=70%. При уменьшении тока, например, в фазе «А» двигателя в результате ее обрыва, до уровня 70% от заданного номинального тока I1 должно происходить его аварийное отключение с появлением на мониторе сообщения «А.OL3». Например, при заданном номинальном токе I1=0,42А и обрыве фазы «А» двигателя его аварийное отключение должно происходить при уменьшении тока двигателя ниже уровня IOL=(0,42·70)/100=0,29А. При необходимости изменения тока I3 кнопкой«◄» вызовем мигание нужного разряда на мониторе кнопкой «▲» установим требуемую цифру (от 0 до 9). Установленное число (от 0 до 99) запишем в память монитора и перейдите к заданию следующего параметра. Для этого нажмем кнопку « Р »
4.3)на мониторе отобразится надпись «t010», означающая, что задано время t0=10с, необходимое для остановки (выбега) двигателя после подачи команды на его реверсирование. При подаче команды на реверс двигателя она должна начать выполнятся спустя заданное время t0. При необходимости изменения времени t0 кнопкой «◄» вызовем мигание нужного разряда на мониторе и кнопкой «▲» установите требуемую цифру (от 0 до 9). Установленное число (от 0 до 99) запишем в память монитора и перейдем к заданию следующего параметра. Для этого нажмем кнопку «Р»
4.4) на мониторе отобразится надпись«t103», означающая, что задано время t1=3с. При превышении тока двигателя его четырехкратного заданного номинального токаI1 продолжительностью более 3 секунд должно происходить аварийное отключение двигателя с появлением на мониторе сообщения «OL1». Например, при заданном номинальном токе двигателя I1=0,42А и реальном токе двигателя превышающем значение IOL1=4·0,42=1,64А через 3 секунды должно происходить аварийное отключение двигателя. При необходимости изменения времени t1 кнопкой «◄» вызовем мигание нужного разряда на мониторе и кнопкой «▲» установим требуемую цифру (от 0 до 9). Установленное число (от 0 до 99) запишем в память монитора и перейдем к заданию следующего параметра. Для этого нажмем кнопку «Р»
4.5) на мониторе отобразится надпись «t205», означающая. Что задано время t2=05с. При перегрузке двигателя типа «OL2» его аварийное отключение должно происходить спустя время t2=5с. При необходимости изменения времени t2 кнопкой «◄» вызовем мигание нужного разряда на мониторе и кнопкой «▲» установим требуемую цифру (от 0 до 9). Установленное число (от 0 до 99) запишем в память монитора и перейдем к заданию следующего параметра. Для этого нажмем кнопку «Р».
4.6) на мониторе отобразится надпись «t305», означающая, что задано время t3=5с. При недогрузке (обрыве фазы) двигателя типа «OL3» его аварийное отключение должно происходитьспустя время t3=5с. При необходимости изменения времени t3 кнопкой «◄» вызовем мигание нужного разряда на мониторе и кнопкой «▲» установим требуемую цифру (от 0 до 9). Установленное число (от 0 до 99) запишем в память монитора и перейдем к заданию следующего параметра. Для этого нажмем кнопку «Р»
5) вернемся в основное меню. Для этого нажмем кнопку «□». На мониторе блока должна отобразится надпись«А.000»
л) нажмем и отпустим кнопку «◄» на мониторе блока А17. Загорится светодиод около надписи «ВПЕРЕД»
м) нажмем и отпустим кнопку « Р » на мониторе блока А17 Произойдет прямой пуск двигателя М1. Вольтметр Р1.1 покажет напряжение на двигателе М1. На мониторе блока А17 высветится увеличенное в 100 раз текущее значение тока двигателя М1 в выбранной фазе. Для наблюдения значения тока в другой фазе нажмем и отпустим кнопку «▲»
н) нажмем на кнопку «□» монитора блока А17
о) вновь осуществим прямой пуск двигателя М1
п) нажимая кнопку «◄» на мониторе блока А33, добьемся загорания светодиода около надписи «НАЗАД»
р) нажмем и отпустим кнопку «Р» на мониторе блока А17. Двигатель М1 должен отключится от сети и через время t0=10c должен произойти его прямой пуск в обратном направлении
с) нажимая кнопку «◄» добьемся загорания светодиода около надписи «СТОП»
т) осуществим остановку двигателя М1 нажатием на кнопку «Р» монитора блока А17
у) по завершении эксперимента отключим нажатием на кнопку «красный гриб» трехфазный источник питания G2 и автоматический выключатель в однофазном источнике питания G1
4. Техника безопасности
Лабораторные стенды в лабораториях колледжа являются электроустановками, отдельные элементы которых находятся под напряжением. Поэтому при определённых условиях, возникающих из-за нарушения установленных правил, лабораторные стенды могут стать источником поражения электрическим током и других видов травматизма. Положение усугубляется ещё и особенностью монтажа элементов лабораторных стендов, предусматривающих максимальную доступность стендов к приборам, машинам и пускорегулирующей аппаратуре, создающего дополнительные опасности при выполнении лабораторных работ.
Тело человека обладает электропроводностью, а поэтому при соприкосновении с двумя неизолированными элементами установки, находящейся под напряжением (одним из этих элементов может оказаться корпус электрической машины или трансформатора), либо к тяжёлым поражениям нервной, сердечной и дыхательной систем организма человека (электрический удар). Последствия поражения электрическим током бывают тяжёлыми и могут привести к смертельному исходу.
Специфика работы студентов с электрическими аппаратами состоит в том, что при несоблюдении правил техники безопасности студент подвергается не только опасности поражения электрическим током, но и опасности механических ударов со стороны вращающихся частей электрических машин и тормозных устройств. Необходимо помнить, что многие элементы схемустановок, находящихся под напряжением, доступны для прикосновения, а вращающиеся части, хотя и имеют обычные защитные устройства, всё же не исключают «захвата» частей одежды или механического удара.
При выполнении лабораторных работ студенты должны соблюдать следующие правила техники безопасности:
1. Студент, находясь в лаборатории, должен быть предельно дисциплинированным и внимательным, трезвым, беспрекословно выполнять все указания преподавателя и лаборанта;
2. Во время лабораторных занятий находиться непосредственно у исследуемой лабораторной установки;
3. Запрещается подходить к другим установкам, распределительным щитам и пультам, и делать на них какие-либо включения или переключения;
4. Запрещается включать схему без проверки и указания преподавателя;
5. Запрещается включать схему под напряжение, если кто-нибудь касается её неизолированной токоведущей части;
6. Запрещается отсоединять провода в электрических схемах, находящихся под напряжением;
7. Запрещается во время работы электрических машин касаться вращающихся частей и наклоняться к ним близко;
8. Запрещается оставлять без наблюдения лабораторную установку или отдельные приборы под напряжением;
9. При перемещениях движков и рукояток пускорегулирующей аппаратуры необходимо следить за тем, чтобы рука была в соприкосновении только с изолированной рукояткой;
10. Одежда студента не должна иметь свободно свисающих концов шарфов, косынок, галстуков и т.п. , а причёска или головной убор должны исключать возможность «свисания» прядей волос;
11. Если схема содержит конденсаторы, то после отключения необходимо разрядить конденсатор, замкнув накоротко их выводы;
12. При работе с лабораторной установкой, находящейся под напряжением, студент должен стоять на изолированных резиновых ковриках;
13. О всех замеченных случаях неисправности в работе установок и нарушении правил техники безопасности студент должен немедленно сообщить преподавателю;
Если произошёл несчастный случай, то следует немедленно отключить электроустановку, оказать пострадавшему первую медицинскую помощь и сообщить об этом преподавателю.
Литература
1 ГОСТ 2.105-95 ЕСКД Общие требования к текстовым документам.
2 СНиП3.05.06-85 Электротехнические устройства/ГосстройРоссии.-М: ГУПЦ, 1998 – 56 стр.
3 Минэнерго «Правила устройства электроустановок» - 7-е издание – Энергоатомиздат, 2001 – 648 стр.
4 Межотраслевые правила по охране труда (правила безопасности) при эксплуатации электроустановок ПОТ РМ-016-2001 РД 153-34,0-03.150-00, Москва 2001 г.
5 Методические указания Госстроя России МДС81-4.99 (накладные расходы) и МДС81-25.2001 (плановые накопления). М: Стройкомплекс 2001, 125 стр
6 Территориальные единичные расценки на монтаж оборудования ТЕРм-2001 г., сборник №8, «Электротехнические установки». Челябиздат,-2002, 146 стр
7 Методические указания по определению стоимости строительной продукции на территории РФ, МДС81-1.99 М.: Стройкомплекс, 2000 г., 168 стр
8 Территориальный сборник средних сметных цен, ТСЦ-2001, часть 5. Челябиздат, 2002 г., 149 стр
9 Каталог на электротехническую продукцию «ИЭК», 2006
10 Р.А. Кисаримов «Ремонт электрооборудования» Справочник. – М.: ИП РадиоСофт, 2006г.. – 544 стр.
11 Р.А Кисаримов «Наладка электрооборудования» Справочник. – М.: ИП РадиоСофт, 2003г. – 352 стр
12 Г. Г. Рекус «Электрооборудование производств» - М.: Высшая школа, 2005г. – 709 стр.