| Скачать .docx |
Реферат: Коронный разряд
...Большой отряд воинов Древнего Рима находился в ночном походе. Надвигалась гроза. И вдруг над отрядом показались сотни голубоватых огоньков. Это засветились острия копий воинов. Казалось, железные копья солдат горят не сгорая! Природы удивительного явления в те времена никто не знал, и солдаты решили, что такое сияние на копьях предвещает им победу. Тогда это явление называли огнями Кастора и Поллукса – по имени мифологических героев-близнецов. А позднее переименовали в огни Эльма – по названию церкви святого Эльма в Италии, где они появлялись.
Особенно часто такие огни наблюдали на мачтах кораблей. Римский философ и писатель Луций Сенека говорил, что во время грозы «звезды как бы нисходят с неба и садятся на мачты кораблей». Среди многочисленных рассказов об этом интересно свидетельство капитана одного английского парусника.
Случилось это в 1695 году, в Средиземном море, у Балеарских островов, во время грозы.
Опасаясь бури, капитан приказал спустить паруса. И тут моряки увидели в разных местах корабля больше тридцати огней Эльма. На флюгере большой мачты огонь достиг более полуметра в высоту. Капитан послал матроса с приказом снять его. Поднявшись наверх, тот крикнул, что огонь шипит, как ракета из сырого пороха. Ему приказали снять его вместе с флюгером и принести вниз. Но как только матрос снял флюгер, огонь перескочил на конец мачты, откуда снять его было невозможно.
Еще более впечатляющую картину увидели в 1902 году моряки парохода «Моравия». Находясь у островов Зеленого Мыса, капитан Симпсон записал в судовом журнале: «Целый час в море полыхали молнии. Стальные канаты, верхушки мачт, нок-реи, ноки грузовых стрел – все светилось. Казалось, что на шканцах через каждые четыре фута повесили зажженные лампы, а на концах мачт и нок-рей засветили яркие огни». Свечение сопровождалось необычным шумом:
«Словно мириады цикад поселились в оснастке или с треском горел валежник и сухая трава...»
Огни святого Эльма разнообразны. Бывают они в виде равномерного свечения, в виде отдельных мерцающих огоньков, факелов. Иногда они настолько похожи на языки пламени, что их бросаются тушить.
Американский метеоролог Хэмфри, наблюдавший огни Эльма на своем ранчо, свидетельствует: это явление природы, «превращая каждого быка в чудище с огненными рогами, производит впечатление чего-то сверхъестественного». Это говорит человек, который по самому своему положению не способен, казалось бы, удивляться подобным вещам, а должен принимать их без лишних эмоций, опираясь только на здравый смысл. Можно смело утверждать, что и ныне, несмотря на господство, – далеко, правда, не повсеместное, – естественнонаучного мировоззрения, найдутся люди, которые, окажись они в положении Хэмфри, увидели бы в огненных бычьих рогах нечто неподвластное разуму. О средневековье и говорить нечего: тогда в тех же рогах усмотрели бы, скорее всего, происки сатаны.
Коронный разряд, электрическая корона, разновидность тлеющего разряда ; возникает при резко выраженной неоднородности электрического поля вблизи одного или обоих электродов. Подобные поля формируются у электродов с очень большой кривизной поверхности (острия, тонкие провода). При Коронном разряде эти электроды окружены характерным свечением, также получившим название короны, или коронирующего слоя. Примыкающая к короне несветящаяся («тёмная») область межэлектродного пространства называется внешней зоной. Корона часто появляется на высоких остроконечных предметах (святого Эльма огни ), вокруг проводов линий электропередач и т. д Коронный разряд может иметь место при различных давлениях газа в разрядном промежутке, но наиболее отчётливо он проявляется при давлениях не ниже атмосферного.
Появление коронного разряда объясняется ионной лавиной. В газе всегда есть некоторое число ионов и электронов, возникающих от случайных причин. Однако, число их настолько мало, что газ практически не проводит электричества. При достаточно большой напряженности поля кинетическая энергия, накопленная ионом в промежутке между двумя соударениями, может сделаться достаточной, чтобы ионизировать нейтральную молекулу при соударении. В результате образуется новый отрицательный электрон и положительно заряженный остаток – ион.
Свободный электрон 1 при соударении с нейтральной молекулой расщепляет ее на электрон 2 и свободный положительный ион. Электроны 1 и 2 при дальнейшем соударении с нейтральными молекулами снова расщепляет их на электроны 3 и 4 и свободные положительные ионы, и т.д.
Такой процесс ионизации называют ударной ионизацией , а ту работу, которую нужно затратить, чтобы произвести отрывание электрона от атома – работой ионизации . Работа ионизации зависит от строения атома и поэтому различна для разных газов. Образовавшиеся под влиянием ударной ионизации электроны и ионы увеличивает число зарядов в газе, причем в свою очередь они приходят в движение под действием электрического поля и могут произвести ударную ионизацию новых атомов. Таким образом, процесс усиливает сам себя, и ионизация в газе быстро достигает очень большой величины. Явление аналогично снежной лавине, поэтому этот процесс был назван ионной лавиной.
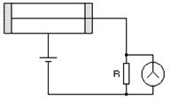
Натянем на двух высоких изолирующих подставках металлическую проволоку ab, имеющую диаметр несколько десятых миллиметра, и соединим ее с отрицательным полюсом генератора, дающего напряжение несколько тысяч вольт. Второй полюс генератора отведем к Земле. Получится своеобразный конденсатор, обкладками которого являются проволока и стены комнаты, которые, конечно, сообщаются с Землей.
Поле в этом конденсаторе весьма неоднородно, и напряженность его вблизи тонкой проволоки очень велика. Повышая постепенно напряжение и наблюдая за проволокой в темноте, можно заметить, что при известном напряжении возле проволоки появляется слабое свечение (корона), охватывающее со всех сторон проволоку; оно сопровождается шипящим звуком и легким потрескиванием. Если между проволокой и источником включен чувствительный гальванометр, то с появлением свечения гальванометр показывает заметный ток, идущий от генератора по проводам к проволоке и от нее по воздуху комнаты к стенам, между проволокой и стенами переносится ионами, образованными в комнате благодаря ударной ионизации. Таким образом, свечение воздуха и появление тока указывает на сильную ионизацию воздуха под действием электрического поля. Коронный разряд может возникнуть не только вблизи проволоки, но и у острия и вообще вблизи любых электродов, возле которых образуется очень сильное неоднородное поле.
Применение коронного разряда. Электрическая очистка газов (электрофильтры) . Сосуд, наполненный дымом, внезапно делается совершенно прозрачным, если внести в него острые металлические электроды, соединенные с электрической машиной, а все твердые и жидкие частицы будут осаждаться на электродах. Объяснение опыта заключается в следующем: как только и проволоки зажигается корона, воздух внутри трубки сильно ионизируется. Газовые ионы прилипают к частицам пыли и заряжают их. Так как внутри трубки действует сильное электрическое поле, заряженные частицы пыли движутся под действием поля к электродам, где и оседают.
![]() |
Счетчики элементарных частиц . Счетчик элементарных частиц Гейгера – Мюллера состоит из небольшого металлического цилиндра, снабженного окошком, закрытым фольгой, и тонкой металлической проволоки, натянутой по оси цилиндра и изолированной от него. Счетчик включают в цепь, содержащую источник тока, напряжение которого равно нескольким тысячам вольт. Напряжение выбирают необходимым для появления коронного разряда внутри счетчика.
При попадании в счетчик быстро движущегося электрона последний ионизирует молекулы газа внутри счетчика, отчего напряжение, необходимое для зажигания короны, несколько понижается. В счетчике возникает разряд, а в цепи появляется слабый кратковременный ток. Чтобы обнаружить его, в цепь вводят очень большое сопротивление (несколько мегаом) и подключают параллельно с ним чувствительный электрометр. При каждом попадании быстрого электрона внутрь счетчика листка электрометра будут откланяться.
Подобные счетчики позволяют регистрировать не только быстрые электроны, но и вообще любые заряженные, быстро движущиеся частицы, способные производить ионизацию путем соударений. Современные счетчики легко обнаруживают попадание в них даже одной частицы и позволяют поэтому с полной достоверностью и очень большой наглядностью убедиться, что в природе действительно существуют элементарные заряженные частицы.
Громоотвод . Подсчитано, что в атмосфере всего земного шара происходит одновременно около 1800 гроз, которые дают в среднем около 100 молний в секунду. И хотя вероятность поражения молнией какого-либо отдельного человека ничтожно мала, тем не менее молнии причиняют немало вреда. Достаточно указать, что в настоящее время около половины всех аварий в крупных линиях электропередачи вызывается молниями. Поэтому, защита от молнии представляет собой важную задачу.
Ломоносов и Франклин не только объяснили электрическую природу молнии, но и указали, как можно построить громоотвод, защищающий от удара молнии. Громоотвод представляет собой длинную проволоку, верхний конец которой заостряется и укрепляется выше самой высокой точки защищаемого здания. Нижний конец проволоки соединяют с металлическим листом, а лист закапывают в Землю на уровне почвенных вод. Во время грозы на Земле появляются большие индуцированные заряды и у поверхности Земли появляется большое электрическое поле. Напряженность его очень велика около острых проводников, и поэтому на конце громоотвода зажигается коронный разряд. Вследствие этого индуцированные заряды не могут накапливаться на здании и молнии не происходит. В тех же случаях, когда молния все же возникает (а такие случаи очень редки), она ударяет в громоотвод и заряды уходят в Землю, не причиняя вреда зданию.
В некоторых случаях коронный разряд с громоотвода бывает настолько сильным, что у острия возникает явно видимое свечение. Такое свечение иногда появляется и возле других заостренных предметов, например, на концах корабельных мачт, острых верхушек деревьев, и т.д. Это явление было замечено еще несколько веков тому назад и вызывало суеверный ужас мореплавателей, не понимавших истинной его сущности.
Молния. Красивое и небезопасное явление природы – молния – представляет собой искровой разряд в атмосфере.
Уже в середине 18-го века обратили внимание на внешнее сходство молнии с электрической искрой. Высказалось предположение, что грозовые облака несут в себе большие электрические заряды и что молния есть гигантская искра, ничем, кроме размеров, не отличающаяся от искры между шарами электрической машины. На это указывал, например, русский физик и химик Михаил Васильевич Ломоносов (1711-65), наряду с другими научными вопросами занимавшийся атмосферным электричеством.
Это было доказано на опыте 1752-53 г.г. Ломоносовым и американским ученым Бенджамином Франклином (1706-90), работавшими одновременно и независимо друг от друга.
Ломоносов построил «громовую машину» - конденсатор, находившийся в его лаборатории и заряжавшийся атмосферным электричеством посредством провода, конец которого был выведен из помещения и поднят на высоком шесте. Во время грозы из конденсатора можно было рукой извлекать искры.
Франклин во время грозы пустил на бечевке змея, который был снабжен железным острием; к концу бечевки был привязан дверной ключ. Когда бечевка намокла и сделалась проводником электрического тока, Франклин смог извлечь из ключа электрические искры, зарядить лейденские банки и проделать другие опыты, производимые с электрической машиной (Следует отметить, что такие опыты чрезвычайно опасны, так как молния может ударить в змей, и при этом большие заряды пройдут через тело экспериментатора в Землю. В истории физики были такие печальные случаи. Так погиб в 1753 г. в Петербурге Г.В. Рихман, работавший вместе с Ломоносовым).
Обычная линейная молния
представляет собой гигантский электрический искровой разряд между слоями атмосферы или между облаками и земной поверхностью длиной несколько километров при напряжении несколько сотен миллионов вольт и длительностью десятые доли секунды. Форма молнии обычно похожа на разветвленные корни разросшегося в поднебесье дерева. Тому есть свои причины.
Проводимость верхних слоев атмосферы достаточно велика, чтобы атмосферу можно было считать сферическим проводником. Существующее между отрицательно заряженной поверхностью Земли и положительно заряженной верхней атмосферой электрическое поле могло бы разрядиться менее чем за 5 минут из-за непрерывной ионизации молекул воздуха под действием космического излучения и естественной радиоактивности Земли. Однако этого не происходит, поскольку в результате грозовой активности поддерживается постоянный приток электронов к Земле. Разность потенциалов между нашим носом и ступнями могла бы достигать 200 В, если бы не высокая проводимость человеческого тела.
При разряде молнии заряды в облаке распределяются следующим образом: в основании облака сосредотачивается относительно небольшой запас положительных зарядов, в середине – большой отрицательный, наверху – огромный положительный. Вначале возникает разряд между основанием облака и его отрицательно заряженной серединой, при котором электроны переходят в основание облака. Предельное напряжение пробоя, вызывающее образование ионизованного канала, составляет примерно 3 млн В/м. Далее разряд продвигается вниз в виде ступенчатого лидера, прыгающего скачками по 50 м с паузами по 50 мкс, и с каждым скачком отрицательный заряд перемещается из облака в нижнюю часть проделанного лидером канала. Светится лишь нижняя часть лидера, но из-за быстрого движения нам виден полностью светящийся канал. Лидер скачет по ломаной линии, отклоняясь под действием разбросанных в воздухе положительно заряженных островков. Если неоднородность велика, лидер может изменить направление с вертикального на горизонтальное.
Вблизи заостренных предметов на поверхности Земли электрическое поле достигает таких значений, что навстречу лидеру устремляется положительный заряд, а в месте встречи возникает яркая вспышка, продолжающаяся до полной нейтрализации электричества. Ярко светящаяся область устремляется вверх по каналу лидера и достигает облака. Если движение вниз совершается примерно за 20 мс, то обратное движение происходит всего за 0,1 мс. Диаметр разряда-лидера оценивается метрами, а обратного разряда – несколько сантиметров. Свечение происходит от центральной части канала. Из-за неспособности человеческого глаза следить за столь быстрыми движениями, светящимся кажется весь ствол с ответвлениями.
При вспышке молнии возникают импульсы электромагнитного излучения в широком диапазоне – от сверхнизких частот до 30 кГц и выше. Наибольшее излучение радиоволн находится в диапазоне от 5 до 10 кГц. Такие низкочастотные радиопомехи сосредоточены в пространстве между нижней границей ионосферы и земной поверхностью и способны распространяться на расстояния в тысячи километров от источника.
Электрический разряд молнии вызывает резкое расширение воздуха, в результате чего создается цилиндрическая ударная волна и образуется гром. Рядом с ударившей молнией можно расслышать шипение, производимое коронным разрядом, и следующий за ним щелчок – звук движущегося вверх сверхзвукового лидера. Сопровождающий молнию гром редко распространяется на расстояние более 25 километров, хотя те же орудийные выстрелы и взрывы снарядов разносятся значительно дальше. Дело в том, что скорость звука в теплом воздухе выше, чем в холодном. Поскольку с увеличением высоты температура уменьшается, верхняя часть звуковой волны, распространявшейся вначале горизонтально, движется медленнее, чем нижняя ее часть. Вследствие этого траектория волны загибается вверх. В холодный же день звук может отклоняться не вверх, а вниз, распространяясь на большие расстояние по поверхности земли (увы, в морозные дни молнии не сверкают). Кроме того, достигая относительно более теплых слоев стратосферы, траектория волны может искривиться таким образом, что снова устремляется вниз, поглощаясь и рассеиваясь рельефом местности. Между областью, которой достигает прямая звуковая волна, и отраженной от стратосферы областью находится "мертвая зона", в которой звук источника не слышен. За пределами мертвой зоны, вне видимости грозы, отраженный звук может появиться снова, предупреждая о нашествии стихии.
Иногда во время грозы можно наблюдать разряд молнии, обрывающийся на полпути к земле, что означает промежуточную нейтрализацию лидера положительным зарядом объемного воздушного скопления. Еще реже возникает картинка из нескольких параллельных разрядов, производящих впечатление свисающей с облака ленты – так называемая ленточная молния. "Лента" образуется при сильном ветре, перемещающем канал молнии с серией следующих друг за другом разрядов. Интересна по структуре и напоминает нанизанные на нитку бусинки четочная молния. Эффект четок возникает при сильно дожде, когда разряд частично заслонен каплями воды и дождевыми струями. В последнем случае участки канала молнии, совпадающие с направлением зрения наблюдателя, заметны несколько дольше остальных, поскольку видны с торца и дают больше света.
Причиной возникновения молнии, помимо распространенных природных явлений, могут послужить также ядерный взрыв, извержение вулкана и землетрясение. При взрыве водородной бомбы молнии могут возникать в результате разделения зарядов от гамма-излучения, а лидеры возникают вблизи металлических сооружений. Подобные лидеры молний, идущие снизу вверх, иногда наблюдаются над крышами небоскребов и остроконечными пиками гор. При вулканическом извержении раскаленная лава сползает в море и поднимает вверх облака положительно заряженного пара, электроны по каналу разряда затем движутся вверх. Что касается провоцирования гроз землетрясениями, ученые выдвигают гипотезу о пьезоэлектрическом эффекте в скальных глубинах, где распространяется сейсмическая волна. На подобном электрическом эффекте основано воспроизведение музыки с грампластинки.
Молниезащита.
До изобретения электричества и громоотвода люди боролись с разрушительными последствиями ударов молний заклинаниями. В Европе действенным средством борьбы считался непрерывный колокольный звон во время грозы. Согласно статистике, итогом 30-летней борьбы с молниями в Германии стало разрушение 400 колоколен и гибель 150 звонарей.
Первым человеком, придумавшим эффективный способ нейтрализации молниевых ударов, стал небезызвестный гражданин США Бенджамин Франклин – универсальный гений своей эпохи (1706-1790).
Действие громоотвода не так просто, как может показаться на первый взгляд. Предполагается, что громоотвод притягивает приблизившегося к нему ступенчатого лидера, образуя защитный конус с углом 900 ниже верхушки громоотвода. Устройство простейшего громоотвода включает три основных элемента: молниеприемник, токоотвод и заземлитель. Часто молниеотвод имеет форму металлического штыря, троса или сетки., Устанавливать громоотвод необходимо на высоту с учетом 900 конуса защиты окружающего пространства. Поскольку при молниевых разрядах в высоковольтных линиях электропередач могут возникать кратковременные импульсы в десятки киловольт, в электросеть добавляют электронные средства защиты.
Тем временем изобретатели продолжают искать новые способы спасения от попадания молний зданий и сооружений. Недавно ведущий инженер Московского института теплотехники Борис Игнатов запатентовал "универсальный молниеотвод" для защиты от линейных и шаровых молний. По теории Игнатова, поскольку ядро шаровой молнии является мощным магнитным диполем, при установке в зоне обычного громоотвода постоянного магнита, шаровая молния должна обязательно притянуться к этому магниту. Важно обеспечить надежный сток электрического заряда на землю.
Принципиально новый способ борьбы с молниями предлагает калифорнийская компания BoltBlocker. По замыслу, громоотвод будет состоять из бьющей ввысь во время грозы водяной струи, диметр которой составит 1 см, а максимальная высота до 300 м. Подобными громоотводами компания планирует оснастить спортивные и детские площадки наиболее "молниеопасных" районов США.
Если же молния застала человека на открытом пространстве, то не стоит паниковать и попытаться найти реальное убежище. Таким убежищем может послужить лес. Не рекомендуется прятаться возле одиноких деревьев, поскольку возможно короткое замыкание между деревом и человеком (сопротивление человека около 500 Ом – меньше, чем у дерева). Нельзя во время грозы плавать в воде, поскольку вода является хорошим проводником электричества. Признаком того, что вы находитесь в электрическом поле, могут послужить вставшие дыбом волосы, которые начнут издавать легкое потрескивание. Но это только сухие волосы. Если поблизости нет убежища, для уменьшения опасности во время грозы лучше сесть на корточки в наиболее низком месте и переждать ненастье. Если гроза успешно миновала, можно продолжить занятие своим делом. Если же молния вас задела, но вы еще в состоянии думать, следует как можно скорее обратиться к врачу. Медики полагают, что человек, выживший после удара молнии (а таких людей немало), даже не получив сильных ожогов головы и тела, впоследствии может получить осложнения в виде отклонений в сердечно-сосудистой и невралгической деятельности от нормы. Впрочем, может и обойтись.
