| Скачать .docx |
Курсовая работа: Электроснабжение участка с 2ИСТ-2,5
МИНИСТЕРСТВО ОБРАЗОВАНИЯ И НАУКИ РОССИЙСКОЙ ФЕДЕРАЦИИ
Федеральное государственное образовательное учреждение
высшего профессионального образования
«Чувашский государственный университет им. И.Н. Ульянова»
Кафедра АЭТУС
КУРСОВОЙ ПРОЕКТ
Электроснабжение участка с 2 ИСТ-2,5
Выполнил: студент
группы ЭТ-52-05
Вальцевич А.М.
проверил: преподаватель Лавин И.А.
г. Чебоксары - 2009 год.
РЕФЕРАТ
Пояснительная записка содержит 25с., табл., рис. и источников литературы.
ЭЛЕКТРОСНАБЖЕНИЕ, ИНДУКЦИОННЫЙ НАГРЕВ, ПЛАНИРОВКА, СХЕМА ПИТАНИЯ, ЗАЩИТА И СИГНАЛИЗАЦИЯ.
В предлагаемой курсовой работе спроектировано электроснабжение участка с 2 ИСТ-2.5, и необходимыми для них механизмами. По разработанным схемам электроснабжения проведены расчеты токов короткого замыкания, необходимые для выбора электрооборудования различных участков разработанной схемы. Спроектирована планировка участка, разработаны схемы питания, защиты и сигнализации.
СОДЕРЖАНИЕ
Введение
1. Техническая характеристика
2. Описание технологического процесса участка
3. Описание ЭТУ как приемника электроэнергии
4. Планировка участка с двумя ИСТ-2,5
5. Графики нагрузки участка
6. Схема электроснабжения участка
7. Расчет токов короткого замыкания
8. Выбор силового оборудования ЭТУ
9. Разработка силовой схемы питания установки
10. Схема управления высоковольтным выключателем
Заключение
Список используемой литературы
Приложение
ВВЕДЕНИЕ
Питание ДСП осуществляется от главной понизительной подстанции (ГПП) в основном по радиальным схемам. Учитывая, что ДСП являются по надежности электроснабжения потребителями второй категории, предусматривается резервирование печной нагрузки. Для этого ГПП получают питание минимум от двух линий, имеют в своем составе два и более силовых трансформатора или автотрансформатора.
Выбор систем электроснабжения ДСП во многом определяется стремлением уменьшить влияние их резкопеременной нагрузки на качество электроэнергии. Одним из вариантов является подключение ДСП в точку с максимально возможной мощностью короткого замыкания. Другим вариантом является питание ДСП по схеме глубокого ввода с максимально возможным напряжением. К сожалению, в настоящее время отсутствует необходимое оборудование (печные трансформаторы и выключатели высокого напряжения с требуемыми коммутационной способностью и ресурсом работы) на напряжение 110 кВ и выше. Поэтому применяется напряжение 6, 10 и 35 кВ, что требует обычно дополнительной трансформации на ГПП, питаемых от линий 110 и 220 кВ. способом повышения мощности короткого замыкания является параллельная работа линий и трансформаторов, обеспечивающих надежное питание цехов с ДСП. Кроме того, для уменьшения влияния ДСП на работу других потребителей внутри завода применяются специальные схемы. Наиболее простым вариантом является питание ДСП и спокойной нагрузки от разных секций ГПП или различных трансформаторов.
Иногда практикуется подключение ДСП и спокойной нагрузки через сдвоенные реакторы. При прохождении в одной ветви реактора резкопеременного тока в другой появляется положительная ЭДС, которая уравновешивает появившиеся колебания напряжения.
1. ТЕХНИЧЕСКАЯ ХАРАКТЕРИСТИКА УЧАСТКА
| Номинальная емкость печи, т |
3 |
| Тип трансформатора |
ЭТМПК 2700/10 |
| Мощность трансформатора,кВА |
1800 (+20%) |
| Вторичное напряжение,В |
245/140 |
| Число фаз |
3 |
| Частота тока,Гц |
50 |
| Удельный расход эл.эн на твердую завалку,кВтч/т |
530 |
| Количество печей |
3 |
| Напряжение питания участка,кВ |
10 |
| Установленная мощность,МВА |
64 000 |
2. ОПИСАНИЕ ТЕХНОЛОГИЧЕСКОГО ПРОЦЕССА УЧАСТКА
Основное назначение дуговой сталеплавильной печи (ДСП) прямого действия – выплавка стали из металлического лома (скрапа). В ДСП получают, как правило, высоколегированные сорта стали. Выплавка легированных сталей включает в себя следующие операции: расплавление металла, удаление содержащихся в нем вредных примесей и газов, раскисление, введение легирующих элементов и слив. В период межплавочного простоя осуществляются заправка подины печи и загрузка новой порции скрапа.
Дуговая сталеплавильная печь ДСП-3 относится к группе трехфазных дуговых печей прямого действия. Основным ее назначением является выплавка стали для фасонного литья, а так же выплавка конструкционной высоколегированной стали на слитки.
В таблице.1. приведем последовательность операций при выплавке стали, также укажем продолжительность каждой из них.
Таблица.1. Технологическая схема плавки.
| № |
Наименование операций |
Время, мин |
| 1 |
Очистка и заправка печи |
до 5-10 |
| 2 |
Завалка шихты |
до 5 |
| 3 |
Плавление шихты |
до 40 |
| 4 |
Рафинировочный период |
20-30 |
| 5 |
Выпуск |
5 |
Завалка порции скрапа в печь производится с помощью кранов. После заправки печи начинают ведение плавки. После проведения всех операций предусмотренных технологией плавки металл сливается в разливочный ковш, из которого в последствие разливается по формам на конвейере. Далее формы поступают в другой термический цех, где в зависимости от требований по свойствам металла производятся те или иные операции.
3. ОПИСАНИЕ ЭТУ КАК ПРИЕМНИКА ЭЛЕКТРОЭНЕРГИИ
Рассматривая ЭТУ как передатчик электроэнергии, следует отметить, что от работы ЭТУ качество электроэнергии не должно стать хуже, чем это определено ГОСТом, так как существует целый ряд устройств, которые критичны к этим показателям качества. С другой стороны ЭТУ являются приемниками, которые предъявляют свои требования к получаемой электроэнергии. Для характеристики приемников принято пользоваться следующими показателями:
1). Мощность;
2). Напряжение;
3). Род тока;
4). Частота;
5). Фазность;
6). Удельный расход электроэнергии;
7). Режим работы;
8). График нагрузки;
9). Категория надежности;
10). Электровооруженность;
11). Стабильность расположения оборудования;
12). Коэффициент мощности;
13). Симметрия.
Три печи ДСП-3 питаются от печных трансформаторов ЭТМПК 2700/10, ИСТ-2,5 от ЭОМН-1500/10, которые в свою очередь получают питание от ГПП состоящей из двух трансформаторов ТРДНС- 40000/35, с суммарной установленной мощностью 80 МВА.
ДСП-3 питаются напряжением 35 кВ (сторона ВН) трехфазного переменного тока промышленной частоты. Удельный расход электроэнергии около 530 кВт·ч/т. Для предлагаемой ЭТУ характерен прерывисто-продолжительный режим работы. С точки зрения бесперебойности электроснабжения по ПУЭ ДСП относят к потребителям второй категории. Что касается стабильности расположения оборудования, то в связи с тем, что технологический процесс существенно не меняется, следовательно особых требований по гибкости к строительной части здания не предъявляется. Электровооруженность труда высока. Коэффициент мощности таких ЭТУ порядка 0,7. Нагрузка по фазам у ДСП распределяется неравномерно, это обусловлено несимметрией токоподвода. Кроме того частые в начальный период плавки короткие замыкания приводят к броскам тока и появлению высших гармоник в сети.
3.ПЛАНИРОВКА УЧАСТКА С ИСТ-2,5 И ТРЕМЯ ПЕЧАМИ ДСП-3
Планировочные решения для печей малой емкости (до 12 тонн) разнообразны. Как правило, такие печи располагаются на нулевой отметке. В целях повышения электрического КПД, экономии меди и уменьшения индуктивного сопротивления печного контура печной трансформатор располагается на минимально возможном по условиям обслуживания расстоянии от печи.
Широкое распространение получил вид планировки – размещение печей вдоль цеха со сливными носками, обращенными в сторону разливочного пролёта (рис. 1). Рассмотрим его подробнее, так как остановим свой выбор на данном варианте планировки участка. В этом случае печные подстанции располагаются в печном пролете I и граничат со стеной, отделяющей шихтовый II и печной пролеты. Подстанции выполняются сдвоенными, а печи правого и левого исполнений. Подача напряжения к печным трансформаторам 3 производится индивидуально по шинопроводу 5 вдоль шихтового пролета.
Ячейки КРУ с высоковольтными выключателями и трансформаторами напряжения помещаются в камере печного трансформатора 4. Выкат трансформатора производится в сторону шихтового пролета. Здесь же размещаются заправочные машины. В шихтовом пролете расположены бункера 9 и закрома 8, 6 для металлолома, ферросплавов, заправочных и формовочных материалов 10. В печном пролете размещаются стенды для подогрева газом разливочных ковшей 1, отведено место 2 для футеровочных работ со сводами, ваннами, ковшами. Печи под загрузку выкатываются на специальных передаточных тележках в шихтовый пролет. Загрузка в этом случае производится кранами шихтового пролета III или кранами ковшевого пролета, а удаление шлака – кранами печного пролета.

Рис. 1. Планировка участка с 3-мя ДСП-3 и одной ИСТ-2,5.
5. ГРАФИКИ НАГРУЗКИ УЧАСТКА
Электрические нагрузки характеризуют потребление электроэнергии отдельными приемниками или группой приемников, предприятием в целом.
Правильное определение ожидаемых электрических нагрузок при проектировании является основой для рационального электроснабжения промышленного предприятия. От их значения зависят выбор всех токоведущих элементов и аппаратов и технико-экономические показатели проектируемой системы электроснабжения.
Таким образом, на протяжении суток нагрузка постоянна. Мощность потребляемая от сети равна 6059 кВА.
Процесс плавки характеризуется следующими основными электрическими режимами.
1. Заправка печи и его загрузка после слива металла предыдущей плавки по времени занимает около 10 минут.
2. Плавку начинают на ступени с небольшим напряжением, чтобы не прожечь свод, этот период плавки длится не более пяти минут, и на графике нагрузки его не будем учитывать. Затем после некоторого углубления электродов переключают на ступень с большим напряжением и ведут процесс расплавления около 40 минут.
3. Процесс рафинирования металла. После расплавления шихты переходят на меньшую мощность, достаточную для перекрывания потерь и расплавления шлаков для рафинирования. Этот процесс длится около 30 минут.
4. Доводят металл до нужного состояния и сливают. Слив металла по времени занимает около 5 минут.
ДСП-3

Рис.2. Индивидуальный график нагрузки печи.

Номинальная мощность приемника: ![]()
![]()
![]()
Средняя нагрузка приемника:
![]()
Среднеквадратичная нагрузка:

Коэффициент использования:
![]()
Коэффициент включения:
![]()
Коэффициент загрузки:
![]()
Коэффициент формы:
![]()
Коэффициент максимума:
![]()
Коэффициент спроса по активной мощности:
![]()
ИСТ-2,5
Заправка,ч. 0,167
Расплавление 1,5
Скачивание 0,2
Рафинирование 1,15
Разливка металла 0,65
Время цикла 3,7

Номинальная мощность приемника: ![]()
![]()
![]()
Средняя нагрузка приемника:
![]()
Среднеквадратичная нагрузка:

Коэффициент использования:
![]()
Коэффициент включения:
![]()
Коэффициент загрузки:
![]()
Коэффициент формы:
![]()
Коэффициент максимума:
![]()
Коэффициент спроса по активной мощности:
![]()
Групповой график нагрузки участка

Номинальная мощность приемника: ![]()
![]()
Средняя нагрузка приемника:
![]()
Среднеквадратичная нагрузка:

Коэффициент использования:
![]()
Коэффициент включения:
![]()
Коэффициент загрузки:
![]()
Коэффициент формы:
![]()
Коэффициент максимума
из табл. 1,1 [1]
Расчетная нагрузка по допустимому нагреву:
![]()
![]()


Рис.3. Групповой график нагрузки печи.
7. СХЕМА ЭЛЕКТРОСНАБЖЕНИЯ УЧАСТКА
ДСП с трансформаторной установкой относятся к группе приемников трехфазного тока напряжением до и свыше 1 кВ, частотой 50 Гц. Так как по надежности электроснабжения ДСП относятся ко второй категории, то они, как правило, питаются от двух независимых источников. На рис.4 показана схема электроснабжения цеха с тремя печами типа ДСП-3 и одной ИСТ-2,5. В качестве источника питания используется трансформатор ЭТМПК-2700/10, подключенный через высоковольтный выключатель типа ВВЭ-10-20/630ТЗ к секционированной системе сборных шин напряжением 10 кВ. Шины подключены к двум трансформаторам типа ТРДНС-40000/35.
8. РАСЧЕТ ТОКОВ КОРОТКОГО ЗАМЫКАНИЯ
Питание печей ДСП-3 и необходимых механизмов осуществляется по схеме представленной на рис. 5. Рассчитаем предложенную схему электроснабжения. Последовательность расчета токов короткого замыкания следующая:
- составляется расчетная схема установки;
- выбирается место условного короткого замыкания;
- задаемся базисными условиями, выражаем сопротивления всех элементов в относительных единицах и составляем схему замещения;
- путем постепенного преобразования сводим расчетную схему к простейшему виду;
- определяем ток короткого замыкания.
При расчетах принимаем следующие допущения:
- в течение всего процесса короткого замыкания ЭДС всех генераторов системы совпадают по фазе;
- не учитывается насыщение магнитных систем, что позволяет считать постоянными и независящими от тока индуктивные сопротивления всех элементов короткозамкнутой цепи;
- пренебрегают намагничивающими токами силовых трансформаторов;
- не учитывают емкости всех элементов короткозамкнутой цепи, включая и воздушные и кабельные линии;
- считают, что трехфазная система является симметричной.
Схема питания, предложенная в исходных данных к курсовому проекту, представлена на рис 5.

Рис. 5. Схема питания участка.
Данные к рисунку :
ГЭС: G1,G2,G3,G4 – СВ-850/120-60
Т1,Т2,Т3,Т4 – ТРДНС-40000/35
ГПП: Т5,Т6 – ТРДНС-40000/35
Реактор РБГ 10-2500-0.14
Система: U=35 кB
S= 150 кBA
X=0.2 о.е.
Данные линий: AL1,AL2 = 10 км
AL3,AL4 = 20 км
CL1,CL2 = 0,5 км
Максимальный ток КЗ будет на сборных шинах, к которым подключается основное оборудование.
Зададимся базисными величинами:

Заменим представленную на рис. 5 схему схемой замещения (рис. 6).

Рис. 6. Схема замещения заданной схемы.
Выразим сопротивления всех элементов в относительных единицах:
А) Сопротивления турбогенераторов определяем по следующей формуле:
(8.1)
Номинальная мощность турбогенератора СВ-850/120-60 равна 40 МВА,
=0,125 [3]. Тогда имеем:
о.е.
Б) Сопротивление реактора типа РБГ 10-2500-0.14
о.е.
В) Сопротивление трансформаторов определим, используя выражение (6.2), где имеем следующие значения параметров для трансформатора ТРДНC-40000/35: номинальная мощность 40 МВА, Uк %=12,7.
о.е. (8.2)
Г) Для расчета сопротивления воздушных линий электропередачи используем формулу (6.3):
(8.3)
где
=0,4 – сопротивление одного километра воздушной линии, l
– длина линии. Тогда имеем:
о.е.
о.е.
Д) учитывая, что
=0,12 [3] для кабельных линий:
о.е.

Рис.7 Упрощенная схема.
X13 = Xг1 /2 = 0.31/2 = 0.48
X15 = Xт1 /2 + Xвл3 + Xкл1 = 0.98/2 + 1.8 + 0.01 = 2.32
X10 = Xс + Xвл1 = 0.2 + 0.9 = 1.1
X11 = Xт5 + Xкл3 = 0.98 + 0.01 = 1
![]()
![]()
![]()
Электрическая удаленность однозначно характеризуется значением расчетного сопротивления, которое определяется как:
![]()
где
- суммарная мощность.
Рассчитаем ток КЗ для ГЭС:
![]()
Случай неудаленного к.з.
Определим токи к. з. имеем систему конечной мощности:
По расчетным кривым рис. 1.58 [3] определяем кратность тока КЗ для системы
:
![]()
Где ![]()

Определим характер к. з. ветви от системы:
где
=X20=1.4
![]()
![]()
В итоге определим токи к.з.:

9.ВЫБОР СИЛОВОГО ОБОРУДОВАНИЯ ЭТУ
При эксплуатации электрические аппараты и токоведущие элементы работают в трех основных режимах: длительном, в режиме перегрузки и в режиме КЗ.
В длительном режиме работы их надежность обеспечивается правильным выбором по номинальным значениям тока и напряжения.
В режиме перегрузки надежная работа электрооборудования обеспечивается ограничением значения и длительности воздействия перегрузки, при которой гарантируется его нормальная работа за счет запаса прочности.
Режим КЗ - самый тяжелый режим работы электрооборудования и надежность при КЗ обеспечивается правильным выбором параметров устройств по условиям термической и электродинамической прочности.
1. Выключатели высокого напряжения QF5,QF6,QF12,QF13 .
Условия выбора выключателя:
1)![]()
2)![]()
3)![]()
4)![]()
5)![]()
6)![]()
7) а)![]()
б)![]()
;
;
![]()
Выбираем выключатель ВВЭ-10-20/630ТЗ.
![]()
![]()
где
=0.05с;
=0.13с;
=0.05с;
1) 11 кВ ≥ 10 кВ
2) 630 А ≥ 156 А
3) 630 А ≥ 187 А
4) 20 кА ≥ 14.6 кА
5) 52 кА ≥14.6 кА
6) 52 кА ≥ 37 кА
7) 1200 кА²с≥ 53 кА²с
2. Выключатели высокого напряжения QF1,QF2, QF9 .
;
;
![]()
Выбираем выключатель ВВЭ-10-20/1250ТЗ.
![]()
![]()
где
=0.05с;
=0.13с;
=0.05с;
7) 11 кВ ≥ 10 кВ
8) 1250 А ≥ 723 А
9) 1250 А ≥ 868 А
10) 20 кА ≥ 14.6 кА
11) 52 кА ≥14.6 кА
12) 52 кА ≥ 37 кА
7) 1200 кА²с≥ 53 кА²с
3. Разъединители QS1-QS7, QS11-QS15.
Условие выбора разъединителя:
1)![]()
2)![]()
3)![]()
4) а)![]()
б)![]()
Выбираем разъединитель РВЗ-1-20/630 У3.
![]()
![]()
где
=0.05с;
=0.15с;
=0.05с;
1) 20 кВ ≥ 10 кВ
2) 630 А ≥ 156 А
3) 630 А ≥ 187 А
4) а) 55 кА ≥ 37 кА
б) 1600кА²с≥ 53 кА²с
Для устранения влияния дуговых печей на ИСТ проверим выполнения условия на необходимость реактора в цепи:

Sпт = 2700*3+1200 =10 МВА
Sкз= 10*37=370 МВА
, следовательно необходим реактор.
4. Реактор L1.
Условие выбора реактора:
1)![]()
2)![]()
3)![]()
4) а)![]()
б)![]()
Выбираем реактор РБСД 10-2×1000-0.56У3.
![]()
![]()
где
=0.05с;
=0.15с;
=0.05с;
1) 10 кВ ≥ 10 кВ
2) 1800 А ≥ 156 А
3) 1800 А ≥ 187 А
4) а) 52 кА ≥ 37 кА
б) 1352кА²с≥ 53 кА²с
5. Шины.
Условие выбора шин:
1)![]()
2)![]()
3)
4)![]()
Выбираем медные шины 60×6 мм.

где
-плотность тока;
=187 А;

где ![]()
=90 –максимально допустимая температура и напряжение на которую используется шина табл.1.15 [4].
Проверка на расчетные нагрузки:
![]()
где
=5 м – длина шин;
а=0.1 м – расстояние между шинами.
![]()
1) 600 мм² > 511 мм²
2) 280 А ≥ 187 А
3) 600мм² ≥ 0.08 мм²
4) 91 Мпа ≥ 84 Мпа
6. Трансформатор тока .
Условие выбора трансформатора тока:
1) ![]()
2) ![]()
3) ![]()
4)
![]()
5) ![]()
![]()
6) ![]()
Измерительные приборы:
Таблица 4.
| Приборы |
Обозначение |
Класс точности |
|
| Амперметр |
Э350 |
1.5 |
0.5 |
| Счетчик Вт-часов |
СА4У-И672М |
2 |
2.5 |
| Варметр |
Д365 |
2.5 |
|
| Счетчик ВА-часов |
СР4У-И673М |
2 |
2.5 |
,
где
-сопротивление соединительных проводов,
-сопротивление подключенных приборов,
-сопротивление контактов.
=0.1 Ом;
![]()
![]()
Выбираем медные провода с ![]()

Выбираем медный провод марки М сечением
=2.5мм².

Выбираем трансформатор тока ТПЛК-10.
1) 10 кВ ≥ 10 кВ
2) 400 А ≥ 156 А
3) 400 А ≥ 187 А
4)
кА≥ 37 кА
5)
кА²с≥ 53 кА²с
7. Трансформатор напряжения .
Условие выбора трансформатора напряжения:
6) ![]()
7) ![]()
Измерительные приборы:
Таблица 5.
| Приборы |
Обозначение |
Класс точности |
|
| Вольтметр |
Э350 |
1.5 |
3 |
| Варметр |
Д365 |
2.5 |
|
| Счетчик ВА-часов |
СР4У-И673М |
2 |
8 |
| Счетчик Вт-часов |
СА4У-И672М |
2 |
8 |
=3+8+8=19ВА.
Выбираем трансформатор напряжения НОЛ 0.8-10УХЛ3.
1) 10 кВ ≥ 10 кВ
2) 630ВА ≥ 19 ВА.
Выбор уставки срабатывания реле тока РТ–40.
Для трансформаторов тока ТА1, ТА2 по условиям:
![]()
где
коэффициент трансформации трансформатора тока,
k сх =1– коэффициент схемы, kн = 1,3– коэффициент надёжности, учитывающий погрешность реле.
Защита от перегрузки:
![]()
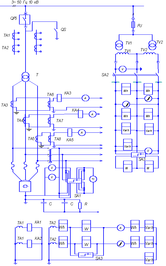
9. РАЗРАБОТКА СИЛОВОЙ СХЕМЫ ПИТАНИЯ УСТАНОВКИ
Ввод на печную подстанцию, включающую силовой трансформатор и шкафы КРУ с вакуумным выключателем трансформаторами напряжения; осуществляется двумя параллельными кабелями типа ТЗВ-10.
Питание печи производится через высоковольтный вакуумный выключатель
ВМПЭ-10-630-31.
Контроль электрического режима производится на стороне высокого и низкого напряжения: на стороне высокого напряжения контролируется мощность, активная и реактивная электроэнергия, потребляемая печью, установлен фазометр
, имеется максимально-токовая защита на реле
; по низкой- контролируются ток и напряжение печного трансформатора, также установлена токовая защита от перегрузки на реле
.
Максимальная токовая защита выполнена по высокой стороне печного трансформатора на реле максимального тока РТ-40. Защита от перегрузки устанавливается по низкой стороне на реле РТ-80 индукционного типа с выдержкой времени.
При этом необходимо учитывать, что схема короткой сети- треугольник на шинном пакете. Именно такая схема дает возможность установить все указанные регистрирующие приборы на низкой стороне на линейные токи.
Для удобного измерения напряжения в цепи установлен универсальный переключатель
. Трансформаторы тока
имеют коэффициент трансформации равный 5/5 и установлены для обеспечения безопасности обслуживающего персонала и для селективной защиты печных трансформаторов тока
соответственно.
Токовые цепи измерительных приборов подключаются через трансформаторы тока типа ТПОЛМ-10, цепи напряжения - к двум трансформаторам напряжения типа НОМ-10-66Т, собранным в схему открытого треугольника.
Предусмотрен контроль напряжения дуг с помощью вольтметров. Имеется возможность включения в цепь электрических лампочек. Степень их накала дает представление о положении электрода относительно металла. Наличие лампочек на схеме не предусмотрено.

10. СХЕМА УПРАВЛЕНИЯ ВЫСОКОВОЛЬТНЫМ ВЫКЛЮЧАТЕЛЕМ
Схема управления высоковольтным выключателем с пневматическим приводом. Для включения печи нужно переключатель SA1 поставить в положение «вкл» (на схеме верхнее положение) при этом должна быть на месте вилка сталевара KL5 , должно быть достаточным давление воды и масла в системе охлаждения KL3 , и должен быть включен газоотсос.
В схеме управления предусмотрено аварийное выключение при выходе из нормального режима работы различных систем. Аварийное выключение производится ступенчато.
При незначительных отклонениях от нормального режима включается предупредительная сигнализация в виде включающейся лампы или звонка, которая устанавливается переключателем SA3 (переключатель позволяет отключить сигнализацию). Контролируются давление газа в трансформаторе KSG2 , температура воды KL4 .
Аварийная сигнализация включается вместе с аварийным выключением ВВ, контакт KL1 . Аварийное выключение возможно при срабатывании газовой защиты KSG1 , максимально-токовой защиты КА1 , защиты от перегрузок КА2 , отсутствии протока воды KL2 . Аварийное отключение возможно нажатием кнопки SB1 .

ЗАКЛЮЧЕНИЕ
В данной курсовой работе спроектировано электроснабжение участка с тремя дуговыми сталеплавильными печами ДСП-3 и одной ИСТ-2,5. Были составлены индивидуальный и групповой графики нагрузки участка: коэффициент использования
; коэффициент включения
; коэффициент загрузки
. Были рассчитаны токи КЗ выше 1 кВ: ![]()
Разработана схема электроснабжения участка, планировка расположения электроустановок, выбрано силовое оборудование ЭТУ. Разработана схема управления и сигнализации.
СПИСОК ИСПОЛЬЗОВАННОЙ ЛИТЕРАТУРЫ
1). Электрооборудование электротехнологических установок Метод. указания к курсовому проектированию / Сост. А.Н.Миронова, Е.Ю.Смирнова; ЧГУ Чебоксары 2003.
2). Электроснабжение электротехнологических установок Метод. указания к курсовому проектированию / Сост. А.Н.Миронова, Е.Ю.Смирнова; ЧГУ Чебоксары 2003.
3). Миронов Ю.М., Миронова А.Н. Электрооборудование и электроснабжение электротермических, плазменных и лучевых установок Учеб. пособие для вузов. – М.: Энергоатомиздат. 1991. – 376 с.: ил.
4). Неклепаев Б.Н., Крючков И.П. Электрическая часть электростанций и подстанций: Справочные материалы для курсового и дипломного проектирования Учеб. пособие для вузов. – 4-е изд., перераб. и доп. - М.: Энергоатомиздат, 1989. – 608 с.: ил.
5). Электрооборудование и автоматика электротермических установок: (Справочник) / Под ред. А.П. Альтгаузена, М.Д. Бершицкого, М.Я. Смелянского, В.М. Эдемского. – М.: Энергия, 1978. – 304 с., ил.