| Скачать .docx |
Дипломная работа: Проектирование теплоэлектроцентрали
Введение
Теплоэлектроцентрали (ТЭЦ) – это вид электростанций, предназначенных для централизованного снабжения промышленных предприятий и городов электроэнергией и теплом. В отличие от конденсационных электростанций (КЭС) на ТЭЦ тепло «отработавшего» в турбинах пара используется для нужд промышленного производства, а также для отопления, кондиционирования воздуха и горячего водоснабжения. При такой комбинированной выработке электроэнергии и тепла достигается значительная экономия топлива по сравнению с раздельным энергоснабжением, т.е. выработкой электроэнергии на КЭС и получением тепла от местных котельных. Поэтому ТЭЦ получили широкое распространение в районах с большим потреблением тепла и электроэнергии. В целом на ТЭЦ производится около 25% всей вырабатываемой в стране электроэнергии.
ТЭЦ строятся как правило вблизи центров электрических нагрузок. Часть мощности при этом может выдаваться в местную сеть непосредственно на генераторном напряжении. С этой целью на электростанции создается генераторное распределительное устройство (ГРУ). Избыток мощности выдается в энергосистему на повышенном напряжении (как и в КЭС).
Существенной особенностью ТЭЦ является повышенная мощность теплового оборудования по сравнению с электрической мощностью станции, что предопределяет больший относительный расход электроэнергии на собственные нужды, чем на КЭС.
Также размещение ТЭЦ преимущественно вблизи крупных промышленных центров повышает требования к охране окружающей среды. Так, для уменьшения выбросов ТЭЦ целесообразно использовать в первую очередь газообразное или жидкое топливо, а также высококачественные угли.
1. Выбор и обоснование главной схемы электрических соединений и схемы электроснабжения потребителей собственных нужд
По справочнику Неклепаева определяем тип турбогенераторов:
ТГ ТВФ – 63 – 2УЗ ТГ ТВФ – 110 – 2ЕУЗ
Sполн = 78.75 МВА Sполн = 137.5 МВА
Sакт. = 63 МВт Sакт. = 110МВт
Uном = 10.5 кВ Uном = 10.5 кВ
Cosц = 0.8 Сosц = 0.8
Xdґґ = 0.1361Xdґґ = 0.189
Цена 268 тыс. руб. Цена 350 тыс. руб.
В зависимости от количества подключенных турбогенераторов к ОРУ представляю два варианта главной схемы электрических соединений станции.
Выбор числа и мощности трансформаторов.
Расход мощности на собственные нужды для станции на газомазутном топливе равен 5–7%. Принимаем Pсн = 6 МВА.
P
=
·63=3.78 МВт
Рассчитаем мощность трансформаторов связи для двух вариантов предложенных схем:
Для схемы №1:
Sрасч1=(3· (Pг─Pсн)─Pмин)/0.8=(3·(63─3.78)─70)/0.8=134.6 МВА─режим мин. нагр.
Sрасч2=(3· (Pг─Pсн)─Pмакс)/0.8= (3· (63─3.78) 1─90)/0.8=132 МВА─режим макс. нагр.
Sрасч3=(2· (Pг─Pсн)─Pмакс)/0.8= (2· (63─3.78) /0.8=35.6 МВА ─ аварийный режим
Sном > 0.7 Sрасч.1 = 0.7·13.46 = 94.22 МВА
Для схемы №2:
Sрасч1=(2· (Pг─Pсн)─Pмин)/0.8= (2· (63─3.78)─70)/0.8=60.6 МВА ─режим мин. нагр.
Sрасч2=(2· (Pг─Pсн)─Pмакс)/0.8= (2· (63─3.78) 1─90)/0.8=35.6 МВА─режим макс. нагр
Sрасч3=(1· (Pг─Pсн)─Pмакс)/0.8= (1· (63─3.78) /0.8=38.5 ─ аварийный режим
Sном > 0.7 Sрасч.1 = 0.7·60.6 = 42.4 МВА
По справочнику выбираем трансформаторы связи:
ТДЦ-125000/220
Sном=125000 кВА
Uвн=242 кВ
Uнн=10.5 кВ
Pхх=120 кВт
Pк=380 кВт
Uк=11%
Iх=0.55%
Цена 186 тыс. руб.
ТД-80000/220
Sном=80000 кВА
Uвн=242 кВ
Uнн=10.5 кВ
Pхх=79 кВт
Pк=315 кВт
Uк=11%
Iх=0.45%
Цена 186 тыс. руб.
Рассчитаем мощность блочных трансформаторов для двух вариантов предложенных схем:
S
=
=
=74 МВА.
S
=
=
=129 МВА.
По справочнику выбираем блочные трансформаторы:
ТД-80000/220
Sном=80000 кВА
Uвн=242 кВ
Uнн=10.5 кВ
Pхх=79 кВт
Pк=315 кВт
Uк=11%
Iх=0.45%
Цена 186 тыс. руб.
ТРДЦН-160000/220
Sном=160000 кВА
Uвн=230 кВ
Uнн=11 кВ
Pхх=155 кВт
Pк=500 кВт
Uк=22%
Iх=0.6%
Цена 269 тыс. руб.
Расчёт экономической целесообразности вариантов схемы.
Экономическую целесообразность схемы определяют минимальными приведёнными затратами:
З = рн К+И+У
где К ─ капиталовложения на сооружение электроустановки, тыс. руб.
рн ─ нормативный коэффициент экономической эффективности, рн =0.15
И ─ годовые эксплуатационные издержки, тыс. руб./год
У ─ ущерб от недоотпуска электроэнергии, тыс. руб./год
Технико-экономическое сравнение
| Оборудование | Стоимость единицы, тыс. руб. | Варианты | |||
| І | ІІ | ||||
| число единиц | общая стоимость | число единиц | общая стоимость | ||
Трансформаторы: ТДЦ─125000/220 ТД─80000/220 ТРДСН─160000/220 Турбогенераторы: ТВФ63–2УЗ ТВФ110–2ЕУЗ Ячейки ОРУ: 220 кВ |
186 186 269 268 350 33.7 |
2 ─ 1 3 1 9 |
372 ─ 269 804 350 303.3 |
─ 3 1 3 1 10 |
─ 558 269 804 350 337 |
| Итого: | 2098 | 2313 | |||
Годовые эксплуатационные издержки определяют по формуле:
![]()
где а ─ отчисления на амортизацию и обслуживание, а=9%
в ─ средняя себестоимость потерь электроэнергии, в=1 коп/кВт·ч
∆Wгод ─ годовые потери энергии в электроустановке, кВт·ч.
Потери электроэнергии в двухобмоточном трансформаторе:
![]()

где Рх, Рк ─ потери мощности холостого хода и короткого замыкания, кВт
Sном ─ номинальная мощность трансформатора, МВ·А
Sмакс ─ расчётная максимальная нагрузка трансформатора, МВ·А
Т ─ продолжительность работы трансформатора в году
ф ─ продолжительность максимальных потерь
Т = 8760 ч – для трансформаторов связи
Т = 8760 – Тр=7160 ч. – для блочных трансформаторов
Тр – продолжительность ремонта блока, Тр = 600 ч
ф=4700 – для трансформатора связи;
ф=4000 – для блочного трансформатора.
Рассчитаем потери ДW:
Для варианта 1 .
Трансформатор ТДЦ-125000/220 (Рх =120кВт, Рк =380кВт)
ДW=120·8760+380· (134,6/125)2 ·4700=31·106 кВтч;
Трансформатор ТРДЦН – 160000/220 (Рх =155, Рк =500кВт)
ДW=155·8160+500· (137,5/160)2 ·4000=2,7·106 кВтч;
Суммарные потери в трансформаторах для варианта 1:
ДW=2·3,1·106 +2,7·106 =8,9·106 кВтч.
Для варианта 2.
Трансформатор ТД-80000/220 (Рх =79 кВт, Рк =315 кВт)
ДW=79·8760+315· (60,6/80)2 ·4700=1,5·106 кВтч;
Трансформатор ТД-80000/220 (Рх =79 кВт, Рк =315 кВт)
ДW=79·8160+315· (78,75/80)2 ·4000=1,87·106 кВтч;
Трансформатор ТРДЦН – 160000/220 (Рх =155, Рк =500 кВт)
ДW=155·8160+500· (137,5/160)2 ·4000=2,7·106 кВтч;
Суммарные потери в трансформаторах для варианта 1:
ДW=2·1,54·106 +1,87·106 +2,74·106 =7,7·106 кВтч.
Приведённые затраты для варианта 1:
З1
=рн
К1
+И1
=рн
К1
+
=0,15·2098,3+(9·2098,3)/100+1·10--5
·8,9·106
=593 руб./год.
Приведённые затраты для варианта 2:
З2
=рн
К2
+И2
=рн
К2
+
=0,15·2318+(9·2318)/100+3·10-4
·1·10--5
·7,7·106
=633. руб./год.
Окончательно выберем наиболее экономичный вариант 1. Разность затрат двух вариантов составляет 6%.
Выбор схем РУ и СН.
На генераторном напряжении ТЭЦ применим схему с двумя системами шин, одна из которых секционирована. Рабочая система шин секционируется, резервная не секционирована. В нормальном режиме станция работает на рабочей системе шин, шиносоединительные выключатели В4 и В5 отключены. Резервная система шин используется для восстановления электроснабжения после к.з. на сборных шинах и для замены любой выводимой в ремонт секции сборных шин. Данная схема обладает хорошей надёжностью и манёвренностью.
РУ СН выполним по схеме с двумя несекционированными системами сборных шин. Каждое присоединение подключено к любой системе шин через развилку разъединителей и один выключатель. Обе системы шин находятся в работе, шиносоединительный выключатель(ШСВ) включён, источники и нагрузка равномерно распределяются между системами шин. Таким образом при к.з. на сборных шинах отключается ШСВ, при этом теряется только половина присоединений. Затем нормальная работа восстанавливается.
РУ ВН выполним схемой с двумя системами шин и обходной. Обходная система шин используется для ревизии и ремонтов выключателей без перерыва питания, что делает схему очень манёвренной и надёжной.
Электроснабжение собственных нужд осуществляется частично от шин генераторного напряжения через реактированные линии и частично от ответвления от генераторного блока. Число секций шин соответствует числу котлов. Каждую секцию присоединяем к отдельному источнику питания.
Для расчёта токов КЗ необходимо принять расчётную схему и рассчитать реактор между секциями сборных шин. Реактор между секциями сборных шин рассчитывают по номинальному току генератора: I = I г ном * 0,7 = 4,33 * 0,7 = 3,031 кА. Таким образом, выбираем реактор РБДГ 10–4000–0,18 У3 со следующими справочными данными:
Uном=10 кВ;
Iдоп.=3200 А;
x р= 0,18 Ом
2. Расчет токов короткого замыкания для выбора электрооборудования главной схемы и схемы собственных нужд
Примем Sб = 1000 МВ·А.
Для первых трех генераторов сопротивления равны и составляют:
![]()
Сопротивление четвертого генератора
![]()
Сопротивления трансформаторов связи:
![]()
Сопротивления блочного трансформатора:
![]()
Сопротивление системы:
![]()
По исходным данным ТЭЦ связана с системой 4 линиями напряжением 220 кВ, для которых
Ом/км. Следовательно
![]()
Сопротивление реактора:
![]()
Схема замещения:

Расчёт токов короткого замыкания в точке К1

X![]()
X
||X
||X
=0,44
X
||X
=0,87
X
||X
=0,9

X![]()
X![]()
X
||X
=0,65


X![]()
E
X
||X
=0,71
Начальное значение периодической составляющей:
Iпо =Еэ ·Iб /Xэ , где
кА.
Iпог =Еэ ·Iб /X20 =1,1·2,51/0,71=3,89кА
Iпос =Еэ ·Iб /X12 =1·2,51/0,27=9,3кА
Iпос =Iпог +Iпос =3,89+9,3=13,2кА
Ударный ток короткого замыкания:
iу = √2·kу ·Iпо
kу – ударный коэффициент
kу =1+exp (-0.01/Ta )
По табл. 5 [1]: kу =1,955; Ta =0,14 с
iу =√2·1,955·13,2=36,6 кА
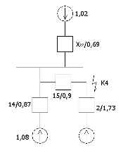
Расчёт токов короткого замыкания в точке К4.

X
||X
=0,24
E

X![]()
X
||X
=0,38
E


X![]()
кА.
Iпог =Еэ ·Iб /X2 =1,08·55/1,73=34,3кА
Iпос =Еэ ·Iб /X24 =1,05·55/1,28=45,1кА
Iпос =Iпог +Iпос =34,3+45,1=79,4кА
Ударный ток короткого замыкания:
iу = √2·kу ·Iпо
kу – ударный коэффициент
kу =1+exp (-0.01/Ta )
По табл. 5 [1]: kу =1,955;
iуг =√2·1,955·34,3=94,8 кА
iус =√2·1,955·45,1=124,7 кА
iу =219,5 кА
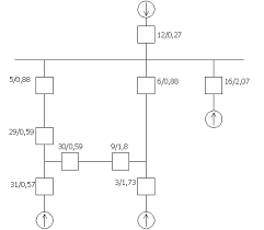
Расчёт токов короткого замыкания в точке К3.

Схема замещения для точки К3

X
||X
=0,65

X![]()
X
||X
=0,22


E
X![]()
кА.
Iпог =Еэ ·Iб /X4 =1,08·55/1,38=43кА
Iпос =Еэ ·Iб /X28 =1,02·55/0,96=58,4кА
Iпос =Iпог +Iпос =34,3+45,1=101,4кА
Ударный ток короткого замыкания:
iу = √2·kу ·Iпо
kу – ударный коэффициент
kу =1+exp (-0.01/Ta )
По табл. 5 [1]: kу =1,955;
iуг =√2·1,955·43=118,9 кА
iус =√2·1,955·58,4=161,5 кА
iу =280,4 кА
Расчёт токов короткого замыкания в точке К2.

Схема замещения для точки К2

X![]()


![]()

X![]()
X![]()

![]()
![]()
![]()
X
||X
=0,24
E

X![]()
X![]()


X
||X
=0,37
E
X![]()
кА.
Iпос =Еэ ·Iб /X41 =1,04·55/0,81=70,6кА
Iпог =Еэ ·Iб /X3 =1,08·55/1,73=34,3кА
Iпо =Iпог +Iпос =34,3+70,6=104,9кА
Ударный ток короткого замыкания:
iу = √2·kу ·Iпо
kу – ударный коэффициент
kу =1+exp (-0.01/Ta )
По табл. 5 [1]: kу =1,955;
iуг =√2·1,955·34,3=94,83 кА
iус =√2·1,955·70,6=195,2 кА
iу =290 кА
Короткое замыкание на шинах собственных
![]()
Выбор реакторов на отходящие кабельные линии.

Ток одной линии:

Ток одной ветви реактора в нормальном режиме:
![]()
Ток ветви реактора при отключении одной линии:

Из справочника Неклепаева выбираем реактор РБСГ 10–2х2500–0.14УЗ.
Уточним значение тока КЗ за реактором:
![]()
Проверим выбранный реактор на остаточное напряжение на шинах установки и на потери напряжения в самом реакторе:


Uост > 65 – 70%.
∆Uост ≈ 1.5 – 2%.
3. Выбор электрических аппаратов и проводников
Выбор выключателей РУ ГН (К2).
![]()

![]()
![]()
Выбираем выключатель МГУ-20–90/9500 УЗ.
![]()
![]()
![]()
![]()
Выполним проверку данного выключателя:


![]()

![]()
![]()
| Расчётная величина | Условие выбора | Каталожные данные выключателя |
Uуст =6.3 кВ Iраб.утяж =7.23 кА Iпо =49.1 кА iу =128.46 кА Iпф =49.1 кА в=8.53 √2Iпф +iаф =75.36 Вк =9848.2 |
≤ ≤ ≤ ≤ ≤ ≤ ≤ ≤ |
Uном =20 кВ Iном =9.5 кА Iдин =105 кА Im дин =300 кА Iоткл =90 кА вном =20 √2Iоткл ·(1+вном /100)=152.74 I2 т ·tт =32400 |
=> выключатели В1 – В7 МГУ-20–90/9500 УЗ.
Выбор выключателя в блоке Г3 – Т3 (К4).
![]()

![]()
![]()
Т.о. В42 выбираем такой же как на РУ ГН, т.е. МГУ-20–90/9500 УЗ.
Выбор линейных выключателей на РУ ГН.
![]()


![]()
![]()
Выбираем выключатель ВМПЭ-10–630–31.5 УЗ.
![]()
![]()
![]()
![]()
Выполним проверку данного выключателя:
| Расчётная величина | Условие выбора | Каталожные данные выключателя |
Uуст =6.3 кВ Iраб.утяж =0.382 кА Iпо =19.98 кА iу =54.53 кА Iпф =10.54 кА в=0.523 √2Iпф +iаф =43.16 Вк =487 |
≤ ≤ ≤ ≤ ≤ ≤ ≤ ≤ |
Uном =10 кВ Iном =0.63 кА Iдин =31.5 кА Im дин =80 кА Iоткл =31.5 кА вном =15 √2Iоткл ·(1+вном /100)=51.2 I2 т ·tт =3969 |
=> выключатели В8 – В27 ВМПЭ-10–630–31.5 УЗ.
Выбор выключателей на РУ СН (К1).
![]()

![]()
![]()
Выбираем выключатель ВМУЭ-35Б-25/1250 УХЛ1.
![]()
![]()
![]()
![]()
Выполним проверку данного выключателя:
| Расчётная величина | Условие выбора | Каталожные данные выключателя |
Uуст =35 кВ Iраб.утяж =1.09 кА Iпо =18.78 кА iу =50.99 кА Iпф =18.78 кА в=59.34 √2Iпф +iаф =42.32 Вк =102.3 |
≤ ≤ ≤ ≤ ≤ ≤ ≤ ≤ |
Uном =35 кВ Iном =1.25 кА Iдин =25 кА Im дин =64 кА Iоткл =25 кА вном =24 √2Iоткл ·(1+вном /100)=43.84 I2 т ·tт =2500 |
=> выключатели В28 – В34 ВМУЭ-35Б-25/1250 УХЛ1.
Выбор выключателей на РУ ВН (К3).
![]()

![]()
![]()
Выбираем выключатель ВМТ-110Б-20/1000 УХЛ1.
![]()
![]()
![]()
![]()
Выполним проверку данного выключателя:
| Расчётная величина | Условие выбора | Каталожные данные выключателя |
Uуст =110 кВ Iраб.утяж =0.49 кА Iпо =8.61 кА iу =23.38 кА Iпф =8.61 кА в=59.38 √2Iпф +iаф =19.41 Вк =21.9 |
≤ ≤ ≤ ≤ ≤ ≤ ≤ ≤ |
Uном =110 кВ Iном =1 кА Iдин =20 кА Im дин =52 кА Iоткл =20 кА вном =24 √2Iоткл ·(1+вном /100)=35.07 I2 т ·tт =1200 |
=> выключатели В35 – В41 ВМТ-110Б-20/1000 УХЛ1.
Выбор выключателей на СН (К6).
![]()

![]()
![]()
Выбираем выключатель ВМПЭ-10–630–31.5 УЗ.
![]()
![]()
![]()

Выполним проверку данного выключателя:
| Расчётная величина | Условие выбора | Каталожные данные выключателя |
Uуст =6.3 кВ Iраб.утяж =0.58 кА Iпо =17.15 кА iу =40.73 кА
в=48.32 √2Iпф +iаф =35.97
|
≤ ≤ ≤ ≤ ≤ ≤ ≤ ≤ |
Uном =10 кВ Iном =0.63 кА Iдин =31.5 кА Im дин =80 кА Iоткл =25 кА вном =15 √2Iоткл ·(1+вном /100)=51.2 I2 т ·tт =3969 |
=> выключатели В43 – В49 ВМПЭ-10–630–31.5 УЗ.
Выбор разъединителей.
Разъединители выбираем по длительному номинальному току и номинальному напряжению, проверяем на термическую и электродинамическую стойкость.
Расчётные величины берём те же, что и для выключателей.
Разъединители в РУ ГН и в блоке Г3-Т3.
Выбираем разъединители РВР 20/8000 УЗ.
| Расчётное значение | Условие выбора | Каталожные данные разъединителей |
Uуст =6.3 кВ Iраб.утяж =7.23 кА iу =128.46 кА Вк =879.95 |
≤ ≤ ≤ ≤ |
Uном =20 кВ Iном =8 кА Im дин =320 кА I2 т ·tт =62500 |
Линейные разъединители и на СН.
Выключатели и разъединители собственных нужд и на отходящие кабельные линии размещаем в шкафах КРУ внутренней установки: К – ХХVI.
Разъединители в РУ ВН.
Выбираем разъединители РНД-110/630 Т1.
| Расчётное значение | Условие выбора | Каталожные данные разъединителей |
Uуст =110 кВ Iраб.утяж =0.49 кА iу =23.38 кА Вк =21.9 |
≤ ≤ ≤ ≤ |
Uном =110 кВ Iном =0.63 кА Im дин =80 кА I2 т ·tт =3969 |
Выбор кабельных линий.
Силовые кабели выбираем по условиям нормального режима и проверяем на термическую стойкость при КЗ.
Iном = 0.344 кА.
Iраб.утяж. = 0.382 кА
Примем поправочные коэффициенты на температуру воздуха и почвы К1 и на число кабелей в траншее К2 равными 1. Тогда условие выбора будет:
Iраб.утяж. ≤ Iдоп
По Iдоп из таблиц определим сечение трёхжильного кабеля Sдоп и сравним его с Sэк и Sмин.

где jэк – экономическая плотность тока, А/мм2 . При продолжительности использования максимальной нагрузки Тмакс =3000–5000 ч/год jэк = 2.5 А/мм2 для кабелей с бумажной изоляцией с медными жилами.

где Ан и Ак.доп – величины, характеризующие тепловое состояние проводника в нормальном режиме и в конце короткого замыкания.
С – функция, которая зависит от типа кабеля. Для кабелей до 10 кВ с бумажной изоляцией и жилами из меди С = 140 А·с1/2 /мм2 .
Т.о. выбираем трёхжильный кабель с медными жилами, прокладываемый в земле:
![]()
![]()


Из полученных сечений выбираем наибольшее, а именно S = 185 мм2 .
Выбор шин РУ СН (К1).
В РУ 35 кВ и выше сборные шины и присоединения от трансформаторов к шинам выполняются аналогично линиям электропередачи, т.е. многопроволочными гибкими сталеалюминиевыми проводами.
Выбор осуществляем по следующим условиям:
![]()

По длительно допустимому току из таблиц стандартных сечений выбираем Sдоп такое, чтобы Iдоп ≥ Iраб.утяж.
=> выбираем провод АС – 700/86.
![]()
По экономической плотности тока шины РУ не проверяются.
Iпо (3) = 18.78 кА < 20 кА, => поверки шин на схлёстывание нет.
Т.к. шины находятся на открытом воздухе, то проверку на термическое действие токов КЗ не производим.
Выполним проверку по короне:

где Ео – критическая напряжённость, при которой возникает корона.
m – коэффициент, учитывающий шероховатость поверхности провода.
rо – радиус провода.

где Е – напряжённость электрического поля около поверхности
нерасщеплённого провода
U – линейное напряжение, кВ
Dср – среднее геометрическое расстояние между проводами фаз, см
Dср = 1.26·D, где D – расстояние между соседними фазами, см.
Условие проверки:
![]()
Для проводов от трансформатора до сборных шин выполним проверку по экономической плотности тока:

Гибкие шины РУ ВН (К3).
![]()

=> выбираем провод АС – 185/29.
![]()
По экономической плотности тока, на схлёстывание шин и на термическое действие токов КЗ аналогично РУ СН проверку не производим
Выполним проверку по короне:
![]()

Условие проверки:
![]()
Участок от трансформатора до сборных шин:

Будем считать, что расстояние от трансформатора до сборных шин не велико, и поэтому проверку по экономической плотности тока можно не учитывать.
Выбор шин на РУ ГН (К2).
![]()
=> выбираем шины коробчатого сечения алюминиевые 200х90х12 мм2 .
![]()
Проверка на термическую стойкость:
![]()
![]()

что меньше выбранного сечения 3435 мм2 , следовательно шины термически стойки.
Проверка на механическую прочность:
![]()
Принимаем, что швеллеры шин соединены жёстко по всей длине сварным швом, тогда момент сопротивления Wyo - y 0 = 422 см3 . Тогда при расположении шин в вершинах треугольника получаем:

![]()
Выбор изоляторов:

Выбираем опорные изоляторы 2 х ИО-10–30 УЗ.
![]()
![]()
Поправка на высоту коробчатых шин:

Условие выбора:
![]()
Проверка ошиновки в цепи генератора на термическую стойкость:
![]()
Ї меньше, чем на СШ, а значит ошиновка в цепи генератора термически стойка.
Проверка на механическую стойкость:
примем ℓ = 1.5 м, а расстояние между фазами а = 0.6 м; швеллеры шин соединены жёстко только в местах крепления шин на изоляторах (ℓп =ℓ).
Тогда получим: ![]()


![]()
![]()
=> шины механически прочны.
Выбор изоляторов:

Выбираем опорные изоляторы ИО-10–30 УЗ.
![]()
![]()
![]()
Условие выбора:
![]()
Выбор КЭТ.
Для выводов турбогенераторов ТВФ – 60 – 2 используем пофазно экранированный токопровод ГРТЕ-10–8550–250.
Условия выбора:
Iраб.утяж = 7.23 кА ≤ Iном = 8.55 кА
iy = 128.46 кА ≤ iдин = 250 кА.
Аналогичный токопровод используем и для блока Г3-Т3:
Iраб.утяж = 7.23 кА iy = 115.64 кА.
Выбор жёстких шин на СН (К6).
Принимаем расстояние между фазами а = 0.3 м, а пролёт шин ℓ = 0.9 м, что соответствует ширине выбранного ранее шкафа КРУ серии К – ХХУI.
![]()
![]()



![]()
Выбор изоляторов:
![]()
Выбираем опорные изоляторы И4–80 УХЛЗ.
![]()
![]()
трансформатор проводник электроснабжение ток
4. Выбор измерительных трансформаторов тока и напряжения
Выбор ТТ в цепи генераторов РУ ГН.
Т.к. участок от выводов генератора до стены турбинного отделения выполнен комплектным токопроводом ГРТЕ-10–8550–250, то выбираем трансформаторы тока, встроенные в токопровод ТШ20–10000/5.
Выполним проверку расчётных и каталожных данных трансформатора:
| Расчётное значение | Условие выбора | Каталожные данные разъединителей |
Uуст =6.3 кВ Iраб.утяж =7.23 кА iу =128.46 кА Вк =9848.2 |
≤ ≤ Ї ≤ |
Uном =20 кВ Iном =8 кА Не проверяется I2 т ·tт =76800 |
Выполним проверку по величине вторичной нагрузки трансформатора тока:
| Наименование прибора | Тип | Нагрузка трансформатора | ||
| А | В | С | ||
Ваттметр Варметр Счётчик активной энергии Амперметр регистрирующий Ваттметр регистрирующий Ваттметр (щит турбины) |
Д-335 Д-335 САЗ-И680 Н-344 Н-348 Д-335 |
0.5 0.5 2.5 Ї 10 0.5 |
Ї Ї Ї 10 Ї Ї |
0.5 0.5 2.5 Ї 10 0.5 |
| Итого | 14 | 10 | 14 | |
Общее сопротивление приборов:

Допустимое сопротивление проводов:
![]()
где Z2 ≈ r2 , т. к. индуктивное сопротивление токовых цепей невелико.
rк – переходное сопротивление контактов.
Для генератора 60 МВт применяется кабель с алюминиевыми жилами приблизительно длиной 40 м, трансформаторы тока соединены в полную звезду, поэтому ℓрасч = ℓ, тогда сечение кабеля будет:

Выбираем контрольный кабель АКРВГ с жилами сечением 4 мм2 .
Выбор ТН в цепи генераторов РУ ГН.
Аналогично ТТ выбираем встроенные в комплектный экранированный токопровод три однофазных трансформатора напряжения ЗНОМ-6.
Проверим их по вторичной нагрузке:
| Прибор | Тип | S одной обмотки | Число обмоток | cos(ц) | sin(ц) | Число приборов | мощность | |
| P,Вт | Q, В·А | |||||||
Вольтметр Ваттметр Варметр Датчик акт. мощн. Датчик реакт. мощн. Счётчик акт. эн-ии. Ваттметр рег-ий Вольтметр рег-ий Частотометр |
Э-335 Д-335 Д-335 Е-829 Е-830 И-680 Н-348 И-344 Э-372 |
2 1.5 1.5 10 10 2 Вт 10 10 3 |
1 2 2 Ї Ї 2 2 1 1 |
1 1 1 1 1 0.38 1 1 1 |
0 0 0 0 0 0.925 0 0 0 |
1 2 1 1 1 1 1 1 2 |
2 6 3 10 10 4 20 10 6 |
Ї Ї Ї Ї Ї 9.7 Ї Ї Ї |
| Итого | 71 | 9.7 | ||||||
Вторичная нагрузка:
![]()
Выбранный трансформатор ЗНОМ-6 имеет номинальную мощность 50 В·А в классе точности 0.5, необходимом для присоединения счётчиков. Таким образом для трёх однофазных трансформаторов напряжения получаем:
![]()
=> трансформаторы будут работать в выбранном классе точности.
Список литературы
1. С.С. Петрова – Учебное пособие «Проектирование электрической части станций и подстанций» Ленинград 1989.
2. Б.Н. Неклепаев, И.П. Крючков – «Электрическая часть электростанций и подстанций» Москва, Энергоатомиздат 1989.
3. Л.Д. Рожкова, В.С. Козулин – «Электрооборудование станций и подстанций» Москва, Энергоатомиздат 1987.
4. Справочник по проектированию электроэнергетических систем под редакцией С.С. Рокотяна и И.М. Шапиро.
5. «Электрическая часть электростанций» под редакцией С.В. Усова.
