| Скачать .docx |
Курсовая работа: Виконання розрахунку лінійних електричних кіл змінного струму
КУРСОВА РОБОТА
по дисципліні
«Теоретичні основи електротехніки»
Виконання розрахунку лінійних електричних кіл змінного струму
Зміст
1. Розрахунокнерозгалуженого ланцюга за допомогою векторних діаграм
2. Розрахунок розгалуженого ланцюга за допомогою векторних діаграм
3. Розрахунок складних ланцюгів змінного струму символічним методом
4. Розрахунок трифазного ланцюга при сполуці приймача в зірку
5. Розрахунок трифазного ланцюга при сполуці приймача в трикутник
6. Розрахунок нерозгалуженого ланцюга з несинусоїдальними напругами й струмами
Висновок
Література
1 Розрахунок нерозгалуженого ланцюга за допомогою векторних діаграм
Мета курсової роботи: зробити розрахунок режимов роботи електроприймачів.
У завданні на курсову роботу опору дані в комплексній формі. Тому розрахунок ланцюга потрібно виконати за допомогою векторних діаграм, визначаємо відповідним заданим комплексам активні й реактивні опори
XС1 = 65 Ом, R2 = 14 Ом, XL2 =56 Ом, R3 =56 Ом ,ХC3 = 23 Ом.
Із заданих приймачів становимо нерозгалужений ланцюг (мал. 1).

Малюнок
Визначаємо активні й реактивні опори всього ланцюга:
R = R2 + R3 = 14 + 56 = 70 Ом;
X = -XC1 + XL2 – XC3 = - 65 + 56 - 23 = - 32 Ом.
Повний опір всього ланцюга тоді визначаємо з вираження:
Z =
=
= 77 Ом.
Струм у ланцюзі буде загальним для всіх приймачів і визначиться за законом Ома:
I = U / Z = 300/77 = 3.9 A.
Кут зрушення фаз між напругою й струмом визначається по синусі
Sin ( = X / Z або тангенсу Tg ( = X / R,
тому що ці функції є непарними й визначають знак кута “плюс” або мінус. Позитивний знак кута вказує на активно-індуктивний (або чисто індуктивний) характер навантаження, а негативний знак кута вказує на активно-ємнісний (або чисто ємнісний) характер. Таким чином, кут зрушення фаз між напругою й струмом визначимо по синусі
Sin ( = X/Z = - 32/77 = - 0,4156;( = - 24.56(; Cos ( = 0,9096.
Напруги на ділянках ланцюга визначаємо також з формули закону Ома:
UC1 = I * XC1 = 3.9 *65 =253.5 B.
UR2 = I * R2 = 3.9 * 14 = 54.6 B.
UL2 = I * XL2 = 3.9 * 56 = 19.5 B
UR3 = I * R3 = 3.9 * 56 = 19.5 B
UC3 = I * XC3 = 3.9 * 23 = 89.7 B.
Визначаємо активні й реактивні потужності ділянок ланцюга:
QC1 = I2 * XC1 =3.92 *65 = 989 вар.
P2 = I2 * R2 =3.92 * 14 = 213 Bт.
QL2 = I2 * XL2 = 3.92*56 = 852 вар.
P3 =I2 *R3 = 3.92*56= 852 Вт
QС3 = I2 * XС3 = 3.92 *23 =350 вар.
Активна, реактивна й повна потужності всього ланцюга відповідно будуть рівні
P = P2 + P3 = 213 +852 =1065 Вт.
Q = -QC1 + QL2 - QС3 = -989+852- 350 = - 487 вар.
S =
=
=1171 B*A.
Повну, активну й реактивну потужності всього ланцюга можна визначити також по інших формулах:
S = U * I =300 *3.9 =1170 У*А.
Р = S * Cos ( =1170* 0,9096 =1064 Вт,
Q = S * Sin (=1170*( - 0,4154) = - 486 вар.
Визначаємо ємність і індуктивність ділянок. Кутова частота
ω = 2 πf = 2 * 3,14 * 50 = 314 з-1
C1 = 1/wXc1 =1/(314*65)= 0,000049 Ф = 49 мкФ
L2
= XL2
/w = 56/314 = 0,178 Гн ![]()
З3 = 1/wXС3 = 1/(314*23) = 0,000138 Ф = 138 мкФ.
Для побудови векторної діаграми задаємося масштабами струму й напруги, які будуть відповідно рівні MI = 0,25 A/см і MU = 25 B/см.
Побудову топографічної векторної діаграми починаємо з вектора струму, що відкладаємо уздовж позитивної горизонтальної осі координат. Вектори напруг на ділянках будуються в порядку обтікання їхнім струмом з обліком того, що вектори напруг на активних елементах
R2
і
R3
збігаються по фазі зі струмом і проводяться паралельно вектору струму. Вектор напруги на індуктивності
L2
випереджає струм по фазі на кут 900
і тому відкладається на кресленні нагору стосовно струму. Вектори напруг на ємності
З1
і
відстають від струму по фазі на кут 900
і відкладаються на кресленні долілиць стосовно струму. Вектор напруги між затисками ланцюга проводиться з початку вектора струму в кінець вектора
З3
. На векторній діаграмі відзначаємо трикутник напруг ОАВ, з якого активнаа тридцятилітній напруги
Uа = UR2 + UR3
і реактивна частка напруги
Uр = -UС1 + UL2 – UС3 .
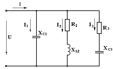
2 Розрахунок розгалуженого ланцюга за допомогою векторних діаграм
Приєднуємо задані приймачі паралельно до джерела напруги. Це значить, що ланцюг складається із трьох галузей, для яких напруга джерела є загальним.
Розрахунок паралельного ланцюга виконуємо по активнимим і реактивним часткам струмів.

Малюнок
Цей метод передбачає використання схеми заміщення з послідовною сполукою елементів. У цьому випадку три паралельні галузі розглядаються як три окремі нерозгалужені ланцюги, підключені до одного джерела з напругою U. Тому на початку розрахунку визначаємо повні опори галузей:
Z1 = Хс1 = 65 Ом.
Z2
=
=
= 57.7 Ом.
Z3
=
= 60.5 Ом.
Кути зрушення фаз між напругами й струмами в галузях визначаються також по синусі (або тангенсу):
Sinφ1 = -1; j1 = - 90°;Cosφ1 = 0
Sinφ2 = XL2 / Z2 = 56/57.7 = O.9705; j2 = 76.05°; Cosφ2 = 0.241.
Sinφ3 = - XC3 /Z3 = - 23/60.5= - 0.38; φ3 = - 22.34°; Cosφ3 = 0.9249.
Потім можна визначати струми в галузях за законом Ома:
I1 = U / Z1 =300 / 65 = 4.62 А.
I2 = U / Z2 = 300 / 57.7 = 5.2 А.
I3 = U / Z3 = 300 / 60.5 = 4.96 А.
Для визначення струму в нерозгалуженій частині ланцюга потрібно знати активних і реактивні тридцятимільйонних струмів у галузях і нерозгалуженій частині ланцюга:
Ip1 = I1 *Sinj1 = 4.62*(- 1) = - 4.62 A.
Ia2 = I2 * Cosφ2 = 5.2 * 0,241 = 1.25 A;
Ip2 = I2 * Sinφ2 = 5.2 * 0,9705 = 5.05 A;
Ia3 = I3 *Cosj3 = 4.96*0.9249 = 4.59 A.
Ip3 = I3 *Sinj3 = 4.96*(- 0.38) = - 1.88 A.
Активні й реактивна тридцятимільйонні токи в нерозгалуженій частині ланцюга:
Ia = Ia2 + Ia3 = 1.25+4.59 = 5.84 A.
Ip = Ip1 + Ip2 + Ip3 = - 4.62+5.05 – 1.88 = - 1.45 A.
Повний струм у нерозгалуженій частині ланцюга:
I =
=
= 6.02 A.
Кут зрушення фаз на вході ланцюга:
Sinφ = IP / I = - 1.45/6.02 = - 0.2409; φ = -13.940 ; Cosφ = 0.9706.
Активні, реактивні й повні потужності галузей:
QC1 = I1 2 *XC1 = 4.622 *65 = 1387 вар.
S1 = U*I1 = 300*4.62 = 1387 B*A.
P2 = I2 2 * R2 = 5.22* 14 = 379 Вт.
QL2 = I2 2 * XL2 = 5.22 * 56 =1514 вар.
S2 = U * I2 = 300 * 5.2 =1560 У*А.
P3 = I3 2 *R3 = 4.962 *56 = 1378 Bт
QC3 = I3 2 * XC3 = 4.962 * 23 =566 вар.
S2 = U * I2 = 300 *4.96 = 1488 У*А
Активні, реактивні й повні потужності всього ланцюга:
P = P2 + P3 = 379 + 1378 =1757 Вт.
Q = - QC1 + QL2 - QC3 = - 1387 +1514 -566 = - 439 вар.
S =
=
= 1811 У*А, або
S = U * I = 300*6.02 = 1806 У*А.
P = S * Cos? = 1806 * 0,9706 = 1753 Вт.
Q = S * Sin? = 1806*(- 0.2404) = - 434 вар.
Для побудови векторної діаграми задаємося масштабами напруг MU = 25 У/см і струмів MI = 0.5 А/см. Векторну діаграму починаємо будувати з вектора напруги, що відкладаємо уздовж горизонтальної позитивної осі. Векторна діаграма струмів будується з обліком того, що активні струми Ia2 і Ia3 збігаються по фазі з напругою, тому їхні вектори паралельні вектору напруги; реактивний індуктивний струм Ip2 відстає по фазі від напруги, і його вектор будуємо під кутом 900 до вектора напруги убік відставання; реактивні ємнісні струми Ip1 і Ip3 випереджають по фазі напруга, і їхні вектори будуємо під кутом 90° до вектора напруги убік випередження.
Вектор струму в нерозгалуженій частині ланцюга будуємо з початку побудови в кінець вектора ємнісного струму Ip3
.
Ia/
3 Розрахунок складних ланцюгів змінного струму символічним методом
Електрична схема ланцюга й комплексна схема заміщення представлені на малюнку відповідно.

Малюнок
Намічаємо в незалежних контурах заданого ланцюга, як показано на малюнку 5б, контурні струми IK1 і IK2 – деякі розрахункові комплексні величини, які однакові для всіх галузей обраних контурів. Напрямку контурних струмів приймаються довільно. Для визначення контурних струмів становимо два рівняння по другому законі Кирхгофа:
IK1
*(Z1
+ Z2
) – IK2
*Z2
= E2
- IK1 *Z2 +IK2 *(Z2 +Z3 )= E3 - E2
Підставляємо дані в систему:
IK1 *(- j65+14+j56) – IK2 *(14+j56) = 230
-IK1 *(14+j56) +IK2 *(14+j56+56 – j23) = j240-230
IK1 *(14-j9) – IK2 *(14+j56) = 230
-IK1 *(14+j56) + IK2 *(70+j33) = -230+ j240
Вирішуємо систему за допомогою визначників. Визначник системи:
=1277-j168+2940– j1568=4217-j1736
Приватні визначники
=
= 16100+j7590–16660-j9520= -560–j1930.
=-1060+j5430+3220+j12880 = 2160+j18310
Визначаємо контурні струми:
IK1
=
=
= 0.0476-j0.438 A.
IK2
=
=
= - 1.09+ j3.89 A.
Дійсні струми в галузях ланцюга визначаємо як результат накладення контурних струмів:
I1
= IK1
= 0.0476 – j0.438 = 0.441
A
I2
= IK1
-IK2
= 0.0476.- j0.438+1.09- j3.89 = 1.14 – j4.33 = 4.48
A
I3
= IK2
= -1.09 + j3.89 = 4.04
A.
Становимо рівняння балансу потужностей у заданому електричному колі. Визначаємо комплексні потужності джерел
SE2
= E2
*
=230(1.14+j4.33) = 262+j996=1030
B*A
SE23
= E3
*
= j240*(-1.09 – j3.89) = 912 – j262 = 949
B*A
Визначаємо комплексні потужності приймачів електричної енергії:
S1
= I1
2
*Z1
=0.4412
*( – j65) = – j12.6 =12.6
B*A
S2
= I2
2
*Z2
= 4.482
*(14+j56) = 281+j1124=1159
B*A
S3
= I3
2
*Z3
= 4.042
*(56 – j23) = 914– j375 =988
B*A.
Рівняння балансу комплексних потужностей!
SЕ1 + SE2 = S1 + S2 + S3 ;
262+j996+912-j262 = - j12.6+281+j1124+914- j375
1174+ j734 @ 1182+ j749; 1385
@ 1400 ![]()
Відносна й кутова погрішності незначні.
Для побудови векторної діаграми задаємося масштабами струмів MI = 0.25 А/см і ЕДС ME = 50 В/см. Векторна діаграма в комплексній площині побудована на малюнку 6.
4 Розрахунок трифазного ланцюга при сполуці приймача в зірку
Схема заданого ланцюга зображена на малюнку.
Визначаємо систему фазних напруг генератора. Фазна напруга:
UФ
= Uл/
= 380/1,73=220 У.
Комплексні фазні напруги генератора:
UA = UФ = 220 B
UB = UA e-j120 = 220e-j120 = –110 – j191 B
UC = UA ej120 = 220ej120 = –110 + j191 B
Визначаємо повні провідності фаз приймача:
YA
=
= j0,01538 См.
YB
=
= 0.0042-j0.0168 См.
YC
=
= 0.0153+j0.00628Cм.
YN
=
=
= j0.03125 См.

Малюнок
Вузловою напругою є в цьому випадку напруга зсуву нейтралі, що визначається по формулі:
UN
=
![]()
![]()
= (j3.38-3.67+j1.05-2.88+j2.23)/(0.05075+j0.00486) = (-6.55+j6.66)/(0.0195+j0.03611)= 67+j218 = 228
B.
Визначаємо фазні напруги на навантаженні:
UA
/
= UA
– UN
= 220- (67+j218) = 153-j218 = 266
B.
UB
/
= UB
– UN
= (–110-j191) - (67+j218) = -177-j409 =446
B.
UC
/
= UC
–UN
=(–110+j191) - (67+j218) = -177 – j27 = 179
B.
Визначаємо струми у фазах навантаження
IA
= UA
/
*YA
= (153-j218)*(j0.01538) = 3.35+j2.35 = 4.1
A.
IB
= UB
/
*YB
= (-177-j409)*(0.0042-j0.0168) = -7.61+j1.26 =7.72
A.
IC
=UC
/
*YC
= (-177 – j27)*(0.0153+j0.00628)=- 2,53–j1,52= 2,96
A.
IN
= UN
*YN
= (67+j218)*j0.03125 = - 6,8 + j2,09 = 7,12*![]()
Перевіряємо правильність визначення струмів по першому законі Кирхгофа для крапки N':
IA + IB + IC =IN
3.35+j2.35 -7.61+j1.26 - 2,53 - j1,52 ( - 6,8 + j2,09;
- 6,79+j2.09 ( - 6,8 + j2,09.
Визначаємо комплексні потужності фаз і всього ланцюга:
SA
= IA
2
* Z1
= 4,12
*(-j65) = -j1092=1092
B*A.
SB
= IB
2
* Z2
= 7,722
*(14+j56) = 834+j3338 =3440
B*A
SC
= IC
2
* Z3
= 2,962
*(56-j23) = 491 – j 202 = 530
B*A.
S= SA + SB + SC = -j1092+ 834+j3338+ 491 – j 202 = 1325+j2044 =
= 2436
B*A.
Для побудови векторної діаграми задаємося масштабами струмів MI = 1 А/см і напруг MU = 40 B/см. Векторна діаграма на комплексній площині побудована на малюнку 8.
5 Розрахунок трифазного ланцюга при сполуці приймача в трикутник
Схема заданого ланцюга зображена на малюнку

Малюнок
У цьому випадку лінійні напруги генератора є фазниминапругами навантаження:
UAB = UЛ = 380 У.
UBC
= 380
= -190-j329 B.
UCA
= 380
= -190+j329 B.
Визначаємо систему фазних струмів навантаження:
IAB
=
=
= j5,85 = 5,85
A
IBC
=
=
= -6,32+j1,81 = 6,58
A![]()
ICA
=
=
= -4,96+j3,83 = 6,27
A
Систему лінійних струмів визначаємо зі співвідношень:
IA
= IAB
– ICA
= j5,85+4,96-j3,83 = 4,96+j2,02 = 5,36
A
IB
= IBC
– IAB
= -6,32+j1,81-j5,85 = -6,32-j4,04 = 7,5
A
IC
= ICA
– IBC
= -4,96+j3,83+6,32-j1,81 = 1,36+j1,92 =2,35
A
Визначаємо потужності фаз приймача:
SAB
=IAB
2
*Z1
= 5,852
*(-j65) = -j2224 = 2224
B*A.
SBC
= IBC
2
*Z2
= 6,582
*(14+j56) = 606+j2425 = 2499
B*A.
SCA
= ICA
2
*Z3
= 6,272
*(56 – j23) =2201– j904 = 2380*
B*A.
Визначаємо потужність трифазного навантаження
SAB +SBC +SCA = -j2224+606+j2425+2201– j904 =2807 – j703 =
= 2894
B*A. ![]()
Для побудови векторної діаграми задаємося масштабами струмів MI =1 A/см і напруг MU = 50A/см. Векторна діаграма побудована на малюнку 10.
6 Розрахунок нерозгалуженого ланцюга з несинусоїдальними напругами й струмами
Становимо схему заданого ланцюга, підключаючи послідовно з'єднані приймачі до джерела несинусоїдальної напруги, під дією якого в ланцюзі виникає струм з миттєвим значенням
i=7Sin(wt+130 )+1,2Sin(2wt-860 )+0,4Sin3wt A, що на схемі заміщення представляємо як послідовно з'єднані три джерела змінної напруги u1 , u2 і u3 c різними частотами (малюнок 11)
Величини опорів задані для частоти першої гармоніки
XC11 = 18 Ом, R2 = 23 Ом, XL21 = 14 Ом, R3 = 12 Ом, XC31 = 62 Ом. Оскільки напруги джерел мають різні частоти, той і реактивний опори для них будуть мати різні величини. Активні опори вважаємо від частоти не залежними. Тому розрахунок ведемо методом накладення, тобто окремо для кожної гармоніки.

Малюнок
Перша гармоніка
Визначаємо активний і реактивний опори всього ланцюга:
R = R2 + R3 = 14+56 = 70 Ом. X1 = -XC11 + XL21 - XC31 = - 65+56–23 =
= -32 Ом.
Повний опір ланцюга:
Z1
=
=
= 76,7 Ом.
Амплітудні значення напруги й струму:
Im1 = 7 A, Um1 = Im1 *Z1 = 7*76.7 =537 B.
Діючі значення напруги й струму:
U1
= Um1
/
= 537 / 1,41 = 381 B.
I1
= Im1
/
= 7/1,41 = 4.96 A.
Кут зрушення фаз між напругою й струмом визначаємо по синусі:
Sinφ1 = X1 /Z1 = -32/76.7 = - 0.4172. j1 = - 24.66°, Cosφ1 =0.9088.
Активна й реактивна потужності першої гармоніки:
P1 = I1 2 * R = 4.962 * 70 =1722 Вт.
Початкова фаза струму визначається зі співвідношення:
φ1 = yU1 – yI1 , звідси yU1 =yI1 + j1 = 13°- 24.66°= - 11.66°
Миттєве значення напруги першої гармоніки
u1 = Um1 * Sin (ωt + yU1 ) = 537 * Sin (ωt - 11.66() B.
Друга гармоніка.Для інших гармонік напруги розрахунки приводимо без додаткових роз'яснень.
X2 = XC11/2 + XL21* 2 - XC31/2 = -65/2 + 56* 2 - 23/2 = 68 Ом.
Z2
=
=
=97.6 Ом,
Im2 =1.2 A, Um2 = Im2 *Z2 =1.2*97.6 =117 B.
U2
= Um2
/
=117 / 1,41 = 83 B.I2
= Im2
/
= 1.2 / 1,41 = 0.85 A.
Sin φ2 = X2 / Z2 = 68/97.6= 0,6967.j2 = 44.16°, Cos φ2 = 0,7173.
P2 = I2 2 * R2 = 0.852 *70 = 51 Вт.
yU2 =yI2 + j2 = -86°+ 44.16°= - 41.9°
u2 = Um2 * Sin (2ωt + yU2 ) = 117 * Sin (2ωt - 41.9() B.
Третя гармоніка
X3 = XC11/3 + XL11 * 3 – XC31/3 = - 65/3 + 56* 3 - 23/3 =139 Ом.
Z3
=
= 156 Ом. Im3
=0.4 A, Um3
= Im3
*Z3
=0.4 *156 =
= 62.4 B.
U3
= Um3
/
=62.4/
= 44.3 B. I3
= Im3
/
= 0.4 / 1,41 = 0.28 A.
Sin φ3 = X3 / Z3 =139 /156 = 0,891. j3 = 63°. Cos φ3 = 0,454.
P3 = I3 2 * R = 0.282 *70 = 0.5 Вт.
yU3 =yI3 + j3 = 63°.
u3 = Um3 * Sin (3ωt + yU3 ) =44.3 * Sin (3ωt +63() B.
Визначаємо діючі значення струму й напруги:
I =
=
= 5.04 A.
U =
=
= 559 B.
Активна й реактивна потужності ланцюга:
P = P1 +P2 +P3 =1722+51+0.5=1774 Вт.
Середньозважений коефіцієнт потужності ланцюга:
Cos Х = Р / (U * I) = 1774/ (559 *5.04) = 0,6296.
Рівняння миттєвих значень напруги між затисками ланцюга
u=u1 +u2 +u3 =537 * Sin (ωt - 11.66()+117 * Sin (2?t - 41.9()+
+44.3 * Sin (3?t +63() B.
Висновок
Метою курсової роботи було розрахувати режими роботи електроприймачів. У ході роботи були виконанані такі задачі:
1.Приєднали приймачі послідовно до джерела з напругою U = 300 В. Визначили повний опір ланцюга Z, струм I, напруги на ділянках, кут зрушення фаз, потужності ділянок і всього ланцюга, індуктивності і ємності ділянок. Побудували топографічну векторну діаграму ланцюга.
2. Приєднали приймачі паралельно до джерела з напругоюU = 300 У. Визначили струми в галузях і в нерозгалуженій частині ланцюга, кути зрушення фаз у галузях і у всім ланцюзі, потужності галузей і всього ланцюга. Побудували векторну діаграму ланцюга.
3. Склали із приймачів ланцюг із двома вузлами, включивши в кожну галузь відповідно електрорушійної силі E2 =230 У и Е3 = j240 B. Розрахували в комплексній формі струми в галузях, напруги на ділянках, потужності джерел і приймачів, скласли рівняння балансу потужностей. Побудувати векторну діаграму в комплексній площині. Для розрахунку застосували Кут зрушення фаз між напругою й струмом
4. З'єднали приймачі в зірку з нульовим проведенням (ZN = -j32 Ом), і підключити їх до трифазного джерела з лінійною напругою UЛ =380 У. Визначили фазні струми й напруги джерела, напруга зсуву нейтралі й струм у нульовому проведенні. Побудували топографічну векторну діаграму в комплексній площині.
5. З'єднали приймачі в трикутник і підключили його до того ж джерелу трифазної напруги. Визначили фазні й лінійні напруги й струми, потужності фаз і всього ланцюга. Побудувати векторну діаграму ланцюга в комплексній площині.
6. Приєднали приймачі послідовно до джерела несинусоїдального струму i=7Sin(wt+130 )+1,2Sin(2wt-860 )+0,4Sin3wt A. Визначили діючі значення струму й напруги, активну потужність ланцюга. Записати рівняння миттєвих значень напруги в ланцюзі. Усі необхідні роботи виконані в повному обсязі.
Література
1.Ф.Е. Євдокимов. Теоретичні основи електротехніки. – К., 2003.
2.В.С. Попов. Теоретична електротехніка. – К., 2005
3.Ю.В. Буртаєв, П. И. Овсянников. Теоретичні основи електротехніки. – К., 2000
4.Л.А. Частоєдов. Електротехніка. – К., 2005.
5.М.Ю. Зайчик. Збірник завдань і вправ по теоретичній електротехніці. – К., 2002