| Похожие рефераты | Скачать .docx |
Реферат: Проектирование электромеханических устройств
МИНИСТЕРСТВО ОБРАЗОВАНИЯ И НАУКИ УКРАИНЫ
ДОНБАССКИЙ ГОСУДАРСТВЕННЫЙ ТЕХНИЧЕСКИЙ УНИВЕРСИТЕТ
Кафедра электрических машин и аппаратов
ОПОРНЫЙ КОНСПЕКТ ЛЕКЦИЙ
по дисциплине
ПРОЕКТИРОВАНИЕ ЭЛЕКТРОМЕХАНИЧЕСКИХ УСТРОЙСТВ
(раздел – электрические аппараты)
для студентов специальности 6.092206 – «Электрические машины и аппараты»
старший преподаватель
Алчевск 2009
СОДЕРЖАНИЕ
1 Классификация электрических аппаратов по областям применения
1.1 Электрические аппараты распределения электрической энергии высокого напряжения
1.2 Электрические аппараты распределения электрической энергии низкого напряжения
1.3 Аппараты управления
1.4 Электрические аппараты защиты
1.5 Установочные аппараты
2 Части электрических аппаратов
3 Общие требования, предъявляемые к проектируемым аппаратам
3.1 Функционально-технические требования
3.2 Эксплуатационные требования
3.3 Социальные требования
3.4 Экономические требования
4 Применяемые материалы и прогрессивные направления их выбора
4.1 Применяемые материалы в создании электрических аппаратов
4.2 Прогрессивные направления выбора материала
5 Термины, относящиеся к проектированию серии электрических аппаратов
6 Ряды предпочтительных чисел номинальных параметров
7 Определение основных размеров и параметров аппаратов серии
7.1 Общие положения
7.2 Зависимость сечения токоведущих деталей от величины номинального тока ![]()
7.3 Зависимость силы контактного нажатия аппаратов серии от величины номинального тока
7.4 Зависимость основных (габаритных) размеров аппаратов серии от величины номинального тока
7.5 Зависимость основных (габаритных) размеров аппаратов серии от величины номинального напряжения
8 Выбор и расчет общей электрической изоляции аппаратов
8.1 Общие положения
8.2 Аппараты низкого напряжения
8.3 Аппараты высокого напряжения
8.4 Порядок расчета общей электрической изоляции аппарата высокого напряжения
9 Проектирование оболочек электрических аппаратов электрооборудования. Степени защиты оболочками электрооборудования
10 Проектирование проводников и контактных соединений токоведущего контура электрических аппаратов
11 Определение площади и размеров сечения проводников токоведущего контура в нормальных режимах
11.1 Продолжительный режим
11.1.1 Расчет проводника с неизменным сечением по длине
11.1.2 Расчёт проводника с переменным сечением по длине
11.2 Кратковременный режим работы
11.3 Повторно-кратковременный режим работы
11.4 Расчёт токоведущих частей в режиме КЗ или предельных токах
12 Расчет коммутирующих контактов
12.1 Общие требования к коммутирующим контактам
12.2 Общий порядок проектирования контактов
12.3 Выбор конструктивных форм контактов
12.4 Выбор формы контактной поверхности
12.5 Выбор материалов и определение размеров контактов
12.6 Определение размеров коммутирующих контактов и контактных
Накладок
12.7 Определение размеров рычажных контактов
12.8 Определение силы контактного нажатия коммутирующего контакта
12.9 Определение переходного сопротивления контактов
12.9.1 Определение переходного сопротивления контактов по теоретической зависимости
12.9.2 Определение
по формуле, основывающейся на опытных
данных
12.9.3 Определение
по графическим зависимостям
12.10 Определение напряжения и температуры нагрева коммутирующих контактов
12.11 Определение допустимого тока через коммутирующие контакты
12.12 Определение величины тока сваривания контактов
12.12.1 Общий метод определения тока сваривания
12.12.2 Расчёт начального тока сваривания контактов
12.12.3 Определение тока сваривания по экспериментальным данным
12.12.4 Определение тока сваривания по опытным данным
12.13 Мероприятия по повышению устойчивости контактов против
сваривания
12.13.1 Конструктивные мероприятия
12.13.2 Повышение устойчивости за счёт рационального выбора
материала
12.14 Износостойкость контактов
12.14.1 Общие положения
12.14.2 Расчётные зависимости для определения электрической износостойкости
13 Маломощные реле
13.1 Условия работы
14 Аппараты распределения энергии и управление её приёмниками (до 1000В)
14.1 Последовательность расчёта электрической износостойкости и провала контактов для аппаратов управления (контакторов)
14.2 Мероприятия по повышению износостойкости контактов
15 Расчет контактных пружин
15.1 Порядок проектирования
15.1.1 Эскизная проработка контактного узла в масштабе
15.1.2 Построения нагрузочной характеристики пружины
15.1.3 Выбор материала пружины
15.1.4 Определение характеристических коэффициентов пружины
15.1.5 Определение диаметра проволоки или прутка и числа витков катушки
15.1.6 Определение шага пружины сжатия и длины пружины
15.1.7 Уточнение полученных данных
15.1.8 Конструктивная проработка пружины
16 Проектирование дугогасительных устройств
16.1 Общие положения
16.2 Условие гашения дуги постоянного тока
16.3 Условия гашения дуги переменного тока
16.4 Значения токов, для которых производится расчёт дугогасительного устройства
16.5 Перенапряжения при отключении дуги постоянного тока
16.6 Учёт влияния индуктивности отключаемой цепи при расчётах дугогасительных устройств постоянного тока
16.7 Основные критерии правильности расчёта ДУ постоянного и переменного тока
16.8 Гашение свободной, неподвижной, открытой дуги постоянного тока механическим растяжением
16.9 Гашение свободной дуги постоянного тока, перемещающейся под действием электродинамических усилий
16.9.1 Порядок расчёта ДУ (дугогасительного устройства)
16.10 Гашение свободной открытой дуги переменного тока двукратным разрывом
16.11 Гашение дуги постоянного тока в камере с продольной щелью в поперечном магнитном поле
16.11.1 Порядок расчёта электромагнитной системы магнитного дутья 100
17 Определение рациональных параметров специального дугогасительного устройства для гашения электрической дуги переменного тока
18 Гашение дуги переменного тока в камере с решёткой
19 Гашение дуги переменного тока в камере с продольной щелью в поперечном магнитном поле
19.1 Порядок расчёта
20 Некоторые особенности расчета ДУ постоянного тока с решеткой
20.1 Расчёт ЭДС, втягивающей дугу на пластины решётки
20.2 ВАХ дуги
Перечень ссылок
1 КЛАССИФИКАЦИЯ ЭЛЕКТРИЧЕСКИХ АППАРАТОВ ПО ОБЛАСТЯМ ПРИМИНЕНИЯ
1.1 Электрические аппараты распределения электрической энергии высокого напряжения
· выключатели (воздушные, масляные, маломасляные, электромагнитные, элегазовые (баковые, автокомпрессионные, электромагнитные)), вакуумные
· разъединители
· отделители
· короткозамыкатели
· плавкие предохранители
· разрядники
· реакторы
· трансформаторы тока
· измерительные трансформаторы напряжения
· комплексные распределительные устройства
1.2 Электрические аппараты распределения электрической энергии низкого напряжения
· автоматические воздушные выключатели (автомат)
· неавтоматические выключатели и переключатели (рубильники, пакетные выключатели, плавкие предохранители, контактные разъёмы)
1.3 Аппараты управления
- контакторы
- магнитные пускатели
- реле управления
- кнопки и кнопочные посты управления
- команда контроллеры
- силовые контроллеры
- тяговые электромагниты
- путевые выключатели и переключатели
- магнитные усилители
- резисторы и реостаты
1.4 Электрические аппараты защиты
- реле тока, напряжения, мощности, сопряжения, частоты, фазы и т.д.
- трансформаторы тока
- трансформаторы напряжения
1.5 Установочные аппараты
- выключатели и переключатели
- автоматические выключатели
- плавкие предохранители
- разъёмы и др.
2 ЧАСТИ ЭЛЕКТРИЧЕСКИХ АППАРАТОВ
Деталь – это элементарная часть аппарата, изготовленная из целого куска материала без применения сборочных операций.
Узел (сборочная единица) – соединение двух или более деталей, объединённых выполнением общей функции.
Группа – соединение узлов и деталей, объединённых общностью выполняемых ими функций, например электромагнит.
Несмотря на большое разнообразие электрических аппаратов, в них можно выделить общие части – проводники токоведущего контура и их контактные соединения; коммутирующие контакты; дугогосительные устройства; механизмы электроаппаратов; электромагниты; пневмоцилиндры; изоляционные детали и узлы; корпусные детали; оболочки; резервуар.
3 ОБЩИЕ ТРЕБОВАНИЯ, ПРЕДЪЯВЛЯЕМЫЕ К ПРОЕКТИРУЕМЫМ АППАРАТАМ
Спроектированный электрический аппарат должен удовлетворять комплексу требований. Эти требования сформулированы в государственных и отраслевых стандартах, в технических условиях и формируются в проектном техническом задании.
3.1 Функционально-технические требования
· нагревостойкость частей аппарата при нормальном и аварийном режимах
· электрическая прочность изоляционных частей и промежутков при максимальном рабочем напряжении, а также при коммутации и при атмосферных перенапряжениях
· механическая прочность и износостойкость всех частей аппарата
· коммутационная способность при нормальном рабочем и аварийном режимах
· специфические требования (чувствительность для реле защиты, взрывозащищённость и т.д.)
· простота конструкции, малая масса, габаритные размеры
3.2 Эксплуатационные требования
· учёт, влияние окружающих условий (температура, влажность, запылённость)
· надёжность, безопасность
· долговечность, большой срок службы
· ремонтопригодность, простота и удобство наблюдения, осмотра и замены частей
· низкие эксплуатационные расходы (малое потребление электрической энергии)
3.3 Социальные требования
· безопасность в производстве, монтаже и эксплуатации
· обеспечение условий труда обслуживающего персонала
· эстетичность конструкции
3.4 Экономические требования
· низкая себестоимость
· малые капиталовложения при установке, монтаже и вводе в эксплуатацию
· низкие эксплуатационные расходы
· должна обеспечиваться технологичность конструкции
4 ПРИМЕНЯЕМЫЕ МАТЕРИАЛЫ И ПРОГРЕССИВНЫЕ НАПРАВЛЕНИЯ ИХ ВЫБОРА
4.1 Применяемые материалы в создании электрических аппаратов можно разбить на три группы по выполняемым ими функциям
1 Конструкционные материалы
2 Электротехнические материалы (проводниковые, контактные, магнитные сплавы высокого электрического сопротивления, изоляционные материалы и т.д.)
3 Вспомогательные материалы
4.2 Прогрессивными направлениями выбора материалов являются
1 Сокращение номенклатуры материалов
2 Выбор материалов с учётом технологичности конструкции и объёма производства (единичное, мелкосерийное, серийное, крупносерийное, массовое)
3 Экономия материалов (безотходное производство)
4 Экономия электротехнических материалов
5 ТЕРМИНЫ, ОТНОСЯЩИЕСЯ К ПРОЕКТИРОВАНИЮ СЕРИЙ ЭЛЕКТРИЧЕСКИХ АППАРАТОВ
Вид – это совокупность аппаратов, объединённых общим назначением (например, предохранители, контакторы).
Типаж – это совокупность аппаратов одного вида, состоящая из ряда серий аппаратов.
Серия – это совокупность электрических аппаратов одного вида общего назначения сходных по конструкции.
Типоразмер – это представитель серии, отличающийся от других некоторыми параметрами, оказывающими влияние на габаритные размеры.
Типоисполнение – это вариант типоразмера, отличающийся исполнением какой-либо детали, узла, группы, не влияющих на габаритные размеры.
6 РЯДЫ ПРЕДПОЧТИТЕЛЬНЫХ ЧИСЕЛ НОМИНАЛЬНЫХ ПАРАМЕТРОВ
Аппараты представляющие серии имеют, как уже отмечалось, сходную конструкцию большинства деталей и узлов, но отличаются номинальными параметрами. У большинства электрических аппаратов главными параметрами считаются: номинальное напряжение и ток, влияющие на размеры аппарата.
В процессе проектирования необходимо принимать градации параметров и размеров, а также отдельных числовых величин. Для этой цели необходимо использовать ГОСТ 8032-80 “Ряды предпочтительных чисел”. Например, ряд номинальных токов серии следует принимать по ГОСТ 6827-76, который построен в соответствии с ГОСТ 8032-80:
...10, 16,25, 40, 63, 100…А и т.д.
Эти ряды, представляющие собой десятичные ряды геометрической прогрессии, можно назвать естественными, так как они присущим многим физическим и другим закономерностям в природе.
Ряды предпочтительных чисел, построенные по геометрическим прогрессиям, имеют постоянное отношение каждого последующего члена ![]()
к предыдущему члену ряда
. Это отношение называют знаменателем прогрессии
.
Например, ряд чисел 1; 1,6; 2,5; 4; 6,3; 10; 16;…. образуют геометрическую прогрессию со знаменателем
.
Основные свойства геометрических прогрессий:
1) достаточно равномерное распределение членов в пределах ряда;
2) произведение и частное любых двух членов ряда является членом ряда этой же прогрессии (
и т.д.)
3) любой член ряда, возведенный в целую положительную и отрицательную степень, дает число, являющееся членом этого же ряда (
и т.д.)
4) площади фигур или объема тел, стороны которых равны членам геометрической прогрессии, являются членами этой же прогрессии.
Многолетним опытом установлено, что требования всех отраслей промышленности наиболее удовлетворяют ряды предпочтительных чисел, составляющих геометрические прогрессии, со знаменателями
, где х – показатель степени, равный 5; 10; 20; 40 или 80. Ряды предпочтительных чисел безграничны.
Таблица 1.1- Ряды предпочтительных чисел в интервале от 1 до 10
| R5 |
R10 |
R20 |
R40 |
R5 |
R10 |
R20 |
R40 |
| 1,00 |
1,00 |
1,00 |
1,00 |
2,50 |
3,15 |
3,15 |
3,15 |
| 1,06 |
3,35 |
||||||
| 1,12 |
1,12 |
3,55 |
3,55 |
||||
| 1,18 |
3,75 |
||||||
| 1,25 |
1,25 |
1,25 |
4,00 |
4,00 |
4,00 |
4,00 |
|
| 1,32 |
4,25 |
||||||
| 1,40 |
1,40 |
4,50 |
4,50 |
||||
| 1,50 |
4,75 |
||||||
| 1,60 |
1,60 |
1,60 |
1,60 |
5,00 |
5,00 |
5,00 |
|
| 1,70 |
5,30 |
||||||
| 1,80 |
1,80 |
5,60 |
5,60 |
||||
| 1,90 |
6,00 |
||||||
| 2,00 |
2,00 |
2,00 |
6,30 |
6,30 |
6,30 |
6,30 |
|
| 2,12 |
6,70 |
||||||
| 2,24 |
2,24 |
7,10 |
7,10 |
||||
| 2,36 |
7,50 |
||||||
| 2,50 |
2,50 |
2,50 |
2,50 |
8,00 |
8,00 |
8,00 |
|
| 2,65 |
8,50 |
||||||
| 2,80 |
2,80 |
9,00 |
9,00 |
||||
| 3,00 |
9,50 |
||||||
| 10,00 |
10,00 |
10,00 |
10,00 |
Примечание: ряды предпочтительных чисел свыше 10 можно получить путем умножения на 10, 100 и т.д. предпочтительных чисел исходного ряда, а числа меньше 1 – делением на 10, 100 и т.д.
В СССР для электрических сетей общего назначения приняты следующие номинальные напряжения постоянного тока и переменного тока
.
· для аппаратов постоянного тока низкого напряжения:
6; 12; 24; 36; 60; 110; 220 и 440 В
· для аппаратов однофазного переменного тока низкого напряжения (линейное напряжение):
36; 220; 380 (500); 660 и 1140 В (для угольных шахт).
В СССР принята следующая школа номинальных токов (ГОСТ 6827-76), А:
0,1; 0,125; 0,16; 0,2; 0,25; 0,3; 0,4; 0,5; 0,6; 0,8; 1; 1,25; 1,6; 2; 2,5; 3,2; 4; 5; 6,3; 8; 10; 12,5; 16; 20; 25; 32; 40; 50; 63; 80; 100; 125; 160; 200; 250; 320; 400; 500; 630; 800; 1000; 1250; 1600; 2000; 2500; 3200; 4000; 5000; 6300; 8000; 10000; 11200; 12500; 14000; 16000; 18000; 20000; 22400; 25000; 28000; 32000; 35500; 40000; 45000; 50000; 56000; 63000; 71000; 80000 А.
Определение ряда
, а значит, количества типоразмеров являются важной народно-хозяйственной технико-экономической задачей. При проектировании не обязательно выбирать все числа подряд, в диапазоне токов. Нужно читывать, что освоение типоразмера требует значительных затрат труда и средств. Однако может быть, что при отсутствии этого промежуточного типоразмера потребитель будет вынужден применять следующий более дорогой типоразмер. Поэтому, если потребность народного хозяйства в промежуточном размере такова, что экономия за счет разницы в стоимости между большим типоразмером и промежуточным будет превышать затраты на освоение производства промежуточного типоразмера, то целесообразно предусмотреть его в серии.
7 ОПРЕДЕЛЕНИЕ ОСНОВНЫХ РАЗМЕРОВ И ПАРАМЕТРОВ АППАРАТОВ СЕРИИ
7.1 Общие положения
При проектировании серии аппаратов не обязательно рассчитывать размеры каждого типоразмера. Задачу можно упростить, если использовать зависимости основных размеров и параметров серии аппаратов от главных ее параметров – обычно
и
. Некоторые элементы аппаратов можно просто и удобно рассчитывать по пропорциональной зависимости между сходными размерами и параметрами на основании подобия.
В общем, зависимость, связывающая эти величины (с достаточной для инженерных расчетов точностью) выглядит так:
,
где
– искомый параметр;
– параметр или размер базового типоразмера серии;
> 0 – постоянная величина;
– постоянная величина, характеризующая размер или параметр, независящий от главного параметра;
– число, характеризующее изменение параметров или размеров серии.
В конкретном случае данная формула может быть упрощена (например:
,
) и функция может из степенной преобразоваться в линейную.
Таблица 1.2 – Примеры применения формулы
| Формула |
Зависимость |
Область применения |
|
|
Степенной двучлен |
Зависимость массы от главного параметра |
|
|
Линейная |
Зависимость линейных размеров от величины напряжения |
|
|
Степенная |
Зависимость площади сечения, объема детали от тока, нагрузки |
|
|
Пропорциональная |
Зависимость линейных размеров и некоторых параметров при наличии подобия |
Часто также оказывается более удобным зависимость выражать посредством коэффициента нарастания величин главных параметров серии – номинального тока (коэффициент
) и номинального напряжения (коэффициент
), которые представляют отношение последующих величин главных параметров серии к их начальным величинам.
Таблица 1.3 – Пример изменения
при изменении ![]()
|
|
10 |
16 |
25 |
40 |
63 |
100 |
|
|
1 |
1,6 |
2,5 |
4,0 |
6,3 |
10 |
Таблица составлена в соответствии с ГОСТ 8032-80
7.2 Зависимость сечения токоведущих деталей от величины номинального тока
При установлении этой зависимости принять следующее исходное положение – превышение температуры токоведущих деталей независимо от величины номинального тока должно оставаться примерно постоянным в пределах регламентированными ГОСТ.
Поэтому отношение выделяющейся в детали мощности
к поверхности теплоотдачи
при длине проводника
должно быть постоянным:

;
; ![]()
где
– коэффициент нарастания по току;
– сечение токоведущей детали;
– номинальный ток, увеличивающийся в
– раз.
– поверхность теплоотдачи;
– мощность, выделяемая в детали;
Отсюда следует:
или ![]()
Таким образом, при увеличении тока в
раз для сохранения прежнего превышения температуры площадь сечения токоведущей детали необходимо увеличить не в
раз, а в
раз, при этом плотность тока считается в
раз.
Формулы применимы при постоянном токе и переменном, частотой 50Гц, так как коэффициент добавочных потерь »1. При частоте > 50Гц, показатель степени у
изменяется.
Если считать, что поперечное сечение квадрат, то
.
Тогда учитывая это соотношение и сократив, получим:
;
и если считать
; 
![]()
![]()
При увеличении сечения линейные размеры токоведущих деталей изменяются примерно в
.
Можно показать, что аналогичное соотношение имеет место и при иной конфигурации токоведущей детали.
7.3 Зависимость силы контактного нажатия аппаратов серии от величины номинального тока
Силы контактного нажатия
должны обеспечивать соответствующую величину переходного сопротивления коммутирующих контактов. Для того чтобы температура коммутирующих контактов аппаратов серии оставалась постоянной в пределах, регламентируемых государственными стандартами, необходимо снижать их переходимое сопротивление в
раз по мере увеличения тока, то есть необходимо, чтобы контактное нажатие
увеличивалось в
раз.
Это можно выразить через удельное контактное нажатие

Отсюда следует, что сила контактного нажатия аппаратов серии может быть определена по формуле:
![]()
значения
приведены в [1, табл. 5-7].
7.4 Зависимость основных (габаритных) размеров аппаратов серии от величины номинального тока
С увеличением номинального тока аппаратов серии габаритные размеры аппарата растут
![]()
где
– исходный параметр.
У аппаратов, конфигурация которых приближается к кубу, когда все три габарита близки между собой
.
У аппаратов, имеющих один размер (например, высоту) значительно больший, чем другие, показатель большего размера достигает значения ![]()
Сумма показателей одного аппарата равна показателю в выражении, определяющем объем аппарата.
У аппаратов высокого напряжения величина номинального тока оказывает влияние на габаритные размеры и габаритный объем только при малых и средних величинах номинального напряжения (до 35 кВ). При более высоких напряжениях величина номинального тока практически не влияет на габаритные размеры аппарата; решающее влияние оказывает
.
7.5 Зависимость основных (габаритных) размеров аппаратов серии от величины номинального напряжения
С увеличением номинального напряжения габариты (при
> 35 кВ)аппарата заметно растут
![]()
где
– искомый линейный размер аппарата серии, проектируемого на
;
– угловой коэффициент прямой, которая определяется на основе анализа существующих близких серий.
– коэффициент нарастания номинального напряжения;
– номинальное напряжение базового аппарата серии или отрезка;
– исходный размер базового аппарата серии или отрезка.
При проектировании серий использование вышеприведенных зависимостей значительно упрощает расчеты. При этом можно пользоваться и другими зависимостями, позволяющими рассчитывать различные узлы, например электромагнитную систему, э.д.у. и т.д.
Если при проектировании серии можно использовать в качестве базовой существующую конструкцию аппарата без изменения его конструктивной схемы, целесообразно применять положения теории подобия и частного подобия.
Теория подобия применяется при трехмерной пропорциональности размеров.
8 ВЫБОР И РАСЧЁТ ОБЩЕЙ ИЗОЛЯЦИИ ЭЛЕКТРИЧЕСКИХ АППАРАТОВ
8.1 Общие положения
Электрическая изоляция в значительной степени влияет на конструкцию аппаратов.
Электрическую изоляцию необходимо обеспечить:
· между частями, находящимися под напряжением и заземлёнными частями
· между токоведущими частями соседних полюсов
· между токоведущими деталями одного полюса, имеющими различные электрические потенциалы при полностью разомкнутых контактах
Уровень электрической изоляции в электрических аппаратах обеспечивается путём установления между частями разных потенциалов, необходимых:
· расстояний, зазоров, промежутков в окружающей среде (в воздухе, масле, газе и т.д.)
· размеров по поверхности и габаритных размеров изоляционных элементов, определяющих расстояние утечки, разрядные расстояния
· толщины изоляции деталей изоляторов, прокладок, барьеров и т.д.
8.2 Аппараты низкого напряжения
Электрическая изоляция аппаратов низкого напряжения должна выбираться такой, чтобы она выдерживала испытательное напряжение в течение одной минуты переменного тока частотой 50 Гц.
Таблица 1.4 - Испытательные напряжения аппаратов низкого напряжения
| Номининальное напряжение ЭА, В |
Номининальное напряжение по изоляции, В |
Испытательное напряжение (действующее значение), В |
| 12,24 |
до 24 |
500 |
| 36, 48, 60 |
до 60 |
1000 |
| 110, 127, 220 |
до 220 |
1500 |
| 380, 440, 500 |
до 500 |
2000 |
| 600, 660 |
до 660 |
2500 |
| 750 |
до 750 |
3000 |
Для повышения надёжности аппарата возникает желание увеличить изоляционные расстояния, однако чрезмерное увеличение этих расстояний приводит к увеличению габаритов, массы, стоимости аппаратов. Целесообразно руководствоваться минимальными расстояниями, которые регламентированы ГОСТ, для аппаратов низкого напряжения общепромышленного применения в зависимости от назначения цепи или аппарата, в зависимости от образования дуги при номинальных напряжениях от 100 до 600 В, минимальные электрические зазоры могут быть от 4 до 7 мм, а расстояния утечки – от 5 до 22 мм.

Рисунок 1.1- Направление тока утечки
При выборе изоляционной конструкции необходимо учитывать, что изоляция зависит не только от свойств материала, но и от наличия пыли, особенно влаги на поверхности. Для уменьшения габаритных размеров аппаратов и исключения непрерывного покрова токопроводящих осадков целесообразно на изоляционных деталях предусматривать ребра, выступы, впадины.
У аппаратов, работающих в тяжёлых условиях (тяговые аппараты), для работы в условиях угольных шахт, величины расстояний необходимо предусматривать большие расстояния, чем рекомендованы в [1, табл. - 2.2].
8.3 Аппараты высокого напряжения
Общие требования – изоляция аппаратов высокого напряжения должна выдерживать испытательное напряжение и при этом должен оставаться запас электрической прочности. Рекомендуемые по выбору испытательные напряжения приведены в [1, табл. - 2.3].
Величины испытательных напряжений в таблице указаны для нормальных атмосферных условий (температура +20 °С, 0,1MПа) при установке электрического аппарата над уровнем моря не более 1000 м для аппаратов с номинальным напряжением до 330 кВ и не более 500 м - для аппаратов с номинальным напряжением 500 кВ и более. При установке аппарата над уровнем моря на высоте, превышающей 500 и 1000 м, но не более чем на высоте 3500 м, их внешняя изоляция должна выдерживать испытательное напряжение, умноженное на корректирующий коэффициент, который определяется по формуле:

где: Н – высота над уровнем моря, м;
– для аппаратов, предназначенных для установки до 1000 м;
– для аппаратов, предназначенных для установки до 500 м.
Для аппаратов, работающих при максимальной температуре выше 35°С, испытательное напряжение должно быть повышено на 1% на каждые 3°С свыше 35°С. Если аппарат выдержал одномину1 мин. действия испытательного напряжения с учётом добавочных коэффициентов, то считается, что изоляция аппарата выбрана правильно. Кроме внешней изоляции в аппаратах высокого напряжения вводят понятие внутренней изоляции.
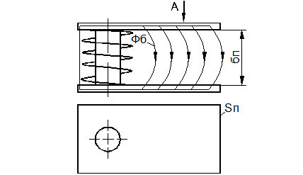
Изоляционное расстояние в аппаратах высокого напряжения можно разделить на внешнее, электрическая прочность которого зависит от атмосферных условий и на внутреннее, у которого электрическая прочность не зависти от них. В качестве примера рассмотрим баковый масляный выключатель.

Рисунок 1.2 –Баковый масляный выключатель:
S1 - расстояние между внешним фланцем проходящей изоляции и крышкой бака;
S2 - расстояние между токоведущими частями разных потенциалов в воздухе;
S1 и S2 – внешняя изоляция, изолирующей средой является воздух;
S3 и S6 – расстояние между токоведущими деталями и заземлённой частью аппарата;
S4 – расстояние между токоведущими частями разных потенциалов;
S5 – расстояние между разомкнутыми контактами.
При расчёте общей изоляции аппарата целесообразно предусматривать координацию уровней электрической изоляции отдельных элементов. Как указывалось ранее, изоляция аппарата должна выдерживать испытательное напряжение и при этом должен оставаться запас электрической прочности. Для воздушных промежутков это условие реализуется путём введения коэффициента запаса.
где:
– испытательное сухоразрядное напряжение;
определяется с рекомендацией ГОСТа; величина
– коэффициент запаса.
Для изоляционных промежутков, находящихся в масле, величина пробивного напряжения определяется с учётом корректирующего коэффициента координации уровней изоляции
. Величина
принимается в пределах
.
8.4 Порядок расчета общей электрической изоляции аппарата высокого напряжения
Характерные изоляционные промежутки в зависимости от конфигурации электрического поля, заменяют эквивалентной формой электродов типа: игла-игла, игла-плоскость, плоскость-плоскость и др.
По величине номинального напряжения определяется величина испытательного сухоразрядного напряжения с учётом условий работы.
По величине испытательного напряжения и рекомендуемых значений коэффициентов
и
определяется величина пробивного напряжения.
По экспериментально полученным зависимостям
для соответствующей конфигурации электродов и среды, определяется необходимое расстояние S1
и S2
и т.д.

Рисунок 1.3 – Зависимость разрядного напряжения
от расстояния между электродами
и их формой
9 ПРОЕКТИРОВАНИЕ ОБОЛОЧЕК ЭЛЕКТРИЧЕСКИХ АППАРАТОВ ЭЛЕКТРООБОРУДОВАНИЯ. СТЕПЕНИ ЗАЩИТЫ ОБОЛОЧКАМИ ЭЛЕКТРООБОРУДОВАНИЯ
Под термином электрооборудование надо понимать оборудование, предназначенное для производства, преобразования, распределения и потребления электрической энергии, а также электроприборы управления, защиты, контроля, измерения, сигнализации и т. д. Для нормальной работы электрических аппаратов в ряде случаев требуется применение специальных мер для защиты их от влияния окружающей среды. Это достигается применением оболочек. Оболочки должны изготавливаться из негорючих материалов.
Конструкция оболочки должна соответствовать условиям эксплуатации.
Прокладки между соприкасающимися частями оболочек предназначены для защиты от проникновения воды и пыли, должны изготавливаться из прочного, влагостойкого, а при необходимости и негорючего материала.
В соответствии с заданными условиями эксплуатации, оболочки должны иметь такое крепление крышек, которое обеспечивало бы быстрое и лёгкое их открывание, при этом болты должны быть невыпадающие. Защита от проникновения внутрь оболочки электрооборудования пыли и влаги через место ввода кабеля или проводов должна обеспечиваться либо уплотнением эластичного кольца, либо заливкой затвердевающей изоляционной массой.
Для обозначения степени защиты применяется буквенное и цифровое обозначение:


Следующие за буквенным обозначением две цифры обозначают вид и степень защиты в соответствии со стандартизацией.
Первой цифрой устанавливается степень защиты персонала от соприкосновения с находящимися под напряжением и движущимися частями, расположенными внутри оболочки. А также защиты оборудования от попадания внутрь твёрдых посторонних тел.
Второй цифрой устанавливается степень защиты электрооборудования от проникновения воды.
Таблица 1.5 - Обозначение степени защиты для низковольтных электрических аппаратов
| Первая цифра в обозначении |
Вторая цифра в обозначении |
||||||||
| 0 |
1 |
2 |
3 |
4 |
5 |
6 |
7 |
8 |
|
| 0 |
JP00 |
||||||||
| 1 |
JP10 |
JP11 |
JP12 |
||||||
| 2 |
JP20 |
JP21 |
JP22 |
JP23 |
|||||
| 3 |
JP30 |
JP31 |
JP32 |
JP33 |
JP34 |
||||
| 4 |
JP40 |
JP41 |
JP42 |
JP43 |
JP44 |
||||
| 5 |
JP50 |
JP51 |
JP54 |
JP55 |
JP56 |
||||
| 6 |
JP60 |
JP65 |
JP66 |
JP67 |
JP68 |
||||
Цифры и буквы обозначения степени защиты электроаппаратов.
Первые цифры обозначения степени защиты обозначают:
0 – нет защиты
1 – защита от касания рукой
2 – защита от касания пальцем
3 – проволока диаметром 2,5 мм не проникает в оболочку
4 – проволока диаметром 1 мм не проникает в оболочку
5 – тальковый порошок, просеянный через сито с диаметром проволок 50 мкм и расстоянием между ними 75 мкм, проникший во внутрь оболочки при испытании, не нарушает удовлетворительную работу аппарата и его изоляцию, даже если порошок проводящий
6 – в условиях, указанных в п.5 тальк не проникает внутрь оболочки
Вторая цифра обозначает степень защиты:
0 – нет защиты
1 – защита от вертикально-капающих капель воды
2 – защита от вертикально-капающих капель конденсата воды, когда аппарат наклоняется на 150 от рабочего положения во все стороны
3 – защита от дождя, падающего под углом не более 600 к вертикали
4 – защита от брызг воды в любом направлении
6 – защита от условий, существующих на палубе судна, под действием морской волны вода не должна проникать внутрь оболочки
7 – защита при погружении в воду на глубину до 1м не более 30 мин.
8 – защита при неограниченно – долгом погружении в воду под определённым давлением
10 ПРОЕКТИРОВАНИЕ ПРОВОДНИКОВ И КОНТАКТНЫХ СОЕДИНЕНИЙ ТОКОВЕДУЩЕГО КОНТУРА ЭЛЕКТРИЧЕСКИХ АППАРАТОВ
Токоведущий контур большинства электрических аппаратов состоит из набора различных деталей разной формы и размеров, и, как правило, в него входят в общем случае следующие элементы:
· коммутирующие контакты (силовые контакты), перемычки, гибкие шунты (в случае поворотной системы),
· токовые катушки (катушки магнитного дутья),
· термоэлементы и т.д.
При расчёте проводников токоведущего контура электрического аппарата необходимо выполнить последовательно две задачи:
1 Определить площадь и размеры сечения в нормальном рабочем режиме (продолжительный, кратковременный, повторно-кратковременный режим)
2 Провести проверку выбранного сечения в кратковременном режиме:
а) для максимальных пусковых токов (аппараты управления)
б) для аварийных токов (токов к.з.) (аппараты распределения электрической энергии)
11 ОПРЕДЕЛЕНИЕ ПЛОЩАДИ И РАЗМЕРОВ СЕЧЕНИЯ ПРОВОДНИКОВ ТОКОВЕДУЩЕГО КОНТУРА В НОРМАЛЬНЫХ РЕЖИМАХ
11.1 Продолжительный режим
11.1.1 Расчет проводника с неизменным сечением по длине
Для получения расчётных формул воспользуемся уравнением теплового баланса:
![]()
где:
– это энергия, выделяемая в проводнике;
– это часть энергии, расходуемая на нагрев проводника;
– это часть энергии, которая отдаётся в окружающую среду.

Рисунок 1.4 – Нагрев проводника до установившейся температуры
Для установившегося процесса нагрева уравнение теплового баланса приобретает вид:
![]()
![]()
где:
– коэффициент теплоотдачи, который в свою очередь зависит от температуры
, ![]()
- коэффициент дополнительных потерь:
– коэффициент поверхностного эффекта;
– коэффициент эффекта близости.
Для переменного тока частотой 50 Гц –![]()

где:
– длина элемента, м
– его сечение, м2
– удельное сопротивление приведенное к установившейся температуре:
,![]()
- удельное электрическое сопротивление при 00
С, ![]()
– температурный коэффициент возрастания электрического сопротивления:
если медь: 
если алюминий: 
- температура окружающей среды,
= +400
С;
, ![]()
– принимается в соответствии с рекомендациями ГОСТ с учётом материала элемента токоведущего контура и наличия покрытий, но, как правило, привязывается к классам нагревостойкости изоляции.

где:
– поверхность охлаждения элемента токоведущего контура:
, м2
– периметр сечения токоведущего контура, м
– длина проводника, м
![]()

, м3
(1)
Если элементы токоведущего контура имеют прямоугольное сечение, то формула (1) приобретает следующий вид:
, ![]()

Рисунок 1.5 – Проводник прямоугольного сечения
Если элементы токоведущего контура имеют круглое сечение, то формула (1) приобретает следующий вид:
,
, (2)

Рисунок 1.6 – Проводник круглого сечения
, (3)

При наличии на элементах токоведущего контура изоляции в зависимости от количества слоёв расчётные формулы имеют вид:

Рисунок 1.7– Проводник с одним слоем изоляции
δ – толщина изоляции, м
λ1
– коэффициент теплопроводности, ![]()
, (4)

Рисунок 1.8– Проводник с двумя слоями изоляции

При расчётах можно выражать параметры сечения через
:
, где
– целое число
После получения расчётных размеров сечения, их доводят до стандартных значений, руководствуясь, ГОСТ на сортаменты либо руководствуясь конструктивными технологическими соображениями.
При расчётах параметров элементов токоведущего контура необходимо учитывать условия теплообмена с окружающей средой, т.е. уточнять
.
11.1.2 Расчёт проводника с переменным сечением по длине

а) б)
в)
Рисунок 1.9 – Фрагменты элементов токоведущего контура с переменным сечением
В данном случае, расчёт параметров проводников производится методом последовательных приближений (метод итерации).
В первом приближении определяется среднее сечение частей токоведущего контура. Затем по конструктивным соображениям принимаются необходимые формы отдельных частей токоведущего контура. Превышение температуры в отдельных частях
может быть определено по формулам параграфа 12.1.1 (1).
Во втором приближении целесообразно определить среднее значение, превышения температуры для всех деталей контура, используя формулу:
![]()
В третьем приближении, для соответствующих конфигураций проводника уточняется температура в отдельных его частях. Например, вводим элемент токоведущего контура, разбиваем его на характерные участки, 1 и 2 по этому элементу протекает ток I.

Рисунок 1.10 –Элемент токоведущего контура с переменным сечением
После введения всех необходимых параметров
,
где
, м
, м
,
– периметры сечения соответственно 1-го и 2-ого участков
,
– площадь поперечного сечения 1-го и 2-ого участков
,
– коэффициенты теплоотдачи при 0С0
1 и 2 участков
– коэффициент теплопроводности металла элемента токоведущего контура
, 0
С
, 0
С
где
,
– удельные электрические сопротивления, ![]()
Если температура не отвечает необходимым требованиям, то в конструкцию детали вносятся коррективы и расчёты температуры повторяются.
11.2 Кратковременный режим работы
Кратковременный режим характеризуется тем, что при переменном токе нагрузки рабочий период
и
,
– время нагрузки, tп
– время паузы, Т – постоянная времени нагрева: 
В соответствии с ГОСТ 12434–96 рекомендуются следующие значения
для аппаратов до 1000 В: 5, 15, 30 с и 10, 30, 60 мин.
За основу расчёта принимается условие: допустимое превышение температуры при кратковременном режиме в аппаратах общепромышленного применения, должно оставаться таким же, как и при продолжительном режиме работы, т.е.

Рисунок 1.11 – Нагрев проводника до установившейся температуры при кратковременном режиме
При этом нагрузочная способность в кратковременном режиме будет больше, чем в продолжительном режиме, что характеризуется коэффициентом перегрузки по токам

Далее по рассчитанному коэффициенту
и заданному току
можно определить ток продолжительного режима (эквивалентный) при протекании которого устанавливается такая же температура как и при кратковременном режиме по истечении времени
. Затем расчёт сечения и размеров сечения можно производить аналогично, как для продолжительного режима работы.
11.3 Повторно-кратковременный режим работы

Рисунок 1.12 – Изменение тока во времени при ПКР
![]()
Данный режим характеризуется продолжительностью включения, которая, как правило, исчисляется в % :
(физический смысл)
Зная частоту включения-отключения в час Z можно определить время цикла
, с
Зная ПВ можно легко определить время
, потом и время паузы
. В соответствии с ГОСТ 12434-96 устанавливаются предпочтительные значения ПВ для аппаратов до 1000 В: 15%, 25%, 40%, 60%, 80%.
Как и в кратковременном режиме, для ПКР принимается условие
Расчёт токоведущих частей в этом режиме можно производить по аналогии, как и для кратковременного режима, т.е. определяется коэффициент перегрузки по току

По известному коэффициенту
определяется эквивалентный ток продолжительного режима , по которому и рассчитывается сечение проводников .
В некоторых случаях целесообразно пользоваться упрощённой формулой для выражения эквивалентного тока:
, А,
где ПВ в относительных единицах.
11.4 Расчёт токоведущих частей в режиме КЗ или предельных токах
При работе электрического аппарата возможны случаи, когда по его токоведущей цепи проходит ток КЗ или предельный ток. В этом случае аппарат не должен разрушаться в течении некоторого времени. Способность аппарата выдерживать кратковременное тепловое действие токов КЗ или предельных токов называется термической устойчивостью аппарата. Эта способность характеризуется током термической устойчивости при определённом времени устойчивости.
Допустимая температура токоведущих частей аппарата при действии токов КЗ или предельных токов может быть значительно большая, чем при нормальных режимах. Например, для меди и латуни предельная температура может достигать 300о С, для алюминия – 200о С. Это обстоятельство в дальнейшем учитывается в расчётах. Уравнение теплового баланса для этого режима имеет следующий вид:
,
где:
– энергия, которая выделяется в токоведущем контуре при протекании тока КЗ или предельного тока;
– энергия, которая расходуется на нагрев проводника.
Примерная энергия, которая отдаётся в окружающую среду
, в этом случае незначительна, составляет 3-5 % от общей энергии, ею можно просто пренебречь.
Процесс нагрева адиабатический – отсутствие обмена с окружающей средой.

![]()
![]()
где:
– масса
, кг
– объём токоведущей детали, м3
– плотность, удельный вес
Уравнение теплового баланса

,
и
– температурные коэффициенты
![]()

(1)
где:
и
– значения интеграла правой части при соответственно верхнем
и
значениях температур.
В литературе приводятся кривые зависимости температуры от
, рассчитанные по формуле (1).

Рисунок 1.13 – Зависимость ![]()
Используя эти кривые можно определить ток термической устойчивости при заданном времени термической устойчивости
или наоборот. Решение задачи сводится к следующему: если задано tкз
, то находится Ікз.
и наоборот.
Для аппаратов низкого напряжения, как правило, определяется время термической стойкости на основании известного тока и сечения токоведущей детали Iкз
и Sm
. На основании известных данных Акз
и Ан
определяем время термической стойкости. Для аппаратов высокого напряжения, как правило, регламентируется время термической стойкости, которое в соответствии с формулой (1) позволяет определить предельный ток Кз
. Из выражения (1) видно, что
для одного и того же материала при одинаковых нагрузочных условиях величина постоянная, т.е.
.
Используя это свойство можно легко определять значения тока термической стойкости при другом времени термической стойкости или наоборот.
Полученное время термической устойчивости для аппаратов низкого напряжения необходимо сопоставить с временем действия возможной тепловой защиты, при этом должно выполняться условие: время срабатывания защиты должно быть меньше времени термической устойчивости аппарата, чтобы был запас.
12 РАСЧЁТ КОММУТИРУЮЩИХ КОНТАКТОВ
12.1 Общие требования к коммутирующим контактам
Температура коммутирующих контактов не должна быть выше предельно допустимой по ГОСТу. Контакты должны быть установлены к тепловому и динамическому действию токов КЗ. При работе аппарата в номинальном рабочем режиме, а также при наиболее предельных токах электрический и механический износ контактов должен быть минимальным.
12.2 Общий порядок проектирования контактов
1 Выбор конструктивной формы контакта.
2 Выбор материала и определение размеров контактов.
3 Определение силы конечного контактного напряжения, температуры нагрева контактов, переходного сопряжения, падения напряжения на контактах при нормальном режиме работы.
4 Проверка возможностей контактного узла, по величине допустимого тока Iдоп.
5 Определение тока сваривания Iсв., силы электродинамического отброса в контактах Fэду и электродинамическую устойчивость.
6 Определение параметров вибрации контактов, разработка мероприятий по её уменьшению.
7 Определение электрической износостойкости коммутирующих контактов по заданной механической износостойкости.
8 Корректировка размеров контактов, определение провалов контактов.
9 Определение параметров надёжности коммутирующих контактов.
10 Расчёт контактных пружин.
11 Конструктивная проработка контактного узла.
12.3 Выбор конструктивных форм контактов
Существует большое разнообразие конструктивных форм контактов. Наиболее распространёнными являются
1 контакты с плоскими консольными пружинами
2 мостиковые контакты
3 рычажные контакты (пальцевые)
4 втычные контакты
5 розеточные контакты
6 двух и более ступенчатые
7 параллельные контакты на один полюс



Рисунок 1.14 – Виды конструктивных форм контактов
Из низковольтных аппаратов наибольшее распространение получили первые три вида.
Контакты с плоскими консольными пружинами применяются в слаботочных реле.
Мостиковые контакты целесообразно применять при напряжениях 24÷48 В постоянного тока и 220÷380 В переменного тока. Они обеспечивают двухкратный разрыв электрической цепи на полюс, что улучшает условия гашения дуги. Преимущества мостиковых контактов: упрощаются кинематические схемы, можно применять прямоходовые механизмы, отсутствует гибкая связь, что повышает надёжность контактного узла. Недостаток: необходимо создание удвоенной силы контактного нажатия.
Рычажные контакты применяются в сильноточных аппаратах при любых уровнях напряжения, в большинстве случаев в контакторах воздушного автоматического выключателя.
При больших токах, несколько сот ампер, и наличии дугогасительного устройства, преимущество двухкратного разрыва сказывается несущественно, поэтому с целью упрощения конструкции применяют однократный разрыв цепи.
В некоторых случаях в сильноточных аппаратах применяются многоступенчатые аппараты, содержащие дугогасительные и главные контакты. Это позволяет повысить надёжность контактного узла, но привод должен обеспечивать последовательность включения и отключения. При включении вначале замыкаются дугогасительные контакты, а затем главные. При отключении вначале размыкаются главные контакты, и на них недолжна, возникать дуга, а затем размыкаются дугогасительные контакты.
При высоких напряжениях целесообразно применять ряд последовательных разрывов на один полюс. Например, для выключения на 500 кВ может быть 12 последовательных разрывов на полюс, на 750 кВ – 16 последовательных разрывов.
12.4 Выбор формы контактной поверхности
Форма контактной поверхности (точка, линия) – это условные термины, фактически речь идёт о количестве элементарных площадей контактирования:
а) точечный контакт целесообразно применять при малых токах, т.е. доли – единицы ампер. Требуется малая сила контактного нажатия, в этом случае необходимо применение драгоценных металлов.
б) линейный контакт целесообразно применять при больших токах (сотни ампер) при одинаковых силах нажатия. Переходное сопротивление линейных контактов меньше, чем плоскостных. Узкая плёнка контактирования создаёт условия для стирания окислов контактного металла в процессе скольжения одного контакта по другому.
в) Плоскостной контакт целесообразно применять при больших токах, измеряемых в сотни ампер, условия удаления плёнки окислов с поверхности здесь хуже, чем у линейного, однако, вследствие большой силы контактного нажатия поверхность в нескольких местах очищается от плёнки окислов и образуется зона чистого металла.
12.5 Выбор материалов и определение размеров контактов
Основные требования, предъявляемые к материалам контактов:
1 Высокая электропроводность
2 Дугостойкость
3 Стойкость против коррозии
4 Недефицитность
Материалов, удовлетворяющих всем требованиям – нет, поэтому необходимо подбирать такой материал, свойства которого в наибольшей степени отвечают требованиям в конкретных условиях.
Основные сведения о свойствах материалов контактов приводится в [2].
Рекомендации по выбору материалов для категорий аппаратов:
РЕЛЕ
Для контакта реле, работающих для токов меньших тока дугообразования, применяются драгоценные металлы и их сплавы (серебро, палладий, золото).
Для контактов реле, работающих при токах больших тока дугообразования, применяются твёрдые тугоплавкие металлы и их сплавы типа твёрдых растворов. (Вольфрам, молибден, кремний, платина-иридий, палладий-серебро)
КОНТАКТОРЫ И АВТОМАТЫ
Выбор материалов для контактов определяется:
а) величиной тока
б) напряжением на контактах
в) индуктивностью отключаемой цепи
г) частотой коммутации в час Z
д) продолжительностью включения, кратностью включения-отключения токов по отношению к номинальному значению
Выбор материалов определяется типом дугогасительного устройства и геометрией контакта. Для контакторов и автоматов при коммутируемых токах от одного до нескольких десятков ампер наиболее износостойким является серебро и сплавы серебра. Для контакторов, где коммутирующие токи несколько десятков ампер и более, являются металлокерамические композиции. Обозначение материалов, их состав, свойства приведены в [1, табл. 5.3].
Износостойкость металлокерамических композиций возрастает при увеличении процентного содержания тугоплавкого элемента, а также при уменьшении размеров частиц порошка металла (мелко дисперсная структура).
Кроме металлокомпозиций, в качестве металла контактов применяют также медь: для лёгкого режима работы – рекомендуется медь мягкая, лужёная; для средних режимов – медь средняя, лужёная; для тяжёлых режимов – медь кадмиевая, твёрдотянутая.
12.6 Определение размеров коммутирующих контактов и контактных накладок
Геометрические размеры коммутирующих контактов зависят от:
1) величины номинального тока
2) конструкции контактной системы
3) частоты коммутации тока, ПВ, времени горения электрической дуги.
Если конструкция контактного узла предусматривает применение контактных накладок, то можно пользоваться рекомендациями, приведенными в [1, табл. 5.5 – 5.6].
В [1, табл. 5.5] приводятся зависимости диаметра контактной накладки от номинального тока. В [1, табл. 5.6] приводятся величины размеров прямоугольных накладок без привязки к току. Если в конструкции контактного узла целесообразно использовать прямоугольную накладку, то поступают следующим образом: зная величину номинального тока, по [1, табл. 5.5] определяется диаметр круга накладки, затем определяется сечение круглой накладки
.

Рисунок 1.15 – Размеры контактных накладок
Полученное сечение трансформируется в сечение прямоугольной накладки при выполнении условия
. Затем по [1, табл. 5.6] подбирается стандартное значение размеров контактной накладки. Высота h приводится в ряду предпочитаемых чисел.
На данном этапе фактически определяются предварительные размеры контактных накладок, окончательные размеры устанавливаются после расчёта электрической износостойкости.
12.7 Определение размеров рычажных контактов
Размеры поперечного сечения подвижного контакта можно производить по электрической плотности тока, в диапазоне токов от 20. А до 1000А она может составлять
.

Рисунок 1.16 – Подвижный и неподвижный контакт
Принимая конкретное значение плотности тока для заданного номинального тока, производится расчёт площади поперечного сечения подвижного контакта:

Меньшее значение
целесообразно применять для длительных режимов
работы, а большее значение – для повторно-кратковременного и кратковременного режимов работы. Длина линии касания (ширина подвижного контакта в) может быть определена по формуле
, мм,
где
– это характеристический коэффициент;![]()
– номинальный ток, А
Для проверки правильности значения в, принимаемого для дальнейших расчётов, можно ориентироваться на следующее отношение
, которое получено экспериментально, эти значения сведены в таблицу 1.3.
Таблица 1.6 – Выбор ширины подвижного контакта
| Iн , А |
в, мм |
|
| 63 |
14 |
4,5 |
| 160 |
18 |
8,9 |
| 300 |
25 |
12 |
В тяговых контакторах
может достигать до 20
.
Для номинальных токов, не указанных в таблице 1.3, отношение
можно определить, построив график зависимости ![]()

Рисунок 1.17 – Зависимость ширины подвижного контакта от номинального тока
Толщина подвижного (неподвижного) контакта может быть рассчитана по формуле: ![]()
Ширина неподвижного контакта в` устанавливается с учётом возможного отклонения подвижного контакта, от нормального положения в процессе эксплуатации, и должна быть на 20÷25% больше подвижного контакта, т.е.
, мм
Окончательные размеры рычажных контакторов принимаются после расчёта контактного узла, на заданную износостойкость, при этом коэффициент использования металла контактом
принимается равным 0,5.
Для повышения износостойкости на рычажных контактах могут устанавливаться контактные накладки (прямоугольные, квадратные, например из металлокерамики). При расчётах на электрическую износостойкость коммутирующих контактов (мостиковых, рычажных, с контактными накладками) коэффициент использования металла контактных накладок принимается ≈ 1, т.е.
.
12.8 Определение силы контактного нажатия коммутирующего контакта
Известно, что все аппараты должны иметь перегрузочную способность, поэтому, рассчитанная сила конечного контактного нажатия
, должна обеспечивать нормальную работу контактного узла, при всех возможных режимах. В частности необходимо предусматривать, чтобы исключалось сваривание контактов, их отброс вследствие действия ЭДУ в контактных площадках, а также значительная вибрация, при их включении.
Расчёт
производится по теоретической зависимости – по формуле Кубекова:
![]()
, кгс
где:
– сила контактного нажатия, приходящаяся на одну элементарную площадку;
– число элементарных площадок
Для точечного контакта –
= 1, для линейного –
= 2, для плоскостного –
= 3
– это ток, на который рассчитывается сила контактного нажатия, А.
Если режим работы аппарата длительный, то ток
для длительного режима.
Если режим работы – повторно – кратковременный, то для расчёта силы
необходимо вначале определить эквивалентный ток:
, А
где: ПВ% - продолжительность включения согласно техническому заданию;
Ζ - частота включения-отключения в час.
Под эквивалентным током понимается ток, который вызвал бы тот же нагрев токоведущих деталей, что и отключаемый реальный номинальный ток при длительном протекании, в совокупности с дополнительным нагревом контактов электрической дугой.
Если эквивалентный ток меньше номинального, то при расчётах
используется номинальный ток.
Если эквивалентный ток больше номинального, то расчёт
производится по эквивалентному току.
А – число Лоренца, имеющее значение
= 3,14
– твёрдость материала контакта по Бринеллю (кгс/см2
)
Твёрдость материала существенно зависит от температуры нагрева контактных площадок.

Рисунок 1.17 – Зависимость твердости материала от температуры нагрева
При расчётах
характеризующую твёрдость материала необходимо принимать меньшее значение в таблице.

Рисунок 1.18 – Линии стягивания тока
– удельная усредненная теплопроводность материала контактов ![]()
– температура контакта в удалённой от контактной площадки точке.
– температура нагрева контактных площадок
=
+
, где
- превышение температуры контактной площадки по отношению к температуре нагрева контактора.![]()
В этой формуле
,
- в К,
– в 0
С
Величина
принимается произвольно, но так, чтобы температура нагрева контактной площадки не превышала температуру рекристаллизации металла контактов, т.е. должен быть запас.

Рисунок 1.18 – Зависимость силы контактного нажатия от превышения температуры
В соответствии с рекомендациями, после расчёта
, производится определение
.

Рисунок 1.19 – Зависимость силы контактного нажатия от зазора
12.9 Определение переходного сопротивления контактов
Переходное сопротивление контактов, как правило, определяется несколькими методами:
12.9.1 Определение переходного сопротивления контактов по теоретической зависимости
,
где
– удельное электрическое сопротивление материала контактов, приведённое к температуре нагрева контактных площадок
![]()
![]()
– число контактных площадок
Если материалы неподвижных контактов и подвижных разные, то
определяется как
–радиус круглой элементарной площадки, зависящий от вида деформации
При пластической деформации:
, см
При упругой деформации: 
– радиус сферы элементарной контактной площадки, см
– модуль упругости материала, кгс/см
Вид деформации, а, следовательно, и выбор расчётной формулы для определения
можно сделать на основании результатов исследований нескольких авторов (Виттенберг, Лысов, Васильев).
Было установлено, что при незначительных усилиях нажатия, до 0,01 Н имеет место упругая деформация микровыступов, при увеличении нажатия до 0,1 – 0,15Н, начинается уже пластическая деформация, следовательно, происходит упрочение материала, и она имеет место при увеличении силы нажатия до сотен ньютонов, после чего опять имеет место упругая деформация.
После расчёта
, подтверждение о характере деформации на втором этапе расчёта, можно получить по величине среднего давления: ![]()
Если среднее давление меньше твёрдости контакта материала,
, то деформация считается упругой. Если
, то деформация считается пластической.
12.9.2 Определение
по формуле, основывающейся на опытных данных

где:
– коэффициент, учитывающий материал и состояние контактов поверхности (см. табл. значений); 0,102 – переводной коэффициент, из Н в кгс;
– сила конечного контактного нажатия, Н;
– коэффициент, учитывающий конструктивную форму контактной поверхности:
- для точечного контакта -
=0,5
- для линейного контакта -
=0,5 ÷ 0,7
- для плоскостного контакта -
= 0,7 ÷ 1,0
- температурный коэффициент возрастания сопротивления материала контактов
![]()
12.9.3 Определение
по графическим зависимостям
В соответствии с рекомендациями [1, рис. 5.9, 5.10, 5.11], установлены зависимости
от величины силы контактного нажатия
.
Из полученных результатов по определению
тремя методами, для дальнейших расчётов принимается большее значение.

Рисунок 1.20 – Эквивалентная схема замещения
На большем
всегда будет большее падение напряжения, следовательно, будет и больший нагрев контактных площадок.
12.10 Определение напряжения и температуры нагрева коммутирующих контактов
Падение напряжения на контактах определяется по закону Ома:
, В
В существующих конструкциях аппаратов падание напряжения
на свежезачищенных контактах должно находиться в следующих пределах:
а) маломощные реле:
, где
– падение напряжения, соответствующее рекристаллизации материала контактов;
б) аппараты распределения и управления электрической энергией до 1000В:
- для контактов, работающих в воздухе:
мВ
- для контактов, охлаждаемых водой:
мВ
в) аппараты распределения энергии выше 1000 В:
мВ
Предельные падения напряжения при окисленных контактах допускаются до 300мВ.
В любом случае, падение напряжения на контактах должно быть меньше напряжения рекристаллизации. Кроме напряжения рекристаллизации, используется температура рекристаллизации. По установленной величине падения напряжения на коммутирующих контактах определяется превышение температуры в контактных площадках, полученное значение сопоставляется с ранее принятым при расчёте
:

12.11 Определение допустимого тока через коммутирующие контакты
Допустимый ток фактически характеризует возможности контактного узла на заданный режим работы с учётом принятого материала контактов, конструктивной формы контактной поверхности, принятого значения
и др.
Величина допустимого тока рассчитывается по формуле:

Полученное значение допустимого тока необходимо сопоставить с предельным током для контактного узла в соответствии с категорией применения аппаратов (ДС1, ДС2, АС1, АС2, АС3), а также с учётом режима коммутации (нормальный, редкий). В любом случае, должно выполняться условие:![]()
Если это условие не выполняется или допустимый ток существенно больше предельного, то контактный узел спроектирован нерационально. Для определения рациональных параметров контактного узла необходимо все расчёты повторить, начиная с пересмотра выбора материала.
12.12 Определение величины тока сваривания контактов
12.12.1 Общий метод определения тока сваривания
Предполагают, что при протекании тока постоянной величины происходит нарастание температуры контактной площадки, близкой к температуре плавления по экспоненте, при этом предельный ток сваривания определяется по формуле:

где:
- общие результирующие силы контактного нажатия![]()
t1 – это предполагаемое время протекания предельного тока
Т – постоянная времени нагрева контактной площадки
, где
– удельная теплоёмкость, теплопроводность и плотность материала контактов
– температура нагрева контактной площадки в момент времени t1
Fэду – [1, стр. 49]
12.12.2 Расчёт начального тока сваривания контактов
![]()
– коэффициент, характеризующий увеличение контактной площадки в процессе нагревания, который зависит от силы
и от времени импульса тока.
находится в пределах от 2 до 4 , (см.[1]).
– характерный коэффициент, определяется по формуле:

– соответственно твёрдость материала по Бринеллю и удельное сопротивление при 0о
С. НВо
из таблицы значений выбираем большее значение.
– температура плавления контакта материала
Этот способ даёт значительные погрешности, применяется при небольших силах нажатия.
12.12.3 Определение тока сваривания по экспериментальным данным
Эта экспериментальная формула даёт хорошее совпадение расчётных и экспериментальных данных по
, для маломощных одноточечных серебряных и медных контактов.

– это напряжение, соответствующее плавлению контакта материала
12.12.4 Определение тока сваривания по опытным данным
В соответствии с рекомендациями Буткевича:
![]()
где
– определяется по [1, табл. 5.9 и рис. 5.12], который получен на опытных данных.
Полученные значения тока сваривания сопоставляются между собой и для дальнейших расчётов принимают меньшее значение. Принятое это значение тока сваривания сопоставляется с возможным током к.з. при работе аппарата или с предельным током для соответствующей категории применения аппаратов, при этом должно выполняться условие:
;
.
12.13 Мероприятия по повышению устойчивости контактов против сваривания
12.13.1 Конструктивные мероприятия
а) повышение силы конечного контактного нажатия.
б) уменьшение вибрации контактов при включении и выключении.
в) ускорение процесса возрастания силы нажатия после замыкания контактов.
г) компенсация отбрасывающего давления электродинамических сил:
![]()
– предельный ток для заданной категории применения аппарата или ток к.з.
S1 – поперечное сечение контактной детали
S – сечение площади смятия:
Эта сила Fэду возникает в контактных площадках при замкнутых контактах, за счёт стягивания линий тока в контактных площадках.
д) изменение формы контактной поверхности.
Точечный контакт сваривается при меньших токах, чем линейный, а линейный контакт – при меньших токах, чем плоскостной.
е) разделение контактов на ряд параллельных.
Парные контакты свариваются при токах ≈ в два раза больше чем одинарных.
При этом распределение тока в контактах следует определять по формуле:
, А
где
– коэффициент неравномерности
;
– число параллельных ветвей
12.13.2 Повышение устойчивости за счёт рационального выбора материала
а) применение разнородных материалов для контактов;
б) использование металлокерамических контактов, содержащих графит;
в) использование мелкодисперсных металлокерамических контактов.
12.14 Износостойкость контактов
12.14.1 Общие положения
Износ контактов зависит от многих факторов и происходит при замыкании и размыкании.
Износостойкость зависит:
а) условия работы:
· род тока (постоянный, переменный)
· напряжение источника питания
· величина тока
· характер нагрузки (активная, слабо инд., сильно инд.)
· частота включений в час
· среда (воздух, масло, спец. газовая среда и др.)
б) конструкции аппарата:
· время коммутации
· вибрация контакта
· конструктивная форма контакта
· напряжённость магнитного поля в межконтактном промежутке (увеличение напряжения больше оптимального приводит к выбрасыванию мостика расплавленного металла ЭДУ и повышению износа)
· скорость движения контактов (скорость движения при включении и скорость движения при отключении)
Мерой износа контактов является уменьшение провала контактов (линейный износ), а также объём и масса удаляемого с контактной поверхности металла.
12.14.2 Расчётные зависимости для определения электрической износостойкости
Электрическая износостойкость или гарантируемое число коммутаций в общем случае определяется по формуле:
, или
,
где
– объём изнашиваемого металла двух контактов, см3
– удельный объёмный износ при одном размыкании и одном замыкании
– плотность материала
– удельный массовый износ при одном замыкании и одном размыкании
При решении прямой задачи обычно задаются
и определяют изнашиваемый объём.
принимают на основании заданной механической износостойкости, которая определяется по классу механической износостойкости в рамках технического задания. В идеальном случае мы должны стремиться к выполнению условия:
![]()
т.е., чтобы электрический аппарат и все его узлы работали до полного износа (класс механического износа см.[3]).
13 МАЛОМОЩНЫЕ РЕЛЕ
13.1 Условия работы
Маломощные реле коммутируют токи до 5 А при U = до 220 В постоянного и переменного тока.
При постоянном токе
При постоянном токе существует ярко выраженный износ одного из контактов и перенос металла на другой (при переменном токе износ приблизительно одинаков). Износ контактов при постоянном токе зависит от величины напряжения отключения и тока отключения (Uот и І от ): Uот =1,1Uн .
Износ контактов зависит также от напряжения Uо и тока Іо (напряжения и тока дугообразования, ниже которого дуга не образуется).
а) при Uот < Uо и Іот < Іо эрозия контактов в основном вызывается плавлением контактных площадок и вытягиванием жидких мостиков при замыкании контактов. Металл переносится на катод. Объём перенесённого металла на одно размыкание:
где:
,
- постоянные для каждого металла (см. [2]).
б) при U от ≥ Uо и Іот ≥ Іо образуется искра и максимально короткая дуга. Расчётные соотношения приведены в [4].
в) при Uот >> Uо , Іот >> Іо , когда образуется дуга, вызывающая сильную эрозию контактов, объём перенесённого металла с катода на анод за одно размыкание и одно замыкание:
![]()
где:
,
,
– удельные значения износа металла анода и катода при одном замыкании и одном размыкании, см3
/ кг;
– количество электричества в Кл, протёкшего за время одного включения:

где:
– средний ток дуги,
– часть суммарного времени вибрации контактов.
– количество электричества в Кл, протёкшего за время размыкания.
Для постоянного тока:
, где
– время горения дуги
– средний ток в дуге при размыкании
При переменном токе
а) износ контактов происходит вследствие распыления металла под влиянием высокой температуры дуги, при размыкании контактов и расплющивании их от ударов при замыкании.
б) дуга образуется только при размыкании тока, при выполнении условий:
Uот > Uо , Іот > Іо
Чем больше отношения
и
, где Іm
, Um
– амплитудные значения тока и напряжения, тем большая возможность для образования дуги, которая также зависит от фазы тока в момент размыкания.
в) дуга гаснет при первом приближении тока к нулю, поэтому время горения её не превышает одного полупериода (для частоты 50 Гц –
10 мс)
г) количество электричества, протёкшего в виде газового разряда при размыкании определяется по формуле: 
– число полупериодов горения дуги, принимается, как целое число.
Для маломощных реле – ![]()
– угловая частота
14 АППАРАТЫ РАСПРЕДЕЛЕНИЯ ЭНЕРГИИ И УПРАВЛЕНИЕ ЕЁ ПРИЁМНИКАМИ (до 1000В)
По зависимости, предложенной профессором Кузнецовым П.С., удельный массовый износ определяется по формуле:
![]()
,
– удельный массовый износ при одном замыкании и размыкании
,
– коэффициенты износа металла контактов, полученные опытным путём для конкретных материалов (см.[1, табл. 5-11]) или графической зависимости
– коэффициент неравномерности, учитывающий неравномерность износа контактов:
· при постоянном токе износ анода превышает полусумму износа анода и катода в
(1,1 ÷ 3,0) раза
· у трёх полюсных апаратах переменного тока максимальная потеря массы контактов одного полюса больше средней потери
(1,1 ÷ 2,5) раза
,
– предельные токи включения и отключения, для заданной категории применения аппарата.
14.1 Последовательность расчёта электрической износостойкости и провала контактов для аппаратов управления (контакторов)
1Задаёмся электрической износостойкостью
на основании заданной
для данного класса механического износа.
2 Определяем объём изнашиваемого металла, расчёт выполняется, по крайней мере, двумя методами:
1 Метод:

2 Метод: Изнашиваемый объём определяется по формуле Таева И.С.:

– коэффициент использования объёма контакта
– коэффициент, характеризующий удельный расход металла контактов на единицу количества электричества, протёкшего в виде газового разряда.
– количество электричества, протёкшего в виде газового разряда при отключенной цепи, в Кл:

На постоянном токе величина
рассчитывается по формуле:
![]()
где
– предельный ток отключения для данной категории аппарата
– время горения дуги, которое может быть приближенно принято равным времени растяжения дуги до критической длины дуги (
).
Время
определяется по результатам расчёта дугогасительного устройства, на переменном токе.
Величина
определяется по формуле:

где
– действующее значение отключаемого тока в амперах в соответствии с категорией применения аппарата;
– угловая частота;
– число полупериодов горения электрической дуги, которое принимается равным целому числу, в зависимости от категории применения аппарата:
АС1 – n = 1; АС2 – n = 2; АС3, АС4 – n = 3
Из двух полученных результатов после определения
для дальнейших расчётов принимаем больший результат (как самый худший вариант).
Если используется массивный контакт без накладок,
принимается равным 0,5.
Если используются контактные накладки, то
принимается = 1.
3 Определяется линейный износ контактов:

где
– линейный износ;
– возможная площадка контактирования
Для линейных контактов без накладок

Рисунок 1.21 – Точечный контакт

Рисунок 1.22 – Линейный контакт

Рисунок 1.22 – Плоскостной контакт: а –момент замыкания контакта, а–б– длина линий переката рычажного контакта в – ширина подвижного контакта
Для контактов, содержащих контактные накладки, ![]()


Рисунок 1.23 – Определение
для любой формы поверхности

Рисунок 1.23 – Определение толщины изнашиваемого металла
После определения линейного износа необходимо выполнить контрольные мероприятия, если контакт рычажный без накладок, где коэффициент использования металла контакта в зоне
, не должен превышать 0,5, то линейный износ должен быть не более
, т.е. ![]()
– толщина неподвижного контакта,
– толщина подвижного контакта
Для контактов, содержащих контактные накладки (мостиковые, рычажные), где коэффициент использования ≈ 1 должно выполняться условие: ![]()
Н1, Н2 – толщина или высота контактных накладок на неподвижных и подвижных контактах.
Если указанные условия не выполняются, то необходимо произвести корректировку размеров контактов. Либо, в случае больших расхождений, расчёты контактного узла повторяются с самого начала, либо уменьшается электрическая износостойкость и увеличивается число замен контактов. После корректировки размеров контактов, определяется провал контактов:
![]()
Провал контактов используется как важный исходный параметр для расчёта контактных пружин.
14.2 Мероприятия по повышению износостойкости контактов
1 Выбор материалов контактов может быть произведён с учётом рекомендаций и условий эксплуатации контактов.
2 Уменьшение времени существования между контактами мостика расплавленного металла и дуги:
а) в общем случае желательно увеличивать начальную скорость расхождения контактов при размыкании, в некоторых случаях целесообразно принимать оптимальную скорость размыкания контактов;
б) необходимо выбирать оптимальную напряжённость магнитного поля в зоне размыкания контактов при наличии системы магнитного дутья, для обеспечения минимального линейного износа контактов.

Рисунок 1.24 – Зависимость линейного износа от напряженности магнитного поля
3 Уменьшение вибрации контактов при их замыкании.
4 Конструктивные мероприятия.
а) уменьшение площади изнашиваемой части контактов, в том числе за счёт изменения радиуса кривизны контактной поверхности;
б) обеспечение более равномерного износа контактов за счёт применения самоустанавливающихся контактов.
15. РАСЧЕТ КОНТАКТНЫХ ПРУЖИН
Большинство электрических аппаратов содержит в конструкции одну или даже несколько пружин, обычно это контактные или отключающие пружины. Пружины в электрических аппаратах выполняют ответственную роль и определяют основные характеристики аппаратов, поэтому их расчёт имеет большое значение. Для выполнения расчётов необходимо определить расположение пружины в механизме контактного узла или аппарата и взаимодействие их с другими частями аппарата. Выбор материала пружины необходимо производить исходя их общепринятых рекомендаций:
1 При относительно больших силах и небольших перемещениях (прогибах) целесообразно применять сталь.
2 При необходимости получения относительно больших перемещений (прогиба) при небольших силах применяют материалы с меньшими значениями модуля упругости, например, фтористую бронзу.
В зависимости от названия аппарата следует принимать повышенные или пониженные допустимые напряжения в металле. Например, для аппаратов распределительных устройств, работающих редко при износостойкости до нескольких десятков тысяч циклов, можно предусматривать наименьший коэффициент запаса. Для аппаратов управления и автоматики принимаются значения допустимых напряжений, а для особо тяжёлых режимов – пониженное допустимое значение напряжения в металле. Помимо указанного, необходимо также руководствоваться требованиями ГОСТов.
Наибольшее распространение получили витые цилиндрические пружины. Они могут в зависимости от размеров развивать усилия от долей до тысяч Ньютонов.
Рассмотрим принципы конструирования и проектного расчёта витых цилиндрических пружин на примере рычажных контактов.
15.1 Порядок проектирования
15.1.1 Эскизная проработка контактного узла в масштабе
Эскизная проработка выполняется после окончательного выбора размеров контактов, расчёта объёмного износа контактов, когда можно определить провал контактов, по известным силам конечного и начального нажатия. На этом этапе фактически формируется конструкция контактного узла, в частности производится выбор конструкции контакта держателя.

Рисунок 1.25 – Контакты:
– вектор силы контактного нажатия,
– вектор силы контактной пружины,
– длина плеча, на которое будет действовать вектор силы Fпр
,
– длина плеча, на которое будет действовать вектор силы
.
Величины
,
устанавливаются в результате проработки контактного узла в масштабе.
Исходными данными для расчёта параметров пружины служат
,
(для мостиковых контактов в подобных ситуациях эти силы удваиваются),
, длины плеч
,
.
15.1.2 Построения нагрузочной характеристики пружины
Для этого выполняется привидение сил контактного нажатия и провала контакта
в точке О2
, где действует проектируемая пружина. Про пересчёт действующих сил вводится кинематическая схема.

Рисунок 1.26 – Кинематическая схема сил
, Н
, Н
Для пересчёта перемещений вводится следующая кинематическая схема:

Рисунок 1.27 – Кинематическая схема перемещений
,
,
, ![]()
так как угол
один и тот же, то


Для построения нагрузочной характеристики вводим систему координат

Рисунок 1.28 – Зависимость противодействующих сил от перемещения
Полученная нагрузочная характеристика является исходной для определения параметров пружины

Рисунок 1.29 – Пружина: d – диаметр проволоки, Dср – средний диаметр пружины, W – число витков пружины, определяющее длину пружины в сжатом и свободном состоянии.
15.1.3 Выбор материала пружины
Производится выбор материала пружины с учётом рекомендаций и определяется G – модуль сдвига, модуль упругости при кручении (Н/мм2 , кгс/мм2 )
Определяется
– допустимое напряжение при кручении, (Н/мм2
, кгс/мм2
)
15.1.4 Определение характеристических коэффициентов пружины
, и 
где
– длина пружины в свободном состоянии
В обычном исполнении пружин значение коэффициентов С1 и С2 следующее:
, ![]()
Важно выдержать втрое условие для значения С2
в пружинах, работающих на сжатие: когда
, при работе пружины может получиться боковое выпучивание, при этом создаётся трение в витках, искажающее характеристику пружины. Последнее не касается пружин, работающих в специально предусмотренных для них каналов, отверстий.
При проектировании пружин рекомендуется выбирать следующие предпочтительные размеры
и
:
– 5; 6; 8; 10; 12,5; 16; 20; 25; 32; 40; 50; 62 мм
– 0,3; 0,4; 0,5; 0,6; 0,8; 1; 1,2; 1,6; 2; 2,5; 3; 4,5; 6 мм
15.1.5 Определение диаметра проволоки или прутка и числа витков катушки

Полученное значение корректируется с учётом действующего сортамента на проволоку или пруток.
Определяется рабочее число витков пружины:

где
– скорректированный диаметр проволоки или прутка
– полное перемещение пружины, ![]()
Определяется полное число витков пружины: ![]()
15.1.6 Определение шага пружины сжатия и длины пружины
Шаг пружины:

Длина пружины в рабочем состоянии:
![]()
После определения
производится проверка коэффициента C2
, если имеются существенные расхождения, то необходимо вносить корректировку и расчёты повторять:

После этого определяется длина пружины в сжатом состоянии:
![]()
15.1.7 Уточнение полученных данных
Так как в процессе расчёта некоторые величины округлялись, то выполняется построение расчётной характеристики пружины и сопоставление её с требуемой характеристикой по условиям работы:
а) уточняется начальная сила пружины: 
б) уточняется сила пружины конечная: 
Расхождение расчётных сил
и
с исходными не должно быть более ± 5 ÷ ±10 %.
16 ПРОЕКТИРОВАНИЕ ДУГОГАСИТЕЛЬНЫХ УСТРОЙСТВ
16.1 Общие положения
При проектировании ДУ необходимо учитывать ряд требований:
1 ДУ должно обеспечивать заданную коммутационную отключающую и включающую способность аппарата при заданных условиях работы.
2 ДУ должна обеспечивать минимальное время горения дуги с целью уменьшения износа контактов и дугогасительной камеры, если она предусмотрена.
3 При гашении дуги в ДУ не должно возникать недопустимых перенапряжений, вызывающих перекрытие изоляции.
4 ДУ должно иметь минимальные размеры, минимальный выброс пламени дуги и ионизированных газов, которые могут вызвать пробой изоляции между частями аппарата.
5 ДУ должно обеспечивать минимальный звуковой и световой эффекты.
Некоторые требования взаимно противоречивы: например, уменьшение времени горения дуги связано с увеличением перенапряжений.
16.2 Условие гашения дуги постоянного тока
![]()

Рисунок 1.30 – ВАХ дуги постоянного тока
ВАХ дуги должна лежать выше нагрузочной
![]()
где:
– градиент напряжения на столбе дуги, В/см
– длина дуги, см
– приэлектродное падение напряжения на контактах, В
Для низковольтных аппаратов
не превышает по максимуму 20÷30 В, поэтому в практических расчётах, если не предусмотрена решётка, этим параметром пренебрегают (тогда считают
,
< 30 см).
Для реализации условия гашения дуги можно воздействовать на
путём перемещения дуги из зоны контактов за счёт ЭДУ контура или специальной схемы магнитного дутья.
Модно также воздействовать на увеличение
за счёт увеличения раствора контактов, однако, у
есть ограничения
≤ 30 см.
16.3 Условия гашения дуги переменного тока
![]()
В любой момент времени после погасания дуги (проход тока через естественный ноль) восстанавливающая прочность межконтактного промежутка должна быть больше восстанавливающегося напряжения.
![]()
где:
– мгновенно восстанавливающаяся прочность, она зависит от материала контакта и предшествующей величины тока в дуге
– скорость роста восстанавливающейся прочности,
– время, с

Рисунок 1.31 – Изменение восстанавливающейся прочности во времени
В зависимости от характера отключаемой цепи, закон изменения восстанавливающегося напряжения может быть апериодическим и колебательным.

Рисунок 1.32 – Колебательный процесс восстановления напряжения
,
– собственная частота, ![]()
Если эти две характеристики пересекаются, то происходит повторный пробой промежутка между контактами и дуга восстанавливается. При колебательном процессе восстановления напряжения максимальное напряжение не может быть больше
.
В расчётах это учитывается путём введения коэффициента Ка – коэффициента превышения амплитуды.

Рисунок 1.33 – Апериодический процесс восстановления напряжения

При апериодическом процессе восстановления напряжения, максимальное напряжение не может быть больше Uс .
16.4 Значения токов, для которых производится расчёт дугогасительного устройства
Значения токов назначаются с учётом зависимости времени горения дуги от величины отключаемого тока и категории применения аппарата.

Рисунок 1.34 – Зависимость времени горения дуги от величины тока отключения
1–область, где гашение дуги, в основном, определяется механическим растяжением, т.е. ЭДУ малы и основную роль играет раствор контактов.
3 – область значительных токов, где решающим фактором в процессе гашения дуги является ЭДУ, между областью 1 и областью 3 находится область с максимально возможным временем горения дуги 2 . Это область критических токов. Это объясняется невозможностью растяжения контактов.
Эта область может приходится на диапазон токов от 3 до 30 А, в зависимости от особенности аппарата и характера отключаемой нагрузки. В некоторых случаях область критических токов может достигать до 100 А.
4 – область отключения предельных токов, малое время горения дуги, за счёт малых ЭДУ. С учётом приведённой зависимости
при расчётах ДУ назначается ряд токов:
· токи из области критических токов (4 – 5 значений тока)
·
, проверка номинальных значений ДУ
·
, величина, которых устанавливается по категории применения аппарата, для определения предельных возможностей ДУ.
Максимальное время горения дуги
при расчётах должно быть ≤ 0,1 с, если это условие не выполняется, то расчёт ДУ начинается сначала.
16.5 Перенапряжения при отключении дуги постоянного тока

Рисунок 1.35 – Осциллограмма изменения напряжения и тока в дуге
При гашении свободной открытой дуги, а также гашения дуги в камере с широкой цепью, упрощённо считают, что ток в дуге спадает по линейной зависимости, поэтому
, где
– напряжение, возникающее за счёт ЭДС самоиндукции. Для свободной дуги и в случае камеры с широкой щелью:
,
а при гашении дуги в камере с узкой щелью
,
где: L – индукция отключаемой сети;
– время горения дуги при данных
и ![]()
– в общем случае называется напряжением отключения, которое принимается равным:
, где 1,1 – коэффициент, учитывающий возможные колебания напряжения в сети в большую сторону на 10%.
При расчёте дугогасительных устройств, необходимо учитывать возможность появлений перенапряжений, и должно соблюдаться условие:
, где
– испытательное напряжение для данного класса аппарата.
16.6 Учёт влияния индуктивности отключаемой цепи при расчётах дугогасительных устройств постоянного тока
Как было указано выше, во время горения дуги к отключаемому напряжению источника
добавляется ЭДС самоиндукции
, если принять, что при отключаемом токе
скорость изменения тока в течение времени горения дуги
– постоянно, т.е. ток в дуге спадает по линейной зависимости, то ЭДС самоиндукции будет равна:

т.е.
, ![]()
Поскольку при расчёте ДУ постоянного тока приближённо можно считать, что гашение дуги в индукционной цепи происходит как в цепи с активной нагрузкой, но при большем напряжении, то расчёт ДУ производится не по величине
, а по величине:
,
.

Рисунок 1.36 – ВАХ дуги постоянного тока для
и ![]()
16.7 Основные критерии правильности расчёта ДУ постоянного и переменного тока
Длина дуги не должна быть > 30 см,
, время горения дуги не должно быть больше 0,1 с,
.
Максимальное напряжение не должно превышать испытательное напряжение:
для постоянного тока
,
для переменного тока
Если при гашении дуги используется щелевая камера, то максимальная температура нагрева внутренних стенок камеры не должна превышать допустимой температуры для выбранного материала камеры:
.
16.8 Гашение свободной, неподвижной, открытой дуги постоянного тока механическим растяжением
Данный способ гашения электрической дуги используется для слаботочных электрических аппаратов вспомогательных контактов, а также приемлем для установления растворов контактов аппаратов управления.
Отключаемую способность контактов аппаратов характеризуют предельной мощностью коммутации:
.
Как известно, при увеличении
допустимый отключаемый ток для контактов уменьшается, поскольку мощность отключения принимается как постоянная величина.

Рисунок 1.37 –Графическая зависимость ![]()
Задачей расчёта является определение
, величина которого фактически определяет процесс гашения электрической дуги механическим растяжением. Этот способ дугогашения применяется для слаботочных аппаратов (контактов) в следующих случаях:
1) дуга не возникает;
2) дуга возникает.
В первом случае этот способ применяется при небольших растворах, которые принимаются по конструктивным соображениям, и при этом
.
Во втором случае
необходимо определять по графическим зависимостям, либо по империческим формулам. Графические зависимости устанавливаются для нескольких фиксированных зазоров, каждый из которых характеризует определённую отключающую способность аппарата.

Рисунок 1.38 – Графическая зависимость
при разных ![]()
Условия применения графических зависимостей для второго случая следующие:
1 – дуга открытая свободная (без специальных дугогасительных устройств) при атмосферном давлении воздуха.
2 – дуга гаснет за время не более 0,1 с
3 – при повышении напряжения на 10 ÷ 15 % при данном токе получается устойчивая дуга.
4 – разрыв цепи тока однократный, при наличии нескольких последовательных разрывов, например, при использовании мостиковых контактов, напряжение делится на количество разрывов.
5 – нагрузка от чисто активной до слабо индуктивной (Тэм
не более 0,01 с) при большой индуктивности можно ориентироваться на графические зависимости, но при выборе раствора определять его по
.
6 – материал контактов – серебро, металлокерамика на основе серебра, возможно использование меди и других не тугоплавких материалов.
Скорость расхождения контактов не более 0,1 см/с, увеличение скорости даёт возможность увеличить отключаемый ток всего на 10 %.
Расчётные значения
определяются с учётом коэффициента запаса, величина которого зависит от конкретных условий работы аппарата и выбирается в пределах
.
Таким образом, расчётное значение
будет определяться:
![]()
Определение
по империческим зависимостям
При свободной открытой дуге постоянного тока, необходимый раствор контактов можно определить также по величине критической длине дуги, для токов из области критических. Общая формула для указанного случая имеет следующий вид:
,
где:
– константы для данного газа;
– давление.
Для воздуха эта формула имеет следующий вид:
![]()
По величине
выбирается раствор контактов
; с учётом конструктивных соображений. При этом раствор контактов
не должен быть более 30 см.
16.9 Гашение свободной дуги постоянного тока, перемещающейся под действием электродинамических усилий
16.9.1 Порядок расчёта ДУ (дугогасительного устройства)
1 Задаются рядом токов отключения, в которые обязательно включают токи из области критических, номинальный и предельный ток.
2 Определяют величину расчётного напряжения с учётом категории применения проектируемого аппарата и строят нагрузочные характеристики. Величину расчётного напряжения определяют по формуле:
,
где
, Тэм
– электромагнитная постоянная, величина которой определяется по [3] с учётом заданной категории применения аппарата.
– время гашения дуги в секундах, которое на данном этапе расчёта может быть принята равной 0,1 с
3 Для каждого отключаемого тока определяем критическую длину дуги, с этой целью путём последовательного приближения строится ВАХ, которая должна касаться нагрузочной характеристики в одной точке.
Статистическую ВАХ рассчитывают по формуле:

где
– длина дуги в см, задаётся произвольно и принимается как постоянная величина,
– средняя скорость перемещения дуги на участке от
до 0 (см/с), полагают, что на этом участке ![]()
– промежуточное текущее значение тока в дуге на участке от данного
до 0

Рисунок 1.39 – Построение ВАХ дуги по разным iд
Если отключаемый ток находится в пределах до 200 А, то
определяется по формуле:
![]()
– раствор контактов, который определяется по имперической формуле с учётом рекомендаций.
Если
более 200 А, то
![]()
4 Определяется время растяжения дуги до
для всех отключаемых токов:

– критическая длина для каждого, отключаемого тока, см
– скорость расхождения контактов, принимается в пределах от 1 до 100 см/м
– скорость перемещения дуги для каждого, отключаемого тока, который определяется в п.3
5 Строится зависимость времени горения дуги
, время горения дуги определяется по формуле:
![]()
где
– принимается равным 0,01с, это время существования пламени дуги
6 Определяется стрела вылета дуги
для всех отключаемых токов:

Рисунок 1.40 – Стрела вылета дуги
![]()
По величине
строится возможная траектория движения дуги, этот параметр позволяет установить тот объём пространства, который будет занят дугой.
7 Определяются величины перенапряжений для каждого отключаемого тока:

где: L – индукция отключаемой цепи, Гн, определяется на основе применения аппарата.
Составляется мотивированное заключение о целесообразности применения данного способа гашения дуги постоянного тока. При этом необходимо учитывать выполнимость следующих условий для всех отключаемых токов:
1) – ![]()
2) – ![]()
3) – ![]()
Если хотя бы одно из этих условий не выполняется, то приступают к расчёту специального дугогасительного устройства.
16.10 Гашение свободной открытой дуги переменного тока двукратным разрывом
1 Определяется раствор контактов
, см.[1, стр.166–167].
2 Задаются скоростью расхождения контактов
, используя рекомендации.
3 По исходным данным с учётом категории применения аппарата определяют:
а) предельный отключаемый ток![]()
б) коэффициент мощности ![]()
Указанные параметры приводятся в таблице для заданной категории применения аппарата. Например, А3, А4 (АС3, АС4),
; ![]()
4 Определяется мощность отключаемой нагрузки:
![]()
Начиная с этого пункта расчёт всех параметров, производится для двух значений отключаемых токов![]()
5 Определяем собственную частоту отключаемой частоты
, исходя из наличия кабельной сети.
Для этого случая можно воспользоваться формулой:

где: Р – отключаемая мощность, в кВт
6 Определяется коэффициент превышения амплитуды
:
![]()
где
– собственная частота отключаемой цепи, в кГц
7 Определяется коэффициент схемы
, который учитывает количество полюсов аппарата и схему отключаемой цепи.
Таблица 1.4 – Значение
для типичных случаев в соответствии с векторной диаграммой напряжения
| Типичные случаи |
|
| Отключение трёхфазной цепи трехполюсный аппаратом |
1,5 |
| Тоже, но при глухом заземлении нейтрали, источника и приёмника |
1 |
| Отключение однофазной цепи двухполюсным аппаратом |
0,865 |
| Тоже, но однополюсным аппаратом |
1,73 |
8 Определяется индуктивность отключаемой цепи:

где:
– начальный угол сдвига фаз между током и напряжением;
– угловая частота: ![]()
9 Определяется коэффициент
:
![]()
10 Определяется коэффициент
, характеризующий скорость роста восстанавливающейся прочности между контактными промежутками для медных контактов.
11 В случае использования контактов из серебра, металлокерамических контактов при определении
вводится поправочный коэффициент
.
12 Определяется коэффициент
, характеризующий максимальную скорость восстановления напряжения при апериодическом процессе восстановления напряжения:
![]()
13 Определяется длина дуги
на один разрыв.
При токах до 80 А длина дуги на одном разрыве должна приниматься равной конечному раствору контактов
, если
, то
должна быть равна 1 см.
Для токов в диапазоне от 80 до 200 А
определяется по формуле:

Для токов более 200 А
определяется по формуле:
![]()
где:
– отключаемый ток в А, в соответствии с рекомендациями п.3;
– конечный раствор контактов, см
Время горения дуги на данном этапе расчёта принимается ориентировочно с учётом категории применения проектирования аппарата. Например,
;
;![]()
14 Определяется начальная восстанавливающаяся прочность промежутка
от величины отключаемого тока, отнесённую к моменту перехода тока через 0.
Например, см. [1, стр.168, расчёт 4.23]
15 Определяется усреднённая величина
эквивалентная сопротивлению дуги
, приходящаяся на один сантиметр длины дуги.

16 Определяется число разрывов
при апериодическом процессе восстановления напряжения:

В реальной конструкции аппарата число разрывов на полюс может быть равно лишь конечным значениям:
поэтому расчётные значения
округляются до целого числа в большую сторону.
17 Проверяем условие возможности перехода колебательного процесса восстановления напряжения в апериодический по формуле:

Если условие выполняется, то в рассматриваемом случае наблюдается апериодический процесс восстановления напряжения и число разрывов на полюс аппарата может быть принято
.
18 Определяем каким бы было число разрывов при колебательном процессе восстановления напряжения:

Полученное расчётное значение
округляется до целого числа в большую сторону.
19 После указанных расчётов выполняют мотивированное заключение:
а) – если число разрывов
или
> 1, но < 2 , то принимают мостиковые контакты. Если они не предусматривались ранее в токоведущем контуре, то соответственно в него вносятся коррективы.
б) – если число разрывов
или
< 1, то целесообразно принимать рычажные контакты, но с оговоркой. Однако если требуется упрощённая кинематическая схема аппарата, предпочтение отдаётся мостиковым контактам.
в) – если число разрывов
или
> 2, то приступают к расчёту специального дугогасительного устройства (дугогасительной решётки или щелевой камеры). К расчёту специального дугогасительного устройства приступают и в том случае, если
> 30.
16.11 Гашение дуги постоянного тока в камере с продольной щелью в поперечном магнитном поле
1) Производится выбор вида дугогасительной камеры с учётом имеющихся конструкций, [1, стр.134].
2) Выбирается ширина щели
и рекомендуемые значения: ![]()
3) Выполняется эскизная проработка конструкции дугогасительного устройства в определённом масштабе. По эскизу с учётом масштаба определяется площадь пластин
магнитопровода системы магнитного дутья и расстояния между ними ![]()
При определении величины
учитывают возможную траекторию движения дуги, чтобы она надёжно входила в щель камеры под действием внешнего магнитного поля
При определении величины
учитывают ширину подвижного контакта, а также зазоры между ним и стенками камеры и также учитывают толщину стенок камеры. Здесь же предварительно выбирается материал для изготовления щелевой камеры из рекомендуемых. Впоследствии уточняется материал после расчёта нагрева камеры.

Рисунок 1.41 – Эскизная проработка конструкции дугогасительного устройства
4 Производится выбор величины напряжённости магнитного поля в зоне размыкания контактов для номинального тока, см. [1, стр.158, рис.6.14].
При выборе напряжения поля необходимо принимать минимально возможный линейный износ контактов.

Рисунок 1.42 – Зависимость линейного износа от напряженности магнитного поля
5 Производится проектный расчёт электромагнитной системы дугогасительного устройства. Задачами данного расчёта являются: определение диаметра сердечника системы магнитного дутья
; числа витков катушки системы магнитного дутья
; корректировка величин
и
. Построение зависимости напряжённости магнитного поля в магнитном зазоре
от величины отключаемого тока
, которая используется для определения параметров дугогасительного устройства.
В зоне размыкания контактов обычно действует суммарная напряжённость магнитного поля
, которая имеет две составляющие: собственную напряжённость магнитного поля
, созданную элементами токоведущего контура и рычажными контактами, а также напряжённость магнитного поля
, созданную электромагнитной системой магнитного дутья, т.е. общая напряжённость будет определяться суммой этой напряжённости.
Исходную величину напряжённости
устанавливают по графической зависимости, с учётом минимального линейного износа контактов для номинального тока. Собственная напряжённость магнитного поля определяется по формуле:

где
– ток отключения (из принятого ряда отключаемых токов).
– это раствор контактов, в метрах
–это ширина токоведущей контактной детали (ширина подвижного контакта), в метрах
Зная величины напряжённостей магнитного поля
и
можно определить напряжённость магнитного поля
, которую должна создать система магнитного дутья при номинальном токе
. Полученное значение
должно быть использовано для расчётов параметров системы магнитного дутья. Однако необходимо выполнить сопоставление перед расчётом параметров системы магнитного дутья. При достаточно больших
может оказаться, что напряжённость магнитного поля
уже достаточно велика и может примерно достигать значений требуемой напряжённости
. Если
находится в пределах
, то необходимость в использовании системы магнитного дутья отпадает, в этом случае условно принимают, что
и для аппарата можно использовать щелевую камеру без катушки магнитного дутья. Если величина
находится в пределах:
, то в практических расчётах
не используется, т.е.
, и считают, что необходимую величину напряжённости магнитного поля должна создать система магнитного дутья. Если значения
находятся в пределах
, то в расчётах учитывают обе составляющие напряжённости магнитного поля. В этом случае, расчёт параметров электромагнитной системы магнитного дутья выполняют на величину напряжённости магнитного поля, полученную по формуле:
, для номинального тока, а затем для всего диапазона отключаемых токов.
16.11.1 Порядок расчёта электромагнитной системы магнитного дутья

1 – сердечник; 2 – полюс системы магнитного дутья; 3 – катушка магнитного дутья 4 – изоляционная трубка.
Рисунок 1.43 – Эскиз системы магнитного дутья
1 С учётом указанных рекомендаций определяется необходимая напряжённость магнитного поля Нб для номинального тока. С целью упрощения расчётов будем считать, что собственная проводимость поля Нс в данном случае очень мала и ей можно пренебречь Нс ≈ 0 .
2 Выбирается материал магнитопровода для сердечника и пластин полюсов с учётом имеющихся рекомендаций. Следовательно, для данного материала будет известна кривая намагничивания .
3 По нижнему значению величины Нб для номинального тока определяется число витков катушки магнитного дутья.
Число витков катушки:

где Нб
– напряжённость магнитного поля в зоне размыкания контактов в зазоре
;
– номинальный ток, А;
–коэффициент, который учитывает магнитное состояние системы электромагнитного дутья. Для ненасыщенных магнитопроводов, что соответствует номинальному току, Кб
принимается в пределах
. Полученное расчётное значение
округляется до целого числа, в большую сторону, и после этого уточняется значение Нб
.
4 По полученным значениям Нб
и Sп
определяется величина магнитного потока Фб
в магнитном зазоре
. Расчёт производится по формуле:
![]()
где
– магнитная постоянная, ![]()
Для самоконтроля по найденному значению
определяется величина индукции
должна быть порядка ![]()
5 Исходя из условия, что магнитный поток ![]()
, где
– это магнитный поток в сердечнике (потоками рассеивания пренебрегаем) и принимая, что индукция
в сердечнике для ненасыщенного состояния, соотношения номинальному току должно быть в пределах
. Определяем необходимое сечение сердечника по формуле:
.
Зная величину сечения сердечника, определяем диаметр сердечника:
![]()
Полученное значение
округляем до целого числа и окончательно выбираем с учётом имеющегося сортамента на выбранный магнитный материал. После этого уточняется значение сечения сердечника
.
6 Строится в масштабе кривая намагничивания для принятого магнитного материала. Полученная зависимость
будет использована для анализа магнитного состояния электромеханической схемы, которая будет оцениваться по величине индукции
.

Рисунок 1.44 – Кривая намагничивания
7 Производится расчёт зависимости напряжённости магнитного поля Нб от величины отключаемого тока по формуле:

Порядок расчёта зависимости Нб от Iотк рекомендуется следующий:
Для каждого тока отключаемого последовательно определяется:

По полученному значению индукции Вс
устанавливается положение рабочей точки на кривой намагничивания
, а именно: находится эта точка ещё на линейном участке или находится на участке перехода в насыщение (колено кривой намагничивания). Условно принимается, что индукция насыщения Вс
составляет
. Если рассчитанное значение Вс
для какого-то принятого Iотк
находится в указанном диапазоне индукции, то необходимо пересчитать величину Нб
, принимая новое значение коэффициента Кб
, соответствующее уже насыщенному состоянию сердечника электромагнитной системы. В этом случае Кб
принимается в пределах Кб
=(0,4 ÷ 0,6).
В области магнитного насыщения сердечника величину напряжённости Нб
необходимо рассчитать, по крайней мере, для двух-трёх значений тока отключения, принимая для всё больших значений отключаемого тока большие значения коэффициента Кб.
Для рационального проектирования электромагнитной системы насыщение сердечника должно наступать при токах отключения: Iотк
=(2,5 ÷3,5)
Iн


Рисунок 1.45 – Определение
и ![]()
8 Если при расчётах электромагнитной системы необходимо учитывать две составляющие магнитного поля Нб
и Нс
в зоне размыкания контактов, то для каждого отключаемого тока, кроме зависимости
выполняется расчёт зависимости
.

Рисунок 1.46 – Зависимость ![]()
6 Определяется скорость движения электрической дуги
для всех принятых токов отключения в зависимости от соотношения выбранной ширины щели
и диаметра дуги
. Расчёт выполняется по формулам:
а) если ![]()

б) если ![]()

где:
– средний ток в дуге, А
– напряжённость поля в зоне размыкания контактов, которая определяется по графическим зависимостям, полученным в результате расчёта:
![]()
![]()
![]()
Расчёт диаметра дуги производится по формуле:

где
– скорость движения дуги, см/с, вычисленная по формуле а) или б)
Очевидно целесообразно в начале расчёт
производить по формуле: а) до тех пор, пока будет выполняться условие
, а затем по формуле б).
Следует также полагать, что для каждого отключаемого тока, который изменяется от Iотк до 0, скорость перемещения дуги является средней величиной и принимается как постоянная величина.
7 Выполняется построение ВАХ для всех отключаемых токов, по которым определяется критическая длина дуги
, нагрузочные характеристики строим по Uрасч
и Iотк
. ВАХ рассчитывают по формулам:
а) для ширины щели ![]()

б) для ![]()

где:
– длина дуги, которая принимается произвольно, см;
– ширина щели, см;
– текущее значение тока в дуге, при изменении отключаемого тока от Iотк
до 0.
– скорость перемещения дуги, см/с
Если в расчётах
получается чрезмерно больше,
, то целесообразно увеличить градиент падения напряжения на дуге. Более высокий градиент можно получить при уменьшении ширины щели
. Приняв новое
расчёты повторяются, начиная с п. 6.
8 Определяем время горения дуги
и строится зависимость: tг
= f (Iотк
)

Рисунок 1.47 – ВСХ дуги
9 Определяются перенапряжения для каждого отключаемого тока и проверяется выполнимость условия: ![]()
– максимальное значение напряжения при отключении
10 Определяется стрела вылета дуги
для всех отключаемых токов и корректируются размеры камеры.
11 Производится расчёт температуры нагрева камеры. Этот пункт, прежде всего, относится к проектированию аппаратов для повторно-кратковременного режима.

– температура окружающей среды, +40 0
С;
Z – число включений-отключений в час;
Кт – коэффициент теплоотдачи со стенок камеры, его можно принять
;
– площадь боковой поверхности в узкой части камеры, там где дуга непосредственно контактирует со стенками камеры;
– энергия, выделяющаяся в дуге при одном цикле гашения дуги, Дж
Энергия
определяется по формуле:

где
– индуктивность отключаемой цепи: 
– электромагнитная постоянная, определяется по таблице.
Расчёт
и
выполняется для всех отключаемых токов. Одновременно проверяется выполнимость условия: ![]()
– максимально допустимая температура нагрева материала камеры.
Если указанное условие не выполняется, то необходимо производить повторный расчёт дугогасительного устройства.
12 Производится мотивированная оценка параметров спроектированного дугогасительного устройства, при этом должна учитываться выполнимость следующих условий:
![]()
17 ОПРЕДЕЛЕНИЕ РАЦИОНАЛЬНЫХ ПАРАМЕТРОВ СПЕЦИАЛЬНОГО ДУГОГАСИТЕЛЬНОГО УСТРОЙСТВА ДЛЯ ГАШЕНИЯ ЭЛЕКТРИЧЕСКОЙ ДУГИ ПЕРЕМЕННОГО ТОКА
Если на основании предыдущих расчётов (двухкратного разрыва) установлено, что двухкратный разрыв для гашения электрической дуги переменного тока не эффективен, то приступают к расчёту специального дугогасительного устройства. Выбор вида ДУ производится с учётом заданной категории применения аппарата и числа включений-отключений в час.
ДУ целесообразно применять в коммутационных аппаратах, рассчитываемых на лёгкий режим работы (до 600 вкл. - откл. в час).
Эффективность применения решётки должна оцениваться по температуре нагрева пластин и габаритами проектируемого ДУ.
Гашение дуги переменного тока в камере с продольной щелью в переменном магнитном поле применяется при больших номинальных токах (сотни ампер) главным образом у аппаратов, предназначенных для работы в тяжёлых условиях, т.е. данное ДУ применяется тогда, когда камера с решёткой не эффективна.
18 ГАШЕНИЕ ДУГИ ПЕРЕМЕННОГО ТОКА В КАМЕРЕ С РЕШЁТКОЙ
Помимо тех данных, которые использовались при расчёте дуги с двукратным разрывом, определяются ещё следующие данные:
а) Материал пластин (обычно низкоуглеродистая сталь)
Штампованные пластины защищаются от коррозии гальванопокрытием (медь, кадмий)
б) Принимается ориентировочно расстояние между пластинами
.
Принимается обычно от 2 до 12 мм, менее 2 мм не рекомендуется. Рекомендации по конструкции пластин и их установки в камере, см.[1, стр.114].
Определяем установившуюся температуру нагрева пластин по формуле:
![]()
где
– отключаемый ток, А
Z – число включений-отключений в час.
Начиная с этого пункта расчёт параметров ДУ производится дл 2-х токов (номинального и предельного).
Если установочная температура равна или больше 4000 С, то применение решётки нецелесообразно и приступают к расчёту щелевой камеры. Если температура не превышает 4000 С, то можно продолжить расчёт.
Определяется величина напряжения
по формуле:
![]()
где
– расстояние между пластинами, мм
Определяется величина напряжения:
![]()
где
– расстояние между пластинами, мм
Определяется величина
:

где
– это расстояние между пластинами, мм
– толщина
Определяется величина
по формуле:

где
– индукция отключаемой цепи, Гн
Определяется коэффициент
:
Определяется число разрывов
для апериодического процесса восстановления напряжения:

Полученная величина
округляется в большую сторону до целого числа.
Проверяется, выполняется ли условие перехода колебательного процесса восстановления напряжения в апериодический:

Если условие перехода выполняется, то => число разрывов дугогасительной решётки равно
.
Если условие не выполняется, то определяют число пластин
при колебательном процессе восстановления напряжения. Расчёт выполняется по формуле:

где
определяется по формуле: ![]()
Полученное значение
округляют в большую сторону до целого числа.
На основании данных полученных в п.8 и п.9, расчёте пластин
и
при колебательном процессе, принимается реальное число пластин, которое равно расчётному значению плюс несколько резервных пластин.
Так как расчёт производится для двух значений тока:
и
, то во внимание должно приниматься наибольшее число пластин.
Если при использовании данного способа гашения дуги предусмотреть применение мостиковых контактов (например, с целью повышения коммутационной способности или с целью упрощения кинематической схемы аппарата), то расчёт числа пластин
и
производится для половинного напряжения, т.е. ![]()
Определяется минимальная длина пластин
, чтобы дуга не вышла за пределы дугогасительного устройства:
![]()
где
– время горения дуги, с;
– в мм
В реальных условиях время горения дуги в решётке может быть больше 1 полупериода, вследствие неодновременного входа частей дуги в камеру.
Поэтому, в расчётах время
следует принимать равным двум полупериодам, т.е. ![]()
Вычерчивается эскиз камеры с решёткой, определяются габаритные размеры спроектированного дугогасительного устройства, по числу пластин, по
, по ширине пластин. Ширина пластин определяется с учётом ширины подвижных контактов.

Рисунок 1.48 – Эскиз камеры с решёткой
19 ГАШЕНИЕ ДУГИ ПЕРЕМЕННОГО ТОКА В КАМЕРЕ С ПРОДОЛЬНОЙ ЩЕЛЬЮ В ПОПЕРЕЧНОМ МАГНИТНОМ ПОЛЕ
19.1 Порядок расчёта
1 Производят выбор вида ДК, задаются ширина щели
, выполняются эскизные проработки ДУ, определяют число витков катушки, размеры магнитопровода, системы магнитного дутья, рассчитывают зависимость:
![]()
Порядок расчёта электромагнитной системы ЭМ дутья см. в постоянном токе.
Расчёт ДУ переменного тока выполняется для ряда отключаемых токов, в которых обязательно включают критические токи, номинальный ток и предельный.
Под отключаемым током в рассматриваемом случае следует понимать его действующее значение.
При определении основных параметров электромагнитной системы ДУ следует руководствоваться рекомендациями [1, стр. 180].
2 Определяем среднюю скорость движения дуги в камере для всех отключаемых токов:

где
– действующее значение тока, принимаемое из ряда намеченных токов
Н – напряжённость поля, А/см, определяется по графику зависимости:
или
,
– ширина щели , см
3 Определяется диаметр дуги, чтобы уточнить к какому типу отнести дугогасительную камеру с широкой или узкой щелью:

где
– скорость движения дуги, в см/с
– определяется для всех отключаемых токов
4 С учётом полученного диаметра дуги производится расчёт градиента напряжения на дуге: а) для камер с широкой щелью: ![]()

б) для камер с узкой щелью: ![]()

В указанных формулах Iот
– в Амперах,
– в см.
5 Для выбранного значения
и каждого значения отключаемого тока определяют величины:
и
см. [1, рис.6.19 стр.178].
6 Определяется коэффициент
:

7 Определяется коэффициент ![]()

где
угловая частота: ![]()
8 Определяется приближённое значение времени гашения дуги:
![]()
где
– время от начала размыкания контактов до того момента, когда в межконтактном промежутке создаются условия для нормального распределения дуги в камере, т.е. когда между контактами исчез расплавленный мостик металла и образовалось расстояние между ними, достаточное для свободного выхода дуги в камеру. Для существующих конструкций аппаратов принимается в пределах 0,01÷0,02 с.
Вторая составляющая
зависит от параметров размыкающей цепи и параметров дугогасительной камеры. Это время является одной из основных величин, которая рассчитывается.
Третья составляющая
– это время гашения пламени дуги, тысячные или сотые доли секунды, в расчётах следует принимать
.
Расчёт
:
а) определяем время горения дуги
при апериодическом законе изменения напряжения:

После определения
проверяют условие выполнимости апериодического условия:

где
– собственная частота, Гц
– индуктивность отключаемой цепи, Гн
Если это условие выполняется, то расчётное время ![]()
Если условие не выполняется, то определяют
, т.е. время горения дуги при колебательном процессе восстановления напряжения.
б) определение времени горения дуги
:

где Ксх – коэффициент схемы.
Если при расчёте
получаются мнимые числа (отрицательные), то это значит, что вторая составляющая полного времени горения дуги
будет меньше продолжительности 1 полупериода,
или
< 0,01 с.
Расчёт времени
производится для всех отключаемых токов.
9 Выполняется построение зависимости ![]()

Рисунок 1.49 – Зависимость ![]()
10 Проверяют для всех отключаемых токов выполнимость условия:
в момент времени ![]()

Рисунок 1.50 – Изменение
во времени
Как для колебательного, так и для апериодического процесса восстановления напряжения.
Расчёт восстанавливающейся прочности
:
![]()
где
– начальная восстановительная прочность, см. [1, рис.6.19, стр. 178].
– скорость роста восстановления прочности

где
– собственная частота, Гц
Расчёт максимальной величины восстанавливающегося напряжения производится по формулам:
а) при колебательном процессе восстановления напряжения:
![]()

б) при апериодическом процессе восстановления напряжения:

, fо
– в Гц
– электромагнитная постоянная отключаемой цепи
– индуктивность цепи, Гн; см. расчёт формулы гашения дуги двукратным разрывом
– эквивалентное активное сопротивление нагрева, Ом

Эти параметры рассчитываются для всех отключаемых токов.
11 Определяется длина дуги и стрела вылета дуги для всех отключаемых токов а) ![]()
где
– вторая составляющая полного времени гашения дуги
, с.
б) ![]()
12 Корректируются размеры дугогасительного устройства с учётом стрелы вылета дуги.
13 Расчёт нагрева стенок камеры и уточняется материал дугогасительной камеры. Расчёт выполняется по формулам аналогичным как и для ДУ постоянного тока, при расчёте энергии, выделяемой в дуге
под временем
следует понимать время
, а под
.
14 Составляется мотивированное заключение о применимости ДУ с учётом выполнения следующих условий:
;
;
или
; ![]()
20 НЕКОТОРЫЕ ОСОБЕННОСТИ РАСЧЁТА ДУ ПОСТОЯННОГО ТОКА С РЕШЁТКОЙ
Дугогасительная решётка является одной из наиболее распространённых дугогасительных камер в сильноточных коммутационных аппаратах. Она состоит из ряда металлических пластин, укреплённых в изоляционных стенках.
Возникающая на контактах дуга перемещается на пластины решётки и разбивается на ряд коротких дуг, включенных последовательно относительно друг друга. Пластины обладают хорошими теплопроводными свойствами и в результате интенсивного охлаждения дуги повышается эффект гашения дуги постоянного тока в решётке определяется увеличением сопротивления и напряжения дуги.

Рисунок 1.51 – Дугогасительная решётка
![]()
где
– число разрывов в решётке, число коротких дуг
– приэлектродное напряжения, которые могут достигать 20 ÷ 30 В
– напряжение, приходящееся на столб дуги в одном разрыве решётки
![]()
Во избежание отрицательного эффекта перемещения дуги в зону контактов, а не из зоны контактов. Можно применять U – образные пластины решётки, при этом повышается плотность силовых линий. Магнитные поля всегда под дугами и ЭДС всегда будут направлены вверх.

Рисунок 1.52 – Дугогасительная решётка с U – образными пластинами
Применение решётки создаёт эффект повышения напряжения и сопротивления дуги с увеличением числа разрывов решёткой.
20.1 Расчёт ЭДС, втягивающей дугу на пластины решётки
В соответствие с положениями, разработанными профессором Броном:

– относительная магнитная проницательность материала пластин
– толщина пластин, см
– расстояние между пластинами, см
– коэффициент, учитывающий неравномерность магнитного поля дуги вблизи пластин решётки, ![]()
– ток дуги, А
– расстояние от столба дуги до ближнего края пластин, см
ЭДС, втягивающие дугу в решётку, могут оказаться весьма существенными, например, при токе 5000 А и а = 0,2 см =>
= 3,9 Н/см, для сравнения при магнитном дутье для создания такой же силы потребовалось бы напряжённость поля порядка 640 А/см.
Когда дуга находится в решётке, на неё действует сила, которая определяется по формуле:

По мере продвижения дуги вверх, сила действия на дугу ослабляется
20.2 ВАХ дуги
Напряжение дуги в решётке мало зависти от величины тока, больше зависти от приэлектродных напряжений, т.е. числа пластин.
ВАХ дуги имеет такой же вид, как и ВАХ дуги без деления её на короткие дуги, но оказывается сдвинутой в область больших падений напряжений.

Рисунок 1.53 – ВАХ дуги с решёткой и без: 1 – ВАХ дуги без деления, 2 – ВАХ с делением дуги на короткие дуги, n – число пластин решётки,
– приэлектродные напряжения, Uд
1
– падение напряжения без деления на короткие дуги
Если пренебречь падением напряжения на столбе дуги, то необходимое число пластин в камере может быть найдено из условия
, тогда
, ![]()
ПЕРЕЧЕНЬ ССЫЛОК
1 Сахаров П.В. «Проектирование электрических аппаратов»
2 Усов В.В. «Металловедение Электрических контактов», 1963 г.
3 Таев И.С. «Аппараты управления»
4 Сотсков Б.С. «Основы расчёта и проектирования электромеханических элементов автоматических и телемеханических устройств», 1965 г.
Похожие рефераты:
Правила технической эксплуатации электроустановок
Охрана труда - основные термины, понятия, определения
Проектирование электрической тяговой подстанции постоянного тока
Теория безопасности жизнедеятельности
Высоковольтный элегазовый баковый выключатель ВГБ-35
Элегазовый генераторный выключатель 10 кВ, 63 кА, 8000 А
Сравнение масляного и вакуумного выключателей
Реконструкция СЭС обогатительной фабрики
Разработка логической схемы управления двустворчатых ворот судоходного шлюза
Реконструкция и модернизация подстанции "Ильинск"
Схемы управления электродвигателями