| Скачать .docx |
Курсовая работа: Насосная станция второго подъема
ФЕДЕРАЛЬНОЕ АГЕНТСТВО ПО ОБРАЗОВАНИЮ
Государственное образовательное учреждение профессионального
высшего образования
«Сибирский государственный индустриальный университет»
КАФЕДРА «ВОДОСНАБЖЕНИЯ И ВОДООТВЕДЕНИЯ»
ПОЯСНИТЕЛЬНАЯ ЗАПИСКА
К КУРСОВОМУ ПРОЕКТУ
«НАСОСНАЯ СТАНЦИЯ ВТОРОГО ПОДЪЁМА»
по дисциплине «Насосные и воздуходувные станции»
СТУДЕНТ
________________ Т.Б
(Подпись)
РУКОВОДИТЕЛЬ
________________ Любовский З.Е
(Подпись)
Новокузнецк 2010г.
Задание на курсовой проект
| Вариант | Производительность, м3 /сут, 103 | Расход при пожаре, л/с | Коэффициент часовой неравномерности Кч | Длина напорного водовода, км | Потери в сети города при максимальной подаче, м | Отметки уровней, м | ||||||||
| максимальный в РЧВ | минимальный в РЧВ | дна РЧВ | в водонапорной башне | в контррезервуаре | в точке схода потоков | в конце водопр.сети | в точке пожара | земли у зданя на-сосной станции | ||||||
| 11 | 60 | 75 | 1,30 | 8,6 | 15,1 | 51,5 | 47,1 | 45,6 | - | 89,9 | 67,2 | - | 68,1 | 55,7 |
Этажность застройки – 5, длина всасывающих водоводов 0,14 км
Содержание
Введение
1 Гидравлическая схема насосной станции
2 Расчетные подачи насосной станции
3 Напоры насосов
4 Расчёт характеристик водопроводной сети
5 Выбор насосов
6 Проектирование машинного зала
6.1 Расчет машинного зала в плане
6.2 Высотная компоновка машинного зала
6.3 Выбор трансформаторов
6.4 Подбор дренажных насосов
7 Расчет параметров насосной станции
Список использованных источников
Введение
Целями данного курсового проекта является: овладение навыками решения задач по гидравлическим расчётам, выбору насосов, анализу совместной работы насосов и водопроводной сети, компоновке оборудования и строительных конструкций, оценке занятости насосных агрегатов, расходу электроэнергии.
1 Гидравлическая схема насосной станции
По данным задания принимается система с контррезервуаром в конце сети (рисунок 1).

Рисунок 1 – Гидравлическая схема насосной станции
2 Расчетные подачи насосной станци и
Расчётные подачи станции вычисляются в таблице 1
Таблица 1 – Расчетные подачи станции
| Подачи | Расчёт, л/с | Примечание |
| Максимальная | Qст.макс = 0,9Рмакс Qсут /100 = =0,9*5,6*60000/(100*3,6) = 840 л/с | Pмакс =5,6%, Рмин =2,5%; |
| Минимальная | Qст.мин = 1,1Рмин Qсут /100 = =1,1*2,5*60000/(100*3,6)=458,3 л/с | |
| При аварии на водоводах | Qав ³ 0,7Qст.макс ³ 0,7*840 =588 л/с | |
| При пожаре | Qст п = Qст.макс + q = 840 +75=915 л/с |
3 Напоры насосов
Подбираются трубопроводы для всасывающей и напорной линии. Количество всасывающих линий и напорных линий согласно [2, п.7.5, 7.6] должно быть не менее двух. Выполняется гидравлический расчет трубопроводов (таблица 2), с учетом того, что всасывающие трубы определяются на расход 840 л/с, а напорные на подачу Qн =840/2=420 л/с. Подбираются трубы согласно [2], материал - сталь, диаметры определяются по [3].
Всасывающие водоводы:
Потери во всасывающих водоводах, hвс , м, вычисляем по формуле
, (1)
где ![]()
- местные сопротивления – плавный вход в трубу, отвод и задвижка,
∑xвх =0,2 м,
∑xо =0,6 м,
∑xз =0,2 м
= 0,2+0,6+0,2=1,0 м;
Lвс – длина всасывающего водовода, Lвс = 0,14 км.
hвс = 1*1,312 /(2*10)+1,22*0,14=0,256м.
Напорный водовод:
Потери в напорных водоводах hн , м, составляют
, (2)
где K– коэффициент, учитывающий местные потери, K=1,1;
Lн – длина напорного водовода, Lн = 8,6 км.
Таблица 2 – Расчет всасывающих и напорных водоводов
| Всасывающие водоводы | Напорные водоводы | ||||||||
| Q, л/с | dу , мм | v, м/с | 1000i | Число труб | Q, л/с | dу , мм | v, м/с | 1000i | Числотруб |
| 840 | 1000 | 1,31 | 1,22 | 2 | 420 | 800 | 1,07 | 1,97 | 2 |
| Потери напора hвс =0,256 | Потери напора hн =18,3 | ||||||||
Определение напоров сведено в таблицу 3
Таблица 3 – Расчетные напоры
| Напоры | Расчет | Примечание | |
| Статические | max | Нмакс ст =Zдп сп -Zmin +hc в = | 26м-свободный напор при max режиме |
| =67,2-47,1+26=46,1 м | |||
| транзит | Нтр ст = Zр -Zmin = | ||
| пожар | Нст п = Zдт п -Zд +10= | 10м-свободный напор при пожаре | |
| =68,1-45,6+10=32,5 м | |||
| авария | Нст =Нст авария =46,1 м | ||
| Насосы | max | Нн =Нст +hн +hвс +hмз +hс +hвдм = | hмз =3м, hс =15,1м. |
| =46,1+18,3+0,3+3+15,1+3,84=86,64 м | |||
| пожар | Нн п =Нст п +Σh(Qп /Qmax )2 = | ||
| =32,5+40,54(915/840)2 =80,60 м | |||
| транзит | Нн тр =Нст тр +Σh(Qтр /Qmax )2 = | ||
| =42,8+40,54(458,3/840)2 =54,86 м | |||
| авария | Нн ав =Нст ав +(Σh-hн ) +4* hн = | ||
| =46,1+(40,54-18,30)+2,5*18,30=114,54 м |
Сумма потерь
,будет равна
(3)
где hмз – потери напора в пределах машинного зала, hмз =3м;
hс – потери в сети города, hс =15,1м;
hвдм – потери в диафрагме, определенные по формуле
(4)
где m– относительное сужение потока диафрагмой, m=0,2.

м.
4 Расчёт характеристик водопроводной сети
Характеристики водопроводной сети имеют вид
Нс = Нст + Sh = Нст + КQ2 , (5)
где Нст – высота подъёма воды, м; Sh – сумма потерь напора, м;
К = Sh/Q2 – коэффициент сопротивления водопроводной сети.
При подаче воды в контррезервуар (транзит) и на тушение пожаров потери напора определяются по формулам
Shтр = Sh(Qтр /Qмакс )2 , (6)
Shп = Sh(Qп /Qмакс )2 ; (7)
где Qмакс - максимальная подачи станции; Qмакс =0,840 л/с;
Qтр - подачи станции при транзите; Qтр =0,458 л/с
Qп - подачи станции при пожаре; Qп =0,915 л/с;
Sh – потери напора, м.
Коэффициенты сопротивления водопроводной сети будут равны
Кр =40,54/0,8402 =57,45 с2 /м5 ,
Ктр =12,07/0,4582 =57,54 с2 /м5 ,
Кпож =48,10/0,9152 =57,45 с2 /м5 ,
Кав =68,44/0,5882 =197,94с2 /м5 .
Расчёт характеристик водопроводной сети сводят в таблицу 4.
Таблица 4 – Уравнения характеристик водопроводной сети
| Расчёт характеристики сети, с2 /м5 | Примечание |
| Нс = 46,1+57,45*Q2 | Рабочий |
| Нс = 42,8+57,54*Q2 | Транзит |
| Нс = 35,2+57,45*Q2 | Пожар |
| Нс = 46,1+197,94*Q2 | Авария |
5 Выбор насосов
Число рабочих насосов подобрано, руководствуясь соотношение
n=Qмакс /Qмин , n=840/458,3=1,83»2 насоса
По расчетной подаче Qсут.макс = 840 л/с и напору Нн =86,64 м принимаются насосные агрегаты Д2000-100, n = 960 об/мин, D=855 мм, два рабочих с подачей Qн =840/2=420 л/с и два резервных согласно [2, п.7.3], уравнение напорной характеристики Н=121-75Q2 .
Правильность выбора насосов проверяется уравнением:
Hн =Hс .
46,1+57,45Q2 =121-75Q2 /4
Q=991 л/с,
H=102,6 м.
∆Q=(Qд -Qр )/Qр *100%=(991-840)/840*100%=17,9% .
∆H=(Hд -Hр )/Hр *100%=(102,6-86,6)/86,6*100%=18,5%.
Так как Qд превышает Qр более 10%, то насосы подвергаются обточке рабочих колес.
Диаметр обточенного колеса Добт , мм, определяется по формуле
Добт
=
, (8)
где Qобт – подача насоса с обточенным колесом;
Q – подача насоса с родным колесом;
Добт - диаметр обточенного рабочего колеса.
Значение Qпод находят из уравнения
Hн = КQ2 , (9)
где Н = КQ2
, её постоянная К =
.
К =
=122,7
121-75Q2 /4=122,7 Q2 ÞQпод = 0,925 м3 /с.
Добт =0,860*855/0,925 =795мм.
В характеристике насоса с Добт начальную ординату а0обт вычисляют из соотношения Нобт = Нс , откуда
ao -75 Q2 /4 = 46,1+57,45 Q2 Þao = 100 м.
Получим Н=100 - 75
.
Мощность электродвигателя находится по формуле
Nдв = KρgQ1н Н1н /1000ηн , (10)
где Q1н , Н1н - подача и напор одного насоса;
ηн – КПД насоса при подачи Qн =420 л/с, ηн = 73%;
K – коэффициент запаса;
Nдв = 1,1*1000*9,8*420*86,6/1000*0,73=537 квт.
Таблица 5 – Насосные агрегаты
| Параметры | Наименование, величина | Примечание |
| Расчётные подача и напор | Qсут.макс =840 л/с; Нн =86,6 м | |
| Марка и масса агрегата | Д2000-100, 8310 кг | |
| Диаметр рабочего колеса | 795 мм | |
| Скорость вращения | 960 об/мин | |
| Мощность электродвигателя | 537 кВт | |
| Число рабочих агрегатов | 2 | |
| Число резервных агрегатов | 2 | |
| Характеристика насоса | Н=100-75Q2 | Рисунок 3 |
| Габариты агрегата | 3575 |
Рисунок 4 |
| Размер монтажного пятна | 3272 |
Рисунок 5 |

Рисунок 2 – Первоначальная характеристика насоса
Д2000-100 n=960 об/мин, Д=795мм

Рисунок 3 – Характеристика насоса после обточки рабочего колеса

Рисунок 4 – Габариты агрегата
К размерам рамы добавлено по 100 мм на каждую сторону – это монтажное пятно 3272 ×1600 мм (рисунок 4).

Рисунок 5 – Размеры монтажного пятна

Рисунок 6 – Присоединительные размеры
6 Проектирование машинного зала
6.1 Расчет машинного зала в плане
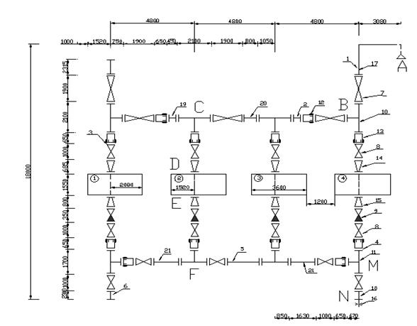
Арматура машинного зала (рисунок 7) позволяет ремонтировать любой участок трубопровода, клапан или задвижку при работе насосов Спецификация труб приведена в таблице 6, арматура и фасонные части - в таблице 7, расчетные размеры машинного зала - в таблице 8.

Рисунок 7 – Схема машинного зала
Таблица 6 - Спецификация труб
| Трубопроводы | Позиция | Число труб | dу , мм | Q, л/с | V, м/с |
| Всасывающий | 1 | 2 | 1000 | 840 | 1,31 |
| Вс. коллектор | 2 | 1 | 1000 | 840 | 1,31 |
| Вс. соединит. тр. | 3 | 4 | 800 | 420 | 1,07 |
| Нап.соединит.тр. | 4 | 4 | 800 | 420 | 1,07 |
| Нап. коллектор | 5 | 1 | 800 | 420 | 1,07 |
| Напорный тр. | 6 | 2 | 800 | 420 | 1,07 |
Таблица 7 - Элементы схемы машинного зала
| Наименование | Позиция | Марка, тип | Количество | dу , мм | L, мм | L1 , мм | h, мм | Масса, кг |
| Задвижка | 7 | 30ч964нж | 5 | 1000 | 1900 | 3835 | 5060 | |
| Задвижка | 8 | 30ч915бр | 13 | 800 | 1000 | 2215 | 2880 | |
| Обратный поворотный клапан | 9 | ИА44078 | 4 | 800 | 350 | 805 | ||
| Тройник | 10 | 4 | 1000x800 | 2100 | 750 | 546 | ||
| Тройник | 11 | 4 | 800 | 1700 | 670 | 354 | ||
| Сальниковый компенсатор | 12 | 2 | 1000 | 650 | 650 | |||
| Сальниковый компенсатор | 13 | 10 | 800 | 650 | 496 | |||
| Переход | 14 | 4 | 800x500 | 685 | 650 | |||
| Переход | 15 | 4 | 450x800 | 800 | 635 | |||
| Водомер | 16 | 2 | ||||||
| Отвод | 17 | 2 | 1000 | |||||
| Вход в трубу | 18 | 2 | ||||||
| Вставка | 19 | 2 | 1000 | 450 | ||||
| Вставка | 20 | 1 | 1000 | 800 | ||||
| Вставка | 21 | 2 | 800 | 1630 |
Таблица 8 – Расчётные размеры машинного зала, мм
| Вдоль оси труб насоса № 1 | Перпенд. оси труб насоса № 1 | Вдоль всас. коллектора | Вдоль напорн. коллектора |
| От стены до задвижки 2315 | От стены до оси насоса 1000 | Тройник 750 | Тройник 670 |
| Задвижка 1900 | Насос 1 – 3600 | Задвижка 1900 | Сальниковый компенсатор 650 |
| Тройник 2100 | Между агрегатами 1 и 2-1200 | Сальниковый компенсатор 650 | Задвижка 1000 |
| Сальниковый компесатор 650 | Насос 2 – 3600 | Вставка 450 | Вставка 1630 |
| Задвижка 1000 | Между агрегатами 2 и 3-1200 | Тройник 2100 | Тройник 1700 |
| Переход 685 | Насос 3 – 3600 | Задвижка 1900 | Задвижка 1000 |
| Насосный агрегат 1550 | Между агрегатами 3 и 4-1200 | Вставка 800 | Вставка 2102 |
| Переход 800 | Насос 4 - 3600 | Тройник 2100 | Тройник 1700 |
| Обрат.клапан 350 | от насоса до стены - 1000 | Вставка 450 | Вставка 1630 |
| Задвижка 1000 | Сальниковый компенсатор 650 | Задвижка 1000 | |
| Сальниковый компенсатор 650 | Задвижка 1900 | Сальниковый компенсатор 650 | |
| Тройник 1700 | Тройник 750 | Тройник 670 | |
| Задвижка 1000 | |||
| От задвижки до стены-2300 |
Для облегчения ремонтных работ принимаются сальниковые компенсаторы.
При проектировании машинного зала в плане соблюдаются необходимые размеры: между насосными агрегатами – 1200 мм, между агрегатом и стеной 1000мм. Для выполнения всех расчетных размеров принимаются трубные вставки. Вдоль всасывающего и напорного коллектора сумма длин всех элементов составляет 18000 мм, вдоль осей агрегатов сумма элементов составляет 20000 мм. Учитывая унифицированные строительные конструкции (кратность 6м), монтажную площадку 6x4 для въезда автомобиля типа КРАЗ, а также замену насосных агрегатов более мощными, принимается здание машинного зала 18x30м. Колонны располагают через 6м. Вспомогательная часть располагается в пристройке к зданию машинного зала длиной 10м.
6.2 Высотная компоновка машинного зала
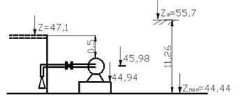
Заглубление машинного зала.
Отметки в подземной части машинного зала (рисунок 8):
верх корпуса насоса 47,1-0,5=46,6 м;
верх фундамента 46,6-1,660=44,94 м;
ось насоса 44,94+1,045=45,985м;
чистый пол 44,94-0,5=44,44м;
заглубление 55,7-44,44=11,26м.
Стандартная высота заглубленной части (кратная 1,5м) принимается равной 12м.

Рисунок 8 – Схема заглубления машинного зала
Для обеспечения свободного доступа к задвижкам и другой арматуре применяются площадки обслуживания. Их располагают вдоль коллекторов, на 0,6м ниже самой низкой задвижки: 48,3-0,6=47,7м.
Принимаются лестницы:
для доступа к заглубленной части - ширина лестницы 0,9м, угол наклона 450 ;
для доступа к площадке обслуживания – ширина 0,7м, угол наклона 600 .
для доступа к отдельным задвижкам и переходов через трубы – ширина 0,6м, угол наклона 600 .
Принимаются стандартные ворота 4,8 м
5,4 м.
В качестве грузоподъемного механизма принимается мостовой кран, грузоподъемностью 10 тонн (рисунок 9).
Таблица 9 – Мостовой кран
| Грузоподъёмность, т | Про - | Размеры, мм | Э. дв., квт | Масса, т | ||
| лёт, L, м | H | h | L1 | |||
| 10 | 10,5-34,5 | 1900 | 500 | 1200 | 7,5 | 17 – 34,9 |

Рисунок 9 – Мостовой кран
Принимается высотная схема насосной станции – полузаглубленный машинный зал. Высота надземной части строения определяется по формуле
Нстр = hп + hгр + hс + hз + hгм + hкр + hзаз ; (11)
где hп – высота грузовой платформы транспорта, 1,5 м;
hгр – высота транспортируемого груза, здесь максимальная высота – высота задвижки 4,3м;
hс – высота строп, hс =0,5 м;
hгм – высота механизма мостового крана в стянутом состоянии, hгм =h= 0,5м;
hкр – высота кранового оборудования, hкр = H= 1,9 м;
hзаз – величина зазора, hзаз = 0,2 м;
Нстр = 1,5+4,3+0,5+0,5+0,5+1,9 + 0,2 = 9,4м.
Принимается стандартная высота верхнего строения 9,6м (рисунок 10).

Рисунок 10 – Высотная схема машинного зала
Для того, чтобы машинный зал имел хорошее естественное освещение, общая площадь оконных проемов Q принимается не менее 12,5% площади пола q, т.е
Q=0,125q=0,125*(30*18)=67,5м2 .
На основании этого принимается 8 окон для заглубленной части машинного зала и 4 окна во вспомогательном помещении шириной каждого окна 3м и высотой 1,8м. В машинном зале также принимаются двери высотой 2,4м при их ширине 1м. Пол машинного зала выполняется с уклоном в сторону колодца для сбора дренажных вод.
6.3 Выбор трансформаторов
Мощность силовых трансформаторов S, кВ·А, определяется по формуле
, (12)
где
- коэффициент спроса,
=1,1 (при мощности более 300квт);
- мощность двигателей основных насосов (без резервных), кВт;
- коэффициент полезного действия (КПД) двигателя,
=0,9-0,95,
=0,95;
cosφ – коэффициент мощности электродвигателя, cosφ =0,85-0,9; cosφ =0,9;
10…50 – нагрузка от вспомогательного оборудования и освещения
кВ·А.
Принимается два силовых маслонаполненных трансформаторов ТСМ 1000/6-10 с массой каждого 3300кг, длиной 1660мм, шириной 2570мм и высотой 2570мм.
Подача дренажных насосов определяется по формуле![]()
, (13)
где
- суммарные утечки через сальники, q1
=0,1 на один сальник, сальников 12;
=0,1*12=1,2л/с;
q2 – фильтрация через стены и пол, определяется
q2 = 1,5+0,001W, (14)
где W - объем заглубленной части МЗ = 18*20*12=4320м3 ;
q2 = 1,5+0,001*4320=5,82л/с,
л/с.
Принимается два дренажных насоса, марки ВКС 10/45, характеристики насоса приведены в таблице 9.
Таблица 9 – Дренажный насос
| Марка | Подача, л/с | Напор, м | Мощность, квт | Габариты в плане | Нвак доп , м | Масса, кг |
| ВКС 10/45 | 5,0-11,1 | 85-30 | 30 | 1200´430 | 3 | 315 |
7 Расчет параметров насосной станции
Потери напора на участках сети в машинном зале сведены в таблицу 10.
Таблица 10 – Потери напора на участках
| Участок сети | Поз. На рис. 5 | Q, л/с | dу , мм | V, м/с | x | hуч , м |
| AB | 1 | 840 | 1000 | 1,31 | 0,13 | |
| 17 |
- | - | - | 1,2 | ||
| 7 | - | - | - | 0,2 | ||
| 10 | - | - | 1,5 | |||
| BC | 10 | 840 | 1000 | 1,31 | 1,5 | 0,22 |
| 7 |
- | - | - | 0,2 | ||
| 12 | - | - | - | 0,2 | ||
| 2 | - | - | - | - | ||
| 20 | - | - | - | - | ||
| 10 |
- | - | - | 1,5 | ||
| CD | 13 | 420 | 800 | 1,07 | 0,2 | 0,2 |
| 8 | - | - | - | 0,2 | 0,2 | |
| 14 | - | - | - | 0,1 | 0,09 | 0,1 |
| 3 | - | - | - | - | ||
| EF | 15 | 420 | 800 | 1,07 | 0,25 | 0,24 |
| 9 | - | - | - | 1,7 | ||
| 8 | - | - | - | 0,2 | ||
| 4 | - | - | - | 1,5 | ||
| 11 | - | - | - | 1,5 | ||
| FM | 11 |
420 | 800 | 1,07 | 3 | 0,18 |
| 8 |
- | - | - | 0,4 | ||
| 5 | - | - | - | - | ||
| 21 | - | - | - | - | ||
| 13 | - | - | - | 0,2 | ||
| MN | 8 | 420 | 800 | 1,07 | 0,2 | - |
| 18 | - | - | - | 0,5 | ||
| 16 | - | - | - | - |
Σhуч =0,86м это значительно больше hмз =3м, поэтому данные таблиц требуется пересчитать.
Уравнение характеристик водопроводной сети при максимальном водопотреблении, работы станции на один или полтора водовода:
=18,3+0,3+0,86+15,1+3,84=38,4 м,
Shп = Sh(Qп /Qмакс )2 = 38,4*(915/840)² = 45,5 м,
Shтр = Sh(Qтр /Qмакс )2 = 38,4*(458/840)² = 11,4 м,
Shав 1 = (Sh-hн )+4*hн = (38,4-18,3)+4*18,3 = 73,3 м,
Shав 1,5 =(Sh-hн )+2,5*hн =(38,4-18,3)+2,5*18,3 = 64,15 м.
Кр =38,4/0,8402 = 54,4л/с,
Кпож =45,5/0,9152 =54,4 с2 /м5 ,
Ктр =11,4/0,4582 =54,3 с2 /м5 ,
Кав 1 =73,3/0,5882 =212,1с2 /м5 .
Кав 1,5 =64,15/0,5882 =194,5 с2 /м5 .
Hр =46,1+54,4Q2 м,
Hп =32,5+54,4Q2 м,
Hтр =42,8+54,3Q2 м,
Hав 1 =46,1+212,1Q2 м,
Hав 1,5 =46,1+194,5Q2 м.
Таблица 11 – Работа насосной станции
| Q, л/с | HН, м | КПД,% | HН(1+2) м | HС.ДП м | HС.ТР м | HС.П м | HС.АВ1 м | HС.АВ1,5 м |
| 0 | 100,0 | 100,0 | 46,1 | 42,8 | 32,5 | 46,1 | 46,1 | |
| 50 | 99,8 | 19 | 100,0 | 46,2 | 42,9 | 32,6 | 46,5 | 46,4 |
| 150 | 98,3 | 43 | 99,6 | 47,3 | 44,0 | 33,7 | 49,7 | 49,2 |
| 250 | 95,3 | 60 | 98,8 | 49,5 | 46,2 | 35,9 | 56,2 | 54,7 |
| 350 | 90,8 | 70 | 97,7 | 52,8 | 49,5 | 39,2 | 65,9 | 63,0 |
| 450 | 84,8 | 75 | 96,2 | 57,1 | 53,8 | 43,5 | 78,9 | 74,0 |
| 550 | 77,3 | 73 | 94,3 | 62,6 | 59,3 | 49,0 | 95,1 | 87,8 |
| 650 | 68,3 | 68 | 92,1 | 69,1 | 65,8 | 55,5 | 114,5 | 104,4 |
| 750 | 57,8 | - | 89,4 | 76,7 | 73,4 | 63,1 | 137,2 | 123,7 |
| 850 | 45,8 | - | 86,4 | 85,4 | 82,1 | 71,8 | 163,1 | 145,8 |
| 950 | 32,3 | - | 83,1 | 95,2 | 91,9 | 81,6 | 192,3 | 170,6 |
| 1050 | 17,3 | - | 79,4 | 106,1 | 102,8 | 92,5 | 224,7 | 198,2 |

Рисунок 11 - График работы насосной станции
График работы насосной станции (рисунок 11) выражает зависимость напоров, подач и КПД от характеристик водопроводной сети.
Таблица 12 -Расчёт графика водопотребления, л/с
| Часы суток | Qрасч | Qн1 | Qн2 | К | ||||
| 0 - 1 | 500,01 | 420 | 840 | 3 | ||||
| 1 – 2 | 533,344 | 3,2 | ||||||
| 2 – 3 | 416,675 | 2,5 | ||||||
| 3 – 4 | 433,342 | 2,6 | ||||||
| 4 – 5 | 583,345 | 3,5 | ||||||
| 5 – 6 | 683,347 | 4,1 | ||||||
| 6 – 7 | 733,348 | 4,4 | ||||||
| 7 – 8 | 816,683 | 4,9 | ||||||
| 8 – 9 | 816,683 | 4,9 | ||||||
| 9 – 10 | 933,352 | 5,6 | ||||||
| 10 – 11 | 816,683 | 4,9 | ||||||
| 11 – 12 | 783,349 | 4,7 | ||||||
| 12 – 13 | 733,348 | 4,4 | ||||||
| 13 – 14 | 683,347 | 420 | 840 | 4,1 | ||||
| 14 – 15 | 683,347 | 4,1 | ||||||
| 15 – 16 | 733,348 | 4,4 | ||||||
| 16 – 17 | 716,681 | 4,3 | ||||||
| 17 – 18 | 683,347 | 4,1 | ||||||
| 18 – 19 | 750,015 | 4,5 | ||||||
| 19 – 20 | 750,015 | 4,5 | ||||||
| 20 – 21 | 750,015 | 4,5 | ||||||
| 21 – 22 | 800,016 | 4,8 | ||||||
| 22 – 23 | 800,016 | 4,8 | ||||||
| 23 – 24 | 533,344 | 3,2 | ||||||
График водопотребления (рисунок 12) выражает зависимость
Qрасч = Qсут Pt , (15)
где Qрасч – расчётное водопотребление в разные часы суток; Pt – доля водопотребления в каждый час от Qсут

Рисунок 12 - Графика водопотребления
По рабочим точкам рисунка 11 определяются подачи Qн i , напоры Hн i и hн i при работе одного, и двух насосов в рабочих режимах, а по графику рисунка 12 – сколько часов в сутки ti заняты эти насосы. По этим значениям вычисляются удельный расход электроэнергии, квт-ч/м3 .
Таблица 13 – Данные проекта насосной станции
| Параметры | Рабочие режимы | авария (одна перемычка) | пожар | |||||||
| Q максимальный | Q минимальной | |||||||||
| расчет | график | расчет | график | расчет | график | расчет | график | |||
| Число рабочих насосов | 1 | 2 | 1 | 2 | 2 | 2 | 2 | 2 | 2 | 2 |
| Q, л/с | 420 | 840 | 630 | 850 | 458 | 870 | 588 | 550 | 915 | 950 |
| H, м | 56 | 86 | 69 | 87 | 84 | 85 | 114 | 96 | 78 | 82 |
| η, % | 73 | - | 64 | 73 | - | 73 | - | 60 | - | 75 |
| t, ч/сут | 1 | 23 | ||||||||
Действительная подача станции составляет
Q=(1*0,63+23*0,85)*3600=72650 м3 /сут.
Расход электроэнергии определяется по формуле
, (16)
где Н1 , Н2 , – напоры, создаваемые при работе 1-го, 2-х насосов, м3 ;
ŋ1 , ŋ2 – КПД при работе 1-го, 2-х насосов;
ŋдв – КПД двигателя, принимается ŋдв =0,95.
кВт-ч.
Удельный расход электроэнергии, кВт-ч/м3 определяется
, (17)
кВт-ч/м3
.
Список использованных источников
1 Любовский З.Е. Гидравлика и насосы. Новокузнецк, 2005.
2 Водоснабжение. Наружные сети и сооружения. Нормы проектирования: СНиП 2.04.02-84* . М.: Стройиздат, 1985.
3 Шевелёв Ф. А., Шевелёв А. Ф. Таблицы для гидравлического расчёта водопроводных труб. М.: Стройиздат, 1984.
4 Карасёв Б. В. Насосные и воздуходувные станции.- Минск. «Высшая школа», 1990.